水闸混凝土浇筑施工技术
- 格式:doc
- 大小:25.00 KB
- 文档页数:3
水利工程中的混凝土施工技术要点水利工程是指利用水资源进行类似于水库、水电站、水闸等工程的建设和利用。
在水利工程中,混凝土是一种常用的建筑材料,它被广泛应用于水利工程中的各种结构中,如水库坝、堤防、水闸等。
混凝土的施工技术对水利工程的质量和安全具有非常重要的意义。
在水利工程中,混凝土施工技术有一些要点需要特别注意和严格执行,下面将对水利工程中的混凝土施工技术要点进行详细阐述。
1. 原材料选择在混凝土施工中,混凝土原材料的选择至关重要。
水利工程的混凝土常会受到潮湿、水温等因素的影响,因此在选择水泥、砂、石料等原材料时,需要特别注重其水份含量、粒径分布、含泥量等情况。
原材料的来源和质量也需要得到严格把控,避免原材料的不合格对混凝土的质量造成不利影响。
2. 配合比设计混凝土配合比的设计直接影响着混凝土的力学性能和耐久性。
在水利工程中,混凝土通常需要承受大尺度的水压和水浸影响,因此需要选择适合水利工程使用的配合比设计方案。
在配合比设计中需要充分考虑到工程的使用环境、混凝土的抗渗、抗压、耐冻融等性能要求,并结合原材料情况和加工工艺制定合理的配合比设计方案。
3. 浇筑工艺在水利工程中,混凝土的浇筑工艺尤为关键。
首先需要保证混凝土的浇筑速度和方法符合设计要求,避免出现浇筑速度过快或过慢等情况,引起混凝土的质量缺陷。
在浇筑过程中需要采取适当的振捣措施,保证混凝土的密实性和均匀性。
同时需要注意混凝土的温度控制,特别是在炎热季节需要采取降温措施,避免混凝土的温度过高影响其强度和耐久性。
4. 养护措施在混凝土浇筑完毕后,需要进行养护措施,以保证混凝土达到设计要求的强度和耐久性。
在水利工程中,混凝土的养护措施需要根据工程的使用环境和使用条件制定。
一般情况下需要采取湿养护和覆盖保温等措施,保证混凝土在养护期内获得充分的强度发展和耐久性。
5. 质量监控水利工程中混凝土施工的质量监控是保证工程质量的重要环节。
在混凝土施工过程中需要进行原材料的质量检验、混凝土的配合比试验、混凝土的抗渗、抗压等强度检测、混凝土的外观质量检验等一系列质量监控措施,以保证混凝土的质量符合工程设计要求。
混凝土和钢筋混凝土1、水闸混凝土工程的施工宜掌握以闸室为中心,按照“先深后浅、先重后轻、先高后矮、先主后次”的原则进行。
2、墩、墙模板采用对拉杆件固定时,拆模后,应将拉杆两端伸进保护层厚度的部分截除,并用与结构同质量的水泥砂浆填实抹光。
3、拆除模板及支架的期限,设计无规定时,应符合下列规定:(1)不承重的侧面模板.应在混凝土强度达到其表面及棱角不因拆模而损伤时,方可拆除。
在墩、墙、柱部位,不宜低于3.5Mpa;(2)承重模板及支架,应在混凝土达到下列强度后(按设计强度的百分率计算)始准拆除。
1)悬臂梁、悬臂板跨度≤2m 70%跨度>2m 100%2)其它梁、板、拱跨度≤2m 50% 2m<跨度≤8m 70%跨度>8m lOO%3)桥梁、胸墙等重要部位的承重支架,除混凝土强度应达到以上规定外,龄期不得少于7d。
(3)有温控防裂要求的部位,拆除期限应专门确定。
4、钢筋的根数和间距应符合设计规定,并应绑扎牢固,其位置偏差应符合表6.3.8的规定。
表6.3.8钢筋安装位置允许偏差(rnm)5、钢筋的混凝土保护层厚度,应按表6.3.9的规定采用。
表6.3.9钢筋的混凝土保护层量小厚度(film)注①保护层厚度系指钢筋外边至构件外表的尺寸·当辕筋直径超过6mm时,应加上超过的数值;②有较高扰冻、抗冲磨要求,或经常受海水、盐雾等侵蚀影响的构件或部位,其保护层厚度.应按表列数字增加lO~l5mm;③经常露出水面的底扳、铺盖等都位,其保护层厚度,应酌量增加。
6、每一分部工程所用水泥品种不宜太多。
未经试验论证,不同品种的水泥不得混合使用。
7、粗骨料最大粒径的选定,应符合下列规定:(1)不应大于结构截面最小尺寸的1/4;(2)不应大于钢筋最小净距的3/4;对双层或多层钢筋结构,不应大于钢筋最小净距的1/2;(3)不宜大于80mm;(4)经常受海水、盐雾作用或其它侵蚀性介质影响的钢筋混凝土构件面层,粗骨料最大粒径不宜大予钢筋保护层厚度。
水工建筑混凝土结构施工技术及其应用分析摘要:在水利工程项目中,水库大坝、码头及水闸等都是水工建筑物,其结构一般都采用钢筋混凝土结构,以保证其具有较高的承重、抗渗性能。
在具体的施工过程中,要应用专业施工技术,并切实掌握施工要点,才能做到高效、高质地施工,这样才能使混凝土结构的施工质量达到预期要求,促进水工建筑的功能作用得到最大化发挥。
关键字:水工建筑;混凝土结构;施工技术及1.水工建筑混凝土结构施工特点水利工程中的水工建筑,都是混凝土结构,其施工特点主要如下:一是对温度要求比较高。
因为水工建筑处于野外环境中,其混凝土结构的体积和面积一般都比较大,并且是采用分块形式进行浇筑的。
为防止浇筑施工完成后,混凝土结构出现表面冻害、温度裂缝等问题,必须要综合考虑施工现场的天气、温度等因素,做好混凝土表面保护工作,并对接缝处进行灌浆等处理。
二是水工建筑施工周期长,工程体量大,混凝土用量高达几十万立方米。
尤其是大中型水利工程,其水工建筑施工周期,有时可能会达到几年,而且工程建设全过程都将贯穿混凝土结构施工。
三是受季节影响比较大。
水利工程建设需要较长的时间,水工建筑工程施工时间跨度大,施工场地会受到季节影响,如夏季会受到降雨、用水、灌溉等影响,冬季会受到气温等影响,只有综合考虑这些影响因素,并做好防范措施,才能保证施工质量以及施工进度。
2.水工建筑混凝土结构施工技术2.1混凝土的搅拌要求在水工建筑混凝土结构施工过程中要科学合理的配制水泥、沙砾等原材料。
这些原材料的配制并不是没有规律和要求的,配置的好坏将决定混凝土建筑物的施工质量。
2.2混凝土的浇筑要求水工建筑物在施工的时候,要科学、合理的分段、分层和分片对混凝土结构进行浇筑。
而建筑时钢筋的疏密程度决定了混凝土浇筑的厚度,大部分情况下,其厚度是需要振捣的厚度的1.2倍,最多不能超过50cm.在水工建筑物施工的时候由于混凝土建筑物通常情况下都是要进行大体积的浇筑,为了施工顺利进行,所以在正式施工开始之前就要确定科学合理的浇筑步骤。
水闸、船闸钢筋混凝土主体工程施工方案(一)总体施工方案工程所需混凝土由混凝土拌合站供应,混凝土输送泵入仓;混凝土振捣由人工采用插入或变频式振捣器振捣密实。
施工程序为:闸底板、闸墩、随后施工上游消力池、下游护坦,在底板施工完成后,相应进行上部岸墙施工。
(二)钢筋工程本工程钢筋加工场安装两台对焊机、1台弯曲机、1台切断机、1台拉伸机,直径大于16I nln的钢筋水平接头闪光对焊,焊机型号为VN150,钢筋在加工场成型。
闸墩、岸墙等竖向钢筋接头(直径18mm)设计若为焊接接头,采用电渣压力焊,小直径钢筋采用电弧焊或搭接接头。
(三)模板工程本工程模板闸墩、翼墙等主要构件钢筋混凝土施工采用钢大块定型钢模板,其余构件施工采用胶合板模板。
模板加工场安装木工圆锯机、木工刨床、木工钻床、车丝机等加工机械,钢模加工需先设计图纸,交公司金属结构制造总厂加工,木模在现场加工场加工,木料需提前选料干燥,在操作平台上放样取样板。
模板在浇筑前和使用后设专人清理,表面刷隔离剂,使混凝土表面光滑美观模板在混凝土达到规范要求强度并征得监理同意后拆除。
(四)混凝土工程按照本工程招标文件要求,本工程采用商品混凝土。
本工程一次混凝土浇筑量较大,但从浇筑强度及技术难度要求上讲,闸底板浇筑为控制性,整个工程混凝土拌和及输送均以此配置。
根据底板浇筑要求,拌和机械采用生产能力50m3∕h的拌和站1套,混凝土输送采用一台HBT60型混凝土泵,每台输送能力60m3∕h,小批量混凝土采用机动翻斗车运输入仓。
(五)闸室底板施工1、支撑体系采用扣件式钢管架,结合方木支撑体系。
在底板四周搭设间距1.5X1.5m两排立管;并埋设好方木地龙,然后在钢管架上打斜撑直接抵到地龙上。
2、模板安装底板施工时,齿槽采用土模,由人工修整,齿槽以上处,在垂直方向上配置一块L220X2.440米胶合板,一块33Cm宽木模,两道止水间及上层止水上部均采用木模配置,以便于止水的安装与固定。
水闸施工方案水闸施工方案一、施工地点及时间本次水闸施工计划位于某某省某某市某某区某某河段,计划施工时间为2021年X月X日至2021年X月X日。
二、施工内容及方法本次水闸施工的主要内容包括水闸闸门、水闸墩台以及相关附属设施的施工。
具体施工方法如下:1. 水闸闸门施工:采用预制混凝土闸门的施工方法。
首先,根据设计要求,制作好预制混凝土闸门,并进行质量检验。
然后,利用吊装设备将闸门安装到闸台上,并进行固定和调试。
2. 水闸墩台施工:采用钢模板浇筑混凝土的施工方法。
首先,根据设计要求,搭建好钢模板,并进行调整和检查。
然后,进行混凝土的搅拌和浇筑工作。
浇筑完成后,进行养护和表面处理。
3. 附属设施施工:包括渗流井、涵洞等。
具体施工方法根据设计要求进行施工。
三、施工组织与管理为确保施工顺利进行,提前制定施工计划,合理安排施工人员和设备,制定施工流程,明确各个施工节点和质量要求,并加强现场管控。
同时,设立专人负责施工现场的安全管理,做好施工安全工作。
四、施工安全措施施工过程中,要加强对施工现场的保护与管控,设置明显的警示牌和安全标识,建立安全警戒线,并在施工现场设置专人负责施工现场的安全管理。
施工人员要严格按照相关安全操作规程进行施工,佩戴必要的个人防护装备,遵守安全操作规定,确保施工安全。
五、环境保护措施施工过程中,要采取措施减少对环境的影响,包括合理安排施工时间,减少施工噪音和扬尘等污染物的排放,定期清理施工现场,防止施工废弃物对环境造成污染,合理利用水资源,减少水的浪费,确保施工对环境的影响最小化。
六、质量控制措施施工过程中,要严格按照设计要求进行施工,规范施工操作,确保施工质量。
制定施工质量检验方案,对施工过程中的关键节点进行质量把关,对施工过程中的质量问题及时整改,保证施工质量符合设计要求。
七、验收及竣工施工结束后,由建设单位组织相关技术人员进行施工质量验收,对施工成果进行检查和测试,确保施工符合相关标准和规范,达到设计要求。
水闸退水闸和灌注桩施工方案1. 引言水闸退水闸和灌注桩是水利工程中常见的工程措施,用于控制水位和加固土壤。
本文档将详细介绍水闸退水闸和灌注桩的施工方案,包括施工流程、工序、材料和设备等内容。
2. 水闸退水闸施工方案2.1 施工流程水闸退水闸施工的主要流程如下:1.准备施工现场:清理施工区域,划定边界线,确保施工区域安全。
2.安装退水闸模板:根据设计要求,安装合适尺寸的退水闸模板,确保模板牢固和密封性良好。
3.浇筑混凝土:在退水闸模板内,进行混凝土浇筑,确保混凝土均匀分布并达到设计要求的强度。
4.混凝土固化:待混凝土凝固固化后,拆除退水闸模板。
5.安装操作装置:根据设计要求,安装退水闸的操作装置,如闸门、操纵杆等。
6.试运行和调试:进行退水闸的试运行和调试,确保闸门的开启和关闭操作正常。
2.2 工序水闸退水闸的施工工序主要包括:1.准备工序:现场清理、边界划定等。
2.模板安装工序:根据设计要求,安装退水闸模板。
3.浇筑工序:进行混凝土浇筑。
4.固化工序:等待混凝土固化。
5.模板拆除工序:拆除退水闸模板。
6.操作装置安装工序:安装退水闸的操作装置。
7.试运行和调试工序:进行退水闸的试运行和调试。
2.3 材料和设备水闸退水闸施工所需的主要材料和设备包括:•混凝土:根据设计要求配制。
•退水闸模板:用于固定混凝土,使其成型。
•操作装置:包括闸门、操纵杆等。
•混凝土搅拌机:用于混合和搅拌混凝土。
•模板拆除工具:用于拆除退水闸模板。
3. 灌注桩施工方案3.1 施工流程灌注桩施工的主要流程如下:1.准备施工现场:清理施工区域,划定桩位,确保施工区域安全。
2.钻孔:使用钻机进行孔洞钻探,根据设计要求确定灌注桩孔的深度和直径。
3.灌注桩配筋:在钻孔中安装钢筋,根据设计要求进行配置,确保灌注桩的强度和稳定性。
4.浇筑灌注桩混凝土:在钢筋安装完成后,进行灌注桩混凝土的浇筑,确保混凝土充实且与钢筋紧密联系。
5.桩身振捣:使用振捣器对灌注桩混凝土进行振捣,以排除气泡和增强灌注桩的密实性。
混凝土水上浇筑方法混凝土水上浇筑方法混凝土水上浇筑方法是一种常见的施工方式,特别适用于大型水上工程,如桥梁、码头、水闸等。
这种施工方式具有灵活性高、工期短、施工效率高等优点,但也需要严格的操作规范和安全措施。
下面将详细介绍混凝土水上浇筑的具体步骤和注意事项。
一、施工准备1.检查设备:检查混凝土搅拌机、输送泵、喷射泵、浇注机等设备是否正常运转,是否有漏水、漏电等问题。
2.准备材料:准备好水泥、砂、石子等材料,按照比例混合制备混凝土。
3.设置安全警示:在施工现场周围设置安全警示标志,提醒工人注意安全。
4.检查水质:检查水质是否符合要求,如浑浊或含有杂质,则需要进行处理。
二、混凝土浇筑1.搅拌混凝土:将水泥、砂、石子等材料按照比例放入混凝土搅拌机中搅拌,直到混凝土均匀一致。
2.输送混凝土:将搅拌好的混凝土通过输送泵输送到水面上。
3.喷射混凝土:将混凝土从输送泵中喷射到需要浇筑的位置上,可使用喷射泵将混凝土喷射到需要浇筑的位置上。
4.平整混凝土:将喷射出来的混凝土平整,使其表面光滑。
5.喷水养护:将喷水管架设在混凝土表面,并进行喷水养护,保持混凝土表面湿润。
三、注意事项1.安全措施:混凝土水上浇筑需要在水面上进行,存在一定的安全风险,施工前需制定详细的安全措施,确保施工人员的安全。
2.设备维护:混凝土水上浇筑需要使用多种设备,如混凝土搅拌机、输送泵、喷射泵等,这些设备需要经常进行维护和保养,确保正常运转。
3.材料质量:混凝土水上浇筑的质量受材料质量的影响较大,如水泥、砂、石子质量不合格,则会影响混凝土的强度和耐久性。
4.施工技术:混凝土水上浇筑需要熟练的施工技术,如混凝土的搅拌比例、喷射速度、浇筑厚度等都需要掌握。
5.养护措施:混凝土水上浇筑后需要进行养护,保持混凝土表面湿润,以保证混凝土的强度和耐久性。
总之,混凝土水上浇筑是一项技术含量较高的工程,需要掌握严格的操作规范和安全措施,以确保工程的质量和安全。
混凝土水闸施工水闸,作为水利工程中的重要建筑物,在防洪、排涝、灌溉、供水等方面发挥着关键作用。
其中,混凝土水闸因其结构坚固、耐久性好等优点,被广泛应用。
接下来,咱们就详细聊聊混凝土水闸施工的那些事儿。
混凝土水闸施工前,得做好充分的准备工作。
首先是规划设计,得根据实际的水利需求和地形地貌,确定水闸的位置、规模和结构形式。
这可不是拍拍脑袋就能定的,得经过严谨的计算和论证。
然后就是场地准备,要把施工场地清理平整,确保施工能顺利进行。
材料和设备的准备也不能马虎,像水泥、骨料、钢筋这些材料,得保证质量合格、数量充足。
施工用到的机械设备,比如起重机、搅拌机等,要提前检查调试,确保正常运转。
在基础处理环节,得根据地质情况采取合适的方法。
如果地基比较软弱,可能需要进行加固处理,比如打桩、灌浆等。
基础开挖的时候要注意控制好尺寸和标高,不能超挖也不能少挖。
挖好后还要进行验槽,确认基础的承载力符合设计要求。
钢筋工程在混凝土水闸施工中也很重要。
钢筋的种类、规格、数量都得严格按照设计要求来。
钢筋加工的时候要保证尺寸准确,弯曲半径、弯钩长度等都得符合规范。
钢筋的绑扎和焊接也要牢固可靠,不能出现松动、移位的情况。
模板工程就像是给混凝土塑造形状的模具。
模板的选材要结实耐用,常见的有钢模板、木模板等。
模板的安装要牢固,拼接处要严密,不能有漏浆的缝隙。
在浇筑混凝土之前,还要对模板进行检查和清理,确保模板内干净整洁。
混凝土的制备和浇筑是关键的环节。
混凝土的配合比要通过试验确定,确保强度、和易性等满足要求。
搅拌混凝土的时候要严格按照配合比投料,搅拌时间也要足够,保证混凝土搅拌均匀。
浇筑混凝土的时候要分层进行,每层的厚度要控制好,一般不超过 50 厘米。
振捣是个重要的步骤,要振捣密实,不能有蜂窝、麻面等缺陷。
混凝土浇筑完成后,养护工作可不能少。
养护的目的是保证混凝土在适宜的温度和湿度条件下硬化,提高混凝土的强度和耐久性。
养护的方法有很多,比如洒水养护、覆盖养护等,养护的时间一般不少于 7 天。
水闸工程大体积混凝土施工技术1施工准备工作大体积混凝土的施工技术要求比较高,特别在施工中要防止混凝土因水泥水化热引起的温度差产生温度应力裂缝。
因此需要从材料选择上、技术措施等有关环节做好充分的准备工作,才能保证闸室底板大体积混凝土的施工质量。
1.1材料选择1.1.1水泥考虑本工程闸室混凝土的抗渗要求及泵送混凝土的泌水小,保水性能好的要求,确定采用玉华P.O42.5级普通硅酸盐水泥,并通过掺加合适的外加剂可以改善混凝土的性能,提高混凝土的抗裂和抗渗能力。
1.1.2细骨料采用机制混合中砂,平均粒径大于0.5mm,含泥量不大于5%。
选用平均粒径较大的中、粗砂拌制的混凝土比采用细砂拌制的混凝土可减少用水量10%左右,同时相应减少水泥用量,使水泥水化热减少,降低混凝土温升,并可减少混凝土收缩。
1.1.3粗骨料采用碎石,粒径5mm~25mm,含泥量不大于1%。
选用粒径较大、级配良好的石子配制混凝土,和易性较好,抗压强度较高,同时可以减少用水量及水泥用量,从而使水泥水化热减少,降低混凝土温升。
1.1.4矿粉采用金龙S95级矿粉,增加混凝土的和易性,同时相应减少水泥用量,使水泥水化热减少,降低混凝土温升。
1.1.5粉煤灰由于混凝土的浇筑方式为泵送,为了改善混凝土的和易性便于泵送,考虑掺加适量的粉煤灰。
粉煤灰对降低水化热、改善混凝土和易性有利,但掺加粉煤灰的混凝土早期极限抗拉值均有所降低,对混凝土抗渗抗裂不利,因此要求粉煤灰的掺量控制在10%左右。
1.1.6外加剂设计无具体要求,通过分析比较及过去在其它工程上的使用经验,混凝土确定采用“武汉三源SY-G”型微膨胀剂,每立方米混凝土掺入26kg,对混凝土收缩有补偿功能,可提高混凝土的抗裂性。
同时考虑到泵送需要,采用浙江五龙ZWL-A-III型高效泵送剂,其减水率大于18%,可有效降低水化热峰值。
1.2混凝土配合比混凝土采用由吉安市某混凝土搅拌站供应的商品混凝土,因此要求混凝土搅拌站根据设计混凝土的技术指标值、当地材料资源情况和现场浇筑要求,提前做好混凝土试配。
水闸底板混凝土施工技术水闸底板混凝土对施工技术和质量控制要求较高,本文结合工程实践经验对施工方案的制定以及基础处理、垫层施工、钢筋与模板安装、混凝土浇筑与养护、施工缝与缺陷处理等方面进行了分析。
标签:水闸;底板混凝土;施工技术水闸是水利工程中常见的水工建筑,主要用于拦洪、挡潮、泄水、通航等方面,在促进地方经济发展、防灾减灾、美化环境方面发挥了积极的作用。
水闸工程中,底板混凝土方量大,技术要求高,而且其厚度往往超过1m,属于大体积混凝土范畴,对施工技术和质量控制提出了特殊要求,因此本文对水闸底板混凝土施工技术进行了分析和探讨。
1、施工方案的制定水闸底板有平底板和反拱底板两种形式,其中以平底板更为常见,所以下面主要以平底板为例进行讨论。
1.1 材料选择与配合比设计方案大体积混凝土宜选用水化热低的普通硅酸盐水泥,并掺入一定比例的粉煤灰,这样不仅节省水泥,而且还能减少水化热。
粗骨料应选择连续级配或2~3级级配的碎石或卵石。
细骨料宜选用河砂或由碎石中筛选,不得采用海砂或其他含盐分的砂。
可以掺用减水剂、缓凝剂,但须经严格的试验确定。
必要时还可掺加钢纤维或聚丙烯纤维。
在设计混凝土配合比时,在满足强度、抗渗性与和易性要求的基础上,尽量降低水化热,使混凝土温升易于控制。
若选用商品混凝土,应对原材料和配合比提出要求,使其满足水闸工程需要。
1.2 筑块划分方案水闸底板混凝土往往面积较大,受施工和材料运输条件限制,必须分成若干筑块。
中小型水闸底板可以直接利用结构缝分块,但大中型水闸底板需要进一步设置施工缝来分块。
划分筑块以不产生冷缝并避开弯矩、剪力最大处为原则,同时考虑结构断面变化、模板安装等因素。
1.3 施工布置与浇筑方案无论采用自建混凝土拌合站还是商品混凝土,混凝土的供应能力应满足底板大体积混凝土施工的需要,同时还需考虑运输车辆或设备以及混凝土泵的能力是否满足要求。
大体积混凝土常采用阶梯浇筑与分层浇筑两种方案。
阶梯浇筑对混凝土生产能力要求不高,但施工质量较难控制。
水闸钢筋混凝土工程施工方案1.施工前期准备1.1.施工图纸和施工方案的审查及确认1.2.施工现场的平整和清理1.3.获得施工所需的材料和设备1.4.水闸施工人员的组织和培训2.基础施工2.1.根据设计要求,施工基础的回填和压实2.2.进行基础钢筋的安装和固定2.3.浇注混凝土基础,并进行密实3.坝体施工3.1.根据施工图纸,搭建钢模板,并固定好3.2.将钢筋按照设计要求进行安装和固定3.3.进行混凝土浇筑,并采取振捣措施3.4.检查混凝土的密实度和平整度,并进行修整4.坝顶和坝边施工4.1.安装坝顶的钢筋,并进行固定4.2.浇筑坝顶的混凝土,并进行振捣和修整4.3.搭建坝边的支撑结构,确保坝体的稳定4.4.坝边的混凝土施工,包括浇筑和修整5.过闸设施施工5.1.根据设计要求,安装过闸设施的支撑结构5.2.安装过闸设施的钢筋,并进行固定5.3.进行过闸设施的混凝土浇筑,并进行振捣和修整6.防水处理6.1.对坝体和闸门进行防水处理,包括涂刷防水材料6.2.对坝顶和坝边进行防水处理,包括涂刷防水材料6.3.检查防水层的质量和完整性,并进行修补7.收尾工作7.1.清理施工现场,并进行垃圾处理7.2.进行水闸工程的验收和质量检测7.3.编制施工记录和技术档案7.4.项目总结和经验总结,并进行存档和归档总结:水闸钢筋混凝土工程施工方案包括了施工前期准备、基础施工、坝体施工、坝顶和坝边施工、过闸设施施工、防水处理和收尾工作等步骤。
在施工过程中,需要确保施工符合设计要求,并严格控制施工进度和质量。
通过合理的施工方案和施工措施,可以保证水闸工程的质量和安全。
272YAN JIUJIAN SHE水利工程中水闸施工的技术要点及注意要点分析Shui li gong cheng zhong shui zha shi gong de ji shu yao dian ji zhu yi yao dian fen xi针对水利工程施工的项目特点,分析水闸施工中的技术要点以及注意要点,旨在通过各项施工方案的完善,明确水闸施工的基本工序,保证水利工程施工工序的稳步进行,以提升水利工程的整体质量,为行业的运行及发展提供支持。
伴随水利工程产业的发展,集泄洪、防洪以及发电等作为施工项目的重点,若在这些施工工序中遇到问题,会降低水利工程的整体质量,无法满足安全施工的需求。
在水闸施工中,通过上游连接段以及下游连接段的具体施工,可以提高水利工程的整体质量,实现保护河床、防治河岸冲刷的目的。
因此,在水利工程施工中,应该将水闸施工作为重点,通过施工技术要点的明确以及注意要求的分析等,可以构建行之有效的施工方案,以提高水利形成施工的整体质量,满足各行业的发展需求。
一、水闸施工及水闸分类1.水闸施工水闸作为水利工程最基础的项目,具有挡水、泄水的功能,结合工程的具体需求,通过水流量以及水位的控制,实现泄洪、引水以及排水的目的。
而且,在水利工程中,将下游连接与下游河床连接,可以减少泄水流的冲刷能力,将闸室底板作为闸室的基础,提高水闸防渗、防冲能力,增强水利工程水闸施工的整体质量。
2.水利工程水闸施工的具体类型通过水利工程施工状况的分析,水闸类型如下:第一,挡潮闸。
在水利工程的水闸施工中,通过挡潮闸施工,需要将其设置在河流的入海口位置,并利用河口部位的挡潮闸避免海水倒灌,提升内部河流的水位,以充分满足蓄水灌溉的需求。
第二,节制闸。
水利工程的水闸施工中,通过节制闸的利用,对变化的水位状况进行科学调整,以更好的控制水流流量,提升水利工程中水位控制的有效性。
第三,分洪闸。
分洪闸的主要作用就是排泄洪水量,避免洪涝隐患的出现,保证河道的安全运行。
水利工程混凝土施工技术规程一、前言水利工程混凝土施工技术规程是为了保障水利工程建设的质量和安全,规范混凝土施工工艺和方法而制定的。
本规程适用于各类水利工程混凝土施工,包括水坝、水闸、水库、渠道、河道、泵站等。
二、材料准备1.水泥:应选用符合国家标准的水泥,质量应经过检验合格。
2.骨料:应选用符合国家标准的骨料,包括粗骨料和细骨料,质量应经过检验合格。
3.砂:应选用符合国家标准的天然砂或人工砂,质量应经过检验合格。
4.水:应选用符合国家标准的自来水或地下水,质量应经过检验合格。
5.掺合料:如使用掺合料,应选用符合国家标准的掺合料,质量应经过检验合格。
1.混凝土配合比的确定:根据设计要求和材料的性质,确定混凝土的配合比。
在确定配合比时,应充分考虑材料的原材料质量、生产质量、运输质量及测量误差等因素。
2.混凝土搅拌:混凝土搅拌机的选择应根据施工工程的具体情况进行,确保混凝土的质量和生产效率。
在搅拌过程中,应按照配合比加入水泥、骨料、砂、水和掺合料等材料,严格控制加水量,保持混凝土的均匀性。
3.混凝土运输:混凝土运输车的选择应根据施工工程的具体情况进行,保证混凝土的质量和运输效率。
在运输过程中,应采取防止混凝土分层、渗水、泄漏等措施,保证混凝土的均匀性和稳定性。
4.混凝土浇筑:混凝土浇筑应按照施工图纸的要求和设计要求进行,确保混凝土的密实性和均匀性。
在浇筑过程中,应注意控制浇注速度,防止混凝土出现裂缝、空洞等质量问题。
5.混凝土养护:混凝土浇筑后,应及时进行养护,保证混凝土的强度和稳定性。
在养护过程中,应采取覆盖、喷水、涂胶等措施,保持混凝土的湿润状态,防止混凝土裂缝、龟裂等问题的发生。
1.施工现场应保持清洁、整洁,防止杂物、尘土等污染混凝土。
2.混凝土浇筑前应进行模板检查,确保模板的平整、牢固、无裂缝。
3.混凝土的配合比应严格按照设计要求进行,不得随意改变。
4.混凝土搅拌机搅拌时间应符合要求,搅拌后混凝土应具有均匀性和流动性。
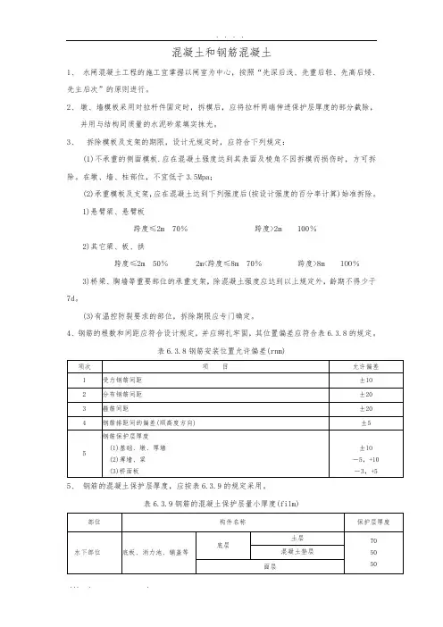
水闸施工规范混凝土和钢筋混凝土1、水闸混凝土工程的施工宜掌握以闸室为中心,按照“先深后浅、先重后轻、先高后矮、先主后次”的原则进行。
2、墩、墙模板采用对拉杆件固定时,拆模后,应将拉杆两端伸进保护层厚度内的部分截除,并用与结构同质量的水泥砂浆填实抹光。
3、拆除模板及支架的期限,设计无规定时,应符合下列规定:(1)不承重的侧面模板.应在混凝土强度达到其表面及棱角不因拆模而损伤时,方可拆除。
在墩、墙、柱部位,不宜低于3.5Mpa;(2)承重模板及支架,应在混凝土达到下列强度后(按设计强度的百分率计算)始准拆除。
1)悬臂梁、悬臂板跨度≤2m 70%跨度>2m 100%2)其它梁、板、拱跨度≤2m 50% 2m<跨度≤8m 70%跨度>8m lOO%3)桥梁、胸墙等重要部位的承重支架,除混凝土强度应达到以上规定外,龄期不得少于7d。
(3)有温控防裂要求的部位,拆除期限应专门确定。
4、钢筋的根数和间距应符合设计规定,并应绑扎牢固,其位置偏差应符合表6.3.8的规定。
表6.3.8钢筋安装位置允许偏差(rnm) 项次项目允许偏差1 受力钢筋间距±lO2 分布钢筋间距±203 箍筋间距±204 钢筋排距间的偏差(顺高度方向) ±55 钢筋保护层厚度(1)基础、墩、厚墙(2)薄墙、粱(3)桥面板±lO-5,+10-3,+55、钢筋的混凝土保护层厚度,应按表6.3.9的规定采用。
表6.3.9钢筋的混凝土保护层量小厚度(film) 部位构件名称保护层厚度水下部位底板、消力池、铺盖等底层土层705050混凝土垫层面层水位变化区墩、埔薄壁墙(厚度~60em)5035水上部位桥面板粱、柱2035注①保护层厚度系指钢筋外边至构件外表的尺寸·当辕筋直径超过6mm时,应加上超过的数值;②有较高扰冻、抗冲磨要求,或经常受海水、盐雾等侵蚀影响的构件或部位,其保护层厚度.应按表列数字增加lO~l5mm;③经常露出水面的底扳、铺盖等都位,其保护层厚度,应酌量增加。
水利工程中水闸施工技术要点及其注意事项摘要:为提升水利工程质量和技术水平,分析了水闸施工技术要点及注意事项。
以某小流域修复闸工程为例,介绍了施工方案选定过程、施工工艺、质量控制和检测,以有效保证闸门工程施工质量和效果,加快建设进度,有效缩短施工工期,促进我国水利工程的可持续发展。
关键词:水利工程;水闸施工技术;要点1水利工程中水闸施工技术要点1.1闸门预埋件施工闸门位置关系到后期的安装,施工过程中必须在安装内置组件前确定工作区域,可由施工人员测量。
作为浇口槽的水平中心,应测量间隙的中心线,选择两点的交点作为埋设中心。
建闸时,要保证内置件质量及强度。
内部组件必须妥善存放,避免损坏或变形等。
确定内置零件中心后,必须逐步安装主导轨插件和侧导轨插件。
例如点焊,可将嵌入式零件固定到位,根据嵌入位置再提升强度。
为有效提高稳定性,需注入混凝土。
施工完成后要使用设备检查工程质量。
1.2闸门板施工门板施工过程中必须先安装铰链板,抬起铰链板,对准植入物的螺栓,拧紧螺栓,这样才能有效固定植入物。
应翻转门扇底部和门槽支撑臂,严格检查安装质量及尺寸,确保工作参数正确后再焊接。
焊缝完成后,将临时焊缝拆除,仔细检查结构,修补焊缝,抹平焊缝痕迹,快速焊接凹坑,实施防抛光措施,将现有焊缝拆除。
为了安装一套闸门并顺利移动闸门,要进行开/关测试、防腐,以确保闸门的有效性。
1.3水闸混凝土施工混凝土是节水工程闸门施工中的重要建筑材料,要按照从高到低的顺序注入混凝土,控制其温度与配比,提高质量。
加强材料采购过程控制,避免使用劣质材料,选用合格的混凝土,按闸结构要求振捣硬化混凝土,提高整体施工质量。
1.4金属结构施工水利工程水闸建造过程中,金属结构质量直接关系着闸具工程中闸具结构的好坏。
建造金属结构前,必须根据设计要求选择合格的金属材料,以保证金属结构的标准化。
要提前预测金属结构,对金属样品进行质量检验,满足结构强度要求后才能量产。
运输过程必须采取保护措施,避免材料损坏。
水闸闸室底板浇筑工艺流程与注意事项下载提示:该文档是本店铺精心编制而成的,希望大家下载后,能够帮助大家解决实际问题。
文档下载后可定制修改,请根据实际需要进行调整和使用,谢谢!本店铺为大家提供各种类型的实用资料,如教育随笔、日记赏析、句子摘抄、古诗大全、经典美文、话题作文、工作总结、词语解析、文案摘录、其他资料等等,想了解不同资料格式和写法,敬请关注!Download tips: This document is carefully compiled by this editor. I hope that after you download it, it can help you solve practical problems. The document can be customized and modified after downloading, please adjust and use it according to actual needs, thank you! In addition, this shop provides you with various types of practical materials, such as educational essays, diary appreciation, sentence excerpts, ancient poems, classic articles, topic composition, work summary, word parsing, copy excerpts, other materials and so on, want to know different data formats and writing methods, please pay attention!一、工艺流程1. 材料准备。
首先需要准备混凝土、石子、砂子、水泥、钢筋等材料,确保材料的质量和数量满足施工要求。
混凝土技术在水利工程施工中的应用混凝土技术在水利工程施工中的应用一、混凝土技术在水闸施工中的应用1.1混凝土在水闸底板施工中的应用水闸底板施工包括设立模型、铸扎钢筋、架设脚手架和浇筑混凝土等施工环节。
一般在浇筑水闸底板前,都会为找平地基面和保护地基而在软土的地基上铺设8一10厘米厚的一层素混凝土垫层。
水闸的底板立模只需在水闸的四周架设侧模板,然后通过地龙木和支撑来固定于木桩上。
为避免在底板层面浇筑时出现沉降,混凝土的强度应该与浇筑部分相同并在浇筑表面形成麻面,并且应在预制的混凝土的死冷状态下固定钢筋,同时可使用铅丝帮吊与底板舱面的脚手架上来避免混凝土减料口面层的钢筋变形。
在底板进行混凝土浇筑的过程中,应该先根据工程的要求确定底板浇筑的厚度、钢筋分布的距离等,同时,确保混凝土的强度能达到施工要求,避免出现冷缝,影响施工质量。
1.2混凝土在水闸闸墩中的施工在水闸的闸墩施工中,由于闸墩门槽部位钢筋密集、预埋件多,并且闸墩高度大、厚度薄、工作面窄,这就对施工造成极大的影响和干扰。
在水闸的闸墩中的施工缝进行处理时要根据其倾向来进行混凝土的浇筑。
当处理沉陷缝设置于闸墩中部时要注意浇筑施工中的止水作业。
当水闸闸墩和底板进行连接时应采用对称的混凝土浇筑工艺来防止同块水闸闸墩与底板的不均匀的沉降。
然后闸墩施工的重点难点则是闸槽混凝土的浇筑,通常对闸槽浇筑采用预留二期混凝土一次浇筑或者预制门槽的方式来进行处理。
固定模板施工方式作为闸墩混凝十浇筑中常用的水利工程施工工艺。
固定模板的施工方式主要是通过立模来减少闸墩的垂直度和厚度之间误差的关键。
通常立模时,应分清先后,要先立闸墩两侧的平面模板然后再立闸墩两侧的圆头模板。
而在混凝土的浇筑时,一般采用对拉螺栓加套简单固定的模式来保证闸墩的浇筑厚度,但是最后因为拉螺栓的抽出会造成闸墩的不平整。
所以现在一般先定制一些硬质的橡胶垫片穿入螺栓两端再将螺栓埋人预制四棱柱内,使橡胶垫块和四棱柱的厚度总长与水闸的闸墩厚度保持一致。
水闸混凝土浇筑施工技术
水闸施工是水利水电工程中的重要内容,其中水闸混凝土施工技术是尤为重要的一环,其施工质量的优劣直接影响到水闸的质量和安全。
在水闸混凝土浇筑施工中,温度控制或者施工不当容易产生裂缝等危害,必须要严格控制。
本文首先简要概迷了水闸混凝土施工,分析了水闸混凝土浇筑施工中容易出现的问题,并着重探讨了水闸混凝土浇筑施工控制方法与策略,旨在为提高水闸混凝土浇筑施工质量提供理论参考。
标签:水闸;混凝土;施工;技术
前言
水闸是水利水电工程建设的重要设施,在控制水量和调配水流等方面发挥着至关重要的作用。
混凝土是水闸施工中重要的施工材料,在施工过程中,尤其是混凝土的浇筑施工中,如果温度把控不当或者出现其他施工问题,很容易出现水闸混凝土裂缝,对于水闸和整个工程建筑都会造成严重的质量问题和安全隐患。
因此,对于水闸混凝土浇筑施工技术控制是非常有必要的,其中,温度控制是最重要的环节。
一、水闸混凝土施工
水闸混凝土施工是水利水电设施建设过程中得到了非常普遍的应用,水闸主要指利用闸门挡水和泄水的中低水头水工建筑物,一般由闸室、上游连接段和下游连接段等组成。
混凝土在水闸建设中发挥着至关重要的作用,在闸底板、护坦、消力池、胸墙、墩闸、闸门等等设施的施工中都少不了混凝土施工。
混凝土浇筑是混凝土施工的重要环节,浇筑过程对于混凝土的刚度和结构的影响巨大,施工不当尤其是温度控制不当,混凝土容易出现裂缝等危害,影响着水闸建设的质量,因此一定要重视水闸混凝土的浇筑施工,加强控温措施,确保混凝土浇筑施工的质量。
二、水闸混凝土浇筑施工中容易出现的问题
在混凝浇筑施工过程中,混凝土裂缝是最容易出现的问题。
有时,施工人员在施工中不能够严谨的对照施工标准、而是凭借主观的意愿进行施工,导致漏筋的问题频频也会出现。
许多因素都会导致混凝土浇筑裂缝的产生,其中温度是最主要的影响因素。
混凝土由于材料自身的性质和其他因素的影响,硬化后容易形成一些微孔和气穴、裂缝等,对于混凝土的质量产生严重危害,进而影响建筑的结构整体抵抗能力和外观,一旦混凝土产生裂缝,势必会导致水闸的强度和质量大幅度下滑。
首先,当混凝土内部结构与外部环境之间的温差过大,就会产生张拉应力,当拉张应力持续存在一旦超过混凝土结构的抗压强度,混凝土就会产生不同程度的裂
缝。
季节性是温度控制的主要影响因素,低温季节浇筑混凝土,寒潮来袭时混凝土的浇筑会受到较大影响,高温季节,人仓温度过高还会引起混凝土内部体积变化造成混凝土开裂等情况。
其次,浇筑过程中由于承重梁板尺寸不当刚度不足,受拉部位也容易出现裂缝,或者浇筑完毕后抹面和养护不及时、新老混凝土间隔时间长等也会造成混凝土裂缝。
在水利水电的水闸建设工程中,把握混凝土浇筑施工中的温度控制和施工工艺是整个工程建设质量得以保障的重要条件。
三、水闸混凝土浇筑施工控制
(一)做好混凝土浇筑温度控制
做好混凝土浇筑的温度控制工作是保障浇筑质量的重要途径。
控制混凝土浇筑温度要制定合理的混凝土浇筑温度控制方案的设计,将温度控制贯穿在浇筑阶段的各个具体施工环节中。
對混凝土温度控制的设计前,要采集工程数据,实地检测施工现场的温度条件,进行严格的仿真计算,为具体施工提供重要参考和指导。
在具体的浇筑阶段,可以概括为以下几个方面。
在对水闸进行混凝土浇筑之前,要适当的选择并明确科学合理的浇筑工序。
在混凝土实际的浇筑过程中,一定要加快浇筑的速度,对基础约束区域有区别的进行分层浇筑,尽可能缩小建设工程中已浇筑混凝土与未浇筑混凝土之间的时间。
在施工过程中埋设水管,对混凝土进行冷却,巧妙控制内外温差。
控制混凝土的入模温度,在高温季节,控制人模温度不高于30℃,避免原料的暴晒,也可以用冰水进行搅拌,还要制定合理监控方案及时掌握混凝土温度动态变化,确定混凝土的内外温差控制标准不超过25℃[1]。
(二)强化混凝土浇捣工作
混凝土的浇捣环节的有效控制是减少裂缝产生的重要环节,要根据建筑现场施工中的对于不同混凝土坍落度的要求,设置合理的振捣时间和振捣强度,做到快插慢拔的要求。
浇捣成型以后,为了加强裂缝的控制,要采取一定的措施进行蓄水保温,通常使用在建筑表面覆膜或者覆盖湿麻袋等方式进行养护。
这样做的目的是为了防止混凝土内外温差过大,进而导致的温度裂缝的产生。
浇灌混凝土要注意天气条件,尽量避免在阴雨天气或者大风天气浇灌。
如果遇到风雨天气,可以搭设防御彩条布进行遮盖,同时做好排水工作,避免与水流人基坑。
对于低下结构的混凝土,要尽可能早的回填土,这也是减少裂缝的有效措施。
混凝土在浇灌到面层时,一定要抹平压实,排除内部气泡和水分,提高密实度,减少裂缝产生。
(三)积极采取浇筑后养护措施
保温养护也是混凝土的施工环节的重要一环,保温养护有利于降低混凝土内外的温差值,进而可以降低混凝土浇筑块体的约束应力。
温度差的有效控制是提高混凝土的抗拉强度和抗裂能力的重要途径,可以有效减少温度裂缝的产生。
在实际的养护环节,可以适当提高养护环境温度的措施,有利于减少内外温差,继而尽可能避免由于混凝土降温过快导致的表面干裂产生塑性收缩,形成混凝土裂
缝。
混凝土的养护还需要加强现浇板浇捣工作,这是增加混凝土强度的有效措施。
在混凝土的硬化过程中要及时补偿水分,浇水养护,避免由于失水得不到补偿而产生的裂缝,尤其是在高温条件施工是,更是要及时补充水分。
这既是提高混凝土强度,也是降低混凝土收缩约束应力的有效措施,可以有效控制裂缝的产生[2]。
结语:混凝土是水利水电工程建设不可或缺的材料,合理控制水闸混凝土施工中的浇筑施工过程,避免出现由于控温不当和施工不当造成的裂缝等危害,是保I正水闸和整个工程施工质量的重要条件。
水闸混凝土施工人员一定要不断优化混凝土浇筑施工技术,严格控制混凝土浇筑过程的温度和其他影响因素,保证混凝土浇筑质量,提高水利水电工程的质量,使得水闸工程能够安全良好的投入到使用中,发挥其在水利工程中的重要价值。
参考文献:
[1]宋华忠.浅谈水闸工程大体积混凝土施工技术[J].中国新技术新产品,2016(12):83-83.
[2]虞黄英.浅谈水闸混凝土的温控与施工技术控制的应用[J].中国水运月刊,2015,11(5):240-241.。