江苏省省市级监管源危废台账模板
- 格式:docx
- 大小:26.77 KB
- 文档页数:6
编- -号:***工业危险废物管理台帐单位名称:(公章)声明:我特此确认,本台帐所填写的内容均为真实。
本单位对本台帐的真实性负责,并承担内容不实的后果。
单位负责人/法定代表人签名:—1 —xxx省环境保护厅制—2 —危险废物污染环境防治有关法律规定1.危险废物的产生单位必须严格执行国家、省、市的有关法律、法规,建立工业固体废物种类、产生量、流向、贮存、处置等资料档案,自觉接受环境保护主管部门的监督和日常检查。
违反规定拒绝县级以上人民政府环境保护行政主管部门或者其他固体废物污染环境防治工作的监督管理部门现场检查的,由执行现场检查的部门责令限期改正,拒不改正或者在检查时弄虚作假的,处二千元以上二万元以下的罚款。
2.企事业单位对暂时不利用或者不能利用的工业固体废物,必须按照国务院环境行政主管部门的规定建设贮存设施、场所,安全分类存放或者采取无害化处置措施。
对危险废物的容器和包装物以及收集、贮存、运输、处置危险废物的设施、场所,必须设置危险废物识别标志。
对暂时不利用或者不能利用的工业固体废物未建设贮存的设施、场所安全存放,或者未采取无害化处置措施的,处以一万以上十万元以下的罚款。
不设置危险废物识别标志的,处一万元以上十万元以下的罚款。
3.产生危险废物的单位,必须按照国家有关规定制定危险废物管理计划,并向所在地县级以上地方人民政府环境保护行政主管部门申报危险废物的种类、产生量、流向、贮存、处置等有关资料。
本条规定的申报事项或者危险废物管理计划内容有重大改变的,应当及时申报。
不按照国家规定申报登记危险废物,或者在申报登记时弄虚作假的,处一万元以上十万元以下的罚款。
4.产生危险废物的单位,必须按照国家有关规定处置危险废物,不得擅自倾倒、堆放;不处置的,由所在地县级以上地方人民政府环境保护行政主管部门责令限期改正;逾期不处置或者处置不符合国家有关规定的,由所在地县级以上地方人民政府环境保护行政主管部门指定单位按照国家有关规定代为处置,处置费用由产生危险废物的单位承担。
附3危险废物产生单位建立台账的要求建立危险废物台账,是危险废物管理计划制度的基础性内容,是危险废物申报登记制度的基础,是环保部门管理危险废物的重要依据。
一、原则产废单位结合自身实际情况,与生产记录相结合,如实记载危险废物的种类、产生量、流向、贮存、利用处置等信息.鼓励危险废物产生单位采用信息化手段管理危险废物台账。
二、前期准备(一)分析危险废物的产生情况。
从生产工艺、事故应急、设备检修、场地清理等方面分析危险废物的产生情况。
(二)确定危险废物的代码和特性.根据《国家危险废物名录》或专业机构鉴别结果,记录危险废物代码和特性。
相关表格样式见附3-1,分别由危险废物产生部门、贮存部门和台账汇总部门填写。
(三)规范危险废物的贮存。
按照《危险废物贮存污染控制标准》(GB18597-2001)的要求,规范危险废物贮存容器、贮存设施、标识等。
三、管理流程分析危险废物管理流程一般有以下几种情况:—1—(一)一个环节1.废物产生(产生部门)→直接自行利用或处置(内部废物利用或处置部门)。
2.废物产生(产生部门)→直接委托给外单位利用或处置(外部废物利用或处置单位).(二)两个环节1。
废物产生(产生部门)→废物贮存(贮存部门)→自行利用或处置(内部废物利用或处置部门)。
2。
废物产生(产生部门)→废物贮存(贮存部门)→委托给外单位利用或处置(外部废物利用或处置单位)。
(三)三个及以上环节1。
废物产生(产生部门)→第1次废物收集和转运→……第n 次废物收集和转运→废物贮存(贮存部门)→内部自行利用或处置(内部废物利用或处置部门)。
2.废物产生(产生部门)→第1次废物收集和转运→……第n次废物收集和转运→废物贮存(贮存部门)→委托给外单位利用或处置(外部废物利用或处置单位)。
(四)其他情形产生后采用管道运输至贮存场所等。
四、台账建立(一)如实记录根据危险废物的产生工序记录、危险废物特性和危险废物产生情况,如实填写附3—1中的各表.—2—在实际生产过程中,根据危险废物产生、贮存、利用处置等环节的动态流向,如实填写附3—2中的各表。
*******有限公司
*******年度危险废物管理台账
记录表编号:JHWF-001废物标号及名称:废活性炭
记录表编号:JHWF-002废物标号及名称:废机油
记录表编号:JHWF-003废物标号及名称:废机油桶
记录表编号:JHWF-004废物标号及名称:废涂料
记录表编号:JHWF-005废物标号及名称:废涂料桶
记录表编号:JHWF-006废物标号及名称:废油墨
记录表编号:JHWF-007废物标号及名称:废油墨桶
记录表编号:J H W F-008废物标号及名称:废气雾罐(发泡胶残次品)
记录表编号:JHWF-009废物标号及名称:废光氧灯管
记录表编号:JHWF-010废物标号及名称:废光触媒棉。
危废企业全套管理台账(通用模板)危险废物规范化管理台账资料目录1、企业概况2、环境影响评价及审批、监测、验收材料3、危险度物污染环境防治责任制度4、危险废物管理计判(参照“江苏省危险废物动な管理信息系统”格式)5、危险废物申报登记材料6、危险度物转移审批材料7、危险废物转移联单(至少最近2年的联单)8、危险度物委外利用、处置的相关合同9、危险废物接受单位的危险度物经营许可证(复印件)10、环保意外事故应急预桌及演练记录11、危险度物产生、贮存、利用、处置情况台枨12、职工培训计划和培训记录备注:企业资料较多的可准备12个档案盒,资料较少的使用文件夹即危废台账一企业概况危废台账二环境影响评价及审批、检测、验收材料材料说明:根据下列制度,企业需完善责任人信息。
该制度应上墙张贴,建议在危废贮存场所和会议室等处使用。
危废台账三工业危险废物产生单位污染防治工作责任制企业名称:*****有限责任公司为贯彻执行《中华人民共和国环境保护法》、《固体废物污染环境防治法》及有关法律、法规,根据环保部、省环保厅和无锡市环保局相关管理要求,特制定本制度。
一.遵循环境保护“预防为主,防治结合”的工作方针和“三同时”规定做到生产建设与保护环境同步规划、同步实施、、同步发展,实现经济效益、社会效益和环境效益的有机统二.公司负责人是危险废物污染防治工作的第一负责人,对全公司环境保护工作负全画的领导责任,并引导其稳步向前发展。
三.设立以总经理为首、各部门领导组成的危险废物污染防治工作领导小组,对公司的各项环境环保工作进行决策、监督和协调。
四、公司EHS部门是危险废物污染防治工作归口管理部门,负责公司日常危废管理,并把目标和任务落实到相关责任单位。
五、按照“管生产必须管环保”的原则,生产部对本单位危险废物污染防治工作负全面的领导责任:各车间、科室必须把危险废物污染防治工作纳入本部门管理工作中。
六、公司员工应自觉遵守国家、地方和公司颁布的各项环境保护规定,确保各类污染防治设施正常运行,从源头减少生产过程中危险废物排放。
危废物管理台账范本
咱先来说说这危废物管理台账,这东西可重要着呢!就好比你家的
账本,记清楚了每一笔收支,心里才有底。
危废物管理台账也是一样,得仔仔细细、认认真真地弄好。
你想想,要是没有一个清晰的台账,危废物的来源、去向都搞不清楚,那不就像一只没头的苍蝇,到处乱撞嘛!而且这危废物可不是闹
着玩的,处理不好那可就是大麻烦。
比如说,有些危险废物具有强烈的腐蚀性,就像一瓶强酸,不小心
碰到那可不得了。
要是没有台账记录它的存放位置和处理方式,万一
哪天出了岔子,后果不堪设想!
再比如,有些危废物是有毒的,就像隐藏在暗处的毒蛇,一不小心
被它咬一口,那麻烦可就大了。
所以啊,这台账就得把这些有毒危废
物的情况都明明白白地写清楚,啥时候产生的,存放在哪里,准备怎
么处理,都不能有一点儿马虎。
台账里得有危废物的详细信息,像名称、类别、产生量、产生时间,这就好比人的身份证信息,缺了哪一样都不行。
还有啊,危废物的存
放位置、容器标识,也得写清楚,不然找都找不到,那不抓瞎啦?
处理危废物的方式也得记在台账里,是回收利用呢,还是进行无害
化处理,都得有个明确的记录。
这就好像你出门旅游,得规划好路线,不然迷路了咋办?
另外,台账还得有责任人的签名,谁负责这一块儿,就得担起责任来。
这就像一场接力赛,每一棒都得交接清楚,不能掉链子。
总之,危废物管理台账就是一道安全防线,把危废物管理得妥妥当当,让我们的环境更安全,生活更美好。
大家可一定要重视起来,把台账做好,别让危废物成为我们身边的“定时炸弹”!。
危险废物台账记录表(以危险废物管理流程的第3种情形为例)表2.1 危险废物产生环节记录表记录表编号:产生工序编号及名称:废物编号及名称:217注:1、本单由危险废物产生部门填写,适用于危险废物日产日清的情形;其他情形可做适当调整。
2、产生工序编号及名称与表1.1中的产生工序编号及名称相一致。
3、废物编号及名称与表1.1中的废物编号及名称相一致。
4、转移日期、时间:为废物转移出产生环节的日期和时间,如11月1日,16:55。
5、废物去向:此危险废物转移的去向(如废物贮存部门名称)。
如果直接委托外单位利用处置的,则还应当填写转移联单编号。
6、本表宜按月装订成册;不同编号废物可分别填写记录表,以利于汇总统计。
表2.2 危险废物贮存环节记录表记录表编号:废物代码及名称:218注:1、本单由废物贮存部门填写。
2、废物来源:此危险废物的来源(如废物产生工序编号及名称)。
3、废物存放位置:此危险废物在贮存库的具体位置。
4、废物去向:此危险废物转移的去向。
内部自行利用或处置的,填写内部利用或处置部门的名称。
委托外单位利用或处置的,填写外单位的名称、许可证编号,转移联单编号以及利用处置方式代码。
5、本单宜按月装订成册;不同编号废物可分别填写记录表,以利于汇总统计。
表2.3 危险废物产生单位自行利用处置环节记录表记录表编号:废物代码及名称:废物内部利用/处置设施名称:219注:1、本单由废物内部利用处置部门保存。
2、本单按月装订成册;不同编号废物可分别填写交接单,以利于汇总统计。
3、根据利用或处置类型,在相应的利用或处置下划√。
附3-3年月危险废物台账企业内部报表填报单位:(盖章)220单位负责人:(盖章)填报人:联系电话:填报日期:年月日注:1、本报表使用A4纸,可按需要加页。
原则上每月10日之前完成上月的报表,并按月装订成册。
本报表也可拆分为四份报表,即危险废物产生量报表、自行利用处置情况报表、委托给外单位利用处置情况报表和库存情况报表。
危险废物管理台账
部门/车间:
年度:
危险废物产生情况一览表
单位负责人:(盖章)填报人:联系电话:填报日期:年月日
注:1、本表每年填写一张,不同工序产生相同类别的废物,需分别编号以示区别。
2、废物类别:按《国家危险废物名录》填写。
3、废物流向:内部自行利用处置的,填写“0”。
委托/提供外单位利用处置的,填写“1”;同时填写“委托/提供外单位利用处置的企业名称”和
“许可证号/合同号”栏。
危险废物台账记录表
(危险废物产生环节记录表)
记录表编号:部门/车间:产生源(班组):
注:
1、本单由危险废物产生部门填写,每月上交安全管理部门存档。
2、本单宜按月装订成册;不同编号废物可分别填写记录表,以利于汇总统计。
表1.3危险废物产生情况一览表(总情况一览表)单位负责人:(盖章)填报人:联系电话:填报日期:年月日注:1、表头横线处填写企业名称;本表每年填写一次,不同工序产生相同类别的废物,需分别编号以示区别。
2、废物代码:按《国家危险废物名录》填写。
3、废物流向:包括自行利用处置的和委托外单位利用处置。
若委托外单位利用处置,需填写“委托外单位利用处置的企业名称”和“危险废物经营许可证编号”栏。
—1 —附3-2危险废物台账记录表(每日出车间情况一览表)(以危险废物管理流程的第3种情形为例)表2.1危险废物产生环节记录表注:1、本单由危险废物产生部门填写,适用于危险废物日产日清的情形;其他情形可做适当调整。
2、产生工序编号及名称与表1.1中的产生工序编号及名称相一致。
3、废物编号及名称与表1.1中的废物编号及名称相一致。
4、转移日期、时间:为废物转移出产生环节的日期和时间,如11月1日,16:55。
5、废物去向:此危险废物转移的去向(如废物贮存部门名称)。
如果直接委托外单位利用处置的,则还应当填写转移联单编号。
6、本表宜按月装订成册;不同编号废物可分别填写记录表,以利于汇总统计。
— 2 —表2.2危险废物贮存环节记录表(入危废仓库一览表)记录表编号:废物代码及名称:注:1、本单由废物贮存部门填写。
2、废物来源:此危险废物的来源(如废物产生工序编号及名称)。
3、废物存放位置:此危险废物在贮存库的具体位置。
4、废物去向:此危险废物转移的去向。
内部自行利用或处置的,填写内部利用或处置部门的名称。
委托外单位利用或处置的,填写外单位的名称、许可证编号,转移联单编号以及利用处置方式代码。
5、本单宜按月装订成册;不同编号废物可分别填写记录表,以利于汇总统计。
— 3—附3-3年月危险废物台账企业内部报表(装运对照联单及实际情况填写)填报单位:(盖章)单位负责人:(盖章)填报人:联系电话:填报日期:年月日注:1、本报表使用A4纸,可按需要加页。
危险废物管理台账
部门/车间:
年度:
危险废物产生情况一览表
单位负责人:(盖章)填报人:联系电话:填报日期:年月日
注:1、本表每年填写一张,不同工序产生相同类别的废物,需分别编号以示区别。
2、废物类别:按《国家危险废物名录》填写。
3、废物流向:内部自行利用处置的,填写“0”。
委托/提供外单位利用处置的,填写“1”;同时填写“委托/提供外单位利用处置的企业名称”和
“许可证号/合同号”栏。
危险废物台账记录表
(危险废物产生环节记录表)
记录表编号:部门/车间:产生源(班组):
注:
1、本单由危险废物产生部门填写,每月上交安全管理部门存档。
2、本单宜按月装订成册;不同编号废物可分别填写记录表,以利于汇总统计。
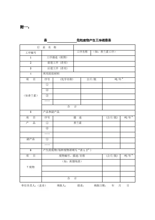
附一:表危险废物产生工序调查表单位负责人:(盖章)填报人:联系:填报日期:年月日注:一、表头横线处填写企业名称。
二、吨/年:指自然年度内的量。
自然年度是指昔时1月1日至12月31日。
表危险废物特性表单位负责人:(盖章)填报人:联系:填报日期:年月日注:一、表头横线处填写企业名称。
二、本表每一年填写一张,废物编号由企业自行编号,与表中一致,原那么上每一个编号的废物填写一张,特性及贮存/利用/处置情形完全一致的同类废物可仅填一张,同时在废物编号栏注明相应的多个编号。
3、废物类别:按《国家危险废物名录》填写。
4、利用途置方式及代码。
如利用方式包括:R1作为燃料(直接燃烧除外)或以其他方式产生能量,R2溶剂回收/再生(如蒸馏、萃取等),R3再循环/再利用不是用作溶剂的有机物,R4再循环/再利用金属和金属化合物,R5再循环/再利用其他无机物,R6再生酸或碱,R7回收污染减除剂的组分,R8回收催化剂组分,R9废油再提炼或其他废油的再利用,R15其他;等。
处置方式包括:D1填埋,D9物理化学处置(如蒸发、干燥、中和、沉淀等),不包括填埋或燃烧前的预处置,D10燃烧,D16其他;等。
其他方式,C1水泥窑共处置,C2生产建筑材料,C3清洗(包装容器)。
五、填写R1五、D16的,请简要描述利用途置方式。
表危险废物产生情形一览表单位负责人:(盖章)填报人:联系:填报日期:年月日注:一、表头横线处填写企业名称;本表每一年填写一张,不同工序产生相同类别的废物,需别离编号以示区别。
二、废物类别:按《国家危险废物名录》填写。
3、废物流向:内部自行利用途置的,填写“0”。
委托/提供外单位利用途置的,填写“1”;同时填写“委托/提供外单位利用途置的企业名称”和“许可证号/合同号”栏。
附二:危险废物台账记录表(以危险废物治理流程的第③、④种情形为例)表危险废物产生环节记录表记录表编号:产生工序编号及名称:废物编号及名称:注:一、本单由危险废物产生部门保留,适用于危险废物日产日清的情形;其他情形可做适当调整。
危险废物管理台账
部门/车间:
年度:
危险废物产生情况一览表
单位负责人:(盖章)填报人:联系电话:填报日期:年月日
注:1、本表每年填写一张,不同工序产生相同类别的废物,需分别编号以示区别。
2、废物类别:按《国家危险废物名录》填写。
3、废物流向:内部自行利用处置的,填写“0”.委托/提供外单位利用处置的,填写“1”;同时填写“委托/提供外单位利用处置的企业名称”和
“许可证号/合同号"栏。
危险废物台账记录表
(危险废物产生环节记录表)
记录表编号: 部门/车间:产生源(班组):
注:
1、本单由危险废物产生部门填写,每月上交安全管理部门存档.
2、本单宜按月装订成册;不同编号废物可分别填写记录表,以利于汇总统计。
危险废物台账范本一、危险废物台账范本危险废物台账可是很重要的东西呢,就像我们大学生的学习笔记一样,得好好做哦。
(一)台账封面首先得有个醒目的封面,写上“危险废物台账”几个大字,再加上公司或者单位的名字,这样一看就知道是谁家的台账啦。
可以写得有趣一点,比如说用一些独特的字体,或者加个小图案什么的,只要不影响正式性就好。
(二)基本信息页1. 废物产生单位信息这里要详细地写上单位的名称、地址、联系电话(这里假设是正常办公联系电话,不涉及隐私哦)、法定代表人姓名等。
就像介绍自己一样,要把这个产生危险废物的“主人”好好地介绍清楚。
2. 台账管理人员信息写上负责这个台账管理的人员名字、部门、联系电话等。
这就好比是这个台账的“小管家”的信息,以后有什么问题都可以找这个“小管家”呢。
(三)危险废物清单页1. 废物名称要准确地写出危险废物的名称,不能含糊哦。
比如说废电池,不能只写电池,得强调是废弃的。
2. 废物类别按照国家规定的危险废物类别来填写,像什么HW01医疗废物、HW08废矿物油等。
这就像是给危险废物分个“班级”,让大家知道它属于哪一类。
3. 废物代码每一种危险废物都有对应的代码,这个也得准确填写。
这代码就像是危险废物的“身份证号”,独一无二的。
4. 产生来源详细说明这个危险废物是从哪里来的。
比如说是从某个生产车间的某道工序产生的,还是从实验室的某个实验产生的,越详细越好。
5. 产生量要记录每次产生的量,单位要写清楚,是千克还是吨之类的。
这就像记录自己每天吃了多少饭一样,要准确哦。
(四)危险废物出入库记录页1. 入库记录入库日期要写上危险废物进入仓库或者储存场所的日期,精确到年月日。
入库来源是从内部车间转运来的,还是从外面采购回来的(虽然危险废物采购有严格规定,但有些特殊情况可能涉及到),要写清楚。
入库量和前面的产生量一样,准确记录入库的数量。
经手人谁负责把危险废物送进来或者接收的,把这个人的名字写上。
2. 出库记录出库日期危险废物离开仓库或者储存场所的日期。
危险废物管理台账样表一、台账编号:WMC2021-001二、台账名称:危险废物管理台账三、编制日期:2021年1月1日4.1 企业基本信息企业名称:XXX公司企业地址:XXX省XXX市XXX区XXX街道XXX号联系人:XXX联系电话:XXX4.2 危险废物基本信息废物名称:废油漆废物代码:W200101危险特性:易燃液体产生数量:100千克处置方式:委托专业公司处置处置日期:2021年2月1日4.3 废物贮存及运输信息贮存方式:密闭储存在危险品仓库贮存容器:装有废油漆的钢质桶贮存期限:长期贮存运输方式:委托专业公司运输运输日期:2021年2月5日接收单位:XXX废物处理中心4.4 废物处置信息具体处置单位名称:XXX废物处理中心处置方式:高温热解处置日期:2021年2月10日4.5 废物转移环节信息转移环节:产生单位-->贮存单位-->接收单位-->处置单位转移日期:- 产生单位转移日期:2021年2月1日- 贮存单位转移日期:2021年2月5日- 接收单位转移日期:2021年2月5日- 处置单位转移日期:2021年2月10日4.6 废物产生及转移情况说明根据国家相关法律法规要求,我公司对废弃油漆的产生、贮存、运输和处置过程进行了详细记录和管理,确保废弃油漆的安全处理,并向相关部门报备了废物产生和转移情况。
具体情况如上述内容所示。
5. 台账编制人员情况编制人员:XXX编制日期:2021年1月1日6. 监督部门审核审核人员:XXX审核日期:2021年1月5日以上为危险废物管理台账样表,所有信息均真实有效。
公司将继续加强危险废物管理工作,确保废弃物的安全处理,共同营造良好的环境保护氛围。
注:本样表仅供参考,需要根据实际情况进行修改和调整,以符合企业实际需求和国家法律法规的要求。
危险废物管理台帐(2017)危险废物名称:危险废物类别:危险废物代码:单位名称:(公章)声明:我公司承诺,本台帐所填写的内容均为真实。
本单位对本台帐的真实性负责,并承担内容不实的后果。
填写说明本台帐用于本省行政区域内危险废物产生单位记录其危险废物产生、贮存、利用、处理处置等情况。
按顺序装订成册后使用,每种危险废物填写一本.本台帐中《废物台账记录表》部分必须手工填写,打印无效。
台帐使用完毕后,由管理单位保存至少五年。
一、封面部分1、【编号】:由三部分组成,第一部分填写该危险废物的名称,第二部分填写该本台帐启用的年份,第三部分填写该本台帐启用的具体日期。
2、【单位名称】:按照工商营业执照或组织机构代码证填写,并加盖公章.二、基本信息部分(一)危险废物基本信息1、【废物名称】:应与台帐封面上的废物名称一致;2、【废物代码】:该种废物在《国家危险废物名录》中相应的代码,如:废酸代码为“HW-17”;3、【累计贮存量】:截止台帐起用之日,单位内部累计贮存该种废物的数量(吨);4、【产生源】:产生废物的车间或生产装置名称;5、【产生工序】:产生废物的具体工序;6、【废物嗅、色】:对废物的气味与颜色进行简要描述,如:黑褐色,有臭鸡蛋气味;7、【废物形态】:在相应项前的“□"内打勾,如不属于列表中项目,则在空白处自行填写并勾选;8、【危险特性】:在相应项前的“□”内打勾,如不属于列表中项目,则在空白处自行填写并勾选;9、【产生设施地址】:废物产生设施的具体地址,如“XX市XX县ХХ镇ХХ街ХХ号”;10、【包装情况】:详细填写单位内贮存该种废物时使用的包装物或容器的材质(如:钢、铁、铝、塑料等)、类型(如:桶、罐、箱、纺织袋、散装堆放等)及规格或尺寸。
(二)危险废物流向基本信息1、【日期】:流向基本信息填写的日期;2、【自行贮存情况】:贮存设施与废物产生设施在同一个厂区内的,填写“本厂区内”;若贮存设施在本单位其他厂区或本单位外的,请填写贮存设施所在厂区的名称或本单位外贮存设施的详细地址;3、【委托处置单位信息】:委托外单位处置废物的,详细填写该单位的名称、联系人、联系方式、单位地址及邮编;三、废物台账记录表1、【日期】:该种废物产生、开始贮存、自行利用处置或委托贮存、利用、处置的日期(月、日);2、【产生数量】:当日废物产生的数量3、【贮存数量】:当日委托贮存该种废物的数量(千克);4、【处置数量】:当日委托处置该种废物的数量5、【经办人】:台帐填写人签字或盖章。
说明:以AB公司(该公司名称的拼音首字母为AB)的机台保养工序为例,填写以下表格:机台保养工序为:AB-01,该工序产生的危废有: 废油(AB-01-01); 含油抹布(AB-01-02);附件一表1.1 AB公司危险废物产生工序调查表单位负责人:(盖章)填报人:联系电话:填报日期:年月日注:1、表头横线处填写企业名称。
2、吨/年:指自然年度内的量。
自然年度是指当年1月1日至12月31日表1.2 危险废物特性表单位负责人:(盖章)填报人:联系电话:填报日期:年月日注:1、表头横线处填写企业名称。
2、本表每年填写一张,废物编号由企业自行编号,与表1.1中一致,原则上每个编号的废物填写一张,特性及贮存/利用/处置情况完全一致的同类废物可仅填一张,同时在废物编号栏注明相应的多个编号。
3、废物类别:按《国家危险废物名录》填写。
4、利用处置方式及代码。
如利用方式包括:R1作为燃料(直接燃烧除外)或以其他方式产生能量,R2溶剂回收/再生(如蒸馏、萃取等),R3再循环/再利用不是用作溶剂的有机物,R4再循环/再利用金属和金属化合物,R5再循环/再利用其他无机物,R6再生酸或碱,R7回收污染减除剂的组分,R8回收催化剂组分,R9废油再提炼或其他废油的再利用,R15其他;等。
处置方式包括:D1填埋,D9物理化学处理(如蒸发、干燥、中和、沉淀等),不包括填埋或焚烧前的预处理,D10焚烧,D16其他;等。
其他方式,C1水泥窑共处置,C2生产建筑材料,C3清洗(包装容器)。
5、填写R15、D16的,请简要描述利用处置方法。
表1.3 危险废物产生情况一览表单位负责人:(盖章)填报人:联系电话:填报日期:年月日注:1、表头横线处填写企业名称;本表每年填写一张,不同工序产生相同类别的废物,需分别编号以示区别。
2、废物类别:按《国家危险废物名录》填写。
3、废物流向:内部自行利用处置的,填写“0”。
委托/提供外单位利用处置的,填写“1”;同时填写“委托/提供外单位利用处置的企业名称”和“许可证号/合同号”栏。
危废登记台账模板甲方:____________________________乙方:____________________________11 危废登记台账模板111 目的本协议旨在规范双方对危险废物登记管理流程确保符合国家环保法律法规要求提高环境保护意识及管理水平112 定义1111 危险废物指列入国家危险废物名录或者根据国家规定的危险废物鉴别标准和鉴别方法认定的具有危险特性的固体废物1112 登记台账指记录危险废物产生贮存转移处置等全过程信息的文件113 双方责任1131 甲方责任11311 负责按照国家规定对产生的危险废物进行分类收集标识并建立详细的登记台账11312 定期检查危险废物存储设施确保其安全有效防止泄漏污染环境11313 对乙方提供的技术指导予以积极配合确保危险废物管理符合相关法规要求1132 乙方责任11321 提供必要的技术支持帮助甲方建立健全危险废物管理制度及应急预案11322 定期对甲方危险废物管理工作进行评估提出改进建议11323 在甲方委托下协助处理危险废物转移事宜确保合法合规114 登记台账内容1141 废物基本信息11411 名称编号物理化学性质等1142 产生情况11421 时间地点数量产生原因等1143 贮存信息11431 存放位置容器类型存储条件等1144 处置方式11441 处置方法实施时间执行单位等1145 转移记录11451 接收单位接收日期数量运输方式等115 记录要求1151 真实性所有登记信息应准确无误不得虚构隐瞒1152 及时性危险废物从产生到最终处置每个环节均应及时记录不得延误1153 完整性登记台账应包含但不限于上述所有项目确保信息全面116 监督机制1161 内部监督甲乙双方应定期组织人员对危险废物管理情况进行自查发现问题及时整改1162 外部审计接受第三方机构或政府部门的不定期检查对发现的问题积极落实整改措施117 违约责任1171 任何一方违反本协议约定给对方造成损失的应承担赔偿责任1172 若因违反相关规定导致环境污染事故发生的将依法追究相关法律责任118 协议期限与终止1181 本协议自双方签字盖章之日起生效有效期为一年1182 如需续签应在协议到期前一个月协商确定1183 双方一致同意可提前终止协议但需提前书面通知对方并妥善处理未尽事宜119 其他事项1191 本协议未尽事宜由双方友好协商解决1192 本协议一式两份甲乙双方各执一份具有同等法律效力1193 本协议解释权归甲乙双方共同所有甲方代表签字:____________________________乙方代表签字:____________________________签署日期:____________________________。
危险废物管理台账
部门/车间:
年度:
危险废物产生情况一览表
单位负责人:(盖章)填报人:联系电话:填报日期:年月日
注:1、本表每年填写一张,不同工序产生相同类别的废物,需分别编号以示区别。
2、废物类别:按《国家危险废物名录》填写。
3、废物流向:内部自行利用处置的,填写“0”。
委托/提供外单位利用处置的,填写“1”;同时填写“委托/提供外单位利用处置的企业名称”和
“许可证号/合同号”栏。
危险废物台账记录表
(危险废物产生环节记录表)
记录表编号:部门/车间:产生源(班组):
注:
1、本单由危险废物产生部门填写,每月上交安全管理部门存档。
2、本单宜按月装订成册;不同编号废物可分别填写记录表,以利于汇总统计。
江苏省省、市级危险废物监管重点源单位管理台账(参考)
表1 危险废物产生环节记录表
表2 危险废物贮存环节记录表
表3 危险废物产生情况月报表
表4 危险废物产生情况一览表
表5 危险废物自行处置利用记录表
—1—
表1
危险废物产生环节记录表
填报人:审核人:日期:
注:1、本单由危险废物产生部门填写。
2、转移日期:为废物转移出产生环节的日期,如11月1日。
3、废物去向:此危险废物转移的去向(废物贮存场所)。
4、本表宜按月装订成册(封面需填写企业名称、日期);不同编号废物可分别填写记录表,以利于汇总统计。
—2—
表2
危险废物贮存环节记录表
填报人:审核人:日期:
注:1、本单由废物贮存部门填写。
2、废物来源:此危险废物的来源(如废物产生工序编号及名称)。
3、废物存放位置:此危险废物在贮存库的具体位置(分类填写)。
4、废物去向:此危险废物转移的去向。
内部自行利用或处置的,填写内部利用或处置部门的名称。
委托外单位利用或处置的,填写外单位的名称、
许可证编号,转移联单编号以及利用处置方式代码。
—3—
5、本单宜按月装订成册(封面需填写企业名称、日期);不同编号废物可分别填写记录表,以利于汇总统计。
表3
____________危险废物产生情况月报表
单位负责人:(盖章)填报人:联系电话:填报日期:年月日
注:1、表头横线处填写企业名称;本表每月填写一次,不同工序产生相同类别的废物,需分别编号以示区别。
2、废物代码:按《国家危险废物名录》填写。
3、废物流向:包括自行利用处置的和委托外单位利用处置。
若委托外单位利用处置,需填写“委托外单位利用处置的企业名称”和“危险废物经营许
—4—
表4
____________危险废物产生情况一览表(按年填写)
单位负责人:(盖章)填报人:联系电话:填报日期:年月日注:1、表头横线处填写企业名称;本表每年填写一次,不同工序产生相同类别的废物,需分别编号以示区别。
2、废物代码:按《国家危险废物名录》填写。
3、废物流向:包括自行利用处置的和委托外单位利用处置。
若委托外单位利用处置,需填写“委托外单位利用处置的企业名称”和“危险废物经营许
—5—
表5
危险废物自行处置利用记录表
填报人:审核人:日期:
注:1、本单由废物自行处置利用部门填写。
2、废物去向:此危险废物转移的去向。
委托外单位利用或处置的,填写外单位的名称、许可证编号,转移联单编号以及利用处置方式代码。
3、本单宜按月装订成册(封面需填写企业名称、日期);不同编号废物可分别填写记录表,以利于汇总统计。
—6—。