清单投标报价表格
- 格式:pdf
- 大小:157.67 KB
- 文档页数:28
工程量清单投标报价说明一、清单数量说明:本工程量清单中的工程量详见原招标文件、“招标补充通知(二)”及“招标补充通知(七)”中有关工程量计算的说明。
本“工程量清单投标报价说明”是对原编制说明的明确和补充。
投标人应在工程量清单列出的工程项目中填报综合单价, 严格按照工程量清单的编制说明和补充说明的要求进行报价。
二、工程量清单投标报价表结构:1.一号地块(1#、2#、4#楼)投标总价=1#楼投标总价+2#楼投标总价+4#楼投标总价+一号地块(1#、2#、4#楼)其他费用投标总价1#楼投标总价=1#楼实体性项目土建部分报价+1#楼实体性项目安装部分报价+1#楼措施性项目报价2#楼投标总价=2#楼实体性项目土建部分报价+2#楼实体性项目安装部分报价+2#楼措施性项目报价4#楼投标总价=4#楼实体性项目土建部分报价+4#楼实体性项目安装部分报价+4#楼措施性项目报价2.二号地块(5#6#楼)投标总价=5#6#楼实体性项目土建部分报价+5#6#楼实体性项目安装部分报价+5#6#楼措施性项目报价+二号地块(5#6#楼)其他费用报价(说明: ××楼实体性项目土建部分报价表: 列入土建实物工程量及模板工程量。
××楼实体性项目安装部分报价表: 列入安装实物工程量。
××楼措施性项目报价表: 列入土建支模用的顶架工程和本栋楼土建、安装共用的垂直运输项目、脚手架项目××地块其他费用报价表: 凡没有列入“××楼措施性项目报价”中而在施工过程中又必须发生的为单栋或本地块中所有招标范围内各工程共同服务的项目, 其费用均列入本表。
)特别提醒:投标单位中标后, 招标人会同中标人共同核对的是“××楼实体性项目土建部分报价表”及“××楼实体性项目安装部分报价表”中的分项工程数量, “××楼措施性项目报价表”和“××地块其他费用报价表”中的价款为包干价, 是不予调整的。
投标报价文件一、投标报价书(报价函)投标报价书______________(招标人):我方已全面阅读和研究了____________________________招标文件材料(包括补充文件材料),并经过现场踏勘、问题澄清,充分理解并掌握了本工程招标的全部有关情况。
现经我方认真分析研究,同意接受招标文件材料及其全部条件,并按此确定本工程投标的各项承诺内容,以本投标书向你方发包的本标的全部内容进行投标。
1. 总投标价为人民币(大写)________________________ 元整(含9%增值税)。
2. 我方提交的投标文件材料的有效期在投标截止日期之后的_________天内有效。
我方保证在此期间内不撤回投标文件材料或擅自修改投标报价。
3. 若我方中标,在接到你方发出的中标通知书起_________日内,我方将按招标文件材料规定的期限与你方签订施工合同,并在签署施工合同后_________日内提交银行出具的履约保函,履行规定的一切责任和义务。
4. 我方将严格按照有关工程招标投标法及招标文件材料的规定参加投标,并理解贵方不保证投标价最低的投标人中标。
注:我方承诺开标一览表价格与此投标报价书总投标价完全一致,否则我方自愿承担一切后果。
投标人:________________________________(打印全称并盖章)日期:_______年______月_____日二、工程量清单计价编制说明注:各类工程单独编制。
三、已标价工程量清单注:各类工程单独编制。
已标价工程量清单投标总价招标人:工程名称及标段:投标总价(小写):(大写):投标人:(单位盖章)法定代表人或其授权人:(签字或盖章)编制人:(签字、盖执业专用章)编制时间:年月日填表须知1. 工程量清单计价表应由投标人填写。
2. 工程量清单计价格式中的任何内容不得随意删除或涂改,没有“合计”、“总计”的要求,也不要进行行间合计。
不要增行、减行,即便是投标人提供的工程量清单有空行,投标人也不得增减。
工程量清单报价表格及填写说明一、一样规定一、工程量清单报价应包括依照招标文件规定,完成工程量清单所列项目的全数费用,包括分部份项工程费、方法项目费、其他项目费、规费和税金。
二、工程量清单投标报价应依照招标文件的有关要求和工程量清单、结合施工现场实际情形、拟定的施工方案或施工组织设计、投标人自身情形,依据企业定额和市场价钱信息进行编制。
1、工程量清单报价应统一利用综合单价计价方式。
综合单价计价方式是指项目单价采纳全费用单价的一种计价方式。
综合单价是指完成工程量清单中的一个规定计量单位项目所需的人工费、材料费、机械利用费、企业治理费、利润和风险费用之和。
2、工程量清单报价钱式应与招标文件一路发至投标人。
3、“其他项目清单”和“零星工作项目表”以空白表格形式提供的,“其他项目清单计价表”、“零星工作项目计价表”中小计和合计栏均以“0”计价。
二、工程量清单报价钱式工程量清单报价应采纳统一格式。
工程量清单报价钱式应由以下内容组成:1、封面2、编制说明3、投标总价4、工程项目总价表5、单项工程费汇总表6、单位工程费汇总表7、分部份项工程量清单计价表8、方法项目清单计价表9、他项目清单计价表10、零星工作项目计价表1一、分部份项工程量清单综合单价分项表1二、方法项目费分析表13、要紧材料价钱表14、分部份项工程量清单综合计算表1五、方法项目费计算表(一)1六、方法项目费计算表(二)以上(14-16)表式要紧用于利用定额综合计价的地域。
分部份项工程量清单综合单价分析(计算)表、方法项目费分析(计算)表,应由招标人依照需要提出要求后填写。
附:工程量清单报价表工程工程量清单报价表投标人:(单位签字盖章)法定代表人:(签字盖章)造价工程师及注册证号:(签字盖执业专用章)编制时刻:编制说明工程名称:第页共页投标总价建设单位:工程名称:投标总价(小写):(大写): 投标人:(单位签字盖章)法定代表人:(签字盖章)编制时刻:工程项目总价表工程名称:第页共页单项工程费汇总表工程名称:第页共页单位工程费汇总表工程名称:第页共页分部份项工程量清单计价表工程名称:第页共页方法项目清单计价表工程名称:第页共页其他项目清单计价表工程名称:第页共页零星工作项目计价表工程名称:第页共页分部份项工程量清单综合单价分析表工程名称:第页共页方法项目费分析表工程名称:第页共页要紧材料价钱表工程名称:第页共页分部份项工程量清单综合单价计算表工程名称:计量单位:项目编码:工程数量:项目名称:综合单价:方法项目费计算表(一)工程名称:计量单位:项目编码:工程数量:项目名称:综合单价:方法项目费计算表(二)工程名称:第页共页三、工程量清单报价编制一)、“封面”的填写:应依照规定的内容填写、签字、盖章。
清单计价报价实例一、建筑投标报价表封-3 投标总价表—01 总说明表-03 单项工程投标报价汇总表表—04 单位工程投标报价汇总表表-08 分部分项工程量清单与计价表表—09 工程量清单综合单价分析表表—10 措施项目清单与计价表(一)表—11 措施项目清单与计价表(二)表—12 其他项目清单与计价汇总表(本案例工程中没有此项目)表-13 规费、税金项目清单与计价表二、装饰工程报价表封—3 投标总价表-01 总说明表-03 单项工程投标报价汇总表表-04 单位工程投标报价汇总表表—08 分部分项工程量清单与计价表表-09 工程量清单综合单价分析表表—10 措施项目清单与计价表(一)表-11 措施项目清单与计价表(二)(本案例工程中没有此项目)表—12 其他项目清单与计价汇总表(本案例工程中没有此项目)表-13 规费、税金项目清单与计价表附表:表-02 工程项目投标报价汇总表主要材料价格表一、建筑投标报价表封—3投标总价招标人:工程名称: ***土建工程投标总价(小写):2330996。
45 元(大写):贰佰叁拾叁万零玖佰玖拾陆元肆角伍分整投标人:(单位盖章)法定代表人或其授权人:(签字或盖章)编制人:(造价人员签字盖专用章)编制时间:年月日表—01总说明工程名称: ***土建工程第1页共1页工程名称:***土建工程第1页共1页分部分项工程量清单与计价表工程名称: ***土建工程第1页共8页见文件建筑表-09工程名称:***土建工程第1页共1页工程名称:***土建工程第1页共1页工程名称: ***土建工程第1页共1页二、装饰工程报价表封—3投标总价招标人:工程名称:***装饰工程投标总价(小写):1870229.79 元(大写):壹佰捌拾柒万零贰佰贰拾玖元柒角玖分整投标人:(单位盖章)法定代表人或其授权人:(签字或盖章)编制人:(造价人员签字盖专用章)编制时间:年月日表—01总说明工程名称:***装饰工程第1页共1页工程名称: ***装饰工程第1页共1页分部分项工程量清单与计价表工程名称: ***装饰工程第1页共6页分部分项工程量清单与计价表见装饰表-09措施项目清单与计价表(一)工程名称: ***装饰工程第1页共1页规费、税金项目清单与计价表工程名称:***装饰工程第1页共1页表—02工程项目投标报价汇总表主要材料价格表1。
附件二:工程量清单报价表格一、封面工程量清单报价封-2二、报价说明:表2-1二、建设工程投标报价汇总表表2-2三、分部分项工程量清单报价汇总表:表2四、分部分项工程量清单与计价表:表2-五、措施项目清单报价汇总表:表2-5(一)措施项目清单与计价表(一):表2安全防护、文明施工措施清单与费用明细(二)措施项目清单与计价表(二):表2六、其他项目清单与计价汇总表:表2-6(一)暂列金额明细表:表2-6-1(二)材料暂估单价表:表2-6-2(三)专业工程暂估价表:表2-6-3(四)计日工表:表2-6-4(五)总承包服务费计价表:表2-6-七、规费、税金项目清单与计价表:表2-八、工程量清单综合单价分析表:表2-8九、主要材料(设备)数量与计价表:表2工程报建号:投标总价招标人:工程名称:投标总价(小写):(大写):投标人:(单位盖章)法定代表人或其授权人:(签字或盖章)编制人:(造价人员签字盖专用章)编制时间:年月日封—2报价说明建设工程投标报价汇总表表2-2标段:工程名称:第页共页分部分项工程量清单报价汇总表工程名称:页码:分部分项工程量清单与计价表工程名称:标段:第页共页注:表中人工费指规费按人工费计取的应填写综合单价中的人工费表2-4措施项目清单报价汇总表注:如需多层次汇总措施项目报价的,表式相同。
表2-5表2-5措施项目清单与计价表(一)注:1.本表适用于以“项”计价的措施项目。
2.市政工程措施项目中所列模板、支架、脚手架、施工排水、井点降水应计入该分部分项工程项目综合单价中表2-5-1安全防护、文明施工措施清单与费用明细工程名标第 页页共安全防护、文明施工措施清单与费用明细表2-5-1-1措施项目清单与计价表(二)注:1、表中人工费指规费按人工费计取的应填写综合单价中的人工费:本表适用于以综合单价形式计价的措施项目2、市政工程措施项目中所列模版、支架、脚手架、施工排水、井点降水应计入该分部分项工程项目综合单价中。
工程量清单计价表格一、封面:1 工程量清单:封—12 招标控制价:封—23 投标总价:封—34 竣工结算总价:封—4二、总说明:表—01三、汇总表:1 工程项目招标控制价/投标报价汇总表:表—022 单项工程招标控制价/投标报价汇总表:表—033 单位工程招标控制价/投标报价汇总表:表—044 工程项目竣工结算汇总表:表—055 单项工程竣工结算汇总表:表—066 单位工程竣工结算汇总表:表—07四、分部分项工程量清单表:1 分部分项工程量清单与计价表:表—082 工程量清单综合单价分析表:表—09五、措施项目清单表:1 措施项目清单与计价表(一):表—102 措施项目清单与计价表(二):表—11六、其他项目清单表:1 其他项目清单与计价汇总表:表—122 暂列金额明细表:表—12—13 材料暂估单价表:表—12—24 专业工程暂估价表:表—12—35 计日工表:表—12—46 总承包服务费计价表:表—12—57 索赔与现场签证计价汇总表:表—12—68 费用索赔申请(核准)表:表—12—79 现场签证表:表—12—8七、规费、税金项目清单与计价表:表—13八、工程款支付申请(核准)表:表—14_________________________________工程工程量清单工程造价招标人:________________________咨询人:_________________________(单位盖章) (单位资质专用章)法定代表人法定代表人或其授权人:__________________________或其授权人:__________________________(签字或盖章) (签字或盖章)编制人:__________________________复核人:__________________________ (造价人员签字盖专用章) (造价工程师签字盖专用章)编制时间:年月日复核时间:年月日封-1_________________________________工程招标控制价招标控制价(小写):__________________________________________________________ (大写):__________________________________________________________工程造价招标人:_________________________ 咨询人:_________________________ (单位盖章) (单位资质专用章)法定代表人法定代表人或其授权人:_________________________或其授权人:____________________________ (签字或盖章) (签字或盖章)编制人:__________________________复核人:__________________________ (造价人员签字盖专用章) (造价工程师签字盖专用章)编制时间:年月日复核时间:年月日封-2投标总价招标人:__________________________________________________________________ 工程名称:_________________________________________________________________ 投标总价(小写):_______________________________________________________ (大写):_______________________________________________________投标人:__________________________________________________________________(单位盖章)法定代表人或其授权人: _______________________________________________________________(签字或盖章)编制人:__________________________________________________________________(造价人员签字盖专用章)编制时间:年月日封—3_______________________________工程竣工结算总价中标价(小写):_____________________________ (大写):__________________________ 结算价(小写): ____________________________ (大写):__________________________工程造价发包人:____________承包人:____________咨询人:________________(单位盖章) (单位盖章) (单位资质专用章)选定代表人法定代表人法定代表人或其授权人:_____________ 或其授权人:______________ 或其授权人:__________ (签字或盖章) (签字或盖章) (签字或盖章)编制人:__________________________核对人:_________________________ (造价人员签字盖专用章) (造价工程师签字盖专用章)编制时间:年月日核对时间:年月日总说明工程名称:第页共页工程名称:第页共页序号单项工程名称金额(元)其中暂估价(元)安全文明施工费(元)规费(元)合计注:本表适用于工程项目招标控制价或投标报价的汇总。
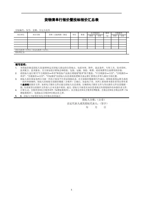
货物清单行报价暨投标报价汇总表
填写说明:
1. 本投标价格是投标人设备/材料运至招标人指定的交货地点,包括本体、附件、备品备件、专用工具、技术资料、
技术配合、技术服务、买方参加设计联络会和检验、包装、运输、保险、税费、政府规费等全部费用的价格。
2. 请投标人逐行填写“不含税报价—单价”和投标产品执行增殖税“税率”两个数值,“不含税报价—合价”、“含税报价—
单价”、“含税报价—合价”、“开标报价”由招标人信息系统依逻辑关系运算汇算得出并带入相应字段位置。
3. 投标人需在国家电网公司新一代电子商务平台登录填报此表,在全部报价数据填写生成后,需校验系统运算关系的
一致性和准确性,投标人经校验全部报价数据(含税率)正确后,加盖电子章,从网上系统将本报价表导出带有系统条形码的报价文件,加密电子报价文件后提交招标人信息系统,以确保电子报价文件与导出报价文件信息数据一致;从系统导出的报价文件放入正本光盘中密封、递交,招标人不接受从该信息系统以外离线制作的本报价表文件。
4. 计算公式:含税单价=未含税单价×(1+增值税税率),未含税总价=未含税单价×数量,含税总价=未含税总价×(1+
增值税税率),包投标总含税价=含税总价之和。
5.5、招标人不接受任何包含价格信息的备注。
投标人全称:(公章)
法定代表人或其授权代表人:(签字)
年月日
1。
投标报价清单格式投标报价清单(格式)盐城市教育装备与产业发展中心:我单位愿意按照本询价文件(YCJYZB1503-16)的要求和下面的报价提供所需商品和服务,并保证所供商品为原厂原配产品。
一、分包一:监控技防设备报价单货币单位:人民币元不同于项目需求的说采购投标单价投标金额采购商品品牌、型号及配置参数相关说明(可附页) 数量明(技术参数、商务条款号 (成本) (成本) 偏离情况)(可附页)200万高清红外半大华DH-IPC-HDW2205S-V2,详见参数说明,另页,符合 1 6 595 3570 球型网络摄像机200万高清红外枪大华DH-IPC-HFW2200B-V2,详见参数说明,另页,符合 2 11 666 7326 型网络摄像机200万高清红外网大华DH-SD-6C1220S-HN,详见参数说明,另页, 3 1 4800 4800 符合络智能球机4 球机支架大华 DH-PFB303W铝合金材料; 1 30 30 符合5 枪机支架大华DH-PFB120W铝合金材料; 11 25 275 符合6 电源衡孚 HF30W-SW-12 电源,规格:12VDC 17 37 629 符合 7 监控级硬盘希捷3T 3000G/7200RPM/64M/6Gb/SATA8 890 7120 符合 8 网络硬盘录像机大华NVR7064,详见参数说明,另页, 1 5240 5240 符合大华L22 22寸工业级液晶面板,响应时间?5.8ms,画面真正无拖尾;黑电平延9 监视器 1 1500 1500 符合伸自适应功能;自动消除残影功能,多种视频信号源输入遥控、键控960 图腾 16U 10 网络机柜 1 960 符合2720 11 壁挂网络机箱图腾6U 8 340 符合华三 S5008PV2-EI千兆交换机8个10/100Base-TX以太网端口;包转发率:8400 12 网络交换机 8 1050 高于标书要求 14.1Mpps;交换容量:64Gbps华三 H3C S5120-28P-WiNet 千兆交换机24个10/100Base-TX以太网端口, 2900 13 网络交换机 4个千兆SFP,2个复用的10/100/1000Base-T以太网端口Combo;包转发率:1 2900 高于标书要求14.1Mpps;交换容量:64Gbps4640 580 14 光纤收发器 8 符合一舟 SA100,光发、光收3500 15 光纤一舟室内4芯单模 1000 3.5 符合6580 16 六类网络线 2800 2.35 符合 D165,D UTP六类4.8 2880 17 电源线起帆RVV2*2.5 600 符合4960 18 电源线起帆RVV2*1.5 1600 3.1 符合250 250 19 沿街墙面支架杆符合 304不锈钢 1桥架、PVC80、60、40槽板约:750米;管道:500米;弯头转角等(开25000 桥架、管道、槽板 20 符合 20 1250 孔含穿梁、穿楼层、墙孔约80处) 3500 辅材 3500 21 符合配套各类模块、接口端头、尾纤;护套软管及光钎熔接等 1合计人民币(大写): 玖万陆仟柒佰捌拾元整小写:96780.00供货期限:合同签定后 10个 (工作日)日内交货并安装调试完毕。
投标总价招标人:郑州轻工业学院工程名称:教二楼125教室投标总价(小写):¥(大写):壹万柒仟捌佰伍拾柒元零肆角贰分投标人: 09级国教*班(单位盖章)法定代表人或其授权人:某某某(签字或盖章)编制人:某某某(造价人员签字盖专用章)编制时间:封-3总说明表一01注:本表适用于工程项目招标控制价或投标报价的汇总表一02注:本表适用于单项工程招标控制价或投标报价的汇总。
暂估价包括分部分项工程中的暂估价和专业工程暂估价。
表-03注:本表适用于单位工程招标控制价或投标报价的汇总,如无单位工程划分,单项工程也使用本表汇总。
表—04分部分项工程量清单与计价表注:根据建设部、财政部发布的《建筑安装工程费用组成》(建标[2003]206号)的规定,为计取规费等的使用,可在表中增设其中:“直接费”、“人工费”或“人工费+机械费”。
分部分项工程量清单与计价表注:根据建设部、财政部发布的《建筑安装工程费用组成》(建标[2003]206号)的规定,为计取规费等的使用,可在表中增设其中:“直接费”、“人工费”或“人工费+机械费”。
工程量清单综合单价分析表注:1.如不使用省级或行业建设主管部门发布的计价依据,可不填定额项目、编号等。
2.招标文件提供了暂估单价的材料,按暂估的单价填入表内“暂估单价”栏及“暂估合价”栏。
表-09工程量清单综合单价分析表注:1.如不使用省级或行业建设主管部门发布的计价依据,可不填定额项目、编号等。
2.招标文件提供了暂估单价的材料,按暂估的单价填入表内“暂估单价”栏及“暂估合价”栏。
表-09工程量清单综合单价分析表注:1.如不使用省级或行业建设主管部门发布的计价依据,可不填定额项目、编号等。
2.招标文件提供了暂估单价的材料,按暂估的单价填入表内“暂估单价”栏及“暂估合价”栏。
表-09工程量清单综合单价分析表注:1.如不使用省级或行业建设主管部门发布的计价依据,可不填定额项目、编号等。
2.招标文件提供了暂估单价的材料,按暂估的单价填入表内“暂估单价”栏及“暂估合价”栏。
一、招标文件清单报价模板一、项目名称二、招标单位三、招标地址四、招标内容五、招标方式六、招标时间七、投标截止时间八、投标保证金九、招标文件获取方式十、投标文件递交方式十一、评标办法十二、合同签订及付款方式十三、项目进度要求十四、质量要求十五、安全生产要求十六、其他要求一、项目名称1.1 项目名称:XX项目二、招标单位2.1 招标单位名称:XX单位2.2 招标单位地址:XX地址三、招标地址3.1 招标地址:XX地址四、招标内容4.1 招标内容:XX项目(包括但不限于施工、材料、设备等)五、招标方式5.1 招标方式:公开招标六、招标时间6.1 招标时间:自招标文件发布之日起至投标截止之日止七、投标截止时间7.1 投标截止时间:XX年XX月XX日XX时XX分八、投标保证金8.1 投标保证金金额:人民币XX元整8.2 投标保证金缴纳方式:XX方式九、招标文件获取方式9.1 招标文件获取方式:XX方式9.2 招标文件售价:人民币XX元整十、投标文件递交方式10.1 投标文件递交方式:XX方式10.2 投标文件递交地点:XX地点十一、评标办法11.1 评标办法:综合评分法11.2 评分标准:1. 投标报价(40分)2. 企业资质(20分)3. 企业业绩(20分)4. 人员配备(10分)5. 质量保证措施(10分)十二、合同签订及付款方式12.1 合同签订:中标后,招标人与中标人签订书面合同12.2 付款方式:1. 合同签订后,中标人向招标人递交相关材料,招标人审核通过后支付合同总价款的30%作为预付款2. 项目完工验收合格后,招标人支付合同总价款的60%作为进度款3. 项目保修期满后,招标人支付合同总价款的10%作为保修金十三、项目进度要求13.1 项目进度要求:1. 项目开工时间:XX年XX月XX日2. 项目完工时间:XX年XX月XX日十四、质量要求14.1 质量要求:1. 项目质量标准:符合国家及行业相关质量标准2. 质量保证措施:招标人将对项目质量进行全过程监督,确保项目质量符合要求十五、安全生产要求15.1 安全生产要求:1. 项目安全生产标准:符合国家及行业相关安全生产标准2. 安全生产措施:招标人将对项目安全生产进行全过程监督,确保项目安全生产无事故十六、其他要求16.1 其他要求:1. 投标人须在投标文件中明确项目施工、材料、设备等所有费用的构成,并详细列出各项费用2. 投标人须在投标文件中明确项目施工组织设计、进度计划、质量保证措施、安全生产措施等3. 投标人须在投标文件中明确项目负责人、技术负责人、质量负责人、安全负责人等人员的姓名、职务、联系方式4. 投标人须在投标文件中明确项目施工过程中可能遇到的风险及应对措施5. 投标人须在投标文件中明确项目完工验收标准及验收流程6. 投标人须在投标文件中明确项目保修期限及保修内容7. 投标人须在投标文件中明确项目合同解除及违约责任8. 投标人须在投标文件中明确项目变更及争议解决方式9. 投标人须在投标文件中明确项目合同签订及付款方式10. 投标人须在投标文件中明确项目进度要求11. 投标人须在投标文件中明确项目质量要求12. 投标人须在投标文件中明确项目安全生产要求13. 投标人须在投标文件中明确项目其他要求请注意,以上模板仅供参考,具体招标文件清单报价内容需根据实际情况进行调整。