T5高效直管荧光灯管外形尺寸和灯头型号
- 格式:doc
- 大小:55.00 KB
- 文档页数:1
T5日光灯管性能介绍T5光管主要成分是稀土三基色荧光粉,灯管所产生的光通量,光效高达95Lm/W以上。
它的性能特点;一、护眼;T5高效三基色荧光灯管,光线清澈,显色性高(Ra80),光照无闪烁,保护眼睛,使人在工作、学习中身心愉悦,提高了人们的思考力,学习力和工作效率。
而普通T8、T10卤粉荧光灯灯管,显色性低(Ra65左右),与传统电感式镇流器匹配工作频率仅有100/120HZ,易造成人的视觉疲劳,甚至引起视力下降。
二、环保;汞(水银) 是荧光灯管的主要原料,但是汞也会对环境造成很严重的污染,减少汞的使用量是当前环保的重要课题。
本公司推荐的T5高效三基色荧光灯管,采用中国科研成果专利的稀汞吸气汞柱,可有效吸合汞剂,使之不散失;同时T5管径比T8 、T10管径小,含汞量也就少很多,可以减低对环境的污染。
三、光衰小,使用寿命长;采用日本优质荧光粉和先进的生产工艺,生产的T5灯管具有光衰小,平均使用寿命长达10,000小时以上之特点。
经有关权威机构检测,1000小时之平均光衰为3.2%,2000小时之平均光衰为8.6%,远低于国家标准。
灯管光衰小、寿命长,无需更换启辉器降低维护成本。
T5灯高效荧光灯管;型号功率(w)长度(mm)电压范围( v )灯电流(a)光通量(lm)寿命(h)开关次数( n )显色性(pe)KTC14 W 14 549 184~240.17 13501000020000827/840/865/KTC21 W 21 849 184~240.17 2150KTC28 W 28 1149 184~240.17 2900目前管状荧光屏灯已经发展了三代:第一代的管状荧光灯直径为38毫米的T12型号,以电感镇流器起稳定作用,现时大多已经被T8所取代,其光效约每瓦特70流明范围。
第二代的管状荧光灯直径为26毫米的T8型号,以电感镇流器或电子镇流器起稳定作用,其光效约每瓦特80流明范围。
第三代的管状荧光灯为新的T5型号,直径为16毫米使用高频电子镇流器,由于其发光效率的输出较佳每瓦特达95Lm以上,节能、护眼、环保、长寿命,将很快取代一般的荧光灯,几年内T8荧光灯将被T5荧光灯取代。
T4:国内生产的非国际标准的产品,常见规格:
20w :管长50cm
22w :管长75
26w :管长80
28w :管长82
T5:技术比较成熟有国际标准的产品,对光度、色温、光效都有一定的生产规范。
常见规格:
8W:管长28cm
13W:管长:55
14W:管长55
21W:管长85
28W:管长:115
35W:管长:145
T5HO:超T5管,即我们平常称的超光管,HO = High Output,一种高输出的T5光管。
特点:光度很强,一开灯就达到最高的光通量。
常见规格:
24W :管长60cm
39W :管长90
54W :管长120
T8:管径较粗,相同长度较T5管的功率要小。
常见规格:
14W:管长35cm
15W:管长45
18W:管长60
30W:管长90
36W:管长120
58W:管长150
3000K 黄色光,强穿透力
4200K 白中带黄,原车配氙气灯
5000K 光全白,欧规最高色温
6000K 光全白,略带蓝色
6500K 阳光下的白天
7000—8000K白中明显带蓝
8000K以上蓝光,穿透力极差推荐6000K左右的色温正好是最白略微开始转蓝的色温,人眼容易接受,不易疲劳,提高安全性,而卤素灯则较差。
三雄灯具参数表T5高效节能荧光灯管T5炫彩荧光灯管T8标准型荧光灯管佛山照明灯具参数表雪靓系列T5一体化日光灯型号电压(V) 功率(W) 功率因数尺寸寿命(H) T5一体化-14W 220 14 0.95 571X21X39 8000 T5一体化-28W 220 28 0.95 1171X21X39 8000T8直管形彩色荧光灯规格功率(w)颜色管径(mm)管长(mm)寿命(hrs)灯头F10T8/红F10T8/绿F10T8/蓝10红色绿色蓝色26331.36000G13F15T8/红F15T8/绿F15T8/蓝15红色绿色蓝色26437.47000G13F18T8/红F18T8/绿F18T8/蓝18红色绿色蓝色26589.87000G13F30T8/红F30T8/绿F30T8/蓝30红色绿色蓝色26894.69000G13F36T8/红F36T8/绿F36T8/蓝36红色绿色蓝色261199.49000G13T8直管形三基色荧光灯规格功率(w) 色温(k)显色指数(mm)光通量(Lm)直径(mm)管长(mm)寿命灯头F10T8/865F10T8/840 F10T8/827 F10T8/81010650040002700100008260065065050026331.38000G13F15T8/865F15T8/840 F15T8/827 F15T8/81015650040002700100008290095095085026437.410000G13F18T8/865F18T8/840 F18T8/827 F18T8/810186500400027001000082130013501350113026589.810000G13F30T8/865F30T8/840 F30T8/827 F30T8/810306500400027001000082235024502450215026894.612000G13F36T8/865F36T8/840 F36T8/827 F36T8/8103665004000270010000823250335033502750261199.412000G13F58T8/865F58T8/840 F58T8/827 F58T8/810586500400027001000082480050005000420026150012000G13T5直管形荧光灯规格功率(w) 色温(k)显色指数(mm)光通量(Lm)直径(mm)管长(mm)寿命(hrs)灯头YZ4RRYZ4RL YZ4RD 465004000300072605011013013016135.95000G5YZ6RRYZ6RL YZ6RD 665004000300072605021024026016212.15000G5YZ8RRYZ8RL YZ8RD 865004000300072605031035038016288.35000G5YZ12RRYZ12RL YZ12RD 1265004000300072605060065070016485.85000G5YZ13RRYZ13RL YZ13RD 1365004000300072605065074080016516.95000G5T5直管形高效荧光灯规格功率(w) 色温(k)显色指数(mm)光通量(Lm)管径(mm)管长(mm)寿命(hrs)灯头F14T5/865F14T5/840 F14T5/8271465004000270082110012401270165498000G5F21T5/865F21T5/840 F21T5/8272165004000270082185021002150168498000G5F28T5/865F28T5/840 F28T5/82728650040002700822550270027601611498000G5F35T5/865F35T5/840 F35T5/827356500400027008233003400350016144910000G5T5直管形高输出荧光灯规格功率(w) 色温(k)显色指数(mm)光通量(Lm)管径(mm)管长(mm)寿命(hrs)灯头F24T5/865F24T5/840 F24T5/82724650040002700821700180020001654910000G5F39T5/865F39T5/840 F39T5/82739650040002700822800300032001684910000G5F54T5/865F54T5/840 F54T5/827546500400027008246004800500016114910000G5F80T5/865F80T5/840 F80T5/827806500400027008265006800700016144910000G5T4超细管径高效节能管形荧光灯型号规格功率(w)色温(k)直径(mm)管长(mm)寿命(hrs)灯头T4F6F8F12F13F16681213162700-6500彩管12.5235.6319.6420.6516.9464.650005000600060006000G5T4F20F22F24F26F2820222426282700-6500彩管12.5509.6710.68491001.611496000G5T5细管径高效节能管形荧光灯规格直径(mm)功率(w)流明长度(mm)色温T5/4DT5/6D T5/8D T5/13D 16468131202403307001362122885172700/64002700/64002700/64006000T9环形荧光灯规格功率(w) 色温(k)管径(mm)直径(mm)寿命(hrs)灯头YH22 YH40 YH50 2232402700-6500 292103004006000 G109FC22W FC28W FC32W FC40W22W28W32W40W6500-8000 161872422712966000800080008000G109管形荧光灯型号规格直径(mm) 功率(w)平均寿命色温长度(mm)灯头包装数量T810W26106000270040006500315G1325支T815W26156000270040006500465G1325支T818W261860002700400065008000590G1325支T830W2630100002700400065008000895G1325支T836W26361000027004000650080001200G1325支雷士照明产品编号:T5三线支架(含光源)产品描述:型号功率(W)色温(k)显色性(Ra)管径(mm)尺寸(mm)灯头型号NFS35-T5356400/4300/2700/红/绿/蓝85161470NFS28-T52885161169 NFS21-T5218516870 NFS14-T5148516571 NFS8-T588516311产品编号:T5支架(含光源)产品描述:型号功率(W)色温(K)电压(V)尺寸(mm)包装数量(只/箱)A BNFL08-T5 8650040002700蓝红绿22031232330NFL11-T5 1122047448530 NFL14-T5 1422057358430 NFL18-T5 1822073474530 NFL21-T5 2122087388430 NFL24-T5 242201024103530 NFL28-T5 282201173118430 NFL35-T5 352201473148430产品编号:T5灯管产品描述:型号功率(W)色温(k)显色性(Ra)管径(mm)尺寸(mm)灯头型号YZ35-T5356400/4300/2700/红/绿/蓝85161449G5YZ28-T52885161149G5 YZ21-T5218516849G5 YZ14-T5148516549G5 YZ8-T588516288G5产品编号:T4支架(含光源)产品描述:型号功率(W)色温(K)电压(V)尺寸(mm)包装数量(只/箱)A BNFL08-T4 8650040002700蓝红绿22034335430NFL12-T4 1222044345430 NFL16-T4 1622048849930 NFL20-T4 2022053354430 NFL22-T4 2222073474530 NFL24-T4 2422087388430 NFL26-T4 262201024103530 NFL28-T4 282201173118430产品编号:T4灯管产品描述:产品编号:T8三基色灯管产品描述:产品编号:T8灯管产品描述:现代灯具三基色荧光灯管标准型支架高效电子节能荧光灯高光效小弧角灯T4 三基色荧光灯管.。
常用荧光灯管的型号与尺寸
"T",代表“Tube”,表示管状的,T后面的数字表示灯管直径。
T8就是有8个“T”,一个“T”就是1/8英寸。
一英寸等于25.4毫米。
那么每一个“T”就是25.4÷8=3.175mm
⏹T12灯管的直径就是(12/8)×25.4=38.1 mm
⏹T10灯管的直径就是(10/8)×25.4=31.8mm
⏹T8灯管的直径就是(8/8)×25.4=25.4mm [T8的刚好是直径一
英寸的灯管] (注:统一宽度39mm、高度52mm)
常用的日光灯长度与功率:
20w 长620mm;
30w 长926mm;
40w 长1230mm)
⏹T5灯管的直径就是(5/8)×25.4=16 mm (注:统一宽度
23.5mm、高度39mm)
常用的日光灯长度与功率:
8w 长310mm;
14w 长570mm;
21w 长870.5mm;
28w 长1170.5mm;
35w 长1475mm
⏹T4灯管的直径就是(4/8)×25.4=12.7 mm (注:统一宽度
21mm、高度32mm)
常用的日光灯长度与功率:
8w 长341mm;
12w 长443mm;
16w 长487mm;
20w 长534mm;
22w 长734mm;
24w 长874mm;
26w 长1025mm;
28w 长1172mm)
⏹T3.5灯管的直径就是(3.5/8)×25.4=11.1 mm
⏹T2灯管的直径就是(2/8)×25.4=6.4 mm。
★"T",代表“Tube”,表示管状的,T后面的数字表示灯管直径。
T5就是有5个“T”,一个“T”就是1/8英寸。
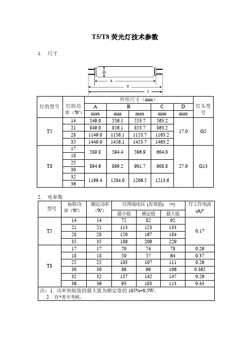
那么每一个“T”就是25.4÷8=3.175mmT5灯管的直径就是(5/8)×25.4=16mmT5高效直管荧光灯管外形尺寸和灯头型号灯管型号A(mm)B(mm)C(mm)Φ(mm)标准值灯头型号14W 549.0 556.1 553.7 563.2 16 16*550 G5 16W 589.8 596.9 594.5 604.0 16 16*590 G5 21W 849.0 856.1 853.7 863.2 16 16*850 G5 24W 894.6 901.7 899.3 908.8 16 16*900 G5 28W 1149.0 1156.1 1153.7 1163.2 16 16*1150 G5 32W 1199.4 1206.5 1204.1 1213.60 16 16*1200 G5 35W 1449.0 1456.1 1453.7 1463.2 16 16*1450 G5"T",代表“Tube”,表示管状的,T后面的数字表示灯管直径。
T8就是有8个“T”,一个“T”就是1/8英寸。
一英寸等于25.4毫米。
那么每一个“T”就是25.4÷8=3.175mmT12灯管的直径就是(12/8)×25.4=38.1 mmT10灯管的直径就是(10/8)×25.4=31.8mmT8灯管的直径就是(8/8)×25.4=25.4mm [T8的刚好是直径一英寸的灯管] (注:统一宽度39mm、高度52mm)常用的日光灯长度与功率:(20w 长620mm; 30w 长926mm; 40w长1230mm)T5灯管的直径就是(5/8)×25.4=16 mm (注:统一宽度23.5mm、高度39mm)常用的日光灯长度与功率:(8w 长310mm; 14w 长570mm; 21w 长870.5mm; 28w 长1170.5mm; 35w 长1475mm)T4灯管的直径就是(4/8)×25.4=12.7 mm (注:统一宽度21mm、高度32mm)常用的日光灯长度与功率:(8w 长341mm; 12w 长443mm; 16w 长487mm; 20w 长534mm;22w 长734mm; 24w 长874mm; 26w 长1025mm; 28w 长1172mm)T3.5灯管的直径就是(3.5/8)×25.4=11.1 mmT2灯管的直径就是(2/8)×25.4=6.4 mm根据瓦数不同而长度不同,一般家庭常用:20W长度64cm 640mm30W长度96cm 960mm40W长度128cm 1280mm。
说说灯管型号中的“T”后面数字代表意义
大家经常使用荧光灯管吧?现在常用的是T8、T5、T4灯管,前两年常用的有T10、T12。
那么,这个“T”到底是啥意思呢?T5和T4有啥区别呢?我来说说,大家感兴趣的可以拍砖。
"T",说白了,其实就是代表灯管的直径。
每一个“T”就是1/8英寸。
大家都知道,一英寸等于25.4毫米。
那么T8灯管的直径就是25.4mm。
其余的数字对应如下:
T12 直径38.1 mm
T10 直径31.8 mm
T8 直径25.4 mm
T5 直径16 mm
T4 直径12.7 mm
T3.5 直径11.1 mm
T2 直径6.4 mm
理论上,越细的灯管效率越高,也就是说相同瓦数发光越多。
实际使用中,细的灯管容易隐蔽,使用场合也灵活,这也就是为什么T5、T4光管得到设计师们青睐的原因吧。
日光灯T8、T5、T4区别及灯管长度、功率说明日光灯规格:T8、T5、T4区别及灯管长度、功率说明常用的日光灯规格有T8、T5、T4灯管,企业用的三支灯管一组的通常是T5的灯管,很早以前常用的日光灯规格有T10、T12。
"T",代表“Tube”,表示管状的,T后面的数字表示灯管直径。
T8就是有8个“T”,一个“T”就是1/8英寸。
一英寸等于25.4毫米。
那么每一个“T”就是25.4÷8=3.175mmT12灯管的直径就是(12/8)×25.4=38.1 mmT10灯管的直径就是(10/8)×25.4=31.8mmT8灯管的直径就是(8/8)×25.4=25.4mm [T8的刚好是直径一英寸的灯管] (注:统一宽度39mm、高度52mm)常用的日光灯长度与功率:(20w 长620mm; 30w 长926mm; 40w长1230mm)T5灯管的直径就是(5/8)×25.4=16 mm (注:统一宽度23.5mm、高度39mm)常用的日光灯长度与功率:(8w 长310mm; 14w 长570mm; 21w 长870.5mm; 28w 长1170.5mm; 35w 长1475mm)T4灯管的直径就是(4/8)×25.4=12.7 mm (注:统一宽度21mm、高度32mm)常用的日光灯长度与功率:(8w 长341mm; 12w 长443mm; 16w 长487mm; 20w 长534mm;22w 长734mm; 24w 长874mm; 26w 长1025mm; 28w 长1172mm)T3.5灯管的直径就是(3.5/8)×25.4=11.1 mmT2灯管的直径就是(2/8)×25.4=6.4 mmLed日光灯管是依照普通日光灯规格制造的,其规格大至相同,可以不更换支架的前提下方便地将LED日光灯替换普通日光灯以达到环保节能,有利于节省更换的成本。
荧光灯规格:T8、T5、T4区别及灯管长度、功率说明日光灯规格:T8、T5、T4区别及灯管长度、功率说明:常用的日光灯规格有T8、T5、T4灯管,企业用的三支灯管一组的通常是T5的灯管,很早以前常用的日光灯规格有T10、T12。
"T",代表“Tube”,表示管状的,T后面的数字表示灯管直径。
T8就是有8个“T”,一个“T”就是1/8英寸。
一英寸等于25.4毫米。
那么每一个“T”就是25.4÷8=3.175mmT12灯管的直径就是(12/8)×25.4=38.1 mmT10灯管的直径就是(10/8)×25.4=31.8mmT8灯管的直径就是(8/8)×25.4=25.4mm [T8的刚好是直径一英寸的灯管] (注:统一宽度39mm、高度52mm)常用的日光灯长度与功率:(20w 长620mm; 30w 长926mm; 40w长1230mm)T5灯管的直径就是(5/8)×25.4=16 mm (注:统一宽度23.5mm、高度39mm)常用的日光灯长度与功率:(8w 长310mm; 14w 长570mm; 21w 长870.5mm; 28w 长1170.5mm; 35w 长1475mm)T4灯管的直径就是(4/8)×25.4=12.7 mm (注:统一宽度21mm、高度32mm)常用的日光灯长度与功率:(8w 长341mm; 12w 长443mm; 16w 长487mm; 20w 长534mm;22w 长734mm; 24w 长874mm; 26w 长1025mm; 28w 长1172mm)T3.5灯管的直径就是(3.5/8)×25.4=11.1 mmT2灯管的直径就是(2/8)×25.4=6.4 mm。
t5灯管目录编辑本段简介T5灯管是荧光灯(或称日光灯、光管、荧光管)的一种,直径为5/8英寸,T5灯管约16毫米,属于气体放电灯的一种。
它使用电力在氩或氖气中激活水银蒸气,形成等离子并发出短波紫外线,令磷质发出可见的荧光以照明。
一般的荧光管以玻璃制造,在两端装有插口以连接电源及固定荧光管的位置。
荧光灯管是气体放电发光电光源,按照管径分为T12、T10、T8、T6、T5、T4、T3等,当前以T8、T6、T5为主流。
特别是由于T5荧光灯管,技术性能先进,光效高,照明质量与效果优秀等技术特性,正以较快的速度替代T8荧光灯管。
编辑本段一、T5灯管的分类根据技术品质分为:T5日光灯管和T5节能灯管。
从生产成整灯的角度又分为:T5日光灯和T5节能灯两种。
两者在光效、节电率、照明质量与效果、寿命等方面的技术性能有较大的差异。
T5节能灯的技术品质,明显优于T5日光灯。
其中一项最为直观也是非常重要的技术品质参数:就是T5荧光灯管的光衰。
T5荧光灯管的光衰速率大小、光衰程度是否严重,对T5荧光灯管的照明质量与效果和寿命,具有决定性影响。
编辑本段二、T5荧光灯管光衰现象T5荧光灯管,在启辉点燃运行中,在整灯电功率没有降低的前提下。
荧光灯管产生发出的光通量,会随着启辉点燃时间慢慢地降低,整灯亮度和照度降低。
这种现象我们称为荧光灯管的光衰。
编辑本段三、T5荧光灯管光衰特性T5荧光灯管,在启辉点燃运行中,其光衰值与启辉点燃时间的函数关系,称为光衰特性。
T5荧光灯管的光衰特性曲线,并不是一条线性的直线。
试验证明:T5荧光灯管的光衰特性曲线,是一条由三段不同斜率的近似直线构成的非线性曲线。
这三段不同斜率的近似直线,对应于T5荧光灯管整个寿命周期中的三个运行阶段。
即:光衰快速阶段、光衰稳定阶段、光衰剧烈阶段。
编辑本段四、T5荧光灯管光衰特性曲线技术分析第一、T5荧光灯管产生光衰,其实质是荧光灯管光效降低。
是一种必然的技术现象。
第二、T5荧光灯管光衰既然是一种技术现象,就有其独特的技术特性。