重庆大学数字电子技术试卷2007-2008(1)答案
- 格式:pdf
- 大小:142.99 KB
- 文档页数:3
数字电子技术试卷(1)参考答案一.填空1. 1111011,7B2. 8613. 与,或,非 4. 0,1,高阻5. 真值表,逻辑图,逻辑表达式,卡诺图,波形图(时序图) 6. 波形的整形 7. 20伏8. 并行A/D ,串并行A/D ,逐次比较A/D ,双积分A/D (写出三种) 二.判断题1.× 2.√ 3.× 4.√ 5.√三.化简逻辑函数1.D B A Y +=-2.--+=D B A Y四.C B A Y ⊕⊕=, C B A AB C )(1++=,全加器,Y 为和,1C 为进位。
五.AQ Q Qn +=-+1,A Q n =+1六.采用D 触发器,-=122Q Q D ,--=231Q Q D ,1230Q Q Q D -+=电路图略。
将非工作状态101,110,111带入方程得次态,101→001,110→101→001, 111→001,电路可以自启动。
七.f =65Hz数字电子技术(2)参考答案 一.填空题(16)1. 100011.110,23.C 2. 0,13. 当前输入,原状态4. 0,1,高阻;任何时候,只能有1个三态门被选通。
5. 有两个稳态,在触发信号作用下状态可相互转变,有记忆功能 6. 延时 7. 5.5v 8. 13二.判断题(10)1.√ 2.× 3.×4.√ 5.√三.化简题(14)1. B Y =2. -++=D A C B Y 四.(15)CD A B A Y --+= 五.(15)--+=B A Qn 11, Q B Q A Qn ---++=21六.(15)驱动方程:1,121=⊕=-K Q X J ,1,212=⊕=K Q X J逻辑功能:X=0时,同步三进制计数器;X =1时,同步三进制减法计数器。
该电路为同步三进制可逆计数器,并且能自启动。
七.(15)数字电子答案3 一.填空题(16)1. 1010110,100001102. 7 3. 16,64. 状态转换表,状态转换图,特性方程5. 06. 256×4bit 7. 5.275伏8. 转换精度,转换速度二.回答问题(10)1. 不正确。
可编辑修改精选全文完整版附录D 模拟试卷及参考答案D.1 模拟试卷一、填空(共10小题,每空2分,共40分)1、(8C.4)16 = ( )10 =( )8=( )2421BCD 。
2、将160个字符用二进制编码,至少需要( )位二进制码。
3、已知F =A(B +C)+A +C ,则其对偶式为( );其反函数为( )。
(直接用对偶规则和反演规则)。
4、已知TTL 与非门参数V CC =+5V ,U OH =3.6V ,U OL =0.4V ,U OFF =1.1V ,U ON =1.4V ,高电平输入时的抗干扰容限U NH 为( )。
5、连续异或1999个“1”的结果是( )。
6、如图D.1所示电路的输出函数F 为( )。
(化成最简“与或”式)F图D.1 题一(6)图7、图D.2为三态非门构成的电路,试根据输入条件填写表中的F 栏。
图D.2 题一(7)图表D.1题一(7)真值表D 1EN 1D 2EN 2F8、设计模值为61的自然二进制码计数器、十进制计数器和余3 BCD码计数器分别需要()级、()级和()级触发器。
一个五位二进制加法计数器,由00000状态开始,问经过109个输入脉冲后,此计数器的状态为()。
9、用()片1024×4位的RAM可组成8K×8位的RAM,需要增加()条地址线、()条数据线。
10、在10位的倒T型电阻网络D/A转换器中,若U REF = ─10V,该D/A转换器能分辨的最小输出电压U LSB=()mV。
二、选择题(共10小题,每小题2分,共20分)1、有符号位二进制数的补码为(10011),则对应的十进制数为()。
A、-29B、+13C、-13D、-32、下列说法正确的是()。
A、n个变量所构成的全部最小项之和恒等于0B、n个变量所构成的全部最大项之和恒等于0C、n个变量所构成的全部最小项之积恒等于1D、n个变量所构成的全部最大项之积恒等于03、下列说法正确的是()。
目 录2002年重庆大学584电子技术(1)(含模拟电路、数字电路)考研真题2003年重庆大学471电子技术(1)考研真题2004年重庆大学474电子技术1(含模拟和数字电子技术)考研真题2005年重庆大学474电子技术1(含模拟和数字电子技术)考研真题2006年重庆大学433电子技术(含模拟电路、数字电路)考研真题2007年重庆大学442电子技术1(含模拟电子技术和数字电子技术)考研真题2008年重庆大学841电子技术1(含模拟电子技术和数字电子技术)考研真题2009年重庆大学841电子技术1(含模拟电子技术和数字电子技术)考研真题2010年重庆大学832电子技术一(含模拟电路、数字电路)考研真题2011年重庆大学832电子技术一(含模拟电路、数字电路)考研真题2012年重庆大学832电子技术一(含模拟电路、数字电路)考研真题2013年重庆大学832电子技术(含模拟电路、数字电路)考研真题2014年重庆大学832电子技术一(含模拟电路、数字电路)考研真题2015年重庆大学832电子技术(含模拟电路、数字电路)考研真题2002年重庆大学584电子技术(1)(含模拟电路、数字电路)考研真题2003年重庆大学471电子技术(1)考研真题一、各三极管3个电极对地电位如图一所示,判断各管所处的状态。
(15分)图题一二、放大电路如图题二所示,已知,,,,,试求:(1)电路的Q点;(2)电压增益、输入电阻及输出电阻;(3)若,求。
(20分)图题二三、分析图题三电路,要求:(20分)1.判断电路的级间反馈的极性及组态;2.说明反馈对电路的输入电阻,输出电阻有何影响(增大或减小);3.在深度负反馈条件下,推出电流的计算式。
图题三四、在题图四所示电路中,设、为理想运放,、为理想二极管。
(20分)1.写出与的关系式;画出相应的电压传输特性曲线(不考虑运放最大输出电压范围对的限制);2.若输入电压为正弦波,即,试画出与对应的波形。
数字电子技术试卷(1)一.填空(16)1.十进制数123的二进制数是 1111011 ;十六进制数是 7B 。
2.100001100001是8421BCD 码,其十进制为 861 。
3.逻辑代数的三种基本运算是 与 , 或 和 非 。
4.三态门的工作状态是 0 , 1 , 高阻 。
5.描述触发器逻辑功能的方法有 真值表,逻辑图,逻辑表达式,卡诺图,波形图 。
6.施密特触发器的主要应用是 波形的整形 。
7.设4位D/A 转换器的满度输出电压位30伏,则输入数字量为1010时的输出模拟电压为。
8.实现A/D 转换的主要方法有 , , 。
二.判断题(10)1.BCD 码即8421码 ( 错 )2.八位二进制数可以表示256种不同状态。
( 对 )3.TTL 与非门与CMOS 与非门的逻辑功能不一样。
( )4.多个三态门的输出端相连于一总线上,使用时须只让一个三态门传送信号,其他门处于高阻状态。
(对 )5.计数器可作分频器。
( 对 )三.化简逻辑函数(14)1.用公式法化简--+++=A D DCE BD B A Y ,化为最简与或表达式。
解;D B A Y +=-2.用卡诺图化简∑∑=m d D C B A Y ),,,,()+,,,,(84210107653),,,(,化为最简与或表达式。
四.电路如图1所示,要求写出输出函数表达式,并说出其逻辑功能。
(15)解;C B A Y ⊕⊕=, C B A AB C )(1++=,全加器,Y 为和,1C 为进位。
五.触发器电路如图2(a ),(b )所示,⑴写出触发器的次态方程; ⑵对应给定波形画出Q 端波形(设初态Q =0)(15)解;(1)AQ Q Q n +=-+1,(2)、A Q n =+1 六.试用触发器和门电路设计一个同步的五进制计数器。
(15)七.用集成电路定时器555所构成的自激多谐振荡器电路如图3所示,试画出V O ,V C 的工作波形,并求出振荡频率。
<<数字电子技术>>试卷(2007.1)A(答案)一. 单项选择题:〔在每题的备选答案中选出一个正确的答案,并将正确答案的字母填入下表中对应的格子里。
每题2分,共20分。
〕(每题2分,共20分)1.CMOS传输门的静态功耗特别小,当输入信号的频率增加时,其功耗将增大。
真值表、逻辑电路图、逻辑函数式、卡诺图。
3.逻辑电路中,高电平用1表示,低电平用0表示,那么称为正逻辑;4. 把JK触发器改成T触发器的方法是J=K=T。
5.组合逻辑电路是指电路的输出仅由当前的输入确定。
6.5变量输入译码器,其译码输出信号最多应有32个。
7.输入信号的同时跳变引起输出端产生尖峰脉冲的现象叫做竞争-冒险现象。
8.一片ROM有10根地址线,8根数据输出线,ROM共有8192个存储单元。
9.N个触发器组成的计数器最多可以组成2n进制的计数器。
8.根本RS触发器的约束条件是RS=0。
三.电路分析题〔36分〕1.图3-1(a)所示电路,移位存放器原来的数据是,数据从Di依次输入到移位存放器,试问:在图3-1(b)所示输入波形作用下,在T1到T2期间,输出端X、Y的波形? 〔12分〕(1)2.图3-2为两个时钟发生器,图中R1=510Ω, R2=10KΩ,C=0.1uF。
〔12分〕〔1〕写出触发器的状态方程及输出V1、V2的方程;〔2〕画出555定时器的输出VO 以及V1、V2的波形;〔3〕计算V1的周期和脉冲宽度Tw.〔1〕,〔2〕〔3〕3.双积分A/D转换器如图3-3所示,试答复以下问题:〔12分〕(1)假设被测电压Vi的最大值为2V, 要求可分辩的电压小于0.1mV, 问二进制计数器是多少位的?(2)假设时钟脉冲频率为200kHz, 那么对Vi进展采样的时间T1为多长?(3)假设时钟脉冲频率为200kHz, , ,输出电压Vo的最大值为5V, 积分时间常数是多少?(1),所以(2)(3), 所以四.电路设计题(24分)1〕试用一片双4选1的数据选择器74LS153和必要的门电路,设计下面逻辑函数,并在器件图上画出相应的电路图。
铜 陵 学 院2007-2008学年第2学期《数字电子技术基础》考试试卷(A 卷)参考答案与评分细则一、填空题(每空1分,共20分)1、时间,幅值2、 27,1B3、 A ,04、 BCD ,8421BCD5、 加法,减法6、 同步,异步7、 1024,4,8 8、 与阵列,或阵列 9、 与,或,非二、判断题(第小题2分,共12分)1、3、5正确,2、4、6错误三、选择题(每小题3分,共18分)1、③;2、①;3、④;4、④;5、②;6、①。
四、分析题(共50分) 1、(6分)解: C B A B A C A B A C B A B A C B A F +++=+++=)(B A B AC B F F ++==2、(8分)解:由电路图易得逻函为:B A B B A C B A B B A C B A Y +=++=+++++= 由简化逻函可得真值表为:00 01 11 100 1ABCF 1 1110 1姓名 班级 ―――――――――装――――――――――订―――――――――线―――――――――――0100 0101 0110 0111 100010011010101111001101111011110000 0001 0010 0011 A B Y 0 0 1 0 1 1 1 0 1 1 1显然,该电路具有与非逻辑功能。
3、(6分) 解: 4、(6分)解:解:八选一数据选择器的出入关系为:126012501240123012201210120012A A A D A A A D A A A D A A A D A A A D A A A D A A A D A A A Y +++++++=需实现的逻函表达式为:C B A C B A ACZ ++=若令Z Y D D C A B A A A i =====,,,,012,则比较以上两表达式易知:0,164307521========D D D D D D D D 。
重庆大学《数字电子技术(Ⅱ)》课程试卷2012 ~2013 学年第 2 学期开课学院:电气工程学院课程号:考试日期: 2013-6考试方式:考试时间: 120 分钟一、设计题(20分):采用同步置数的方式,利用74LS160设计365进制的计数器,各位之间为十进制关系。
解:二、分析题(20分):下图为16×4位ROM和同步十六进制加法计数器74LS161组成的脉冲分频电路。
在CLK信号作用下,输出波形如图所示。
计算ROM中的数据表。
解:三、设计题(10分):用D触发器设计一个同步串行数据检测电路,当连续输入3个或3个以上1时,电路的输出为1,其它情况下输出为0。
例如:输入A 101100111011110输出Y 000000001000110解:1)画出原始状态图2)状态化简3)状态编码原始状态图化简以后的状态图1/0A/Y0/01/00/0由状态图可得到复合卡诺图图:n AQ Y 1=nn n n n n Q Q A Q AQ AQ Q 01101011⋅=+=++D 触发器的特性方程为1,01==+i D Q in i得:n n n n QQ A D AQ AQ D 010101⋅=+=5) 检查自启动:可以自启动。
6)画逻辑图四、分析题(10分): 试分析下图时序电路的功能。
解:1))()()(2101201110210↓=↓=↓⋅=+++CP Q Q Q Q Q Q Q CP Q Q Q nn n n n n n nn2) 画出波形图:(略) 3) 画出状态图异步五进制加法计数器1Q的卡诺图 nn Q Q 01 00 01 11 10 A 0 1nn Q Q 01 00 01 11 10 A 0 110+n Q的卡诺图1/00/0nn Q Q 01 00 01 11 10 A 01nn Q Q 01 00 01 11 10 A 0 1输出Y 的卡诺图五、分析题(10分)利用计算公式解释超前进位加法器的基本思想。
重庆大学数字电子技术I (双语)课程试卷2006~2007 学年 第2学期开课学院:通信工程学院课程号:考试日期:考试方式:考试时间: 120 分钟注:1.大标题用四号宋体、小标题及正文推荐用小四号宋体;2.按A4纸缩小打印I. Multiple choice (1 pts/ea, 15 pts total)1) How is the invalid state problem associated with the S -R flip -flop overcome? a) The R terminal is eliminated. b) The R input is fed through an inverter. c) A single input terminal is used (D). d) Both B and C are correct.2) This is the timing diagram for a 2-input ________ gate.a) NAND b) AND c) Exclusive-OR d) OR 3) What is the meaning of RAM, and what is its primary role?a) R andom A ccess M emory; it is memory that is used for short-term temporary data storage within the computer.b) R eadily A vailable M emory; it is the first level of memory used by the computer in all of its operations.c) R andom A ccess M emory; it is memory that can be reached by any sub-system within a computer, and at any time.d) R esettable A utomatic M emory; it is memory that can be used and then automatically reset, or cleared, after being read from or written to..4) Which rule of Boolean algebra does the example below represent?a) A + 1 = 1 b) A ∙ 0 = 0 c) A + 0 = A d) A ∙ 1 = A5) The circuit shown below is ________.a) decade counter b) BCD counter c) Johnson counter d) ring counter 6) The circuit below is most likely a ________.a) full-adder b) demultiplexer c) multiplexer d) comparator7) For a negative-logic pulse, the trailing edge is the ________. a) negative-going edge b) positive-going edge c) HIGH-to-LOW transition d) falling edge 8) The 2's complement of binary 110110 is ________.a) 0010012 b) 0010102 c) 1101002 d) 10101029) Which of the following statements best describes the operation of an UP/DOWN SYNCHRONOUS COUNTER?a) The counter can be reversed, but must be RESET before counting in the other direction.b) In general, the counter can be reversed at any point in its counting sequence.c) The counter can count in either direction, but must continue in that direction once started.d) The count sequence cannot be reversed, once it has begun, without first resetting the counter to zero. 命题人:组题人:审题人:命题时间:教务处制学院 专业、班 年级 学号 姓名公平竞争、诚实守信、严肃考纪、拒绝作弊封线密Figure 5-110) Which of the following logic expressions represents the logic diagram in Fig 5-1? a) AB B A X += b) B A AB X += c) B A B A X += d) AB AB X += 11) For an ideal digital pulse, transition times are ________. a) infinite; b) measured between 0 and 90% of the amplitude; c) measured between 10% to 90% of the amplitude; d) zero;12) When performing binary addition using the 2's complement method, an________ can occur if ________ are of the same ________; the error is indicated by a(n) ______. a) overflow, both numbers, sign, incorrect sign bit b) error, both numbers, magnitude, negative sign c) overflow, signs, magnitude, incorrect sum d) error, the signs, polarity, incorrect polarity13) Which of the following combinations cannot be combined into Karnaugh -map groups? a) Corners in the same column; b) Corners in the same row; c) Overlapping combinations; d) Diagonal corners;14) A positive edge-triggered J-K flip-flop is used to produce a two-phase clock. However, when the circuit is operated it produces erratic results. Close examination with a scope reveals the presence of glitches. What causes the glitches, and how might the problem be corrected?a) The PRESET and CLEAR terminals may have been left floating; they shouldbe properly terminated if not being used.b) The problem is caused by a race condition between the J and K inputs; aninverter should be inserted in one of the terminals to correct the problem. c) A race condition exists between the Q and Q outputs to the AND gate; theAND gate should be replaced with a NAND gate.d) A race condition exists between the CLOCK and the outputs of the flip-flopfeeding the AND gate; replace the flip-flop with a negative edge-triggered J-K flip-flop.15) When both inputs of a J -K edge -triggered FF are high, and the clock cycles, the output will a) not change; b) toggle;c) remain unchanged; d) be invalidII. Compute and fill in the blank (3 pts/ea, 30 pts total)1) How many input lines would be required for a 1-of-8 decoder?2) Suppose that a 3-digit BCD digital-to-analog converter has a full-scale output of 49.95 mA. What is the percentage resolution of the DAC?3) With current technology, a 12-bit flash A/D converter would require __________ comparators.4) How many truth table entries are necessary for a 4 input circuit? 5) Given the Boolean expression )(G D LMN X += and the values L=1, M=0, N=1, D=1, and G=0, the value of X is:6) A retriggerable one-shot has a pulse width of 10mS; 3mS after being triggered, another trigger pulse is applied. The resulting output pulse will be ________ ms 7) The equation for the output frequency of a 555 timer operating in the astable mode is: f = 1.44/((R1 + 2*R2)*C). What value of C will be required if R1 = R2 = 1K and f = 1KHz?8) A certain IC logic gate draws 1.8 mA when its output is HIGH and 3.8 mA when its output is LOW. Assume a 50% duty cycle and calculate the average I cc current drain.9) A certain logic device has the following specifications: V OL(max) = 0.5 v, V IL(max) = 0.9 v, V OH(min) = 2.6, and V IH(min) = 2.1 v. Determine the low-state dc noise marginFigure 8-910) What is the modulus of the counter shown in Figure 8-9?III. for the circuit below, plot each output waveform for the inputs shown.(5 pts)IV. If the input waveforms are applied to the circuit below, sketch the output waveform (5 pts)V. Design a 7-segment decoder logic for segment a.(12 pts)VI. Design a counter to produce the following binary sequence. Use J-K flip-flops. (15 pts)0, 9, 1, 8, 2, 7, 3, 6, 4, 5, 0,…for truncated states, check auto-reentry property.VII. A 555 timer is configured to run as an astable multivibrator as shown below, determine following parameters: (8 pts)Given: R1R2C = 15.4 pFFind: f, t H, t L, Duty cycleVIII. The shift register is given below, the SER is a 0. develop data-output waveform in relation to the input. (5 pts)IX. Draw output waveform. The data inputs have a low value of 0V and a high value of +5V. (5 pts)。
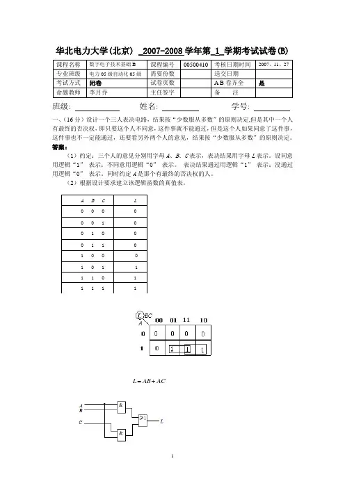
华北电力大学(北京) _2007-2008学年第_1_学期考试试卷(B)班级: 姓名: 学号:一、(16分)设计一个三人表决电路,结果按“少数服从多数”的原则决定,但是其中一个人有最终的否决权,即只要这个人不同意,这件事就不能通过,但是这个人如果同意了这件事,这件事也不一定能通过,还要看另外两个人的意见,结果按“少数服从多数”的原则决定。
答案:(1)约定:三个人的意见分别用字母A 、B 、C 表示,表决结果用字母L 表示。
设同意用逻辑“1” 表示;不同意用逻辑“0” 表示。
表决结果通过用逻辑“1” 表示;没通过用逻辑“0” 表示。
同时约定A 是那个有最终的否决权的人。
(2)根据设计要求建立该逻辑函数的真值表。
ACAB L +=二、(14分)用维持阻塞D 触发器设计一个同步计数器,计数器的输出Q 3、Q 2、Q 1的状态转换为要求:(1)列出状态转换驱动表(8分)(2)求出最简驱动方程(6分) 答案:n n nQ Q Q D 3123+= n n Q Q D 322=n n Q Q D 311=三、(14分)逻辑电路如图所示,试分析其逻辑功能(包括逻辑表达式、真值表并说明其逻辑功能)。
(1)()ABCi B A Co Ci B A S +∙⊕=⊕⊕=(6分)(2)(8分)(3)全加器(2分) 四、(16分)555定时器接成的电路如下图所示。
1. 该电路的名称是什么? 2. 若 +V CC =+10V ,R=10K 欧,C=300PF, 计算其暂态脉冲宽度t po 3. 给定输入的波形,画出电容电压的波形和对应的输出波形。
Ov Cv I答案:(1)单稳电路(3分)(2)t po =1.1×10×103 ×300×10-6=3.3×10-6秒(3分) (3)(4分)五、 (8分)电路如图所示(1)运放工作在线性区还是非线性区?(2分) (2)这是哪种类型的解码网络?(2分)(3)求当D 4 D 3 D 2 D 1 D 0=10011 时输出电压V 0的值。
数字电子技术基础试题(一)一、填空题 : (每空1分,共10分)1. (30.25) 10 = (11110.01 ) 2 = (1E.4 ) 16 。
2 . 逻辑函数L = + A+ B+ C +D =1 。
3 . 三态门输出的三种状态分别为:低电平、高电平和高阻态。
4 . 主从型JK触发器的特性方程= 。
5 . 用4个触发器可以存储位二进制数。
6 . 存储容量为4K×8位的RAM存储器,其地址线为条、数据线为条。
二、选择题: (选择一个正确的答案填入括号内,每题3分,共30分 )1.设图1中所有触发器的初始状态皆为0,找出图中触发器在时钟信号作用下,输出电压波形恒为0的是:()图。
图 12.下列几种TTL电路中,输出端可实现线与功能的电路是()。
A、或非门B、与非门C、异或门D、OC门3.对CMOS与非门电路,其多余输入端正确的处理方法是()。
A、通过大电阻接地(>1.5KΩ)B、悬空C、通过小电阻接地(<1KΩ)D、通过电阻接V CC4.图2所示电路为由555定时器构成的()。
A、施密特触发器B、多谐振荡器C、单稳态触发器D、T触发器5.请判断以下哪个电路不是时序逻辑电路()。
图2A、计数器B、寄存器C、译码器D、触发器6.下列几种A/D转换器中,转换速度最快的是()。
图2A、并行A/D转换器B、计数型A/D转换器C、逐次渐进型A/D转换器D、双积分A/D转换器7.某电路的输入波形 u I 和输出波形 u O 如图 3所示,则该电路为()。
图3A、施密特触发器B、反相器C、单稳态触发器D、JK触发器8.要将方波脉冲的周期扩展10倍,可采用()。
A、10级施密特触发器B、10位二进制计数器C、十进制计数器D、10位D/A转换器9、已知逻辑函数与其相等的函数为()。
A、B、C、D、10、一个数据选择器的地址输入端有3个时,最多可以有()个数据信号输出。
A、4B、6C、8D、16三、逻辑函数化简(每题5分,共10分)1、用代数法化简为最简与或式Y= A +2、用卡诺图法化简为最简或与式Y= + C +A D,约束条件:A C + A CD+AB=0四、分析下列电路。
2007/2008年第一学期《数字电子技术基础》课程期末考试试卷(A )答案及评分标准姓名: 学号: 专业班级: 总成绩:一、客观题: 请选择正确答案,将其代号填入( )内;(本大题共10小题,每空2分,共20分)⒈ 当某种门的输入全部为高电平,而使输出也为高电平者,则这种门将是:A .与非门及或非门;B .与门及或门;C .或门及异或门;D .与门及或非门. ( B ) ⒉ 在如下所列4种门电路中,与图示非门相等效的电路是: ( B )⒊ 已知),,,(= , ),,,(54105410M H m F ∏∑=,则函数F 和H 的关系,应 是: ( B )A .恒等;B .反演;C .对偶;D .不确定. ⒋ 若两个逻辑函数恒等,则它们必然具有唯一的:( A )A .真值表;B .逻辑表达式;C .电路图;D .逻辑图形符号. ⒌ 一逻辑函数的最小项之和的标准形式,它的特点是:( C )A .项数最少;B .每个乘积项的变量数最少;C .每个乘积项中,每种变量或其反变量只出现一次;D .每个乘积项相应的数值最小,故名最小项. ⒍ 双向数据总线可以采用( B )构成。
A .译码器;B .三态门;C .与非门;D .多路选择器. ⒎ 在下列逻辑部件中,不属于组合逻辑部件的是(D)。
A .译码器;B .编码器;C .全加器;D .寄存器. ⒏ 八路数据选择器,其地址输入端(选择控制端)有( C )个。
A .8个B .2个C .3个D .4个⒐ 为将D 触发器转换为T 触发器,如图所示电路的虚线框内应是( D )。
A .或非门 B .与非门 C .异或门 D .同或门⒑ 为产生周期性矩形波,应当选用( C )。
A .施密特触发器B .单稳态触发器C .多谐振荡器D .译码器二、化简下列逻辑函数。
(每题5分,共10分)⒈ 用公式法化简逻辑函数:B A BC A Y += ⒉ 用卡诺图法化简逻辑函数:Y(A,B,C,D)=∑m(2 ,3,7,8,11,14) 给定约束条件为m 0+m 5+ m 10+m 15 =0 解⒈分)分)114()()((=++++=++++=+=C B B A A B A C B A BA BC A Y解⒉:作出Y 的卡诺图(3分), 化简得:CD D B AC Y ++=(2分)三、非客观题(本题两小题,共20分)⒈ 如图所示为三输入变量的或门和与门的逻辑图。
重庆工学院考试试卷2007 ~ 2008学年第一学期班级 学号 姓名 参考答案 考试科目 数字电子技术 A 卷一、选择题。
(24分 每小题2分 )1.对于逻辑问题表示方法中具有唯一性的是 D 。
(A) 与-或式 (B) 或-与式 (C) 逻辑图 (D) 卡诺图 2.=+=B A B A F )( B 。
(A) A (B) B A (C)B A + (D)B AA 3. =⊕⊕=C B A F C 。
(A) C B A ⊕⊕ (B) C B A ⊕⊕ (C)C B A ⊕⊕ (D)C B A ⊕⊕4.边沿式D 触发器是一种 C 稳态电路。
(A) 无 (B) 单 (C) 双 (D) 多5.L= AB+C 的对偶式为______B ______ 。
(A) A+BC (B) (A+B)C (C) A+B+C (D) ABC6.将D 触发器改造成T 触发器,图1所示电路中的虚线框内应是__ D ____。
(A) 或非门 (B) 与非门 (C) 异或门 (D) 同或门7. 标准与-或式是由____B ______构成的逻辑表达式。
(A) 与项相或 (B) 最小项相或 (C) 最大项相与 (D) 或项相与8.与十进制数(53.5)10等值的数或代码为 B 。
(A) (101011.101)8421BCD (B) (35.8)16 (C) (110101.01)2 (D) (65.1)89.某D/A 转换器满刻度输出电压为10V ,要求1mV 的分辨率,其输入数字量位数至少为 B 位。
(A) 13 (B) 14 (C) 15 (D) 1610.在下面图2所示中能实现逻辑状态输出n n Q Q =+1的电路为 A ;图1(A) (B) (C) (D)图211.一个12K ⨯8位存储系统,需要地址线数为多少?需要2K ⨯4位存储器芯片数为多少? 应选择 C 。
(A) 地址线13,芯片数6; (B) 地址线10,芯片数6; (C) 地址线14,芯片数12; (D) 地址线13,芯片数12 。
重庆大学《数字电子技术(Ⅱ)》课程试卷2012 ~2013 学年第 2 学期开课学院:电气工程学院课程号:考试日期: 2013-6考试方式:考试时间: 120 分钟一、设计题(20分):采用同步置数的方式,利用74LS160设计365进制的计数器,各位之间为十进制关系。
解:二、分析题(20分):下图为16×4位ROM和同步十六进制加法计数器74LS161组成的脉冲分频电路。
在CLK信号作用下,输出波形如图所示。
计算ROM中的数据表。
解:三、设计题(10分):用D触发器设计一个同步串行数据检测电路,当连续输入3个或3个以上1时,电路的输出为1,其它情况下输出为0。
例如:输入A 101100111011110输出Y 000000001000110解:1)画出原始状态图2)状态化简3)状态编码原始状态图化简以后的状态图1/0A/Y0/01/00/0由状态图可得到复合卡诺图图:n AQ Y 1=nn n n n n Q Q A Q AQ AQ Q 01101011⋅=+=++D 触发器的特性方程为1,01==+i D Q in i得:n n n n QQ A D AQ AQ D 010101⋅=+=5) 检查自启动:可以自启动。
6)画逻辑图四、分析题(10分): 试分析下图时序电路的功能。
解:1))()()(2101201110210↓=↓=↓⋅=+++CP Q Q Q Q Q Q Q CP Q Q Q nn n n n n n nn2) 画出波形图:(略) 3) 画出状态图异步五进制加法计数器1Q的卡诺图 nn Q Q 01 00 01 11 10 A 0 1nn Q Q 01 00 01 11 10 A 0 110+n Q的卡诺图1/00/0nn Q Q 01 00 01 11 10 A 01nn Q Q 01 00 01 11 10 A 0 1输出Y 的卡诺图五、分析题(10分)利用计算公式解释超前进位加法器的基本思想。
题 号一二三四五六七八九十 总分应得分20108168161012 100实得分上海应用技术学院2007—2008学年第 1 学期《数字电子技术》期(末)(A)试卷课程代码: B2031151 学分: 3.5 考试时间: 100 分钟课程序号: 2058 2043 班级: 学号: 姓名:我已阅读了有关的考试规定和纪律要求,愿意在考试中遵守《考场规则》,如有违反将愿接受相应的处理。
试卷共 6页,请先查看试卷有无缺页,然后答题。
一、选择填空(20分)1.十进制数36用8421BCD 码表示为( b )。
(a )110 110 (b )0011 0110 (c )100101 (d )101012.欲将2输入端的与非门作非门使用,其多余输入端的接法是 a 。
(a )接高电平 (b )接低电平 (c )悬空 (d )接地3.若实现6-64线译码电路,至少需要( c )块74LS138译码器。
(a)2 (b)4 (c)8 (d)164.8421BCD编码器的输入变量为( c )个。
(a)8 (b)4 (c)10 (d)75.为实现将JK 触发器转换为D 触发器,应使( a )。
(a )J =D ,K =—D (b )K =D ,J =—D (c )J =K =D (d )J =K =—D6.若4位同步二进制加法计数器正常工作时,由0000状态开始计数,则经过43个输入计数脉冲后,计数器的状态应是( b )。
(a )0011 (b )1011 (c )110l (d )11107.一个128K х8的存储系统,至少需要( b )根地址线。
(a )7 (b) 17 (c) 8 (d) 108.下列器件属于移位寄存器的是( d )(a)74LS00 (b)74LS161(c)74LS247 (d)74LS1949.施密特触发器输出矩形脉冲的频率( d )。
(a)高于输入信号频率 (b)低于输入信号频率(c)与输入信号频率无关 (d)等于输入信号频率10.改变倒T形电阻网络DAC的( d ),可以改变DAC的单位量化电压(能分辨的最小输出电压)。
XX: __ _______班级: __________ 考号: ___________成绩: ____________本试卷共 6页,满分100 分;考试时间: 90 分钟;考试方式:闭卷题号一二三四(1)四(2)四(3)四(4)总分得分一、填空题(每空 1 分,共 20 分)1.有一数码 10010011,作为自然二进制数时,它相当于十进制数(),作为 8421BCD码时,它相当于十进制数()。
2. 三态门电路的输出有高电平、低电平和() 3 种状态。
3. TTL 与非门多余的输入端应接()。
4. TTL 集成 JK 触发器正常工作时,其R d和 Sd 端应接()电平。
5.已知某函数 F B A C D AB C D,该函数的反函数 F =()。
6.如果对键盘上 108 个符号进行二进制编码,则至少要()位二进制数码。
7. 典型的 TTL 与非门电路使用的电路为电源电压为()V ,其输出高电平为()V ,输出低电平为() V , CMOS 电路的电源电压为() V 。
8. 74LS138 是 3 线— 8 线译码器,译码为输出低电平有效,若输入为 A 2A1 A 0=110时,输出Y7 Y6 Y5 Y4 Y3 Y2 Y1Y0应为()。
9.将一个包含有 32768 个基本存储单元的存储电路设计16位为一个字节的ROM 。
该 ROM 有()根地址线,有()根数据读出线。
10.两片中规模集成电路10 进制计数器串联后,最大计数容量为()位。
11.下图所示电路中,Y 1=();Y 2=();Y3=()。
A Y 1B Y 2Y 312.某计数器的输出波形如图 1所示,该计数器是()进制计数器。
第1页(共 28页)13.驱动共阳极七段数码管的译码器的输出电平为()有效。
二、单项选择题(本大题共15 小题,每小题2 分,共 30 分)(在每小题列出的四个备选项中只有一个是最符合题目要求的,请将其代码填写在题后的括号内。
《 数字电子技术 》试卷第2页 共 6 页三、用公式法化化简下列逻辑函数为最简“与或”表达式。
(共10分)解:(注:能正确化简,但答案不是最简,得分减半)四、CD4516(16进制可逆计数器)的逻辑图及功能表如下。
其中Q3~Q0为计数输出端,D3~D0为预置数的数据输入端,Co 为进位输出端。
试以其为核心,辅以必要的逻辑门,构成12进制加法计数器,完成月份计数,即从1至12循环计数。
要求:画出电路图,标明所有输入管脚的接法。
(共 10(3分,控制输入端各1分)1分)(Q 端和D 端弄错,减2分)(数据输入端2分)BC B)C A )(B (A F +++=C B A CC B A C B C B A C B A BC A C B A BC ABC BC C B A ABC BC C B A AB F ++=+++=+++=++=++=++=++=)1()(01《 数字电子技术 》试卷第3页 共 6 页五、设计一个组合逻辑电路(四路输入,一路输出),实现“五舍六入”的判断功能,即当输入的四位8421BCD 码不大于5时,输出0;否则输出1。
要求:1. 填写真值表;2.利用卡诺图化简,并尽可能利用无关项,使其最简;3.限用两输入端的与非门实现之。
(共 12 分)解: 1.填写真值表如下,其中后六项为约束项。
2.利用卡诺图化简(卡诺图2分)(2分)3.(真值表2分)(4分)(注:若使用了其它逻辑门,但结果正确,给2分)F A BC ∴=+F A BC A BC A BC =+=+=⋅《 数字电子技术 》试卷第4页 共 6 页六、分析图示计数器 (共161.写出驱动方程和状态方程;2.填写状态转换表,画出状态转换图; 3.完整的说明计数器类型,并说明能否自启动; 4.设计数器初始状态为“0、0、0”, 画出其计数波形。
解: 1.(各1分) (转换表2分) (各1分)2. 状态转换表如右,状态转换图如下(定义1分) (转换图循环内1分)1分)3. 计数器类型:同步、五进制,能自启动。