生产部组织架构图及岗位职责描述精编版
- 格式:doc
- 大小:48.25 KB
- 文档页数:4
生产部组织架构职能生产部部生产后勤主任:计划员主任:(缺)主任:代定机加:保洁:主任:代定主任:仓管员主任:代定装配:打磨:生产车间计划(PC)仓库(MC) 采购(PUR)机加班焊工班装配班部门职能一、生产部:1、负责拟定本部门目标、工作计划,组织实施、检查、监督及控制2、全面负责本部门的现场、产量、质量、材料消耗、安全管理工作;3、根据销售部的下单,合理编排生产计划,均衡生产、确保交期,科学合理搭配生产力,确保生产进度顺畅;4、做好生产设备维护和保养管理工作、生产现场的环境卫生工作的日常管理工作;5、负责抓好生产教育,加强安全生产的控制、实施,严格执行安全法规、生产操作规程,即时监督检查,确保安全生产,杜绝重大火灾、人员伤亡事故的发生;6、加强对员工成本意识管理的教育,及时了解员工的思想动态,有针对性引导和教育员工,激发员工的工作责任心和劳动积极性,从而提高企业的凝聚力;7、负责生产物流的联系和安排工作。
8、监督采购、车间、仓储作业进度,定期编制材料、产品入/出库及库存量;9、参与对质量事故的分析与处理,同时负责产品的售后工作10、关注业界生产工艺流程的变化,取长补短,不断改善生产工艺流程,提高市场竞争力;二、计划1、负责主导评估销售定单交期的评估,必要时需召集生产、采购、技术等单位共同评估2、负责接收销售定单,同时确认对应技术资料完整性,并制定主计划,分解出标准件材料与需要加工材料3、确认库存状态,并分解出需采购项次,将清单转至采购进入采购流程4、根据实际物料采购进度、生产能力、仓储能力及实际生产排程,确定项目生产进度,并回馈合理交期给销售5、负责追踪各项计划进度,并适时调整以满足生产效益最大化原则6、有责任召集采购、生产等责任人碰头协调生产及解决生产中遇到的困难7、负责物流安排8、负责监督各项目执行进度及日报表汇总,月报表统计与分析,并提供预生产计划三、采购1、负责接收计划区分出来的采购项,并确认是否有采购资料!2、负责提供新型物料给资源,并追踪其资源寻找进度与结果!3、负责按采购原则与供应商确认供货交期以及完成请购流程!4、负责确认所购货物的进度追踪与报检,并反馈信息给SQE做为供应商的评价资料!5、负责采购任务、及采购分布统计,月结时的汇总、核对以及付款申请工作!6、负责其它与采购相关之工作展开!四、仓库1、负责库房规划与资料建立!2、负责接收供应商所交货物的数量清点与入库前的报检!3、负责按生产用物料清单准备物料,并配合完成领料工作!4、负责接收生产车间的成品入库与流程检查!5、负责按公司的盘点计划完成材料及成品的盘点作业,并按要求随时提供库存状态报表!6、负责对物料领用资料保管!并提供月报表!五、机加1、负责接受计划的机加任务,并制定机加生产计划与合理派工,并按计划完成机加工任务2、负责机加人员的培训与管理3、负责机加设备的规划、维护与保养,以及机加设备的评估等!4、负责设备维护耗材的评估与申请5、负责制定机加各类零件的单价核定以及机加岗位过程控制6、负责机加车间现场管理与岗位责任制定,接受相关单位的监督7、负责机加日、周、月报表的统计及耗材控制六、组装1、负责按计划的装配任务制定装配计划,并按计划组织人力开展装配工作2、负责规划装配人力规划、培训与工作考核3、负责装配工具与设备的管理与维护4、负责按成品BOM表完成物料的领用,成品入库与发运包装5、负责装配作业区域规划与标准作业文件管理6、负责装配车间现场管理,特别是现场安全生产管理7、其它生产任务七、焊工1、负责按计划或者其它生产过程中产生的焊接需求做生产任务计划及开展焊接工作2、负责焊接技术人员的规划与管理,人员的培训与技能提升3、负责焊接设备及辅助设备规划、保养及使用管理4、负责从仓库领用焊料及焊接工作展开前的技术准备,如焊料的烘烤等5、负责按照技术要求展开焊接工作,并接受技术指导与质检检查6、负责提供焊接日报表与耗材统计7、其它焊接以外的生产任务三、但愿有一天你会记起,我曾默默地,毫无希望地爱过你。
部门组织结构图及各岗位职责1、部门组织结构图1.1生产部组织结构总图生产部经理(1人)生产部副经理兼总装工段长(1经理助理兼生产计划员(1人)制造工段长(1人)设备维护员(3人)总装工段长(0人办公室资料员(1人)清洁工(1人)物料计划员(1人)仓库主管(1人)包装发运主管(1人)生产准备员(1人)钣金组员工(46铜排组员工(12装配组员工(57行线组员工(38手车组(VCB+非标)员工(16人)物料配送员(6人)微机录入员(2人)包装工(1人)制造工段长 (1人)编程组长 (1人)编程员 (3人)计划制作 (1人)数控工 (12人)折弯工 (11 人)钣金组员工 (46人)剪板工 (4人) 普冲工 (6人) 电焊工 (3人) 打磨工 (3人) 外协工 (2人)铜排组员工(12人)下料工 (1人)冲孔工 (2人)折弯工 (1人)打磨工 (1人)烘排工 (6人)组长 (1人)副经理兼总装工段长(1人)装配组长(3人)半成品组工(14人)装配1组员工(20人)行线组员工(38人)行线组长(2人)装配组员工(57人)装配11组员工(20人)号码工(1人)行线工(35人)手车组员工(16人)行线工(2人)标准断路器装配工(8人)非标手车装配工(4人)组长(2人)生产部21。
生产管理篇:生产部组织架构及其职责组织框架图(见下图)生产部组织架构图部长职责组织人力资源,按时完成生产任务。
提升品质意识,保证产品生产质量。
优化现场管理,搞好安全生产和文明生产。
负责基层干部的教育培训与考核选拔。
督促生产信息和异常反馈的及时发出。
优化车间物流管理,控制物料损耗。
开展团队建设,鼓舞士气,提高生产效率,降低人工成本,提升反应速度。
监督生产部使用设备的管理和日常维护。
负责生产部相关文件和人员流动的审批。
督导生产部各级人员职责的行使。
科长职责执行生产指令,完成生产计划,改善工作环境,维持生产秩序。
提高产品品质,反馈相应信息,贯彻品质方针,落实控制措施。
协调班组活动,合理安排生产,提升产品质量,实现品质目标。
合理调配人员,挖掘人力潜能,加强人员的储备、培训与考核。
监督车间物料运作,跟踪异常情况并及时反馈新产品在试产中的问题。
搞好现场管理,优化工作环境,保证安全生产和文明生产。
改进生产工艺,提高工作效率,降低人工成本。
建立激励机制,开展并落实甲联管理及运作。
加强团队建设,提高工作士气,组织业余活动,丰富员工生活。
HR主管制订本部门人力资源管理制度,以实现部门公平、公正、公开、合理的管理环境。
稽核本部门体系流程和规章制度,监督其执行状况,以提高部门执行力。
负责管理内勤事务、控制易耗品、组织培训以及提高现场管理。
稽核员职责监督物料存储状况,检查物料标识工作。
监督和检查订单的完成情况及物料的清理、退仓等工作。
监督业务的合理化和手续的完备性。
监督单据使用的规范化及归档,保管的可追溯性。
培训物料操作人员,提高其业务水平。
制定盘点计划,定期盘点、核对、抽盘。
负责文件收发、整理和保管并确保各类信息、数据的迅速传递。
设备管理员职责负责生产部设备的申购、领取、发放、回收和保管等工作。
负责对设备的保养和维护工作。
负责监督生产线上设备的使用、保管及维护工作。
负责月未搞好设备的清查与盘点工作。
编制设备的领用、库存、损耗、单机耗用成本的分析报表。
生产部组织机构及职责权限一部分负责人:生产经理上属领导:生产技术总监二部分组织机构框架图生产经理计划统计生产调度车间主任成本管理设备管理员鱼糜及鱼糜制品段生物制品段班组班组三部分职责及权限(一)生产经理1、上属领导:生产技术总监2、直接下属:生产部全体员工3、职责及权限3.1负责销售部下达的订单分析、分解工作。
3.2负责生产计划的编制、分解、下达,整体生产进度跟踪、控制、分析及调整。
3.3负责生产物料、配件、耗材成本及生产过程中损耗成本的分析及控制。
3.4负责生产部门各规章制度的拟定、落实、执行、修正工作。
3.5负责生产车间劳动纪律、现场管理、安全生产的监督、考评及审核工作。
3.6负责生产部员工培训计划的制定、执行及培训效果的验证、考评工作。
3.7负责生产车间绩效考核的制定、执行、监督、考评及绩效审查工作。
3.8完成总经理交办的其他事项。
3.9对直接下属工作有监督、检查权。
3.10对下属下级工作的争议有裁决权。
3.11对公司各工艺文件、作业方法等有建议处置权。
3.12对直属下级人员调配、奖惩建议和任免提名权,考核评价权。
(二)计划统计1、岗位名称:计划统计员。
2、上属领导:生产经理。
3、职责权限3.1负责向公司总经理、生产副总经理等领导报送生产、销售、库存日报表3.2负责向公司技术研发部、品管部报月、季、年各种定期报表及临时性统计报表;包括有关消耗指标、能源指标、统计分析报告3.3统计各车间质量合格率,半成品月报,原料使用和成品统计月报3.4负责向财务部报送月度分析报告3.5负责对每日统计数字进行搜集3.6负责对搜集数字逐一进行审核3.7负责将审核好的数字进行整理、汇总3.8负责对统计数字进行综合分析3.9负责拟定生产计划、预算和经济责任(总费用)制并进行计算汇总3.10根据公司总的生产经营计划,拟定年度生产计划和预算表3.11根据年度计划,结合实际情况拟定当月生产计划3.12根据公司提供数字,拟定年度经济(总费用)责任制3.13负责建立健全本部门及车间原始记录和统计台帐,并实行档案化管理3.14负责汇总整理月度、年度综合统计台帐3.15负责整理日台帐3.16负责督促车间对原始记录和统计台帐进行规范,实行档案化管理3.17负责对各部门报送统计资料进行装订,档案化管理3.18负责执行公司统一的统计计算标准及ERP编码管理工作3.19根据公司统一统计指标体系,统一计算方法3.20根据技术和工艺调整,适时修改计算标准,统一计算口径3.21根据公司要求与生产实际情况,及时修改或增减编码,适应ERP 管理要求3.22负责完成生产副总经理交办的临时性工作和其他工作3.23对统计资料有上报权3.24对统计资料有搜集、整理、汇总和审核权3.25对统计数字有计算和分析权3.26对年度、月度生产计划和经济责任制有拟定和计算权3.27对本部门和车间的原始资料和统计台帐有整理、保存权3.28有权对统计计算标准的执行修改权3.29对各车间统计业务和统计法教育有指导权和培训权3.30有对调度会议内容的拟定权(三)生产调度1、岗位名称:生产调度员。
生产车间组织架构图及工作职责一、生产主管职责:1、参与公司内各相关会议,汇报本部门工作情况,接受各项工作任务,与同级人员共同讨论公司的重大问题与对策;即时反映生产中出现的各种问题(如:品质问题、物料问题),并与相关单位(品保/ 资材/工程)讨论解决方法;2、传达上级工作要求及客户要求,并督导所属拉长及时完成各项工作,协调跨部门关系,为部门工作的顺利进行提供保证;3、按公司订单、生产计划、作业标准组织生产;4、对生产过程及物料进行控制,降低物料的损耗,降低产品的不良率,确保生产保质保量顺利进行;5、负责生产车间运作系统的规划;6、负责车间生产设备、工具、治具的管控及生产设备的维护与稽核;7、负责员工的在岗技能培训、生产安全培训,负责员工生产技能及生产安全培训的审核;8、负责车间5S的稽核与车间各项生产安全的稽核;9、负责对车间每日报表的审核;10、上级交办的其它工作;二、文员职责:1、负责生产车间各类报表的统计,文件的复印、分发、接收、回复和整理,并送相关部门审批;2、跟催车间拉长、助拉、物料员、维修员、车间QC的每日报表,并对车间管理人员提供的报表有初步审核、建议权;对不符合要求的报表可要求相关管理人员进行修改,或对提出更改要求后仍不改正的报表给予拒收,并发出惩罚申请单督促管理人员限期改正;3、负责车间生产辅料、办公用品、清洁工具的统计、申购、分发和管理;4、负责员工考勤的监督和统计、工衣工鞋工帽厂牌的统计、申请、分发和管理;5、负责车间办公区域、鞋柜的5S管理和安全管理;6、配合车间主管协调管理车间团队,了解并关注车间订单完成情况、跟进欠缺物料;将生产欠料表发到PMC处,跟催物料回复情况,并及时向相关管理人员进行信息反馈;7、负责车间员工需求信息的整理和提供,安排员工招聘事宜,做好新进员工的登记引导及员工离职手续办理等日常行政工作;8、上级交办的其它工作;三、拉长职责:1、配合车间主管协调管理车间团队、召开车间日常早例会;2、负责按公司订单、生产计划、SOP作业标准、车间主管的要求组织生产;3、对生产过程进行数据统计,填写日常生产报表、考勤表、生产异常通知单、加班申请单、盘点表、日常5S点检等管理表格.对车间QC报表及维修日报表进行实时稽核;发现并及时主动的解决问题;5、负责车间订单的生产进度、线速的控制、生产现场纪律及生产区域5S的管理。
生产部架构及岗位职责预览说明:预览图片所展示的格式为文档的源格式展示,下载源文件没有水印,内容可编辑和复制生产部架构及部分岗位职责岗位职责:一、部门经理(张伟)1、全面负责生产部部门工作。
2、负责对部门职能流程持续优化改进,提升各职能板块的工作效率;3、组织制定部门年、季、月度工作计划,并跟踪监督计划的实施情况;4、根据预算计划的要求,组织编制部门控制目标以及保障措施;5、负责组织生产安全管理和现场6S管理工作,负责环境管理工作;6、负责部门绩效考核工作;7、负责质量管理工作;8、负责物料仓储管理工作;9、负责实验室管理工作;10、负责宣导公司的企业文化,提高部门员工的凝聚力和活力11、完成公司或上级临时交办的工作。
二、部门副经理(生产杨海军)1、负责各生产线的生产组织工作;2、负责各线的质量管理工作;3、负责各线的成本管理工作;4、负责各线的安全管理和6S管理工作;5、负责各线的培训管理工作6、负责各线人员的绩效考核、绩效奖金分配工作7、协助部门经理完成部门的其他工作三、部门副经理(设备乔培生)1、负责的各线设备管理和公辅区日常管理工作。
2、组织制订、优化设备管理制度和流程。
3、负责备品、备件采购质量跟踪评价和监督。
4、负责设备人员的绩效考核、绩效奖金分配工作。
5、负责设备模块员工队伍建设和部门员工的培训与培养。
6、负责公辅班、天车班设备管理及人员管理。
7、协助部门经理完成部门的其他工作。
四、生产主管(叶方义)1、协助部门副经理负责对酸洗酸再生冷轧机组的生产、组织、管理;2、协助部门副经理负责组织按计划完成酸洗酸再生冷轧各种生产指标,降低各种消耗;3、负责酸洗酸再生冷轧机组班报的汇总、能耗统计、月报制作及分析。
4、协助部门副经理负责对酸洗酸再生冷轧机组的安全管理、6S 工作;5、协助部门副经理负责对酸洗酸再生冷轧人员培训计划,负责工艺、操作规程的培训;6、负责召开酸洗酸再生冷轧机组所发生的产品质量、工艺事故分析会,并形成书面报告,及成本损失的核算;7、负责热卷质量的跟踪,通过控制减少对后道工序产品质量的影响,保证高档板的质量8、负责新产品生产质量的跟踪,工艺方案的审核及订单评审;9、协助部门副经理负责酸洗酸再生冷轧机组各班的绩效考核管理工作;10、负责宣导公司的企业文化,提高产线员工的凝聚力和活力11、完成公司或上级临时交办的工作。
生产部组织架构与职位体系一、生产部职能描述1.产品实现。
根据调度员下达的生产指令,组织本部门员工合理利用人、机、料来安排生产,控制生产进度,保证按时交货。
2.安全生产。
在完成生产任务的同时,开展安全检查和培训,保证企业安全生产。
3.成本控制。
在完成生产任务的同时,利用现有资源不断降低人力、材料和设备等成本,实现企业利润的最大化。
4.生产协调。
当生产出现异常时,应及时协调工程、品质等部门来解决问题。
5.物料领用与管控。
负责领用、管理物料,以及对物料异常的追踪、改善与盘点。
6.现场 5S。
组织开展车间内的 5S管理,确保生产现场干净整洁。
7.设备管理。
依照设备保养规程对设备、模工治具、量检具进行日常维护保养。
8.效率提升。
通过技术培训、工艺改良等措施不断提高生产效率。
9.品质控制。
通过技能培训、工艺改良、纠正预防措施以及标准化作业等方法,提高各工序产品质量,确保成品的合格率。
10.内部管理优化。
协助完善生产工艺流程、工艺图纸、品质作业标准,实现企业的标准化生产。
11.部门建设。
负责对部门员工进行选拔、任用、培训及绩效管理。
二、职位关系图生产部职位关系图如下图所示。
生产部经理印刷主管生产部文员包装/模切主管印刷技工QC 作业员作业员模切组长包装组长三、职位说明书1.生产部经理职位说明书2.生产部文员职位说明书3.印刷主管职位说明书4.包装/模切主管职位说明书5.模切组长职位说明书6.包装组长职位说明书。
生产部组织架构
1. 部门简介
生产部是公司的重要部门之一,负责生产制造产品并确保生产过程的顺利进行。
生产部的组织架构图如下:
2. 部门领导
•生产部部长:负责制定生产计划和决策生产策略。
3. 部门分工
3.1 生产计划组
•组长:负责统筹生产计划,协调生产进度。
•生产计划员:负责具体的生产计划编制和调整。
3.2 生产组
•组长:负责生产车间的管理和协调生产任务的分配。
•生产工人:负责具体的产品生产制造工作。
3.3 质检组
•组长:负责产品质量的检验和监督。
•质检员:负责产品质量的检测和评估。
3.4 物流组
•组长:负责物料采购和产品配送的组织协调。
•物流员:负责物料的采购和产品的运输安排。
4. 部门协调
生产部与采购部、销售部等部门之间有着密切的协作关系,确保生产计划的顺
利执行和产品的按时交付。
5. 部门目标
生产部的目标是通过高效的生产组织和管理,保证产品质量,提高生产效率,
实现公司的生产经营目标。
以上就是生产部的组织架构图及职责分工,每个岗位各司其职,共同努力,为
公司的发展贡献力量。
1
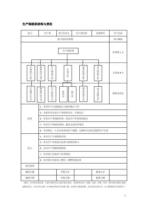
生产部组织结构与责权
部门
生产部
部门负责人 生产部经理
直属领导
生产总监 部门组织结构图
部门编制
经理级1人
主管级6人
视情况而定
职责 1.负责生产计划的制订与组织执行工作 2.全面负责企业生产系统的安全、平稳运行 3.负责生产的调度管理,保证生产任务得到执行 4.负责生产的成本控制,提高企业经济效益
5.负责统计、汇总企业各项生产数据,定期向企业高层提供生产信息 权力 1.有对生产计划的执行权
2.有对生产过程进行监督与指挥的权力 3.有对生产资源的调度权 4.有对部门内部员工的考核权
5.有对部门内部员工聘任、解聘的建议权
相关说明
编制人数 审核人员 批准人员 编制日期
审核日期
批准日期
(插注:本文档在此结束,上面内容您可自己进行修正更改,文档请勿出卖、传播、出租、分销、发布,禁止把作品纳入商标或服务标记,作品可以让第三方单独付费或共享免费下载,如带来不便请谅解。
本段为需去除文字。
以上感谢您的下载使用。
)
生产部经理
计划统计主管
车间主任 动力设备主管
动力设备专员
生产调度主管
成本管理主管
成本管理专员
班组长 生产调度专员
计划统计专员 统计员
物料供应主管
物料供应专员。
1.厂长
直接下属间接下属
轮转岗位晋升方向.2.副厂长
直接下属间接下属
轮转岗位晋升方向.3.生产主管
直接下属间接下属晋升方向轮转岗位
4.制造部经理
直接下属间接下属
轮转岗位晋升方向.5.工程技术部经理
直接下属间接下属
轮转岗位晋升方向.6.生产工程师
直接下属间接下属
轮转岗位晋升方向.7.工业工程师
直接下属间接下属
轮转岗位晋升方向.8.供应商管理工程师
直接下属间接下属
轮转岗位晋升方向.9.产品设备工程师
直接下属间接下属
轮转岗位晋升方向.10.车间主任
直接下属间接下属
轮转岗位晋升方向.11.生产调度员
直接下属间接下属
轮转岗位晋升方向.12.质量控制主管
直接下属间接下属
轮转岗位晋升方向.13.质检员
直接下属间接下属
轮转岗位晋升方向.14.质量安全技工
直接下属间接下属晋升方向轮转岗位。
生产部组织架构及各级岗位职能说明拟制:制:制:审核:制:会签:核制:标准化:化:制:批准:制:目次前言·······················································································错误!未指定书签。
1范围·····················································································错误!未指定书签。
生产部组织架构图及岗位职责公司生产部组织架构及岗位职责一、组织架构经理副经理电极车间装配车间化成车间组装车间设备组材料库合格品库处理品库二、岗位职责生产部经理1、制定生产计划;2、控制生产过程;3、负责产品质量;4、调配生产资源;5、提高劳动生产率;6、完成其他任务。
生产部副经理1、制定生产计划;2、跟踪计划进度;3、制定物料申请计划;4、监督物料订购及到料情况;5、制定管理规范并监督执行;6、进行库存盘点;7、汇总统计工作;8、向部门经理负责。
各车间主管1、日常管理工作;2、执行生产计划;3、员工培训;4、监督生产记录及统计工作;5、与员工沟通;6、原辅材料管理;7、车间成本核算;8、完成其他任务。
车间统计员1、供应生产所需;2、在制品、成品交接;3、考勤考绩及报表上报;4、车间成本核算及分析;5、完成其他任务。
车间组长1、协助车间主管工作;2、监督生产任务执行;3、提高产品质量。
4、作为负责人,你需要确保你的组员遵守公司规章制度和管理规范,以及部门“车间管理规范”的正确执行。
5、你需要监督和协调本组的生产,并协助主管调配各班人员。
作为车间班长,你需要服从组长的安排,并协助组长工作。
同时,你需要监督本班员工正确执行车间主管或组长下达的生产任务,并及时反映问题。
你需要监督检查本班员工严格按照质量标准、工艺规范及相关作业指导书操作,以提高产品质量。
此外,你也需要督导本班员工及时填写生产记录,以提高本班工作效率。
作为生产部操作工,你需要按照作业指导书及其他相关规定进行生产作业。
你需要对自己生产工序的产品质量负责,并负责本人操作设备的维护保养。
你也需要按要求填写有关质量记录。
设备组需要全面负责公司生产、试验和检验设备的维护、修理和日常保养监督检查工作。
你需要负责公司自制设备的开发设计、制作安装和交付验收工作。
同时,你还需要负责检验、测量和试验设备的管理和检定工作。
此外,你也需要协助部门经理在本单位运行ISO9000质量管理体系。
生产部组织架构图及岗位职责描述4生产部组织架构及岗位职责描述岗位职责-生产部长所属部门:生产部直接上司:总经理部门性质:对公司的生产部事务进行全面的管理管理权限及职能:在总经理的领导下,负责产品的制造、品质的保证及改善、制造成本的控制与降低、生产效率的提高以及生产设备管理、仓库管理等工作。
1)根据公司整体发展目标,制定年度生产计划;并根据每月销售订单,编制月生产计划,及日作业计划,组织和管理生产,并全面落实实施。
2)负责制定、修订生产消耗定额,对生产消耗指标及费用的控制情况进行分析评价,进行成本核算,提出改进意见并对执行情况进行监督、检查与考核。
3)准确掌握生产任务状况,合理安排原材料的进货、储存、使用。
保证订单生产的顺利进行,力求达到最低库存成本。
4)负责生产现场管理,负责所辖各车间生产、安全环保、质量、设备、消耗等事项整体规划,建立健全各车间管理运行体系、核心业务流程。
岗位职责-生产主管所属部门:生产部直接上司:生产部长管理权限及职能:在生产部领导下全面负责车间之生产、质量、技术、设备、安全等各项工作,努力提高管理水平,提高生产效益,全面保质保量完成上级下达的各项指标和任务。
1)协助生产部副经理做好车间各项管理工作。
2)车间新员工进行面试,决定是否录用工作。
3)车间新员工工作及住宿安排。
4)车间各项规章制度执行工作。
5)车间各岗位人员月考核的初审工作。
6)车间各项数据的记录、汇总工作。
7)组织车间生产例会。
8)处理车间日常各项行政管理以及5S实施工作。
9)车间人员晋升的审核工作。
岗位职责-生产工艺所属部门:生产部直接上司:生产部长管理权限及职能:负责车间的生产技术质量管理工作;在业务上接受公司技术质量部的领导。
1)根据工艺方案、工艺流程的设计,组织车间工艺审核,设备、工装模具调配;2)参与新产品的设计开发,协助车间制定新产品的试制工作计划,对准备工作和修改工作实行管理,审核设备工装的使用,并检查设备及工装生产要求符合性;3)协助车间按计划组织生产,与质量部门密切合作,分析生产流程冲突,对与工艺有关的问题提供解决方法,及时妥善处理生产现场出现的质量、技术问题;4)审核车间工艺方案,按工艺流程设计填写生产和装配工艺卡,对现场管理、工艺改进和成本控制进行调研,收集工艺数据;5)编制工艺手册、质量控制指导书等工艺文件,培训操作人员正确地维护并操作已有的和新购设备、工装,配备工位器具,指导员工严格按工艺流程程进行生产;6)协助车间按规定制定、编写、修订岗位安全操作规程,监督、检查各工序员工严格执行;7)负责车间各种工艺记录的管理和修订工作,认真检查工艺记录的填写和保存情况,检查并指导员工填写好、用好记录,定时收集、整理、装订、归档;8)负责员工的工艺技术培训工作,组织员工学习工艺规程和各种标准操作程序,教育员工遵守工艺规程,并建立严格的检查制度,保证工艺规程和操作规程的正确执行,提高生产操作水平,保证生产顺利进行。
生产部组织架构图及岗位职责描述Company Document number:WTUT-WT88Y-W8BBGB-BWYTT-19998生产部组织架构及岗位职责描述部门性质:对公司的生产部事务进行全面的管理管理权限及职能:在总经理的领导下,负责产品的制造、品质的保证及改善、制造成本的控制与降低、生产效率的提高以及生产设备管理、仓库管理等工作。
1)根据公司整体发展目标,制定年度生产计划;并根据每月销售订单,编制月生产计划,及日作业计划,组织和管理生产,并全面落实实施。
2)负责制定、修订生产消耗定额,对生产消耗指标及费用的控制情况进行分析评价,进行成本核算,提出改进意见并对执行情况进行监督、检查与考核。
3)准确掌握生产任务状况,合理安排原材料的进货、储存、使用。
保证订单生产的顺利进行,力求达到最低库存成本。
4)负责生产现场管理,负责所辖各车间生产、安全环保、质量、设备、消耗等事项整体规划,建立健全各车间管理运行体系、核心业务流程。
岗位职责-生产主管所属部门:生产部直接上司:生产部长管理权限及职能:在生产部领导下全面负责车间之生产、质量、技术、设备、安全等各项工作,努力提高管理水平,提高生产效益,全面保质保量完成上级下达的各项指标和任务。
1)协助生产部副经理做好车间各项管理工作。
2)车间新员工进行面试,决定是否录用工作。
3)车间新员工工作及住宿安排。
4)车间各项规章制度执行工作。
5)车间各岗位人员月考核的初审工作。
6)车间各项数据的记录、汇总工作。
7)组织车间生产例会。
8)处理车间日常各项行政管理以及5S实施工作。
9)车间人员晋升的审核工作。
岗位职责-生产工艺所属部门:生产部直接上司:生产部长管理权限及职能:负责车间的生产技术质量管理工作;在业务上接受公司技术质量部的领导。
1)根据工艺方案、工艺流程的设计,组织车间工艺审核,设备、工装模具调配;2)参与新产品的设计开发,协助车间制定新产品的试制工作计划,对准备工作和修改工作实行管理,审核设备工装的使用,并检查设备及工装生产要求符合性;3)协助车间按计划组织生产,与质量部门密切合作,分析生产流程冲突,对与工艺有关的问题提供解决方法,及时妥善处理生产现场出现的质量、技术问题;4)审核车间工艺方案,按工艺流程设计填写生产和装配工艺卡,对现场管理、工艺改进和成本控制进行调研,收集工艺数据;5)编制工艺手册、质量控制指导书等工艺文件,培训操作人员正确地维护并操作已有的和新购设备、工装,配备工位器具,指导员工严格按工艺流程程进行生产;6)协助车间按规定制定、编写、修订岗位安全操作规程,监督、检查各工序员工严格执行;7)负责车间各种工艺记录的管理和修订工作,认真检查工艺记录的填写和保存情况,检查并指导员工填写好、用好记录,定时收集、整理、装订、归档;8)负责员工的工艺技术培训工作,组织员工学习工艺规程和各种标准操作程序,教育员工遵守工艺规程,并建立严格的检查制度,保证工艺规程和操作规程的正确执行,提高生产操作水平,保证生产顺利进行。
生产部组织架构图及工作职责生产主管工作职责:(1)生产进度的跟进,按计划如期交货。
(2)生产物料的跟进和管理。
(3)负责本部门设备、工模的保养和维护工作。
(4)负责生产部环境规划和维护,以及安全文明生产工作。
(5)负责本部门内部人员调动,培训和考核。
(6)负责各部门的沟通和协调。
(7)负责生产作业计划的编制、报批,并组织实施。
拉长的工作职责:一.工作前的准备1.上班需提前15分钟到达车间2.查看当日生产线所需的物料/工具/设备等的准备情况是否已备齐或正常3.重新确认当日的生产计划,生产的机种和数量,并计算出每小时的产量,然后跟进达成4.确认当日生产的机种的作业指导书是否已经准备好,是否已经清楚该机种的重点和难点5.确认生产线和物料区域是否整洁,物料摆放是否整齐,标识是否清晰6.提前5分钟开早会,通报今日生产中需注意的重要问题和昨日出现错误的人员及现象7.早会时确认当日是否有人缺勤或请假,并及时做好人员的重新调整与安排8.确认当日的工作量是否足够,是否有富余人员,是否需安排外调或放假二、工作中的跟进1.生产中随时检查机器/工具等设备是否正常工作或使用,出现异常需立即反馈给PE工程师分析处理,同时在生产日报表上做好异常的记录,PE工程师解决问题所耗用的时间等2.生产过程中各个工序是否有不平衡的现象,是否有等待作业或者产品堆积的现象,主动查找原因,然后合理进行调配,必要时需反馈给IE工程师,由IE工程师重新评估生产线的平衡率3.生产过程中每小时需检讨没有完成标准产量的原因,并制定达到目标的计划,及时将信息反馈给主管或经理,寻求上级的支持与帮助,必要时需反映给生产厂长4.随时检查每个作业员是否按照作业标准的要求来生产,是否有做好防静电的措施,发现有不符合的必须立即纠正,必要时对该作业员进行处罚5.生产过程中每小时需巡查一次拉QC的报表,检查产品的品质是否有异常,并及时分析查找原因,然后进行预防和控制,必要时反馈给PE工程师分析解决6.堆积的产品需用周转箱整齐的摆放好,每层之间用隔板隔开,每层的数量一致,并在标示单上写清楚产品型号,单号,数量,工序和产品的状况等7.根据投入数和拉QC的检验报表每小时正确填写生产看板,包括良品数量,不良品数量,并计算出生产效率和制程直通率8.及时跟进欠料信息,正确填写补料申请单,需要退仓的不良物料需分清楚制程不良,来料不良(来料不良需及时填写品质异常单),并标识清楚,然后提供给领班跟进处理9.报废的材料必须分清楚制程不良,来料不良(包括特采引起的不良),因设计或发错物料或资料错误等返工导致的不良,并标识清楚,然后提供给领班跟进处理10.根据生产计划和生产任务单的要求,随时准备4小时内之生产所需的人员,机器,工具,物料和作业指导书11.工作中确实做好5S的工作:检查作业员的防静电措施,生产线的纪律,员工的服装仪容,生产线地面和物料区域的整洁;材料,半成品和成品的摆放是否整齐,标识是否清晰等12.每天必须跟进机器设备,仪器和工具的日常维护和保养,并正确填写保养记录表三、下班前的工作1.今日生产的总结,正确填写生产日报表和考勤记录表,生产日报表的实际工时必须小于或者等于考勤表的实际工时;记录好今日的异常2.查看生产计划和生产任务单,清晰明白第二天所要生产的机种型号和数量,生产过程中的重点和难点3.确认第二天的出勤人员,是否有人请假,预先做好安排4.认真准备好第二天生产所需的物料,工具,设备和作业指导书5.下班前检查生产线的工作环境和安全防护措施,确实切断电源生产文员工作职责:1、编制生产日报表,根据生产领料单领取材料;2、领取和保管车间辅助用品;4、相关资料、表格的打印及复印;5、协助部门主管处理车间日常事务。
生产部组织架构生产部组织构架流程及职责一、生产程序基本要求:1、禁止部门及个人在正常情况下有不得越级越权行为,如遇特殊情况下允许填写《问题报告》,方可直接报总经理处解决处理。
2、在正常情况下必须做到上级部门交代的任务按时保质保量完成。
3、在正常情况下必须做到部门之间沟通协调,确保生产工作正常。
4、库房必须提前或者按时给生产提供物资保障,确保生产正常。
5、生产必须做到服从质保质量管控,确保生产产品质量合格正常。
二、生产部组织架构图:生产部长车间班长车间班组长生产统计员生产工人三、岗位职责:1、生产部长职责:直接上级:分管副总直接下级:车间班长岗位性质:负责全面主持本部的管理工作管理权限:行使对公司产品生产过程工作的指挥、指导、协调、监督、管理的权力,并承担执行公司规程及工作指令的义务;管理责任:对其分管的生产管理工作全面负责;主要职责:1( 在分管副总经理领导下,负责主持本部的全面工作,组织并督促部门人员全面完成本部职责范围内的各项工作任务。
2( 贯彻落实本部岗位责任制和工作标准,密切与销售、计划、财务、质量、综合等部门的工作联系,加强与有关部门的协作配合工作;3( 负责组织生产、设备、安全检查、环保、生产统计等管理制度的拟订、修改、检查、监督、控制及实施执行;4( 配合技术部参加技术管理标准、生产工艺流程、新产品开发方案审定工作,及时安排、组织试生产,不断提高公司产品的市场竞争力。
2、车间班长职责:and actively carry out investment. This year, the introduction of overseas Chinese of 220,000 yuan, Wei Jia Gou Jian, Chongxin hopeprimary school 1. Local records compilation work, ensure that the log is 直接上级:生产部长直接下级:班组长、统计员岗位性质:全面组织车间工作管理权限:对本车间职责范围内工作有指导、指挥、协调、监督管理权力管理职责:对所承担的工作全面负责主要职责:1、在生产部长领导下全面负责车间生产、质量、工艺、设备、安全、环保、等各项工作,努力提高管理水平提高生产效益,全面保质保量完成上级领导下达的指标和任务。
生产部组织架构及岗位职责描述
岗位职责-生产部长
所属部门:生产部
直接上司:总经理
部门性质:对公司的生产部事务进行全面的管理
管理权限及职能:在总经理的领导下,负责产品的制造、品质的保证及改善、制造成本的控制与降低、生产效率的提高以及生产设备管理、仓库管理等工作。
1)根据公司整体发展目标,制定年度生产计划;并根据每月销售订单,编制月生产计划,及日作业计划,组织和管理生产,并全面落实实施。
2)负责制定、修订生产消耗定额,对生产消耗指标及费用的控制情况进行分析评价,进行成本核算,提出改进意见并对执行情况进行监督、检查与考核。
3)准确掌握生产任务状况,合理安排原材料的进货、储存、使用。
保证订单生产的顺利进行,力求达到最低库存成本。
4)负责生产现场管理,负责所辖各车间生产、安全环保、质量、设备、消耗等事项整体规划,建立健全各车间管理运行体系、核心业务流程。
岗位职责-生产主管
所属部门:生产部
直接上司:生产部长
管理权限及职能:在生产部领导下全面负责车间之生产、质量、技术、设备、安全等各项工作,努力提高管理水平,提高生产效益,全面保质保量完成上级下达
的各项指标和任务。
1)协助生产部副经理做好车间各项管理工作。
2)车间新员工进行面试,决定是否录用工作。
3)车间新员工工作及住宿安排。
4)车间各项规章制度执行工作。
5)车间各岗位人员月考核的初审工作。
6)车间各项数据的记录、汇总工作。
7)组织车间生产例会。
8)处理车间日常各项行政管理以及5S实施工作。
9)车间人员晋升的审核工作。
岗位职责-生产工艺
所属部门:生产部
直接上司:生产部长
管理权限及职能:负责车间的生产技术质量管理工作;在业务上接受公司技术质量部的领导。
1)根据工艺方案、工艺流程的设计,组织车间工艺审核,设备、工装模具调配;
2)参与新产品的设计开发,协助车间制定新产品的试制工作计划,对准备工作和修改工作实行管理,审核设备工装的使用,并检查设备及工装生产要求符合性;
3)协助车间按计划组织生产,与质量部门密切合作,分析生产流程冲突,对与工艺有关的问题提供解决方法,及时妥善处理生产现场出现的质量、技术问题;
4)审核车间工艺方案,按工艺流程设计填写生产和装配工艺卡,对现场管理、工艺改进和成本控制进行调研,收集工艺数据;
5)编制工艺手册、质量控制指导书等工艺文件,培训操作人员正确地维护并操作已有的和新购设备、工装,配备工位器具,指导员工严格按工艺流程程进行生产;
6)协助车间按规定制定、编写、修订岗位安全操作规程,监督、检查各工序员工严格执行;7)负责车间各种工艺记录的管理和修订工作,认真检查工艺记录的填写和保存情况,检查并指导员工填写好、用好记录,定时收集、整理、装订、归档;
8)负责员工的工艺技术培训工作,组织员工学习工艺规程和各种标准操作程序,教育员工遵守工艺规程,并建立严格的检查制度,保证工艺规程和操作规程的正确执行,提高生产操作水平,保证生产顺利进行。
9)参加制订(或修订)半成品、成品及原材料质量标准和成品等级标准,并贯彻执行。
10)参加生产过程中的技术质量事故及设备事故的分析调查工作,积极开展技术进步和合理化建议活动,并组织纠正和预防措施的实施。
11)负责建立车间工序控制点,并严格检查执行情况,使产品生产处于受控状态。
岗位职责-仓管
所属部门:生产部
直接上司:生产部长
管理权限及职能:负责仓库的各项管理工作;在业务上接受公司财务部的领导。
1)及时、准确维护库存管理系统,确保仓库物品的帐、卡、物三者一致,仓库区域划分明确,物料标识清楚,存卡记录连续、字迹清晰;
2)做好仓库物料的收发存管理,严格按流程要求收发物料,并及时跟踪作业物料的发送,协助财务成本对物料采购与车间生产成本的控制和监督;
3)与车间领料组及采购员密切配合,做好生产物料的调度工作,切实履行物料储备和配送的物流职能,并及时向生产部反馈生产物料的短缺或过量采购等异常情况;
4)对物料管理的有序性、安全性、完整性及有效性负责,对部品实行分区存放管理,确保库容库貌;定期或不定期向财务部报告部品存货质量情况及呆滞积压物料的分布,按要求定期填制提交呆滞报废物料的处理申请表。
5)做好仓库各种原始单证的传递、保管、归档工作;
6)确保公司仓库管理制度、相关制度、规定得以贯彻实施。
岗位职责-装配工
所属部门:生产部
直接上司:生产主管
管理权限及职能:负责产品的装配工作。
1)认真执行质量方针,努力实现质量目标,按过程控制程序和作业指导书规定进行现场作业,确保产品满足顾客要求。
2)严格把住质量关,不合格的零部件不投入装配,经装配不合格的配件不流入下道工序,不合格的成品不出厂。
3)认真执行自我检验、自我分析、自我控制的三自精神,不断提高自我控制能力,使技术精益求精,保证生产出满客满意的产品。
?
4)规范现场作业,建立和保持文明生产秩序,生产线上除生产所需的零部件和工位器具外,不得放其他无关的杂物。
5)装配所需的零部件应分类存放,发现的废品应及时隔离,建立标识,不得混放。
?
6)装配过程中的配件存放应有标识和合格标识,对确定返工的配件应隔离及醒目的标识,以防止误用。
标识中应标明型号、规格及返工的实际不合格情况。
岗位职责-结构设计
所属部门:生产部
直接上司:生产部长
管理权限及职能:根据产品的规格、功能和外观以及客户的要求等,合理的设计产品的内部和外在结构,从而保证产品以最短的时间、最低的成本和最高的质量进行开发。
1、参与产品项目立项可行性调研,参与系统方案设计;
2、拟制结构设计方案和项目计划,研究开发新结构新技术,,提升产品性能和质量;
3、承担产品结构、零部件的详细设计;
4、承担样机的研制、调试和相关技术;
5、公差分析和DFMA(面向制造和装配的设计)检查;
6、与制造工程师进行模具检讨;
7、模具样品检讨、设计更改和零件最终的承认;
8、为安全和可靠性等各种测试提供机械支持;
9、解决产品开发中的问题、问题跟踪以及与客户讨论技术问题;
10、为产品的量产提供技术支持。