17种焊接方法
- 格式:doc
- 大小:20.50 KB
- 文档页数:5
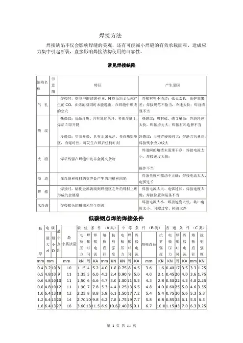
焊接方法焊接缺陷不仅会影响焊缝的美观,还有可能减小焊缝的有效承载面积,造成应力集中引起断裂,直接影响焊接结构使用的可靠性。
常见焊接缺陷低碳钢点焊的焊接条件注:d-电极端面直径;D-电极主体直径;抗剪强度误差为±14%。
镀锌钢板点焊的焊接条件不锈钢点焊的焊接条件高温合金(GH3044,GH4033)点焊的焊接条件注:顶锻开始时刻与焊接同步。
钛合金点焊的焊接条件铝合金交流点焊的焊接条件铜及铜合金的点焊纯铜极难点焊,不能凸焊和缝焊。
铜合金点焊的焊接条件注:1. 扳厚0.9mm;2. 锥台型Cd-Cu合金电极,端面直径Φ4.8mm。
3. 推荐用钨、钼镶嵌型或铜钨烧结型电极。
注:b为滚盘接触面宽度,B为滚盘厚度。
镀锌钢板缝焊的焊接条件不锈钢(1Cr18N19Ti)缝焊的焊接条件铝合金缝焊的焊接条件焊点质量要求1表面润湿程度熔融焊料在被焊金属表面上应铺展,并形成完整、均匀、连续的焊料覆盖层,其接触角应不大于90度。
2焊料量焊料量应适中,避免过多或过少。
3焊点表面焊点表面应完整、连续和圆滑,但不要求极光亮的外观。
4焊点位置元器件的焊端或引脚在焊盘上的位置偏差,应在规定的范围内。
5.1 焊接成形过程将分离的金属用局部加热或加压等手段,借助于金属内部原子的结合与扩散作用牢固地连接起来,形成永久性接头的过程称为焊接。
5.1.1焊接成形过程特性和理论基础焊接成形过程(1)5.1 焊接成形过程将分离的金属用局部加热或加压等手段,借助于金属内部原子的结合与扩散作用牢固地连接起来,形成永久性接头的过程称为焊接。
5.1.1焊接成形过程特性和理论基础(1)焊接方法的分类及其特点熔化焊接由于加热方式及熔炼方式的区别,可以有以下几种主要类形:1)气焊气体混合物燃烧形成高温火焰,用火焰来熔化焊件接头及焊条。
最常用的气体是氧与乙炔的混合物,调整氧与乙炔的比值,可以获得氧化性、中性及还原性火焰。
这种方法所用的设备较为简单,而加热区宽,但焊接后焊件的变形大,并且操作费用较高,因而逐渐为电弧焊代替。
焊接常用代号及焊接重点要求郑岩编辑第一部分:焊接常用代号一、焊接类型字头AW(arc welding):电弧焊;TIG:钨极氩弧焊;SMAW(shielded metal arc welding):焊条电弧焊;Ws:全氩弧焊接;GTAW+SMAW:为手工钨极氩弧焊打底+手工电弧焊盖面;GTAW(gas tungsten arc welding):钨极气体保护电弧焊(实芯或药芯焊丝);Ws+Ds:氩弧打底+电弧盖面;FCAW:(flux cored arc welding):药芯焊丝电弧焊;ESW:(electroslag welding)电渣焊;FCW-G:(gas-shielded flux cored arc welding):气体保护药芯焊丝电弧焊;FCAW:药芯焊丝CO2保护焊;SAW:(submerged arc welding):埋弧焊;GMAW:CO2半自动焊;MIG:熔化极半自动惰性气体保护焊;OAW(oxy-acetylene welding)氧乙炔焊;FW:(flash welding)闪光焊;EGW:气体立焊;FRW:(friction welding)摩擦焊;LBW:(laser beam welding)激光焊;EXW(explosion welding)爆炸焊。
二、焊接方法代号(GB5185)1 电弧焊:11无气体保护电弧焊;111手弧焊;112重力焊;113光焊丝电弧焊;114药芯焊丝电弧焊;115涂层焊丝电弧焊;116熔化极电弧电焊;118躺焊。
12 埋弧焊:121丝极埋弧焊;122带极埋弧焊。
13 熔化极气体保护电弧焊:131:MIG焊,熔化极惰性气体保护电弧焊(含熔化极Ar弧焊);135:MAG焊,熔化极非惰性气体保护电弧焊(含CO2保护焊);136非惰性气体保护药芯焊丝电弧焊;137非惰性气体保护熔化极电弧点焊。
14 熔化极非惰性气体保护电弧焊:141:TIG焊:钨极惰性气体保护电弧焊(含钨极Ar弧焊);142:TIG点焊;149原子氢焊。
焊工操作技能考试要求1.1焊接方法1.1.1民用核安全设备制造、安装和维修中常用的焊接方法的分类和代号见表1,表1中的各类焊接方法之间不能互相代替。
1.1.2操作技能考试可以由一名焊工或者焊接操作工在同一个试件上采用一种焊接方法进行,也可以由一名焊工、焊接操作工在同一个试件上采用不同焊接方法进行组合考试;或者由两名以上焊工、焊接操作工在同一个试件上采用相同或不同焊接方法进行组合考试。
由三名以上焊工、焊接操作工的组合考试试件的厚度不得小于20mm。
每个焊工、焊接操作工焊接整体焊缝的有效长度不小于150mm。
注注:对于采用的焊接方法不属于表1的情况,考核中心应将新增的焊接方法分类代号报国务院核安全监管部门备案。
1.1.3组合焊接方法的代号可用每种焊接方法的代号并列表示。
例如:手工钨极氩弧焊打底,其余层采用焊条电弧焊的组合方法表示为“HWS/HD”。
1.2母材类别1.2.1母材金属的分类和代号见表2。
表2的分类适用于轧制、锻造和铸造等材料。
1.2.2焊工、焊接操作工在操作技能考试时应符合下列规定:(1)焊工采用同类材料中任一钢号考试合格后可免去该类其它材料的考试。
(2)焊工采用Ⅰ~Ⅳ类材料中类别较高的考试合格后,可免去类别较低材料的考试。
(3)焊工采用Ⅵ~Ⅸ类材料的考试不能由其它类别材料互相代替。
(4)对于异种材料的焊接,焊工若采用母材中的两类材料均包括在表2中第Ⅰ—Ⅳ类别内,并且对两者中较高类别的材料已考试合格,则可免考;若采用两类材料中有第Ⅵ类,且已对两类母材分别考试合格,则可免考,但焊接材料采用镍基合金材料时,仍须考试。
(5)焊接操作工采用某类别任一钢号经焊接操作技能考试合格后,适用其他类别钢号。
1.2.3异种材料在考试项目代号中的表示方法用“X/Y”表示,X、Y表示母材金属的类别号。
1.2.4 当母材金属为表2之外的材料类别时,考核中心可根据材料焊接性能试验或者焊接工艺评定的结果对母材进行分类,并将分类意见报国务院核安全监管部门备案。
连接器焊接方法
连接器是一种用于连接电路的元件,通常由金属制成。
连接器的焊接方法有以下几种:
1. 烙铁焊接法:这是最常见的连接器焊接方法之一。
使用烙铁将连接器和电路板焊接在一起。
这种方法需要使用适当的烙铁和焊锡,以确保焊接的质量和可靠性。
2. 波峰焊接法:这种方法通常用于大批量生产,可以快速、准确地焊接连接器。
使用波峰焊接机将连接器和电路板一起通过熔化的焊锡波峰,使它们连接在一起。
3. 热压焊接法:这种方法使用热压机将连接器和电路板压在一起,然后通过热量和压力来焊接它们。
这种方法适用于连接器和电路板之间的高密度连接。
4. 热风焊接法:这种方法使用热风枪将焊锡加热到熔点,然后将连接器和电路板焊接在一起。
这种方法适用于连接器和电路板之间的小型连接。
5. 焊接贴片连接器:这种方法使用贴片连接器,将连接器贴在电路板上,然后使用热风或热压将连接器与电路板焊接在一起。
这种方法适用于连接器和电路板之间的微小连接。
以上是连接器焊接的几种方法,每种方法都有其优点和缺点。
在选择焊接方法时,需要考虑连接器和电路板的尺寸、形状、材料和数量等因素。
1.焊接定义:通过加热或加压,或两者并用,并且用或不用填充材料,使工件达到原子间结合的一种加工方法。
2.焊接物理实质:焊接是指通过适当的物理化学过程,使两个分离的固态物体产生原子(分子)间结合力而连接成一体的连接方法。
3.焊接方法的分类:焊接方法总的来说可分为三大类:熔化焊、压力焊、钎焊4.熔化焊:将两个工件连接处加热至熔化状态,连接处的金属经历一个熔合—冷却—结晶的过程,形成焊缝,成为一体。
5.熔化的作用:a、原子间靠近、熔合在一起;b、成分均匀化;c、进行冶金反应,清除氧化物、杂质;6.按热源形式以及保护方式,可将熔化焊分为:7.熔化焊的分类:分为电渣焊和电弧焊,其中电弧焊又分为:手工电弧焊、埋弧焊、钨极氩弧焊、熔化极氩弧焊、CO2气体保护焊、等离子焊8.电弧是电弧焊接的能源,电弧能有效而简便的将电能转换为焊接过程所需的热能和机械能。
9.电弧的实质:是在一定条件下,电荷通过两极之间的气体空间的一种导电现象,简单的说就是气体放电现象10.气体放电的必要条件:a、导电机构—带电粒子;b、存在电场;11.产生电子的方式:电离和电子发射12.能量的产生:碰撞和激励13.电离能(Wi):使中性气体粒子失去电子所需的最低外加能量。
14.激励:中性粒子受外来能量的作用不足以使电子完全脱离气体原子或分子,能使电子从较低的能级转移到较高的能级,中性粒子内部的稳定状态被破坏,这种状态称为激励.15.碰撞传能:包括弹性碰撞和非弹性碰撞;⑴弹性碰撞:这种现象是当粒子的动能较低时产生,不产生电离过程;⑵非弹性碰撞:可以产生电离过程;非弹性碰撞有能量的损失16.电离种类:热电离、电场作用下的电离、光电离;17.热电离:气体粒子受热的作用而产生的电离;热解离:电弧中气体分子受热作用时将首先大量解离成原子,继续受热作用而产生电离.热电离的实质:碰撞电离;18.电子发射:当电极表面接受一定的外加能量时,电极内部的电子可以冲破电极表面的束缚飞到电弧空间,这种现象叫做电子发射。
常用焊接符号表示法 1 范围 本标准规定了焊接符号的表示方法。
本标准适用于金属熔化焊及电阻焊。
2 规范性引用文件 GB/T 5185 金属焊接及钎焊方法在图样上的表示代号 GB/T 12212 技术制图焊缝符号的尺寸、比例及简化表示法 3 基本要求 3.1焊接符号应明确表示所要说明的焊缝,不应增加过多的注解。
焊缝的表示方法包括焊缝图示法和焊缝符号标注法。
一般应采用焊缝符号标注法,如果仅采用焊缝符号标注法无法表达清楚或采用图示法比标注法简单明了时,可采用图示法。
3.2焊缝符号由基本符号与指引线组成,必要时可以加上辅助符号、补充符号、焊缝尺寸符号。
图形符号的比例、尺寸和在图样上的表示方法按GB/T 12212的规定; GB/T 12212中常用的图示方法见附录C(规范性附录)。
3.3当专业标准规定焊缝尺寸、焊接工艺时,焊缝符号中应表示这些内容。
焊接方法在图样上标注时,按附录B(规范性附录)的规定。
要求焊后加工的,如铲平、磨平、切削加工等,应在技术要求中标明。
4 符号 4.1基本符号 基本符号是表示焊缝横截面形状的符号,见表1。
表1基本符号 序号 符号名称 示意图 焊缝符号 1卷边焊缝(卷边完全熔化) 注:不完全熔化的卷边焊缝用Ⅰ形焊缝符号表示,并加注焊缝有效厚度S,见表72 Ⅰ形焊缝 3 V形焊缝 4单边V形焊缝 表1(续)序号 符号名称 示意图 焊缝符号 5 带钝边V形焊缝 6 带钝边单边V形焊缝 7 带钝边U形焊缝 8 带钝边J形焊缝 9 封底焊缝 10 角焊缝 11 塞焊缝或槽焊缝 12 点焊缝 13 缝焊缝 4.2 辅助符号 4.2.1辅助符号是表示焊缝表面形状特征的符号,见表2。
表2 辅助符号 序号 符号名称 示意图 符号 说明 1 平面符号 焊缝表面平齐 2 凹面符号 焊缝表面凹陷 3 凸面符号 焊缝表面凸起 注:不需要确切地说明焊缝的表面形状时,可以不用辅助符号。
4.2.2辅助符号应用示例见表3。
点焊的焊接方法、工艺及常用金属材料的焊接条件点焊方法和工艺一、点焊方法:点焊通常分为双面点焊和单面点焊两大类。
双面点焊时,电极由工件的两侧向焊接处馈电。
典型的双面点焊方式如图11-5所示。
图中a是最常用的方式,这时工件的两侧均有电极压痕。
图中b表示用大焊接面积的导电板做下电极,这样可以消除或减轻下面工件的压痕。
常用于装饰性面板的点焊。
图中c为同时焊接两个或多个点焊的双面点焊,使用一个变压器而将各电极并联,这时,所有电流通路的阻抗必须基本相等,而且每一焊接部位的表面状态、材料厚度、电极压力都需相同,才能保证通过各个焊点的电流基本一致。
图中d为采用多个变压器的双面多点点焊,这样可以避免c的不足。
单面点焊时,电极由工件的同一侧向焊接处馈电,典型的单面点焊方式如图11-6所示,图中a为单面单点点焊,不形成焊点的电极采用大直径和大接触面以减小电流密度。
图中b 为无分流的单面双点点焊,此时焊接电流全部流经焊接区。
图中C有分流的单面双点点焊,流经上面工件的电流不经过焊接区,形成风流。
为了给焊接电流提供低电阻的通路,在工件下面垫有铜垫板。
图中d为当两焊点的间距l很大时,例如在进行骨架构件和复板的焊接时,为了避免不适当的加热引起复板翘曲和减小两电极间电阻,采用了特殊的铜桥A,与电极同时压紧在工件上。
在大量生产中,单面多点点焊获得广泛应用。
这时可采用由一个变压器供电,各对电极轮流压住工件的型式(图11-7a),也可采用各对电极均由单独的变压器供电,全部电极同时压住工件的型式(图11-7b).后一型式具有较多优点,应用也较广泛。
其优点有:各变压器可以安置得离所联电极最近,因而。
其功率及尺寸能显著减小;各个焊点的工艺参数可以单独调节;全部焊点可以同时焊接、生产率高;全部电极同时压住工件,可减少变形;多台变压器同时通电,能保证三相负荷平衡。
二、点焊工艺参数选择通常是根据工件的材料和厚度,参考该种材料的焊接条件表选取,首先确定电极的端面形状和尺寸。
焊接方法有哪些
焊接是一种常见的金属加工方法,通过将金属材料加热至熔点并连接在一起,来实现材料的连接和加工。
在工业生产和制造过程中,焊接方法有着广泛的应用。
下面将介绍几种常见的焊接方法。
首先,电弧焊是一种常见的焊接方法。
在电弧焊中,通过产生电弧来加热和熔化焊接材料,然后形成连接。
电弧焊可以分为手工电弧焊、气体保护电弧焊、手工氩弧焊等多种类型。
这种焊接方法操作简单,成本较低,适用于各种金属材料的连接。
其次,气体保护焊是一种常用的焊接方法。
在气体保护焊中,通过在焊接区域提供保护气体,来防止氧气和其他杂质对焊接熔池的污染,保证焊接质量。
常见的气体保护焊包括氩弧焊、氩气保护焊、氩气保护惰性气体焊等。
这种焊接方法适用于对焊接质量要求较高的材料,如不锈钢、铝合金等。
另外,激光焊是一种高精度的焊接方法。
激光焊利用高能激光束对焊接材料进行加热,实现材料的熔化和连接。
激光焊具有焊接速度快、热影响区小、变形小等优点,适用于对焊接精度要求高的材料,如精密零部件、微电子器件等。
最后,摩擦焊是一种新型的焊接方法。
在摩擦焊中,通过在焊接材料之间施加一定的压力和摩擦力,来产生热量并实现材料的连接。
摩擦焊不需要外部热源,具有节能环保、焊接速度快、焊接接头强度高等优点,适用于铝合金、钛合金等难焊材料的连接。
总的来说,焊接方法有很多种,每种方法都有其适用的材料和场合。
在实际的生产和制造过程中,选择合适的焊接方法对于保证焊接质量和提高生产效率都至关重要。
希望以上介绍的焊接方法能够为大家在实际应用中提供一定的参考和帮助。
焊接方法代号, 焊接方法代号代号焊接方法代号焊接方法代焊接方法号 1 电弧焊 181 碳弧焊 7 其他焊接方法 11 无气体保护的电弧焊 182 旋弧焊 71 铝热焊 111 焊条电弧焊(手弧焊) 2 电阻焊 72 电渣焊 112 重力焊 21 电阻点焊 76 电子束焊 113 光焊丝电弧焊 22 缝焊 77 储能焊 114 药芯焊丝电弧焊221 搭接缝焊 78 螺柱焊 115 涂层焊丝电弧焊 222 加带缝焊 781 螺柱电弧焊116 融化极电弧电焊 23 凸焊 782 螺柱电阻焊 118 躺焊 24 闪光对焊 9 硬纤焊、软纤焊 12 埋弧焊 25 电阻对焊 91 硬纤焊 121 丝极埋弧焊 29 其他电阻焊方法 912 火焰硬纤焊 122 带极埋弧焊 291 高频电阻焊 913 炉中硬纤焊 13 熔极气体保护电焊 3 气焊 914 浸沾硬纤焊 131 熔化极惰性气体保护焊 31 氧—燃气焊 915 盐浴硬纤焊 135 熔化极非惰性气体保护焊 311 氧—乙决焊 916 感应硬纤焊 136 非惰性气体保护药芯焊丝电弧312 氧—丙烷焊 917 超声波硬纤焊焊137 非惰性气体保护融化极电弧点313 氢—氧焊 918 电阻硬纤焊焊14 非熔化极气体保护电弧焊 32 空气—燃气焊 919 扩散硬纤焊 141 钨极惰性气体保护焊 321 空气—乙决焊 924 真空硬纤焊 142 钨极惰性气体保护点焊322 空气—丙烷焊 94 软纤焊 149 原子氢焊 33 氧—乙决喷焊(堆942 火焰软纤焊焊)15 等离子弧焊 4 压焊 943 炉中软纤焊 151 大电流等离子弧焊 41 超声波焊944 浸沾软纤焊 152 微束等离子弧焊 42 摩擦焊 945 盐浴软纤焊 153 等离子粉末堆焊 45 扩散焊 946 感应软纤焊 154 等离子填丝堆焊 47 气压焊 952 烙铁软纤焊 18 其他电弧焊方法 48 冷压焊焊接工艺方法代号2009-09-26 11:25焊接工艺方法序号焊接名词符号1 氧乙炔焊 OAW2 手工电弧焊 SMAW3 埋弧焊 SAW4 非熔化极气体保护焊 GTAW (即氩弧焊TIG)5 熔化极气体保护焊 GMAW (含半自动药芯焊丝保护焊FCAW)6 钨极惰性气体保护电弧焊 TIG7 熔化极惰性气体保护电弧焊 MIG(备注:熔化极气体保护电弧焊通常用的保护气体有氩气,氦气,二氧化碳气或这些的混合气体。
主要内容第一部分:焊工资质 (2)第二部分:焊接材料 (15)第三部分:焊接知识 (22)第四部分:焊接缺陷 (28)第五部分:焊接工艺评定 (34)依据特种设备焊接操作人员考核细则TSG Z6002-2010承压设备焊接工艺评定NB/T47014-2011压力容器焊接规程NBT47015-2011现场设备、工业管道焊接工程施工规范GB50236-2011石油化工有毒、可燃介质钢制管道工程施工及验收规范SH3501-2011 石油化工铬钼耐热钢焊接规程SH3520-2004石油化工铬镍不锈钢、铁镍合金和镍合金焊接规程SH3525-2009非合金钢及细晶粒钢焊条GB/T5117-2012热强钢焊条GB/T5118-2012不锈钢焊条GB/T983-2012焊接用不锈钢丝YB/T5092-2005承压设备用焊接材料订货技术条件NB/T47018-2011第一部分:焊工资质1.1、焊接哪些焊缝的焊工,应持有特种设备作业人员证?(焊工证)1.1.1、承压类设备的受压元件焊缝、与受压元件相焊的焊缝、受压元件母材表面堆焊;1.1.2、机电类设备的主要受力结构(部)件焊缝,与主要受力结构(部)件相焊的焊缝;1.1.3、融入前两项焊缝内的定位焊缝。
受压元件定义:承受压力载荷(包括内应力或外压)的容器零部件。
GBT26929-2011压力容器术语承压设备包括(锅炉、压力容器、压力管道)特种设备安全法、特种设备安全监察条例1.2、焊工资质主要因素1.2.1、焊接方法1.2.2、金属材料类别1.2.3、填充金属类别1.2.4、试件位置1.2.5、衬垫1.2.6、焊接工艺因素1.2.7、焊缝金属厚度1.2.8、管材外径1.3焊工资质覆盖规则1.3.1焊接方法:10种1.3.1.1变更焊接方法,焊工需重新考试1.3.1.2在同种焊接方法,手工焊焊工变更为焊机操作工,或反之需重新考试。
(二氧化碳手工焊与二氧化碳自动焊不能互相代替)1.3.1.3自动焊焊工变更为机动焊焊工。
电弧焊是利用电弧的热量加热并熔化金属进行焊接的。
一、焊接电弧的温电弧焊是利用电弧的热量加热并熔化金属进行焊接的。
二、手工电弧焊手工电弧焊是利用电弧产生的热量熔化被焊金属的一种手工操作焊接方式。
由于它所需的设备简单,操作灵活,对空间不同位置、不同接头形成的焊缝均能方便地进行焊接,因此,目前它仍被普遍利用。
手工电弧焊如图2-10所示。
三、埋弧自动焊埋弧自动焊接时,引燃电弧、送丝、电弧沿焊接方向移动及焊接扫尾等进程完全由机械来完成。
埋弧自动焊进程如图2-11所示。
工件边缘预备和装配质量要求较高、费工时;由于是埋弧操作,看不到熔池和焊缝形成进程,因此,必需严格操纵焊接标准。
四、氩弧焊程如图2-13(a)所示。
熔化极氩弧焊是利用金属焊丝作为电极,电弧产生在焊丝和工件之间,焊丝不断送进并熔化过渡到焊缝中去。
因此熔化极氩弧焊所用焊接电流可大大提高,适用于中、厚板的焊接,如化工容器筒体的焊接。
焊接进程可采纳自动或半自动方式,如图2-13(b)所示。
形式焊接接头形式可分为:对接接头、T形接头、角接接头和搭接接头。
一、对接接头形式如图2-14所示。
关于钢板厚度在6 mm以下的双面焊,因其手工焊的熔深可达4 mm,故能够不开坡口,如图2-14(a)所示。
关于厚度在6-40 mm 的钢板,可采纳如图2-14(b)所示的V形坡口,进行双面焊。
在无法进行双面焊时,也可采纳带垫板(厚度≥3mm)的单面焊。
由于垫板的存在,不易被烧穿。
图2-17示出不许诺的角接焊缝结构。
这些角焊缝应力散布不均,在焊缝的根部有较大的应力集中,在压力容器的受压件上是禁止采纳的。
图2-18示出搭接接头,接头不开坡口。
焊缝均属角焊缝。
依照焊缝所在位置,有端焊缝与侧焊缝之分。
表2-10为手工电弧焊和埋弧自动焊的焊缝坡口形式举例,供选历时参考。
表2-10 焊缝坡口形式和尺寸例如名称接头形式基本尺寸适用范围标注代号备注对接接头↓手工电弧焊δ2~34b0+11+1薄板拼接,筒体纵、环焊缝δ3~40α60°±5°b用于根部间隙较大且无法用机械方法加工坡口的容器环焊缝δ6~1012~26α45°±5°35°±5°b7+18+1P1±12-1筒体内无法焊接,但是允许衬垫板的焊缝注:一般不推荐使用垫板尺寸由施焊者自定δ16~60α55°±5°b2+1P2±1钢板拼接,筒体的纵焊缝δ30~9092~150β6°±2°4°±2°b1+1P2+1R6+1钢板拼接,筒体的纵焊缝δ30~60α65°±5°β10°±2°b2+1P2±1 H10+2厚壁筒体的环焊缝,多用于筒体内径DN<600mm 的单面焊接对接接头↓埋弧焊δ16~30α45°~70°b2+1P钢板拼接,筒体纵、环焊缝接管与壳体间焊接接头β=45°±5°b=1±H≥δ1K≥61.壁厚较小的常压容器2.非特殊操作工况(如无疲劳、无大的温度梯度、非低温及介质腐蚀性不大)3.一般用于δ1<1/2δs角接接头β=55°±5°b=P=2±1K=δsδs≥3δh=3~16主要用于DN<600mm且内部无法施焊的管子或筒体与平盖的连接本接头不推荐用于疲劳载荷的场合搭接接头b=0+2K=δd+bL≥4δsδs=3~16温度t=2~250℃主要用于大型立式储罐的壳体(包括底板、顶盖)等的连接本接头不得用于有较大温度梯度的工况T形接头β=55°±5°b=P=2±1δs=5~25δh≥4K1≥6用于薄管板与筒体的连接δh由计算确定换热器管板与壳体的焊接接头见图示用于S<10mm,使用压力p≤。
塑料粘接方法1、胶黏剂连接胶黏剂连接是指同质或异质物体表面用胶黏剂连接在一起的技术,其中胶黏剂是指通过界面的黏附和内聚等作用,能使两种或两种以上的制件或材料连接在一起的天然的或合成的、有机的或无机的一类物质,统称为胶黏剂,又叫黏合剂,习惯上简称为胶。
简而言之,胶黏剂就是通过黏合作用,能使被黏物结合在一起的物质。
2、溶剂连接是指溶剂溶解塑料表面使塑料表面间材料混合,当溶剂挥发后,就形成了接头。
3、紧固件连接紧固件连接是指应用紧固件来连接塑料件,其中有压入紧固件、自攻螺钉和螺栓连接等。
通常所指的压入紧固件是通过其杆上的某种凸起与塑料空形成干涉配合而连接塑料件的。
自攻螺钉是利用自攻的螺纹连接而不用再攻制螺纹孔。
4、铰链连接塑料铰链可分为单件集成铰链、两件集成铰链和多件组合铰链三种类型。
其中单件集成铰链是两个部件作为一个整体通过模塑成型得以实现,而不需要其他的附加部件。
两件集成铰链先通过模塑成型的方式分别加工两个单独的塑料件,最后通过组装连接。
多件组合铰链除加工两个单独的塑料件,还需要使用附加的零件,比如杆或金属等铰链部件。
它的优点是可重复开合、集成铰链通常设计在箱内或者靠近内部因而减小了零件的外形尺寸;缺点是模塑成型的模具精度要求高且模具一般较为复杂、需要丰富的开发经验进行活动铰链的合理设计。
5、嵌件模塑成型嵌件成型指在注塑件模具内装入预先准备的异材质嵌件后注入树脂,熔融的材料与嵌件接合固化,制成一体化产品的成型工法。
其中螺纹嵌件是在塑料件中产生螺纹的主要途径,这种方式能提供较自攻螺纹更好的连接强度。
嵌件品不尽限于金属,也有布、纸、电线、塑料、玻璃、木材、线圏类、电气零件等多种。
嵌件成型利用了树脂的绝缘性和金属的导电性的组合,制成的成型品能满足电气产品的基本机能。
模内镶件注塑成型装饰技术即IMD (In-Mold Decoration),IMD是目前国际风行的表面装饰技术。
主要用于家电产品的装饰及功能控制面板、汽车仪表盘、空调面板、手机外壳/镜片、洗衣机、冰箱等应用非常广泛。
1手弧焊手弧焊是各种电弧焊方法中发展最早、目前仍然应用最广的一种焊接方法。
它是以外部涂有涂料的焊条作电极和填充金属,电弧是在焊条的端部和被焊工件表面之间燃烧。
涂料在电弧热作用下一方面可以产生气体以保护电弧,另一方面可以产生熔渣覆盖在熔池表面,防止熔化金属与周围气体的相互作用。
熔渣的更重要作用是与熔化金属产生物理化学反应或添加合金元素,改善焊缝金属性能。
手弧焊设备简单、轻便,操作灵活。
可以应用于维修及装配中的短缝的焊接,特别是可以用于难以达到的部位的焊接。
手弧焊配用相应的焊条可适用于大多数工业用碳钢、不锈钢、铸铁、铜、铝、镍及其合金。
2钨极气体保护电弧焊这是一种不熔化极气体保护电弧焊,是利用钨极和工件之间的电弧使金属熔化而形成焊缝的。
焊接过程中钨极不熔化,只起电极的作用。
同时由焊炬的喷嘴送进氩气或氦气作保护。
还可根据需要另外添加金属。
(在国际上通称为TIG 焊)。
钨极气体保护电弧焊由于能很好地控制热输入,所以它是连接薄板金属和打底焊的一种极好方法。
这种方法几乎可以用于所有金属的连接,尤其适用于焊接铝、镁这些能形成难熔氧化物的金属以及象钛和锆这些活泼金属。
这种焊接方法的焊缝质量高,但与其它电弧焊相比,其焊接速度较慢。
3熔化极气体保护电弧焊这种焊接方法是利用连续送进的焊丝与工件之间燃烧的电弧作热源,由焊炬喷嘴喷出的气体保护电弧来进行焊接的。
熔化极气体保护电弧焊通常用的保护气体有:氩气、氦气、CO2气或这些气体的混合气。
以氩气或氦气为保护气时称为熔化极惰性气体保护电弧焊(在国际上简称为MIG焊)。
以惰性气体与氧化性气体(O2,CO2)混合气为保护气体时,或以CO2气体或CO2+O2混合气为保护气时,或以CO2气体或CO2+O2混合气为保护气时,统称为熔化极活性气体保护电弧焊(在国际上简称为MAG焊)。
熔化极气体保护电弧焊的主要优点是可以方便地进行各种位置的焊接,同时也具有焊接速度较快、熔敷率高等优点。
熔化极活性气体保护电弧焊可适用于大部分主要金属,包括碳钢、合金钢。
1、手弧焊手弧焊是各种电弧焊方法中发展最早、目前仍然应用最广的一种焊接方法。
它是以外部涂有涂料的焊条作电极和填充金属,电弧是在焊条的端部和被焊工件表面之间燃烧。
涂料在电弧热作用下一方面可以产生气体以保护电弧,另一方面可以产生熔渣覆盖在熔池表面,防止熔化金属与周围气体的相互作用。
熔渣的更重要作用是与熔化金属产生物理化学反应或添加合金元素,改善焊缝金属能。
手弧焊设备简单、轻便,*作灵活。
可以应用于维修及装配中的短缝的焊接,特别是可以用于难以达到的部位的焊接。
手弧焊配用相应的焊条可适用于大多数工业用碳钢、不锈钢、铸铁、铜、铝、镍及其合金。
2、钨极气体保护电弧焊;这是一种不熔化极气体保护电弧焊,是利用钨极和工件之间的电弧使金属熔化而形成焊缝的。
焊接过程中钨极不熔化,只起电极的作用。
同时由焊炬的喷嘴送进氩气或氦气作保护。
还可根据需要另外添加金属。
在国际上通称为TIG焊。
钨极气体保护电弧焊由于能很好地控制热输入,所以它是连接薄板金属和打底焊的一种极好方法。
这种方法几乎可以用于所有金属的连接,尤其适用于焊接铝、镁这些能形成难熔氧化物的金属以及象钛和锆这些活泼金属。
这种焊接方法的焊缝质量高,但与其它电弧焊相比,其焊接速度较慢。
3、熔化极气体保护电弧焊这种焊接方法是利用连续送进的焊丝与工件之间燃烧的电弧作热源,由焊炬喷嘴喷出的气体保护电弧来进行焊接的。
熔化极气体保护电弧焊通常用的保护气体有:氩气、氦气、CO2气或这些气体的混合气。
以氩气或氦气为保护气时称为熔化极惰*气体保护电弧焊(在国际上简称为MIG焊);以惰*气体与氧化*气体(O2,CO2)混合气为保护气体时,或以CO2气体或CO2+O2混合气为保护气时,或以CO2气体或CO2+O2混合气为保护气时,统称为熔化极活*气体保护电弧焊(在国际上简称为MAG焊)。
熔化极气体保护电弧焊的主要优点是可以方便地进行各种位置的焊接,同时也具有焊接速度较快、熔敷率高等优点。
熔化极活*气体保护电弧焊可适用于大部分主要金属,包括碳钢、合金钢。
熔化极惰*气体保护焊适用于不锈钢、铝、镁、铜、钛、锆及镍合金。
利用这种焊接方法还可以进行电弧点焊。
4、等离子弧焊等离子弧焊也是一种不熔化极电弧焊。
它是利用电极和工件之间地压缩电弧(叫转发转移电弧)实现焊接的。
所用的电极通常是钨极。
产生等离子弧的等离子气可用氩气、氮气、氦气或其中二者之混合气。
同时还通过喷嘴用惰*气体保护。
焊接时可以外加填充金属,也可以不加填充金属。
等离子弧焊焊接时,由于其电弧挺直、能量密度大、因而电弧穿透能力强。
等离子弧焊焊接时产生的小孔效应,对于一定厚度范围内的大多数金属可以进行不开坡口对接,并能保证熔透和焊缝均匀一致。
因此,等离子弧焊的生产率高、焊缝质量好。
但等离子弧焊设备(包括喷嘴)比较复杂,对焊接工艺参数的控制要求较高。
钨极气体保护电弧焊可焊接的绝大多数金属,均可采用等离子弧焊接。
与之相比,对于1mm以下的极薄的金属的焊接,用等离子弧焊可较易进行。
5、管状焊丝电弧焊管状焊丝电弧焊也是利用连续送进的焊丝与工件之间燃烧的电弧为热源来进行焊接的,可以认为是熔化极气体保护焊的一种类型。
所使用的焊丝是管状焊丝,管内装有各种组分的焊剂。
焊接时,外加保护气体,主要是CO2。
焊剂受热分解或熔化,起着造渣保护溶池、渗合金及稳弧等作用。
管状焊丝电弧焊除具有上述熔化极气体保护电弧焊的优点外,由于管内焊剂的作用,使之在冶金上更具优点。
管状焊丝电弧焊可以应用于大多数黑色金属各种接头的焊接。
管状焊丝电弧焊在一些工业先进国家已得到广泛应用。
“管状焊丝”即现在所说的“药芯焊丝”6、电阻焊这是以电阻热为能源的一类焊接方法,包括以熔渣电阻热为能源的电渣焊和以固体电阻热为能源的电阻焊。
由于电渣焊更具有独特的特点,故放在后面介绍。
这里主要介绍几种固体电阻热为能源的电阻焊,主要有点焊、缝焊、凸焊及对焊等。
电阻焊一般是使工件处在一定电极压力作用下并利用电流通过工件时所产生的电阻热将两工件之间的接触表面熔化而实现连接的焊接方法。
通常使用较大的电流。
为了防止在接触面上发生电弧并且为了锻压焊缝金属,焊接过程中始终要施加压力。
进行这一类电阻焊时,被焊工件的表面善对于获得稳定的焊接质量是头等重要的。
因此,焊前必须将电极与工件以及工件与工件间的接触表面进行清理。
点焊、缝焊和凸焊的牾在于焊接电流(单相)大(几千至几万安培),通电时间短(几周波至几秒),设备昂贵、复杂,生产率高,因此适于大批量生产。
主要用于焊接厚度小于3mm的薄板组件。
各类钢材、铝、镁等有色金属及其合金、不锈钢等均可焊接。
7、电子束焊电子束焊是以集中的高速电子束轰击工件表面时所产生的热能进行焊接的方法。
电子束焊接时,由电子枪产生电子束并加速。
常用的电子束焊有:高真空电子束焊、低真空电子束焊和非真空电子束焊。
前两种方法都是在真空室内进行。
焊接准备时间(主要是抽真空时间)较长,工件尺寸受真空室大小限制。
电子束焊与电弧焊相比,主要的特点是焊缝熔深大、熔宽小、焊缝金属纯度高。
它既可以用在很薄材料的精密焊接,又可以用在很厚的(最厚达300mm)构件焊接。
所有用其它焊接方法能进行熔化焊的金属及合金都可以用电子束焊接。
主要用于要求高质量的产品的焊接。
还能解决异种金属、易氧化金属及难熔金属的焊接。
但不适于大批量产品。
8、激光焊激光焊是利用大功率相干单色光子流聚焦而成的激光束为热源进行的焊接。
这种焊接方法通常有连续功率激光焊和脉冲功率激光焊。
激光焊优点是不需要在真空中进行,缺点则是穿透力不如电子束焊强。
激光焊时能进行精确的能量控制,因而可以实现精密微型器件的焊接。
它能应用于很多金属,特别是能解决一些难焊金属及异种金属的焊接。
9、钎焊钎焊的能源可以是化学反应热,也可以是间接热能。
它是利用熔点比被焊材料的熔点低的金属作钎料,经过加热使钎料熔化,*毛细管作用将钎料及入到接头接触面的间隙内,润湿被焊金属表面,使液相与固相之间互扩散而形成钎焊接头。
因此,钎焊是一种固相兼液相的焊接方法。
钎焊加热温度较低,母材不熔化,而且也不需施加压力。
但焊前必须采取一定的措施清除被焊工件表面的油污、灰尘、氧化膜等。
这是使工件润湿*好、确保接头质量的重要保证。
钎料的液相线湿度高于450℃而低于母材金属的熔点时,称为硬钎焊;低于450℃时,称为软钎焊。
根据热源或加热方法不同钎焊可分为:火焰钎焊、感应钎焊、炉中钎焊、浸沾钎焊、电阻钎焊等。
钎焊时由于加热温度比较低,故对工件材料的*能影响较小,焊件的应力变形也较小。
但钎焊接头的强度一般比较低,耐热能力较差。
钎焊可以用于焊接碳钢、不锈钢、高温合金、铝、铜等金属材料,还可以连接异种金属、金属与非金属。
适于焊接受载不大或常温下工作的接头,对于精密的、微型的以及复杂的多钎缝的焊件尤其适用。
10、电渣焊电渣焊是以熔渣的电阻热为能源的焊接方法。
焊接过程是在立焊位置、在由两工件端面与两侧水冷铜滑块形成的装配间隙内进行。
焊接时利用电流通过熔渣产生的电阻热将工件端部熔化。
根据焊接时所用的电极形状,电渣焊分为丝极电渣焊、板极电渣焊和熔嘴电渣焊。
电渣焊的优点是:可焊的工件厚度大(从30mm到大于1000mm),生产率高。
主要用于在断面对接接头及丁字接头的焊接。
电渣焊可用于各种钢结构的焊接,也可用于铸件的组焊。
电渣焊接头由于加热及冷却均较慢,热影响区宽、显微组织粗大、韧、因此焊接以后一般须进行正火处理。
11、高频焊高频焊是以固体电阻热为能源。
焊接时利用高频电流在工件内产生的电阻热使工件焊接区表层加热到熔化或接近的塑*状态,随即施加(或不施加)顶锻力而实现金属的结合。
因此它是一种固相电阻焊方法。
高频焊根据高频电流在工件中产生热的方式可分为接触高频焊和感应高频焊。
接触高频焊时,高频电流通过与工件机械接触而传入工件。
感应高频焊时,高频电流通过工件外部感应圈的耦合作用而在工件内产生感应电流。
高频焊是专业化较强的焊接方法,要根据产品配备专用设备。
生产率高,焊接速度可达30m/min。
主要用于制造管子时纵缝或螺旋缝的焊接。
12、气焊气焊是用气体火焰为热源的一种焊接方法。
应用最多的是以乙炔气作燃料的氧-乙炔火焰。
由于设备简单使*作方便,但气焊加热速度及生产率较低,热影响区较大,且容易引起较大的变形。
气焊可用于很多黑色金属、有色金属及合金的焊接。
一般适用于维修及单件“搴附印?13、气压焊气压焊和气焊一样,气压焊也是以气体火焰为热源。
焊接时将两对接的工件的端部加热到一定温度,后再施加足够的压力以获得牢固的接头。
是一种固相焊接。
气压焊时不加填充金属,常用于铁轨焊接和钢筋焊接。
14、爆炸焊爆炸焊也是以化学反应热为能源的另一种固相焊接方法。
但它是利用炸药爆炸所产生的能量来实现金属连接的。
在爆炸波作用下,两件金属在不到一秒的时间内即可被加速撞击形成金属的结合。
在各种焊接方法中,爆炸焊可以焊接的异种金属的组合的范围最广。
可以用爆炸焊将冶金上不相容的两种金属焊成为各种过渡接头。
爆炸焊多用于表面积相当大的平板包覆,是制造复合板的高效方法。
15、摩擦焊摩擦焊是以机械能为能源的固相焊接。
它是利用两表面间机械摩擦所产生的热来实现金属的连接的。
摩擦焊的热量集中在接合面处,因此热影响区窄。
两表面间须施加压力,多数情况是在加热终止时增大压力,使热态金属受顶锻而结合,一般结合面并不熔化。
摩擦焊生产率较高,原理上几乎所有能进行热锻的金属都能摩擦焊接。
摩擦焊还可以用于异种金属的焊接。
要适用于横断面为圆形的最大直径为100mm的工件。
16、超声波焊超声波焊也是一种以机械能为能源的固相焊接方法。
进行超声波焊时,焊接工件在较低的静压力下,由声极发出的高频振动能使接合面产生强裂摩擦并加热到焊接温度而形成结合。
超声波焊可以用于大多数金属材料之间的焊接,能实现金属、异种金属及金属与非金属间的焊接。
可适用于金属丝、箔或2~3mm以下的薄板金属接头的重复生产。
17、扩散焊扩散焊一般是以间接热能为能源的固相焊接方法。
通常是在真空或保护气氛下进行。
焊接时使两被焊工件的表面在高温和较大压力下接触并保温一定时间,以达到原子间距离,经过原子朴素相互扩散而结合。
焊前不仅需要清洗工件表面的氧化物等杂质,而且表面粗糙度要低于一定值才能保证焊接质量。
扩散焊对被焊材料的*能几乎不产生有害作用。
它可以焊接很多同种和异种金属以及一些非金属材料,如陶瓷等。
扩散焊可以焊接复杂的结构及厚度相差很大的工件。