安全阀计算书
- 格式:xls
- 大小:259.50 KB
- 文档页数:1
安全阀计算1.PSV-010 (E-DC-251)按《炼油装置工艺管线安装设计手册》(下册)有关公式计算。
注:原始数据由IFP提供1.泄放量取最大流量:G=90.6m3/h。
2.安全阀泄放压力(即安全阀定压)P0=3.7Mpa(G)=38kg/cm2(A)安全阀聚积压力P a=0.21 P0=0.21x38=7.89kg/cm2(A)最大排放量时进口压力P1P1= P0+ P a=45.98kg/cm2(A)安全阀背压P2= 1.01kg/cm2(A)3.计算喷嘴面积K=1.03查图9-3 K=1.03时ðX=0.6P X= P1X0.6=27.588 kg/cm2(A)P2 <P X 可按下列公式计算:A=G/(CKP1)*(ZT1/M)1/2式中:K=0.8 M=53.24 Z=0.0107 T1=4080k C=238 G=12778kg/h P1=45.98 代入公式计算得:A=0.4197cm2选A42Y-40型安全阀,d=8,DN=40,D出口=50。
2.PSV-011 (E-EA-254 shell side)按《炼油装置工艺管线安装设计手册》(下册)有关公式计算。
注:原始数据由IFP提供1.泄放量取最大流量:G=90.6m3/h。
2.安全阀泄放压力(即安全阀定压)P0=3.7Mpa(G)=38kg/cm2(A)安全阀聚积压力P a=0.1 P0=0.1x38=3.8kg/cm2(A)最大排放量时进口压力P1P1= P0+ P a=41.8kg/cm2(A)安全阀背压P2= 1.01kg/cm2(A)3.计算喷嘴面积K=1.03查图9-3 K=1.03时ðX=0.6P X= P1X0.6=25.08 kg/cm2(A)P2 <P X 可按下列公式计算:A=G/(CKP1)*(ZT1/M)1/2式中:K=0.8 M=53.24 Z=0.0107 T1=4080k C=238 G=12778kg/h P1=41.8 代入公式计算得:A=0.46cm2选A42Y-40型安全阀,d=8,DN=40,D出口=50。
安全阀计算书设备参数:蒸汽分汽缸DN273X8㎜,容积V=0.085m3,最高工作压力为1.4MPa,工作温度为105,进口管为φ108X6 。
计算过程如下:(1).确定气体的状态条件:设Po—安全阀出口侧压力(绝压)0.103MPa (近似为0.1MPa)则P d—安全阀泄放压力(绝压)为P d=1.1Ps+0.1 =1.1×1.1Pw+0.1=1.794MPa (GB150附录B4.2.1)当安全阀出口侧为大气时: Po/Pd=0.103/1.794=0.057而{2/(k+1)}k/(k-1)={2/(1.4+1)}1.4/(1.4-1)=0.55 (水蒸汽的绝热指数为k=1.3)∴Po/Pd<(2/(k+1))k/(k-1)是属于临界状态条件, 安全阀排放面积A按GB150式(B5)计算(B5)式中: C:气体特性系数,查表B1或C=520√k(2/(k+1)(k+1)/(k-1))得出:C=347K:安全阀额定泄放系数,K=0.9倍的泄放系数(泄放系数由制造厂提供,一般为0.75);或按《容规》附件五第二节有关规定中选取. 本计算书取:K=0.675M:气体摩尔质量,水蒸汽摩尔质量M=18.2Kg/kmolZ:气体压缩系数,水蒸汽Z=0.9216T:气体绝对温度,T=273+105=378k(2). 容器安全泄放量的计算:盛装压缩气体或水蒸汽的容器安全泄放量,按下列规定来确定a.对压缩机贮罐或水蒸汽的容器,分别取压缩机和水蒸汽发生器的最大产气量;b.气体储罐等的安全泄放量按GB150式(B1)计算Ws=2.83×10-3ρυd2㎏/h (B1)ρ:为排放压力下的气体密度㎏/m3.ρ=M/Vρ=M(分子量)×Pw’(排放绝对压力)×T标/P (V×T)空气分子量 M=18.2 标准状态理想气体摩尔体积 V=22.4排放绝对压力 Pw’=17.94㎏/㎝2大气绝对压力 P=1.03㎏/㎝2将M、Pw’、 T标、P、V、T代入上式得ρ=18.2×17.94×273/1.03×22.4×378=10.22㎏/m3υ:容器在工作压力下的进口管的气体流速m/s;根据HG/T20570.6-95中表2.0.1饱和水蒸汽管径DN :200~100mm时,υ:35~25m/s 所以本计算书取:υ=25m/sd:进气管内径, d=92mm将上述ρ、ν、d代入式(B1)得Ws=2.83×10-3×10.22×25×922 =6120㎏/h(3). 安全阀排放面积的计算:将上述Ws、C、K、P d、M、Z、T代入上式(B5)可计算出:A=873.3mm2根据设备工况选用全启式安全阀则:A=0.785d02=873.3mm2安全阀喉径为:d0=33.4㎜根据安全阀公称直径与喉径对照表表1 安全阀公称直径与喉径对照表∴选用公称直径DN80的全启式安全阀.。
1234511121314151617181920212223242526272829303132333435363738工位号台 数结构型式阀盖型式波纹管试验杆扳 手制造标准所需排量工作压力整定压力工作温度排放温度背 压超过压力压缩系数绝热指数启闭压差计算面积流道直径高 度W M Ps Zk As A Wr 特殊技术要求批 准校 对设 计kg/h MPa(G)oC%mm 2mmΔP 0PREPARED BY CHECKED BY APPROVED BY 工 艺 条 件一 般 事 项GENERALTag No.Quantity Design TypeBonnet Type BellowsTest GagLifting Lever PROCESS CONDITONS CodeRequired Cap.Oper. Pressure Set Pressure Oper. Temp.Reliev. Temp.Back Pressure Overpressure Compress. Factor Spe. Heat RatioBlowdown Calculated Area Throat DiameterApproach Height P b 39粘 度μViscosity(原中国航天科技集团公司第十一研究所(京))北京航天动力研究所678910密封面型式Seat Type 金属对金属 Metal to Metal保温夹套with Jacked 爆破片Rupture Disk 三通切换Crossover Valve介 质Fluid 摩尔质量Mol. Weight密 度Density Super. Const.附加恒定介质状态StateSuper. Min/Max 附加变动Built-Up排放背压Total总背压计 算 和 选 择CALCULATION AND SELECTION 选择面积Selected Area 面积代号Orifice Design.提供排量Relieving Cap.型 号Model No.切换阀型号冷态试验差压力CDTP ρ排放反力Reactive Force噪 音Noise Level 材 料MATERIALS连 接CONNECTION 404142阀体/阀盖Body/Bonnet 434445阀座/阀瓣Nozzle/Disk弹 簧Spring o C mm 2484950连接标准Connection Code 进 口Inlet 出 口Outlet附 件ACCESSORIES4647面心距Center to FaceE / P X 约 重Approach Weight H 51525354 2ASME VIII常规式 Conventional封闭式 Close无 No否 No 否 NoT 空气Gas 29.00kg/kmol 1.0010.9954-6060 2.700MPa(G) 2.97010.00MPa(G)MPa(G)/MPa(G)MPa(G) 0.000 2330.4kg/h 116.4 153.9E 3082.0HTO-03aCB14.0MPa(G)2.97010264N in open systemWCB 304+Ste.50CrVA 无(No)无 No 无 No ASME B16.5105.039.0 450 201″300lb RF 2″150lb RFmmmmmm kgC:气体特征系数 COEFFICIENT DETERMINED BY kPdr:额定排放压力 RATED RELIEVING PRESSURE Kb:背压修正系数 BACK PRESS. CORRECTION FACTOR T:排放温度 RELIEVING TEMPERATUREMPa (A)K Kdr:额定排量系数 RATED COEFFICIENT OF DISCHARGE 5557计算公式CALCULATION FORMULA3.36800.8373161.000Kc:爆破片修正系数 RUPTURE DISK CORRECTION FACTOR 1.00333.00Crossover Valve /115.0安装位置Location %提供入口配对法兰。
火力发电厂标准1.排放热源为过热蒸汽,安全阀的通流量为:G=0.0024μ1nF(p0/v0)0.52.排放热源为饱和蒸汽,安全阀的通流量为:G=0.0024μ1nF(p0/v0)0.53.设计压力为1MPa及以下的蒸汽管道或压力容器,可以按下式计算安全阀的通过能力或在给定通流量下确定安全阀的个数:G=0.00508μ2nF[(p0- p2) /v0]0.5以上三式中G-安全阀的通流量,t/h;p0-蒸汽在安全阀前的滞止绝对压力,MPa;v0-蒸汽在安全阀前的滞止绝对比容,m3/kg;p2-蒸汽在安全阀后的绝对压力,MPa;确定p2时,应考虑阀后管道及附件的阻力;n-并联装置的安全阀数量,个;μ1,μ2-安全阀的流量系数,应有试验确定或按厂家资料取值。
可取μ1=0.9;μ2=0.6;B-考虑蒸汽可压缩的修正系数,与绝热指数k,压力比p2/ p0,阻力等因数有关。
对于水,取B=1;对于蒸汽,可按C.8.1查取;F-每个安全阀通流面的最小断面积,其值应按厂家资料确定,对于全启式安全阀:F=πd2/4;对于微启式安全阀:F=πdh;其中d-安全阀最小通流截面直径mm;h=安全阀的阀杆升程mm。
动力管道设计手册安全阀的选择1.由工作压力决定安全阀的公称压力;2.由工作温度决定安全阀的温度适用范围;3.由开口压力选择安全阀弹簧;4.最后根据安全阀的排放量,计算安全喉部面积和直径,选取安全阀的公称通径及型号、个数;5.由介质种类决定安全阀的材质及结构。
微启式安全阀排放量小,出口通径等于一般等于进口通径,常用于液体介质。
全启式安全阀排放量大,D N≥40时,出口通径比进口通径大一级,多用于气体介质。
安全阀反力计算1.按照API RP 520 Par tⅡ(《安全阀的尺寸、选择和安装》Par tⅡ安装)F=W×{kT/[(k+1)M]}0.5÷27.8+(A0+p2)F-排放点的反力,N;W-气体流量,kg/h;k –绝热指数,K=C P、C V;C P-比定压热容;C V-比定容热容;M-流体的气体分子量;T-绝对温度(摄氏温度+273),°K;A0-排放点的出口面积,cm2;P2-排放点的静压力,kgf/ cm2;单原子k=1.67;双原子k=1.4;多原子k=1.3;。
2.0寸卫生级全启式安全计算书根据《实用阀门设计手册》(陆培文主编,机械工业出版社出版,2006年1月第1版)所列安全阀的通用计算项目如下(表5-39)及安全阀专用计算项目:通用及专用计算项目:1.阀体厚度计算2.阀盖厚度3.阀座密封面面上计算比压4.弹簧理论计算5.安全流道直径计算6.安全阀额定排量计算本阀门阀体材质采用316L,阀盖采用304,快装卡箍采用304,因阀门设计手册上没有相应的材质,故采用相近的1Cr18Ni9Ti材质进行验算。
一.阀体厚度计算(表5-168,第1014页)阀体厚度S’B=(P*Dn)/(2.3*[σL]-P)+C;其中:P为公称压力,安全阀设计公称压力:0.7Mpa,故P=0.7计算通径Dn=72.9mm许用应力[σL]查表3-3(第597),[σL]=92Mpa设计给定腐蚀余量C为0.5mm计算给果:S’B=0.846mm阀体最薄处设计厚度S B:1.65mmS’B< S B=1.65mm故阀体厚度设计合理。
二.阀盖厚度因本安全阀采用的是卡箍连接,其阀盖等同于快装盲板,依据DIN 32675-2009标准,对于快装接头使用工作压力之规定:Rohraußendurchmesser von 6,35 mm bis 42,4 mm: 2,5 MPa (25 bar);Rohraußendurchmesser von 48,3 mm bis 76,2 mm: 1,6 MPa (16 bar);Rohraußendurchmesser von 85,0 mm bis 219,1 mm: 1,0 MPa (10 bar).本安全阀连接采用85口径的快装卡盘(106),依据以上所引用标准要求,工作压力为1.0Mpa,故符合设计要求。
三.3.阀座密封面面上计算比压(表5-197,第1115页)介质压力为p时密封面上比压力:q1=D m(p S-p)/4b≥q MF因设计输入的整定压力p s=0.7Mpa,依据安全阀密封性能试验的相关规定《实用阀门设计手册》表10-40,安全阀的密封性能试验压力,为整定压力的90%,故:设备正常工作压力:p=0.63Mpa,关闭件密封面平均直径:DM=32.16mm(设计给定)关闭件密封面宽度:b=1.3mm (设计给定)M密封面必需压力: q MF=(0.4+0.6PN)/ 10/b(表3-13,662页)Mb=1.3mm(设计给定)MPN:取1.0Mpa计算结果:q=2.77MpaMF密封面比压力:q1= D m(p S-p)/4b =4.33 Mpa,验算结果:q1=4.33≥q MF =2.77, 故密封设计合格。
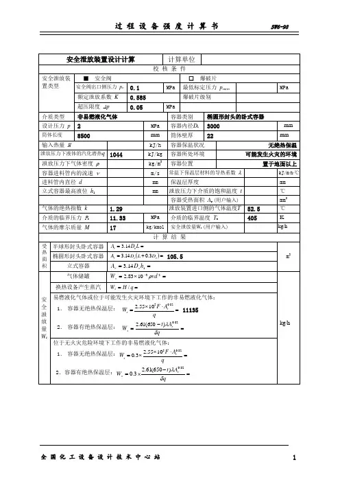
安全阀计算
设备名称:
图号:
安全阀计算
一、压力容器安全泄放量W S′的计算
W S′=2.83×10-3ρυd2㎏/h
=2.83×10-3×1.8×10×8002
=32601㎏/h
式中:W
′—压力容器安全泄放量,㎏/h;
S
d—压力容器进口管内径,㎜;
υ—压力容器进口管内流速,υ=10m/s;
ρ—泄放压力下的介质密度,ρ=1.8kg/m3
二、安全阀排放能力W S的计算
选用安全阀型号:A48Y-16DN300; 喉径d1=200㎜。
Ws= 5.25×KP d A kg/h
= 5.25×0.70×0.4×31400
=46157kg/h
式中: Ws—安全阀排放能力,kg/h;
P d—安全阀排放压力(绝压)P d=1.05×0.3+0.1MP a=0.4 MP a;
A—安全阀最小排放面积A=0.785d t2=0.785×2002=17671 mm2。
K —排放系数,近似取K=0.70
三、比较
W S=46157kg/h>W S′=32601㎏/h 故安全
安全阀计算参考资料
1、国家质量技术监督局:《固定式压力容器安全技术监察规程》
2、GB/T150-2011《压力容器》
3、《化工管路手册》化学工业出版社
4、《石油化工基础数据手册》。
§1.AHF储罐安全阀计算1.AHF储罐(V3101A~3101E)储罐安全阀考虑冷冻水被关闭时,安全阀起跳一、基本条件1.泄放物料:AHF汽相2.泄放量W:1150×15=17250kg/h AHF3.操作压力:0.4MPa(表压)4.操作温度:T=283.15K5.背压Pb=0.044MPa(绝压)6.30℃下,Cp=40355.3J/(kg·K),Cv=2383 J/(kg·K),Cp/Cv=16.93;HF绝热系数16.93,对应气体特性参数X=520(k×(2/k+1)k+1/K-1)1/2=622.677.摩尔分子量M=20.018.AHF临界参数Pc=6.485,Tc=461.15。
9.计算各物质对应的对比状态参数查图得:AHF的Z=0.14。
二、最小泄放面积计算1.安全阀开启压力P=0.44MPa(表压)2.泄放压力P=0.44+0.044+0.1=0.584MPa(绝压)3.临界流动压力Pcf=P×(2/(k+1))(k/(k-1))=0.584×(2/17.93)(16.93/(15.93))=0.0568MPa4.流量系数Co=0.65.背压修正系数kb=1.0(弹簧安全阀)6.Pb=0.044MPa<Pcf=0.0568MPa,所以该流动为临界流动7.最小泄放面积=13.16×17250×(283.15×0.14/20.01)1/2/(0.6×622.67×0.584×1)=1464.44mm28.取喉径面积1840mm29.取喉径面积1840mm2a=πd2/4 d=48.40三、选型结果选用波纹管式安全阀,喉径面积≥1840mm2,代号L,入口公称直径DN50。
§2. F125储罐安全阀计算1.F125储罐(V4401A~4401L)储罐安全阀考虑外部火灾情况时,安全阀起跳。
2.0寸卫生级全启式安全计算书根据《实用阀门设计手册》(陆培文主编,机械工业出版社出版,2006年1月第1版)所列安全阀的通用计算项目如下(表5-39)及安全阀专用计算项目:通用及专用计算项目:1.阀体厚度计算2.阀盖厚度3.阀座密封面面上计算比压4.弹簧理论计算5.安全流道直径计算6.安全阀额定排量计算本阀门阀体材质采用316L,阀盖采用304,快装卡箍采用304,因阀门设计手册上没有相应的材质,故采用相近的1Cr18Ni9Ti材质进行验算。
一.阀体厚度计算(表5-168,第1014页)阀体厚度S’B=(P*Dn)/(2.3*[σL]-P)+C;其中:P为公称压力,安全阀设计公称压力:0.7Mpa,故P=0.7计算通径Dn=72.9mm许用应力[σL]查表3-3(第597),[σL]=92Mpa设计给定腐蚀余量C为0.5mm计算给果:S’B=0.846mm阀体最薄处设计厚度S B:1.65mmS’B< S B=1.65mm故阀体厚度设计合理。
二.阀盖厚度因本安全阀采用的是卡箍连接,其阀盖等同于快装盲板,依据DIN 32675-2009标准,对于快装接头使用工作压力之规定:Rohraußendurchmesser von 6,35 mm bis 42,4 mm: 2,5 MPa (25 bar);Rohraußendurchmesser von 48,3 mm bis 76,2 mm: 1,6 MPa (16 bar);Rohraußendurchmesser von 85,0 mm bis 219,1 mm: 1,0 MPa (10 bar).本安全阀连接采用85口径的快装卡盘(106),依据以上所引用标准要求,工作压力为1.0Mpa,故符合设计要求。
三.3.阀座密封面面上计算比压(表5-197,第1115页)介质压力为p时密封面上比压力:q1=D m(p S-p)/4b≥q MF因设计输入的整定压力p s=0.7Mpa,依据安全阀密封性能试验的相关规定《实用阀门设计手册》表10-40,安全阀的密封性能试验压力,为整定压力的90%,故:设备正常工作压力:p=0.63Mpa,关闭件密封面平均直径:DM=32.16mm(设计给定)关闭件密封面宽度:=1.3mm (设计给定)bM密封面必需压力: q MF=(0.4+0.6PN)/ (表3-13,662页)b/10M=1.3mm(设计给定)bMPN:取1.0Mpa计算结果:=2.77MpaqMF密封面比压力:q1= D m(p S-p)/4b =4.33 Mpa,验算结果:q1=4.33≥q MF =2.77, 故密封设计合格。