DL/T5162-2002水电水利工程施工安全防护设施技术规范
- 格式:doc
- 大小:151.00 KB
- 文档页数:42
抽水蓄能电站建设强制性条文执行实施(细则研究)导则1.说明1.1为加强蓄能电站工程建设过程控制,强化质量责任,规范质量行为,严格执行强制性条文,保证工程质量及安全,根据法律、法规及相关规定,制定本导则。
1.2本导则适用于抽水蓄能电站工程建设的施工质量管理,各建设、施工、调试、监理、试验和检测等单位均应遵照执行。
1.3本导则所称强制性条文,包括国家现行有效的工程建设标准强制性条文(以下简称强制性条文),且适用于最新版本,应及时更新替代、补充新增内容。
2、涉及的规程规范2.1《水电水利工程施工地质规程》DL/T5109-19992.2《水利水电工程施工组织设计规范》SL303-20042.3《水工建筑物地下开挖工程施工技术规范》DL/T5099-19992.4《水电水利工程爆破施工技术规范》DL/T5135-20012.5《水电水利工程模板施工规范》DL/T5110-20002.6《水工建筑物滑动模板施工技术规范》SL32-19922.7《水工建筑物抗冲磨防空蚀混凝土技术规范》DL/T5207-20052.8《水工混凝土施工规范》DL/T5144-20012.9《碾压式土石坝施工规范》DL/T5129-20012.10《水工碾压混凝土施工规范》DL/T5112-20092.11《混凝土面板堆石坝施工规范》DL/T5128-20092.12《混凝土面板堆石坝接缝止水技术规范》DL/T5115-20082.13《水电水利工程混凝土防渗墙施工规范》DL/T5199-20042.14《水工建筑物水泥灌浆施工技术规范》DL/T5148-20012.15《水电水利工程锚喷支护施工规范》DL/T5181-20032.16《水电水利工程预应力锚索施工规范》DL/T5083-20102.17《水轮发电机组安装技术规范》GB/T8564-20032.18《水轮发电机组启动试验规程》DL/T507-20022.19《可逆式抽水蓄能机组起动试验规程》GB/T18482-20102.20《水电水利工程施工安全防护设施技术规范》DL/T5162-20022.21《水电站基本建设工程验收规程》DL/T5123-20002.22《水电水利工程钢闸门制造安装及验收规范》DL/T5018-20042.23《水电水利工程压力钢管制造安装及验收规范》DL5017-20072.24《水利水电工程启闭机制造、安装及验收规范》DL/T5019-19942.25《电气装置安装工程高压电器施工及验收规范》GB 50147-20102.26《电气装置安装工程电力变压器、油浸电抗器、互感器施工及验收规范》GB 50148-20102.27《电气装置安装工程母线装置施工及验收规范》GBJ149-19902.28《电气装置安装工程电缆线路施工及验收规范》GB50168-20062.29《电气装置安装工程接地装置施工及验收规范》GB50169-20062.30《电气装置安装工程旋转电机施工及验收规范》GB50170-20062.31《电气装置安装工程盘、柜及二次回路结线施工及验收规范》GB50171-1992 2.32《电气装置安装工程35kV及以下架空电力线路施工及验收规范》GB50173-19922.33《电气装置安装工程低压电器施工及验收规范》GB50254-19962.34《电气装置安装工程起重机电气装置施工及验收规范》GB50256-19962.35《电气装置安装工程爆炸和火灾危险环境电气装置施工及验收规范》GB50257-19962.36《电气装置安装工程电气设备交接试验标准》GB50150-20062.37《电力建设安全工作规程(变电所部分)》DL5009.3-19972.38《电力建设安全工作规程第2部分:架空电力线路》DL5009.2-20042.39《110~500kV架空送电线路施工及验收规范》GB50233-20053 强制性条文执行计划3.1工程项目开工前,施工单位应编制《抽水蓄能电站工程施工强制性条文执行计划表》,报监理单位审核后,建设单位批准执行,保证工程项目执行强制性条文的完整性。
文明施工措施费用管理办法(实用版)编制人:______审核人:______审批人:______编制单位:______编制时间:__年__月__日序言下载提示:该文档是本店铺精心编制而成的,希望大家下载后,能够帮助大家解决实际问题。
文档下载后可定制修改,请根据实际需要进行调整和使用,谢谢!并且,本店铺为大家提供各种类型的实用资料,如教学心得体会、工作心得体会、学生心得体会、综合心得体会、党员心得体会、培训心得体会、军警心得体会、观后感、作文大全、其他资料等等,想了解不同资料格式和写法,敬请关注!Download tips: This document is carefully compiled by this editor.I hope that after you download it, it can help you solve practical problems. The document can be customized and modified after downloading, please adjust and use it according to actual needs, thank you!And, this store provides various types of practical materials for everyone, such as teaching experience, work experience, student experience, comprehensive experience, party member experience, training experience, military and police experience, observation and feedback, essay collection, other materials, etc. If you want to learn about different data formats and writing methods, please pay attention!文明施工措施费用管理办法第1篇文明施工措施费用管理办法第一章总则第一条为规范四川硕曲河去学水电站工程(以下简称本工程)安全文明施工措施费用的使用、审核、支付等相关管理工作,确保工程安全文明施工投入落到实处,特制定本办法。
水电水利工程施工安全防护设施技术规范DL5162—2002前言本标准的全部技术内容为强制性。
本标准是根据原电力工业部综合管理司“关于下达1997年制定、修订电力行业标准计划项目的通知”(综科教[1998]28号)的计划安排编制的。
编制本标准的目的,是为加强我国水电水利工程施工行业安全文明生产,保障施工生产人员的安全和健康,保障企业财产安全,维护正常的施工生产秩序,为水电水利工程建设、设计、施工监理等单位在建设过程中科学地设置安全防护设施提供依据。
本标准的编制,总结了我国水电水利工程施工行业多年来在安全工作中行之有效的经验和施工现场多发事故与重大事故的教训,并对近期建设的安全文明生产设施较好的我国大中型水电工程项目的安全设施和作业现场,进行了深入的调查研究,经多次征求全国各水电工程局和有关单位的意见,通过初稿、征求意见稿、送审稿三个阶段的编写、讨论、修改与审定,完成了本标准的编制工作。
本标准由电力行业水电施工标准化技术委员会提出并归口。
本标准负责起草单位:中国水利水电工程总公司。
本标准参加起草单位:中国葛洲坝水利水电工程集团公司、中国水利水电第八工程局、三峡大学经济与管理学院、中国水利水电第一工程局、中国水利水电基础工程局。
本标准主要起草人:李福生、熊成辽、杜鸿镇、郑霞忠、郑根保、王景忠、贺永利。
本标准由电力行业水电施工标准化技术委员会负责解释。
目次前言1 范围2 引用标准3 总则4 基本规定5 施工风、水、电6 土石方工程7 基础处理8 砂石料生产9 混凝土工程10 工地运输11 金属结构制作与安装12 水轮发电机组安装与调试条文说明1 范围本标准规定了在水电水利建筑安装工程中设置安全防护设施的基本要求,适用于大中型水电水利建筑安装工程及其附属工程,其他水电水利建筑安装工程及其附属工程参照执行。
2 引用标准下列标准所包含的条文,通过在本标准中的引用而构成为本标准的条文。
本标准出版时,所示版本均为有效。
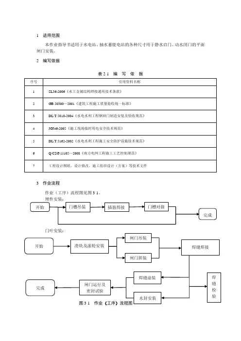
1 适用范围本作业指导书适用于水电站、抽水蓄能电站的各种尺寸用于静水启门、动水闭门的平面闸门安装。
2 编写依据表2-1 编 写 依 据序号 引用资料名称1 SL36-2006《水工金属结构焊接通用技术条款》2 GB 50300—2001《建筑工程施工质量验收统一标准》3 DL/T 5018-2004《水电水利工程钢闸门制造安装及验收规范》4 JGJ46-2005《施工现场临时用电安全技术规范》5 DL/T 5162-2002《水电水利工程施工安全防护设施技术规范》6 Q/CSG 11105—2008《南方电网工程施工工艺控制规范》 7工程设计图纸、设计修改、施工组织设计(方案)等技术文件3 作业流程作业(工序)流程图见图3-1。
埋件安装:门叶安装:图3-1 作业(工序)流程图开始滑块及滚轮安装闸门吊装焊缝焊接闸门拼装 焊缝涂装水封安装焊缝检验闸门运行及密封试验完成开始门槽吊装插筋焊接门槽对接完成4安全风险辨析及预控4..1平面钢闸门安装作业前,施工项目部根据该项目作业任务、施工条件,参照《电网建设施工安全基准风险指南》(下简称《指南》)开展针对性安全风险评估工作,形成该任务的风险分析表。
4.2 按《指南》中与闸门安装作业相关联的《电网建设安全施工作业票》结合现场实际情况进行差异化分析,确定风险等级,现场技术员填写安全施工作业票,安全员审核,施工负责人签发。
4.3 施工负责人核对风险控制措施,并在日站班会上对全体作业人员进行安全交底,接受交底的作业人员负责将安全措施落实到各作业任务和步骤中。
4.4 安全施工作业票由施工负责人现场持有,工作内容、地点不变时可连续使用10天,超过10天须重新办理作业票,在工作完成后上交项目部保存备查。
表4-1 作业任务安全基准风险指南序号危害名称风险种类风险等级风险控制措施1非专业人员及未按要求操作气割工具灼伤可接受的风险在闸门安装前由项目总工向作业人员进行技术交底明确要求,由专职操作人员负责作业过程中的监督检查落实2高空坠落坠落可接受的风险凡参加高空作业的工作人员,工作前必须进行身体健康状况检查,凡患有精神病、癫病、高血压、心脏病和其他不宜从事高空作业人员,均不允许从事高空作业。
2019年度水工保护施工方案一、编制依据1、《水利水电工程施工质量评定规程》SL176-20072、《水利水电建设工程验收规程》SL223-20083、《水电水利工程施工安全防护设施技术规范》DL 5162-20024、《水工混凝土施工规范》SDJ207-825、《水利水电工程施工组织设计规范》SL303-20046、《水利水电建筑安全技术规范》SD 267-19888、《水电水利工程模板施工规范》DL/T 5110-20009、《施工现场临时用电安全技术规范》JGJ46-200510、其他有关法律、法规、标准、规范、规程。
11、施工图纸12、现场勘查情况二、工程概况工程名称:2019年度水工保护工程地点: xxxxxx建设单位:xxxxxxxxxxxxx;施工单位:xxxxxxxxxxxxxxxx三、工程简介本工程为2019年度水工保护工程,工程施工地点为崇岗镇、110国道等地;主要施工内容为崇岗镇长青村3号泄洪沟工程、崇岗镇暖泉村泄洪沟工程.暖泉村昊王渠工程,110国道1204+600米处工程,110国道1207处+500米处工程对天然气长输线然后按照设计要求进行保护面埋石混凝土、钢筋混凝土,格宾等进行施工。
110国道1205处工程,110国道1205+600米处工程,110国道1207处工程,110国道1209+500米处工程,陈家沟泄洪沟工程采用浆砌石对燃气管道进行保护。
四、施工部署1、施工组织机构为了保证燃气管线防护工程(水毁)施工的顺利进行,我公司成立一个项目部,项目部成员负责水工保护各施工机组施工质量、安全、进度和协调工作。
本工程安排土方组、模板组、钢筋组及混凝土4个作业组进行施工。
2、岗位职责(1)副总经理职责①贯彻执行国家、行业和项目所在地有关工程质量、环境保护和职业健康法律法规、规范、规定,贯彻执行项目管理方针、目标。
是施工质量、安全、进度的第一责任人。
②负责组织该施工全过程的一切管理活动,并将各项管理职责分工落实到人。
洞口防护的相关标准规范要求《建筑施工高处作业安全技术规范》(JGJ 80)第三章临边与洞口作业的安全防护第3.2.1条进行洞口作业以及在因工程和工序需要而产生的,使人与物有坠落危险或危及人身安全的其他洞口进行高处作业时,必须按下列规定设置防护设施:一、板与墙的洞口,必须设置牢固的盖板、防护栏杆、安全网或其他防坠落的防护设施。
二、电梯井口必须设防护栏杆或固定栅门;电梯井内应每隔两层并最多隔10m设一道安全网。
三、钢管桩、钻孔桩等桩孔上口,杯形、条形基础上口,未填土的坑槽,以及人孔、天窗、地板门等处,均应按洞口防护设置稳固的盖件。
四、施工现场通道附近的各类洞口与坑槽等处,除设置防护设施与安全标志外,夜间还应设红灯示警。
第3.2.2条洞口根据具体情况采取设防护栏杆、加盖件、张挂安全网与装栅门等措施时,必须符合下列要求:一、楼板、屋面和平台等面上短边尺寸小于25cm但大于2.5cm的孔口,必须用坚实的盖板盖没。
盖板应能防止挪动移位。
二、楼板面等处边长为25~50cm的洞口、安装预制构件时的洞口以及缺件临时形成的洞口,可用竹、木等作盖板,盖住洞口。
盖板须能保持四周搁置均衡,并有固定其位置的措施。
三、边长为50~150cm的洞口,必须设置以扣件扣接钢管而成的网格,并在其上满铺竹笆或脚手板。
也可采用贯穿于混凝土板内的钢筋构成防护网,钢筋网格间距不得大于20cm。
四、边长在150cm以上的洞口,四周设防护栏杆,洞口下张设安全平网。
五、垃圾井道和烟道,应随楼层的砌筑或安装而消除洞口,或参照预留洞口作防护。
管道井施工时,除按上办理外,还应加设明显的标志。
如有临时性拆移,需经施工负责人核准,工作完毕后必须恢复防护设施。
六、位于车辆行驶道旁的洞口、深沟与管道坑、槽,所加盖板应能承受不小于当地额定卡车后轮有效承载力2倍的荷载。
七、墙面等处的竖向洞口,凡落地的洞口应加装开关式、工具式或固定式的防护门,门栅网格的间距不应大于15cm,也可采用防护栏杆,下设挡脚板(笆)。
铅丝石笼施工方案铅丝笼抛石施工方案一、编制依据:本方案依据《水利水电工程施工质量评定规程》SL176-2007、《水利水电建设工程验收规程》SL223-2008、《水电水利工程施工安全防护设施技术规范》DL 5162-2002、《水利水电工程施工组织设计规范》SL303-2004、《水利水电建筑安全技术规范》SD 267-1988、《水电水利工程模板施工规范》DL/T 5110-2000、《水工混凝土施工规范》DL/T5144-2001等相关法律、法规、标准、规范、规程编制。
二、施工应具备的条件1、施工现场场地平整,临时道路畅通,满足施工要求。
2、所有施工人员进行了三级安全教育。
3、块石、铅丝石笼等施工原材料充足。
4、施工机具、设备等满足施工需要。
三、施工方案1.主要材料1)铅丝石笼应符合国家标准,有产品合格证和产品性能说明书。
2)铅丝石笼填充石料应采用尺寸在150mm<D<300mm的卵石,级配不均匀系数≥5.3)铅丝石笼尺寸为厚度500mm,石笼尺寸为1000×1000×500.2.铅丝石笼的运输及储存1)铅丝石笼应贴有标签,标明制造厂名称、制造号(或组装号)、安装号、类型、尺寸及重量,并附有装卸和使用说明书。
2)铅丝石笼运输过程中和运抵工地后应妥善保存,并储存在不受损坏和方便取用的地方,尽量减少装卸次数。
3.铺设1)铺设面应清除树根、杂草和尖石,保证铺设砂砾石垫层面平整,不允许出现凸出及凹陷的部位,排除铺设工作范围内的所有积水。
2)铅丝石笼铺设前,应完成坡面的清理工作,按图纸要求施工。
3)铅丝石笼的铺设应根据堤高和材料受力方向、施工过程中的度汛要求以及尽量减少接缝的数量等因素确定,并符合施工图纸的要求,与周边填筑同步。
4)铺放设备时不得直接在铅丝石笼上行驶或作业,保证铺设时不损坏材料。
During the n process。
damaged wire mesh ns should be repaired in a timely manner。
水电水利工程施工安全防护设施技术规范前言本标准的全部技术内容为强制性。
本标准是根据原电力工业部综合管理司“关于下达1997年制定、修订电力行业标准计划项目的通知”(综科教[1998]28号)的计划安排编制的。
编制本标准的目的,是为加强我国水电水利工程施工行业安全文明生产,保障施工生产人员的安全和健康,保障企业财产安全,维护正常的施工生产秩序,为水电水利工程建设、设计、施工监理等单位在建设过程中科学地设置安全防护设施提供依据。
本标准的编制,总结了我国水电水利工程施工行业多年来在安全工作中行之有效的经验和施工现场多发事故与重大事故的教训,并对近期建设的安全文明生产设施较好的我国大中型水电工程项目的安全设施和作业现场,进行了深入的调查研究,经多次征求全国各水电工程局和有关单位的意见,通过初稿、征求意见稿、送审稿三个阶段的编写、讨论、修改与审定,完成了本标准的编制工作。
本标准由电力行业水电施工标准化技术委员会提出并归口。
本标准负责起草单位:中国水利水电工程总公司。
本标准参加起草单位:中国葛洲坝水利水电工程集团公司、中国水利水电第八工程局、三峡大学经济与管理学院、中国水利水电第一工程局、中国水利水电基础工程局。
本标准主要起草人:李福生、熊成辽、杜鸿镇、郑霞忠、郑根保、王景忠、贺永利。
本标准由电力行业水电施工标准化技术委员会负责解释。
1 范围本标准规定了在水电水利建筑安装工程中设置安全防护设施的基本要求,适用于大中型水电水利建筑安装工程及其附属工程,其他水电水利建筑安装工程及其附属工程参照执行。
2 引用标准下列标准所包含的条文,通过在本标准中的引用而构成为本标准的条文。
本标准出版时,所示版本均为有效。
所有标准都会被修订,使用本标准的各方应探讨使用下列标准最新版本的可能性。
GB 2893—2001 安全色GB 3787—1993 手持电动工具的管理、使用、检查和维修安全技术规程GB 3095—1996 环境空气质量标准GB 4053.1—1993 固定式钢直梯安全技术条件GB 4053.2—1993 固定式钢斜梯安全技术条件GB 4053.3—1993 固定式工业防护栏杆安全技术条件GB 4387—1994 工业企业厂内铁路、道路运输安全规程GB 6067—1985 起重机械安全规程GB 6722—1986 爆破安全规程GB 7059.1—1986 移动式木直梯安全标准GB 8196—1987 机械设备防护罩安全要求GB 8918—1996 钢丝绳GB 8978—1996 污水综合排放标准GB 10055—1996 施工升降机安全规则GB 12348—1990 工业企业厂界噪声标准GB 13329—1991 建筑卷扬机安全规程GB 50034—1992 工业企业照明设计标准GB 50156—1992 小型石油库及汽车加油站设计规范GBJ 16—1987 建筑设计防火规范DL/T 5037—1994 轴流式水轮机埋体安装工艺导则DL/T 5148—2001 水工建筑物水泥灌浆施工技术规范JGJ 33—1986 建筑机械使用安全技术规程JGJ 46—1988 施工现场临时用电安全技术规程JGJ 80—1991 建筑施工高处作业安全技术规程SD 267—1988 水利水电建筑安装安全技术工作规程SD 287—1988 水轮发电机定子现场装配工艺导则SDJ 5—1985 高压配电装置设计技术规定3 总则3.0.1 为在大中型水电水利建筑安装工程及其附属工程的建设中,防止安全事故与职业性危害的发生,实施安全生产,设置标准明确、技术可行、经济实用的安全防护设施,特制定本标准。
洞口防护的相关标准规范要求《建筑施工高处作业安全技术规范》(JGJ 80)第三章临边与洞口作业的安全防护第3.2.1条进行洞口作业以及在因工程和工序需要而产生的,使人与物有坠落危险或危及人身安全的其他洞口进行高处作业时,必须按下列规定设置防护设施:一、板与墙的洞口,必须设置牢固的盖板、防护栏杆、安全网或其他防坠落的防护设施。
二、电梯井口必须设防护栏杆或固定栅门;电梯井内应每隔两层并最多隔10m设一道安全网。
三、钢管桩、钻孔桩等桩孔上口,杯形、条形基础上口,未填土的坑槽,以及人孔、天窗、地板门等处,均应按洞口防护设置稳固的盖件。
四、施工现场通道附近的各类洞口与坑槽等处,除设置防护设施与安全标志外,夜间还应设红灯示警。
第3.2.2条洞口根据具体情况采取设防护栏杆、加盖件、张挂安全网与装栅门等措施时,必须符合下列要求:一、楼板、屋面和平台等面上短边尺寸小于25cm但大于2.5cm的孔口,必须用坚实的盖板盖没。
盖板应能防止挪动移位。
二、楼板面等处边长为25~50cm的洞口、安装预制构件时的洞口以及缺件临时形成的洞口,可用竹、木等作盖板,盖住洞口。
盖板须能保持四周搁置均衡,并有固定其位置的措施。
三、边长为50~150cm的洞口,必须设置以扣件扣接钢管而成的网格,并在其上满铺竹笆或脚手板。
也可采用贯穿于混凝土板内的钢筋构成防护网,钢筋网格间距不得大于20cm。
四、边长在150cm以上的洞口,四周设防护栏杆,洞口下张设安全平网。
五、垃圾井道和烟道,应随楼层的砌筑或安装而消除洞口,或参照预留洞口作防护。
管道井施工时,除按上办理外,还应加设明显的标志。
如有临时性拆移,需经施工负责人核准,工作完毕后必须恢复防护设施。
六、位于车辆行驶道旁的洞口、深沟与管道坑、槽,所加盖板应能承受不小于当地额定卡车后轮有效承载力2倍的荷载。
七、墙面等处的竖向洞口,凡落地的洞口应加装开关式、工具式或固定式的防护门,门栅网格的间距不应大于15cm,也可采用防护栏杆,下设挡脚板(笆)。
洞口防护的相关标准规范要求《建筑施工高处作业安全技术规范》(JGJ 80)第三章临边与洞口作业的安全防护第3.2.1条进行洞口作业以及在因工程和工序需要而产生的,使人与物有坠落危险或危及人身安全的其他洞口进行高处作业时,必须按下列规定设置防护设施:一、板与墙的洞口,必须设置牢固的盖板、防护栏杆、安全网或其他防坠落的防护设施。
二、电梯井口必须设防护栏杆或固定栅门;电梯井内应每隔两层并最多隔10m设一道安全网。
三、钢管桩、钻孔桩等桩孔上口,杯形、条形基础上口,未填土的坑槽,以及人孔、天窗、地板门等处,均应按洞口防护设置稳固的盖件。
四、施工现场通道附近的各类洞口与坑槽等处,除设置防护设施与安全标志外,夜间还应设红灯示警。
第3.2.2条洞口根据具体情况采取设防护栏杆、加盖件、张挂安全网与装栅门等措施时,必须符合下列要求:一、楼板、屋面和平台等面上短边尺寸小于25cm但大于2.5cm的孔口,必须用坚实的盖板盖没。
盖板应能防止挪动移位。
二、楼板面等处边长为25~50cm的洞口、安装预制构件时的洞口以及缺件临时形成的洞口,可用竹、木等作盖板,盖住洞口。
盖板须能保持四周搁置均衡,并有固定其位置的措施。
三、边长为50~150cm的洞口,必须设置以扣件扣接钢管而成的网格,并在其上满铺竹笆或脚手板。
也可采用贯穿于混凝土板内的钢筋构成防护网,钢筋网格间距不得大于20cm。
四、边长在150cm以上的洞口,四周设防护栏杆,洞口下张设安全平网。
五、垃圾井道和烟道,应随楼层的砌筑或安装而消除洞口,或参照预留洞口作防护。
管道井施工时,除按上办理外,还应加设明显的标志。
如有临时性拆移,需经施工负责人核准,工作完毕后必须恢复防护设施。
六、位于车辆行驶道旁的洞口、深沟与管道坑、槽,所加盖板应能承受不小于当地额定卡车后轮有效承载力2倍的荷载。
七、墙面等处的竖向洞口,凡落地的洞口应加装开关式、工具式或固定式的防护门,门栅网格的间距不应大于15cm,也可采用防护栏杆,下设挡脚板(笆)。
水利水电工程标准精选(最新)G3408.1《GB/T 3408.1-2008 大坝监测仪器应变计第1 部分: 差动电阻式应变计》G3408.2《GB/T 3408.2-2008 大坝监测仪器应变计第2 部分: 振弦式应变计》G3409.1《GB/T 3409.1-2008 大坝监测仪器钢筋计第1 部分: 差动电阻式钢筋计》G3410.1《GB/T 3410.1-2008 大坝监测仪器测缝计第1部分: 差动电阻式测缝计》G3410.2《GB/T 3410.2-2008 大坝监测仪器测缝计第2部分: 振弦式测缝计》G3411.1《GB/T 3411.1-2009 大坝监测仪器孔隙水压力计第1 部分:振弦式孔隙水压力计》G3412.1《GB/T 3412.1-2009 大坝监测仪器检测仪第1 部分:振弦式仪器检测仪》G3413《GB/T 3413-2008 大坝监测仪器埋入式铜电阻温度计》G10597《GB/T 10597-2011 卷扬式启闭机》G11828.1《GB/T11828.1-2002 水位测量仪器: 浮子式水位计》G11828.2《GB/T11828.2-2005 水位测量仪器: 压力式水位计》G11828.3《GB/T 11828.3-水位测量仪器第3 部分:地下水位计》2012G11828.4《GB/T 11828.4-水位测量仪器第4 部分:超声波水位计》2011G11828.5《GB/T 11828.5-水位测量仪器第5 部分:电子水尺》2011G11828.6《GB/T 11828.6-水位测量仪器遥测水位计》2008G11826《GB/T 11826-2002 转子式流速仪》G14173《GB/T 14173-2008 水利水电工程钢闸门制造、安装及验收规范》 G14627《GB/T 14627-2011 液压式启闭机》G15659《GB/T 15659-2014 水电新农村电气化验收规程》G15772《GB/T 15772-2008 水土保持综合治理 规划通则》G15773《GB/T 15773-2008 水土保持综合治理 验收规范》G15774《GB/T 15774-2008 水土保持综合治理 效益计算方法》G21031《GB/T 21031-2007 节水灌溉设备现场验收规程》G21075《GB 21075-2007 水库诱发地震危险性评价》G21303《GB/T 21303-2007 灌溉渠道系统量水规范》G21440.1《GB/T 21440.1-2008 大坝监测仪器 沉降仪 第 1部分:水管式沉降仪》 G21440.2《 GB/T 21440.2-2008 大坝监测仪器 沉降仪 G21440.3《 GB/T 21440.3-2008 大坝监测仪器 沉降仪 G22385《GB/T 22385-2008 大坝安全监测系统验收规范》G16453.1《 GB/T 16453.1-2008 G16453.2《 GB/T 16453.2-2008 G16453.3《 GB/T 16453.3-2008 G16453.4《 GB/T 16453.4-2008 G16453.5《 GB/T 16453.5-2008 G16453.6《 GB/T 16453.6-2008 水土保持综合治理 技术规范 坡耕地治理技术》 水土保持综合治理 技术规范 荒地治理技术》 水土保持综合治理 技术规范 沟壑治理技术》 水土保持综合治理 技术规范 小型蓄排引水工程》 水土保持综合治理 技术规范 风沙治理技术》水土保持综合治理 技术规范 崩岗治理技术》第 2 部分: 电磁式沉降仪》 第 3 部分: 液压式沉降仪》G22482《GB/T 22482-2008 水文情报预报规范》G22490《GB/T 22490-2008 开发建设项目水土保持设施验收技术规程》G23598《GB/T 23598-2009 水资源公报编制规程》G23872.1《GB/T 23872.1-2009 岩土工程仪器土压力计第1 部分:振弦式土压力计》G25173《GB/T 25173-2010 水域纳污能力计算规程》G27991《GB/T 27991-2011 河流泥沙测验及颗粒分析仪器基本技术条件》G27992.1《GB/T 27992.1-2011 水深测量仪器第1 部分:水文测杆》G27993《GB/T 27993-2011 水位测量仪器通用技术条件》G28418《GB/T 28418-2012 土壤水分(墒情)监测仪器基本技术条件》G28714《GB/T 28714-2012 取水计量技术导则》G29404《GB/T 29404-2012 灌溉用水定额编制导则》G30949《GB/T 30949-2014 节水灌溉项目后评价规范》G31077《GB/T 31077-2014 水库地震监测技术要求》G50085《GB/T 50085-2007 喷灌工程技术规范》G50138《GB/T 50138-2010 水位观测标准》G50181《GB50181-1993 蓄滞洪区建筑工程技术规范》G50199《GB 50199-2013 水利水电工程结构可靠性设计统一标准》G50286《GB 50286-2013 堤防工程设计规范》G50485《GB/T 50485-2009 微灌工程技术规范》G50501《GB 50501-2007 水利水电工程量清单计价规范》G50587《GB/T 50587-2010 水库调度设计规范》G50599《GB 50599-2010 灌区改造技术规范》G50600《GB/T 50600-2010 渠道防渗工程技术规范》G50649《GB/T 50649-2011 水利水电工程节能设计规范》G50706《GB 50706-2011 水利水电工程劳动安全与工业卫生设计规范》G50766《GB 50766-2012 水电水利工程压力钢管制作安装及验收规范》G50927《GB/T 50927-2013 大中型水电工程建设风险管理规范》G51018《GB 51018-2014 水土保持工程设计规范》G51033《GB/T 51033-2014 水利泵站施工及验收规范》SL13《SL 13-2004 灌溉试验规范》SL15《SL 15-2011 水利水电专用混凝土泵技术条件》SL16《SL 16-2010 小水电建设项目经济评价规程》SL17《SL 17-2014 疏浚与吹填工程技术规范》SL18《SL 18-2004 渠道防渗工程技术规范》SL19《SL 19-2008 水利基本建设项目竣工财务决算编制规程》SL23《SL23-2006 渠系工程抗冻胀设计规范》SL27《SL 27-2014 水闸施工规范》SL25《SL 25-2006 砌石坝设计规范》SL31《SL 31-2003 水利水电工程钻孔压水试验规程》SL35《SL 35-2011 水工金属结构焊工考试规则》SL41《SL 41-2011 水利水电工程启闭机设计规范》SL44《SL 44-2006 水利水电工程设计洪水计算规范》SL47《SL 47-1994 水工建筑物岩石基础开挖工程施工技术规范(附条文说明)》SL52《SL 52-2015 水利水电工程施工测量规范》SJ56《SL 56-2005 农村水利技术术语》SL57《SL/T 57-1993 平面链轮闸门技术条件》SL58《SL 58-2014 水文测量规范》SL73.7《SL 73.7-2003 防汛抗旱用图图式》SL75《SL 75-2014 水闸技术管理规程》SL77《SL 77-1994 小型水力发电站水文计算规范》SL101《SL 101-2014 水工钢闸门和启闭机安全检测技术规程》SL104《SL 104-1995 水利工程水利计算规范》SL105《SL/T 105-2007 水工金属结构防腐蚀规范》SL110《SL 110-2014 切土环刀校验方法》SL113《SL 113-2014 光电式液塑限测定仪校验方法》SL114《SL 114-2014 固结仪校验方法》SL115《SL 115-2014 渗透仪校验方法》SL117《SL 117-2014 应变控制式无侧限压缩仪校验方法》SL118《SL 118-2014 应变控制式三轴仪校验方法》SL120《SL 120-2012 岩石声波参数测试仪校验方法》SL126《SL 126-2011 砂石料试验筛检验方法》SL138《SL 138-2011 水工混凝土标准养护室检验方法》SL155《SL 155-2012 水工(常规)模型试验规程》SL159《SL 159-2012 阀门水力模型试验规程》SL166《SL 166-2010 水利水电工程坑探规程》SL168《SL 168-2012 小型水电站建设工程验收规程》SL172《SL 172-1996 小型水电站施工技术规范》SL173《SL 173-1996 小水电网电能损耗计算导则》SL174《SL 174-1996 水利水电工程混凝土防渗墙施工技术规范》SL176《SL 176-2007 水利水电工程施工质量检验与评定规程》SL190《SL/T 190-2007 土壤侵蚀分类分级标准》SL197《SL 197-2013 水利水电工程测量规范》SL200《SL/T 200-1997 水利系统政务信息编码规则与代码(一)》SL210《SL 210-2015 土石坝养护修理规程》SL211《SL 211-2006 水工建筑物抗冰冻设计规范》SL212《SL 212-1998 水工预应力锚固设计规范》SL214《SL 214-2015 水闸安全评价导则》SL221《SL 221-1998 中小河流水能开发规划导则》SL223《SL 223-2008 水利水电建设工程验收规程》SL225《SL/T 225-1998 水利水电工程土工合成材料应用技术规范》SL228《SL 228-2013 混凝土面板堆石坝设计规范》SL230《SL 230-2015 混凝土坝养护修理规程》SL235《SL/T 235-2012 土工合成材料测试规程》SL239《SL 239-1999 堤防工程施工质量评定与验收规程(试行)》SL245《SL 245-2013 水利水电工程地质观测规程》SL248《SL/T 248-1999 水工钢闸门系列标准-- 充水阀》SL251《SL 251-2015 水利水电工程天然建筑材料勘察规程》SL260《SL/T 260-2014 堤防工程施工技术规范》SL264《SL 264-2001 水利水电工程岩石试验规程》SL267《SL 267-2001 雨水集蓄利用工程技术规范》SL274《SL 274-2001 碾压式土石坝设计规范》核子水分-密度仪现场测试规程》SL275《SL 275-2001SL278《SL 278-2002 水利水电工程水文计算规范》SL279《SL/T279-2002 水工隧洞设计规范》SL280《SL 280-2003 卷管牵引绞盘式喷灌机使用技术规范》SL285《SL 285-2003 水利水电工程进水口设计规范》SL288《SL 288-2003 水利工程建设项目施工监理规范》SL289《SL 289-2003 水土保持治沟骨干工程技术规范》SL290《SL 290-2003 水利水电工程建设征地移民设计规范》SL291《SL 291-2003 水利水电工程钻探规程》SL292《SL 292-2004 水利系统通信业务导则》SL294《SL 294-2003 农村水电站开发规划选点导则》SL295《SL 295-2004 滚移式喷灌机使用技术规范》SL298《SL 298-2004 防汛物资储备定额编制规程》SL299《SL 299-2004 水土保持治沟骨干工程技术规范》SL301.1《SL 301.1-1993 水利行业岗位规范领导干部岗位》SL301.2《SL 301.2-1993 水利行业岗位规范水利(水电)建设岗位》SL301.3《SL 301.3-1993 水利行业岗位规范水(火)电(地方电力)岗位》SL301.5《SL 301.5-1993 水利行业岗位规范水利工程管理岗位》SL301.6《SL 301.6-1993 水利行业岗位规范水文岗位》SL301.7《SL 301.7-1993 水利行业岗位规范科研、设计岗位》SL302《SL 302-2004 水坠坝技术规范》SL303《SL 303-2004 水利水电工程施工组织设计规范》SL305《SL 305-2004 水利系统无线电技术管理规范》SL309《SL 309-2013 水利质量检测机构计量认证评审准则》SL312《SL 312-2005 水土保持工程运行技术管理规程》SL313《SL 313-2004 水利水电工程施工地质勘察规程》SL314《SL 314-2004 碾压混凝土坝设计规范》SL315《SL 315-2005 农村水电站工程环境影响评价规程》SL316《SL 316-2015 泵站安全鉴定规程》SL317《SL 317-2004 泵站安装及验收规范》SL318《SL/Z 318-2005 水利血防技术导则(试行)》SL319《SL 319-2005 混凝土重力坝设计规范》SL320《SL 320-2005 水利水电工程钻孔抽水试验规程》SL326《SL 326-2005 水利水电工程物探规程》SL328《SL 328-2005 水电工程水利设计工作量计算定额》SL333《SL 333-2005 水利立法技术规范》SL341《SL 341-2006 水土保持信息管理技术规程》SL344《SL 344-2006 水利水电工程电缆设计规范》水利水电工程注水试验规程》SL345《SL 345-2007SL346《SL 346-2006 水利信息系统项目建议书编制规定》SL356《SL 356-2006 小型水电站建设项目建议书编制规程》SL357《SL 357-2006 农村水电站可行性研究报告编制规程》SL358《SL 358-2006 农村水电站施工环境保护导则》SL359《SL 359-2006 水利水电工程环境保护概估算编制规程》SL360《SL 360-2006 地下水监测站建设技术规范》SL361《SL 361-2006 大坝观测仪器位移计》SL362《SL 362-2006 大坝观测仪器测斜仪》SL363《SL 363-2006 大坝观测仪器锚杆测力计》SL365《SL 365-2007 水资源水量监测技术导则》SL370《SL 370-2006 土工试验仪器环刀》SL371《SL 37l-2006 农田水利示范园区建设标准》SL373《SL 373-2007 水利水电工程水文地质勘察规范》SL376《SL/Z 376-2007 水利信息化常用术语》SL377《SL 377-2007 水利水电工程锚喷支护技术规范》SL378《SL 378-2007 水工建筑物地下开挖工程施工规范》SL379《SL 379-2007 水工挡土墙设计规范》SL381《SL 381-2007 水利水电工程启闭机制造安装及验收规范》水利水电工程清污机型式基本参数技术条件》SL382《SL 382-2007SL386《SL 386-2007 水利水电工程边坡设计规范》SL387《SL 387-2007 开发建设项目水土保持设施验收技术规程》SL396《SL 396-2011 水利水电工程水质分析规程》 水利水电工程施工通用安全技术规程》 水利水电工程土建施工安全技术规程》 水利水电工程金属结构与机电设备安装安全技术规程》 水利水电工程施工作业人员安全操作规程》 水利工程压力钢管制造安装及验收规范》 堤防隐患探测规程》 水利水电工程二次接线设计规范》 水利系统通信工程验收规程》 地下水资源勘察规范》 水利水电工程继电保护设计规范》 水利水电工程电气测量设计规范》 水利工程设备制造监理规范》 水利水电工程施工机械设备选择设计导则》 水利水电工程厂(站)用电系统设计规范》 水工建筑物强震动安全监测技术规范》 水利水电工程施工总布置设计规范》 水利建设项目后评价报告编制规程》SL490《SL 490-2010 水利水电工程采暖通风与空气调节设计规范》 SL491《SL 491-2010 螺杆式启闭机系列参数》SL492《SL 492-2011 水利水电工程环境保护设计规范》SL498《SL 498-2010 锥形阀参数、型式与技术条件》SL499《SL 499-2010 钻孔应变法则量残余应力的标准测试方法》SL501《SL 501-2010 土石坝沥青混凝土面板和心墙设计规范》SL507《SL 507-2010 卷扬式启闭机系列参数》SL508《SL 508-2010 液压式启闭机系列参数》SL510《SL 510-2011 灌排泵站机电设备报废标准》SL511《SL 511-2011 水利水电工程机电设计技术规范》SL512《SL 512-2011 水利水电工程混凝土预冷系统设计规范》SL514《SL 514-2013 水工沥青混凝土施工规范》SL535《SL 535-2011 水利水电工程施工压缩空气及供水供电系统设计规范》 SL539《SL 539-2011 水工建筑物抗震试验规范》 SL541《SL 541-2011 水利水电建设用混凝土搅拌机》SL544《SL 544-2011 水利工程设备制造监理技术导则》SL398《SL 398-2007 SL399《SL 399-2007 SL400《SL 400-2007SL401《SL 401-2007 SL432《SL 432-2008 SL436《SL 436-2008 SL438《SL 438-2008 SL439《SL 439-2009 SL454《SL 454-2010 SL455《SL 455-2010 SL456《SL 456-2010 SL472《SL 472-2010 SL484《SL 484-2010 SL485《SL 485-2010 SL486《SL 486-2011 SL487《SL 487-2010SL489《SL 489-2010SL545《SL 545-2011 铸铁闸门技术条件》SL548《SL 548-2012 泵站现场测试与安全检测规程》SL551《SL 551-2012 土石坝安全检测技术规范》SL554《SL 554-2011 橡胶坝坝袋》SL557《SL 557-2012 利基本建设项目竣工决算审计规程》SL564《SL 564-2014 土坝灌浆技术规范》SL565《SL 565-2012 水工金属结构残余应力测试方法-- 磁弹法》SL575《SL 575-2012 水利水电工程水土保持技术规程》SL576《SL 576-2012 水工金属结构铸锻件通用技术条件》SL578《SL 578-2012 湿磨细水泥浆材试验及应用技术规程》SL579《SL 579-2012 洪涝灾情评估标准》SL580《SL580-2012 水工金属结构三维坐标测量技术规程》SL581《SL 581-2012 水工金属结构T 形接头角焊缝和组合焊缝超声检测方法和质量分级》SL582《SL 582-2012 水工金属结构制造安装质量检验通则》SL584《SL 584-2012 潜水泵站技术规范》SL585《SL 585-2012 水利水电工程三相交流系统短路电流计算导则》SL587《SL 587-2012 水利水电工程接地设计规范》SL592《SL 592-2012 水土保持遥感监测技术规范》SL599《SL 599-2013 衬砌与防渗渠道工程技术管理规程》SL601《SL 601-2013 混凝土坝安全监测技术规范》水文缆道设计规范》SL622《SL 622-2014SL631《SL 631-2012 水利水电工程单元工程施工质量验收评定标准- 土石方工程》SL632《SL 632-2012 水利水电工程单元工程施工质量验收评定标准- 混凝土工程》SL633《SL 633-2012 水利水电工程单元工程施工质量验收评定标准- 地基处理与基础工程》SL634《SL 634-2012 水利水电工程单元工程施工质量验收评定标准- 堤防工程》SL635《SL 635-2012 水利水电工程单元工程施工质量验收评定标准- 水工金属结构安装工程》SL636《SL 636-2012 水利水电工程单元工程施工质量验收评定标准- 水轮发电机组安装工程》SL637《SL 637-2012 水利水电工程单元工程施工质量验收评定标准- 水力机械辅助设备系统安装工程》SL638《SL 638-2013 水利水电工程单元工程施工质量验收评定标准- 发电电气设备安装工程》SL639《SL 639-2013 水利水电工程单元施工质量验收评定标准- 升压变电电气设备安装工程》SL641《SL 641-2014 水利水电工程照明系统设计规范》SL642《SL 642-2013 水利水电地下工程施工组织设计规范》SL643《SL 643-2013 水利水电工程施工总进度设计规范》6SL644《SL 644-2014 水利水电工程水库库底清理设计规范》SL645《SL 645-2013 水利水电工程围堰设计规范》SL648《SL 648-2013 土石坝施工组织设计规范》SL649《SL 649-2014 水文设施工程施工规程》SL650《SL 650-2014 水文设施工程验收规程》SL677《SL 677-2014 水工混凝土施工规范》SL679《SL/Z 679-2015 堤防工程安全评价导则》SL690《SL/Z 690-2013 水利水电工程施工质量通病防治导则》SL702《SL 702-2015 预应力钢筒混凝土管道技术规范》7SL703《SL 703-2015 灌溉与排水工程施工质量评定规程》SL704《SL 704-2015 水闸与泵站工程地质勘察规范》SL705《SL/Z 705-2015 水利建设项目环境影响后评价导则》SL713《SL713-2015 水工混凝土结构缺陷检测技术规程》SL714《SL 714-2015 水利工程施工安全防护设施技术规范》SL718《SL 718-2015 水土流失危险程度分级标准》DL269《DL/T 269-2012 钢弦式锚索测力计》DL270《DL/T 270-2012 钢弦式位移计》DL947《DL/T 947-2005 土石坝监测仪器系列型谱》DL948《DL/T 948-2005 混凝土坝监测仪器系列型谱》DL990《DL/T 990-2005 双吊点弧形闸门后拉式液压启闭机(液压缸)系列参数》DL1014《DL/T 1014-2006 水情自动测报系统运行维护规程》DL1043《DL/T1043-2007 钢弦式测缝计》DL1044《DL/T1044-2007 钢弦式应变计》DL1045《DL/T1045-2007 钢弦式孔隙水压力计》DL1046《DL/T1046-2007 引张线式水平位移计》DL1047《DL/T1047-2007 水管式沉降仪》DL1061《DL/T1061-2007光电式(CCD 垂线坐标仪》光电式(CCD 引张线仪》差动电阻式位移计》差动电阻式锚索测力计》差动电阻式锚杆应力计》光电式(CCD 静力水准仪》钢弦式仪器测量仪表》 大坝安全监测数据自动采集装置》 电位器式位移计》 钢弦式钢筋应力计》 钢弦式土压力计》 水电水利工程岩体观测规程》 DL5010《DL/T 5010-2005 水电水利工程物探规程》DL5013《DL/T 5013-2005 水电水利工程钻探规程》DL5015《DL/T5015-1996 水利水电工程动能设计规范》DL5016《DL/T 5016-1999 混凝土面板堆石坝设计规范》DL5017《DL/T5017-2007 水电水利工程压力钢管制造安装及验收规范》DL5018《DL/T 5018-2004 水电水利工程钢闸门制造安装及验收规范》DL5020《DL/T5020-2007 水电工程可行性研究报告编制规程》DL5039《DL/T5039-1995水利水电工程钢闸门设计规范》DL5055《DL/T5055-2007水工混凝土掺用粉煤灰技术规范》DL5056《DL/T 5056-2007 变电站总布置设计技术规程》DL5057《DL/T 5057-2009水工混凝土结构设计规范》DL1062《DL/T1062-2007 DL1063《DL/T1063-2007 DL1064《DL/T1064-2007 DL1065《DL/T1065-2007 DL1086《DL/T 1086-2008 DL1133《DL/T 1133-2009 DL1134《DL/T 1134-2009 DL1135《DL/T 1135-2009 DL1136《DL/T 1136-2009 DL1137《DL/T 1137-2009 DL5006《DL/T5006-2007DL5064《DL/T5064-2007水电工程建设征地移民安置规划设计规范》DL5073《DL 5073-2000水工建筑物抗震设计规范》DL5079《DL/T 5079-2007 水电站引水渠道及前池设计规范》DL5083《DL/T 5083-2010 水电水利工程预应力锚索施工规范》DL5085《DL/T5085-1999钢混凝土组合结构设计规程》DL5086《DL/T5086-1999水力水电工程混凝土生产系统设计导则》DL5087《DL/T5087-1999水利水电工程围堰设计导则》DL5088《DL/T5088-1999水利水电工程量计算规程》DL5089《DL/T5089-1999水利水电工程泥沙设计规范》DL5090《DL/T5090-1999水力发电厂过电压保护和绝缘配合设计导则》DL5091《DL/T5091-1999水力发电厂接地设计导则及条文说明》DL5098《DL/T5098-1999水电水力工程沙石加工系统设计导则》DL5100《DL/T5100-1999水工混凝土外加剂技术规程》DL5105《DL/T5105-1999水电工程水利计算规范》DL5107《DL/T5107-1999水电水利工程沉沙池设计规范》DL5108《DL/T5108-1999 混凝土重力坝设计规范》DL5109《DL/T5109-1999 水电水利工程施工地质规程》DL5110《DL/T5110-2013 水电水利工程模板施工规范》DL5111《DL/T5111-2000 水电水利工程施工监理规范》DL5112《DL/T 5112-2009 水工碾压混凝土施工规范》DL5113.1《DL/T 5113.1-水电水利基本建设工程单元工程质量等级评定标准: 土建工程》2005水电水利基本建设工程单元工程质量等级评定标准:发电电气设备DL5113.5《DL/T 5113.5-2012安装工程》DL5113.8《DL/T 5113.8-2012 水电水利基本建设工程单元工程质量等级评定标准第8 部分: 水工碾压混凝土工程》DL5113.11《DL/T 5113.11-2005 水电水利基本建设工程单元工程质量等级评定标准: 灯泡贯流式水轮发电机组安装工程》DL5114《DL/T5114-2000 水电水利工程施工导流设计导则》DL5115《DL/T 5115-2008 混凝土面板堆石坝接缝止水技术规范》DL5116《DL/T5116-2000 水电水利工程碾压式土石坝施工组织设计导则》DL5117《DL/T5117-2000 水下不分散混凝土试验规程》DL5123《DL/T5123-2000 水电站基本建设工程验收规程》DL5124《DL/T5124-2001 水电水利工程施工压缩空气,供水. 供电系统设计导则》DL5126《DL/T5126-2001 聚合物改性水泥砂浆试验规程》DL5127《DL/T5127-2001水利发电工程CAD制图技术规定》DL5128《DL/T5128-2009 混凝土面板堆石坝施工规范》DL5129《DL/T 5129-2013 碾压式土石坝施工规范》DL5133《DL/T5133-2001 水电水利工程施工机械选择导则》DL5134《DL/T5134-2001 水电水利工程交通设计导则》DL5135《DL/T 5135-2013 水电水利工程爆破施工技术规范》DL5140《DL/T5140-2001 水力发电厂照明设计规范》DL5141《DL/T5141-2001 水电站压力钢管设计规范》DL5144《DL/T5144-2001 水工混凝土施工规范》DL5148《DL/T5148-2012 水工建筑物水泥灌浆施工技术规范》DL5150《DL/T5150-2001 水工混凝土试验规范》DL5151《DL/T5151-2001 水工混凝土砂石骨料试验规程》DL5152《DL/T5152-2001 水工混凝土水质分析试验规程》DL5162《DL/T5162-2002 水电水利工程施工安全防护设施技术规范》DL5165《DL/T5165-2002 水力发电厂厂采暖通风与空气调节设计规程》DL5166《DL/T5166-2002 溢洪道设计规范》DL5169《DL/T5169-2002 水工混凝土钢筋施工规范》DL5170《DL/T5170-2002 变电所岩土工程勘测技术规程》DL5171《DL/T5171-2002 电力水文地质钻探技术规程》DL5172《DL/T 5172-2003 抽水蓄能电站选点规划编制规范》DL5173《DL/T 5173-2012 水电水利工程施工测量规范》DL5176《DL/T 5176-2003 水电工程预应力锚固设计规范》DL5178《DL/T 5178-2003 混凝土坝安全监测技术规范》DL5179《DL/T 5179-2003 水电水利工程混凝土预热系统设计导则》DL5180《DL 5180-2003 水电枢纽工程等级划分及设计安全标准》DL5181《DL/T 5181-2003 水电水利工程锚喷支护施工规范》DL5185《DL/T5185-2004 水电水利工程地质测绘规程》DL5186《DL/T5186-2004 水力发电厂机电设计规范》DL5192《DL/T5192-2004 水电水利工程施工总布置设计导则》DL5193《DL/T5193-2004 环氧树脂砂浆技术规程》DL5194《DL/T5194-2004 水电水利工程地质勘察水质分析规程》DL5195《DL/T5195-2004 水工隧洞设计规范》DL5198《DL/T 5198-2013 水电水利工程岩壁梁施工规程》水电水利工程混凝土防渗墙施工规范》DL5199《DL/T 5199-2004DL5200《DL/T 5200-2004 水电水利工程高压喷射灌浆技术规范》DL5207《DL/T 5207-2005 水工建筑物抗冲磨防空蚀混凝土技术规范》DL5206《DL/T 5206-2005 水电工程预可行性研究报告编制规程》DL5207《DL/T 5207-2005 水工建筑物抗冲磨防空蚀混凝土技术规范》DL5208《DL/T 5208-2005 抽水蓄能电站设计导则》DL5209《DL/T 5209-2005 混凝土坝安全监测资料整编规程》DL5211《DL/T 5211-2005 大坝安全监测自动化技术规范》DL5212《DL/T 5212-2005 水电工程招标设计报告编制规程》DL5213《DL/T 5213-2005 水电水利工程钻孔抽水试验规程》DL5214《DL/T 5214-2005 水电水利工程振冲法地基处理技术规范》DL5215《DL/T 5215-2005 水工建筑物止水带技术规范》DL5229《DL/T 5229-2005 电力工程竣工图文件编制规定》DL5238《DL/T 5238-2010 土坝灌浆技术规范》DL5243《DL/T 5243-2010 水电水利工程场内施工道路技术规范》DL5255《DL/T 5255-2010 水电水利工程边坡施工技术规范》DL5256《DL/T 5256-2010 土石坝安全监测资料整编规程》DL5258《DL/T 5258-2010 土石坝浇筑式沥青混凝土防渗墙施工技术规范》土石坝安全监测技术规范》DL5259《DL/T 5259-2010DL5260《DL/T 5260-2010 水电水利工程施工环境保护技术规程》DL5267《DL/T 5267-2012 水电水利工程覆盖层灌浆技术规》DL5268《DL/T 5268-2012 混凝土面板堆石坝翻模固坡施工技术规程》DL5269《DL/T 5269-2012 水电水利工程砾石土心墙堆石坝施工规范》DL5271《DL/T 5271-2012 水电水利工程砂石加工系统施工技术规程》DL5272《DL/T 5272-2012 大坝安全监测自动化系统实用化要求及验收规程》DL5274《DL/T 5274-2012 水电水利工程施工重大危险源辨识及评价导则》DL5296《DL/T 5296-2013 水工混凝土掺用氧化镁技术规范》DL5297《DL/T 5297-2013 混凝土面板堆石坝挤压边墙技术规范》DL5298《DL/T 5298-2013 水工混凝土抑制碱- 骨料反应技术规范》DL5299《DL/T 5299-2013 大坝混凝土声波检测技术规程》DL5303《DL/T 5303-2013 水工塑性混凝土试验规程》DL5304《DL/T 5304-2013 水工混凝土掺用石灰石粉技术规范》DL5306《DL/T 5306-2013 水电水利工程清水混凝土施工规范》DL5308《DL/T 5308-2013 水电水利工程施工安全监测技术规范》DL5309《DL/T 5309-2013 水电水利工程水下混凝土施工规范》DL5310《DL/T 5310-2013 沥青混凝土面板堆石坝及库盆施工规范》水工混凝土建筑物修补加固技术规程》DL5315《DL/T 5315-2014DL5316《DL/T 5316-2014 水电水利工程软土地基施工监测技术规范》DL5330《DL/T 5330-2005 水工混凝土配合比设计规程》DL5331《DL/T 5331-2005 水电水利工程钻孔压水试验规程》DL5332《DL/T 5332-2005 水工混凝土断裂试验规程》DL5333《DL/T 5333-2005 水电水利工程爆破安全监测规程》DL5334《DL 5334-2006 电力工程勘测安全技术规程》DL5335《DL/T 5335-2006 水电水利工程区域构造稳定性勘察技术规程》DL5336《DL/T 5336-2006 水电水利工程水库区工程地质勘察技术规程》DL5337《DL/T 5337-2006 水电水利工程边坡工程地质勘察技术规程》DL5338《DL/T 5338-2006 水电水利工程喀斯特工程地质勘察技术规程》DL5346《DL/T 5346-2006 混凝土拱坝设计规范》DL5345《DL/T 5345-2006 梯级水电厂集中监控工程设计规范》DL5346《DL/T 5346-2006 混凝土拱坝设计规范》DL5347《DL/T 5347-2006 水电水利工程基础制图标准》DL5348《DL/T 5348-2006 水电水利工程水工建筑制图标准》DL5349《DL/T 5349-2006 水电水利工程水力机械制图标准》DL5350《DL/T 5350-2006 水电水利工程电气制图标准》DL5351《DL/T 5351-2006 水电水利工程地质制图标准》DL5354《DL/T5354-2006 水电水利工程钻孔土工试验规程》DL5355《DL/T5355-2006 水电水利工程土工试验规程》DL5356《DL/T5356-2006 水电水利工程粗粒土试验规程》DL5357《DL/T5357-2006 水电水利工程岩土化学分析试验规程》DL5358《DL/T5358-2006 水电水利工程金属结构设备防腐蚀技术规程》DL5359《DL/T5359-2006 水电水利工程水流空化模型试验规程》DL5360《DL/T5360-2006 水电水利工程溃坝洪水模拟技术规程》DL5361《DL/T5361-2006 水电水利工程施工导截流模型试验规程》DL5362《DL/T5362-2006 水工沥青混凝土试验规程》DL5363《DL/T5363-2006 水工碾压式沥青混凝土施工规范》DL5367《DL/T5367-2007 水电水利工程岩体应力测试规程》DL5368《DL/T5368-2007 水电水利工程岩石试验规程》DL5370《DL/T5370-2007 水电水利工程施工通用安全技术规程》DL5371《DL/T5371-2007 水电水利工程土建施工安全技术规程》DL5372《DL/T5372-2007 水电水利工程金属结构与机电设备安装安全技术规程》DL5373《DL/T5373-2007 水电水利工程施工作业人员安全技术操作规程》DL5278《DL 5278-2012 水电水利工程达标投产验收规程》DL5279《DL 5279-2012 输变电工程达标投产验收规程》DL5386《DL/T5386-2007 水电水利工程混凝土预冷系统设计导则》DL5387《DL/T5387-2007 水工混凝土掺用磷渣粉技术规范》DL5388《DL/T5388-2007 水电水利工程天然建筑材料勘察规程》DL5389《DL/T5389-2007 水工建筑物岩石基础开挖工程施工技术规范》DL5395《DL/T 5395-2007 碾压式土石坝设计规范》DL5396《DL/T 5396-2007 水力发电厂高压电气设备选择及布置设计规范》DL5397《DL/T 5397-2007 水电工程施工组织设计规范》DL5398《DL/T 5398-2007 水电站进水口设计规范》DL5399《DL/T 5399-2007 水电水利工程垂直升船机设计导则》DL5400《DL/T 5400-2007 水工建筑物滑动模板施工技术规范》DL5401《DL/T 5401-2007 水力发电厂电气试验设备配置导则》DL5402《DL/T 5402-2007 水电水利工程环境保护设计规范》DL5406《DL/T 5406-2010 水工建筑物化学灌浆施工规范》DL5407《DL/T 5407-2009 水电水利工程斜井竖井施工规范》DL5410《DL/T 5410-2009 中小型水力发电工程地质勘察规范》DL5411《DL/T 5411-2009 土石坝沥青混凝土面板和心墙设计规范》DL5412《DL/T 5412-2009 水力发电厂火灾自动报警系统设计规范》水力发电厂测量装置配置设计规范》DL5413《DL/T 5413-2009DL5414《DL/T 5414-2009 水电水利工程坝址工程地质勘察技术规程》DL5416《DL/T 5416-2009 水工建筑物强震动安全监测技术规范》DL5419《DL/T 5419-2009 水电建设项目水土保持方案技术规范》DL5422《DL/T 5422-2009 混凝土面板堆石坝挤压边墙混凝土试验规程》DL5424《DL/T 5424-2009 水电水利工程锚杆无损检测规程》DL5425《DL/T 5425-2009 深层搅拌法技术规范》DL5431《DL/T 5431-2009 水电水利工程水文计算规范》DL5432《DL/T 5432-2009 水电水利工程项目建设管理规范》DL5433《DL/T 5433-2009 水工碾压混凝土试验规程》NB35016《NB/T 35016-2013 土石筑坝材料碾压试验规程》NB35020《NB/T 35020-2013 水电水利工程液压启闭机设计规范》NB35023《NB/T 35023-2014 水闸设计规范》NB35024《NB/T 35024-2014 水工建筑物抗冰冻设计规范》NB35027《NB/T 35027-2014 水电工程土工膜防渗技术规范》NB35028《NB/T 35028-2014 水电工程勘探验收规程》NB35029《NB/T 35029-2014 水电工程测量规范》NB35036《NB/T 35036-2014 水电工程固定卷扬式启闭机通用技术条件》。
水电水利工程施工安全防护设施技术规范中华人民共和国国家经济贸易委员会--批准--实施前言本标准的全部技术内容为强制性。
本标准是根据原电力工业部综合管理司“关于下达年制定、修订电力行业标准计划项目的通知”(综科教[]号)的计划安排编制的。
编制本标准的目的,是为加强我国水电水利工程施工行业安全文明生产,保障施工生产人员的安全和健康,保障企业财产安全,维护正常的施工生产秩序,为水电水利工程建设、设计、施工监理等单位在建设过程中科学地设置安全防护设施提供依据。
本标准的编制,总结了我国水电水利工程施工行业多年来在安全工作中行之有效的经验和施工现场多发事故与重大事故的教训,并对近期建设的安全文明生产设施较好的我国大中型水电工程项目的安全设施和作业现场,进行了深入的调查研究,经多次征求全国各水电工程局和有关单位的意见,通过初稿、征求意见稿、送审稿三个阶段的编写、讨论、修改与审定,完成了本标准的编制工作。
本标准由电力行业水电施工标准化技术委员会提出并归口。
本标准负责起草单位:中国水利水电工程总公司。
本标准参加起草单位:中国葛洲坝水利水电工程集团公司、中国水利水电第八工程局、三峡大学经济与管理学院、中国水利水电第一工程局、中国水利水电基础工程局。
本标准主要起草人:李福生、熊成辽、杜鸿镇、郑霞忠、郑根保、王景忠、贺永利。
本标准由电力行业水电施工标准化技术委员会负责解释。
范围本标准规定了在水电水利建筑安装工程中设置安全防护设施的基本要求,适用于大中型水电水利建筑安装工程及其附属工程,其他水电水利建筑安装工程及其附属工程参照执行。
引用标准下列标准所包含的条文,通过在本标准中的引用而构成为本标准的条文。
本标准出版时,所示版本均为有效。
所有标准都会被修订,使用本标准的各方应探讨使用下列标准最新版本的可能性。
—安全色—手持电动工具的管理、使用、检查和维修安全技术规程—环境空气质量标准—固定式钢直梯安全技术条件—固定式钢斜梯安全技术条件—固定式工业防护栏杆安全技术条件—工业企业厂内铁路、道路运输安全规程—起重机械安全规程—爆破安全规程—移动式木直梯安全标准—机械设备防护罩安全要求—钢丝绳—污水综合排放标准—施工升降机安全规则—工业企业厂界噪声标准—建筑卷扬机安全规程—工业企业照明设计标准—小型石油库及汽车加油站设计规范—建筑设计防火规范—轴流式水轮机埋体安装工艺导则—水工建筑物水泥灌浆施工技术规范—建筑机械使用安全技术规程—施工现场临时用电安全技术规程—建筑施工高处作业安全技术规程—水利水电建筑安装安全技术工作规程—水轮发电机定子现场装配工艺导则—高压配电装置设计技术规定总则..为在大中型水电水利建筑安装工程及其附属工程的建设中,防止安全事故与职业性危害的发生,实施安全生产,设置标准明确、技术可行、经济实用的安全防护设施,特制定本标准。
水电水利工程施工安全防护设施技术规范DL 5162-2002中华人民共和国国家经济贸易委员会2002-04-27批准 2002-09-01实施前言本标准的全部技术内容为强制性。
本标准是根据原电力工业部综合管理司“关于下达1997年制定、修订电力行业标准计划项目的通知”(综科教[1998]28号)的计划安排编制的。
编制本标准的目的,是为加强我国水电水利工程施工行业安全文明生产,保障施工生产人员的安全和健康,保障企业财产安全,维护正常的施工生产秩序,为水电水利工程建设、设计、施工监理等单位在建设过程中科学地设置安全防护设施提供依据。
本标准的编制,总结了我国水电水利工程施工行业多年来在安全工作中行之有效的经验和施工现场多发事故与重大事故的教训,并对近期建设的安全文明生产设施较好的我国大中型水电工程项目的安全设施和作业现场,进行了深入的调查研究,经多次征求全国各水电工程局和有关单位的意见,通过初稿、征求意见稿、送审稿三个阶段的编写、讨论、修改与审定,完成了本标准的编制工作。
本标准由电力行业水电施工标准化技术委员会提出并归口。
本标准负责起草单位:中国水利水电工程总公司。
本标准参加起草单位:中国葛洲坝水利水电工程集团公司、中国水利水电第八工程局、三峡大学经济与管理学院、中国水利水电第一工程局、中国水利水电基础工程局。
本标准主要起草人:李福生、熊成辽、杜鸿镇、郑霞忠、郑根保、王景忠、贺永利。
本标准由电力行业水电施工标准化技术委员会负责解释。
1 范围本标准规定了在水电水利建筑安装工程中设置安全防护设施的基本要求,适用于大中型水电水利建筑安装工程及其附属工程,其他水电水利建筑安装工程及其附属工程参照执行。
2 引用标准下列标准所包含的条文,通过在本标准中的引用而构成为本标准的条文。
本标准出版时,所示版本均为有效。
所有标准都会被修订,使用本标准的各方应探讨使用下列标准最新版本的可能性。
GB 2893—2001 安全色GB 3787—1993 手持电动工具的管理、使用、检查和维修安全技术规程GB 3095—1996 环境空气质量标准GB 4053.1—1993 固定式钢直梯安全技术条件GB 4053.2—1993 固定式钢斜梯安全技术条件GB 4053.3—1993 固定式工业防护栏杆安全技术条件GB 4387—1994 工业企业厂内铁路、道路运输安全规程GB 6067—1985 起重机械安全规程GB 6722—1986 爆破安全规程GB 7059.1—1986 移动式木直梯安全标准GB 8196—1987 机械设备防护罩安全要求GB 8918—1996 钢丝绳GB 8978—1996 污水综合排放标准GB 10055—1996 施工升降机安全规则GB 12348—1990 工业企业厂界噪声标准GB 13329—1991 建筑卷扬机安全规程GB 50034—1992 工业企业照明设计标准GB 50156—1992 小型石油库及汽车加油站设计规范GBJ 16—1987 建筑设计防火规范DL/T 5037—1994 轴流式水轮机埋体安装工艺导则DL/T 5148—2001 水工建筑物水泥灌浆施工技术规范JGJ 33—1986 建筑机械使用安全技术规程JGJ 46—1988 施工现场临时用电安全技术规程JGJ 80—1991 建筑施工高处作业安全技术规程SD 267—1988 水利水电建筑安装安全技术工作规程SD 287—1988 水轮发电机定子现场装配工艺导则SDJ 5—1985 高压配电装置设计技术规定3 总则3.0.1 为在大中型水电水利建筑安装工程及其附属工程的建设中,防止安全事故与职业性危害的发生,实施安全生产,设置标准明确、技术可行、经济实用的安全防护设施,特制定本标准。
水利设施安全检查深圳金鼎安全技术有限公司杨承植水利设施包括:(1)水库设施;(2)引调水设施;(3)供水设施。
(4)水电站设施。
水利设施的水工部分有大型拦河闸、坝、水工隧洞、渡槽、箱涵、输水管线、倒虹吸及桥梁等。
水利设施的机电设备主要有:启闭设备、水泵、闸门、供电设备、用电设备、控制装置、起重机械、测量设备,监测装置、通信设备等。
检查内容:(一)设施台账、档案、数据库是否健全(制造相关资料、安装及验收相关资料、大修和改造相关资料、使用相关资料等)。
启闭机提供厂商是否取得水利部颁发的水利工程启闭机使用许可证,闸门、特种设备提供厂商是否取得国家质量监督部门颁发的生产(制造)许可证。
是否定期对设备进行检查、维护和保养,有否记录,特种设备是否有安装监检和定期检验报告,发现隐患是否及时整改。
(二)现场安全隐患、危险源是否进行了排查,是否发生过安全事故。
是否建立了制度化的安全隐患排查评估机制,对涉及安全的重要参数是否长期坚持监测跟踪和定期分析,对结构、材料、环境等方面存在的安全风险是否进行过全面系统的分析并做出结论,对存在的重大隐患能否及时发现,是否采取了有效的防范补救措施。
(三)应急管理体制和机制建设是否到位,防范自然灾害、事故灾难和其他突发事件的应急预案是否齐全,应急措施和救援力量是否满足快速响应和紧急处置的需要。
(四)员工安全防护措施是否到位,责任制是否落实,是否进行过突发安全事件的应急演练。
相关法规标准:中华人民共和国安全生产法广东省安全生产条例水电水利工程施工安全防护设施技术规范DL5162-2002 水利水电工程施工质量检验与评定规程SL176—2007)特种设备安全监察条例广东省特种设备安全监察规定GB15706.1Y2007机械安全基本概念与设计通则GB16895.21-2004 建筑物电气装置--电击防护GB6067.1-2010 起重机安全规程GB 15052-1994 起重机械危险部位与标志GB-T16895.18 建筑物电气装置--电气设备的选择和安装GB 2894-2008 安全标志及使用导则GB 13955-2005 剩余电流动作保护装置安装和运行GB/T13869-2008 用电安全导则GB50231-98 机械设备安装装工程施工及验收通用规范GB50275-98 压缩机、风机、泵安装装工程施工及验收规范手持式电动工具的管理、使用、检查和维修安全技术规程。
上水库施工用电安全技术措施姓名:XXX部门:XXX日期:XXX上水库施工用电安全技术措施1.概述1.1工程概况上水库施工用电拟从业主提供的上库10kV接线点(7#分区变)接取,架设10kV线路至各施工用电部位,全长2.5km,拟安装变压器7台,低压用电在各变电所接取。
1.2编制依据《水利水电工程建设安全防护设施技术规范》(DL5162-2002);业主发放的《施工用电管理制度》、闵蓄工程【2009】69号等相关规定;2.施工用电安全要求2.1变压器安装要求(1)变压器采用柱上安装时,其底部距地面的高度不得小于2.5m;(2)变压器在地面安装时,应装设在不低于0.5m的高台上,变压器周围应设置高度不低于1.7m的栅栏。
带电部分到栅栏的安全净距,10kV及以下的应不小于1m,35kV的应不小于1.2m,在栅栏的明显部位应悬挂“止步、高压危险”的警告牌;(3)变压器中性点及外壳接地连接点的导电接触面应接触良好,连接牢固可靠,接地电阻不得大于4Ω,在高土壤电阻率的地方按相应规程设计。
2.2电路架设要求(1)架空线路电压400V以下不得采用裸线,其高度不得低于5.0m,并满足电压等级的安全要求;第 2 页共 9 页(2)架空线路的转角杆、分支杆及终端杆的拉线应采取防护措施,并在离地面1.5m以下的部分涂红、白色油漆示警,现场内或常有行人走动的地方应设立明显警示标志;(3)采用埋地敷设的电缆,敷设深度不应小于冻土层厚度加上0.6m,并应在电缆上下铺设0.3m厚的细砂保护层,埋设电缆线路应设明显标志;(4)线路穿越道路或易受机械损伤的场所时必须设有套管防护。
管内不得有接头,其管口应密封;(5)在构筑物、脚手架上安装用电线路,必须设有专用的横担与绝缘子等;(6)作业面的用电线路高度不低于2.5m;(7)大型移动设备或设施的供电电缆必须设有电缆绞盘,拖拉电缆人员必须配戴个体防护用具;(8)井、洞内敷设的用电线路应采用横担与绝缘子沿井(洞)壁固定,高度不低于2.5m,且外观整齐;(9)施工电源应采用三相五线制。
水电水利工程施工安全防护设施技术规范DL 5162-2002中华人民共和国国家经济贸易委员会2002-04-27批准 2002-09-01实施前言本标准的全部技术内容为强制性。
本标准是根据原电力工业部综合管理司“关于下达1997年制定、修订电力行业标准计划项目的通知”(综科教[1998]28号)的计划安排编制的。
编制本标准的目的,是为加强我国水电水利工程施工行业安全文明生产,保障施工生产人员的安全和健康,保障企业财产安全,维护正常的施工生产秩序,为水电水利工程建设、设计、施工监理等单位在建设过程中科学地设置安全防护设施提供依据。
本标准的编制,总结了我国水电水利工程施工行业多年来在安全工作中行之有效的经验和施工现场多发事故与重大事故的教训,并对近期建设的安全文明生产设施较好的我国大中型水电工程项目的安全设施和作业现场,进行了深入的调查研究,经多次征求全国各水电工程局和有关单位的意见,通过初稿、征求意见稿、送审稿三个阶段的编写、讨论、修改与审定,完成了本标准的编制工作。
本标准由电力行业水电施工标准化技术委员会提出并归口。
本标准负责起草单位:中国水利水电工程总公司。
本标准参加起草单位:中国葛洲坝水利水电工程集团公司、中国水利水电第八工程局、三峡大学经济与管理学院、中国水利水电第一工程局、中国水利水电基础工程局。
本标准主要起草人:李福生、熊成辽、杜鸿镇、郑霞忠、郑根保、王景忠、贺永利。
本标准由电力行业水电施工标准化技术委员会负责解释。
1 范围本标准规定了在水电水利建筑安装工程中设置安全防护设施的基本要求,适用于大中型水电水利建筑安装工程及其附属工程,其他水电水利建筑安装工程及其附属工程参照执行。
2 引用标准下列标准所包含的条文,通过在本标准中的引用而构成为本标准的条文。
本标准出版时,所示版本均为有效。
所有标准都会被修订,使用本标准的各方应探讨使用下列标准最新版本的可能性。
GB 2893—2001 安全色GB 3787—1993 手持电动工具的管理、使用、检查和维修安全技术规程GB 3095—1996 环境空气质量标准GB 4053.1—1993 固定式钢直梯安全技术条件GB 4053.2—1993 固定式钢斜梯安全技术条件GB 4053.3—1993 固定式工业防护栏杆安全技术条件GB 4387—1994 工业企业厂内铁路、道路运输安全规程GB 6067—1985 起重机械安全规程GB 6722—1986 爆破安全规程GB 7059.1—1986 移动式木直梯安全标准GB 8196—1987 机械设备防护罩安全要求GB 8918—1996 钢丝绳GB 8978—1996 污水综合排放标准GB 10055—1996 施工升降机安全规则GB 12348—1990 工业企业厂界噪声标准GB 13329—1991 建筑卷扬机安全规程GB 50034—1992 工业企业照明设计标准GB 50156—1992 小型石油库及汽车加油站设计规范GBJ 16—1987 建筑设计防火规范DL/T 5037—1994 轴流式水轮机埋体安装工艺导则DL/T 5148—2001 水工建筑物水泥灌浆施工技术规范JGJ 33—1986 建筑机械使用安全技术规程JGJ 46—1988 施工现场临时用电安全技术规程JGJ 80—1991 建筑施工高处作业安全技术规程SD 267—1988 水利水电建筑安装安全技术工作规程SD 287—1988 水轮发电机定子现场装配工艺导则SDJ 5—1985 高压配电装置设计技术规定3 总则3.0.1 为在大中型水电水利建筑安装工程及其附属工程的建设中,防止安全事故与职业性危害的发生,实施安全生产,设置标准明确、技术可行、经济实用的安全防护设施,特制定本标准。
3.0.2 大中型水电水利建筑安装工程及其附属工程,均应按照本标准的规定,在建设中设置安全防护设施。
3.0.3 水电水利建筑安装工程建设、设计、施工、监理等单位,应各尽其责,共同做好安全防护设施工作。
3.0.4 本标准未明确规定的,应执行国家和行业现行的有关标准的规定。
4 基本规定4.1 施工现场4.1.1 施工区域宜按规划设计和实际需要采用封闭措施,对施工中关键区域和危险区域,应实行封闭。
4.1.2 进入施工现场的工作人员,必须按规定配戴安全帽和使用其它相应的个体防护用品。
从事特种作业的人员,必须持有政府主管部门核发的操作证,并配备相应的安全防护用具。
4.1.3 施工现场的各种施工设施、管道线路等,应符合防洪、防火、防爆、防强风、防雷击、防砸、防坍塌及工业卫生等要求。
4.1.4 施工现场的洞(孔)、井、坑、升降口、漏斗口等危险处,应有防护设施和明显标志。
4.1.5 施工现场存放设备、材料的场地应平整牢固,设备材料存放整齐稳固,周围通道畅通,且宽度宜不小于1m。
4.1.6 施工现场的排水系统,设置合理,沟、管、网排水畅通。
4.1.7 接送上下班人员宜选用客车,若采用载重汽车载人,必须取得公安车辆管理部门的许可证,并采取相应的安全措施。
4.1.8 施工照明应符合下列要求:1 大规模露天施工现场宜采用大功率、高效能灯具。
2 施工现场及作业地点应有足够的照明,主要通道应设有路灯。
3 在高温、潮湿、易于导电触电的作业场所(如洞室、闸门井、蜗壳、压力钢管等处)使用照明灯具地面高度低于2.2m时,其照明电源电压不得大于24V。
4 照明灯具与导线的绝缘应符合有关规定。
4.1.9 施工区域、作业区及建筑物,应执行消防安全的有关规定,设置必备的消防水管、消防栓,配备相应的消防器材和设备,保持消防通道畅通。
4.2 作业面4.2.1 高处作业面(如坝顶、屋顶、原料平台、工作平台等)的临空边沿,必须设置安全防护栏杆。
4.2.2 施工现场安全防护栏杆应符合以下规定:1 材料要求:1)钢管横杆及立柱均采用φ≥30mm,壁厚≥2mm的钢管,以扣件或焊接固定;2)钢筋横杆直径不应小于16mm,栏杆柱直径不应小于20mm,宜采用焊接连接;3)原木横杆梢径不应小于7cm,栏杆柱梢径不应小于7.5cm,用不小于12号镀锌铁丝绑扎固定;4)毛竹横杆小头有效直径不应小于7cm,栏杆柱小头直径不应小于8cm,用不小于12号镀锌铁丝绑扎,至少3圈,不得有脱滑现象。
2 防护栏杆应由上、中、下三道横杆及栏杆柱组成,上杆离地高度宜为1.0~1.2m,下杆离地高度为0.3m。
坡度大于25°时,防护栏应加高至1.5m。
3 长度小于10m的防护栏杆,两端应设有斜杆。
长度大于10m的防护栏杆,每10m段至少应设置一对斜杆。
斜杆材料尺寸与横杆相同,并与立柱、横杆焊接或绑扎牢固。
4 栏杆立柱间距不宜大于2m。
若栏杆长度大于2m,必须加设立柱。
5 栏杆立柱固定要求:1)在泥石地面固定时,宜打入地面0.5m~0.7m,离坡坎边口的距离应不小于0.5m。
2)在坚固的混凝土面等固定时,可用预埋件与钢管或钢筋栏杆柱焊接;采用竹、木栏杆固定时,应在预埋件上焊接0.3m长∟50×50角钢或直径不小于20mm的钢筋,用螺栓连接或用不小于12号的镀锌铁丝绑扎两道以上固定。
3)在操作平台、通道、栈桥等处固定时,应与平台、通道杆件焊接或绑扎牢固。
6 在有可能发生人群拥挤、车辆冲击或物件碰撞的处所,栏杆应专门设计。
4.2.3 高处临边防护栏杆处宜有夜间示警红灯。
4.2.4 在悬崖、陡坡、杆塔、坝块、脚手架以及其它高处危险边沿进行悬空高处作业时,临边必须设置防护栏杆,并应根据施工具体情况,提供安全带、安全绳等个体防护用品,挂设水平安全网或设置相应的吊篮、吊笼、平台等设施。
4.2.5 脚手架作业面高度超过3.2m时,临边必须挂设水平安全网,还应在脚手架外侧挂立网封闭。
脚手架的水平安全网必须随建筑物升高而升高,安全网距离工作面的最大高度不得超过3m。
4.2.6 钢管脚手架应符合以下规定:1 脚手架应根据施工荷载经设计确定,其中常规承载力不得小于2.7kPa。
2 脚手架的钢管外径应为48mm~51mm,厚度3mm~3.5mm,扣件不得有裂纹、气孔、砂眼、变形滑丝;钢管无锈蚀脱层、裂纹与严重凹陷。
3 脚手架应基础夯实,立杆下部加设垫板。
4 脚手架的搭设要求为:立杆间距不大于2m,大横杆间距不大于1.2m,小横杆间距不大于1.5m。
5 走道脚手架应铺牢固,临空面应有防护栏杆,并钉有挡脚板。
4.2.7 脚手架拆除时,在拆除物坠落范围的外侧应设有安全围栏与醒目的安全标志。
4.2.8 各类操作平台(包括原料平台、工作平台)应根据施工荷载实际情况经设计确定。
4.2.9 各类洞(孔)口、沟槽应设有固定盖板,在洞(孔)口边设置防护栏杆,同时设有安全警告标志和夜间警示红灯。
其中:1 普通盖板承载力不应低于2.5kPa。
2 机动车辆、施工机械道路上的洞(孔)口盖板承载力不应小于经过车辆、机械中最大轴压力的2倍。
4.2.10 电梯井、闸门井、门槽、电缆竖井等的井口应设有临时防护盖板或设置围栏,在门槽、闸门井、电梯井等井道口(内)安装作业,应根据作业面情况,在其下方井道内设置可靠的水平安全网作隔离防护层。
4.2.11 高处作业面必须设有钢扶梯、爬梯或简易木梯。
4.2.12 施工现场钢扶梯、爬梯或简易木梯应符合以下规定:1 钢扶梯:1)梯梁采用工字钢或槽钢,截面尺寸应通过计算确定:2)踏脚板应采用不小于φ20mm的钢筋三根与小角钢或25mm×4mm扁钢与小角钢组焊成的格子板,踏脚板的宽度为0.1m,踏脚板间距宜为0.3m等距离分布;3)边缘扶手栏杆高不应小于1m,扶手立柱间距不宜大于2m,均采用外径不小于30mm,壁厚不小于2mm的管材;4)梯宽度不小于0.6m;5)扶梯高度大于5m时,宜设梯间平台,分段设梯;6)扶梯焊接、安装应牢固可靠。
2 钢爬梯:1)梯梁宜采用不小于∟50×50角钢或不小于φ30mm的钢管;2)踏棍宜采用不小于φ20mm的圆钢,间距宜为30cm等距离分布;3)爬梯与建筑物或设备之间的净距离不得小于0.15m;4)梯段高度超过5m,后侧临空面应设置与用途相适应的护笼;5)超长直爬梯,每隔8m应设置梯间平台;6)爬梯宽度不宜小于0.3m;7)爬梯焊接、安装应牢固可靠。
3 简易木梯:1)木梯长度不宜超过3m,宽度不宜小于0.5m;2)梯梁截面尺寸不得小于5cm×8cm,梢径不得小于8cm,踏棍间距不宜大于0.3m;3)安放立梯工作角度以75°±5°为宜,必须固定稳固。
4.2.13 在同一垂直方向上同时进行多层交叉作业时,必须设有隔离防护棚。
对高度超过24m的防护棚的顶部,应做双层结构。
防护棚材料宜使用5cm厚的木板。