多功能数显表使用说明书
- 格式:doc
- 大小:337.00 KB
- 文档页数:6
sym96多功能数显表说明书篇一:标题: sym96多功能数显表说明书正文:sym96多功能数显表是一种高精度、高灵敏度的数字显示仪器,可用于测量各种物理量、化学量、生物量等。
本说明书将详细介绍 sym96多功能数显表的使用方法、原理、功能、操作方法等。
1. 使用方法在使用 sym96多功能数显表之前,需要正确佩戴好表带,并将表盘上的各个量程的按钮按下,使数显表处于工作状态。
然后,需要根据测量需要,输入相应的测量参数,并按下相应的按钮,即可进行测量。
2. 原理和功能sym96多功能数显表采用数字显示技术,具有高精度、高灵敏度、多功能、易操作等特点。
表盘中的数字显示,可以实时显示测量结果,并可以方便地记录测量数据、分析测量结果、绘制测量曲线等。
3. 操作方法sym96多功能数显表的操作方法非常简单,主要分为以下几个步骤:1) 佩戴表带:将表带正确佩戴在手腕上,并确保表带松紧合适,不要影响测量结果。
2) 连接电源:将 sym96多功能数显表的电源插头插入电源插座,并确保电源供应正常。
3) 输入测量参数:根据测量需要,选择相应的量程,将测量参数输入到sym96多功能数显表的显示屏上。
4) 按下测量按钮:根据需要,按下 sym96多功能数显表上的相应按钮,即可进行测量。
5) 记录测量结果:测量完成后,将测量结果记录在相应的测量记录卡上。
6) 分析测量结果:对测量结果进行分析,并绘制测量曲线,以便更好地了解测量过程和测量结果。
4. 拓展sym96多功能数显表除了可以测量物理量、化学量、生物量等外,还可以测量温度、压力、速度、加速度、振动等。
同时, sym96多功能数显表还可以与计算机、手机等设备连接,实现数据上传、数据分析等功能。
正确使用 sym96多功能数显表,可以大大提高测量精度和效率,为科学研究和工业生产提供有力的支持。
篇二:标题: sym96多功能数显表说明书正文:sym96是一款功能强大的多功能数显表,它集显示、测量、控制等多种功能于一身,是一款理想的测量工具。
..' 多功能电力监测仪使用手册版本:3.0杭州正普科技有限公司使用前必读在您使用本产品之前,请务必仔细阅读此使用手册内容,正确按照用户手册指导操作,这会有助于您更好地使用本产品,并有助于解决现场出现的各种问题。
1、监测仪在施加工作电源之前,务必确保工作电源在仪表规定范围之内;2、现场安装使用时,电流输入端子严禁开路,电压输入端子严禁短路;3、通讯端子(RS485)严禁施加高压;4、使用时仪表接线方式务必与内部系统设置方式一致;5、与后台通讯时,仪表通讯参数务必与后台一致;不能带电拔插通信接口;6、本手册中的信息如有变动,恕不另行通知;我公司自始至终本着“质量第一服务第一”的宗旨,将以优质的产品、优良的服务奉献给国内外用户!●使用前请仔细阅读本用户使用手册●请注意妥善保存目录一、概述-------------------------------------------------- 1二、型号定义---------------------------------------------- 1三、尺寸对照表-------------------------------------------- 1四、型号与功能对照表-------------------------------------- 2五、技术指标---------------------------------------------- 3六、外形及安装尺寸---------------------------------------- 4七、接线图------------------------------------------------ 6八、操作说明---------------------------- 7(RS485通讯规约、CT/PT设置、开关量操作、变送输出操作)..'一、概述多功能电力监测仪具有对电网中电流、电压、频率、有功功率、无功功率、视在功率、电能、功率因数等进行同时测量的功能。
一、产品简介1.1 引用标准引用国家标准GB/T 17883-1999 0.2S 级和0.5S 级静止式交流有功电度表GB/T 17882-1999 2 级和3 级静止式交流无功电度表GB/T 15284-2002 多费率电能表特殊要求DL/T 614-1997 多功能电能表GB/T13850-1998 交流电量转换为模拟量或者数字信号的电测量变送器相应国际标准IEC 62053-22:2003 电量测量设备(交流)-特殊要求-第22 部分:静态电度表(0.2S 和0.5S 级)IEC 62053-23:2003 电量测量设备(交流)-特殊要求-第23 部分:静态无功表(2S 和3S 级)IEC 61010-1:2001 测量,控制以及实验室用电气设备的安全要求-第1 部分:一般要求IEC 61000-2-11 电磁兼容性(EMC)-第2-11 部分IEC 60068-2-30 环境测试-第2-30 部分1.2 产品概述数显多功能电力仪表是针对电力系统、工矿企业、公共设施、智能大厦等的电力智能监控和电能计量等需求而设计,能够高精度测量三相电网中的所有常用电力参数,三相电压,三相电流,有功功率,无功功率,视在功率,频率,功率因数,四象限电能,UIPQ 需量,模拟量输入监测,开关量输入监测,并带有通讯接口,模拟量输出,继电器输出控制,电能脉冲输出等功能。
数显多功能电力仪表具备多种扩展功能的输入输出方式可供选择:2 路通讯接口、4 路模拟量输出、4 路继电器输出、本地或远程的开关信号监测和控制输出功能( 遥信和遥控功能)、12 路开关监测、2 路模拟量输入测量、2 路电能脉冲输出、事件记录功能。
数显多功能电力仪表具有极高的性能价格比,可以直接取代常规电力变送器,测量指示仪表,电能计量仪表以及相关的辅助单元。
作为一种先进的智能化,数字化的电网前端采集元件,已广泛应用于各种控制系统,SCADA 系统和能源管理系统,变电站自动化,配电网自动化,小区电力监控,工业自动化,智能建筑,智能型配电盘,开关柜中,具有安装方便,接线简单,维护方便,工程量小,现场可编程设置输入参数等特点,能够完成业界不同PLC,工业控制计算机通讯软件的组网。
数显控制仪使用说明1、概述数显仪与各类模拟量输出的传感器、变送器配合,完成温度、压力、液位、成分等物理量的测量、变换、显示和控制 误差小于0.5%F .S ,并具备调校、数字滤波功能 适用于标准电压、电流、热电阻、热电偶等信号类型2点报警输出,上限报警或下限报警方式可选择。
报警灵敏度独立设定3、技术规格电 源:85V AC~265V AC ,100V DC~380V DC ,功耗小于4W 工作环境:0℃~50℃,湿度低于85%R .H ,无结露。
显示范围:-1999~9999,小数点位置可设定输入信号类型:万能输入,可通过设定选择★ 注:0~10VDC 输入,订货时需说明,此时仪表不能万能输入℃T -100~400℃.S基本误差:小于0.5%F测量控制周期:0.2秒报警输出:2点继电器输出,触点容量220V AC,3A变送输出光电隔离4mA~20mA,0mA~10mA,0mA~20mA直流电流输出,通过设定选择。
负载能力大于600Ω 1V~5V,0V~5V,0V~10V直流电压输出,需订货时注明输出分辨力:1/1000,误差小于±0.5% F.S★变送输出为选项功能,只有订购选择后,仪表才具有此功能。
外供电源用于给变送器供电,输出值与标称值的误差小于±5%,负载能力大于50mA其它规格,需在订货时注明4、安装与接线为确保安全,接线必须在断电后进行。
(1)仪表与热电阻的接线(2)仪表与热电偶及电流、电压输入的接线(3)仪表与2线制变送器电流信号的接线(4)仪表与3线制、4线制电压、电流变送器的接线A-H规格160×80尺寸的仪表(mm)外形尺寸开孔尺寸接线端子图A-S规格80×160尺寸的仪表(mm)外形尺寸开孔尺寸接线端子图B-F规格96×96尺寸的仪表(mm)外形尺寸开孔尺寸接线端子图C-H规格96×48尺寸的仪表(mm)外形尺寸开孔尺寸接线端子图14 bA-A 变送输出零点修正设定值-500-500 7.315 bAFi 变送输出满度修正设定值0.500-1.500 7.3注:(bout )——输入信号故障时的代用测量值当仪表判断输入信号出故障时,以设置的值作为报警输出和变送输出的输入值。
数显表使用说明书DROⅢVER3.00贵阳新天光电科技有限公司GUIYANG XINTIAN OETECH C0.,LTD数显表使用手册序言安全注意警告◆若有故障立即联系本公司或经销商,以防电击切勿自行拆卸维修◆若发现数显表发出烟雾或其他异味,应立即拔下电源插头,此时持续使用本表会导致火灾或电击注意◆长时间不用时,为节省数显表使用寿命,请关断电源◆在雷雨天气时﹐应尽可能拔掉电源线的插头◆电源未关前,请勿打开机壳或插拔光栅尺插头◆连接本公司数显表时请确认光栅尺是否为TTL方波,接线脚位是否正确◆购买本公司数显表时,请注意本数显表功能是否满足需求(如有特殊功能要求,请联系本公司或代理商)日常维护◆用柔软的干布或毛刷擦拭外壳◆不能用甲苯或乙醚等清洗外壳◆数显表外壳和数码管窗口可用酒精或中性清洁剂擦拭保证承诺1.本公司依法实行产品的三包:●自购买之日起7日内发生故障,用户可退货或换同型号的数显表●自购买之日起15日内发生故障,用户可换同型号的数显表或者免费维修●数显表自购买之日起保修1年注:退换产品需要附件齐全,数显表不能有拆过的痕迹,否则不予退换2.下列范围不属于免费服务范围●超过三包有效期的VER1.00 1数显表使用手册2 VER1.00● 未按数显表使用说明的要求使用、维护、保管而造成的损坏 ● 非本公司授权的维修人员拆动而造成的损坏● 无有效发票的(能够证明该数显表商品三包有效期内的除外) ●因不可抗力造成的损坏结构原理本公司生产的系列数显表,是及光电技术、微电子数字技术、计算机处理技术,FPGA数据采集技术等一体的精密测量仪表。
其工作原理如下图:数显表光栅尺数显表使用手册目录第一章数显表简要介绍 (5)1.1数显表按键说明 (7)1.2接口定义 (8)第二章基本操作说明 (9)2.1开机 (9)2.2清零 (9)2.3某轴预置数值 (9)2.4公/英制转换 (10)2.5自动分中 (10)2.6绝对/相对/500组用户坐标系 (11)2.7车床功能 (11)2.8数字过滤 (13)第三章500组辅助零位功能 (14)3.1直接输入SDM零位 (14)3.2到位清零 (15)第四章专用功能 (17)4.1斜线分孔 (17)4.2圆周分孔 (19)4.3斜面(斜度)加工 (21)4.4圆弧加工 (23)第五章放电加工功能 (27)5.1设置放电加工参数 (28)5.2EDM加工 (29)5.2.1Mode 1 正数加工范例 (29)5.2.2Mode 1 负数加工范例 (30)5.2.3Mode 2 加工范例 (31)5.2.4Mode 3 加工范例 (33)VER1.00 3数显表使用手册5.2.5Mode 4 反向加工范例 (34)5.2.6Mode 7 加工范例 (35)5.2.7Mode 8加工范例 (36)5.3圆周分孔,斜线分孔与EDM功能结合使用 (37)第六章计算器功能 (39)6.1计数实例 (39)6.2计算结果转移 (39)第七章内部参数设定 (40)7.1进入/退出内部参数设置 (40)7.2设置光栅尺计数方向(DIRECT) (40)7.3设置线性误差修正值(LIN COMP) (41)7.3.1手动补偿 (41)7.3.2自动补偿 (42)7.3.3编码器补偿 (42)7.4设置半径/直径显示方式(R OR D) (42)7.5设置Z轴镗环量(Z DIAL) (43)7.6设置光栅尺分辨率(RESOLUTE) (43)7.7设置SDM置数方向(SDM DIR) (43)7.8设置继电器工作模式(RELAY.MOD) (43)7.9设置EDM加工模式(EDM MODE) (44)7.10设置开/关深度补偿(P) (44)7.11设置斜面加工步进量模式(SLOP.MODE) (44)7.12设置圆弧加工的步进量模式(STEP.MODE) (45)7.13设置车床模式(LATH.MODE) (45)7.14设置数轴类型(AXIS.TYPE) (45)7.15设置角度显示模式(ANGL.MODE) (46)7.16设置角度显示类型(ANGL.TYPE) (46)7.17系统总清(ALL CLS) (46)第八章故障处理 (48)4 VER1.00数显表使用手册第一章数显表简要介绍2轴3轴VER1.00 5数显表使用手册6 VER1.00电火花安装尺寸安装图(1)数显表使用手册1.1 数显表按键说明VER1.007数显表使用手册8 VER1.001.2 接口定义0V 空信号脚位空2):EDM信号接口3RXD54GND3:RS232信号接口(选配)21脚位TXD 信号空接头(标配)6-9123-56789空+5V A B 空空。
多功能数显表说明书一、LED三相多功能数显电力仪表1.产品概述多功能数显电力仪表是根据我国对电力设备的运行和计算机智能化监控要求而设计的,该产品集电流表、电压表、功率表、功率因数表、电度表为一体的综合电量监测仪表,RS485通讯接口将该仪表联接到监测中心的计算机网络,是适合我国工矿企业、民用建筑、楼宇自动化等现代供配电系统的一种高性能自动化仪表。
多功能数显电力仪表专用于50/60Hz供电系统电量参数的综合采集;测量并显示三相电压、三相电流、有功功率、无功功率,功率因数,频率、有功电能(累积)和无功电能(累积),电能量数值仅作为企业内部二级计量考核、核算用,不作计价计量、付费使用。
2. 标准配置(1)仪表测量电网上高/低压三相电流,三相电压,有功功率,无功功率,功率因数,频率,有功电能,无功电能。
(2)标准CT,PT或电压信号直接输入。
(3)宽范围交直流通用电源AC/DC80-265V或AC 220V。
(4)采用宽视角、带白色背光的LCD和LED两种规格的显示方式,所有仪表参数均可通过显示面板按键设定。
(5)具有RS-485通讯接口(光隔),ModBus RTU通讯规约。
3.产品参数二、三相网络多功能数显电力仪表1.产品概述多功能网络数显电力仪表是针对电力系统、工矿企业、公用设施、智能大厦的电力监控需求而设计的。
它能高精度的测量所有常用的电力参数,如三相电压、电流、有功功率、无功功率、频率、功率因数、四象限电度等。
采用宽视角、带白色背光的LCD和LED两种规格的显示方式,显示仪表测量参数和电网系统的运行状态信息,仪表面板带有四个编程键盘,用户可现场方便的实现显示切换、仪表参数编程设置,具有很强的灵活性。
多功能网络数显电力仪表具有极高的性能价格比,可以直接取代常规电力变送器、测量指示仪表、电能计量仪表以及相关的辅助单元。
作为一种先进的智能化、数字化的电网前端采集元件,多功能网络数显电力仪表已广泛应用于各种控制系统、SCADA系统和能源管理系统中。
sin2100数显表说明书Sin2100数显表是一款高精度、多功能的数码显示仪表,其广泛应用于电力、通信、化工、机械、航空和航天等领域中的多种现场检测和监测任务。
本说明书将为您详细介绍Sin2100数显表的主要性能指标、使用方法和常见故障处理手段,帮助您更好地使用该产品。
一、主要性能指标1.显示范围:-1999~+19992.分辨率:0.13.采样周期:≤500ms4.工作电源:AC220V±10%/50HZ或DC24V±10%5.额定功耗:≤3W6.工作温度:-10℃~+55℃7.相对湿度:≤90%RH二、使用方法1.电源连接:将Sin2100数显表与电源连接,正负极位置务必正确。
2.信号接入:将需要检测的信号输入到Sin2100数显表中,注意信号输入的方式,防止损坏设备。
3.数值调节:按照自身应用需要,选择合适的数值进行调节,同时可以通过手动/自动切换进行实时调节。
4.监测模式:可设置多种监测模式,如峰值保留、阈值触发、追踪峰值等。
5.保护功能:当设备出现异常时,Sin2100数显表具备自动保护功能,在故障消除后,需要进行复位操作才能重新启动。
三、常见故障处理1.采样周期超时:若Sin2100数显表采样周期超时,可以将采样周期调整为合适的范围内,或检查信号连接是否存在异常。
2.信号连接不良:当存在信号连接不良的情况时,可以检查信号输入端口是否松动。
3.数据读取错误:在使用Sin2100数显表进行数据读取时,若出现错误可首先检查数据源是否正常,其次可尝试重新读取或进行异常处理。
总结:Sin2100数显表是一款广泛应用于现场检测和监测任务的高精度数码显示仪表,具备多种监测模式和保护功能,若出现异常可以进行相应的故障处理。
使用该产品需要进行电源连接、信号接入、数值调节等操作,使用时需要注意正确操作,以防损坏设备。
数显三相多功能液晶仪表上海仪歌电气有限公司(LCD)使用说明书Products Instructions非常感谢您使用本公司数显电力仪表,使用产品前请仔细阅读本说明书!一、概述多功能电力仪表是一种具有可编程测量、显示、数字通讯和电能脉冲输出等功能的多功能电力仪表,能够完成电量测量、电能计量、数据显示、采集及传输,可广泛应用变电站自动化,配电自动化、智能建筑、企业内部的电能测量、管理、考核。
测量精度为0.5级、实现LED现场显示和远程RS-485数字接口通讯,采用MODBUS-RTU通讯协议。
二、技术参数技术参数指标输入网络三相三线(3P3L)、三相四线(3P4L)电压额定值AC110V、AC220V、AC380V、AC600V其他特殊规格需订制(订货时说明)过负载持续:1.2倍瞬时:2倍/5s功耗≤2VA(每相)阻抗>500kΩ测量精度真有效值侧量(RMS)精度0.2级电流额定值AC1A、AC5A(5A以上配互感器使用)过负载持续:1.2倍瞬时:10倍/5s功耗≤1VA(每相)阻抗<20mΩ测量精度真有效值侧量(RMS)精度0.2级频率45Hz-65Hz、精度0.1HZ显示方式段码LCD或LED数码管显示输出电能测量精度四象限计量、有功电能1.0级、无功电能2.0级脉冲输出有功电能和无功电能2路脉冲输出,光耦继电器脉冲常数3200通讯方式RS485ModBus-RTU协议波特率1200bps、2400bps、4800bps、9600bps默认为9600bps开关量输出上下限报警同一继电器输出,最多加4个变送输出电流输出:DC0-20mA、DC4-20mA、精度0.5级,电压输出:DC0-5V、0-10V、精度0.5级开关量输入4路无源干接点输入方式电源范围AC220V、AC/DC85V-265V、50Hz/60Hz 功耗≤5VA工作环境温度-10℃-55℃湿度25%RH≤湿度≤93%RH,不结露,无腐蚀性气体场合大气压86kPa-106kPa耐压输入/电源>2KV、输入/输出>2KV、电源/输出>1KV绝缘输入、输出、电源对机壳>50MΩ1)辅助电源:多功能电力仪表具备通用的(AC/DC)电源输入接口,若不作特殊声明,提供的是AC220V电源接口的标准产品,保证所提供的电源适用于该系列的产品,以防止损坏产品,如要特殊供电电压如AC/DC85V-265V、AC380V等可订做,订货时请注明。
三相数显多功能电力仪表说明书本说明书介绍了三相数显多功能电力仪表的使用方法和注意事项,包括仪表结构、电气接线、参数设置、操作方法、故障排除等内容。
本仪表具有多项功能,包括电能测量、电流、电压、功率因数等。
该仪表适用于各种工业场所,如厂房、机房、实验室等。
一、仪表结构三相数显多功能电力仪表由显示模块、测量模块、通讯模块、供电模块等组成。
其中显示模块用于显示各项电参数,测量模块用于采集电参数,通讯模块用于与其他系统通讯,供电模块用于对仪表进行供电。
二、电气接线1、电气参数电压:AC220V/380V,50Hz2、电气接线将电源线L、N分别接入L、N位置,将U、V、W相线分别接入U、V、W位置即可。
三、参数设置该仪表具有一些参数需要设置,包括电流比例系数、电压比例系数、校准系数、尖峰平谷电价等。
在设置参数时需要按照说明书的要求进行设置,以保证参数的准确性。
设置完成后,按一下“确认”键即可保存。
四、操作方法该仪表操作简单,只需按照以下步骤进行即可:1、按“启动”键,仪表开始工作。
2、按“参数设置”键,进入参数设置界面。
3、按“确认”键,保存设置好的参数。
4、按“电能测量”键,进入电能测量界面。
5、按“数据查询”键,查询当前电参数。
五、故障排除在使用过程中,如果出现故障,可以按照以下方法进行排除:1、检查电源是否正常,确保电源接线正确。
2、检查电流、电压是否正常,如果不正常需要更换相应的元件。
3、检查是否有误操作,如有需要按操作说明进行操作。
以上为三相数显多功能电力仪表的说明书,如有需要请按说明操作。
多功能电力监测仪使用手册多功能电力监测仪使用手册版本:3.0杭州正普科技有限公司使用前必读在您使用本产品之前,请务必仔细阅读此使用手册内容,正确按照用户手册指导操作,这会有助于您更好地使用本产品,并有助于解决现场出现的各种问题。
1、监测仪在施加工作电源之前,务必确保工作电源在仪表规定范围之内;2、现场安装使用时,电流输入端子严禁开路,电压输入端子严禁短路;3、通讯端子(RS485)严禁施加高压;4、使用时仪表接线方式务必与内部系统设置方式一致;5、与后台通讯时,仪表通讯参数务必与后台一致;不能带电拔插通信接口;6、本手册中的信息如有变动,恕不另行通知;我公司自始至终本着“质量第一服务第一”的宗旨,将以优质的产品、优良的服务奉献给国内外用户!●使用前请仔细阅读本用户使用手册●请注意妥善保存目录一、概述-------------------------------------------------- 1二、型号定义---------------------------------------------- 1三、尺寸对照表-------------------------------------------- 1四、型号与功能对照表-------------------------------------- 2五、技术指标---------------------------------------------- 3六、外形及安装尺寸---------------------------------------- 4七、接线图------------------------------------------------ 6八、操作说明---------------------------- 7(RS485通讯规约、CT/PT设置、开关量操作、变送输出操作)多功能电力监测仪使用手册一、概述多功能电力监测仪具有对电网中电流、电压、频率、有功功率、无功功率、视在功率、电能、功率因数等进行同时测量的功能。
三合一数显表用法三合一数显表是一种可以同时显示电压、电流和功率的仪表,常用于测量交流电的电压、电流和功率。
一、使用方法三合一数显表的用法如下:1.接线:将三合一数显表的电压表接入被测电路的电压档,电流表接入被测电路的电流档,功率表接入被测电路的功率档。
2.开机:打开三合一数显表。
3.读数:观察三合一数显表上的电压、电流和功率读数。
二、注意事项使用三合一数显表时应注意以下事项:1.接线正确:接线时应注意接线正确,否则可能损坏仪表或造成触电危险。
2.量程合适:被测电压、电流和功率应在三合一数显表的量程范围内,否则可能造成测量误差。
3.使用环境:应在规定的环境条件下使用三合一数显表,如温度、湿度等。
三、具体操作步骤以下是使用三合一数显表测量交流电电压、电流和功率的具体操作步骤:1.接线将三合一数显表的电压表接入被测电路的电压档。
电压表的接线方式有两种:串联接线和并联接线。
串联接线时,电压表的电压输入端应接入被测电路的火线,电压输出端应接入被测电路的零线。
并联接线时,电压表的电压输入端应接入被测电路的两端。
将三合一数显表的电流表接入被测电路的电流档。
电流表的接线方式只有串联接线一种。
电流表的电流输入端应接入被测电路的火线,电流输出端应接入被测电路的零线。
将三合一数显表的功率表接入被测电路的功率档。
功率表的接线方式有两种:直接接线和互感器接线。
直接接线时,功率表的电压输入端应接入被测电路的两端,电流输入端应接入被测电路的火线。
互感器接线时,功率表的电压输入端应接入互感器的电压输出端,电流输入端应接入互感器的电流输出端。
2.开机打开三合一数显表。
3.读数观察三合一数显表上的电压、电流和功率读数。
四、示例假设我们要测量某电路的电压、电流和功率。
该电路的电压为220V,电流为1A,功率为220W。
操作步骤如下:1.接线将三合一数显表的电压表接入被测电路的电压档。
采用串联接线方式,电压表的电压输入端接入被测电路的火线,电压输出端接入被测电路的零线。
多功能电力监测仪使用手册
版本:
杭州正普科技有限公司
使用前必读
在您使用本产品之前,请务必仔细阅读此使用手册内容,正确按照用户手册指导操作,这会有助于您更好地使用本产品,并有助于解决现场出现的各种问题。
1、监测仪在施加工作电源之前,务必确保工作电源在仪表规定范围之内;
2、现场安装使用时,电流输入端子严禁开路,电压输入端子严禁短路;
3、通讯端子(RS485)严禁施加高压;
4、使用时仪表接线方式务必与内部系统设置方式一致;
5、与后台通讯时,仪表通讯参数务必与后台一致;不能带电拔插通信接口;
6、本手册中的信息如有变动,恕不另行通知;
我公司自始至终本着“质量第一服务第一”的宗旨,将以优质的产品、优良的服务奉献给国内外用户!
●使用前请仔细阅读本用户使用手册
●请注意妥善保存
目录
一、概述-------------------------------------------------- 1
二、型号定义---------------------------------------------- 1
三、尺寸对照表-------------------------------------------- 1
四、型号与功能对照表-------------------------------------- 2
五、技术指标---------------------------------------------- 3
六、外形及安装尺寸---------------------------------------- 4
七、接线图------------------------------------------------ 6
八、操作说明----------------------------7
(RS485通讯规约、CT/PT设置、开关量操作、变送输出操作)
一、概述
多功能电力监测仪具有对电网中电流、电压、频率、有功功率、无功功率、视在功率、电能、功率因数等进行同时测量的功能。
可广泛应用于工厂自动化和建筑物自动化。
可方便地应用于各种量程的交流开关和工业供电分布式测控系统的测量和数据记录。
多功能电力监测仪备有串行口(RS-485),允许连接开放式结构的电脑网络;应用Modbus通讯规约,方便计算机编程设置或读取数据。
执行标准:GB/T 22264-2008 安装式数字显示电测量仪表
二、型号定义
三、尺寸对照表
本仪表要求水平安装,允许倾斜度为:30°。
安装尺寸见下表:四、型号与功能对照表
规格型号
功能选项
HD194Z(E)-HD194UI-HD194P-HD194Q-2S4 2SY
3S4 9SY
9S4
2S9
3S9
9S9
AS9
2S9A
3S9A
9S9A
2S7
9S7
3S7
2K4
3K4
9K4
2k1 3k1
5k1 9k1
Ak1
2k1 3k1
5k1 9k1
Ak1
测
量
和
显
示
三相电压√√√
三相电流√√√√
有功功率√√
无功功率√√
功率因数√
频率√
有功电能正向
√√√√
有功电能反向
√√
无功电能正反向
√√
有功无功电能脉冲输出√√√
RS485通讯接口√√√√可选可选可选
开关量输入、输出可选可选可选可选可选可选可选
变送输出可选可选可选可选可选可选可选
报警输出可选可选可选可选可选可选可选
数显表类型外形代号外形尺寸mm安装(开孔)尺寸mm42方形2120×120111×111
6方形380×8076×76
48槽形548×9645×92
9方形996×9692×92
61方形A72×7268×68
五、技术指标
1、精度指标
参数精度A相B相C相总量
电压
电流
有功功率无功功率视在功率功率因数有功电能无功电能频率%fs
%fs
%fs
%fs
%fs
%fs
1%rd
2%rd
%rd
V1
A1
W1
var1
VA1
PF1
V2
A2
W2
var2
VA2
PF2
V3
A3
W3
var3
VA3
PF3
W
var
VA
PF
Wh
varh
Hz
2、输入量程
电压:100V/220V/380V 电流:1A或5A
功率:最大6500(W/var/VA)频率:45-65Hz
3、电能输出:
光耦隔离输出,外接上拉电阻R=Vcc/5mA,Vcc =5V/12V/24V
4.通讯:RS485,MODBUS通讯规约(RTU模式)
波特率:地址:1~254
5、负载
电压:<相电流:<相
6、过载
电流:倍额定连续10倍额定10秒
电压:倍额定连续2倍额定10秒
7、绝缘强度
IEC 688 / IEC 255-3 2kV AC rms 1min,输入/外壳/电源之间
8、电磁兼容试验
符合国标:《GB/T 22264-2008 安装式数字显示电测量仪表》的相应规定;
9、工作条件
温度:-20℃~+55℃;湿度:RH 20%~93%(无凝露)
10、贮藏条件
温度:-25℃~+70℃;湿度:RH 20%~93%
11、工作电源
AC/DC 80~265V 45-65Hz,最大功耗6W
六、外形及安装尺寸(部分显示方式)
2SY/9SY 2S4/3S4/9S4
2S9/3S9/9S9/AS9 2S9A/3S9A/9S9A 2S7/3S7/9S7 UI-2K4/3K4/9K4 P(Q)-2K1/3K1/5K1/9K1/AK1
六、接线图
三相三线:
辅助电源电流、电压信号输入
三相四线:
辅助电源电流、电压信号输入
功能模块:
通讯接口开关量输入(1-4路可选) 开关量输出(1-2路可选) 模似量输出(1-3路可选) 有功电能\无功电能输出
注:端子接线方式请参照随机接线图改为准。
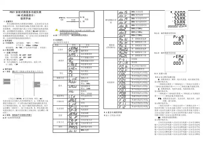
七、操作说明
1、键盘及显示指示说明
1)键盘按键:
UP 键:察看上一画面显示,设置时选同级菜单上一选项或键入数值时数值递增。
DOWN 键:察看下一画面显示,设置时选同级菜单下一选项或键入数值时数值递减。
BS 键:保存设置,并回退到上一层菜单。
ST 键:前进键,激活菜单进行编辑,设置时控制光标移到下一字符或者菜单中下一层选项。
2)指示灯:“k”:千单位,真实数值为显示值的一千倍。
(eg:1kwh)
“M”:兆单位,真实数值为显示值的一百万倍。
(eg:1Mwh=1000 kwh)
其他为电量单位指示灯。
亮灯所指即为当前显示电量的单位。
2. 显示字符说明
字符说明字符说明
PSd密码(9999)bud波特率(1200/2400/4800/9600/19200)
Put输入密码dAtA数据格式
CHAG修改密码数据位8,停止为1,无校验位
SEt设置数据位8,停止为1,偶校验
NET接线方式数据位8,停止为1,奇校验
三相三线Out1/2/3模拟量输出1、2、3路
三相四线ADO模拟量、脉冲量选择
单相网络AOUT 模拟量输出
Ct CT变比DOUT脉冲量输出
Pt PT变比DO1/2/3第一、二、三路脉冲量、电量选择
CLIE电能清零允许PH正向有功电能脉冲(WH)
CLR电能清零-PH反向有功电能脉冲(-WH)
YES允许清零或执行清零qH正向无功电能脉冲(VarH)
NO禁止清零或不清零-qH反向无功电能脉冲(-VarH)
dISP显示Inpt模拟量输出电量类型
OFF是否关显示或永远不关显示LO对应低端
60S60秒后自动关显示HI对应高端
CHAG切换显示屏方式Otyp模拟量输出方式
HAND手动切换0-50-5V电压输出或0-20mA电流输出
AUTO自动切换1-51-5V电压输出或4-20mA电流输出
Conn通讯3-51-3-5V电压输出或4-12-20mA电流输出
Add仪表地址(1-254)
3、RS485通讯规约:
串行口(RS-485),允许连接开放式结构的电脑网络;应用Modbus通讯规约,方便计算机编程设置或读取数据。
详见附件
4.、CT/PT设置操作说明
5、开关量输出操作及设置
6、变送输出操作及设置。