中职教育-《汽车运用工程》第四版课件:第二章 汽车动力性(一).ppt
- 格式:ppt
- 大小:992.00 KB
- 文档页数:55
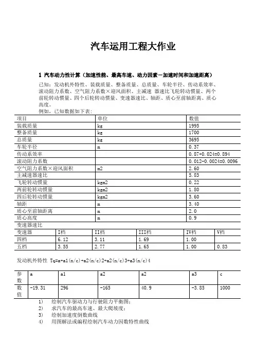
汽车运用工程大作业1汽车动力性计算(加速性能、最高车速、动力因素-加速时间和加速距离)已知:发动机外特性、装载质量、整备质量、总质量、车轮半径、传动系效率、滚动阻力系数、空气阻力系数×迎风面积、主减速器速比飞轮转动惯量、两个前轮转动惯量、四个后轮转动惯量、变速器速比、轴距、质心至前轴距离、质心高度。
发动机外特性 Tq=a+a1(n/c)+a2(n/c)2+a2(n/c)3+a3(n/c)42) 求汽车的最高车速、最大爬坡度;3) 绘制加速度倒数曲线4) 用图解法或编程绘制汽车动力因数特性曲线5) 图解手工或编程绘制II 档起步,加速至70km/h 的车速-时间曲线以及距离-时间曲线。
解:轻型货车的有关数据:汽油发动机使用外特性的Tq-n 曲线的拟合公式为Tq=a+a1(n/c)+a2(n/c)*(n/c)+a3(n/c)*(n/c)*(n/c)+a4(n/c)*(n/c)*(n/c )*(n/c)式中,Tq 为发动机转矩(N•m);n 为发动机转速(r/min )。
0377.0i i n r u gi e k ai ⨯⨯= ( km/h ) 其中:k r 为车轮滚动半径,m;汽车的牵引力: t k gi a tq a ti r i i u T u F η⨯⨯⨯=0)()( ( N )汽车的空气阻力: 15.212a d w u A C F ⨯⨯= ( N ) 其中:d C 为空气阻力系数,A 为汽车迎风面积,m 2。
汽车的滚动阻力:f G F a f ⨯= ( N )其中:a G =mg 为满载或空载汽车总重(N),f 为滚动阻尼系数 汽车的行驶阻力之和r F :w f r F F F += ( N )Matlab 程序:(1) 求汽车驱动力与行驶阻力平衡图和汽车最高车速程序:五档车程序如下n=[600:10:4000];Tq=-19.3+296*(n/1000)-165*(n/1000).^2+40.9*(n/1000).^3-3.85*(n/1000).^4;m=3695;g=10;nmin=600;nmax=4000;G=m*g;ig=[3.55 2.77 1.65 1.000.83];nT=0.8924;r=0.37;f=0.0096;CDA=2.60;i0=5.83;L=3.40;a=2.0;hg=0.9;If=0.22;Iw1=1.80;Iw2=3.60;Ft1=Tq*ig(1)*i0*nT/r;Ft2=Tq*ig(2)*i0*nT/r;Ft3=Tq*ig(3)*i0*nT/r;Ft4=Tq*ig(4)*i0*nT/r;Ft5=Tq*ig(5)*i0*nT/r;ua1=0.377*r*n/ig(1)/i0;ua2=0.377*r*n/ig(2)/i0;ua3=0.377*r*n/ig(3)/i0;ua4=0.377*r*n/ig(4)/i0;ua5=0.377*r*n/ig(5)/i0;ua=[0:5:120];Ff=G*f;Fw=CDA*ua.^2/21.15;Fz=Ff+Fw;plot(ua1,Ft1,ua2,Ft2,ua3,Ft3,ua4,Ft4,ua5,Ft5,ua,Fz);title('驱动力-行驶阻力平衡图');xlabel('ua(km/s)');ylabel('Ft(N)');gtext('Ft1'),gtext('Ft2'),gtext('Ft3'),gtext('Ft4'),gtext('Ft5'),gtex t('Ff+Fw');zoom on;[x,y]=ginput(1);zoom off;disp('汽车最高车速=');disp(x);disp('km/h');汽车最高车速=124km/h四档车程序如下:q=-19.3+296*(n/1000)-165*(n/1000).^2+40.9*(n/1000).^3-3.85*(n/1000).^ 4;m=3695;g=10;nmin=600;nmax=4000;G=m*g;ig=[6.12 3.11 1.69 1.00 ];nT=0.894;r=0.37;f=0.0096;CDA=2.6;i0=5.83;L=3.4;a=2.0;hg=0.9;If=0.22;Iw1=1.80;Iw2=3.60;Ft1=Tq*ig(1)*i0*nT/r;Ft2=Tq*ig(2)*i0*nT/r;Ft3=Tq*ig(3)*i0*nT/r;Ft4=Tq*ig(4)*i0*nT/r;ua1=0.377*r*n/ig(1)/i0;ua2=0.377*r*n/ig(2)/i0;ua3=0.377*r*n/ig(3)/i0;ua4=0.377*r*n/ig(4)/i0;ua=[0:5:120];Ff=G*f;Fw=CDA*ua.^2/21.15;Fz=Ff+Fw;plot(ua1,Ft1,ua2,Ft2,ua3,Ft3,ua4,Ft4,ua,Fz);title('驱动力-行驶阻力平衡图');xlabel('ua(km/s)');ylabel('Ft(N)');gtext('Ft1'),gtext('Ft2'),gtext('Ft3'),gtext('Ft4'),gtext('Ff+Fw');zoom on;[x,y]=ginput(1);zoom off;Tq=-19.3+296*(n/1000)-165*(n/1000).^2+40.9*(n/1000).^3-3.85*(n/1000). ^4;m=3695;g=10;nmin=600;nmax=4000;G=m*g;ig=[6.12 3.11 1.69 1.00 ];nT=0.894;r=0.37;f=0.0096;CDA=2.6;i0=5.83;L=3.4;a=2.0;hg=0.9;If=0.22;Iw1=1.80;Iw2=3.60;Ft1=Tq*ig(1)*i0*nT/r;Ft2=Tq*ig(2)*i0*nT/r;Ft3=Tq*ig(3)*i0*nT/r;Ft4=Tq*ig(4)*i0*nT/r;ua1=0.377*r*n/ig(1)/i0;ua2=0.377*r*n/ig(2)/i0;ua3=0.377*r*n/ig(3)/i0;ua4=0.377*r*n/ig(4)/i0;ua=[0:5:120];Ff=G*f;Fw=CDA*ua.^2/21.15;Fz=Ff+Fw;plot(ua1,Ft1,ua2,Ft2,ua3,Ft3,ua4,Ft4,ua,Fz);title('驱动力-行驶阻力平衡图');xlabel('ua(km/s)');ylabel('Ft(N)');gtext('Ft1'),gtext('Ft2'),gtext('Ft3'),gtext('Ft4'),gtext('Ff+Fw'); zoom on;[x,y]=ginput(1);zoom off;disp('汽车最高车速=');disp(x);disp('km/h');汽车最高车速=116km/h(2)⎪⎪⎭⎫ ⎝⎛+-=a w f a ti i G F F u F )()(arcsin α 其中:i α为第)...2,1(p i i =档对应不同转速(或车速)下的爬坡度求汽车最大爬坡度程序:五档车:n=[600:10:4000];Tq=-19.3+296*(n/1000)-165*(n/1000).^2+40.9*(n/1000).^3-3.85*(n/1000).^4;m=3695;g=10;nmin=600;nmax=4000;G=m*g;ig=[3.55 2.77 1.65 1.00 0.83];nT=0.87;r=0.37;f=0.0096;CDA=2.60;i0=5.83; L=3.4;a=2.0;hg=0.9;If=0.22;Iw1=1.8;Iw2=3.6;Ft1=Tq*ig(1)*i0*nT/r;ua1=0.377*r*n/ig(1)/i0;Ff=G*f;Fw1=CDA*ua1.^2/21.15;Fz1=Ff+Fw1;Fi1=Ft1-Fz1;Zoom on;imax=100*tan(asin(max(Fi1/G)));disp('汽车最大爬坡度=');disp(imax);disp('%');汽车最大爬坡度=23.0844%四档车:n=[600:10:4000];Tq=-19.3+296*(n/1000)-165*(n/1000).^2+40.9*(n/1000).^3-3.85*(n/1000). ^4;m=3695;g=10;nmin=600;nmax=4000;G=m*g;ig=[6.12 3.11 1.69 1.00 ];nT=0.87;r=0.37;f=0.0096;CDA=2.60;i0=5.83;L=3.4;a=2.0;hg=0.9;If=0.22;Iw1=1.8;Iw2=3.6;Ft1=Tq*ig(1)*i0*nT/r;ua1=0.377*r*n/ig(1)/i0;Ff=G*f;Fw1=CDA*ua1.^2/21.15;Fz1=Ff+Fw1;Fi1=Ft1-Fz1;Zoom on;imax=100*tan(asin(max(Fi1/G)));disp('汽车最大爬坡度=');disp(imax);disp('%');汽车最大爬坡度=43.0871%(3)求汽车行驶加速度倒数曲线程序:五档车:n=[600:10:4000];Tq=-19.3+296*(n/1000)-165*(n/1000).^2+40.9*(n/1000).^3-3.85*(n/1000). ^4;m=3695;g=10;nmin=600;nmax=4000;G=m*g;ig=[3.55 2.771 1.65 1.00 0.83 ];nT=0.87;r=0.37;f=0.0096;CDA=2.60;i0=5.83;L=3.4;a=2.0;hg=0.9;If=0.22;Iw1=1.8;Iw2=3.6;Ft1=Tq*ig(1)*i0*nT/r;Ft2=Tq*ig(2)*i0*nT/r;Ft3=Tq*ig(3)*i0*nT/r;Ft4=Tq*ig(4)*i0*nT/r;Ft5=Tq*ig(5)*i0*nT/r;ua1=0.377*r*n/ig(1)/i0;ua2=0.377*r*n/ig(2)/i0;ua3=0.377*r*n/ig(3)/i0;ua4=0.377*r*n/ig(4)/i0;ua5=0.377*r*n/ig(5)/i0;Fw1=CDA*ua1.^2/21.15;Fw2=CDA*ua2.^2/21.15;Fw3=CDA*ua3.^2/21.15;Fw4=CDA*ua4.^2/21.15;Fw5=CDA*ua5.^2/21.15;Ff=G*f;deta1=1+(Iw1+Iw2)/(m*r^2)+(If*ig(1)^2*i0^2*nT)/(m*r^2);deta2=1+(Iw1+Iw2)/(m*r^2)+(If*ig(2)^2*i0^2*nT)/(m*r^2);deta3=1+(Iw1+Iw2)/(m*r^2)+(If*ig(3)^2*i0^2*nT)/(m*r^2);deta4=1+(Iw1+Iw2)/(m*r^2)+(If*ig(4)^2*i0^2*nT)/(m*r^2);deta5=1+(Iw1+Iw2)/(m*r^2)+(If*ig(5)^2*i0^2*nT)/(m*r^2);a1=(Ft1-Ff-Fw1)/(deta1*m);ad1=1./a1;a2=(Ft2-Ff-Fw2)/(deta2*m);ad2=1./a2;a3=(Ft3-Ff-Fw3)/(deta3*m);ad3=1./a3;a4=(Ft4-Ff-Fw4)/(deta4*m);ad4=1./a4;a5=(Ft5-Ff-Fw5)/(deta5*m);ad5=1./a5;plot(ua1,ad1,ua2,ad2,ua3,ad3,ua4,ad4,ua5,ad5);axis([0 99 0 10]);title('汽车的加速度倒数曲线');xlabel('ua(km/h)');ylabel('1/a');gtext('1/a1');gtext('1/a2');gtext('1/a3');gtext('1/a4');gtext('1/a5') ;a=max(a1);af=asin(max(Ft1-Ff-Fw1)/G);C=tan(af)/(a/L+hg*tan(af)/L);四档车:n=[600:10:4000];Tq=-19.3+296*(n/1000)-165*(n/1000).^2+40.9*(n/1000).^3-3.85*(n/1000). ^4;m=3695;g=10;nmin=600;nmax=4000;G=m*g;ig=[6.12 3.11 1.69 1.00 ]nT=0.87;r=0.37;f=0.0096;CDA=2.60;i0=5.83;L=3.4;a=2.0;hg=0.9;If=0.22;Iw1=1.8;Iw2=3.6;Ft1=Tq*ig(1)*i0*nT/r;Ft2=Tq*ig(2)*i0*nT/r;Ft3=Tq*ig(3)*i0*nT/r;Ft4=Tq*ig(4)*i0*nT/r;ua1=0.377*r*n/ig(1)/i0;ua2=0.377*r*n/ig(2)/i0;ua3=0.377*r*n/ig(3)/i0;ua4=0.377*r*n/ig(4)/i0;Fw1=CDA*ua1.^2/21.15;Fw2=CDA*ua2.^2/21.15;Fw3=CDA*ua3.^2/21.15;Fw4=CDA*ua4.^2/21.15;Ff=G*f;deta1=1+(Iw1+Iw2)/(m*r^2)+(If*ig(1)^2*i0^2*nT)/(m*r^2);deta2=1+(Iw1+Iw2)/(m*r^2)+(If*ig(2)^2*i0^2*nT)/(m*r^2); deta3=1+(Iw1+Iw2)/(m*r^2)+(If*ig(3)^2*i0^2*nT)/(m*r^2); deta4=1+(Iw1+Iw2)/(m*r^2)+(If*ig(4)^2*i0^2*nT)/(m*r^2); a1=(Ft1-Ff-Fw1)/(deta1*m);ad1=1./a1;a2=(Ft2-Ff-Fw2)/(deta2*m);ad2=1./a2;a3=(Ft3-Ff-Fw3)/(deta3*m);ad3=1./a3;a4=(Ft4-Ff-Fw4)/(deta4*m);ad4=1./a4;plot(ua1,ad1,ua2,ad2,ua3,ad3,ua4,ad4);axis([0 99 0 10]);title('汽车的加速度倒数曲线');xlabel('ua(km/h)');ylabel('1/a');gtext('1/a1');gtext('1/a2');gtext('1/a3');gtext('1/a4'); a=max(a1);af=asin(max(Ft1-Ff-Fw1)/G);C=tan(af)/(a/L+hg*tan(af)/L);4 图解法或编程绘制汽车动力因数特性曲线Ft=Ff+Fi+Fw+Fjgdt du g Fw Ft δψ+=-令GF F w -t 为汽车的动力因数并以符号D 表示 (1)动力因素的计算awa ti a i G F u F u D -=)()(同理,在发动机外特性曲线上选取8个点(与上面的相同),计算对应的驱动力与空气阻力,然后根据公式5算出各档对应的动力因素点。