几种隔离LED驱动电源方案[附电路图]
- 格式:doc
- 大小:5.57 KB
- 文档页数:2
恒流方案大全恒流源是电路中广泛使用的一个组件,这里我整理一下比较常见的恒流源的结构和特点。
恒流源分为流出(Current Source)和流入(Current Sink)两种形式。
最简单的恒流源,就是用一只恒流二极管。
实际上,恒流二极管的应用是比较少的,除了因为恒流二极管的恒流特性并不是非常好之外,电流规格比较少,价格比较贵也是重要原因。
最常用的简易恒流源如图(1) 所示,用两只同型三极管,利用三极管相对稳定的be电压作为基准,电流数值为:I = Vbe/R1。
这种恒流源优点是简单易行,而且电流的数值可以自由控制,也没有使用特殊的元件,有利于降低产品的成本。
缺点是不同型号的管子,其be电压不是一个固定值,即使是相同型号,也有一定的个体差异。
同时不同的工作电流下,这个电压也会有一定的波动。
因此不适合精密的恒流需求。
为了能够精确输出电流,通常使用一个运放作为反馈,同时使用场效应管避免三极管的be电流导致的误差。
典型的运放恒流源如图(2)所示,如果电流不需要特别精确,其中的场效应管也可以用三极管代替。
电流计算公式为:I = Vin/R1这个电路可以认为是恒流源的标准电路,除了足够的精度和可调性之外,使用的元件也都是很普遍的,易于搭建和调试。
只不过其中的Vin还需要用户额外提供。
从以上两个电路可以看出,恒流源有个定式(寒,“定式”好像是围棋术语XD),就是利用一个电压基准,在电阻上形成固定电流。
有了这个定式,恒流源的搭建就可以扩展到所有可以提供这个“电压基准”的器件上。
最简单的电压基准,就是稳压二极管,利用稳压二极管和一只三极管,可以搭建一个更简易的恒流源。
如图(3)所示:电流计算公式为:I = (Vd-Vbe)/R1TL431是另外一个常用的电压基准,利用TL431搭建的恒流源如图(4)所示,其中的三极管替换为场效应管可以得到更好的精度。
TL431组成流出源的电路,暂时我还没想到:)TL431的其他信息请参考《TL431的内部结构图》和《TL431的几种基本用法》电流计算公式为:I = 2.5/R1事实上,所有的三端稳压,都是很不错的电压源,而且三端稳压的精度已经很高,需要的维持电流也很小。
LED驱动电源恒流电路方案详解LED驱动电源是一种将交流电转换成直流电,并能稳定地提供给LED 供电的设备。
恒流电路是其中一种常见的驱动方案,其主要功能是通过控制电流大小来保证LED的工作电流始终保持在一定范围内,从而实现LED 的稳定工作。
一、恒流电路的原理恒流电路的原理是通过电流控制器(current controller)来控制供电电流。
当LED的电流变化时,电流控制器会尽量保持输出电流不变,从而保证LED的光亮度稳定。
通常情况下,电流控制器的工作原理可以分为两种方式:线性驱动和开关驱动。
线性驱动方式:电流控制器通过调节电源电压和输出电阻来控制电流大小。
当LED电压波动时,电流控制器会自动调节电源电压,使得输出电流恒定。
这种方式的优点是简单可靠,成本较低,但效率较低,产生的功耗较大。
开关驱动方式:电流控制器通过开关元件(如晶体管、MOS管等)控制电流。
当LED电压波动时,电流控制器通过调节开关元件的导通时间来控制电流大小。
这种方式的优点是效率高,灵活可控,但需要较复杂的控制电路和开关元件。
二、恒流电路的主要组成部分1.整流桥:负责将交流电转换为直流电,并提供给后续的电路进行处理。
2.滤波电容:用于减小输出直流电的波动,使得输出电流更加稳定。
3.电流控制器:根据LED的工作电流要求,通过调节电源电压或开关元件导通时间来控制输出电流及保持其稳定。
4.电阻调节器:通过调节电阻的大小来调整电流控制器的工作点,实现输出电流的精确调节。
三、恒流电路的设计要点1.选择合适的电流控制器:根据LED的工作电流要求和驱动电压范围选择合适的电流控制器。
常用的电流控制器有线性调节型和开关型两种,可以根据具体需求进行选择。
2.设计适当的电阻调节器:电阻调节器的设计应符合LED的工作电流要求,同时要注意电阻的耗散功率不能过大,以免影响电路的稳定性和寿命。
3.选择合适的整流桥和滤波电容:整流桥和滤波电容的选择应根据驱动电流和电压波动范围来确定,以确保输出电流的稳定性和纹波的较小。
常用的LED驱动电源详解一、常见LED驱动电源LED电源有很多种类,各类电源的质量、价格差异非常大,这也是影响产品质量及价格的重要因素之一。
LED驱动电源通常可以分为三大类,一是开关恒流源,二是线性IC电源,三是阻容降压电源。
1开关恒流源采用变压器将高压变为低压,并进行整流滤波,以便输出稳定的低压直流电。
开关恒流源又分隔离式电源和非隔离式电源,隔离是指输出高低电压隔离,安全性非常高,所以对外壳绝缘性要求不高。
非隔离安全性稍差,但成本也相对低,传统节能灯就是采用非隔离电源,采用绝缘塑料外壳防护。
开关电源的安全性相对较高(一般是输出低压),性能稳定,缺点是电路复杂、价格较高。
开关电源技术成熟,性能稳定,是目前LED照明的主流电源。
2线性IC电源采用一个IC或多个IC来分配电压,电子元器件种类少,功率因数、电源效率非常高,不需要电解电容,寿命长,成本低。
缺点是输出高压非隔离,有频闪,要求外壳做好防触电隔离保护。
市面上宣称无(去)电解电容,超长寿命的,均是采用线性IC 电源。
IC驱电源具有高可靠性,高效率低成本优势,是未来理想的LED驱动电源。
3阻容降压电源采用一个电容通过其充放电来提供驱动电流,电路简单,成本低,但性能差,稳定性差,在电网电压波动时极容易烧坏LED,同时输出高压非隔离,要求绝缘防护外壳。
功率因数低,寿命短,一般只适于经济型小功率产品(5W以内)。
功率高的产品,输出电流大,电容不能提供大电流,否则容易烧坏。
另外,国家对高功率灯具的功率因数有要求,即7W以上的功率因数要求大于0.7,但是阻容降压电源远远达不到(一般在0.2-0.3之间),所以高功率产品不宜采用阻容降压电源。
市场上,要求不高的低端型的产品,几乎全部是采用阻容降压电源,还有一些高功率的便宜的低端产品,也是采用阻容降压电源。
二、LED开关电源与驱动电源的区别概括地说,LED驱动也是开关电源的一种,只是它有几点特殊性,也是这类开关电源的共性,所以习惯上把它分类称为LED驱动了。
简单的LED驱动电源电路图分析简单的LED驱动电源电路图分析概述:首先跟大家说一下,这张图是本人从网上截取,并不代表具体某个产品,接下来跟大家分享目前典型的恒流驱动电源原理,由于时间关系我随便找了个图跟大家分享我对它的理解,也希望可以帮到大家。
那么我今天只做定性分析,只讨论信号的过程,对具体电压电流的参数量在这里不作讨论(当然了必要时也会提一下)。
原理分析:为了方便分析,我把它分成几个部分来讲,尽量分的细一点来讲,如下1:输入过压保护---主要是雷击或者市冲击带来的浪涌)2:整流滤波电路---将交流(或者是直流)变成直流的过程3:箝位电路---------主要是吸收变压器工作时产生的尖峰和反向电动势4:IC工作过程--------主要是IC的供电原理,变压器的工作方式,电压变换过程。
5:输出整流---------将交流再次变成平滑理想的直流电压过程6:恒流原理---------电路中稳定输出电流控制过程分析1、输入过压保护电路:首先电压从“+48V、GNG”两端进来通过一个R1的电阻(这个电阻的作用就是限流,当后面的线路出现短路时,R1流过的电流就会增大,随之两端压降跟着增大,当超过1W时就会自动断开,阻值增加至无穷大,从而达到保护输入电路+48V不受到负载的影响)限流后进入整流桥,另一方面R1与旁边的MOV1构成了一个简单过压保护电路,MOV1是一个压敏元件,是利用具有非线性的半导体材料制作的而成,其伏安特性与稳压二极管差不多,正常情况显高阻抗状态,流过的电流很少,当电压高到一定的时候(这里主要是指尖峰浪涌,如打雷的时候高脉冲串通过市电串入进来),压敏MOV1会显现短路状态,直接截取整个输入总电流,使后面的电路停止工作,这时候,由于所有电流将流过R1和MOV1,因R1只有1W 的功率,所以瞬间可以开路,从而保护了整个电路不被损坏。
2、整流滤波电路:当+48V电压进入整流桥D1时,输出一个上正下负的直流电压(这里我要说明一下,如果+48V是交流的那么直接整流,如果+48V电源本身也是直流的,那整流桥的作用就是对输入起到的是极性保护作用,无论输入是上正下负还是上负下正都不会损坏驱动电源)通过C1\C2\L1进行滤波,这是一个LC Π型滤波电路,目的是将整流后的电压波形平滑的直流电。
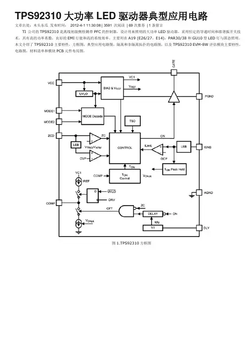
TPS92310大功率LED驱动器典型应用电路文章出处:木头东瓜发布时间:2012-4-1 11:30:08 | 3591 次阅读| 69次推荐| 1条留言TI 公司的TPS92310是离线初级侧检测带PFC的控制器,设计用来照明的大功率LED驱动器,采用恒定的导通时间和准谐振开关技术,具有高的功率系数,良好的EMI行能和高的系统效率。
主要用在A19 (E26/27,E14),PAR30/38和GU10型LED灯与固态照明。
本文介绍了TPS92310主要特性,方框图,典型应用电路图,隔离和非隔离拓扑的电路图,以及TPS92310 EVM-8W评估模块主要特性,电路图,材料清单和模块PCB元件布局图。
图1.TPS92310方框图图2.TPS92310典型应用电路图图3.TPS92310隔离拓扑电路图图4.TPS92310非隔离拓扑电路图LED驱动电源电路图LED和其他用电器电源电路一样,如,采用开关电源电路,可以让负载得到质量很好的直流电源,但是电路图,不方便制作,下面给大家介绍一种简易电路,专用于LED驱动电源电路图中,LED驱动电源电路中的元器件也很少,方便制作,元器件参数在电路中,供参考。
LED驱动电源电路图如下:本文介绍一种大功率LED驱动电路模块。
主要用于大功率led灯电路中,可以大功率LED灯电路的驱动问题,采用PAM2803就可以轻松实现驱动问题,先介绍一下PAM2803模块的功能。
PAM2803介绍PAM2803模块是专用于对大功率LED灯电路实现驱动之用。
PAM2803启动电压小,只有0.9V,PAM3803恒流工作电压是1.8~6v,自带过压保护。
封装采用SOT23-6。
最适用于用于电池供电而升压的LED驱动电路中。
PAM2803采用PWM控制方式开DC-DC升压驱动电路。
可以驱动3W大功率LED灯电路,电流可以由外部反馈电路调节,可以在500MA——1A可调,效率可以达到90%。
大功率led驱动电源电路图详解采用变压器将高压变为低压,并进行整流滤波,以便输出稳定的低压直流电。
开关恒流源又分隔离式电源和非隔离式电源,隔离是指输出高低电压隔离,安全性非常高,所以对外壳绝缘性要求不高。
非隔离安全性稍差,但成本也相对低,传统节能灯就是采用非隔离电源,采用绝缘塑料外壳防护。
开关电源的安全性相对较高(一般是输出低压),性能稳定,缺点是电路复杂价格较高。
开关电源技术成熟,性能稳定,是目前LED照明的主流电源。
关于“大功率led驱动电源电路图详解”的详细说明。
1.大功率led驱动电源电路图详解1、开关恒流源采用变压器将高压变为低压,并进行整流滤波,以便输出稳定的低压直流电。
开关恒流源又分隔离式电源和非隔离式电源,隔离是指输出高低电压隔离,安全性非常高,所以对外壳绝缘性要求不高。
非隔离安全性稍差,但成本也相对低,传统节能灯就是采用非隔离电源,采用绝缘塑料外壳防护。
开关电源的安全性相对较高(一般是输出低压),性能稳定,缺点是电路复杂价格较高。
开关电源技术成熟,性能稳定,是目前LED照明的主流电源。
2、线性IC电源采用一个IC或多个IC来分配电压,电子元器件种类少,功率因数、电源效率非常高,不需要电解电容,寿命长,成本低。
缺点是输出高压非隔离,有频闪,要求外壳做好防触电隔离保护。
市面上宣称无(去)电解电容,超长寿命的,均是采用线性IC电源。
IC驱电源具有高可靠性,高效率低成本优势,是未来理想的LED驱动电源。
3、阻容降压电源采用一个电容通过其充放电来提供驱动电流,电路简单,成本低,但性能差,稳定性差,在电网电压波动时及容易烧坏LED,同时输出高压非隔离,要求绝缘防护外壳。
功率因数低,寿命短,一般只适于经济型小功率产品(5W以内)。
功率高的产品,输出电流大,电容不能提供大电流,否则容易烧坏,另外国家对高功率灯具的功率因数有要求,即7W以上的功率因数要求大于0.7,但是阻容降压电源远远达不到(一般在0.2-0.3之间),所以高功率产品不宜采用阻容降压电源。
常见led驱动电源电路设计大全(十款电路设计原理图详解)★★★led驱动电源电路设计(一)LED电源有很多种类,各类电源的质量、价格差异非常大,这也是影响产品质量及价格的重要因素之一。
LED驱动电源通常可以分为三大类,一是开关恒流源,二是线性IC电源,三是阻容降压电源。
1、开关恒流源采用变压器将高压变为低压,并进行整流滤波,以便输出稳定的低压直流电。
开关恒流源又分隔离式电源和非隔离式电源,隔离是指输出高低电压隔离,安全性非常高,所以对外壳绝缘性要求不高。
非隔离安全性稍差,但成本也相对低,传统节能灯就是采用非隔离电源,采用绝缘塑料外壳防护。
开关电源的安全性相对较高(一般是输出低压),性能稳定,缺点是电路复杂、价格较高。
开关电源技术成熟,性能稳定,是目前LED照明的主流电源。
图1:开关恒流隔离式日光灯管电源图2:开关恒流隔离电源原理图图3:开关恒流源电源图4:开关恒流非隔离电源原理图。
2、线性IC电源采用一个IC或多个IC来分配电压,电子元器件种类少,功率因数、电源效率非常高,不需要电解电容,寿命长,成本低。
缺点是输出高压非隔离,有频闪,要求外壳做好防触电隔离保护。
市面上宣称无(去)电解电容,超长寿命的,均是采用线性IC电源。
IC驱电源具有高可靠性,高效率低成本优势,是未来理想的LED驱动电源。
图5:线性IC电源图6:线性IC电源原理图3、阻容降压电源采用一个电容通过其充放电来提供驱动电流,电路简单,成本低,但性能差,稳定性差,在电网电压波动时及容易烧坏LED,同时输出高压非隔离,要求绝缘防护外壳。
功率因数低,寿命短,一般只适于经济型小功率产品(5W以内)。
功率高的产品,输出电流大,电容不能提供大电流,否则容易烧坏,另外国家对高功率灯具的功率因数有要求,即7W以上的功率因数要求大于0.7,但是阻容降压电源远远达不到(一般在0.2-0.3之间),所以高功率产品不宜采用阻容降压电源。
市场上,要求不高的低端型的产品,几乎全部是采用阻容降压电源,另外,一些高功率的便宜的低端产品,也是采用阻容降压电源。
LED路灯的四种电源设计方案LED路灯是LED照明中一个很重要应用。
在节能省电的前提下,LED路灯取代传统路灯的趋势越来越明显。
市面上,LED路灯电源的设计有很多种。
早期的设计比较重视低成本的追求;到近期,共识渐渐形成,高效率及高可靠性才是最重要的。
立锜科技近年来推出了一系列LED照明的驱动IC,也一直关注LED路灯的发展。
本文主要是针对几种不同LED路灯的应用,提出了适合的架构,并对其优缺点进行分析,以便让读者能根据具体状况和设计的路灯种类,找到最合适的方案。
方案一:直接AC输入,对6串 LED分别做恒流控制在本文介绍的几种方案之中,这一种方案应该是目前效率最高、电路成本最低的方案(图1)。
直接用光电耦合器对初级侧电路进行回溯控制,调节输出电压。
相对于其它传统方案,该方案的开关损耗少。
将CS的电压固定在0.25V,对6串LED分别做恒流控制。
IC会侦测FB的位置,将电压最低那串LED固定在0.5V。
此时由于各串LED的Vf值的总和不同,产生的压降会落在MOS管上,导致一些损耗。
如果是一般对Vf分BIN筛选过后的LED,损耗应该可以控制在2%以内,少于一般的开关损耗。
该方案的优点是:效率高、成本低,缺点是AC输入、需要较多的研发成本。
该方案适用于可以用AC直接输入的路灯。
方案二:DC或电池输入,对6串LED分别做恒流控制它采用多串的升压结构设计,LED驱动的方式与前一种类似,差别在于由AC输入改为DC或是由电池输入(图2)。
低压侧传感的设计只要选择适当的 MOS 管,LED可以串相当多的颗数。
相对于AC输入的方案,其设计较为简单。
但由于多了一次升压的开关,效率相对较低。
该方案的优点是:设计简单、电路成本低,缺点是效率较低。
它适合太阳能电池或通过适配器输入的路灯。
方案三:单串降压结构有些厂商仍喜欢用单串的设计,优点是维修容易,而且可以做模块化设计。
不同功率的路灯可以使用相同的灯条,只要更换面板,插上不同数目的灯条,就可以组合出各种不同功率的路灯。
自制LED恒流驱动电源,LNK304 LED driver自制LED恒流驱动电源,LNK304 LED driver关键字:LNK304,LED电源电路作者:孙安由于LED用作照明灯具有节能、长寿命等优点,现在LED照明非常火热。
由于LED需要的是低压直流电源.为了使用220V(或者110V)交流市电驱动LED。
需要使用电源转换电路。
普通常见的线性电源由于体积大、效率低等缺点,不适合用在这里,但是常用的开关电源需要设计变压器.设计制作过程比较复杂,不适合爱好者DIY。
下面介绍的这个LED驱动电源电路非常简单.并且全部使用市场上便于购买的器件,非常适合爱好者自己动手制作。
这个电源支持90V~265V的交流市电输入.输出恒流100mA.能够驱动4~5个串联的LED模组。
图1是本次制作的电路原理图.使用了内部集成了开关管的LNK304这款芯片.电路拓扑为buck-boost结构。
90V~265V交流市电经过D4整流、C5滤波后进人U1,U1内部有一个基准源,会在FB脚和S脚之间产生一个1.65V的基准电压.这个电压以及R12、R2和R4共同决定了输出的电流.具体的计算公式是:I=1.65x(R2+R1)/(R2xR4) 按照图中的取值.输出电流在100mA左右。
图中的C4是芯片滤波电容,C1滤除R4上的毛刺.C2为输出摅波电容。
为了防止没有接LED的时候输出电压太高.D2和D1构成限压电路。
空载时输出电压由D1的稳压值决定。
制作可以在洞洞板上完成。
其中R3是保险电阻.也可以用一只250W1A左右的保险丝代替。
C3和C10是电解电容,C4和C2是陶瓷电容.特别是C2不能用电解电容,代替,否则会发热比较严重。
D2和D5需要耐压500V以上的超快恢复二极管,可以代替的型号有HER107、MUR160等。
L1用直径10mm左右的工字电感。
制作完成的电路如图2所示(略)。
制作完成后可以接上发光二极管测试。
可以使用4~5个功率LED串联也可以使用五组(每组4~5个串联)普通的高亮度LED并联,每组电流约20mA。
220vled灯电路图(三款超简单led电源电路)在讲220v led灯电路图之前我们先了解一下LED的发光机理。
LED的PN结的端电压构成一定势垒,当加正向偏置电压时势垒下降,P区和N区的多数载流子向对方扩散。
由于电子迁移率比空穴迁移率大得多,所以会出现大量电子向P区扩散,构成对P区少数载流子的注入。
这些电子与价带上的空穴复合,复合时得到的能量以光能的形式释放出去。
这就是PN结发光的原理。
220v led灯电路图(适合贴片20MA的LED)此电路适合驱动7-12只20mA的贴片LED图1是一款贴片LED照明灯具的实用电路图,该灯使用220V电源供电,220V交流电经C1降压电容降压后经全桥整流再通过C2滤波后经限流电阻R3给串联的10颗贴片LED提供恒流电源。
贴片LED 的额定电流为20mA,但是我们在制作节能灯的时候要考虑很多方面的因素对贴片LED的影响,包括光衰和发热的问题,LED的温度对光衰和寿命影响很大,如果散热不好很容易产生光衰,因为LED的特性是温度升高电流就会增大,所以一般在做大功率照明时散热的问题是最重要的,将影响到LED的稳定性,小功率一般都采取自散热方式,所以在电路设计时电流不宜过大。
图中R1是保护电阻,R2是电容C1的卸放电阻,R3是限流电阻防止电压升高和温度升高LED的电流增大,C2是滤波电容,实际在LED电路中可以不用滤波电路,C2是用来防止开灯时的冲击电流对LED的损害,开灯的瞬间因为C1的存在会有一个很大的充电电流,该电流流过LED将会对LED产生损伤,有了C2的介入,开灯的充电电流完全被C2吸收起到了开灯防冲击保护。
该电路是小功率灯杯最实用的电路,占用体积小可以方便的装在空间较小的灯杯里,现在被灯杯产品广泛的采用。
优点:恒流源,电源功耗小,体积小,经济实用。
但是在设计时降压电容要采用耐压在400V以上的涤纶电容或CBB电容,滤波电容要用耐压250v以上.电容或CBB电容,滤波电容要用耐压250v以上。
LED驱动电源介绍_常用的LED驱动电源电路图LED驱动电源是把电源供应转换为特定的电压电流以驱动LED发光的电压转换器,通常情况下:LED驱动电源的输入包括高压工频交流(即市电)、低压直流、高压直流、低压高频交流(如电子变压器的输出)等。
而LED驱动电源的输出则大多数为可随LED正向压降值变化而改变电压的恒定电流源。
本文为大家介绍常用的LED驱动电源电路图。
LED驱动电源电路图一----电容降压式电源C1为降压电容器(采用金属化聚丙烯电容),R1为C1提供放电回路。
电容C1为整个电路提供恒定的工作电流。
电容C2为电解电容,其耐压值取决于所串联的LED的个数(约为其总电压的1.5倍以上),它的主要作用是抑制通电瞬间引起的电压突变,从而降低电压冲击对LED寿命的影响。
R4为电容C2的泄流电阻,其阻值应随着LED个数的增加适当增加。
需要注意的是,该电路必须根据负载的电流大小选取适当的电容,而不是依据负载的电压和功率,通常降压电容C1的容量C与负载电流IO的关系可近似认为:C=14.5IO,其中C 的容量单位是uF,Io的单位是A。
限流电容必须采用无极性电容,而且电容的耐压值须在630V以上。
LED驱动电源电路图二----传统的低效率电路下图是传统的低效率电路,电网电源通过降压变压器降压;桥式整流滤波后,通过电阻限流来使3个LED稳定工作,这种电路的致命缺点是:电阻R的存在是必须的,R上的有功损耗直接影响了系统的效率,当R分压较小时,R的压降占总输出电压的40%,输出电路在R上的有功损耗已经占40%,再加上变压器损耗,系统效率小于50%。
当电源电压在10%的范围内变动时,流过LED的电流变化将25%,LED上的功率变化将达到30%。
当R分压较大时,在电源电压在10%的范围内变动时,虽说能使输出到LED的功率变化减少,但系统效率将更低。
下图电路是直接采用电容作为限流元件,在此电路中,由于电容上的分压几乎达到了全部电源电压,所以具有良好的限流特性,当电源电压在10%波动时,输出电流也在10%内波动,只要在设计中把LED的额定值留有一定的裕量,就能保证在电源电压波动时LED。
三种常用的LED驱动电源详解(开关恒流源/线性IC电源/阻容降压电源)什么是LED驱动电源LED驱动电源就是把电源供应转换为特定的电压电流以驱动LED发光的电源转换器,通常情况下:LED驱动电源的输入包括高压工频交流(即市电)、低压直流、高压直流、低压高频交流(如电子变压器的输出)等。
而LED驱动电源的输出则大多数为可随LED正向压降值变化而改变电压的恒定电流源。
LED驱动电源的特点1.高可靠性特别像LED路灯的驱动电源,装在高空,有防水铝壳驱动电源,质量好的话不容易坏,减少维修次数。
2.高效率LED是节能产品,驱动电源的效率要高。
对于电源安装在灯具内的结构,尤为重要。
因为LED的发光效率随着LED温度的升高而下降,所以LED的散热非常重要。
电源的效率高,它的耗损功率小,在灯具内发热量就小,也就降低了灯具的温升。
对延缓LED的光衰有利。
3.高功率因数功率因数是电网对负载的要求。
一般70瓦以下的用电器,没有强制性指标。
虽然功率不大的单个用电器功率因素低一点对电网的影响不大,但晚上大家点灯,同类负载太集中,会对电网产生较严重的污染。
对于30瓦~40瓦的LED驱动电源,据说不久的将来,也许会对功率因数方面有一定的指标要求。
4.驱动方式现在通行的有两种:其一是一个恒压源供多个恒流源,每个恒流源单独给每路LED供电。
这种方式,组合灵活,一路LED故障,不影响其他LED的工作,但成本会略高一点。
另一种是直接恒流供电,LED串联或并联运行。
它的优点是成本低一点,但灵活性差,还要解决某个LED故障,不影响其他LED运行的问题。
这两种形式,在一段时间内并存。
多路恒流输出供电方式,在成本和性能方面会较好。
也许是以后的主流方向。
5.浪涌保护LED抗浪涌的能力是比较差的,特别是抗反向电压能力。
加强这方面的保护也很重要。
有些LED灯装在户外,如LED路灯。
由于电网负载的启甩和雷击的感应,从电网系统会侵入各种浪涌,有些浪涌会导致LED的损坏。
LED驱动电路简介LED驱动电路除了要满足安全要求外;另外的基本功能应有两个方面;一是尽可能保持恒流特性;尤其在电源电压发生±15%的变动时;仍应能保持输出电流在±10%的范围内变动..二是驱动电路应保持较低的自身功耗;这样才能使LED 的系统效率保持在较高水平..传统的低效率电路:图1图1 是传统的低效率电路;电网电源通过降压变压器降压;桥式整流滤波后;通过电阻限流来使3 个LED 稳定工作;这种电路的致命缺点是:电阻R 的存在是必须的;R 上的有功损耗直接影响了系统的效率;当R 分压较小时;R 的压降占总输出电压的40%;输出电路在R 上的有功损耗已经占40%;再加上变压器损耗;系统效率小于50%..当电源电压在±10%的范围内变动时;流过LED 的电流变化将≥25%;LED 上的功率变化将达到30%..当R 分压较大时;在电源电压在±10%的范围内变动时;虽说能使输出到LED 的功率变化减少;但系统效率将更低..图2图2是在图1 的基础上加了一个集成稳压元件MC7809;使输出端的电压基本稳定在9V;限流电阻R 可用得很小也不会因为电源电压的不稳定造成LED 的超载..但是此电路除了保证LED 的基本恒定输出外;效率还是很低的..因为MC7809 和R1 上的压降仍占很大比例;其效率仅为40%左右..上述这类电路的应用;系统总的每瓦输出流明仅为20lm/W~25lm/W;是根本不能称为节能的照明产品的..为了达到既能使LED 稳定工作;又能保持高的效率;应采用低功耗的限流元件和电路来使系统效率提高..图3图3 是采用集成恒流源NUD4001 的LED 驱动电路;这一电路的显著特点是当电源电压在±15%的范围内变动时;输出波动≤1%;可称为恒功率驱动电路;另外这一IC 电路可在很低的串联分压下工作即1 脚与输出的各引脚之间的电压在≥2.8V 时尚能工作;所以可保证在几乎恒功率输出的情况下;保持1 脚与输出引脚之间的电压在2.8V 左右就能使系统效率达70%左右..这一IC 电路的输入电源可采用工频交流;但最好采用卤钨灯电子变压器作为前级;这样能保证谐波和电源端子干扰都符合标准的要求..当电子变压器内部实现Ⅱ类电器的隔离绝缘输出时;图3 电路可用于Ⅱ类灯具中;并且输出端可以做成可触及式..图4电路是直接采用电容作为限流元件;在此电路中;由于电容上的分压几乎达到了全部电源电压;所以具有良好的限流特性;当电源电压在±10%波动时;输出电流也在≤±10%内波动;只要在设计中把LED 的额定值留有一定的裕量;就能保证在电源电压波动时LED 仍处于良好的工作状态..由于电容的介质损耗极小;所以电路的损耗很小;电阻R 的作用是在断电时;保证电容上的电压能及时放掉;其阻值可≥3MΩ;每组串联的LED 中;可加有一个IN4007 二极管;当两组串联的LED 有一个内部开路时;另一组有可能被反向电压击穿;如串入一个IN4007 二极管;则可保护剩余的LED 不损坏;当然IN4007 的加入也使效率略有下降;当输出电流30mA 时;IN4007 上的功耗约0.02W..对于一体化小夜灯;可省略IN4007;此时这一驱动电路效率≥90%..用此驱动电路做成的LED 小夜灯;效率高于采用气体放电光源的小夜灯;并且使用寿命远大于采用其它光源的小夜灯..此电路在30 个LED 串联时还能稳定工作..但是此电路输出的光具有一定的频闪在50Hz 时有100Hz 的频闪;不适用于运动物的照明场合;并且使用时LED 应做成不可触及;否则将影响安全..图5电路是在原卤钨灯电子变压器的基础上;利用高频电感限流来实现LED 的稳定工作..此电路的特点是;负载可根据电子变压器功率的大小带上几组LED;并且可做到次级完全隔离的安全特低电压输出;输出电压12V此时每组的 LED 为3 个;最高输出电压图5 可以到25V/空载输出电压可以到33V..由于采用了高频电流来点亮LED;所以输出光的频闪现象基本可消除..输出的限流电感;可以做得体积很小;每个电感的电感量仅为0.05mH~0.2mH根据LED 的电流不同;采用不同电感量的电感;只要电感采用的线径不要太细;电子变压器的调试水平较高;这一电路在输出功率为8W~70W 时;总体效率可达80%~92%..此电路在线路功率≥25W 时;还能全面满足谐波和EMI 的要求..此电路在电源电压变化±10%时;输出给LED 的功率变化±20%;所以应保证在额定电源电压下;使输出给LED 的功率适当小于额定值;防止过电压时LED 超载引起过热而影响使用寿命..图6电路是采用2 块专用IC 电路的LED 驱动电路;该电路采用IC1 型号VIPEr22A 是ST公司生产的智能功率开关集成模块;内部具有PWM 控制电路和一个0.7A/730V 的VDMOS 场效应功率管;IC2 的型号为TSM1101;该IC 内部具有2.5V 的基准电压及两个由运放器组成的比较器;从R6 上取得LED 的工作电流信号输入到IC2 中的CC 比较器;通过比较放大后;反馈到前级..从R4 和R5 分压器上取得LED 的工作电压信号;输入到IC2 中的CV 比较器;通过比较放大后也反馈到前级;两个比较器的反馈信号都是通过光电耦合器型号SFH610A耦合到IC1 控制极..IC1 自身产生高频信号来使自身的VDMOS 管不断地工作在导通与截止之间;当电源电压变化时造成N3 上电压变化以及当LED 电流和电压发生变化时;这些信号都被反馈到IC1控制极;使IC1 产生的高频信号的占空比或称脉宽发生变化;使自身的VDMOS 场效应功率管的导通/截止时间比例发生变化;从而达到使N2 输出的电压和电流实现恒定输出的目的..图6 中变压器N1 是初级绕组;N2 为次级功率输出绕组;N3 是IC1 的偏置工作绕组;N4是IC2 的偏置工作绕组.从电路分析可看出;N2 是附于隔离式安全电压输出28V绕组;N4 和N2 与输出电路直接连接;为了保证安全标准的要求;输出电路与和电网有直接连接的电路必须实现完全的隔离;所以电路中反馈信号通过高耐压的光电耦合器再反馈到前级的;变压器内的N2 和N4 与NI 和N3 之间在结构上必须满足安全隔离变压器的要求..图6 电路的最大特点是:1、电源电压在很宽的范围内工作时;约180V~265V能保证LED 的恒功率输出;并且LED 可实现无频闪输出..2、实现安全隔离的安全电压输出;甚至是安全超低电压输出..3、IC2 如果采用TSM104;可实现0~100%的光输出连续调节..应注意:N1 和N2 以及高频变压器磁芯是功率输入和输出的通道;整个电路的效率高低主要取决于这三个因素..其它方面几乎无潜力可挖..应采用磁芯截面足够的磁芯以及保持N1 和N2 较低的电流密度;这样才能使该电路的转换效率达到较高的程度;当LED 输出功率为8W时;效率约在80%~85%之间;当LED 输出功率为20W~40W 时;效率约在85%~90%之间..综上所述可以看出;LED 在工作时需要有稳流、稳压的元件;但是此类元件应具备自身承担的分压高;但功耗要小的特性;否则将使具有较高效率的LED 因为驱动电路的工作功耗太大而使总体系统的效率大为降低;有悖于节能高效的宗旨..所以应尽可能不采用电阻或串联稳压电路来作为LED 驱动器的限流主电路;而应该采用电容;电感或有源开关电路等高效电路;这样才能保证LED 系统的高效率..采用串联式集成恒功率输出电路;可以使LED 的光输出在很宽的电源范围内保持恒定;但一般的IC 电路会因此而使效率有所下降..采用有源开关电路可以保证在较高的转换效率下实现电源电压大幅度变化时恒功率输出..LED 在目前阶段;其光效还远未达到可以取代三基色荧光灯的程度;但是以其独特的长处;可以在安全特地电压游泳池;划水池内水下灯具;矿灯条件下高效工作..此外;在直接采用绿色电能太阳能;风能等;以及应急照明方面也有着其独特的优势..尤其在调光方面;LED 不仅可实现0~100%的调光;并且可保证在整个调光过程保持较高光效;并且不损害LED 的寿命;而气体放电灯则很难做到这一点..。
解析隔离与非隔离LED驱动电源的优缺点目前在一般的LED照明市场上,存在非隔离设计和隔离型驱动电源之分。
非隔离设计仅限于双绝缘产品,例如灯泡的替代产品,其中LED和整个产品都集成并密封在非导电塑料中,因此,最终用户并没有任何触电的危险。
二级产品都是隔离型的,价格相对比较昂贵,但在用户可以接触到LED和输出接线的地方(通常在LED照明和路灯照明应用的情况下),这种产品必不可少。
解析驱动电源的隔离与非隔离带隔离变压器或者电气隔离的LED驱动电源意味着LED可以直接用手接触而不会触电。
而无隔离变压器的LED驱动电源虽仍可以借助防护外壳实现部分机械绝缘,但此时的LE D在工作时并不能直接接触。
绝缘型灯泡在今后将成为主流物理设计决定着驱动器是隔离式还是非隔离式。
安全规则通常要求使用两个独立的隔离层。
设计师可以选择两种物理隔离层,即塑料散光罩和玻璃护罩,并使用非隔离式电源。
如果物理隔离成本太高、存在机械困难或者吸收太多光,就必须在电源中解决电气隔离问题。
隔离式电源通常要比同等功率水平的非隔离式电源大一些。
照明灯设计师必须在他们所设计的每款产品中进行大量的成本及设计优化工作。
由于适用于不同的应用,是采用隔离的绝缘变压器还是采用隔离的防护灯罩外壳,设计者在不同的角度考虑永远会有不同的见解。
通常,他们会从多方面去分析,例如成本与制造工艺、效率和体积、绝缘可靠性和安全规范的要求,等等。
带变压器的驱动成本较高,但也相应让L ED灯具变得更加实用,能够满足终端用户偶然接触LED的需要。
当白炽灯玻璃外壳很容易被损坏时,一个E27型号的普通灯泡可被替换成为LED灯。
此外,在工业区或者是办公设备应用中的灯具并不需要接触到终端用户,如路灯和商场照明,这时的LED 灯也确实需要隔离变压器。
基于SSL2129AT的新型隔离式PWM调光LED驱动电路付贤松;任梦奇【摘要】An isolation LED driver circuit based on SSL2129AT by PWM control is presented, the design of the dimming circuit is introduced in detail, the experimental parameters and test results are given. The isolation LED driver circuit is designed to meet the following requirements:input voltage of 90-265 V, output voltage 80 V,output current 400 mA,the dimming range of 2%-100%,the efficiency higher than 85%,PF value higher than 0.9. The results of the experiments verify the feasibility of the given design scheme which has promising application prospects in the field of domestic LED lamps.%设计一种基于SSL2129AT的PWM占空比控制驱动电源输出电流大小的隔离式电路,电路设计需求输入电压为交流90~265 V,输出电压80 V,输出电流400 mA,调光范围2%~100%,效率高于85%,PF值高于0.9,在该要求下提出了详细的调光控制电路的设计与实现方案,给出了设计参数和测试结果,通过测试结果验证了所给出设计方案的可行性.【期刊名称】《天津工业大学学报》【年(卷),期】2015(000)005【总页数】4页(P85-88)【关键词】LED驱动;PWM;调光;占空比;隔离【作者】付贤松;任梦奇【作者单位】天津工业大学电气工程与自动化学院,天津 300387;天津工业大学电子与信息工程学院,天津 300387【正文语种】中文【中图分类】TN312.8新型的大功率LED照明作为一种节能、绿色的照明方式正在取代传统的气体放电灯和白炽灯[1].随着LED工艺的不断进步,对相应的驱动技术也提出了更高的要求,尤其是可控制的驱动电路设计.通常,LED驱动器的调光方式有3种:可控硅调光、模拟调光、PWM调光[2].模拟调光是通过改变输出电流的幅值来实现调光功能,电路简单易实现,但会产生LED色温漂移的现象,且调节精度低.可控硅调光是通过调节电流导通角大小来调节输出功率大小,以实现调光功能,但调节时,LED闪烁问题比较严重.PWM调光是在输出端以足够高的频率工作,通过设置周期和占空比来改变输出电流的平均值,其输出电流只有2种状态:最大额定工作电流和零电流[3].因此PWM调光可以保证LED的色温恒定,同时配合MCU控制器,大大提高调节精确度,有效避免LED闪烁.本文提出基于SSL2129AT的新型的隔离式PWM调光LED驱动电路,对驱动器的各个组成部分进行了详细的分析,并制作了一款样机来进行验证.1.1 设计要求输入电压为交流90~265 V,额定值220 V,输出电压为直流80 V,输出电流400 mA,调光范围2%~ 100%,在额定输入下,PF>0.9,效率高于85%,调光时整个电路稳定工作.1.2 硬件设计可调光驱动电路的硬件电路设计主要包括EMI滤波电路、SSL2129AT转换电路、STC单片机调光电路和5 V供电电路4部分组成.整体框图如图1所示.1.3 EMI滤波器设计EMI滤波器主要用来抑制来自电网中的电磁干扰,同时也抑制驱动器自身产生的对电网的高频干扰.干扰主要分为共模干扰和差模干扰[4].EMI滤波器的电路如图2所示.图2主要包括一个共模电感L1和4个滤波电容CY1、CY2、CX1和CX2.L1对差模干扰不起作用,但出现共模干扰时,由于线圈的磁通方向相同,结果耦合后总电感量迅速增大,因此用来滤除共模干扰,再配合上CY1和CY2就能更好地消除共模干扰.CX1和CX2为差模电容,在扼流圈LX的两端,能够很好地滤除差模干扰.图2中:差模电容为X电容;共模电容为Y电容;RV1为压敏电阻;F1为保险电阻.2.1 SSL2129AT转换电路设计SSL2129AT是恩智浦半导体推出的一款新型的电源驱动芯片.主要优点有:①控制器提供了高效率的临界导通模式;②可进行直接PWM调光;③通过逐周期的电流控制实现快速的瞬态响应;④可用在交流输入切相调光LED驱动方案中,支持前沿、后沿的切相调光器;⑤完善的内部保护功能,包括输入欠压保护、前沿消隐、输出过电流保护、过温保护和布朗输出保护;⑥IC的寿命可以匹配或者超过LED的寿命.主电路的电路原理图如图3所示.其工作原理是:当开关管M1导通时,母线电压经过EMI滤波器、整流桥和LC滤波网络之后,加载在TR1变压器的原边电感上,电感电流线性上升,此时二次侧D4二极管截止,副边电感储能.输出端由C5和C6两个并联电容向负载供电.当M1关闭时,次级侧的D4二极管导通,副边电感通过D4向负载提供电流,同时也给C5和C6充电.随着副边电感电流下降到0后,副边导通结束,开关管的漏极电压和芯片的高压端HV之间存在的差值使得芯片进行谷底检测,当检测到有效的谷底时,下一周期开始.在整个工作过程中,当VCC电压低于VCC(STOP)时,IC 将停止工作.IC会通过HV引脚给VCC供电进行重启的尝试.如果电路工作中有Source引脚的电压达到Vth(ocp)source时,过流保护会被触发,IC停止工作,这个流过开关mos管的电流通过在source引脚与GND之间加上电阻的方法来检测.如果在工作过程中输入电压突然掉低到接近输出电压时,由于功率不变,输入电流就会增加,且有可能超过电路所能承受的范围,此时布朗输出保护启动,在该保护状态下,即便在输入电压掉低后的ton(high)时间内,输入电流也不会达到峰值电流.ton(high)的这个时间是可以通过在Tonmod引脚结电容的方法进行调节.2.2 反激变压器的设计设计变压器时需遵众多规则,必须注意设计顺序.首先应确定匝比Np/Ns,因为匝比决定了不考虑漏感尖峰时开关管可承受的最大关断电压应力VMS(max).若忽略漏感尖峰并设整流管压降为1 V[5],则直流输入电压最大时开关管的最大电压应力为:式(1)中:VDC(max)为最恶劣条件下的整流后线电压值,即输入范围最大值;参数的选择应使VMS(max)尽量小,以保证即使有0.3 VDC(max)的漏感尖峰叠加于VMS(max),对开关管的极限值仍留有30%的裕度.保证变压器正负伏秒数相等,伏秒数反应的是磁通的变化量,且假设D4的正向导通压降是1 V,则有:式(2)中:Tr为变压器的复位时间,也是次级电流降为零所需的时间;VDC(min)为经过整流后的线电压的最恶劣条件下的值,即范围电压最小值.为保证电路工作于不连续模式,必须设定死区时间,即为原边和次级绕组中都无电流的时间,留出0.05~0.1 T的裕度[6].已知负载电流过大或输入VDC过低时,必须增加Ton来保持Vo恒定[7].Ton增加,必定会占用死区时间,而可能使副边电流在M1再次导通前无法归零,电路进入连续模式.因此确定Ton(max)为:式(3)中:T为周期.VDC和VMS确定后,Np/Ns可由式(1)求得,此时式(2)和式(3)中仅有2个未知量,将这2个式子联立,可得在得到了Ton和Tr之后[8],占空比Dmax为:根据电感公式和电感储能公式得到原边电感电流峰值和原边电感量公式(6)和(7):根据变压器的功率体积设计法[10](即AP法),得到合适的磁芯骨架参数.根据楞次定理得到原边最小匝数Np为:式中:ΔB为最大磁通密度;A为磁芯有效截面积.原边导线截面积:副边导线截面积:如考虑趋肤效应,需采用多股线绕制,则单根导线截直径应满足[7]:根据推倒,样机采用的变压器为EE25骨架铁氧磁芯,原边85匝、副边50匝、辅助边10匝.本文中的其他变压器的设计也采取该方法进行设计.3.1 5 V供电电路设计CR1510是iwatt出品的一款小功率电源管理芯片.该芯片的优点是:静态功耗低,隔离设计无需光耦反馈,支持宽的输入电压范围,内置开关管,外围器件少,是一款很好的线性电源替代产品,主要应用在固态照明、低功率的充电器适配器、掌上电脑和数码相机这些产品上.在本设计中采用反激拓扑结构来实现输出5 V给单片机及以后的扩展模块供电,其电路图如图4所示.工作原理为:交流输入通过整流桥及其滤波电路之后加到变压器的原边,原边电感电流从IC的内置三极管的集电极流入发射极流出,并在发射极与地之间加入检测电阻来检测电流的大小,反馈到Isense引脚.内部的逻辑器控制基极的开关,从而控制一次侧电路的通断.同时,在三极管关断期间,Vsense引脚检测从次级侧反馈回来的电压,通过检测的电阻的阻值比例关系,控制输出电压的大小实现恒压. 检测电阻R1、R2、R3与输出电压和输出电流的确定关系为:变压器的参数为:EE13骨架铁氧磁芯,原边135匝,副边9匝,辅助边13匝.3.2 基于STC单片机的调光电路设计该设计采用STC12C5616AD这款单片机,该单片机高速低功耗,片内资源丰富[9].调光电路通过红外遥控控制,经过内部的A/D转换,利用I/O口驱动外置三极管电路.本设计使用单片机外部16 MHz晶振,输出波形频率为300 Hz,通过A/D转换获得电压值来控制比较寄存器的值,进而控制PWM波形的占空比,实现调光.按照上述电路图,设计了一款28 W可调光LED驱动器.整机实际测试的对应数据如表1和表2,其中辅助电源数据如表1所示,调光电源数据如表2所示.本设计通过对家用照明的需求分析,选取了PWM调光的LED调光方案,利用SSL2129AT作为主控芯片,CR1510和STC12C5616AD作为PWM发生电路,设计并制作了一款样机.要求能在输入电压为交流90~265 V,额定值220 V,输出电压为直流80 V,输出电流400 mA,调光范围2%~100%下稳定工作,且在额定输入下,要求PF>0.9,效率高于85%.结果表明,该驱动器的样机能够完成设计要求,实现高效率、高功率因数及宽范围调光,是一款高性能的调光LED驱动器.【相关文献】[1]TJOKRORAHARDJO Andre.Simple Triac Dimmable CompactFluorescent Lamp Ballast and Light Emitting Diode Driver [C].25th Annual IEEE Applied Power Electronics Conferenceand Exposition(APEC),2010,1352-1357.[2]PATTERSON James.可调光LED:应该选择哪种方案[J].中国电子商情:基础电子,2011(4):55-58.[3]田立东,周继军,秦会斌.PWM调光LED驱动器设计[J].机电工程,2012,29(4):465-468.[4]张占松,蔡宣三.开关电源的原理与设计:修订版[M].北京:电子工业出版社,2004.[5]刘毅莉,付贤松,张金建,等.一种有稳定输出的单端反激式LED开关电源的设计[J].天津工业大学学报,2012,31(3):52-55.[6]翟国富,胡泊,张宾瑞.LED路灯恒流驱动电源可靠性容差设计技术的研究 [J].电工技术学报,2011,26(1):135-140,153.[7]PRESSMAN Abraham I,BILLINGS Keith,MOREY Taylor.开关电源设计[M].3版.王志强,肖文勋,虞龙,译.北京:电子工业出版社,2010.[8]葛涛,付贤松,牛萍娟.大功率LED路灯电源系统的设计[D].天津:天津工业大学,2011.[9]杨巍巍.LED调光驱动电源的研究与设计[D].西安:陕西科技大学,2014.。
几种隔离LED驱动电源方案[附电路图]
在全球能源短缺、环保要求不断提高的背景下,世界各国均大力发展绿色节能照明。
LED照明作为一种革命性的节能照明技术,正在飞速发展。
然而,LED驱动电源的要求也在不断提高。
高效率、高功率因数、安全隔离、符合EMI标准、高电流控制精度、高可靠性、体积小、成本低等正成为LED驱动电源的关键评价指标。
LED驱动电源的具体要求
LED是低压发光器件,具有长寿命、高光效、安全环保、方便使用等优点。
对于市电交流输入电源驱动,隔离输出是基于安全规范的要求。
LED驱动电源的效率越高,则越能发挥LED高光效,节能的优势。
同时高开关工作频率,高效率使得整个LED驱动电源容易安装在设计紧凑的LED灯具中。
高恒流精度保证了大批量使用LED照明时的亮度和光色一致性。
10W以下功率LED灯杯应用方案
目前10W以下功率LED应用广泛,众多一体式产品面世,即LED驱动电源与LED灯整合在一个灯具中,方便了用户直接使用。
典型的灯具规格有GU10、E27、PAR30等。
针对这一应用,我们设计了如下方案(见图1)
图1:基于AP3766的LED驱动电路原理图
该方案特点如下:
1. 基于最新的LED专用驱动芯片AP3766,采用原边控制方式,无须光耦和副边电流控制电路,实现隔离恒流输出,电路结构简单。
通过电阻R5检测原边电流,控制原边电流峰值恒定,同时控制开关占空比,保持输出二极管D1的导通时间和整个开关周期时间比例恒定,实现了输出电流的恒定。
2. AP3766采用专有的“亚微安启动电流”技术,仅需0.6μA的启动电流,因此降低了启动电阻R1和R2上的功耗,提高了系统效率。
典型5W应用效率大于80%,空载功耗小于30mW。
3. AP3766采用恒流收紧技术实现垂直的恒流特性,恒流精度高。
4. 电路元件数量少,AP3766采用SOT-23-5封装,体积小,整个电路可以安装在常用规格灯杯中。
5. 安全可靠,隔离输出,具有输出开路保护、过压保护及短路保护功能。
6. 功率开关管采用三极管,省去了高压场效应管,系统成本低。
图2为该方案的5W应用电路样机实物照片。
图3是基于AP3766的5W LED驱动装置实物照片。
图4为基于AP3766的5W LED驱动电路满载效率随交流输入电压变化曲线。
图5为基于AP3766的5W LED驱动电路满载输出IV特性曲线。
10~60W功率LED路灯、LED直管灯应用方案
IEC国际电工委员会对照明灯具提出明确的谐波要求,即IEC61000-3-2标准。
因此对于较大功率LED照明应用,采用功率因数校正(PFC)控制技术成为必需。
对于60W以下应用,有高性价比单级PFC控制方案,该方案电路原理图。
图6:基于AP166+AP4313的LED驱动电路原理图
该方案特点有:
1.单级PFC方案,只用一级反激式电路拓扑,同时实现功率因数校正和隔离恒流输出。
元件数量少、体积小、性价比高。
2.高功率因数,采用有源功率因数校正控制芯片AP1661,功率因数PF>0.9,满足IEC61000-3-2谐波标准。
3.采用副边恒压恒流控制芯片AP4313,恒流精度高,输出电流误差<3%。
4.高效率,满载效率高达90%。
5.安全可靠,隔离输出,具有输出开路保护,过压保护及短路保护功能。
AP1661是一款工作于临界导通模式下的有源功率因数校正控制芯片,可广泛应用于开关电源、LED驱动和电子镇流器的预调整变换器控制。
该芯片内部包括1个启动定时器可满足待机应用要求,1个能实现接近于1的功率因数的单象限乘法器和1个零电流检测模块确保临界断续方式工作。
AP1661的图腾柱驱动输出能够为外部MOSFET或IGBT提供最大600mA驱动电流和800mA关断电流能力。
采用了先进的双极型互补金属氧化物半导体设计和制造工艺,具有低启动电流,低工作电流和低功耗的特点。
AP1661同时具有完善的保护功能,包括过压保护、带有滞后的输入欠压锁定和乘法器输出嵌位以限制开关最大峰值电流。
图7为该方案60W应用电路样机实物照片。
图8为应用该方案LED直管灯实物照片。
60~150W大功率LED路灯应用方案
在户外照明部分,中国每年路灯市场需求量都在2000万盏以上,中国城市改造、城镇建设、住宅建设及道路建设对于大功率、高亮度、节能的LED路灯产品的市场需求是极其庞大的。
在更大功率应用条件下,单级PFC电路难以同时兼顾PFC预调整和反激电路输出恒流调整性能,这时需要采用两级电路架构实现这一目标。
因此,有新推出的PFC+PWM 两级架构电路拓扑方案,该方案电路原理图。
图9:基于AP1661+AP3102的LED驱动电路原理图
该电路采用Boost PFC+Flyback两级拓扑结构,控制芯片采用PFC控制芯片AP1661,PWM 控制芯片AP3102和副边恒流控制芯片AP4310。
该电路方案优点是输入/输出电容小,输出纹波小,隔离输出,功率因数高,电流精度控制在2%以内,可靠性高。
图10为该方案的90W 应用电路样机实物照片。
图11为应用该方案大功率LED路灯灯具照片。
图11:大功率LED路灯灯具照片
图12:90W LED电源满载效率曲线。