球阀结构图纸
- 格式:pdf
- 大小:2.46 MB
- 文档页数:10
球阀装配图
球阀是一种常见的阀门类型,用于控制流体的通断和调节
流量。
它由球体、阀体、密封圈和操纵部件组成。
球阀的装配图示例如下:
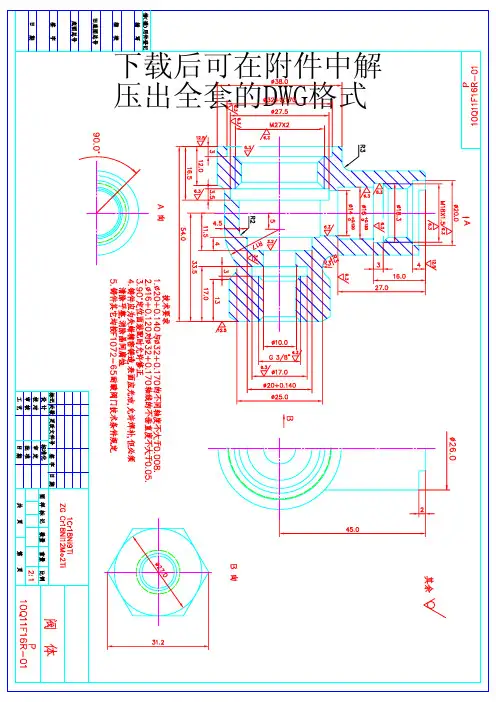
1. 阀体:阀体是球阀的主要部分,通常由铸铁、不锈钢或
铜材料制成。
它是一个中空的圆盘形状,其中有一个孔,
用于控制流体的通断。
阀体的两端装有连接管件,用于与
管道连接。
2. 球体:球体是阀门的关键组件,是一个空心的球形结构。
它通常由不锈钢制成,具有良好的耐腐蚀性能。
球体内部
有一个中空的通道,可以通过旋转调节流量。
球体的两端
有连接杆,用于连接操纵部件。
3. 操纵部件:操纵部件用于控制球阀的开关和调节流量。
它通常由手柄、齿轮或电动装置组成。
手柄通常用于手动
操作,齿轮用于更大的流量和压力条件,电动装置用于自
动化控制。
4. 密封圈:球阀的密封圈负责确保球体在关闭状态下与阀
体密封,避免流体泄漏。
常见的密封圈材料有PTFE、氟橡胶等。
上述是球阀的基本装配图示,具体的装配方式会根据厂家
和型号的不同而有所差异。
在安装球阀时,需要注意正确
连接阀体和管道,保证密封圈的完好和正确安装操纵部件。
此外,为确保球阀正常工作,还应保证球体的清洁,并定
期进行维护和保养。
阀门有哪些种类?其结构与工作原理在这里给大家分类总结:主要用于截断或者接通介质流。
包括闸阀、截止阀、隔膜阀、球阀、旋塞阀、蝶阀、柱塞阀、仪表针型阀等。
主要用于调节介质的流量、压力等。
包括调节阀、节流阀、减压阀等。
用于阻挠介质倒流。
包括各种结构的止回阀。
4.分流阀类用于别离、分配或者混合介质。
包括各种结构的分配阀和疏水阀等。
用于介质超压时的安全保护。
包括各种类型的安全阀。
一、闸阀靠阀板的上下挪移,控制阀门开度。
阀板象是一道闸门。
闸阀关闭时,密封面可以只依靠介质压力来密封,即只依靠介质压力将闸板的密封面压向另一侧的阀座来保证密封面的密封,这就是自密封。
大局部闸阀是采用强制密封的,即阀门关闭时,要依靠外力强行将闸板压向阀座,以保证密封面的密封性。
闸阀的种类 ,按密封面配置可分为楔式闸板式闸阀和平行闸板式闸阀 , 楔式闸板式闸阀又可分为 : 单闸板式、双闸板式和弹性闸板式;平行闸板式闸阀可分为单闸板式和双闸板式。
按阀杆的螺纹位置划分,可分为明杆闸阀和暗杆闸阀两种。
国生产闸阀的厂家比拟多,连接尺寸也大多不统一。
性能特点:优点:1、流动阻力小。
阀体部介质通道是直通的,介质成直线流动,流动阻力小。
2、启闭时较省力。
是与截止阀相比而言,因为无论是开或者闭,闸板运动方向均与介质流动方向相垂直。
3、高度大,启闭时间长。
闸板的启闭行程较大,降是通过螺杆发展的。
4、水锤现象不易产生。
原因是关闭时间长。
5、介质可向两侧任意方向流动,易于安装。
闸阀通道两侧是对称的。
6、结构长度(系壳体两连接端面之间的距离)较小。
7、形体简单 , 结构长度短,创造工艺性好,合用围广。
8、结构紧凑,阀门刚性好,通道流畅,流阻数小,密封面采用不锈钢和硬质合金,使用寿命长,采用 PTFE 填料.密封可靠.操作轻便灵便.缺点:密封面之间易引起冲蚀和擦伤,维修比拟艰难。
外形尺寸较大,开启需要一定的空间,开闭时间长。
结构较复杂。
二、截止阀靠圆形阀芯上下挪移,控制阀门开度。
常规阀门结构图一、球阀的结构1)普通法兰球阀阀体1序号名称牛楠1053248679大薄片钢球阀盖球垫小薄片中口轴心衬套1512111413C形扣环体盖螺栓桃形挡片牛楠螺栓把手普通法兰球塞阀结构分解图与各个配件的名称2)高平台法兰球阀中口8O形密封圈名稱3鋼球序號閥體1閥蓋2小薄片6547把手套帶鎖把手把手墊片軸心螺母1311套筒蝶形墊片910防轉片121514球墊大薄片體蓋螺絲限位銷171618體蓋螺母軸心19高平台法兰球塞阀结构分解图与各个配件的名称3)低平台法兰球阀轴帽9 把手套体盖螺栓弹簧华司把手螺母1412111013小薄片大薄片零件名称钢球3中口球垫轴心46587阀体阀盖21NO.低平台法兰球塞阀结构分解图与各个配件的名称4)高平台三通法兰球塞阀高平台三通法兰球塞阀结构分解图与各个配件的名称5)高平台四通法兰球塞阀A盖连接螺栓上盖连接螺栓套筒轴心螺栓把手头把手杆中孔锁盖蝶形垫片限位销大薄片B O形密封圈中口上盖轴套名 称钢球阀盖A 阀体序号34219181716156121413910117851球垫大薄片A 高平台四通法兰球塞阀结构分解图与各个配件的名称6)夹套式法兰球塞阀序号1234567891011阀体阀盖钢球夹套球垫中轴大薄片中口牛楠桃形挡片牛楠螺丝零件名称C型扣环手把1312夹套式法兰球塞阀结构分解图与各个配件的名称7)法兰桶底球塞阀法兰桶底球塞阀结构分解图与各个配件的名称8)一片式牙口球塞阀中口弹簧华司平垫片把手轴心螺母11128109球垫球垫钢球轴心小薄片657243阀体序号1名称阀盖13大薄片把手套14一片式牙口球塞阀结构分解图与各个配件的名称9)二片式牙口球塞阀阀盖名称阀体序号12上片中口大薄片钢球轴心球垫小薄片643578下片中片把手套轴帽弹簧华司轴心螺母把手121091113二片式牙口球塞阀结构分解图与各个配件的名称10)二片式低平台牙口球塞阀二片式低平台牙口球塞阀结构分解图与各个配件的名称11)二片式高平台牙口球塞阀二片式高平台牙口球塞阀结构分解图与各个配件的名称12)三片式低平台牙口球塞阀弹簧垫轴帽螺母把手把手套1011798体盖螺栓球垫钢球轴心小薄片546132主体序号0名称阀盖中口弹簧华司121314轴心螺母三片式低平台牙口球塞阀结构分解图与各个配件的名称13)三片式牙口球塞阀弹簧垫轴帽螺母把手把手套1011798体盖螺栓球垫钢球轴心小薄片546132主体序号0名称阀盖中口弹簧华司121314轴心螺母三片式牙口球塞阀结构分解图与各个配件的名称14)三片式高平台牙口球塞阀三片式高平台牙口球塞阀结构分解图与各个配件的名称15)三通低平台牙口球阀三通低平台牙口球阀结构分解图与各个配件的名称16)三通高平台牙口球阀三通高平台牙口球阀结构分解图与各个配件的名称17)三片式夹式球阀弹簧垫轴帽螺母把手把手套1011798体盖螺栓球垫钢球轴心小薄片546132主体序号0名称阀盖中口弹簧华司121314轴心螺母三片式夹式球阀结构分解图与各个配件的名称二、截止阀的结构:1)法兰截止阀679811131214151610牛楠衬套垫片手轮螺母螺母轴套单眼螺丝横栓中口上盖13542件号名称体盖连接螺栓轴心阀体阀瓣大薄片阀瓣盖牛楠17法兰截止阀结构分解图与各个配件的名称2)牙口截止阀5止退片1112螺母铭牌761098六角螺母轴心手轮套筒中口序号1342阀瓣大薄片阀盖名 称阀体牙口截止阀结构分解图与各个配件的名称三、闸阀的结构:1)法兰闸阀679811131214151610牛楠垫片手轮轴套螺母螺母轴套单眼螺丝横栓体盖连接螺母中口上盖13542件号零配件表:名称体盖连接螺栓轴心阀体阀瓣大薄片法兰闸阀结构分解图与各个配件的名称2)牙口闸阀阀盖六角螺母81210手轮螺母铭牌11轴心9中口套筒76大薄片止退片54名 称序号1阀体阀瓣23牙口闸阀结构分解图与各个配件的名称四、止回阀的结构:1)法兰止回阀阀盖螺丝 1序号名称532467阀体大薄片 阀盖 阀瓣横栓螺丝横栓 法兰止回阀结构分解图与各个配件的名称2)牙口止回阀牙口止回阀结构分解图与各个配件的名称3)弹板式止回阀NO.4231弹簧件名阀体 弹簧挡片阀瓣1234弹板式止回阀结构分解图与各个配件的名称4)牙口弹簧止回阀牙口弹簧止回阀结构分解图与各个配件的名称5)夹式弹簧双瓣式止回阀夹式弹簧双瓣式止回阀结构分解图与各个配件的名称阀体1序号名称532467连接螺丝 滤网 大薄片 阀盖 小薄片塞头法兰过滤器结构分解图与各个配件的名称2)牙口过滤器牙口过滤器结构分解图与各个配件的名称法兰观察器结构分解图与各个配件的名称2)牙口观察器牙口观察器结构分解图与各个配件的名称。