入侵报警系统(1)
- 格式:ppt
- 大小:3.78 MB
- 文档页数:50
入侵报警系统技术要求一、背景介绍随着信息技术的不断发展,入侵报警系统已成为各种机构和单位的必备设备。
入侵报警系统主要用于监控和警报,确保机构和单位的安全。
技术的持续进步使得入侵报警系统具备更高的可靠性、精确性和智能化的特点。
在设计和建造入侵报警系统时,技术要求必须考虑到相关法规和标准要求,并结合实际需求和环境特点来确定。
二、技术要求1.监控摄像头(1)清晰度要求高:监控摄像头应具备高清晰度的功能,能够清晰反映监控区域的细节,确保图像质量的清晰可见。
(2)全方位覆盖:摄像头布置应遵循全方位监控的原则,能够覆盖需要监控的区域,避免监控死角。
(3)夜视功能:监控摄像头应具备夜视功能,能够在光线较暗的环境下仍然保证图像质量。
2.监控中心(1)实时监控:监控中心应能够实现对整个系统的实时监控与管理,可以随时查看不同区域的监控画面。
(2)报警管理:监控中心应能够接收并及时响应来自各个传感器的报警信息,并能够有效地处理和应对报警事件。
(3)多操作平台:监控中心应具备在不同的操作平台上进行实时监控的能力,比如PC、手机、平板电脑等。
(4)图像存储:监控中心应具备图像存储的能力,能够存储大量的监控资料,为后续的调查和分析提供依据。
3.传感器(1)侦测能力:传感器应能够准确侦测和感知入侵行为,包括声音、光线、温度、火焰等多种参数。
(2)防拆功能:传感器应具备防拆功能,当有人故意破坏或拆除传感器时,立即发出报警信号。
(3)耐用性和稳定性:传感器应具备较强的耐用性和稳定性,能够适应各种复杂环境,并能长时间稳定运行。
4.报警装置(1)报警方式:报警装置应具备多种报警方式,比如声音报警、光线报警、短信报警等,以提高报警的效果和及时性。
(2)分级响应:报警装置应具备分级响应的能力,不同级别的报警应采取不同的应急响应措施。
(3)自动复位:报警装置应具备自动复位的功能,当报警条件消失时能够自动取消报警状态。
5.系统集成与管理(1)系统集成:入侵报警系统应能够与其他安全设备进行集成,包括门禁系统、视频监控系统等,形成一个完整的安全防范体系。
一、前言为保障公司财产安全和员工人身安全,提高应对突发事件的能力,根据我国相关法律法规及公司实际情况,特制定本入侵报警系统应急预案。
本预案旨在明确入侵报警系统发生报警时的应急响应流程、措施和责任,确保在紧急情况下能够迅速、有效地进行处置。
二、应急组织与职责1. 应急指挥部成立应急指挥部,负责统一指挥、协调和决策入侵报警系统发生报警时的应急处置工作。
2. 应急小组(1)现场处置小组:负责现场勘查、人员疏散、安全警戒等工作。
(2)信息联络小组:负责与应急指挥部、相关部门和人员保持联系,及时传达应急指令和相关信息。
(3)医疗救护小组:负责对受伤人员进行现场救治和转运。
(4)后勤保障小组:负责应急物资、设备的调配和供应。
三、应急响应流程1. 报警接收(1)入侵报警系统检测到异常信号时,报警主机立即发出声光报警。
(2)信息联络小组接到报警后,立即向应急指挥部报告。
2. 应急响应(1)应急指挥部接到报警后,立即启动应急预案,通知相关应急小组。
(2)现场处置小组迅速到达现场,对入侵情况进行初步判断。
3. 现场处置(1)现场处置小组对入侵现场进行勘查,确认入侵情况。
(2)对现场人员进行疏散,确保人员安全。
(3)安全警戒小组设置警戒线,防止无关人员进入现场。
4. 信息报告(1)信息联络小组将入侵情况、处置措施等信息及时报告应急指挥部。
(2)应急指挥部根据现场情况,向上级部门报告。
5. 救援与救治(1)医疗救护小组对受伤人员进行现场救治。
(2)对伤员进行分类,根据伤情严重程度,进行转运。
6. 后期处置(1)应急指挥部组织相关部门对事件进行调查和处理。
(2)对受损设施进行修复,确保恢复正常运行。
四、应急保障措施1. 物资保障(1)应急指挥部负责调配应急物资,确保应急工作顺利进行。
(2)后勤保障小组负责应急物资的储存、维护和管理。
2. 技术保障(1)定期对入侵报警系统进行维护和检修,确保系统正常运行。
(2)对应急小组进行技术培训,提高应急处置能力。
第一章入侵报警系统一.系统概述周界报警系统是目前园区安全防范系统的一个重要组成部分,是实现整个建筑群现代化的安全技术防范与科学管理的一项重要措施和必要手段。
它利用现代电子技术设备,通过使用先进的技术,为园区营造一个安全、有序的工作环境。
依照“系统先进,功能齐全,投资经济,使用方便”的原则,在深入了解投资者的具体需求后,我们为本工程做出最佳、最合理的方案。
二.系统设计原则周界报警系统承担着安全技术防范和现代化管理的重要作用。
系统通过红外对射实时、直观地监测园区周届安全情况。
不论对于安全防范还是运行管理,都是一种切实有效的手段。
因此在设计上应遵循以下原则:安全性、可靠性采用安全设计技术,确保楼宇内的人员、设备、重要文件资料、信息等的安全,严防非授权用户的侵入和机密信息的泄露;。
易管理性系统软、硬件的设计、集成要充分考虑使整个系统运行操作简单,人机界面友好,管理科学、便捷,易于维护。
经济性系统具有较好的性能价格比和长期运行效益。
成熟性采用经过工程运行验证的成熟的先进技术和产品,性能稳定、可靠。
可扩展性可扩展性系统设计应考虑到未来发展,留有必要的冗余,便于系统升级、扩展。
先进性采用国内外通用的最新先进技术和优质品牌产品,并充分考虑信息技术的发展趋势,适度超前。
三.系统设计思路宅小区外围墙平面图及实际现场考察,我们共设计了多个周界防区。
红外对射探测器采用艾礼富ABT-100L品牌。
探测器间通过总线接入中控室,中心采用一台AJB-AL300总线报警主机,该主机最多可接1024个防区:本机带有8个有线防区,通过总线可外接127个防区扩展模块无线功能:可配带遥控器防拆装置:自带防拆开关联网功能:RS485总线、局域网、电话网(支持CID协议)本机防区:8个有线防区扩展防区:总线扩展512个防区扩展防区方式:通讯总线;接8防区以内的防区扩展模块或报警主机联动输出:最多4096路联动指示灯,2048路联动继电器、1台总线打印机接线方式:单线末电阻接线这种接线方式具备了基础的设备防拆识别,且无需在报警主机设置单独的防拆防区,探测器的信号线材也只需四芯即可,只需要将探测器对应的防区设置为单线末防区。
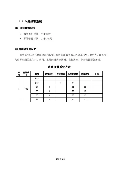
1.1.入侵报警系统(1)系统技术指标➢报警响应时间:小于2秒;➢报警存储时间:大于30天(2)前端设备的设置前端采用红外探测器和紧急按钮,红外探测器防范的区域在阳台、起居室、卧室等与外界沟通的出入口、房间、重要的机房等区域,在起居室、卧室设置紧急按钮。
防盗报警系统点表(3)系统的组成及主要设备I.系统组成本系统主要由前端报警探测器、防区扩充模块、报警控制/通讯主机及管理计算机组成。
➢前端报警探测器前端报警探测器主要为红外探测器、紧急报警按钮。
✓红外探测器:松本 K835 , 7042 套;✓紧急报警按钮: 松本 SV-88, 2911 套。
➢防区扩充模块单/双防区扩充模块用于前端报警探测器的报警信号输入。
➢报警主机用于控制系统中的其它模块的运作并负责系统向外通讯。
可对系统中的各种状态进行监控。
✓松本 8防区报警主机 K504R8-1 ,757 台;✓松本紧急报警主机 K504R2,209台。
➢管理计算机配备入侵报警软件,对系统进行可视化的人机界面管理。
II.主要设备1.有线红外探测器 K8351、技术参数:☆供电电源:DC12V±10%☆工作电流:5mA☆重量:72g☆工作温度:0℃~50℃☆外形尺寸:115mm*65mm*53mm☆探测范围:8m*8m ;角度110☆抗射频干扰:30V/m,10MHz-1GHz☆抗灯光干扰:6500Lux☆防拆开关:常闭2、产品功能:☆被动红外与微处理器双鉴技术☆独特防宠物功能,高质量表面贴片技术☆抗干扰气流补偿;抗向光干扰;抗电磁干扰☆自动温度补偿,灵敏度可调,反板性接线保护2.紧急报警按钮 SV-88技术参数:☆报警输出:常闭/常开触点☆工作温度:0℃~50℃☆外形尺寸:89mm*89mm*10mm2、产品功能:☆遇紧急事件时按下按钮则无条件报警(24小时防区),报警解除后用钥匙恢复☆报警输出:常闭/常开触点3.八防区有线报警主机 K504R8技术参数:☆外形尺寸:118*100*30mm☆供电电压:DC12V±10%☆工作电流:〈40mA☆工作温度:-10℃~55℃☆重量:0.2KG产品功能:☆ 8个可编程有线防区,每个防区均可单独布防,并在中心有防区状态信息显示;可选配8个可编程无线学习型防区☆数据均储存在EEPROM记忆元件中,停电均不丢失☆在别墅中每户键盘最多可支持4台联接,扩展到32个防区,实现联动控制,同布同撤,符合上海技防的最新规定☆具有“看门狗”功能,防止死机☆内置高响度蜂鸣器现场报警☆有5组可编程密码:主码、客码、防劫持码、门锁码、复位码☆与中心之间采用RS485方式进行通讯。
入侵报警系统方案介绍概述入侵报警系统是一种用于检测和报警潜在入侵行为的安全系统。
它利用传感器和监控设备来监测特定区域的活动,并在发现异常情况时发出警报。
本文将介绍一种常见的入侵报警系统方案,并详细描述其组成部分和工作原理。
组成部分入侵报警系统主要由以下几个组成部分组成:1.传感器:用于监测特定区域的活动。
常见的传感器包括红外线传感器、微波传感器和磁力传感器等。
这些传感器能够检测到人体的热量、移动或磁场变化,并将这些信号转化为电信号发送给控制中心。
2.控制中心:负责接收传感器发送的信号,并处理这些信号。
控制中心通常由控制主机和报警显示器组成。
控制主机用于接收和解析传感器信号,并根据预设的规则进行判断,确定是否发出报警信号。
报警显示器则用于显示报警信息,并提供相应的操作界面。
3.报警设备:负责在发生入侵行为时发出警报信号。
常见的报警设备包括声光报警器和短信报警器等。
声光报警器通常会同时发出声音和闪光信号,以引起周围人员的注意;而短信报警器则会向预设的手机发送报警信息。
4.监控设备:用于实时监视被保护区域的状态。
常见的监控设备包括摄像头和监控显示器等。
这些设备能够提供实时视频流,并通过监控显示器进行观看。
工作原理入侵报警系统的工作原理如下:1.传感器监测:传感器通过感知周围环境,检测特定区域的活动。
例如,红外线传感器可以检测人体的热量,而磁力传感器可以检测门窗的开闭状态。
2.信号传输:当传感器检测到异常活动时,会将检测到的信号转化为电信号,并发送给控制中心。
这些信号可以通过有线或无线方式传输。
3.信号处理:控制中心接收到传感器发送的信号后,会对信号进行处理和解析。
它会根据预设的规则和阈值进行判断,确定是否发出报警信号。
4.报警触发:当控制中心判断发生了入侵行为时,会触发报警设备发出警报信号。
声光报警器会发出大声的警报声和闪光信号,而短信报警器则会向预设的手机发送报警信息。
5.实时监控:监控设备能够提供实时视频流,用于监视被保护区域的状态。
1.1.入侵报警系统(1)系统技术指标报警响应时间:小于2秒;报警存储时间:大于30天(2)前端设备的设置前端采用红外探测器和紧急按钮,红外探测器防范的区域在阳台、起居室、卧室等与外界沟通的出入口、房间、重要的机房等区域,在起居室、卧室设置紧急按钮。
防盗报警系统点表(3)系统的组成及主要设备I.系统组成本系统主要由前端报警探测器、防区扩充模块、报警控制/通讯主机及管理计算机组成。
前端报警探测器前端报警探测器主要为红外探测器、紧急报警按钮。
✓红外探测器:松本 K835 , 7042 套;✓紧急报警按钮: 松本 SV-88, 2911 套。
防区扩充模块单/双防区扩充模块用于前端报警探测器的报警信号输入。
报警主机用于控制系统中的其它模块的运作并负责系统向外通讯。
可对系统中的各种状态进行监控。
✓松本 8防区报警主机 K504R8-1 ,757 台;✓松本紧急报警主机 K504R2,209台。
管理计算机配备入侵报警软件,对系统进行可视化的人机界面管理。
II.主要设备1.有线红外探测器 K8351、技术参数:☆供电电源:DC12V±10%☆工作电流:5mA☆重量:72g☆工作温度:0℃~50℃☆外形尺寸:115mm*65mm*53mm☆探测范围:8m*8m ;角度110☆抗射频干扰:30V/m,10MHz-1GHz☆抗灯光干扰:6500Lux☆防拆开关:常闭2、产品功能:☆被动红外与微处理器双鉴技术☆独特防宠物功能,高质量表面贴片技术☆抗干扰气流补偿;抗向光干扰;抗电磁干扰☆自动温度补偿,灵敏度可调,反板性接线保护2.紧急报警按钮 SV-88技术参数:☆报警输出:常闭/常开触点☆工作温度:0℃~50℃☆外形尺寸:89mm*89mm*10mm2、产品功能:☆遇紧急事件时按下按钮则无条件报警(24小时防区),报警解除后用钥匙恢复☆报警输出:常闭/常开触点3.八防区有线报警主机 K504R8技术参数:☆外形尺寸:118*100*30mm☆供电电压:DC12V±10%☆工作电流:〈40mA☆工作温度:-10℃~55℃☆重量:0.2KG产品功能:☆ 8个可编程有线防区,每个防区均可单独布防,并在中心有防区状态信息显示;可选配8个可编程无线学习型防区☆数据均储存在EEPROM记忆元件中,停电均不丢失☆在别墅中每户键盘最多可支持4台联接,扩展到32个防区,实现联动控制,同布同撤,符合上海技防的最新规定☆ 具有“看门狗”功能,防止死机 ☆ 内置高响度蜂鸣器现场报警☆ 有5组可编程密码:主码、客码、防劫持码、门锁码、复位码 ☆ 与中心之间采用RS485方式进行通讯。
第一节入侵报警系统概述主要包括入侵报警系统、视频安防监控系统、出入口控制系统等。
1具有防入侵、防盗窃、防抢劫、防破坏、防爆炸等功能。
2人防、物防、技防三种防范手段相结合;3探测、延迟、反应三个基本要素相协调。
4 、T 探测+T延迟≤T反应一、入侵报警系统的组成:一个典型的入侵探测报警系统由报警探测器、传输系统和报警控制器组成。
(一)入侵探测器(P2)(一)入侵探测器概述:入侵探测器是入侵探测系统最前端的输入设备,也是整个报警系统中的关键部分,它在很大程度上决定着报警系统的性能、用途和报警系统的可靠性,是降低误报和漏报的决定性因素。
(二)入侵探测器的分类1.按用途或使用的场所不同来分可分为户内型入侵探测器、户外型入侵探测器、周界入侵探测器和重点物体防盗探测器等。
2.按探测器的探测原理不同或应用的传感器不同来分3.按探测器的警戒范围来分:(P2)(1) 点控制型探测器——警戒范围是一个点,如开关式探测器;(2) 线控制型探测器——警戒范围是一条线,如主动红外探测器;(3) 面控制型探测器——警戒范围是一个平面,如振动探测器;(4) 空间控制型探测器——警戒范围是一个立体的空间,如被动红外探测器。
警戒范围报警器种类1)点控制型——开关式探测器2)线控制型——主动红外、激光探测器3)面控制型——振动式探测器,声控/振动玻璃破碎探测器4)空间控制型——微波探测器、超声波探测器、被动红外探测器、声控探测器、视频探测器、微波-被动红外双技术探测器5)开关式探测器和微波/被动红外双技术探测器已列入强制性产品目录4.按探测器的工作方式来分:5.按探测器输出的开关信号不同来分:(P3)(1)常开型(NO)探测器:在正常情况下,开关是断开的;当探测器被触发时,开关闭合,回路电阻为零,该防区报警。
(2)常闭型(NC)探测器:在正常情况下,开关是闭合的;当探测器被触发时,开关断开,回路电阻为无穷大,该防区报警。
(3)常开/常闭型探测器:具有常开和常闭两种输出方式,大部分双鉴探测器是常开/常闭通用型探测器。
入侵报警系统目录1.1 入侵报警系统描述 (3)1.2 入侵报警系统构成 (3)1.3 入侵报警系统工作原理 (3)1.4 报警系统功能 (4)1.5 报警系统布点系统设计 (4)1.1入侵报警系统描述本项目中防盗报警系统主要由前端的红外对射报警器、双鉴探测器、紧急报警按钮等报警探测器、现场的报警信号接入模块、中心的控制主机键盘及报警管理电脑等设备构成。
采用报警信号与摄像机进行联动,构成点面结合的立体综合防护;系统能按时间、区域、部位任意设防或撤防,能实时显示报警部位和有关报警资料并记录,同时按约定启动相应的联动控制;系统具有防拆及防破坏功能,能够检测运行状态故障;系统与视频监控系统联动,所有的控制集中在中心控制室管理,同时可以设置分控中心以便于区域管理。
1.2入侵报警系统构成试验区:本项目中防盗报警系统的控制中心设置在安全管理保中心。
摄像头通过直连电缆把抱紧信号传输到自监控中心报警主机上,报警主机具备远距离传输方便快速可靠、双向通讯传输的TCP/IP传输方式进行通讯路由,即在每个报警控制主机上增配附件网络接口模块,以实现其通过LAN/WAN进行报警信息上传和控制数据下行的通讯要求。
在控制中心设置报警管理主机,管理计算机上配置功能强大的报警管理软件,对于整个防盗报警系统进行日常管理和警请发生时的实时快速处理。
1.3入侵报警系统工作原理前端探测器发出报警信息后,可通过直连电缆将报警信息传送至报警控制器,报警控制器将产生一系列报警后的联动动作,如:启动声光一体器(警灯+警号),启动视频监控联动,向监控中心报警主机传递报警信息等。
监控中心应能显示,记录事件发生的时间、部位及相关警情数据,并能查询以上内容。
并能通过报警电话网络吧报警信息传输到110接警中心。
报警流程如图如下:1.4报警系统功能●布防与撤防:●布防后的延时:布防才生效,这是报警控制器的外出布防延时功能。
●防破坏:●报警联网功能:1.5报警系统布点系统设计根据需求是实际情况我们会在、主要出入口、机房内设置红外和微波双技术报警探测器;在电梯厅、楼梯间设置双鉴探测器;重要房间设置微波红外探测器和报警按钮。