论混凝土结构的耐久性设计
- 格式:doc
- 大小:28.00 KB
- 文档页数:3
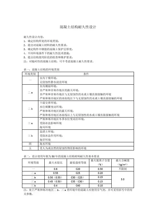
混凝土结构耐久性设计耐久性设计内容:1、确定结构所处的环境类别;2、提出对混凝土材料的耐久性要求;3、确定构件中钢筋的混凝土保护层厚度;4、不同环境条件下的耐久性技术措施;5、提出结构使用阶段的检查和维护要求;注:对临时性的混凝土结构,可不考虑混凝土耐久性要求。
表二:设计使用年限为50年的混凝土结构材料耐久性基本要求注:处于严寒和寒冷地区二b、三a类环境中的混凝土应使用引气剂,并可采用括号中的有关参数。
表三:设计使用年限为100年的混凝土结构要求表四:使用年限为50年的混凝土结构,最外层钢筋的混凝土保护层最小厚度且不应小于40mm。
表五:使用年限为100年的混凝土结构,最外层钢筋的混凝土保护层最小厚度不同环境条件下的耐久性技术措施:1 预应力混凝土结构中的预应力筋应根据具体情况采取表面防护、孔道灌浆、加大混凝土保护层厚度等措施,外露的锚固端应采取封锚和混凝土表面处理等有效措施;2 有抗渗要求的混凝土结构,混凝土的抗渗等级应符合有关标准的要求;3 严寒及寒冷地区的潮湿环境中,结构混凝土应满足抗冻要求,混凝土抗冻等级应符合有关标准的要求;4 处于二、三类环境中的悬臂构件宜采用悬臂梁-板的结构形式,或在其上表面增设防护层;5 处于二、三类环境中的结构构件,其表面的预埋件、吊钩、连接件等金属部件应采取可靠的防锈措施,对于后张预应力混凝土外露金属锚具,其防护要求见《混规》第10.3.13条;6 处在三类环境中的混凝土结构构件,可采用阻锈剂、环氧树脂涂层钢筋或其他具有耐腐蚀性能的钢筋、采取阴极保护措施或采用可更换的构件等措施。
使用阶段的检查和维护要求:1 建立定期检测、维修制度;2 设计中可更换的混凝土构件应按规定更换;3 构件表面的防护层,应按规定维护或更换;4 结构出现可见的耐久性缺陷时,应及时进行处理。
混凝土结构耐久性设计原理及方法一、耐久性设计的基本概念混凝土结构的耐久性是指结构在使用寿命内,在各种环境和荷载作用下,依然能够保持满足使用功能和安全要求的能力。
耐久性设计就是在设计阶段,通过对混凝土结构的材料、结构和施工进行科学合理的考虑,使其在使用寿命内保持良好的耐久性。
二、混凝土结构耐久性的影响因素1. 环境因素:包括温度、湿度、气候、气体、水质等因素。
2. 材料因素:包括水泥、骨料、粉煤灰、矿粉等材料的选择和使用。
3. 结构因素:包括结构形式、尺寸、布置、构造和设计荷载等因素。
4. 施工因素:包括混凝土的浇筑、养护、质量控制等因素。
三、混凝土结构耐久性设计方法1. 材料选择:在选择水泥、骨料、粉煤灰、矿粉等材料时,应根据环境条件和结构要求,选择合适的材料。
例如,在高氯离子环境下,应选用低碱度水泥和低氯离子含量的骨料,以减少氯离子侵蚀。
2. 结构设计:在结构设计中,应根据结构形式、尺寸、布置、构造和设计荷载等因素,合理设计结构的各个部分。
例如,在混凝土桥梁的设计中,应根据桥梁所处的环境条件和使用要求,合理设置排水系统、防水层和防护层等。
3. 施工控制:在混凝土的浇筑、养护、质量控制等方面,应采取科学合理的措施,确保混凝土的质量和性能。
例如,在混凝土的浇筑前,应对模板进行充分的清洁和防腐处理,以减少混凝土表面的裂缝和腐蚀。
4. 养护措施:在混凝土结构的养护中,应根据环境条件和使用要求,采取适当的养护措施,延长混凝土的使用寿命。
例如,在高温环境下,应采取适当的降温措施,以减少混凝土的收缩和开裂。
四、混凝土结构耐久性设计的实践应用1. 混凝土结构的抗渗性设计:在混凝土结构的设计中,应根据结构的使用要求和环境条件,合理设置防水层和防护层等,以保证混凝土结构的抗渗性能。
2. 混凝土结构的抗裂性设计:在混凝土结构的设计中,应根据结构的尺寸、布置和设计荷载等因素,合理设置加劲杆、钢筋和钢板等,以提高混凝土结构的抗裂性能。
混凝土结构耐久性设计与评估方法研究混凝土结构在现代建筑中扮演着重要的角色,然而,长期使用和环境因素的影响可能会对混凝土结构的耐久性造成不利影响。
为确保混凝土结构的长期稳定性和安全性,对其耐久性进行全面的设计和评估至关重要。
本文旨在研究混凝土结构耐久性的设计原则与评估方法,以提供可行的技术指导。
混凝土结构耐久性设计的核心原则是从材料的角度考虑,并综合考虑结构的特点、使用环境和预期寿命。
首先,正确选择混凝土材料,特别是水灰比和骨料的选择对混凝土的耐久性至关重要。
低水灰比可以提高混凝土的密实性,减少孔隙度,从而降低渗透性和氯离子的侵入。
同时,骨料的选择也会影响混凝土的耐久性,细碎的骨料可以增加混凝土的强度和密实性。
其次,在混凝土结构的设计过程中,需要考虑外部环境的影响。
这包括气候条件、环境湿度、氯离子侵入等因素。
在设计过程中,需要根据使用环境的特点选择适当的抗氯离子渗透性材料,如添加氯离子阻滞剂或覆盖隔离层。
此外,使用防水剂和防潮剂也可以在一定程度上提高混凝土的耐久性。
混凝土结构耐久性评估的目的是检测和评估结构的状况,以预测其未来的耐久性和维修需求。
评估方法可以通过非破坏性测试和破坏性测试进行。
非破坏性测试主要包括超声波测试、地电阻测试、红外热成像技术等,可以检测混凝土结构中的缺陷、裂缝和腐蚀情况。
破坏性测试通常使用负载试验和取样检测等,可以提供更详细的结构强度和稳定性方面的信息。
此外,耐久性评估还需要考虑结构使用年限和维修计划。
通过对结构使用年限的预测和维修需求的评估,可以制定合理的维修计划,确保结构的长期稳定性和安全性。
这包括定期的巡检和维修,以及在需要时进行局部修复或全面重建。
总结起来,混凝土结构耐久性设计与评估需要综合考虑材料性能、环境条件和使用年限等因素。
正确选择混凝土材料和适当的添加剂可以改善混凝土的耐久性。
评估方法既可以使用非破坏性测试,也可以使用破坏性测试,以提供全面的结构状况信息。
维护和维修计划的制定是确保混凝土结构长期稳定性和安全性的重要步骤。
混凝土结构的耐久性设计与评估一、设计背景混凝土结构是现代建筑中常见的一种结构体系,其耐久性是影响其使用寿命的重要因素。
在日常使用中,混凝土结构会受到各种因素的影响,如气候、环境、荷载等,因此需要进行耐久性设计和评估,以确保其使用寿命。
二、耐久性设计1.设计要求混凝土结构的耐久性设计应考虑以下要求:(1)使用寿命:混凝土结构的设计使用寿命应根据结构用途、结构特点和环境条件进行合理的确定。
(2)耐久性指标:混凝土结构的设计应满足规定的耐久性指标,如混凝土强度等级、保护层厚度、钢筋保护层厚度等。
(3)材料选择:混凝土结构的设计应选用优质的材料,如水泥、砂、石等。
(4)结构构造:混凝土结构的设计应考虑结构构造的合理性,如梁、柱、板等的截面尺寸、布置方式等。
(5)施工质量:混凝土结构的施工质量应符合规定的标准,如混凝土浇筑、养护等。
2.设计方法混凝土结构的耐久性设计主要包括以下方法:(1)强度设计法:根据混凝土的强度等级,按照规定的验算方法进行设计。
(2)极限状态设计法:根据混凝土结构在极限状态下的受力情况进行设计。
(3)变形设计法:根据混凝土结构在使用过程中的变形情况进行设计。
(4)可靠性设计法:根据混凝土结构的设计使用寿命、结构特点和环境条件等,进行可靠性计算和优化设计。
三、耐久性评估1.评估内容混凝土结构的耐久性评估主要包括以下内容:(1)结构组成和使用环境的评估:包括混凝土强度、保护层厚度、钢筋保护层厚度等。
(2)结构状态的评估:包括裂缝、锈蚀、变形等。
(3)结构可靠性的评估:根据结构使用寿命、结构特点和环境条件等,进行可靠性评估。
2.评估方法混凝土结构的耐久性评估主要包括以下方法:(1)可视化检查:通过目视检查和拍照记录等方法,对混凝土结构的状态进行评估。
(2)非破坏检测:通过无损检测技术,如超声波检测、电磁波检测等,对混凝土结构的状态进行评估。
(3)破坏性检测:通过对混凝土结构进行破坏性试验,如冲击试验、拉伸试验等,对混凝土结构的状态进行评估。
混凝土结构耐久性设计方法混凝土结构耐久性设计方法在现代建筑工程中,混凝土是一种常见的结构材料,其广泛应用,可归功于其优良的耐久性能。
为确保混凝土结构的长期使用寿命和安全性,耐久性设计方法成为设计师和工程师不可忽视的重要环节。
本文将从深度和广度两个方面探讨混凝土结构耐久性的设计方法。
深度分析1. 耐久性评估:在混凝土结构的设计中,首先需要进行耐久性评估。
这涉及考虑结构所处的环境条件、使用目的和结构材料等因素的影响。
通过评估混凝土结构所受到的湿度、温度、化学物质腐蚀和机械荷载等外部因素,可以确定结构需要具备的耐久性能。
2. 材料选择:混凝土结构的耐久性与所采用的混凝土材料密切相关。
合理选择适应环境要求的混凝土材料,如使用低碱度水泥、添加耐久性控制剂和优化配合比等,有助于提高混凝土结构的耐久性。
3. 构造设计:构造设计是混凝土结构耐久性设计的关键环节。
合理的结构布局、剪力墙和梁柱的配置等可以提供足够的抗震和抗荷载能力,从而提高结构的耐久性。
4. 维护和保养:混凝土结构的耐久性设计并不仅仅停留在结构的初期设计阶段,还需要考虑结构的长期维护和保养。
定期检查、修补和保护混凝土结构可以延长其使用寿命,减少维修和更换的成本。
广度探讨1. 深入讨论环境因素:环境因素对混凝土结构的耐久性具有重要影响。
湿度和温度变化会导致混凝土的体积变化,从而引起开裂和损坏。
化学物质的侵蚀会导致混凝土的腐蚀和脱落。
通过研究和了解不同环境条件下混凝土结构的耐久性行为,可以提供指导设计和保护措施的依据。
2. 耐久性控制剂的应用:为提高混凝土结构的耐久性,耐久性控制剂的选择和应用变得越来越重要。
使用耐久性控制剂可以减少混凝土与环境中的化学物质的反应,防止腐蚀和脆化。
3. 整体性能设计:混凝土结构的设计应该从整体性能的角度出发,而不仅仅关注单个构件的耐久性。
整体性能设计可以通过强度设计、抗裂性设计和变形控制等方面进行综合考虑,提高结构的耐久性和稳定性。
混凝土结构中的耐久性设计规范一、前言混凝土结构是建筑工程中常用的一种结构形式,它具有耐久性好、承载能力强等优点。
为了确保混凝土结构的耐久性,必须对其进行科学的设计和规范的施工。
本文将从混凝土结构中的耐久性设计规范出发,详细介绍混凝土结构的耐久性设计规范。
二、耐久性设计的基本原则1、耐久性设计应符合安全、经济、美观、实用的要求;2、耐久性设计应考虑结构的使用环境和使用要求,结构材料的特性以及施工工艺等因素;3、耐久性设计应符合国家相关标准和规定。
三、混凝土结构的耐久性设计指标混凝土结构的耐久性设计指标包括以下几个方面:1、结构的设计寿命:结构的设计寿命是指结构在使用过程中能够满足规定的使用要求和使用环境要求的时间期限。
一般来说,混凝土结构的设计寿命应不少于50年。
2、混凝土强度等级:混凝土强度等级是指混凝土的抗压强度等级。
混凝土强度等级的选择应根据结构的使用要求和使用环境要求进行选择,同时应符合国家相关标准和规定。
3、混凝土抗裂性能:混凝土抗裂性能是指混凝土在受到轻微荷载时不发生裂缝,或者在发生裂缝后仍能继续承受荷载的能力。
混凝土的抗裂性能与混凝土的配合比、水胶比、骨料种类和粒径等因素有关。
4、混凝土的渗透性:混凝土的渗透性是指混凝土中水的渗透能力。
混凝土的渗透性与混凝土的配合比、水胶比、骨料种类和粒径等因素有关。
四、混凝土结构的耐久性设计方法1、结构的设计寿命确定结构的设计寿命的确定应考虑以下因素:(1)结构的使用要求和使用环境要求;(2)结构材料的特性及其耐久性;(3)结构施工工艺及其质量要求。
2、混凝土强度等级的选择混凝土强度等级的选择应根据以下因素进行选择:(1)结构的使用要求和使用环境要求;(2)混凝土的抗裂性能要求;(3)混凝土的渗透性要求;(4)施工工艺及其质量要求。
3、混凝土的配合比设计混凝土的配合比设计应考虑以下因素:(1)混凝土的强度等级要求;(2)混凝土的抗裂性能要求;(3)混凝土的渗透性要求;(4)混凝土的耐久性要求;(5)混凝土的施工工艺及其质量要求。
混凝土结构的耐久性设计混凝土是土木工程中最常用的建筑材料之一,其耐久性直接关系到建筑物的使用寿命和安全性。
合理的混凝土结构耐久性设计不仅能够提高结构的耐久性和可靠性,还能减少维护和修复成本,延长建筑物的使用寿命。
本文将探讨混凝土结构的耐久性设计原则、方法及其在实际工程中的应用。
首先,混凝土结构的耐久性设计需要考虑环境条件和使用要求。
环境条件包括气候、温度、湿度、化学腐蚀和机械磨损等因素,这些因素对混凝土的性能和耐久性有重要影响。
例如,在海洋环境中,混凝土结构容易受到氯离子侵蚀和钢筋锈蚀,因此需要采取防腐措施,如使用耐腐蚀材料、增加保护层厚度和涂覆防腐涂层。
在寒冷地区,混凝土结构容易受到冻融循环的破坏,需要采用抗冻材料和提高混凝土的密实度,以提高抗冻性能。
混凝土配合比设计是提高混凝土耐久性的关键。
合理的配合比设计能够提高混凝土的密实度和抗渗性,减少有害物质的侵入,提高混凝土的耐久性。
例如,通过优化水灰比、掺加减水剂和粉煤灰等矿物掺合料,可以提高混凝土的工作性能和耐久性;通过增加粗骨料的粒径和减少细骨料的用量,可以提高混凝土的密实度和抗渗性。
在混凝土材料方面,高性能混凝土(HPC)和自愈合混凝土(SHC)是提高混凝土结构耐久性的有效手段。
HPC通过优化配合比和掺加高效减水剂,具有高强度、高耐久性和良好的工作性能,适用于高要求的工程项目。
SHC通过掺加自愈合材料,如微胶囊和生物材料,能够在混凝土内部发生微裂缝时自动修复,提高混凝土的耐久性和使用寿命。
在实际应用中,混凝土结构的耐久性设计已经在多个工程项目中取得了显著成效。
例如,中国三峡大坝通过采用高性能混凝土和抗裂技术,有效提高了混凝土的耐久性和抗渗性,确保了大坝的长期稳定和安全;美国胡佛大坝通过优化配合比和使用防腐涂层,提高了混凝土的抗腐蚀性能和耐久性,延长了大坝的使用寿命。
未来,随着科技的不断进步和工程需求的增加,混凝土结构的耐久性设计将面临更多的挑战和机遇。
混凝土结构的耐久性设计混凝土结构是建筑中常用的结构形式之一,其耐久性设计对于保证建筑的使用寿命和安全性至关重要。
本文将就混凝土结构的耐久性设计进行探讨,包括材料选择、设计原则、施工措施等方面的内容。
一、材料选择在混凝土结构的耐久性设计中,合适的材料选择至关重要。
首先需要选择合适的水泥、砂、石材等原材料,确保其质量满足标准要求。
同时,在混凝土中添加适量的掺合料,如粉煤灰、矿渣等,以提高混凝土的耐久性。
二、设计原则混凝土结构的耐久性设计应遵循以下原则:1. 结构设计要满足使用要求和耐久性要求,保证结构在预期使用寿命内不发生损坏。
2. 结构的安全性和耐久性要考虑全寿命周期,考虑不同工况下的影响。
3. 结构设计应充分考虑混凝土的抗裂性能和防水性能,采取相应的设计措施。
4. 结构的施工过程要符合规范要求,确保混凝土的浇筑和养护质量。
5. 结构的维护和修复应使用合适的材料和方法,延长结构的使用寿命。
三、施工措施混凝土的施工过程对结构的耐久性影响较大。
以下是一些常用的施工措施:1. 控制混凝土的配合比,保证混凝土的强度和耐久性。
2. 合理安排浇筑顺序,避免出现冷缝和接缝,确保结构的整体性。
3. 加强混凝土的养护措施,保持适宜的温度和湿度,以提高混凝土的强度和耐久性。
4. 对混凝土表面进行防水处理,采用防水剂等方式,提高结构的防水性能。
四、耐久性评估为了保证混凝土结构的耐久性,可以进行耐久性评估和检测。
常用的评估方法包括非破坏性检测、结构健康监测等。
通过定期评估和检测,可以及时了解结构的健康状态,采取相应的维护和修复措施,延长结构的使用寿命。
五、结论混凝土结构的耐久性设计是建筑工程中不可忽视的重要环节。
通过合适的材料选择、设计原则的遵循、施工措施的采取以及耐久性评估的实施,可以保证混凝土结构的安全可靠,延长其使用寿命,提高建筑的整体质量。
只有在注重耐久性设计的基础上,我们才能建造出更加稳定和持久的混凝土结构。
混凝土结构耐久性设计混凝土结构的耐久性设计是指在规定的使用寿命内,结构能够保持其设计要求的性能和功能,不发生失效或明显损坏的能力。
混凝土结构的耐久性设计与材料的选用、结构的设计和施工质量密切相关,并涉及到多个因素的考虑,包括结构的环境暴露条件、使用要求、建筑材料的特性等。
首先,混凝土结构的耐久性设计应根据具体的环境暴露条件进行评估和分析。
结构暴露在不同的环境中,如海洋、海湾、工业区或污染物浓度较高的地区,会受到不同的侵蚀和破坏,因此需要根据具体环境条件选择不同的混凝土配方和保护措施。
例如,在海洋环境中,应选用具有良好抗氯离子渗透能力的高性能混凝土,并考虑采取防腐保护措施,如铅质饰面或防腐漆等。
其次,混凝土结构的耐久性设计应考虑结构的使用要求。
结构的使用要求包括荷载、变形和气候等。
荷载是指结构在正常使用过程中所承受的荷载,如自重荷载、活荷载和地震荷载等。
为确保结构的耐久性,应根据荷载的大小和变化情况来确定结构的尺寸和配筋。
变形是结构在使用过程中由于荷载或温度变化引起的变形,应考虑结构在变形控制方面的限制,以保证结构的耐久性和稳定性。
气候是指结构所处的气候条件,如温度、湿度和风速等。
在高温、低温或高湿度环境中,混凝土会因温度膨胀或冻融循环等因素而受到损害,因此需要采取相应的措施保护混凝土结构。
最后,混凝土结构的耐久性设计应注重建筑材料的选择和施工质量的控制。
混凝土的抗压强度、抗拉强度和耐久性都与材料的质量和配合比有关,因此在设计中应选择质量可靠、性能稳定的混凝土材料,并合理控制配筋比。
此外,施工过程中的浇筑、养护和维修质量也会影响结构的耐久性。
应采取正确的施工方法和严格的质量控制措施,如控制混凝土的坍落度、养护温度和湿度,以防止混凝土的开裂和脱落。
总而言之,混凝土结构的耐久性设计涉及到多个方面的考虑,包括结构的环境暴露条件、使用要求、建筑材料的特性和施工质量等。
只有综合考虑这些因素,采取相应的措施和合理的设计,才能保证混凝土结构具有良好的耐久性和使用寿命。
混凝土结构的耐久性设计混凝土结构的耐久性设计是保证混凝土结构能够长期稳定地使用的一种设计方法。
混凝土结构在长期使用过程中,会面临各种环境和荷载的作用,如氧化、水分、温度、荷载等,这些因素都会对混凝土结构的耐久性产生影响。
因此,混凝土结构的耐久性设计需要充分考虑这些因素,并采取相应的措施,以保证混凝土结构的长期稳定使用。
混凝土结构的耐久性设计的主要目的是延长混凝土结构的使用寿命,从而减少维修和更换的成本,并降低对环境的影响。
耐久性设计的基本原则是在设计阶段尽量减少混凝土结构受到的不利影响,使其在使用寿命内能够满足使用要求。
耐久性设计需要考虑以下因素:1.环境因素混凝土结构在不同的环境中会受到不同的影响。
例如,在潮湿环境中,混凝土结构容易受到腐蚀;在高温环境中,混凝土结构容易失去水分,导致开裂。
因此,在耐久性设计中,需要考虑到混凝土结构所处的环境,选择合适的混凝土配合比和施工方法,以提高混凝土结构的抗环境能力。
2.荷载因素混凝土结构在长期使用中会受到各种荷载的作用,如静载荷、动载荷、热荷载等。
这些荷载会对混凝土结构的稳定性和耐久性产生影响。
因此,在耐久性设计中,需要考虑到混凝土结构所受的荷载,选择合适的混凝土配合比和结构形式,以提高混凝土结构的承载能力和稳定性。
3.施工因素混凝土结构的施工质量对其耐久性有很大的影响。
例如,混凝土的浇筑质量、养护质量等都会直接影响混凝土结构的强度和耐久性。
因此,在耐久性设计中,需要考虑到混凝土结构的施工质量,采取合适的施工方法和管理措施,以提高混凝土结构的施工质量。
4.材料因素混凝土结构的材料对其耐久性也有很大的影响。
例如,混凝土的配合比、水泥的种类和质量、骨料和砂的质量等都会对混凝土结构的强度和耐久性产生影响。
因此,在耐久性设计中,需要考虑到混凝土结构的材料选择,选择合适的材料,以提高混凝土结构的强度和耐久性。
在考虑以上因素的基础上,混凝土结构的耐久性设计需要采取以下措施:1.选择合适的混凝土配合比混凝土配合比是指混凝土中各材料的配合比例。
混凝土结构耐久性设计的原理与方法一、引言混凝土结构是建筑工程中常用的结构体系,其耐久性设计对于保障建筑物的安全、耐用、经济运行具有重要意义。
因此,本文旨在探究混凝土结构耐久性设计的原理与方法,以期对建筑工程实践提供一定的参考价值。
二、混凝土结构耐久性设计的原理1. 耐久性设计的概念耐久性设计是指在规定的使用年限内,确保建筑物及其构件能够保持预定的使用功能、安全性能和外观质量等设计要求的设计过程。
混凝土结构的耐久性设计是指在设计阶段就考虑到混凝土结构在使用过程中受到的各种外界因素的影响,从而采取相应的预防措施,保证混凝土结构在规定的使用年限内能够保持预定的使用功能、安全性能和外观质量等设计要求。
2. 耐久性设计的原则(1)综合性原则。
混凝土结构的耐久性设计要考虑各种外界因素的综合影响,如气候、环境、结构荷载、使用条件等因素,综合考虑各种因素的影响,从而制定相应的耐久性设计方案。
(2)预防性原则。
混凝土结构的耐久性设计要采取预防措施,从设计阶段就考虑到各种可能发生的损害因素,采取相应的措施加以预防。
(3)可靠性原则。
混凝土结构的耐久性设计要保证结构的可靠性,即在规定的使用年限内,混凝土结构应能够保持预定的使用功能、安全性能和外观质量等设计要求。
3. 影响混凝土结构耐久性的因素(1)气候因素。
气候因素是混凝土结构耐久性的主要影响因素,如温度、湿度、降雨、风、紫外线、大气污染等。
气候因素的变化会导致混凝土结构的体积变化、强度降低、钢筋锈蚀等现象。
(2)环境因素。
混凝土结构所处的环境也会影响其耐久性,如土壤、水质、化学品等。
这些因素会导致混凝土结构的腐蚀、酸碱侵蚀等现象。
(3)结构荷载。
混凝土结构的荷载也会影响其耐久性,荷载过大会导致混凝土结构的变形、裂缝等现象。
(4)使用条件。
混凝土结构的使用条件也是影响其耐久性的因素,如使用环境、使用方式、维护保养等。
这些因素会导致混凝土结构的损害、老化等现象。
4. 混凝土结构耐久性设计的内容(1)混凝土配合比设计。
混凝土结构设计中的耐久性设计混凝土结构在建筑工程中扮演着重要的角色,其耐久性设计尤为关键。
耐久性设计是指在一定使用期限内,结构能够保持其设计使用功能。
耐久性设计的好坏直接影响着结构的使用寿命和安全性。
本文将从混凝土结构耐久性设计的概念、影响因素、设计要点以及常见问题等方面进行探讨。
一、耐久性设计的概念耐久性设计是指在结构设计过程中考虑和控制结构在使用环境中受到的各种破坏因素,使结构满足设计使用寿命的要求。
耐久性设计的目的是确保混凝土结构在使用寿命内具有足够的承载能力和稳定性,并且保持良好的使用功能和外观。
二、耐久性设计的影响因素1. 材料选择:混凝土的品种、配合比、强度等对结构的耐久性至关重要。
要选择符合设计要求和使用环境的混凝土材料,严格控制材料的质量。
2. 环境条件:结构所处的环境条件,如潮湿度、温度、气候等都会影响结构的耐久性。
要合理选择结构材料和采取防护措施,以适应不同的环境条件。
3. 结构设计:结构设计中的构造形式、截面尺寸、支座方式等都会对结构的耐久性产生影响。
要合理设计结构,确保结构在使用寿命内不会出现严重的损坏。
4. 施工工艺:施工过程中的施工方法、工艺操作等也会影响结构的耐久性。
要保证施工质量,严格按照设计要求执行施工工艺。
三、耐久性设计的要点1. 防水防潮:混凝土结构在使用过程中要经受各种湿润环境的考验,要做好防水防潮的设计工作,防止水分侵入混凝土内部引发腐蚀。
2. 防腐防火:结构要考虑到防腐和防火等方面的要求,选择耐候性好的材料和进行合理的防护措施,提高结构的耐久性。
3. 疲劳抗震:结构在使用过程中会受到外部荷载的作用,要考虑结构的疲劳和抗震性能,合理设计结构的受力方式和抗震构造。
4. 维护保养:结构的保养工作对于其耐久性至关重要,要制定合理的维护计划,及时检修和维护结构,延长结构的使用寿命。
四、混凝土结构设计中的常见问题1. 配合比不合理:混凝土配合比过高或过低都会影响结构的性能,容易导致混凝土开裂和渗水等问题。
混凝土结构中的耐久性设计规范一、前言混凝土结构在工程中得到了广泛的应用,但是由于混凝土结构受到气候和环境的影响,会出现一定的耐久性问题。
本文将介绍混凝土结构中的耐久性设计规范,以确保混凝土结构的耐久性。
二、耐久性设计原则1. 混凝土结构的设计应考虑其预期的使用年限和使用条件,以确定混凝土结构的耐久性指标。
2. 在设计混凝土结构时,应考虑混凝土的材料性质、施工工艺和混凝土结构的使用环境等因素。
3. 混凝土结构应采用合理的设计、施工和养护措施,以确保混凝土结构的耐久性。
三、混凝土结构的设计要求1. 混凝土强度等级应根据混凝土结构的设计要求确定。
2. 混凝土结构应采用合适的钢筋保护措施,以保护钢筋不被腐蚀。
3. 混凝土结构应采用合适的混凝土配合比,以确保混凝土结构的强度和耐久性。
4. 混凝土结构应采用合适的混凝土抗裂措施,以防止混凝土结构裂缝。
5. 混凝土结构应采用合适的混凝土防水措施,以保护混凝土结构不受水的侵害。
6. 混凝土结构应采用合适的混凝土抗震措施,以确保混凝土结构在地震中的安全性。
四、混凝土结构的施工要求1. 混凝土结构的施工应按照设计要求进行,确保混凝土结构的施工质量。
2. 混凝土结构的浇注应采用合适的浇注方式,以确保混凝土结构的密实性和均匀性。
3. 混凝土结构的养护应采用合适的养护措施,以确保混凝土结构的强度和耐久性。
4. 混凝土结构的钢筋应采用合适的保护措施,以防止钢筋被腐蚀。
五、混凝土结构的检测要求1. 混凝土结构应进行质量检测,以确保混凝土结构的质量符合设计要求。
2. 混凝土结构的检测应考虑混凝土结构的使用环境和使用年限,以确定检测方法和检测指标。
3. 混凝土结构的检测应采用合适的检测设备和检测方法,以确保检测结果的准确性和可靠性。
六、混凝土结构的养护要求1. 混凝土结构的养护应采用合适的养护措施,以确保混凝土结构的强度和耐久性。
2. 混凝土结构的养护时间应根据混凝土结构的使用环境和使用年限确定。
混凝土结构的耐久性设计与施工混凝土结构在建筑工程中扮演着重要的角色。
为了确保混凝土结构的耐久性,设计与施工阶段需要注意一系列因素。
本文将探讨混凝土结构的耐久性设计与施工,并为相关人员提供几条实用的建议。
一、环境因素的考虑1.1 水分管理混凝土结构的耐久性与水分管理密切相关。
在设计阶段,应根据结构的用途和环境条件,合理确定混凝土的抗渗性和抗冻性等指标。
而在施工阶段,应注意控制混凝土的水胶比、施工过程中的水分蒸发以及雨水的淋洗等,以确保结构中的水分得到合理控制。
1.2 硫酸盐和氯盐的侵入某些特殊环境中,如海洋、化工厂等,存在着硫酸盐和氯盐的侵蚀风险。
在设计混凝土结构时,应根据具体情况增加相应的措施,比如使用耐硫酸盐和耐氯盐的混凝土材料,并采取合适的防护措施,如防腐涂层等,以增强结构的抵御能力。
二、材料选择与配合比设计2.1 混凝土配合比设计混凝土的配合比设计是保证结构耐久性的重要环节。
要根据结构的受力特点、使用环境和所采用的混凝土材料来确定配合比。
应尽可能选择高品质的水泥和骨料,并确定合适的水胶比和石膏、粉煤灰等掺合料的使用比例。
2.2 防腐材料的选择在某些特殊环境中,如高酸碱环境、高湿度环境等,需要采用防腐材料增强混凝土结构的抵抗力。
防腐材料的选择应充分考虑其化学性能、适用范围和施工可行性等因素,同时需与混凝土配合比设计相配合,确保结构的整体性能。
三、施工工艺与质量控制3.1 预置与养护预置和养护是保证混凝土结构强度和耐久性的重要环节。
在施工过程中,应严格按照设计要求进行模板安装、钢筋绑扎、混凝土浇筑等工艺,并合理控制养护时间和养护条件,以确保混凝土的初凝时间、强度发展和抗渗性能等达到设计要求。
3.2 混凝土密实度的控制混凝土的密实度直接影响结构的抗渗性和耐久性。
在施工过程中,应注重振捣操作,保证混凝土的均匀分布和有效密实。
对于大体积混凝土结构,可采用爆破或高压注浆等辅助手段,提高混凝土的密实度。
混凝土结构设计中的耐久性要求一、引言混凝土结构作为建筑工程的主要构造材料之一,在建筑领域中扮演着重要的角色。
在设计混凝土结构时,耐久性是一个非常重要的考虑因素。
耐久性涉及到混凝土结构在使用寿命内的性能表现,包括强度、稳定性、耐久性和安全性等方面。
本文将探讨混凝土结构设计中的耐久性要求。
二、混凝土结构中的耐久性要求1. 安全性要求混凝土结构的耐久性要求首先要保证结构的安全性。
结构的安全性是指结构在使用寿命内的承载能力、变形能力和稳定性等方面具有足够的安全保障。
因此,在混凝土结构的设计中,必须对结构的荷载进行合理的计算和分析,确保结构的安全性。
2. 耐久性要求混凝土结构的耐久性要求是指结构在使用寿命内能够保持足够的强度、稳定性和耐久性。
混凝土结构的耐久性要求通常包括以下几个方面:(1)抗裂性能:混凝土结构在使用寿命内必须具有足够的抗裂性能,即能够承受外界荷载和变形引起的裂缝。
(2)耐久性能:混凝土结构在使用寿命内必须具有足够的耐久性能,即能够抵抗外界环境因素(如氧化、酸碱性等)的侵蚀和破坏。
(3)可维护性:混凝土结构在使用寿命内必须具有足够的可维护性,即能够方便地进行检查、维修和保养。
3. 稳定性要求混凝土结构的稳定性要求是指结构在使用寿命内能够保持足够的稳定性,即避免结构发生倒塌、滑移和失稳等现象。
为了保证混凝土结构的稳定性,必须对结构进行合理的结构设计和荷载计算,并采取必要的稳定性措施,如增加结构的自重、增加结构的水平刚度等。
4. 防火性能混凝土结构的防火性能是指结构在火灾发生时能够保持足够的稳定性和承载能力,以确保人员的安全和财产的保护。
为了提高混凝土结构的防火性能,必须采取必要的防火措施,如增加结构的防火涂料、采用防火材料等。
三、混凝土结构设计中的耐久性要求的实现1. 材料的选择和质量控制混凝土结构的耐久性要求与所使用的混凝土材料的质量有直接关系。
因此,在混凝土结构设计中,必须选择具有足够强度和稳定性的混凝土材料,并加强对材料的质量控制。
论混凝土结构的耐久性设计
在土建工程中,混凝土是用途最广泛的建筑材料。
混凝土结构是最常用的结构形式,其耐久性是在环境及材料内部因素的作用下形成的,是评价混凝土结构可靠性的重要的参考指标之一。
通过对混凝土耐久性的含义和影响因素的分析,进一步探讨了混凝土耐久性在设计技术上的问题。
标签:混凝土;耐久性;设计
中图分类号:TB 文献标识码:A 文章编号:16723198(2012)14018602
1 混凝土耐久性的内涵
混凝土耐久性是指混凝土结构在自然环境、使用环境及材料内部因素的共同作用下,在设计要求的目标使用期限内,不需要花费大量资金进行加固处理而保持安全、使用功能和外观要求的能力。
混凝土工程的耐久性与工程的使用寿命是联系在一起的,这一功能不仅包括在结构的安全性上,还体现在它的适应性上。
混凝土的耐久性主要包括以下几个方面:
(1)抗渗性,指混凝土具有抵抗水、油等液体在压力作用下产生渗透的性能。
抗渗性控制着水分的渗入的速度和分量,同时对控制混凝土受热或是手冷时水的运动,是混凝土耐久性起着重要的作用。
(2)抗冻性,指混凝土在饱水状态下,能经受多次抗冻融循环,并保持强度和外观不变的能力。
在寒冷的冬天,尤其是一些冷冻特别大的地区,要求建筑物具有很强的抗冻性。
(3)抗侵蚀性,指物质在接触到有腐蚀性的化学物质的时候而不被侵蚀的能力。
混凝土恰恰具有这种抗侵蚀性的能力,使得它在建筑工程中广泛使用。
2 影响混凝土结构耐久性的主要因素
2.1 碳化
混凝土的碳化又叫混凝土的中性化,差不多所有的混凝土表面都处在碳化的过程中,碳化本身对混凝土并无破坏性,主要是使钢筋在高碱坏境中形成的对钢筋其保护作用的致密氧化膜遭到破坏,从而达到锈蚀钢筋的作用。
2.2 碱集料反应
混凝土中产生碱集料反应,指的是在混凝土集料中的某些矿物质与混凝土中的碱性溶液发生的化学反应。
这种化学反应的产生,会使混凝土结构内部产生大量的膨胀压力,这种压力会造成混凝土的开裂。
混凝土集料在混凝土结构中有着较为均匀的分布结构,因此这种压力会导致混凝土结构的表面产生大量的裂缝,进而加速其他因素对混凝土结构的破坏,使得混凝土耐久性受到很大的影响。
2.3 冻融破坏
在混凝土硬化后,在混凝土结构中会产生较多的毛细孔,如果遇到潮湿或者是浸水的情况下,则会使得这些毛细孔受到扩张,如果在冻土中发生这种状况,处于毛细孔中游离的水则会变成冰块,其膨胀力会不断的增加,这时毛细孔中的水也会对于毛细孔产生较大的压力。
这种膨胀压力不断的扩大,会使得混凝土内部产生较多的裂缝和损伤,当裂缝越来越多就造成了混凝土结构的破坏。
2.4 侵蚀性介质的侵蚀
各种化学介质,比如硫酸盐、腐殖质(酸性)、海水等都可能对混凝土产生腐蚀作用。
对于那些有侵蚀性的化学介质,要合理正确使用。
2.5 机械磨损
混凝土结构在使用的过程中不免要经常性的承受各种机械设备的磨损,如地面、楼梯、路面、桥面等将会承受来自不同车辆、水流、人群等引起的机械磨损。
因机械磨损引起的混凝土结构耐久性的案例已屡见不鲜。
2.6 钢筋锈蚀
钢筋锈蚀是影响混凝土结构稳定性的常见的一种因素,通常是由于化学腐蚀而造成混凝土保护层的谈话,进而使得混凝土钢筋的表面活化受到影响。
一般钢筋腐蚀可以分为两类:一种是钢筋接缝处的锈蚀,这种锈蚀大多是由于荷载作用或者是沉降作用所引起的变形,如果钢筋接缝处有水、氧气的进入时,就会产生锈蚀;另一种是普通的锈蚀,当混凝土碳化到钢筋表面时,一旦存在水、氧等条件时,就会形成大面积的锈蚀。
2.7 其他因素
除了以上因素外,还存在其他方面的因素影响着混凝土的耐久性。
比如,持续性的高温天气,生物的腐蚀作用,风沙的侵蚀作用,雨水的渗透作用等。
这些因素都是自然因素,是不能控制的因素,所以,我们在日常的设计中要充分地考虑到这些因素,减少因为这些因素而产生的影响。
3 混凝土耐久性设计的意义
随着经济的高速发展,我国已成为“世界工地”。
基础设施建设对于质量的要求提升到了一个新的高度,其中对于混凝土的耐久性成为工程技术人员最为关注的问题。
混凝土的耐久性决定着建筑物的使用寿命,对于人们的生命和财产安全有着至关重要的作用。
长期以来,人们认为混凝土是一种耐久性极其良好的建筑材料,往往在设计中也只是注重建设阶段的造价,而忽视了混凝土结构的耐久性,使得有些建筑物的维修加固费用远远高于造价成本,甚至使得许多工程付之东流。
关注混凝土的耐久性,不仅能使企业节省大量的投资基金,而且有助于提升建筑物的寿命年限,保障人们的生命和财产安全。
4 提高混凝土耐久性的措施
根据对混凝土耐久性影响因素的分析,找出了提高混凝土耐久性的主要技术措施。
要提高混凝土的耐久性,必须减少混凝土的孔隙率,提高混凝土结构的致密度。
目前有以下几种方法可以提高混凝土的耐久性:
4.1 掺加外加剂
高效减水剂的运用,能够使混凝土搅拌物在充分流动的同时,减少对水的使用量,使得水灰比不断的趋于合理,这样则能够降低毛细孔的出现几率。
在混凝土施工过程中,为了保证混合物在充分的流动下形成有力的结构,需要在搅拌的过程中不断的加水,这时就会使得水泥混凝土结构中出现细孔,影响混凝土结构的稳定性。
而如果合理的使用减水剂,则能够使水的使用量降低,通过减水剂的使用,能够使水泥质点的表面形成相同的电荷,使水泥形成较为稳定的状态,这时则会在水泥的表面形成一层水膜,实现减水的目的。
4.2 掺入高效活性矿物掺料
普通水泥混凝土的水泥石中的水化物的稳定性常常不足,这是混凝土很难超耐久的一个主要因素。
而现代科技发展,各种新型材料出现弥补这一缺点,加入高效活性矿物掺料就可以有效地进行改善,加入其主要目的就是在于改善混凝土
中水泥石的胶凝物质,提高混凝土的耐久性。
活性矿物掺料中含有大量的活性物质,它们能够在水泥水化过程产生的游离石灰及高硷性水化矽酸钙产生二次反应,生成更高强度、更稳定的低硷性水化矽酸钙,致使水泥结构更为致密,切断渗透路径。
4.3 消除混凝土自身结构破坏因素
在混凝土结构中,其自身也会存在着一些可能导致混凝土结构发生破坏的因素,使得混凝土是小。
比如由于化学干缩剂的使用不当,则在干缩的过程中会造成混凝土表面发生大面积的干裂,水热化性能过高引起混凝土的列夫呢够,这些现象也大量的存在,因此,需要从混凝土自身的组成因素等方面,进行有效的控制,才能够实现对混凝土结构的耐久性的有效保证。
4.4 保证混凝土的强度
虽然在混凝土工程中,其耐久性与强度是两个不同的概念,但是他们中间却存在着一定的俩系,而且这些联系的产生,是以混凝土内部结构作为基础的,同时都与混凝土配比的水灰比有关。
在混凝土充分密实的情况下,混凝土的强度与其内部孔隙率有着直接的关系。
而在高性能混凝土结构中,一般除了减水剂的应用,还需要使用大量的活性矿物质,这就使混凝土的密实性不断的提高,使得混凝土自身的强度和耐久性都得到较大的提升。
现代社会的工程建筑材料,要求混凝土具有高效的耐久性。
高性能的混凝土的特点就是低水灰比,在选用优质材料,除水泥、水和骨料外,还必须添加大量的减水剂和活性矿物掺料,减少用水量,从而降低混凝土内部的孔隙率,减少体积的收缩,提高强度,从而达到增强耐久性的目的。
5 结语
影响混凝土结构耐久性的因素有很多,由于当前针对该领域的研究还不够深入,因此对于混凝土结构耐久性还无法进行计量设计,这时只能通过不断的加强对施工的规范化以及设计质量的不断提高,来实现对混凝土结构耐久性的设计。
混凝土结构作为现代社会应用最为广泛的结构形式,它的耐久性对建筑物的使用寿命和维护修理费用有着直接性的关系。
因此,对于混凝土耐久性设计的研究已成为了世界建筑界的普遍关心的话题。
目前,我国正处于工程建设的高峰时期,设计人员要掌握混凝土的耐久性的设计,根据当地的实际情况,结合实际经验进行建筑结构耐久性设计。
参考文献
[1]陈希.混凝土结构的耐久性设计[J].中国农村水利水电,2004,(9):6668.
[2]吴成恩,吕向东,商宇航等.浅谈混凝土结构的耐久性设计[J].科技致富向导,2010,(10):22.
[3]朱平华.混凝土结构的耐久性设计与评估[D].浙江大学,2006.
[4]李义强.浅谈混凝土结构的耐久性设计[J].华章,2009,(10):138138.
[5]蔡雪斌.谈谈混凝土结构的耐久性设计[J].广东水利电力职业技术学院学报,2005,3(2):4648.。