GOLD序列的相关性课件
- 格式:ppt
- 大小:337.00 KB
- 文档页数:10
实验三、Gold序列及截短的Gold序列相关特性一、实验目的了解常用正交序列--Gold序列及截短Gold序列的自相关及互相关特性。
测量实验系统在异步CDMA工作方式下作为基站地址码的中的截短Gold序列。
二、实验内容1. 用示波器测量常用正交序列--Gold序列及截短Gold序列的波形及其相关运算后的自相关函数及互相关函数,了解其相关特性。
2. 用示波器测量实验系统在异步CDMA工作方式下作为基站地址码的中的截短Gold 序列(长32位)。
三、基本原理见实验一的”三、基本原理”。
下面是本实验待测量的Gold序列及截短Gold序列。
1. Gold序列(1)5阶Gold序列表3-3-1 5阶Gold序列的自相关特性测量(序列长25-1=31位)PN i(t) 0000,0000,1001,0100,1001,1110,1010,110.用实验一表3-1-2相位的二个5阶m序列优选对模二加产生PN j(t) 同上同上表3-3-2 5阶Gold序列的互相关特性测量(序列长25-1=31位)PN i(t) 0000,0000,1001,0100,1001,1110,1010,110.用实验一表3-1-2相位的二个5阶m序列优选对模二加产生PN j(t) 0110,1010,1010,1111,0111,1010,0110,111.用实验一表3-1-2的第一个序列与延时27位(即超前4位)的第二个序列模二加产生这就是本实验系统异步CDMA方式的二个基站地址码,只是相位不同(见式(2-2))。
54(2)7阶Gold序列表3-3-3 7阶Gold序列的自相关特性测量(序列长27-1=127位)PN i(t) 0000,0000,0011,1111,0000,1100,1110,1111,用实验一表3-1-4相位的二个7阶m序列优选对模二加产生0100,1100,0000,0010,0001,1010,1010,1100,0111,1100,1001,0011,0101,1101,0111,0101,0000,1100,0000,1000,0111,1000,1011,010.PN j(t) 同上同上表3-3-4 7阶Gold序列的互相关特性测量(序列长27-1=127位)PN i(t) 0000,0000,0011,1111,0000,1100,1110,1111,用实验一表3-1-4相位的二个7阶m序列优选对模二加产生0100,1100,0000,0010,0001,1010,1010,1100,0111,1100,1001,0011,0101,1101,0111,0101,0000,1100,0000,1000,0111,1000,1011,010.PN j(t) 0001,1110,0111,1010,1001,0001,1010,0000,用实验一表3-1-4第一个序列与延时123位(即超前4位)的第二个序列模二加产生1110,1101,1100,0110,1001,0001,1111,0111,1010,0100,0100,0001,1011,0011,0001,0000,0101,0011,1100,1000,1111,1011,1011,111.2. 截短的Gold序列(1)截短的Gold序列一:Gc1序列表3-3-5 Gc1序列自相关特性测量(序列长32位)PN i(t) 0010,1101,1110,0111,0010,1011,0011,0000.从实验一表3-1-4 PN i的第40位码片开始截取32位PN j(t) 同上同上表3-3-6 Gc1序列互相关特性测量(序列长32位)PN i(t) 0010,1101,1110,0111,0010,1011,0011,0000.从实验一表3-1-4 PN i的第40位码片开始截取32位PN j(t) 0010,1100,1110,1010,0111,1101,0000,1110.从实验一表3-1-4 PN j的第40位码片开始截取32位55(2)截短的Gold序列二:Gc2序列表3-3-7 Gc2序列自相关特性测量(序列长64位)PN i(t) 0010,1101,1110,0111,0010,1011,0111,0000, 从实验一表3-1-4 PN i的第40位码片开始截取64位0110,1101,0111,0100,0110,0100,0100,0000.PN j(t) 同上同上表3-3-8 Gc2序列互相关特性测量(序列长64位)PN i(t) 0010,1101,1110,0111,0010,1011,0111,0000, 从表3-1-4 PNi的第40位码片开始截取64位0110,1101,0111,0100,0110,0100,0100,0000.PN j(t) 0010,1100,1110,1010,0111,1101,0000,1110, 从表3-1-4 PNj的第40位码片开始截取64位0010,0100,1101,1010,1101,1110,1100,0110.四、实验步骤1. 实验箱不要插天线,打开电源。
gold序列的⽣成与相关特性仿真Gold序列⽣成与相关性仿真1.1 references[1] 基于Matlab的Gold码序列的仿真与实现.[2] Code Selection for CDMA Systems.1.2 m序列的⽣成原理1.2.1⽣成本原多项式利⽤Matlab编程环境求解本原多项式,其运⾏结果如表1所⽰.选择n=7,采⽤7级移位寄存器,产⽣的序列周期是127,其程序如下所⽰.N=7; %以7级寄存器为例,并组其中的⼀组优选对:211,,217connections=gfprimfd(N,'all');表(1)n=7 本原多项式上⾯的多项式中,仅有9个是独⽴的.因为第⼀⾏和第⼗⾏,第⼆⾏和四⾏,第三⾏和第⼗六⾏,第五⾏和第⼋⾏,第六⾏和第⼗四⾏,第七⾏和第⼗三⾏,第九⾏和第⼗⼋⾏,第⼗⼀⾏和第⼗⼆⾏,第⼗五⾏和第⼗七⾏是两两对称的.⽤⼋进制数表⽰时,所选择的本原多项式为211、217、235、367、277、325、203、313和345共9条.在这9条本原多项式中,选择⼀个基准本原多项式,再按要求选择另⼀本原多项式与之配对,构成m序列优选对,对7级m序列优选对如下表:表(2)n=7 m序列所以优选对1.2.2构成移位寄存器根据产⽣Gold码序列的⽅法,从上述本原多项式中选择⼀对m序列优选对,以211作为基准本原多项式,217作为配对本原多项式,通过并联结构形式来产⽣Gold序列,⽣成gold 序列的结构如图(6)所⽰:图(6)Gold序列⽣成结构1.3 ⾃相关函数仿真参数及初始值设定如下:N=7; %以7级寄存器为例,并组其中的⼀组优选对:211,,217connections=gfprimfd(N,'all');f1=connections(4,:); %取⼀组本原多项式序列,211f2=connections(16,:); %取另⼀组本原多项式序列,217registers1=[1 0 0 0 0 0 0];%给定寄存器的初始状态registers2=[1 0 0 0 0 0 0];%取相同的初始状态⽣成的gold 序列⾃相关函数如图(7)、(8)所⽰图(7) Gold 序列周期⾃相关函数结论:⾃相关函数取值集合{127,15,-1,-17}图(8)Gold 序列⾮周期⾃相关函数020406080100120140gold 序列周期⾃相关函数020406080100120140-40-2020406080100120140gold 序列⾮周期⾃相关函数1.4 互相关函数仿真时改变m序列寄存器初始状态,从⽽⽣成两个gold序列,求得互相关函数如图(9)(10)所⽰。
m序列和G o l d序列特性研究要点Harbin Institute of Technology扩频通信实验报告课程名称:扩频通信实验题目:Gold码特性研究院系:电信学院班级:通信一班姓名:学号:指导教师:迟永钢时间: 2012年5月8日哈尔滨工业大学第1章实验要求1.以r=5 1 45E为基础,抽取出其他的m序列,请详细说明抽取过程;2.画出r=5的全部m序列移位寄存器结构,并明确哪些序列彼此是互反多项式;3.在生成的m序列集中,寻找出m序列优选对,请确定优选对的数量,并画出它们的自相关和互相关函数图形;4.依据所选取的m序列优选对生成所有Gold序列族,确定产生Gold序列族的数量,标出每个Gold序列族中的所有序列,并实例验证族内序列彼此的自相关和互相关特性;5.在生成的每个Gold序列族内,明确标出平衡序列和非平衡序列,并验证其分布关系。
6.完整的作业提交包括:纸质打印版和电子版两部分,要求两部分内容统一,且在作业后面附上源程序,并加必要注释。
7.要求统一采用Matlab软件中的M文件实现。
第2章 实验原理2.1 m 序列二元m 序列是一种伪随机序列,有优良的自相关函数,是狭义伪随机序列。
m 序列易于产生于复制,在扩频技术中得到了广泛应用。
2.1.1 m 序列的定义r 级非退化的移位寄存器的组成如图1所示,移位时钟源的频率为c R 。
r 级线性移位寄存器的反馈逻辑可用二元域GF(2)上的r 次多项式表示2012() {0,1}r r i f x c c x c x c x c =++++∈L (1)图 2-1 r 级线性移位寄存器式(1)称为线性移位寄存器的特征多项式,其给出的表示反馈网络的而逻辑关系式是现行的。
因此成为线性移位寄存器。
否则称为,非线性移位寄存器。
对于动态线性移位寄存器,其反馈逻辑也可以用线性移位寄存器的递归关系式来表示112233 {0,1}i i i i r i r i a c a c a c a c a c ----=++++∈L (2) 特征多项式(1)与递归多项式(2)是r 级线性移位寄存器反馈逻辑的两种不同种表示法,因其应用的场合不同而采用不同的表示方法。
实验 GOLD 序列特性实验一、实验目的1、掌握GOLD 序列的特点。
2、了解GOLD 序列在直接扩频通信中所起的作用二、实验器材1、移动通信原理实验箱 一台2、20M 双踪示波器 一台3、频谱分析仪或带FFT 功能的数字示波器(选配)一台三、实验内容1、观察GOLD 序列的波形(频谱)。
2、观察GOLD 序列的自相关和互相关特性。
四、实验原理1、伪随机序列工程上常用二元{0,1}序列来产生伪噪声码。
它具有如下特点: (1) 每一周期内“0”和“1”出现的次数近似相等。
(2) 每一周期内,长度为n 比特的游程出现的次数比长度为n+1比特的游程出现的次数多一倍。
(游程是指相同码元的码元串)(3) 序列具有双值自相关函数,即:⎪⎩⎪⎨⎧-≤≤=11k 01)(p pR τττ当-=当(4.1-1)在(4.1-1)式中,p 为二元序列周期,又称码长,k 为小于p 的整数,τ为码元延时。
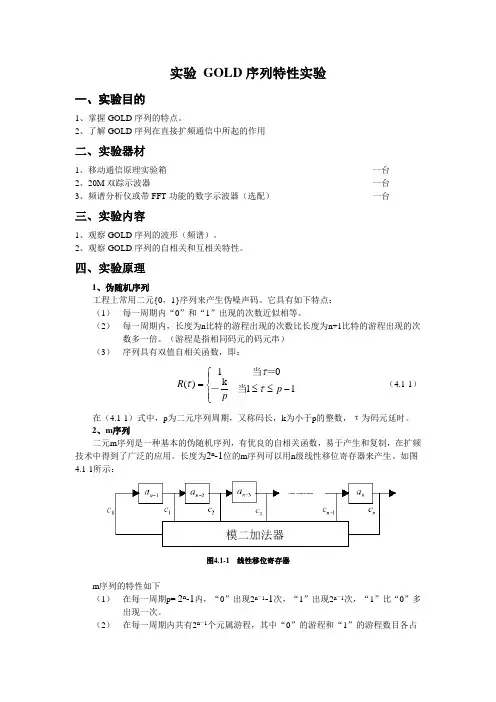
2、m 序列二元m 序列是一种基本的伪随机序列,有优良的自相关函数,易于产生和复制,在扩频技术中得到了广泛的应用。
长度为2n -1位的m 序列可以用n 级线性移位寄存器来产生。
如图4.1-1所示:图4.1-1 线性移位寄存器m 序列的特性如下(1) 在每一周期p= 2n -1内,“0”出现2n -1-1次,“1”出现2n -1次,“1”比“0”多出现一次。
(2) 在每一周期内共有2n -1个元属游程,其中“0”的游程和“1”的游程数目各占模二加法器一半。
并且,对n>2,当1≤k ≤n-1时,长为k 的游程占游程总数的1/ 2 k ,其中“0”的游程和“1”的游程各占一半。
长为n –1的游程只有一个,为“0”的游程;长为n 的游程也只有一个,为“1”的游程。
(3) m 序列(a k )与其位移序列(τ-k a )的模二和仍然是m 序列的另一位移序列(τ'-k a ),即:{}{}{}ττ'--=+k k k a a a(4) m 序列的自相关函数为:⎪⎩⎪⎨⎧≠-=ppp R mod 01mod 01)(τττ当=当(4.1-2)3、Gold 序列虽然m 序列有优良的自相关特性,但是使用m 序列作CDMA (码分多址)通信的地址码时,其主要问题是由m 序列组成的互相关特性好的互为优选的序列集很少,对于多址应用来说,可用的地址数太少了。