爆破振动安全距离与围岩爆破松动圈范围
- 格式:doc
- 大小:31.50 KB
- 文档页数:2
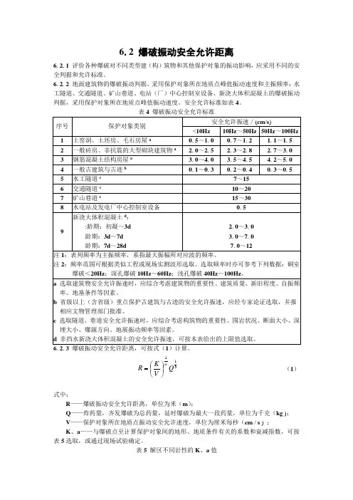
行业资料:________ 爆破振动安全允许距离单位:______________________部门:______________________日期:______年_____月_____日第1 页共6 页爆破振动安全允许距离6.2.1评价各种爆破对不同类型建(构)筑物和其他保护对象的振动影响,应采用不同的安全判据和允许标准。
6.2.2地面建筑物的爆破振动判据,采用保护对象所在地质点峰值振动速度和主振频率;水工隧道、交通隧道、矿山巷道、电站(厂)中心控制室设备、新浇大体积混凝土的爆破振动判据,采用保护对象所在地质点峰值振动速度。
安全允许标准如表4。
表4爆破振动安全允许标准注1:表列频率为主振频率,系指最大振幅所对应波的频率。
注2:频率范围可根据类似工程或现场实测波形选取。
选取频率时亦可参考下列数据:硐室爆破<20Hz;深孔爆破10Hz~60Hz;浅孔爆破40Hz~100Hz。
a选取建筑物安全允许振速时,应综合考虑建筑物的重要性、建筑质量、新旧程度、自振频率、地基条件等因素。
b省级以上(含省级)重点保护古建筑与古迹的安全允许振速,应经专家论证选取,并报相应文物管理部门批准。
c选取隧道、巷道安全允许振速时,应综合考虑构筑物的重要性、围岩状况、断面大小、深埋大小、爆源方向、地展振动频率等因素。
d非挡水新浇大体积混凝土的安全允许振速,可按本表给出的上限值选取。
R爆破振动安全允许距离,单位为米(m);Q炸药量,齐发爆破为总药量,延时爆破为最大一段药量,单位为千克(kg);第 2 页共 6 页V保护对象所在地质点振动安全允许速度,单位为厘米每秒(cm/s);K、a与爆破点至计算保护对象间的地形、地质条件有关的系数和衰减指数,可按表5选取,或通过现场试验确定。
表5解区不同岩性的K、a值群药包爆破,各药包至保护目标的距离差值超过平均距离的10%时,用等效距离R,和等效药量q分别代替R和Q值。
Rc和Qe的计算采用加权平均值法。
编订:__________________单位:__________________时间:__________________矿山爆破对安全距离的要求(正式)Standardize The Management Mechanism To Make The Personnel In The Organization Operate According To The Established Standards And Reach The Expected Level.Word格式 / 完整 / 可编辑文件编号:KG-AO-1016-100 矿山爆破对安全距离的要求(正式)使用备注:本文档可用在日常工作场景,通过对管理机制、管理原则、管理方法以及管理机构进行设置固定的规范,从而使得组织内人员按照既定标准、规范的要求进行操作,使日常工作或活动达到预期的水平。
下载后就可自由编辑。
爆破时,必然产生爆破地震、空气冲击波、碎石飞散及有害气体,因而危及爆区附近人员、设备、建筑物及井巷等的安全。
因此,爆破设计时必须确定爆破危害范围并指定安全距离。
主要有以下几个方面:1.爆破地震安全距离炸药在岩体中爆炸后,在距爆源一定距离的范围内,岩体产生弹性震动波,即是爆破地震。
爆破作业地震强度主要与炸药量、爆源距离、岩石特性、爆破条件和方法以及地质地形条件有关。
《爆破安全规程》规定“一般建筑物和构筑物的爆破地震安全性应满足安全振动速度的要求”,并规定了建(构)筑物地面质点振动速度控制标准。
2.爆破空气冲击波的安全距离空气冲击波的安全距离主要依据以下几个方面来确定:对地面建筑物的安全距离,空气冲击波超压值计算和控制标准,爆破噪声,空气冲击波的方向效应与大气效应。
控制空气冲击波的方法主要有:(1)避免裸露爆破,特别是在居民区更需特别重视,导爆索要掩埋20em或更多,一次爆破孔间延迟不要太长,以免前排带炮使后排变成裸露爆破。
(2)保证堵塞质量,特别是第一排炮孔,如果掌子面出现较大后冲,必须保证足够的堵塞长度。
注:各栏取值范围内数值,可用插值法确定。
当考虑爆破区与观测点或防护目标的高程差对近地点振动速度传播规律的影响时,可
新浇筑大体积砼基础面上安全质点振动速度
W--爆破装药量,齐发时取总装药量,分段起爆时视具体条件取有关段的或最大一段的
D、H--爆破区药量分布的几何中心至观测点或建筑物、防护目标的水平距离和高和差
K、α、β-—与地质条件、岩体特性、爆破条件,以及爆破区与观测点或建筑物、防护目标相对位置K、α-—与地质条件、岩体特性、爆破条件,以及爆破区与观测点或建筑物、防护目标相对位置等有V--质点振动速度,cm/s;;
质点振动速度传播规律的经验公式
D--爆破区药量分布的几何中心至观测点或建筑物、防护目标的距离,m;
W--爆破装药量,齐发时取总装药量,分段起爆时视具体条件取有关段的或最大一段的
V--质点振动速度,cm/s;;α
)/(3D W k V =β
α)
/()/(33H W D W k V =
时,可用下述经验公式:
一段的装药量,kg
高和差,m;
或建筑物、防护目标相对位置等有关的常数,应通过试验确定。
筑物、防护目标相对位置等有关的常数,应通过试验确定。
一段的装药量,kg。
6.2 爆破振动安全允许距离6.2.1 评价各种爆破对不同类型建(构)筑物和其他保护对象的振动影响,应采用不同的安全判据和允许标准。
6.2.2 地面建筑物的爆破振动判据,采用保护对象所在地质点峰值振动速度和主振频率;水工隧道、交通隧道、矿山巷道、电站(厂)中心控制室设备、新浇大体积混凝土的爆破振动判据,采用保护对象所在地质点峰值振动速度。
安全允许标准如表4。
6.2.3 爆破振动安全允许距离,可按式(1)计算。
311Q V K R α⎪⎭⎫⎝⎛= (1)式中:R ——爆破振动安全允许距离,单位为米(m );Q ——炸药量,齐发爆破为总药量,延时爆破为最大一段药量,单位为千克(kg ); V ——保护对象所在地质点振动安全允许速度,单位为厘米每秒(cm / s ) ;K 、a ——与爆破点至计算保护对象间的地形、地质条件有关的系数和衰减指数,可按表5选取,或通过现场试验确定。
表5 解区不同岩性的K 、a 值群药包爆破,各药包至保护目标的距离差值超过平均距离的10%时,用等效距离R,和等效药量q分别代替R和Q值。
R c和Q e的计算采用加权平均值法。
对于条形药包,可将条形药包以1~1.5倍最小抵抗线长度分为多个集中药包,参照群药包爆破时的方法计算其等效距离和等效药量。
6.2.46.2没有包括的一般保护对象的爆破振动安全标准,可参照6.2的规定由设计论证提出;特别重要的保护对象的安全判据和允许标准,应由专家论证提出。
城镇拆除爆破安全允许距离由设计确定。
6.2.5在特殊建(构)筑物附近或爆破条件复杂地区进行爆破时,应进行必要的爆破振动监测或专门试验,以确保保护对象的安全。
6.2.6在复杂环境中多次进行爆破作业时,应从确保安全的单响药量开始,逐步增大到允许药量,并按允许药量控制一次爆破规模。
( 安全管理 )单位:_________________________姓名:_________________________日期:_________________________精品文档 / Word文档 / 文字可改爆破地震安全距离(最新版)Safety management is an important part of production management. Safety and production are inthe implementation process爆破地震安全距离(最新版)爆破地震,是指炸药爆炸的部分能量转化为弹性波,在岩土中传播引起的震动。
爆破地震波,对爆区附近的地层、建筑物、构筑物,以及井巷和露天边坡产生破坏作用。
爆破地震波强度的大小主要取决于使用炸药的性能、炸药量、爆源距离、岩石的性质、爆破方法以及地层地形条件。
为了最大程度地减小地震波的危害,应采取如下有效措施:(1)爆破前应调查了解爆破区域范围内建筑物、构筑物的结构,露天边坡稳定状况,井巷围岩稳定及支护等情况。
(2)根据爆区的周边环境,采用减震爆破方法和控制炸药量,如微差爆破、缓冲爆破、预裂爆破等爆破方法。
(3)爆破地震安全距离计算公式如下:R=(K/V)1/α×Qm式中R——爆破安全距离(m);Q——炸药量(kg);V——地震安全速度(cm/s);k、a-——与爆破地点地形、地质等条件有关的系数和衰减指数。
岩性ka坚硬岩石50~1501.3~1.5中硬岩石150~2501.5~1.8软岩石250~3501.8~2.0根据公式计算:k取150;V为2cm/s(采石方提供);a取1.5;Q为60kg(采石方提供)结果为:约等于69.52m。
云博创意设计MzYunBo Creative Design Co., Ltd.。
爆破安全距离一、一般规定各种爆破、爆破器材销毁以及爆破器材仓库意外爆炸时,爆炸源与人员和其他保护对象之间的安全距离,应按各种爆破效应(地震、冲击波、个别飞散物等)分别核定并取最大值。
二、爆破地震安全距离(一)一般建筑物和构筑物的爆破地震安全性应满足安全震动速度的要求,主要类型的建(构)筑物地面质点的安全震动速度规定如下:1、土窑洞、土坯房、毛石房屋 1.0 cm/s2、一般砖房、非抗震的大型砌块建筑物 2~3 cm/s;3、钢筋混凝土框架房屋5 cm/s;4、水工隧洞 10 cm/s;5、交通隧洞 15 cm/s;6、矿山巷道:围岩不稳定有良好支护 10 cm/s;围岩中等稳定有良好支护 20 cm/s;围岩稳定无支护 30 cm/s;(二)爆破地震安全距离可按式(1)计算式中:R—爆破地震安全距离,m;Q—炸药量,kg;齐发爆破取总炸药量;微差爆破或秒差爆破取最大一段药量;V—地震安全速度,cm/s;m—药量指数,取1/3;K、α—与爆破点地形、地质等条件有关的系数和衰减指数,可按表1选取。
或由试验确定。
表1 爆区不同岩性的K、α值(三)在特殊建(构)筑物附近或爆破条件复杂地区进行爆破时,必须进行必要的爆破地震效应的监测或专门试验,以确定被保护物的安全性。
三、爆破冲击波安全距离(一)露天裸露爆破时,一次爆破的炸药量不得大于20kg,并应按式(2)确定空气冲击波对掩体内避炮作业人员的安全距离。
式中:R k—空气冲击波对掩体内人员的最小安全距离,m;Q—一次爆破的炸药量,kg;秒延期爆破时,Q按各延期段中最大药量计算;毫秒延期爆破时,Q按一次爆破的总炸药量计算。
(二)药包爆破作业指数n<的爆破作业,对人和其他被保护对象的防护,应首先核定个别飞散物和地震安全距离。
当需要考虑对空气冲击波的防护时,其安全距离由设计确定。
(三)地下爆破时,对人员和其他保护对象的空气冲击波安全距离由设计确定。
地下大爆破的空气冲击波安全距离应邀请专家研究确定,并经单位总工程师批准。
引言概述:爆破安全距离规定是一项重要的安全措施,旨在减少爆破活动对周围环境和人员的潜在危害。
本文将探讨爆破安全距离规定的最新发展,主要包括爆破安全距离规定的含义、其制定的目的与背景、国内外相关法律法规的情况等内容。
正文内容:1.爆破安全距离规定的含义1.1定义:爆破安全距离规定是指在进行爆破作业时,要求设定一定的距离,确保周围环境和人员的安全。
1.2目标:爆破安全距离规定的主要目标是降低爆破活动对周围环境造成的噪音、震动和颗粒物等危害程度。
2.爆破安全距离规定的制定目的与背景2.1目的:制定爆破安全距离规定的目的在于保障公众的安全和权益,减少爆破活动对生态环境的不良影响。
2.2背景:爆破活动的不规范及不合理使用炸药等因素可能对周围环境和人员造成损害,因此制定爆破安全距离规定成为必要举措。
3.国内外相关法律法规的情况3.1国内情况:在我国,爆破安全距离规定主要由国家标准和地方政府规定来制定,如《爆破作业安全技术规程》等。
3.2国外情况:国外各国也对爆破活动进行了相关法律法规的管理,如美国的《环境清洁法案》和欧盟的《爆破安全指令》等。
4.爆破安全距离规定的制定与实施4.1制定依据:爆破安全距离规定的制定需要依据相关行业经验和实际调研数据,结合技术标准和环境保护要求等因素。
4.2主要内容:爆破安全距离规定通常包括爆破作业时的最小安全距离、使用的炸药种类及规模的限制、爆破作业时的监测和报告要求等方面的内容。
5.爆破安全距离规定的最新发展5.1技术手段的应用:随着科技的发展,新的监测手段如无线传感器网络和遥感技术等可以用于实时监测和评估爆破对周围环境的影响。
5.2环境保护意识的提高:在全球范围内,环境保护意识逐渐加强,爆破安全距离规定也逐步得到更新和改进,以确保更好的环境保护和公众安全。
总结:爆破安全距离规定是在爆破作业中保障周围环境和人员安全的重要措施。
通过制定规定并实施监督,可以有效降低爆破活动对环境和人员的潜在危害。
爆破振动安全允许距离引言:爆破振动是在爆破作业中产生的一种特殊的振动现象。
爆破振动不仅对周围的建筑物和地下设施造成一定的影响,而且可能对地震监测、地质灾害预警等相关工作带来干扰。
因此,确定爆破振动的安全允许距离是进行破岩爆破作业的重要依据之一。
本文将从爆破振动的基本原理、影响因素、国内外规范以及实际应用等方面来探讨爆破振动安全允许距离的问题。
一、爆破振动的基本原理爆破振动是指由于爆炸产生的冲击波在地下岩体或者建筑物中的传播而引起的振动现象。
爆炸产生的冲击波在地下岩体中传播时,会产生一定的振动。
这种振动会沿着冲击波的传播方向向外扩散,并在传播过程中逐渐减弱。
爆炸振动的特点主要有以下几个方面:(一)爆炸振动的频率范围较宽,通常在1Hz至100Hz之间。
(二)爆炸振动的振幅在炸药能量消耗过程中逐渐减小。
(三)由于地质力学条件的差异,不同地层中的岩石对爆破振动的传播和衰减有着不同的响应。
(四)受到限制的爆破振动传播会在地下岩石中产生反射和折射,导致振动能量的分散。
爆破振动产生的主要原因是爆炸产生的冲击波在地下岩石中的传播。
冲击波与岩石之间的相互作用会引起岩石的破碎和变形,从而产生振动。
爆破振动的强度与冲击波的能量、冲击波的传播距离以及地质条件等因素有关。
二、影响爆破振动的因素爆破振动的强度与很多因素有关,主要包括:(一)爆炸药量和炸药性质:爆炸药量越大,爆破振动的强度越大;不同性质的炸药对振动的影响也不同,一般来说,爆速较高的炸药会产生较强的振动。
(二)爆破距离:爆破振动的强度随着爆破距离的增加而逐渐减小。
(三)岩石性质:不同类型的岩石对振动的响应有所差异,例如,花岗岩、片麻岩等硬岩比石灰岩、页岩等软岩对振动的响应更为敏感。
(四)地质条件:不同地区的地质条件的差异也会影响爆破振动的强度,例如,岩层的厚度、断裂带的存在等。
(五)爆破设计参数:爆破设计参数包括孔的布置、装药量、装药方式、引爆顺序等,这些参数的选择会直接影响爆破振动的强度。
编号:SY-AQ-09912( 安全管理)单位:_____________________审批:_____________________日期:_____________________WORD文档/ A4打印/ 可编辑爆破作业爆破震动安全校核Safety check of blasting vibration in blasting operation爆破作业爆破震动安全校核导语:进行安全管理的目的是预防、消灭事故,防止或消除事故伤害,保护劳动者的安全与健康。
在安全管理的四项主要内容中,虽然都是为了达到安全管理的目的,但是对生产因素状态的控制,与安全管理目的关系更直接,显得更为突出。
为了确保爆破作业产生的地震波对周围的民房不产生影响,依据《爆破安全规程》GB6722-2003,特针对爆破作业振动安全距离进行校核。
1、根据我矿地物调查,距离爆破区域最近民房的直线距离为288.3米。
2、爆破振动安全距离校核:(1)根据《爆破安全规程》GB6722-2003第六章第二节爆破振动安全允许距离第三条确定爆破振动安全允许距离公式式中:R——爆破振动安全允许距离(m);Q——炸药量,齐发爆破为总药量,延时爆破为最大一段药量,单位为千克(kg);V——保护对象所在地质点振动安全允许速度,单位为厘米每秒(cm/s);K、α——与爆破点至计算保护对象间的地形、地质条件有关的系数和衰减指数。
(2)根据《爆破安全规程》GB6722-2003第六章第二节第二条表4爆破振动安全允许标准序号保护对象类别安全允许振速cm/s<10HZ10HZ~50HZ50HZ~100HZ1土窑洞、土坯房、毛石房屋a0.5~1.00.7~1.21.1~1.52一般砖房、非抗震的大型砌块建筑物a 2.0~2.52.3~2.82.7~3.03钢筋混凝土结构房屋a3.0~4.03.5~4.54.2~5.04一般古建筑与古迹b0.1~0.30.2~0.40.3~0.55水工隧道c7~156交通隧道c10~207矿山巷道c15~308水电站及发电厂中心控制室设备0.59新浇大体积混凝土d龄期:初凝—3d龄期:3-7d龄期:7~28d2.0~3.03.0~7.07.012注1:表列频率为主振频率,系指最大振幅所对应波的频率。
2024年爆破振动安全允许距离6.2.1评价各种爆破对不同类型建(构)筑物和其他保护对象的振动影响,应采用不同的安全判据和允许标准。
6.2.2地面建筑物的爆破振动判据,采用保护对象所在地质点峰值振动速度和主振频率;水工隧道、交通隧道、矿山巷道、电站(厂)中心控制室设备、新浇大体积混凝土的爆破振动判据,采用保护对象所在地质点峰值振动速度。
安全允许标准如表4。
表4爆破振动安全允许标准注1:表列频率为主振频率,系指最大振幅所对应波的频率。
注2:频率范围可根据类似工程或现场实测波形选取。
选取频率时亦可参考下列数据:硐室爆破<20Hz;深孔爆破10Hz~60Hz;浅孔爆破40Hz~100Hz。
a选取建筑物安全允许振速时,应综合考虑建筑物的重要性、建筑质量、新旧程度、自振频率、地基条件等因素。
b省级以上(含省级)重点保护古建筑与古迹的安全允许振速,应经专家论证选取,并报相应文物管理部门批准。
c选取隧道、巷道安全允许振速时,应综合考虑构筑物的重要性、围岩状况、断面大小、深埋大小、爆源方向、地展振动频率等因素。
d非挡水新浇大体积混凝土的安全允许振速,可按本表给出的上限值选取。
R爆破振动安全允许距离,单位为米(m);Q炸药量,齐发爆破为总药量,延时爆破为最大一段药量,单位为千克(kg);V保护对象所在地质点振动安全允许速度,单位为厘米每秒(cm/s);K、a与爆破点至计算保护对象间的地形、地质条件有关的系数和衰减指数,可按表5选取,或通过现场试验确定。
表5解区不同岩性的K、a值群药包爆破,各药包至保护目标的距离差值超过平均距离的10%时,用等效距离R,和等效药量q分别代替R和Q值。
Rc和Qe的计算采用加权平均值法。
对于条形药包,可将条形药包以1~1.5倍最小抵抗线长度分为多个集中药包,参照群药包爆破时的方法计算其等效距离和等效药量。
6.2.46.2没有包括的一般保护对象的爆破振动安全标准,可参照6.2的规定由设计论证提出;特别重要的保护对象的安全判据和允许标准,应由专家论证提出。
建筑物爆破振动安全控制标准建筑物爆破振动安全控制标准下面是给大家带来关于建筑物爆破振动安全控制标准的相关内容,以供参考。
1、概述《爆破安全规程》(GB6722.2003)第6.2.2条规定“地面建筑物的爆破振动判据,采用保护对象所在地质点峰值振动速度和主振频率:……”,并给出了不同建筑物承受不同频率范围爆破振动的安全允许标准。
然而,已有工程实例表明采用上述爆破振动安全允许标准进行爆破安全控制,部分需保护建筑物仍产生了损坏。
为此,作者结合部分工程实例并参照建筑物抗震设计思想,提出了适合大规模城区频繁爆破以及高耸建筑物拆除爆破的振动安全允许标准的制定方法。
2、地震抗震设计思想目前,世界各国普遍趋向于采用多级设防的抗震设计思想,即采用“小震不坏、中震可修、大震不倒”的三级设防。
这一抗震设计思想常表示为以下三个要求:“在小震(多遇地震)作用下,结构物不需修理,仍可正常使用:在中震(偶遇地震)作用下,结构物无重大损坏,经修复后仍可继续使用:在大震(罕遇地震)作用下,结构物可能产生重大破坏,但不致倒塌”。
小震是发生机会较多的地震,一般将小震定义为地震烈度概率密度曲线上的峰值所对应的烈度,即众值烈度地震,当基准设计期为50年时,众值烈度的超越概率为63.2%。
中震烈度一般采用中国地震烈度区划图所规定的基本烈度,当基准设计期为50年时,基本烈度的超越概率为10%。
大震烈度在50年内的超越概率约为2%-3%。
基本烈度与众值烈度相差不足2度,与罕遇烈度相差约1度。
地震烈度是指地震发生时,在波及范围内一定地点地面振动的激烈程度。
地面振动的强弱直接影响到人的感觉的强弱,器物反应的程度,房屋的损坏或破坏程度,地面景观的变化情况等。
我国目前采用的是12个烈度等级划分烈度表。
3、爆破震动安全控制实例3.1向家坝水电站爆破安全控制向家坝水电站是坝址位于四川省宜宾县与云南省水富县交界的金沙江向家坝峡谷出口处,左岸为四川省宜宾县。
5 爆破安全距离为了保证爆破地点附近人员、机械和建筑物、构筑物的安全,必须根据爆破产生的各种危害作用确定安全距离。
5.1 爆破地震作用安全距离1)一般建筑物和构筑物的爆破地震安全性应满足安全震动速度的要求,主要类型的建(构)筑物地面质点的安全震动速度规定如下:重要工业厂房0.4cm/s;土窑洞、土坯房、毛石房屋1.0cm/s;一般砖房、非抗震的大型砌块建筑物2~3cm/s;钢筋混凝土框架房屋5cm/s;水工隧洞10cm/s;交通隧洞15cm/s;矿山巷道:围岩不稳定有良好支护10cm/s;围岩中等稳定有良好支护15cm /s;围岩稳定无支护20cm/s。
2)爆破地震安全距离可按下式计算:在特殊建(构)筑物附近或爆破条件复杂地区进行爆破时,必须进行必要的爆破地震效应监测或专门试验,以确定被保护物的安全性.5.2 爆破冲击波安全距离露天煤矿应尽量避免裸露爆破,露天裸露爆破矿山爆破安全距离爆破时,必然产生爆破地震、空气冲击波、碎石飞散及有害气体,因而危及爆区附近人员、设备、建筑物及井巷等的安全。
因此,爆破设计时必须确定爆破危害范围并指定安全距离。
主要有以下几个方面:1.爆破地震安全距离炸药在岩体中爆炸后,在距爆源一定距离的范围内,岩体产生弹性震动波,即是爆破地震.爆破作业地震强度主要与炸药量、爆源距离、岩石特性、爆破条件和方法以及地质地形条件有关。
《爆破安全规程》规定“一般建筑物和构筑物的爆破地震安全性应满足安全振动速度的要求",并规定了建(构)筑物地面质点振动速度控制标准。
2.爆破空气冲击波的安全距离空气冲击波的安全距离主要依据以下几个方面来确定:对地面建筑物的安全距离,空气冲击波超压值计算和控制标准,爆破噪声,空气冲击波的方向效应与大气效应。
控制空气冲击波的方法主要有:(1)避免裸露爆破,特别是在居民区更需特别重视,导爆索要掩埋20em或更多,一次爆破孔间延迟不要太长,以免前排带炮使后排变成裸露爆破.(2)保证堵塞质量,特别是第一排炮孔,如果掌子面出现较大后冲,必须保证足够的堵塞长度.对水孔要防止上部药包在泥浆中浮起.(3)考虑地质异常,采取措施.例如,断层、张开裂隙处要间隔堵塞,溶洞及大裂隙处要避免过量装药。
岩石爆破安全距离
岩石爆破是一种常见的采石行业作业方式,但其所带来的安全问题也是不可忽视的。
在进行岩石爆破作业时,必须严格遵守安全规定,确保人员和设备的安全。
岩石爆破的安全距离是非常重要的,通常建议在爆破现场半径1.5倍的范围内禁止人员进入。
当然,在特殊情况下,如爆破前进行详细的安全评估和措施,可适当缩小安全距离。
在爆破时,还应注意以下事项:
1. 风向及风速:在进行岩石爆破作业时,必须确保风向及风速与安全距离不冲突。
2. 爆破计划:必须有详细的爆破计划,包括爆破量、爆破时间、爆破方式等,以确保爆破作业的安全。
3. 通知周边群众:必须提前通知周边群众,以确保他们不会在爆破时进入危险区域。
4. 设备检测:在进行岩石爆破作业前,必须对设备进行全面检测,以确保其正常运行。
总之,岩石爆破作业必须严格遵守安全规定,以确保人员和设备的安全。
在爆破作业过程中,必须要注意周边环境和群众安全,同时还要做好设备和爆破计划的细节工作。
- 1 -。
( 安全技术 )单位:_________________________姓名:_________________________日期:_________________________精品文档 / Word文档 / 文字可改矿山爆破安全距离(标准版)Technical safety means that the pursuit of technology should also include ensuring that peoplemake mistakes矿山爆破安全距离(标准版)爆破时,必然产生爆破地震、空气冲击波、碎石飞散及有害气体,因而危及爆区附近人员、设备、建筑物及井巷等的安全。
因此,爆破设计时必须确定爆破危害范围并指定安全距离。
主要有以下几个方面:1.爆破地震安全距离炸药在岩体中爆炸后,在距爆源一定距离的范围内,岩体产生弹性震动波,即是爆破地震。
爆破作业地震强度主要与炸药量、爆源距离、岩石特性、爆破条件和方法以及地质地形条件有关。
《爆破安全规程》规定“一般建筑物和构筑物的爆破地震安全性应满足安全振动速度的要求”,并规定了建(构)筑物地面质点振动速度控制标准。
2.爆破空气冲击波的安全距离空气冲击波的安全距离主要依据以下几个方面来确定:对地面建筑物的安全距离,空气冲击波超压值计算和控制标准,爆破噪声,空气冲击波的方向效应与大气效应。
控制空气冲击波的方法主要有:(1)避免裸露爆破,特别是在居民区更需特别重视,导爆索要掩埋20em或更多,一次爆破孔间延迟不要太长,以免前排带炮使后排变成裸露爆破。
(2)保证堵塞质量,特别是第一排炮孔,如果掌子面出现较大后冲,必须保证足够的堵塞长度。
对水孔要防止上部药包在泥浆中浮起。
(3)考虑地质异常,采取措施。
例如,断层、张开裂隙处要间隔堵塞,溶洞及大裂隙处要避免过量装药。
(4)在设计中要考虑避免形成波束。
(5)在地下矿山巷道,可利用障碍、阻波墙、扩大室等结构来减轻巷道空气冲击波。
爆破振动安全允许距离模版爆破振动是指在爆破作业过程中,由于爆炸波的传播引起的地面或周围结构物的振动。
由于爆破振动对周围环境和建筑物可能产生的影响,需要制定爆破振动安全允许距离模板。
本文将探讨爆破振动的定义、影响因素和安全允许距离模板的制定。
一、爆破振动的定义爆破振动是指在爆炸作业中,由于爆炸波传播引起的地面或周围结构物的振动。
爆破振动的产生主要是由于爆炸波在传播过程中与地下岩体或周围结构物相互作用所引起的。
振动会导致震动加速度、振幅、频率等参数的变化,其严重程度与振动参数的大小有关。
爆破振动对周围环境和建筑物可能产生的影响主要表现在以下几个方面:1. 对建筑物的影响:爆破振动会导致建筑物的震动,进而引起建筑物的沉降、裂缝、倾斜等问题。
2. 对地下工程的影响:爆破振动会对地下工程物体产生挤压、拉伸力,进而影响地下结构物的稳定性。
3. 对环境的影响:爆破振动会对周围的土地、地基和地下水等环境要素产生影响,可能导致土壤液化、地面沉降等环境问题。
二、爆破振动的影响因素爆破振动的大小受多种因素的影响,主要包括以下几个方面:1. 炸药性质:炸药的爆速、爆热量以及炸药的装填方式等因素会直接影响爆破振动的大小。
2. 爆炸参数:爆炸的药量、装药密度、起爆方式等爆炸参数会对振动产生影响。
3. 岩石性质:岩石的硬度、密度、韧性等物力学特性会对传播和衰减爆破振动产生影响。
4. 爆破环境:地下或地表的地形、水文地质条件、覆土深度等环境因素也会对振动产生影响。
爆破振动安全允许距离模版(二)为了保证爆破作业的安全,需要制定爆破振动安全允许距离模板。
安全允许距离模板是指在特定条件下,爆破作业所产生的振动参数与周围环境、建筑物安全要求相匹配的一种标准。
爆破振动的安全允许距离主要依据振动参数的大小、环境敏感度和建筑物的抗震能力来确定。
根据国际上的相关规范和国内的爆破振动安全要求,可以得出以下关于振动安全允许距离模板的基本原则和方法:1. 振动参数评估:根据爆破振动参数的大小(如震动速度、振幅)以及建筑物结构的抗震安全要求,对振动参数进行评估。
铁道部对隧道三级围岩的规定
1、三级围岩爆破施工:三级围岩为无拱架支护段,爆破效果的好坏直接影响松动圈的范围大小,为避免因爆破参数选取不当造成洞壁成形差,松动圈厚度大影响洞内施工安全等问题,现具体要求如下:(1)三级围岩段采用光面爆破控制松动圈厚度,光面爆破参数通过在施工现场进行光爆试验确定;
(2)三级围岩每循环进尺控制在3米;(3)周边眼间隔装药采用导爆索引爆;
(4)药卷间隔绑扎在竹片上送入孔内,竹片位于孔壁上方,以保护围岩。
试验所确定的周边眼眼距、装药密度、最小抵抗线距离等爆破参数要求满足在确保洞壁成形较好的情况下尽量对围岩造成较小的扰动,参数确定后严格按参数最小值进行钻爆施工;
2、局部破碎带处理:三级围岩开挖后若洞壁局部出现较破碎处,应采取调整锚杆间距、锚杆长度、钢筋网直径对拱部进行加强,锚杆应与网片焊接牢固;
3、锚垫板安装:严格按规范要求安装,现场监理要认真检查。
锚杆垫片与网片焊接处可采取加焊横向钢筋补强以加强锚杆的悬吊作用。
现场监理要做好详细记录。
4、围岩观察:开挖后,现场监理应在每一次开挖后及时观察、描述开挖面地,层的层理、节理、裂隙结构状况、岩体的软硬程度、出水量大小等,核对设计地质情况,判断围岩稳定性,并对掌子面进行拍照。
5、监控量测:严格按照量测计划要求进行布点观测,及时观测围岩稳定情况并指导施工。
爆破振动安全距离与围岩爆破松动圈范围的确定
1. 爆破振动安全距离
根据实测中的爆破参数及测试数据,按《爆破安全规程》(GB 6722-2003)中萨道夫斯基经验公式计算爆破振动安全允许距离,即:
R=(K /V)1/α×Q1/3
式中,R为爆破振动安全允许距离(m);K、α为与地质条件、爆破方法等相关因素的系数和地震波衰减指数,围岩条件越好,K值越大;V为建(构)筑物安全允许质点振动速度;Q为单段最大起爆药量。
根据重庆地区地质条件,围岩级别以Ⅳ﹑Ⅴ级为主,考虑到地质破碎带的存在,K值应适当降低,取90,α为地震波衰减系数,取1.5。
对于建(构)筑物安全允许质点振动速度V,取一般砖混结构房屋安全允许振速为2.7cm/s,隧洞有大掉块与小的塌落时的质点振速为25cm/s,衬砌砼出现裂缝,隧洞顶板有塌方时的质点振速为45 cm/s;
参考相关文献资料,对于单段最大起爆药量Q,考虑到分部开挖中的最大断面施工,可取一次爆破总药量中最大掏槽段药量,为25kg。
由图1可知,对于一般砖混结构房屋,其安全允许的质点振速为2.7cm/s,对应的距离振源的安全距离至少为31m;对于隧洞出现大的掉块或小的塌方,其安全允许的质点振速为25cm/s,对应的距离振源的安全距离至少为7m;对于隧道衬砌砼出现裂缝,隧洞顶板有塌方,其安全允许的质点振速为45 cm/s,对应的距离振源的安全距离至少为5m。
同时,如果要将地表建筑物质点的振速控制在1.5cm/s(地铁施工对周围建筑物影响的控制标准),从图1中可知,建筑物距离振源的安全距离至少应为45m。
从重庆地铁6号线情况看,以北培站主体结构为例,隧道掌子面距离海宇大厦地表基础约为28m,无法满足地表建筑物距离振源的最小安全距离。
因此,首先必须控制一次爆破总药量中最大掏槽段药量,进而控制爆破振动对周围建筑物的不利影响。
2. 围岩爆破松动圈范围
以重庆地铁6号线北培站主体结构为例,计算掌子面爆破开挖中,将地表建筑物的质点爆破振速控制在1.5cm/s时,一次爆破总药量中最大掏槽段药量Q,同时,以衬砌砼可能出现裂缝,隧洞顶板可能出现塌方时的范围为爆破振动引起的围岩松动圈范围,并以此时质点的爆破振速45cm/s为控制区域进行计算。
Q=[ R(K /V)-1/α]3
将相关参数R=28m,K=90,α=1.5,V=1.5cm/s代入上式,可得:Q=6.1kg。
将Q=6.1kg,V =45cm/s等代入式(1),可得此时爆破振动引起的围岩松动圈范围为:R=2.9m。
由以上分析可见,为了将地表建筑物允许的质点振速控制在1.5cm/s,首先要控制一次爆破总药量中最大掏槽段药量Q不大于6.1kg,因此就必须要严格执行双侧壁导坑法施工,控制每次开挖的断面大小,此时,爆破振动引起的围岩松动圈范围为2.9m。