隔热用聚苯乙烯泡沫塑料板性能
- 格式:doc
- 大小:661.01 KB
- 文档页数:18
EPS板一.材料介绍:全称聚苯乙烯泡沫板,又名泡沫板或EPS板。
聚苯保温板是以聚苯乙烯树脂辅以聚合物在加热混合的同时,注入催化剂,而后挤塑押出连续性闭孔发泡的硬质新型环保节能型泡沫塑料板,其内部为独立的密闭式气泡结构,是一种具有高抗压、吸水率低、防潮、不透气、质轻、耐腐蚀、抗老化、导热系数低等优异性能的保温材料,是目前建筑业常用、优质的隔热、保温材料。
性能特点:1、优异的保温隔热性能聚苯保温板主要以聚苯乙烯为原料制成,而聚苯乙烯原本就是极佳的低导热原料,再辅以挤塑而出,形成紧密的蜂窝结构,从而有效地阻止了热传导,聚苯板导热系数为0.028/m.k,具有高热阻、低线性膨胀率的特性。
导热系数远远低于其它保温材料。
同时该板材质轻、价廉加之具有稳定的化学结构和物理结构,能确保本材料保温性能的持久和稳定,是优秀的保温材料之一。
2、高强度抗压性能,聚苯板抗压强度极高,即使长时间水泡仍维持不变,具有很大的承载力和良好的抗冲击性3、优越的抗水、防潮性能,聚苯板具有紧密的闭孔结构,聚苯乙烯分子结构本身不吸水,板材的正反面都没有缝隙,因此吸水率极低,防潮和防渗透性能极佳。
4、防腐蚀、经久耐用性能,聚苯板因具有优异的防腐蚀、防老化性、保温性、使用寿命可达30-40年。
5、质轻、高硬度、施工便利成本低,聚苯板完全的闭孔发泡结构形成轻质,而均匀的蜂窝结构使其硬度高,因此不易破损,搬运轻松,安装轻便,切割容易,用作屋顶保温时不会影响结构的承载力。
6、高品质环保型,聚能板不易发生分解和霉变,无有害物质挥发,化学性质稳定,为一种高品质环保型产品。
EPS优越性:1、已经行成体系,技术成熟。
由于它在欧洲及美国已沿用了近三十年,在美国已建成的建筑高达44层。
因此,此项技术已形成体系,粘结层、保温层与饰面层可配套使用,有较多较成熟的技术文件。
2、保温效果好。
3、由于保温材料采用膨胀聚苯乙烯,其价格不十分昂贵,使整个系统价格适中。
便于用户接受。
聚苯乙烯泡沫保温板优缺点聚苯乙烯泡沫保温板聚苯乙烯泡沫保温板即泡沫板,又称为EPS板,主要用于建筑外墙、冷库、空调、车辆、船舶的保温隔热系统,用途比较广泛,那么聚苯乙烯泡沫保温板都有哪些优点和缺点呢?聚苯乙稀泡沫保温板优点1.质轻。
我国标准规定采用容重为18~22kg/m3的EPS板,欧洲仅采用15kg/m3的EPS板;2.导热系数低。
由于其充满空气的团孔结构,阻止了空气的传播,使其导热系数在0.039一下;3.由于其板材中98%的空间充斥着空气,有足够的能力通过改变和回复形状对外界冲击力进行缓冲,抗冲击能力良好;4.低吸水性。
研究证明,湿度会影响材料的材料的热性能和力学性能,材料的低吸水性有助于保持这些性能;8.可回收使用。
其回收程度是塑料中最高的;9.生产工艺中不适用氟利昂;10.全生命周期的能耗在塑料制品中最低的。
聚苯乙烯泡沫保温板缺点1.需要挂网,施工繁琐,工期长。
2.易燃、有毒,普通的聚苯乙烯泡沫保温板容易燃烧,燃烧产生的烟雾中有毒性,即便添加阻燃剂之后,燃烧性也仅能达到B级。
外墙保温发生火灾,聚苯乙烯泡沫保温板占95%。
3.材料强度差,容易产生开裂现象、保温层脱落现象比较普遍。
4.聚苯乙烯泡沫保温板由于其自身强度有限,承重能力差,贴面砖时需要进行加强处理。
5.聚苯乙烯泡沫保温板质量不稳定,因为材料出厂前需要放置一段时间,经过一段成熟期才可以使用,如果未熟化彻底,质量将无法得到保证,导致泡沫板收缩开裂。
虽然聚苯乙烯泡沫保温板的优点比较多,但缺点也比较致命。
目前市场上聚苯乙烯泡沫保温板已经呈逐渐淘汰趋势。
目前市场是新型外墙保温材料有很多,其中南阳银通的YT无机活性墙体隔热保温系统,是一种国内首创的无网保温系统,打破了外墙保温必须挂网的局面,大大简化了施工工艺,这种材料不仅不需要挂网,也不需要抗裂砂浆、抹面砂浆,而且还可以替代找平,抗水、抗裂、抗空鼓、A级不燃,性价比优越,建设部重点选用产品和推广技术。
绝热用挤塑聚苯乙烯泡沫塑料标准
关于绝热用挤塑聚苯乙烯泡沫塑料的标准,主要有以下几个方面的标准:
1. 物理性能标准:包括密度、压缩强度、抗拉强度、抗剪强度、热导率等指标。
这些指标对于泡沫塑料的绝热效果以及抗压抗弯能力有重要影响。
2. 燃烧性能标准:挤塑聚苯乙烯泡沫塑料在火灾发生时的燃烧性能对于安全性很重要。
相关标准通常包括燃烧性能等级和燃烧性能指标的测试要求。
3. 尺寸和外观标准:泡沫塑料板的尺寸和外观要符合相关的标准要求。
包括板材的厚度、长度和宽度的允许偏差范围以及表面平整度、色差等要求。
4. 环保标准:挤塑聚苯乙烯泡沫塑料在生产和使用过程中应符合环保要求,如限制有害物质的含量,符合相关的环境保护标准和法规。
以上是一般常见的绝热用挤塑聚苯乙烯泡沫塑料的标准,具体的标准要根据不同国家或地区的法规和标准进行确定。
聚苯乙烯泡沫塑料保温板标准第一部分:总则1.1 本标准规定了聚苯乙烯泡沫塑料保温板的技术要求、试验方法、验收规定、标志、包装、运输和贮存。
1.2 本标准适用于用于建筑保温的聚苯乙烯泡沫塑料保温板,不适用于其他用途的聚苯乙烯泡沫塑料制品。
第二部分:术语和定义2.1 聚苯乙烯泡沫塑料保温板:一种由聚苯乙烯颗粒经发泡成型、具有一定尺寸、密度和保温性能的建筑保温材料。
2.2 表观密度:聚苯乙烯泡沫塑料保温板的质量与体积之比。
2.3 热传导率:单位时间内,单位面积和单位温度差情况下,通过材料厚度的热流量。
2.4 吸水率:聚苯乙烯泡沫塑料保温板在特定条件下吸收水分的能力。
第三部分:技术要求3.1 原材料:生产聚苯乙烯泡沫塑料保温板所使用的原材料应符合国家相关标准。
3.2 外观质量:聚苯乙烯泡沫塑料保温板的表面应平整,允许少量不影响使用的表面缺陷。
3.3 密度:聚苯乙烯泡沫塑料保温板的表观密度应符合设计要求。
3.4 热传导率:聚苯乙烯泡沫塑料保温板的热传导率应符合设计要求。
3.5 吸水率:聚苯乙烯泡沫塑料保温板的吸水率应符合设计要求。
3.6 抗压强度:聚苯乙烯泡沫塑料保温板的抗压强度应符合设计要求。
第四部分:试验方法4.1 原材料检验:对生产聚苯乙烯泡沫塑料保温板所使用的原材料进行必要的检验,确保原材料符合标准要求。
4.2 外观检验:对聚苯乙烯泡沫塑料保温板的外观进行检验,确定表面平整度和无表面缺陷程度。
4.3 密度检验:使用适当的仪器仪表对聚苯乙烯泡沫塑料保温板的密度进行检验。
4.4 热传导率检验:使用热传导率仪器对聚苯乙烯泡沫塑料保温板的热传导率进行检验。
4.5 吸水率检验:将聚苯乙烯泡沫塑料保温板置于特定条件下,测定其吸水率。
4.6 抗压强度检验:采用适当的试验方法对聚苯乙烯泡沫塑料保温板的抗压强度进行检验。
第五部分:验收规定5.1 生产厂家应对生产聚苯乙烯泡沫塑料保温板的原材料、工艺、产品进行严格自检,确保生产的产品符合标准要求。
EPS板expanded polystyrene board,由可发性聚苯乙烯珠粒经加热预发泡后在模具中加热成型而制得的具有闭孔结构的聚苯乙烯泡沫塑料板材。
XPS保温板就是挤塑式聚苯乙烯隔热保温板,它是以聚苯乙烯树脂为原料加上其他的原辅料与聚含物,通过加热混合同时注入催化剂,然后挤塑压出成型而制造的硬质泡沫塑料板.它的学名为绝热用挤塑聚苯乙烯泡沫塑料。
保温性能:EPS为0.041,XPS是0.030。
强度:EPS容重18Kg/m3的抗拉强度为110~120KPa,20Kg/m3容重的在140KPa左右。
XPS的容重正常从25Kg~45Kg,强度从150KPa~700KPa或更高。
(前提是满足导热系数0.03左右)。
耐候性:耐候性是指保温系统对外界天气变化的适应能力,指在不同的气候条件下,系统的整体稳定性、保温效果是否有变化等有关质量的系列问题。
耐候性是保温系统的一个非常重要的指标。
由于EPS板与XPS相比有较高的吸水性,所以他的耐候性的不二种系统的优缺点.EPS保温系统有如下的优越性:1)、已经行成体系,技术成熟。
由于它在欧洲及美国已沿用了近三十年,在美国已建成的建筑高达44层。
因此,此项技术已形成体系,粘结层、保温层与饰面层可配套使用,有较多较成熟的技术文件。
2)、保温效果好。
3)、由于保温材料采用膨胀聚苯乙烯,其价格不十分昂贵,使整个系统价格适中。
便于用户接受。
4)、无复杂的施工工艺,一般施工单位经过简短培训后,便可掌握施工要领,便于技术的推广。
EPS系统的缺点:1)、由于板材自身的性质问题,其强度不高,承重能力较低,外贴面砖时需要进行加强处理。
2)、板材出厂时要经过一段成熟期,需放置一段时间才可使用。
如果熟化时间不足,板材的质量不能得到保证,施工后板材收缩,使系统开裂。
XPS系统的优点在于:1)、XPS板具有致密的表层及闭孔结构内层。
其导热系数大大低于同厚度的EPS,因此具有较EPS更好的保温隔热性能。
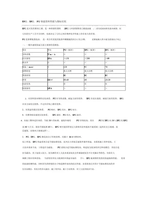
EPS、XPS、 PU 保温资料性能与指标比较EPS是可发性聚苯乙烯,是一种热塑性塑料;XPS又叫挤塑聚苯乙烯泡沫板; 二者均采纳同样的基本树脂,但它们的生产工艺不尽同样,也就决定了它们之间在物理化学性能上存在很大的差别。
PU 是指聚氨脂泡沫,是一类含有重复的氨基甲酸酯链的高分子化合物,是聚氨酯大类中最为重要的子项之一,一般在建筑保温方面主要指的是硬泡。
项目单位PU(板材)XPS(板材)EPS(板材)导热系数W/m· k≤≤≤抗压强度KPA≥150≥200≥69吸水率%<<<耐温( max)℃1209570阻燃程度离火自燃离火自燃离火自燃焚烧级别B2B2B2密度KG/㎡30-404018-20对流传热有有有粘接强度MPA>>>1、从资料基本物性比较来看,PU 在导热系数、耐温方面有优势。
XPS在抗压强度、耐湿方面有优势。
EPS在各方面均无优势,不过在价钱上略有优势。
2、从保温性能比较来看,PU 略好、 XPS其次、 EPS居后。
3、从整体粘结强度比较来看,XPS最好, PU 其次、 EPS最差。
4、从施工整体造价来看,节能50%的标准,建筑外墙用PU 价钱较高,其次PU 较 XPS高 50%,XPS较 EPS高 30 %左右。
假如节能标准 65%, EPS则可能因厚度过大影响其余性能而不被采纳(起码在北方地域、高层建筑、沿海风大地域这样)。
5、 PU、XPS、 EPS都是高分子有机资料,均属于 B 级可燃资料。
综上所述: EPS保温系统合适节能标准较低,抗风压小的低层建筑外墙外保温。
该系统施工效率较低,工人技术要求不高,工程造价为最低。
PU 系统合适节能标准较高、构造较为复杂的多层和高楼层,其综合造价为最高。
其工装投入较大。
因为拥有对工人技术要求较高且外墙强度较差不行受撞击等特色,仍需在大规模工程应用和查验,当前使用率仅占我国的外保温市场的5%。
XPS板材拥有优胜的保温隔热性能、优秀的抗湿防潮性能,同时因为其特别的分子构造拥有很高的抗压性能。
绝热用挤塑聚苯乙烯泡沫塑料标准(一)绝热用挤塑聚苯乙烯泡沫塑料标准引言•聚苯乙烯泡沫塑料是一种常用的绝热材料,具有良好的绝热性能和耐久性。
•为了确保聚苯乙烯泡沫塑料产品的质量和应用效果,制定了相关的标准和规范。
标准概述•绝热用挤塑聚苯乙烯泡沫塑料标准针对挤塑工艺制备的聚苯乙烯泡沫塑料产品,规定了其物理性能、化学性能、热性能等方面的要求和测试方法。
标准内容•物理性能要求:1.密度:聚苯乙烯泡沫塑料的密度应符合规定范围,以确保其轻质且具有良好的隔热效果。
2.压缩强度:泡沫塑料应具有一定的抗压能力,以保证其在使用过程中不会失去原有的绝热性能。
3.吸湿性:要求泡沫塑料的吸湿率较低,以避免在潮湿环境下影响其绝热效果。
•化学性能要求:1.溶解性:泡沫塑料在常用化学溶剂中应具有一定的抵抗能力,以确保其在使用时不会因受到溶解性的影响而损坏。
2.阻燃性:要求泡沫塑料具备一定的阻燃性能,以减少火灾发生时的火焰蔓延速度和毒气释放量。
•热性能要求:1.热导率:泡沫塑料的热导率应处于一定范围内,以确保其具备良好的隔热效果。
2.热膨胀系数:要求泡沫塑料的热膨胀系数较低,以避免在温度变化过大时产生变形或开裂现象。
测试方法•密度测定:采用测定法对泡沫塑料的密度进行测定,具体方法可参考相关标准。
•压缩强度测试:使用压缩试验机对泡沫塑料进行压缩测试,测得其抗压强度。
•吸湿性测试:将泡沫塑料暴露在高湿环境中,测量其吸湿率的变化。
•溶解性测试:将泡沫塑料样品置于化学溶剂中观察其变化情况。
•阻燃性测试:采用相应的阻燃性能测试方法进行评定。
•热导率测试:使用热导仪测定泡沫塑料的热导率。
•热膨胀系数测试:采用热膨胀系数试验装置进行测量。
结论•绝热用挤塑聚苯乙烯泡沫塑料标准的制定,旨在确保产品质量和使用效果。
•遵守这些标准并按照测试方法进行相关测试,可以评估泡沫塑料的性能和适用性,从而为产品的选择和使用提供参考依据。
EPS泡沫塑料性能介绍_EPS是一种热塑性材料,经加热发泡以后,每立方分米体积内含有300~600万个独立密闭气泡,内含空气的体积为98%以上,这样的结构使它具有许多特性。
一,保温隔热性能EPS具有良好的保温性能是因为它由完全封闭的多面体形蜂窝构成,蜂窝的直径0.08~0.15mm,蜂窝壁厚为0.001mm。
EPS由约98%的空气和2%的聚苯乙烯组成。
截留在蜂窝内的空气是一种热的不良导体,因而对EPS的热绝缘(保温)性能起决定性的作用。
与含有其他气体的泡沫塑料不同,空气长期留在蜂窝内,所以保温效果稳定不变。
(一)导热系数导热系数取决于密度和温度。
EPS厚度减少,热辐射的透过率上升,当厚度低于10mm时尤为明显。
EPS的含水量对导热系数影响显着,每吸收1%体积的水,导热系数上升3.4%,因此,在任何墙体结构里,隔热层必须放在远离可能产生冷凝水的地方。
随着环境温度的下降,EPS泡沫塑料的导热系数将随之下降。
EPS泡沫塑料适用于温度较低的环境之中。
因为传导与辐射在不同程度上随制件的密度(即泡孔的壁厚)而变化,当EPS密度过大或过小时,其导热系数都将增加。
在常温下,当EPS泡沫塑料的密度在30~40kg/m 3时,其导热系数最低。
根据上述特性,我们若要选择EPS泡沫塑料作绝热材料时,首先,环境温度要小于75℃,环境温度越低,其导热系数越低,即绝热性能越好。
其次,我们还应选择密度合理的EPS泡沫塑料作为绝热材料。
若我们仅从导热系数出发,则可选取密度为30~40kg/m 3左右的EPS泡沫塑料为好,随着EPS的密度上升,EPS的强度也将上升,但是,材料消耗增加,成本也必将上升。
所以,我们在选择EPS泡沫塑料的密度时,应该综合考虑其导热系数、强度及生产成本等诸多因素。
另外,还需指出,除了上述的EPS泡沫塑料的密度以外,EPS的分子量(一般常用相对粘度值来表示),EPS颗粒的大小,发泡成型以后的粘接程度(熔结性),以及EPS发泡以后其本身的孔径等等,这些因素也多少对EPS泡沫塑料的导热系数有所影响。
聚苯乙烯泡沫塑料保温板燃烧性能聚苯乙烯泡沫塑料保温板是一种常用的建筑保温材料,其燃烧性能备受关注和讨论。
燃烧性能主要涉及到聚苯乙烯泡沫塑料保温板在火灾条件下的燃烧特性、燃烧产物和燃烧对人体和环境的影响。
首先,我们要了解聚苯乙烯泡沫塑料保温板的燃烧特性。
聚苯乙烯泡沫塑料保温板的燃烧温度相对较低,燃烧过程中会产生大量可燃气体。
燃烧时,聚苯乙烯泡沫塑料保温板很容易熔化和滴落,燃烧过程中会产生有毒气体和有害物质,对人体和环境造成威胁。
其次,我们要关注聚苯乙烯泡沫塑料保温板燃烧产物的影响。
燃烧过程中,聚苯乙烯泡沫塑料保温板会产生大量的烟雾和有害气体,其中包括一氧化碳、苯、酚等。
这些燃烧产物对人体有害,会导致中毒和呼吸系统疾病。
此外,燃烧产生的烟雾也会影响人员疏散和灭火工作,增加火灾事故的危险性。
针对聚苯乙烯泡沫塑料保温板燃烧性能的问题,我们需要采取相应的措施来提高其安全性。
首先,在建筑设计和施工中,应合理选择泡沫塑料保温板的种类和规格,严格按照规范进行施工,确保其在燃烧时的失火等级符合要求。
其次,要加强对泡沫塑料保温板燃烧性能的监测和评估,及时发现问题并采取措施加以解决。
另外,我们可以通过添加燃烧抑制剂等方式来改善聚苯乙烯泡沫塑料保温板的燃烧性能,减少燃烧产物的危害。
综上所述,聚苯乙烯泡沫塑料保温板的燃烧性能对人体和环境有一定的影响。
为了提高其安全性,我们需要关注其燃烧特性和燃烧产物的影响,并采取相应的措施来提高其安全性。
只有确保建筑材料的燃烧性能符合要求,才能更好地保障人们的生命安全和财产安全。
建筑行业需要进一步加强对聚苯乙烯泡沫塑料保温板燃烧性能的研究和探讨,推动该领域的发展和应用。
不同材料的隔热效果比较隔热材料是在建筑、制造和其他行业中广泛应用的材料之一。
通过减少热量的传导、辐射和对流,隔热材料能够提供更舒适和节能的环境。
然而,不同材料的隔热效果可能会有所不同。
本文将比较几种常见隔热材料的效果。
一、泡沫塑料泡沫塑料是一种常用的隔热材料,常见的类型包括聚苯乙烯(EPS)、聚氨酯(PUR)和聚异氰酸酯(PIR)。
这些材料具有良好的隔热性能,能够有效地减少热量的流失。
泡沫塑料还具有轻质、易安装和耐久的特点。
其中,聚苯乙烯具有较低的导热系数,因此具有更好的隔热效果。
二、玻璃纤维玻璃纤维是一种常见的隔热材料,常用于墙体和屋顶的隔热。
它由细小的玻璃纤维组成,可以有效地隔离热量的传导。
玻璃纤维具有优异的隔热性能、较长的使用寿命和耐腐蚀性。
此外,玻璃纤维还具有良好的声音吸收和防火性能。
三、岩棉岩棉是一种由矿石熔融制成的隔热材料,通常用于制造各种板材和管道。
岩棉具有极佳的隔热性能,能够有效地减少热量的流失。
它还具有良好的吸音性能和防火性能,可以提供更加安全和舒适的环境。
然而,岩棉的制造过程可能会产生一定的环境污染。
四、珍珠岩珍珠岩是一种由火山岩石经高温烧结制成的隔热材料。
它具有良好的隔热性能和抗压强度,适用于墙体、屋顶和地板的隔热。
此外,珍珠岩还具有优异的耐火性能和不易吸水的特点,能够防止潮湿和霉菌的产生。
综上所述,不同材料的隔热效果有所差异。
泡沫塑料具有良好的隔热性能和轻质化的优势;玻璃纤维具有优异的隔热性能和防火性能;岩棉具有极佳的隔热性能和吸音性能;珍珠岩具有良好的隔热性能和耐火性能。
因此,在选择隔热材料时,应根据具体的需求和环境条件综合考虑各种因素,选择最适合的材料。
XPS 保温板就是挤塑式聚苯乙烯隔热保温板,它是以聚苯乙烯树脂为原料加上其他的原辅料与聚含物,通过加热混合同时注入催化剂,然后挤塑压出成型而制造的硬质泡沫塑料板,它的学名为绝热用挤塑聚苯乙烯泡沫塑料(简称XPS),XPS具有完美的闭孔蜂窝结构,这种结构让XPS板有极低的吸水性(几乎不吸水)、低热导系数、高抗压性、抗老化性(正常使用几乎无老化分解现象)。
1、优良的保温隔热性具有高热阻、低线性、膨胀比低的特点,其结构的闭孔率达到了99%以上,形成真空层,避免空气流动散热,确保其保温性能的持久和稳定,相对于发泡聚氨酯80%的闭孔率,领先优势不言而喻。
实践证明20mm厚的XPS挤塑保温板,其保温效果相当于50mm厚发泡聚苯乙烯,120mm厚水泥珍珠岩。
因此本材料是目前建筑保温的最佳之选。
2、卓越的高强度抗压性由于XPS板的特殊结构,其抗压强度极高、抗冲击性极强,根据XPS的不同型号及厚度其抗压强度达到150~500Kpa以上,能承受各系统地面荷载,广泛应用于地热工程、高速公路、机场跑道、广场地面、大型冷库及车内装饰保温等领域。
3、优质的憎水、防潮性吸水率是衡量保温材料的一个重要参数。
保温材料吸水后保温性能随之下降,在低温情况下,吸入的水极易结冰,破坏了保温材料的结构,从而使板材的抗压及保温性能下降。
由于聚苯乙烯分子结构本身不吸水,板材分子结构稳定,无间隙,解决了其它材料漏水、渗透、结霜、冷凝等问题。
4、质地轻、使用方便XPS板的完全闭孔式发泡化学结构与其蜂窝状物理结构,使其具有轻质、高强度的特性,便于切割、运输,且不易破损、安装方便。
5、稳定性、防腐性好长时间的使用中,不老化、不分解、不产生有害物质,其化学性能极其稳定,不会因吸水和腐蚀等导致降解,使其性能下降,在高温环境下仍能保持其优越的性能,根据有关资料介绍,XPS挤塑保温板即使使用30~40年,仍能保持优异的性能,且不会发生分解或霉变,没有有毒物质的挥发。
聚苯乙烯泡沫塑料板
聚苯乙烯泡沫塑料板是一种常见的建筑材料,广泛应用于建筑业。
它具有轻质、隔热、吸音等特点,被广泛用于建筑墙体隔热、屋顶保温和地板隔音等领域。
聚苯乙烯泡沫塑料板是一种由聚苯乙烯颗粒通过发泡而成的材料。
聚苯乙烯是
一种具有良好的隔热性能和低导热系数的材料,因此聚苯乙烯泡沫塑料板具有优异的隔热性能。
它可以有效地减少室内外温度差异,提高室内的舒适性。
在夏季,聚苯乙烯泡沫塑料板可以隔热遮阳,减轻空调负荷,节约能源。
在冬季,它可以隔热保暖,减少能量消耗,提高采暖效果。
同时,聚苯乙烯泡沫塑料板还具有良好的吸音性能。
在建筑墙体隔音和地板隔
音中,它可以有效地吸收和减少噪音的传播。
这对于提高室内环境质量,降低噪音污染有着重要的作用。
在施工过程中,聚苯乙烯泡沫塑料板还具有易于操作和安装的特点。
它的轻质
和柔性使得施工过程更加简单方便,提高了工作效率。
同时,它还具有优异的耐候性和抗老化性能,可以保持长时间的稳定性和可靠性。
聚苯乙烯泡沫塑料板的广泛应用改善了建筑物的能效和室内环境质量。
它可以
减少能源消耗,降低暖通空调系统的负荷,实现节能减排的目标。
此外,它还可以提高建筑物的保温性能和隔音性能,提升住房和办公环境的舒适度。
总之,聚苯乙烯泡沫塑料板是一种具有优异性能的建筑材料。
它的轻质、隔热、吸音等特点使得它在建筑行业得到广泛应用。
随着人们对建筑能效和舒适性的要求越来越高,聚苯乙烯泡沫塑料板将继续发挥重要作用,并在未来的建筑领域中发展壮大。
聚苯乙烯泡沫塑料保温板防火等级聚苯乙烯泡沫塑料保温板是一种常用的建筑保温材料,具有重要的保温隔热性能。
然而,由于泡沫塑料的特性,其防火性能一直备受关注。
本文将介绍聚苯乙烯泡沫塑料保温板的防火等级,并提供相关建议。
聚苯乙烯泡沫塑料保温板的防火等级是指在火灾发生时,该材料能够承受的火焰温度和时间。
根据国家标准,泡沫塑料保温板的防火等级分为B1、B2和B3三个级别。
B1级别是最高级别,表示这种保温板是不燃材料,具有很高的防火性能。
这种材料在火灾发生时,不会熔化、滴落,也不会产生有毒烟雾,有效地减少了火灾蔓延和蔓延的风险。
B2级别是中等级别,表示这种保温板为可燃材料,但具有一定的防火性能。
这种材料在火灾发生时,会熔化、滴落,但是不会产生持续燃烧,火势不会蔓延很快。
它也能够有效地保护建筑物不受火灾侵害。
B3级别是最低级别,表示这种保温板为易燃材料,防火性能较差。
这种材料在火灾发生时,会快速燃烧,并产生大量的有毒烟雾,容易导致火势蔓延和其他安全问题。
在选择聚苯乙烯泡沫塑料保温板时,建议优先选择B1级别的材料,特别是对于高层建筑和重要设施。
这样可以有效地提高建筑物的整体防火等级,减少火灾带来的损失。
同时,对于一些住宅或小型商业建筑,选择B2级别的材料也是一种可行的选择。
除了选择适当的防火等级,还需要注意其他防火措施。
首先,要确保保温板安装正确,不得留有缝隙和空隙,这样可以减少火灾蔓延的风险。
其次,建议在保温板外部设置阻燃层或石膏板,增加整体的防火性能。
最后,定期检查保温板的使用情况,及时更换老化或损坏的部分,确保建筑物的安全。
总之,聚苯乙烯泡沫塑料保温板的防火等级是确保建筑物安全的重要指标。
选择合适的等级,配合其他防火措施,可以有效地减少火灾的损失,并保护人们的生命财产安全。
建议在选择和使用保温板时,务必重视防火性能,确保建筑物的整体安全。
(835字)。
epS和聚苯乙烯泡沫保温板的区别epS和聚苯乙烯泡沫保温板是建筑保温材料中常用的两种类型,它们在结构、性能和应用方面存在一些区别。
1. 结构epS和聚苯乙烯泡沫保温板在结构上有一些差异。
epS是由聚苯乙烯颗粒经过加热后加入发泡剂形成的泡沫材料,具有均匀闭孔结构,密度较轻。
而聚苯乙烯泡沫保温板则是通过加热和挤压聚苯乙烯颗粒形成的发泡板,其结构形式可以是闭孔也可以是开孔。
2. 性能epS和聚苯乙烯泡沫保温板在性能方面也存在一些不同。
epS具有较低的导热系数,热阻性能较好,能有效降低热量的传导,具有良好的隔热效果。
而聚苯乙烯泡沫保温板的导热系数稍高,但仍具有较好的隔热性能,可以满足一般建筑的保温需求。
此外,epS的吸水率较高,约为2%左右,而聚苯乙烯泡沫保温板的吸水率相对较低,约为0.2%左右。
因此,在湿润环境下,聚苯乙烯泡沫保温板的性能稳定性更好。
3. 应用由于epS和聚苯乙烯泡沫保温板在性能上的差异,它们在应用方面也存在一些差异。
epS常用于建筑外墙保温、屋面保温、地板保温等场合。
由于其良好的隔热性能和轻质结构,可以减少建筑能耗,提高建筑的节能效果。
同时,epS还具有阻燃等性能,能够提高建筑的安全性。
聚苯乙烯泡沫保温板常用于墙体、屋顶、地板、冷藏库等建筑保温场合。
它具有较好的隔热性能和压缩强度,能够提高建筑的保温效果并增强结构的强度。
聚苯乙烯泡沫保温板还具有良好的耐水性能,能够适应多种气候条件下的使用。
总的来说,epS和聚苯乙烯泡沫保温板都是常见的建筑保温材料,它们在结构、性能和应用上存在一些区别。
建筑设计者可以根据具体的项目需求,选择合适的保温材料,以提高建筑的节能性、安全性和舒适性。
隔热用聚苯乙烯泡沫塑料板性能指标钢丝网架聚苯乙烯夹心板性能指标(以上两种的表格是由河北省质量检测中心出具的检测报告数据。
)钢丝网架聚苯乙烯夹心板简介钢丝网架聚苯乙烯平夹心板是由福源保温材料厂引进国内先进设备和技术,生产开发的系列产品,它以阻燃型聚苯乙烯泡沫塑料板为整体芯板,双面或单面覆盖以冷拔钢丝网片,双向斜插钢丝焊接而成,其性能优于同类型的三维空间钢丝网架板,是目前钢丝网架聚苯乙烯夹心板中较优秀的一种。
钢丝网架聚苯乙烯夹心板材可分为:1.承重内(隔)外墙板(双面网)简称SQ板。
2.屋面板(双面网)简称SZ板。
3.外墙保温板及屋面保温板(单面网)简称SB1板。
4.现浇剪力墙外墙保温板(单面网)简称SB2板。
一、产品特点:1、SQ、SZ板的主要特点:自重轻、强度高、隔音、抗震、防水、防火、耐冻融、特别是保温节能效果好,SQ、SZ板既有木结构的灵活性,又有混凝土的高强耐久性。
施工速度快,安装方便,可有效增加使用面积,降低工程造价,改善建筑物使用性能,具有良好的社会效益和经济效益。
2、SB1、SB2板的主要特点:具有良好的保温性能,采用不同厚度的SB板,可满足不同地区建筑节能50%的要求,并可增加使用面积,有良好的防潮防水性。
安装方便,可缩短施工周期,降低工程造价,由于该板塑性好,可满足各种建筑外形装修要求。
二、适用范围:1、可做为建筑非承重的内隔墙和低层建筑的屋面板,特别是的保温要求的建筑和大空间的仓储建筑。
2、可用做框架结构的填充墙。
3、由于运输和施工方便,可用于建造高山、海岛、沙漠、草原等建材匮乏地区的建筑。
4、由于自身的保温隔热性能和体轻等特点,用于城市楼房的接层。
5、SB板可作复合外墙的保温层和屋面的保温层。
三、基本规格尺寸1、聚苯乙烯泡沫塑料内芯厚度:可按40mm、50mm、60mm、70mm、80mm选用。
2、宽度:1200mm。
3、板长:按设计需要从2200mm-5000mm任意定做,标准尺寸为3000mm。
4、钢丝网片及斜插丝:采用ф2.0mm低碳冷拔钢丝网片(50mm目),双向斜插钢丝。
四、主要技术指标和外观质量:施工及安装说明一、施工准备:对使用的钢丝网架聚苯乙烯夹芯板材的质量,必须按照行业标准JC623—1996和企业标准的有关规定进行检查。
1.对由于运输、堆积造成的变形,必须予以矫正,脱焊点必须补焊或用钢丝绑扎牢固。
2.所有的配件、数量和技术条件必须符合设计要求。
3.主体结构验收合格后,室内侧弹出50水平标高线。
4.技术人员对操作者按规程进行技术交底。
二、施工机具各种宽度的冷拔钢丝平网、角网、U网、角钢、ф6mm钢筋头、U码、铁板、ф6钻头、射钉、射弹、膨胀螺栓和22#镀锌铁丝。
工具有射钉枪、喷枪、喷浆机、电锤、电焊机、断丝剪、砂轮锯、活动板手、水平尺、钢锯条、锤及施工常用工具。
三、施工程序1.非承重内(隔)外墙板施工程序1.1放线。
墙体放线为双线,线的间距按板厚确定。
将其在地面、墙面、梁、柱天棚上的相接位置线划好,划出门窗洞口的位置。
1.2 固定墙体方法有三种:1.2.1栽锚筋。
用电锤钻孔,将钢筋钉入孔中,钢筋规格为ф6长200mm,布置方法为沿线错开布置,间距400mm,锚入深度不小于600mm。
1.2.2固定U码。
将U码放在双线中,用射钉枪把U码用射钉与地面、墙面或天棚固定。
U码间距400mm。
1.2.3焊钢筋。
钢丝网架聚苯乙烯夹芯板与钢结构固定,在钢柱或钢檩条上焊接ф6钢筋长200mm,间距400mm。
1.3栽板、安装。
按墙体的尺寸大小裁好板,然后按图纸要求拼装,安装在预定的位置,用铁丝把U码或钢筋码与钢丝网架绑扎牢固,扎点的间距为200mm,呈梅花形布置,并将板缝用平网或角网加固补强。
门窗洞口周围用连接网补强。
1.4安装门窗,安装电气开关、插座、接线盒及其它预埋件。
抹灰25mm厚,然后贴瓷砖、面砖或其它装饰材料。
)2SZ板屋面施工程序2.1 SZ板在钢筋混凝土梁或钢梁上。
应先将钢筋混凝土梁用水泥砂浆找平,再将钢筋埋入梁内。
如果是钢梁,则先在钢梁上焊接ф6长200mm间距400mm 钢筋。
2.2裁板、安装。
必须根据设计确定层面结构布置裁好SZ板,并在SZ板底加附加钢筋(规格、间距等按工程设计而定),其规格尺寸和吊环位置等应符合设计要求。
安装SZ板时,将钢筋和板底钢丝网架绑扎牢固,并将板缝用加强网片补强。
一块板的钢丝网架应保证整体性,不得拼接。
2.3 安装水、电管线和预埋件杆支撑。
木方支撑高度能使底面略向上拱10mm即可。
先抹SZ板顶面第一遍灰,待强度达到60—70%后抹顶面第二遍灰,待第二遍灰强度达到80%以上,再进行底面第一遍抹灰,待其强度达到80%后,拆除板底的支撑,再抹第二遍灰,抹灰环境温度不低于5°C,用喷浆机做表面喷浆时,喷枪与板面的夹角不得大于45度。
3内挂SB1板施工程序3.1 清理墙面。
将墙面不平整的地方及灰渣清理干净。
3.2 裁板安装。
按图纸要求裁好板,拼装完毕后安装在预定位置,用射击钉或膨胀螺栓把U形铁板与板固定在墙上,并将板缝补强。
如要预埋钢筋时,将钢筋插入板内,安装在预定位置,将钢筋弯起勾住板网并和钢丝网架绑扎牢固。
门窗洞口处的四周用连接网补强。
3.3 将线盒、预埋件位置留出,并将接线盒、预埋件、管线安装好。
3.5最后进行抹灰、装饰。
4 外墙挂SB1板施工程序4.1安装SB1板的支撑:对于新建筑,可在外墙每层圈梁或钢筋砼梁上挑一个小沿(根据设计定)作为SB1板的支承,而对于已建建筑或建筑物已砌筑需作外保温时,楞在建筑物每层的圈梁上根据SB1板厚度增设(根据设计定)∟50×5--∟70×5角钢,作为SB1板的支承。
角钢用φ14膨胀螺栓固定在墙面上,膨胀螺栓间距为500mm,并在角钢上下面各焊φ6钢筋,长200mm,间距500mm,以备和SB1板两端的钢丝网绑扎。
4.2 预埋或焊接固定SB1板的钢筋对于新建建筑,在砌围护墙时,可在砖墙或砌块墙中预埋φ6长350mm钢筋,双向间距为500mm,呈梅花式或交错预埋。
而在钢筋砼墙面上,可在固定钢模板时留下的铁板或穿墙套管上焊φ6钢筋,长200mm,双向间距500mm。
4.3清理墙面:将墙面不平整的地方及灰渣清理干净。
4.4裁板、安装SB1板安装前应根据角钢的支承高度或外挑檐之间的高度把SB1板裁好,并安装在预定的位置。
安装时如果有预埋钢筋,预埋钢筋应穿透SB1板,尽量使SB1板靠紧墙面,然后将预埋钢筋向上弯起勾住板网,并用镀锌铁丝将钢筋与钢丝网架绑扎牢固,再将角钢上下面的钢筋与SB1板两端的钢丝网架绑扎牢固。
如果墙面上末预埋钢筋,应用膨胀螺栓把U形铁板固定在墙面上,U形铁板两端压住钢丝网架,U形铁板的双向间距500mm。
最后将板缝用平网或角网加固补强,门窗洞口处四周用连接网补强。
4.5 安装预埋件或预埋螺栓等。
5 现浇剪力外墙外保温SB2板应用及施工工艺:5.1现浇外墙外保温的优越性及与其他形式保温板的比较5.1.1内挂保温的薄弱环节的热桥问题不好解决。
5.1.2影响施工进度(安装暖气片、上下水、内装饰都要待内保温安装完毕后)5.1.3占用室内有效面积,每户平均占1.3—1.5平方米左右。
5.1.4要想达到有关规定中外墙平均传热系数的要求,同样导热系数的材料保温厚度比外保温厚的多。
5.1.5影响二次装修。
5.1.6在墙上吊挂物件困难(如吊挂暖气片或安装窗帘盒等)。
5.1.7外墙面受外界气温影响大,由墙体引起的温差容易使内墙开裂。
5.1.8由于以上后挂板的的不足,因此采用现浇外保温。
相对来说,就能够减小或避免以上的缺点,所以现浇外保温的优点是解决了薄弱环境的热桥问题,不影响内装修,增加了室内的使用面积;不影响二次装修,解决了室内墙上吊挂物体。
施工方便、安全、快捷、节约工程造价等。
5.2材料的选用:钢丝网架聚苯乙烯夹芯板(钢丝网架水泥聚苯乙烯夹芯板)原材料为φ2.0—φ2.2低碳钢丝和聚苯乙烯泡沫塑料.5.2.1在体型系数小于0.3,外窗传热系数为4.0W/m2.k的条件下,外墙平均传热系数达到 1.16W/m2.k的标准。
当体型系数≥0.3,门窗传热系数在4.0W/m2.k的条件下,外墙平均传热系数应为0.82W/m2.k,试点工程采用密度为16Kg/m3,平均厚度45mm的曲面形单面钢丝网架保温板,工程砼墙厚200mm,体形系数为 2.7(<3),经计算墙体平均传热系数达到0.63W/m2.k,充分满足了有关规定的要求.因此,今后在同类建筑中,保温板厚度平均40mm就能满足节能要求.5.2.2保证砼墙体的密实度符合质量要求,经工程试点实践证明,只要按照施工工艺施工,均能符合质量标准,不必采用价格较高的免振捣混凝土。
5.2.3 在浇注混凝土侧压力的作用下,最大压缩值3.5mm,平均压缩值为1mm,聚苯乙烯板定位准确,压缩率控制在最小范围内,并不影响墙体保温性能。
5.2.4 保温板与墙体结合良好,连接牢固,安全可靠。
5.2.5施工安全、方便、快捷,大幅度提高工效,节约工时。
5.2.6 综合造价低于内保温,比原外挂形式节约工时和造价1/3—1/4。
5.3 结构形式:5.3.1由于保温板是与砼墙体一次浇注成活,因此对外形和结构都的一定的要求.A.聚苯板板面要求瓦楞形,瓦楞宽200mm,槽底到峰顶高度为10mm,聚苯板密度为16Kg/m3,这就防止了混凝土时由于砼的侧压力使钢丝网架压入苯板影响质量.B.钢丝要求即按照国家建材局行业标准(材质和抗拉强度)。
正面50mm×50mm.网格,Φ2.0mm钢丝网,腹丝为Φ2.2mm.另外,背面增加Φ2.0mm的200×200mm 钢丝网.这样就减少了外墙钢筋外侧绑扎水泥块,并使钢模在对保温板的钢丝网挤压时起到了缓冲作用.C.抹灰前应刷界面剂一道,出厂时对板面进行喷刷。
因此对施工单位减少一道工序,另外现浇保温板在露天情况下使用的时间较长,为了防止钢丝网在施工过程中引起锈蚀,在出厂前均作了界面处理。
5.3.2保温板的厚度:在高层建筑外墙现浇200mm厚的墙体的试验中得到了增加保温板厚度平均40mm,就能满足节能要求的可靠数据。
(2).保温材料导热系数修正值a=1.25.3.3 斜插丝对保温板热工性能的影响:由于构造的需要,保温板内的斜插丝较多(200根/M2)。
为此引起担心的是如此诸多的钢丝会不会影响保温板的热工作能,经实际导热系数测试聚苯板并不因斜插丝(200根/M2)而影响板材的热工性能,即使如此在选择材料厚度时还是乘以1.2系数。
5.4 现浇砼与钢丝网架聚苯乙烯夹芯保温板的相互影响5.4.1 按照砼墙体质量《施工工艺》中要求分层浇灌,分层振捣,质检部门按常规方法检验。