数控车床编程实例
- 格式:docx
- 大小:80.67 KB
- 文档页数:18
数控车床编程实例例1.G01直线插补指令编程如下图所示安装装仿形工件请设置安装装仿形工件,各点坐标参考如下(X向余量4mm)坐标点X(直径)Z圆弧半径圆弧顺逆A00B300C30-48D64-58E84-73F84-1500-150FUNAC数控车编程如下:O9001N10G50 X100 Z10 (设立坐标系,定义对刀点的位置)N20G00 X16 Z2 M03 (移到倒角延长线,Z 轴2mm 处)N30G01 U10 W-5 G98 F120 (倒3×45°角)N40Z-48 (加工Φ26 外圆)N50U34 W-10 (切第一段锥)N60U20 Z-73 (切第二段锥)N70X90 (退刀)N80G00 X100 Z10 (回对刀点)N90M05 (主轴停)N100M30 (主程序结束并复位)////////////////////////////////////////////////////////////////////////////////////////华中数控车床编程如下:%9001N10G92 X100 Z10 (设立坐标系,定义对刀点的位置)N20G00 X16 Z2 M03 (移到倒角延长线,Z 轴2mm 处)N30G01 U10 W-5 F300 (倒3×45°角)N40Z-48 (加工Φ26 外圆)N50U34 W-10 (切第一段锥)N60U20 Z-73 (切第二段锥)N70X90 (退刀)N80G00 X100 Z10 (回对刀点)N90M05 (主轴停)N100M30 (主程序结束并复位)===============================================================例2.G02/G03圆弧插补指令编程,如下图安装装仿形工件请设置安装装仿形工件,各点坐标参考如下(X向余量3mm)坐标点X(直径)Z圆弧半径圆弧顺逆A00B60C30-24183D32-3182E32-40F45-4045-1000-100FUNAC数控车编程如下:O9002N10 G50 X40 Z5(设立坐标系,定义对刀点的位置)N20 M03 S400 (主轴以400r/min旋转)N25 G50 S1000(主轴最大限速1000r/min旋转)N30 G96 S80 (恒线速度有效,线速度为80m/min)N40 G00 X0 (刀到中心,转速升高,直到主轴到最大限速)N50 G01 Z0 G98 F60 (工进接触工件)N60 G03 U24 W-24 R15 (加工R15 圆弧段)N70 G02 X26 Z-31 R5 (加工R5 圆弧段)N80 G01 Z-40 (加工Φ26 外圆)N90 X40 Z5 (回对刀点)N100 G97 S300 (取消恒线速度功能,设定主轴按300r/min 旋转)N110 M30 (主轴停、主程序结束并复位)///////////////////////////////////////////////////////////////////////////////////////////////////////// //////////////////华中数控车床编程如下:%9002N10 G92 X40 Z5(设立坐标系,定义对刀点的位置)N20 M03 S400 (主轴以400r/min旋转)N40 G00 X0 (刀到中心,转速升高,直到主轴到最大限速)N50 G01 Z0 F60 (工进接触工件)N60 G03 U24 W-24 R15 (加工R15 圆弧段)N70 G02 X26 Z-31 R5 (加工R5 圆弧段)N80 G01 Z-40 (加工Φ26 外圆)N90 X40 Z5 (回对刀点)N100 M30 (主轴停、主程序结束并复位)====================================================================例3G32螺纹切削指令编程如下图格式:G32 X(U)__Z(W)__F__说明:X、Z:为绝对编程时,有效螺纹终点在工件坐标系中的坐标;U、W:为增量编程时,有效螺纹终点相对于螺纹切削起点的位移量;F:螺纹导程,即主轴每转一圈,刀具相对于工件的进给值;使用G32指令能加工圆柱螺纹、锥螺纹和端面螺纹。
简单数控车床编程100例数控车床是一种高精度、高效率的机床,广泛应用于各个行业。
为了更好地发挥数控车床的作用,掌握一些简单的数控车床编程技巧是非常重要的。
下面将介绍100个简单的数控车床编程例子,帮助大家更好地理解和掌握数控车床编程。
1. G00 X100.0 Y50.0:快速定位到坐标(100.0,50.0)处。
2. G01 X150.0 Y100.0 F100.0:以速度100.0进行直线插补,从当前位置移动到坐标(150.0,100.0)处。
3. G02 X200.0 Y150.0 I50.0 J0.0:以速度100.0进行顺时针圆弧插补,半径为50.0,终点坐标为(200.0,150.0)。
4. G03 X250.0 Y200.0 I50.0 J0.0:以速度100.0进行逆时针圆弧插补,半径为50.0,终点坐标为(250.0,200.0)。
5. G04 P1000:停留1000毫秒。
6. G17:选择XY平面。
7. G18:选择XZ平面。
8. G19:选择YZ平面。
9. G20:以英寸为单位。
10. G21:以毫米为单位。
11. G28 X:将X轴回到参考点。
12. G28 Y:将Y轴回到参考点。
13. G28 Z:将Z轴回到参考点。
14. G40:取消半径补偿。
15. G41 D01:启用D01刀具半径补偿。
16. G42 D02:启用D02刀具半径补偿。
17. G43 H01:启用H01刀具长度补偿。
18. G44 H02:启用H02刀具长度补偿。
19. G49:取消刀具长度补偿。
20. G54:选择工件坐标系1。
21. G55:选择工件坐标系2。
22. G56:选择工件坐标系3。
23. G57:选择工件坐标系4。
24. G58:选择工件坐标系5。
25. G59:选择工件坐标系6。
26. G61:精确路径控制模式。
27. G64:常规路径控制模式。
28. G80:取消模态指令。
29. G81 X100.0 Y100.0 Z-10.0 R5.0 F100.0:以速度100.0进行钻孔循环,孔径为10.0,深度为5.0,坐标为(100.0,100.0)。
数控车床编程实例大全数控车床编程是数控加工中至关重要的环节,通过合理的编程,可以实现各种复杂形状零件的高精度加工。
以下为您呈现一些常见的数控车床编程实例,帮助您更好地理解和掌握这一技术。
一、简单轴类零件加工编程假设我们要加工一根直径为 50mm,长度为 100mm 的圆柱形轴,材料为 45 号钢。
程序如下:```O0001 (程序名)N10 G50 X150、 Z150、(设定坐标系)N20 G99 (每转进给)N30 M03 S800 (主轴正转,转速 800r/min)N40 T0101 (选择 1 号刀具,1 号刀补)N50 G00 X52、 Z2、(快速定位到加工起点)N60 G01 Z-100、 F02 (直线切削到轴的长度方向)N70 G00 X55、(快速退刀)N80 Z2、(快速退回到起点)N90 M05 (主轴停止)N100 M30 (程序结束)```在这个程序中,G50 用于设定坐标系,G99 表示每转进给,M03 启动主轴正转,S800 设定转速,T0101 选择刀具和刀补,G00 是快速定位指令,G01 为直线插补指令,F02 是进给速度。
二、阶梯轴加工编程现在要加工一个阶梯轴,大端直径 60mm,小端直径 40mm,长度分别为 80mm 和 50mm。
程序如下:```O0002N10 G50 X150、 Z150、N20 G99N30 M03 S1000N40 T0101N50 G00 X62、 Z2、N60 G01 Z-80、 F02N80 Z-130、N90 G00 X100、N100 Z100、N110 M05N120 M30```此程序中,通过逐步改变刀具的 X 坐标值,实现了阶梯轴的加工。
三、螺纹轴加工编程以加工一个 M30×2 的螺纹轴为例,长度为 100mm。
```O0003N10 G50 X150、 Z150、N20 G99N30 M03 S600N40 T0101N50 G00 X32、 Z2、N60 G92 X29、 Z-100、 F2、(螺纹切削循环)N80 X282N90 X2805N100 G00 X100、N110 Z100、N120 M05N130 M30```在这个程序中,G92 是螺纹切削循环指令,通过多次改变 X 坐标值来逐步切削螺纹。
车床编程实例一半径编程图3.1.1 半径编程%3110 (主程序程序名)N1 G92 X16 Z1 (设立坐标系,定义对刀点的位置)N2 G37 G00 Z0 M03 (移到子程序起点处、主轴正转)N3 M98 P0003 L6 (调用子程序,并循环6 次)N4 G00 X16 Z1 (返回对刀点)N5 G36 (取消半径编程)N6 M05 (主轴停)N7 M30 (主程序结束并复位)%0003 (子程序名)N1 G01 U-12 F100 (进刀到切削起点处,注意留下后面切削的余量)N2 G03 U7.385 W-4.923 R8(加工R8 园弧段)N3U3.215 W-39.877 R60 (加工R60 园弧段)N4 G02 U1.4 W-28.636 R40(加工切R40 园弧段)N5 G00 U4 (离开已加工表面)N6 W73.436 (回到循环起点Z 轴处)N7 G01 U-4.8 F100 (调整每次循环的切削量)N8 M99 (子程序结束,并回到主程序)直线插补指令编程图3.3.5 G01 编程实例%3305N1 G92 X100 Z10 (设立坐标系,定义对刀点的位置)N2 G00 X16 Z2 M03 (移到倒角延长线,Z 轴2mm 处)N3 G01 U10 W-5 F300 (倒3×45°角)N4 Z-48 (加工Φ26 外圆)N5 U34 W-10 (切第一段锥)N6 U20 Z-73 (切第二段锥)N7 X90 (退刀)N8 G00 X100 Z10 (回对刀点)N9 M05 (主轴停)N10 M30 (主程序结束并复位)车床编程实例三圆弧插补指令编程%3308N1 G92 X40 Z5 (设立坐标系,定义对刀点的位置)N2 M03 S400 (主轴以400r/min 旋转)N3 G00 X0 (到达工件中心)N4 G01 Z0 F60 (工进接触工件毛坯)N5 G03 U24 W-24 R15 (加工R15 圆弧段)N6 G02 X26 Z-31 R5 (加工R5 圆弧段)N7 G01 Z-40 (加工Φ26 外圆)N8 X40 Z5 (回对刀点)N9 M30 (主轴停、主程序结束并复位图3.3.8 G02/G03 编程实例倒角指令编程图3.3.10.1 倒角编程实例%3310N10 G92 X70 Z10 (设立坐标系,定义对刀点的位置)N20 G00 U-70 W-10 (从编程规划起点,移到工件前端面中心处)N30 G01 U26 C3 F100 (倒3×45°直角)N40 W-22 R3 (倒R3 圆角)N50 U39 W-14 C3 (倒边长为3 等腰直角)N60 W-34 (加工Φ65 外圆)N70 G00 U5 W80 (回到编程规划起点)N80 M30 (主轴停、主程序结束并复位)车床编程实例五倒角指令编程%3310N10 G92 X70 Z10 (设立坐标系,定义对刀点的位置)N20 G00 X0 Z4 (到工件中心)N30 G01 W-4 F100 (工进接触工件)N40 X26 C3 (倒3×45°的直角)N50 Z-21 (加工Φ26 外圆)N60 G02 U30 W-15 R15 RL=3(加工R15 圆弧,并倒边长为4 的直角)N70 G01 Z-70 (加工Φ56 外圆)N80 G00 U10 (退刀,离开工件)N90 X70 Z10 (返回程序起点位置)M30 (主轴停、主程序结束并复位)图3.3.10.2 倒角编程实例车床编程实例六圆柱螺纹编程螺纹导程为1.5mm,δ=1.5mm,δ'=1mm ,每次吃刀量(直径值)分别为0.8mm、0.6 mm 、0.4mm、0.16mm图3.3.12 螺纹编程实例%3312N1 G92 X50 Z120 (设立坐标系,定义对刀点的位置)N2 M03 S300 (主轴以300r/min 旋转)N3 G00 X29.2 Z101.5 (到螺纹起点,升速段1.5mm,吃刀深0.8mm)N4 G32 Z19 F1.5 (切削螺纹到螺纹切削终点,降速段1mm)N5 G00 X40 (X 轴方向快退)N6 Z101.5 (Z 轴方向快退到螺纹起点处)N7 X28.6 (X 轴方向快进到螺纹起点处,吃刀深0.6mm)N8 G32 Z19 F1.5 (切削螺纹到螺纹切削终点)N9 G00 X40 (X 轴方向快退)N10 Z101.5 (Z 轴方向快退到螺纹起点处)N11 X28.2 (X 轴方向快进到螺纹起点处,吃刀深0.4mm)N12 G32 Z19 F1.5 (切削螺纹到螺纹切削终点)N13 G00 X40 (X 轴方向快退)N14 Z101.5 (Z 轴方向快退到螺纹起点处)N15 U-11.96 (X 轴方向快进到螺纹起点处,吃刀深0.16mm)N16 G32 W-82.5 F1.5 (切削螺纹到螺纹切削终点)N17 G00 X40 (X 轴方向快退)N18 X50 Z120 (回对刀点)N19 M05 (主轴停)N20 M30 (主程序结束并复位)恒线速度功能编程%3314车床编程实例七图3.3.14 恒线速度编程实例N1 G92 X40 Z5 (设立坐标系,定义对刀点的位置)N2 M03 S400 (主轴以400r/min 旋转)N3 G96 S80 (恒线速度有效,线速度为80m/min)N4 G00 X0 (刀到中心,转速升高,直到主轴到最大限速)N5 G01 Z0 F60 (工进接触工件)N6 G03 U24 W-24 R15 (加工R15 圆弧段)N7 G02 X26 Z-31 R5 (加工R5 圆弧段)N8 G01 Z-40 (加工Φ26 外圆)N9 X40 Z5 (回对刀点)N10 G97 S300 (取消恒线速度功能,设定主轴按300r/min 旋转)N11 M30 (主轴停、主程序结束并复位)车床编程实例八%3317M03 S400 (主轴以400r/min 旋转)G91 G80 X-10 Z-33 I-5.5 F100(加工第一次循环,吃刀深3mm)X-13 Z-33 I-5.5(加工第二次循环,吃刀深3mm)X-16 Z-33 I-5.5(加工第三次循环,吃刀深3mm)M30 (主轴停、主程序结束并复位)图3.3.17 G80 切削循环编程实例车床编程实例九G81 指令编程(点画线代表毛坯)图3.3.20 G81 切削循环编程实例%3320N1 G54 G90 G00 X60 Z45 M03 (选定坐标系,主轴正转,到循环起点)N2 G81 X25 Z31.5 K-3.5 F100 (加工第一次循环,吃刀深2mm)N3 X25 Z29.5 K-3.5 (每次吃刀均为2mm,)N4 X25 Z27.5 K-3.5 (每次切削起点位,距工件外圆面5mm,故K 值为-3.5)N5 X25 Z25.5 K-3.5 (加工第四次循环,吃刀深2mm)N6 M05 (主轴停)N7 M30 (主程序结束并复位车床编程实例十G82 指令编程(毛坯外形已加工完成)%3323N1 G55 G00 X35 Z104(选定坐标系G55,到循环起点)N2 M03 S300 (主轴以300r/min 正转)N3 G82 X29.2 Z18.5 C2 P180 F3(第一次循环切螺纹,切深0.8mm)N4 X28.6 Z18.5 C2 P180 F3(第二次循环切螺纹,切深0.4mm)N5 X28.2 Z18.5 C2 P180 F3(第三次循环切螺纹,切深0.4mm)N6 X28.04 Z18.5 C2 P180 F3(第四次循环切螺纹,切深0.16mm)N7 M30 (主轴停、主程序结束并复位)图3.3.23 G82 切削循环编程实例车床编程实例十一外径粗加工复合循环编制图3.3.27 所示零件的加工程序:要求循环起始点在A(46,3),切削深度为1.5mm(半径量)。
车床编程实例一半径编程图3.1.1 半径编程%3110 (主程序程序名)N1 G92 X16 Z1 (设立坐标系,定义对刀点的位置)N2 G37 G00 Z0 M03 (移到子程序起点处、主轴正转)N3 M98 P0003 L6 (调用子程序,并循环6 次)N4 G00 X16 Z1 (返回对刀点)N5 G36 (取消半径编程)N6 M05 (主轴停)N7 M30 (主程序结束并复位)%0003 (子程序名)N1 G01 U-12 F100 (进刀到切削起点处,注意留下后面切削的余量)N2 G03 U7.385 W-4.923 R8(加工R8 园弧段)N3U3.215 W-39.877 R60 (加工R60 园弧段)N4 G02 U1.4 W-28.636 R40(加工切R40 园弧段)N5 G00 U4 (离开已加工表面)N6 W73.436 (回到循环起点Z 轴处)N7 G01 U-4.8 F100 (调整每次循环的切削量)N8 M99 (子程序结束,并回到主程序)1直线插补指令编程%3305车床编程实例二图3.3.5 G01 编程实例N1 G92 X100 Z10 (设立坐标系,定义对刀点的位置)N2 G00 X16 Z2 M03 (移到倒角延长线,Z 轴2mm 处)N3 G01 U10 W-5 F300 (倒3×45°角)N4 Z-48 (加工Φ26 外圆)N5 U34 W-10 (切第一段锥)N6 U20 Z-73 (切第二段锥)N7 X90 (退刀)N8 G00 X100 Z10 (回对刀点)N9 M05 (主轴停)N10 M30 (主程序结束并复位)圆弧插补指令编程车床编程实例三%3308N1 G92 X40 Z5 (设立坐标系,定义对刀点的位置)N2 M03 S400 (主轴以400r/min 旋转)N3 G00 X0 (到达工件中心)N4 G01 Z0 F60 (工进接触工件毛坯)N5 G03 U24 W-24 R15 (加工R15 圆弧段)N6 G02 X26 Z-31 R5 (加工R5 圆弧段)N7 G01 Z-40 (加工Φ26 外圆)N8 X40 Z5 (回对刀点)N9 M30 (主轴停、主程序结束并复位图3.3.8 G02/G03 编程实例2倒角指令编程%3310车床编程实例四图3.3.10.1 倒角编程实例N10 G92 X70 Z10 (设立坐标系,定义对刀点的位置)N20 G00 U-70 W-10 (从编程规划起点,移到工件前端面中心处)N30 G01 U26 C3 F100 (倒3×45°直角)N40 W-22 R3 (倒R3 圆角)N50 U39 W-14 C3 (倒边长为3 等腰直角)N60 W-34 (加工Φ65 外圆)N70 G00 U5 W80 (回到编程规划起点)N80 M30 (主轴停、主程序结束并复位)倒角指令编程%3310车床编程实例五N10 G92 X70 Z10 (设立坐标系,定义对刀点的位置)N20 G00 X0 Z4 (到工件中心)N30 G01 W-4 F100 (工进接触工件)N40 X26 C3 (倒3×45°的直角)N50 Z-21 (加工Φ26 外圆)N60 G02 U30 W-15 R15 RL=3(加工R15 圆弧,并倒边长为4 的直角)N70 G01 Z-70 (加工Φ56 外圆)N80 G00 U10 (退刀,离开工件)N90 X70 Z10 (返回程序起点位置)M30 (主轴停、主程序结束并复位)图3.3.10.2 倒角编程实例3车床编程实例六圆柱螺纹编程螺纹导程为1.5mm,δ=1.5mm,δ'=1mm ,每次吃刀量(直径值)分别为0.8mm、0.6 mm 、0.4mm、0.16mm图3.3.12 螺纹编程实例%3312N1 G92 X50 Z120 (设立坐标系,定义对刀点的位置)N2 M03 S300 (主轴以300r/min 旋转)N3 G00 X29.2 Z101.5 (到螺纹起点,升速段1.5mm,吃刀深0.8mm)N4 G32 Z19 F1.5 (切削螺纹到螺纹切削终点,降速段1mm)N5 G00 X40 (X 轴方向快退)N6 Z101.5 (Z 轴方向快退到螺纹起点处)N7 X28.6 (X 轴方向快进到螺纹起点处,吃刀深0.6mm)N8 G32 Z19 F1.5 (切削螺纹到螺纹切削终点)N9 G00 X40 (X 轴方向快退)N10 Z101.5 (Z 轴方向快退到螺纹起点处)N11 X28.2 (X 轴方向快进到螺纹起点处,吃刀深0.4mm)N12 G32 Z19 F1.5 (切削螺纹到螺纹切削终点)N13 G00 X40 (X 轴方向快退)N14 Z101.5 (Z 轴方向快退到螺纹起点处)N15 U-11.96 (X 轴方向快进到螺纹起点处,吃刀深0.16mm)N16 G32 W-82.5 F1.5 (切削螺纹到螺纹切削终点)N17 G00 X40 (X 轴方向快退)N18 X50 Z120 (回对刀点)N19 M05 (主轴停)N20 M30 (主程序结束并复位)4恒线速度功能编程%3314车床编程实例七图3.3.14 恒线速度编程实例N1 G92 X40 Z5 (设立坐标系,定义对刀点的位置)N2 M03 S400 (主轴以400r/min 旋转)N3 G96 S80 (恒线速度有效,线速度为80m/min)N4 G00 X0 (刀到中心,转速升高,直到主轴到最大限速)N5 G01 Z0 F60 (工进接触工件)N6 G03 U24 W-24 R15 (加工R15 圆弧段)N7 G02 X26 Z-31 R5 (加工R5 圆弧段)N8 G01 Z-40 (加工Φ26 外圆)N9 X40 Z5 (回对刀点)N10 G97 S300 (取消恒线速度功能,设定主轴按300r/min 旋转)N11 M30 (主轴停、主程序结束并复位)车床编程实例八%3317M03 S400 (主轴以400r/min 旋转)G91 G80 X-10 Z-33 I-5.5 F100(加工第一次循环,吃刀深3mm)X-13 Z-33 I-5.5(加工第二次循环,吃刀深3mm)X-16 Z-33 I-5.5(加工第三次循环,吃刀深3mm)M30 (主轴停、主程序结束并复位)图3.3.17 G80 切削循环编程实例5车床编程实例九G81 指令编程(点画线代表毛坯)图3.3.20 G81 切削循环编程实例%3320N1 G54 G90 G00 X60 Z45 M03 (选定坐标系,主轴正转,到循环起点)N2 G81 X25 Z31.5 K-3.5 F100 (加工第一次循环,吃刀深2mm)N3 X25 Z29.5 K-3.5 (每次吃刀均为2mm,)N4 X25 Z27.5 K-3.5 (每次切削起点位,距工件外圆面5mm,故K 值为-3.5)N5 X25 Z25.5 K-3.5 (加工第四次循环,吃刀深2mm)N6 M05 (主轴停)N7 M30 (主程序结束并复位车床编程实例十G82 指令编程(毛坯外形已加工完成)%3323N1 G55 G00 X35 Z104(选定坐标系G55,到循环起点)N2 M03 S300 (主轴以300r/min 正转)N3 G82 X29.2 Z18.5 C2 P180 F3(第一次循环切螺纹,切深0.8mm)N4 X28.6 Z18.5 C2 P180 F3(第二次循环切螺纹,切深0.4mm)N5 X28.2 Z18.5 C2 P180 F3(第三次循环切螺纹,切深0.4mm)N6 X28.04 Z18.5 C2 P180 F3(第四次循环切螺纹,切深0.16mm)N7 M30 (主轴停、主程序结束并复位)图3.3.23 G82 切削循环编程实例6车床编程实例十一外径粗加工复合循环编制图3.3.27 所示零件的加工程序:要求循环起始点在A(46,3),切削深度为1.5mm(半径量)。
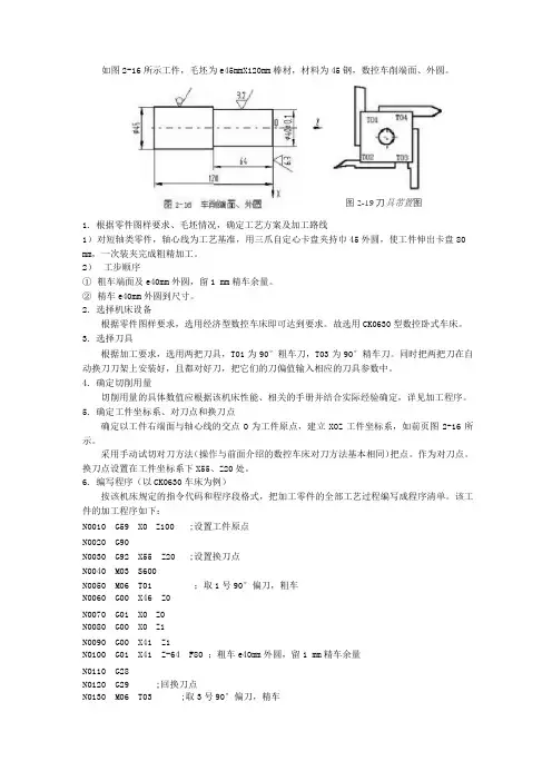
如图2-16所示工件,毛坯为e45mmX120mm棒材,材料为45钢,数控车削端面、外圆。
图2-19刀具芾置图1.根据零件图样要求、毛坯情况,确定工艺方案及加工路线1)对短轴类零件,轴心线为工艺基准,用三爪自定心卡盘夹持巾45外圆,使工件伸出卡盘80 mm,一次装夹完成粗精加工。
2)工步顺序①粗车端面及e40mm外圆,留1 mm精车余量。
②精车e40mm外圆到尺寸。
2.选择机床设备根据零件图样要求,选用经济型数控车床即可达到要求。
故选用CK0630型数控卧式车床。
3.选择刀具根据加工要求,选用两把刀具,T01为90°粗车刀,T03为90°精车刀。
同时把两把刀在自动换刀刀架上安装好,且都对好刀,把它们的刀偏值输入相应的刀具参数中。
4.确定切削用量切削用量的具体数值应根据该机床性能、相关的手册并结合实际经验确定,详见加工程序。
5.确定工件坐标系、对刀点和换刀点确定以工件右端面与轴心线的交点O为工件原点,建立XOZ工件坐标系,如前页图2-16所示。
采用手动试切对刀方法(操作与前面介绍的数控车床对刀方法基本相同)把点。
作为对刀点。
换刀点设置在工件坐标系下X55、Z20处。
6.编写程序(以CK0630车床为例)按该机床规定的指令代码和程序段格式,把加工零件的全部工艺过程编写成程序清单。
该工件的加工程序如下:N0010 G59 X0 Z100 ;设置工件原点N0020 G90N0030 G92 X55 Z20 ;设置换刀点N0040 M03 S600N0050 M06 T01 ;取1号90°偏刀,粗车N0060 G00 X46 Z0N0070 G01 X0 Z0N0080 G00 X0 Z1N0090 G00 X41 Z1N0100 G01 X41 Z-64 F80 ;粗车e40mm外圆,留1 mm精车余量N0110 G28N0120 G29 ;回换刀点N0130 M06 T03 ;取3号90°偏刀,精车N0140 G00 X40 Z1N0150 M03 S1000N0160 G01 X40 Z-64 F40 ;精车e40mm外圆到尺寸N0170 G00 X55 Z20N0180 M05N0190 M02实例二如图2-17所示变速手柄轴,毛坯为e25mmX100mm棒材,材料为45钢,完成数控车削。
数控车床编程实例二:直线插补指令G01数控编程直线插补指令G01数控编程零件图样%3305N1 G92 X100 Z10 M03 S500 T010(设立加工工件坐标系,定义对刀点的位置)N2 G00 X16 Z2 (移到倒角延长线,Z轴2mm处)N3 G01 U10 W-5 F300 (倒3×45°角)N4 Z—48 (加工Φ26外圆)N5 U34 W-10(切第一段锥)N6 U20 Z—73 (切第二段锥)N7 X90 (退刀)N8 G00 X100 Z10 (回对刀点)N9 M05 (主轴停)N10 M30(主程序结束并复位)数控车床编程实例三:圆弧插补G02/G03指令数控编程圆弧插补指令编程零件图样%3308N1 G92 X40 Z5(设立工件坐标系,定义对刀点的位置)N2 M03 S400 (主轴以400r/min旋转)N3 G00 X0(到达工件中心)N4 G01 Z0 F60(工进接触工件毛坯)N5 G03 U24 W—24 R15 (加工R15圆弧段)N6 G02 X26 Z—31 R5 (加工R5圆弧段)N7 G01 Z—40 (加工Φ26外圆)N8 X40 Z5 (回对刀点)N9 M30(主轴停、主程序结束并复位)数控车床编程实例四:倒角指令数控编程%3310N10 G92 X70 Z10(设立坐标系,定义对刀点的位置)N20 G00 U—70 W-10(从编程规划起点,移到工件前端面中心处) N30 G01 U26 C3 F100(倒3×45°直角)N40 W-22 R3(倒R3圆角)N50 U39 W-14 C3(倒边长为3等腰直角)N60 W—34(加工Φ65外圆)N70 G00 U5 W80(回到编程规划起点)N80 M30(主轴停、主程序结束并复位)数控车床数控编程实例五:倒角指令数控编程二%3310N10 G92 X70 Z10(设立坐标系,定义对刀点的位置)N20 G00 X0 Z4(到工件中心)N30 G01 W-4 F100(工进接触工件)N40 X26 C3 (倒3×45°的直角)N50 Z-21 (加工Φ26外圆)N60 G02 U30 W—15 R15 RL=3 (加工R15圆弧,并倒边长为4的直角)N70 G01 Z-70 (加工Φ56外圆)N80 G00 U10(退刀,离开工件)N90 X70 Z10(返回程序起点位置)M30(主轴停、主程序结束并复位)数控车床编程实例六:圆柱数控螺纹编程圆柱数控螺纹编程零件图样%3312N1 G92 X50 Z120(设立坐标系,定义对刀点的位置)N2 M03 S300(主轴以300r/min旋转)N3 G00 X29.2 Z101。
数控车床编程实例如下图所示为数控加工的机床手柄零件图,毛坯尺寸和类型为mm 的棒料,毛坯材料为45钢。
编程实例零件图依据图纸要求,工件以mm圆柱面定位,以三爪卡盘夹持mm圆柱面。
加工时,自右向左进行外轮廓面加工;粗加工的背吃刀量为2mm,进给速度为100mm/min;精加工的背吃刀量为0.25mm,进给速度为150mm/min。
精加工工艺路线如下:R3mm圆弧— R29mm圆弧— R45mm圆弧— mm 外圆— Ra3.2mm台阶面。
根据精加工工艺路线走粗加工轮廓。
工件坐标原点设置于工件右端面,建立如上图所示的工件坐标系,起刀点在工件坐标系中的坐标为(50,10)。
通过计算可知:R3mm圆弧和R29mm圆弧切点坐标为(4.616,-1.083),R29mm圆弧和R45mm 圆弧切点坐标为(13.846,-30.390)。
粗加工路线以(20.5,0)为切削始点,精加工路线以(0,0)为切削始点。
数控加工程序如下:O0014N0010 G92 X50 Z10N0020 T0100N0030 M03 S600N0040 G00 X25 Z2N0050 G01 Z0.5 F100N0060 X0N0070 X23N0080 Z0N0090 M98 P0022 L0011N0100 G00 X50 Z10N0110 P05N0120 S1000N0130 G00 X25 Z0N0140 G01 X2.5 F150N0150 M98 P0022N0160 G00 X50 Z10N0170 M05N0180 M30O0022N0010 G01 U-2.5N0020 G03 U4.616 W-1.083 R3 N0030 G03 U9.230 W-29.307 R29N0040 G02 U-3.846 W-27.610 R45 N0050 G01 W-6N0060 G00 U12.5N0070 W64N0080 U-22N0090 F100N0100 M99。
数控车床编程100例1. 简介数控车床编程是计算机数控技术的一项重要应用。
通过编写数控程序,控制车床进行自动加工,实现高精度、高效率的加工作业。
本文将介绍100个常见的数控车床编程例子,分析其编写思路和代码实现。
2. 示例2.1 圆柱面加工G90 ; 绝对坐标指令G54 ; 工件坐标系选择S1000 ; 主轴转速设置T01 ; 刀具选择M06 ; 刀具切换G00 X50 Y50 ; 初始刀具定位G01 Z-15 F500; 下刀加工G02 X60 Y60 R10 F200; 圆弧插补G01 Z-30; 下刀加工G00 Z50; 抬刀离开2.2 板材开槽G90 ; 绝对坐标指令G54 ; 工件坐标系选择S2000 ; 主轴转速设置T02 ; 刀具选择M06 ; 刀具切换G00 X10 Y10 ; 初始刀具定位G01 Z-5 F200 ; 下刀加工G01 X100 F400 ; 直线插补G01 Y100; 直线插补G01 X10; 直线插补G01 Y10; 直线插补G00 Z50; 抬刀离开3. 分析3.1 圆柱面加工在该示例中,使用绝对坐标指令(G90)和工件坐标系选择(G54)确定加工坐标系。
通过设置主轴转速(S1000)和刀具选择(T01),设置加工参数。
然后通过G00指令将刀具移动到初始位置(X50,Y50),再通过G01指令进行下刀加工,切削深度为-15mm,进给速度为500mm/min。
接下来使用G02指令进行圆弧插补,绘制半径为10mm的圆弧,进给速度为200mm/min。
最后进行下刀加工到-30mm深度,然后抬刀离开。
3.2 板材开槽在该示例中,同样使用绝对坐标指令(G90)和工件坐标系选择(G54)确定加工坐标系。
通过设置主轴转速(S2000)和刀具选择(T02),设置加工参数。
然后通过G00指令将刀具移动到初始位置(X10,Y10),再通过G01指令进行下刀加工,切削深度为-5mm,进给速度为200mm/min。
数控车床编程实例详解(30个例子)1. 基础G00轨迹移动G00指令可以用于快速移动机床上的工具,不做切削。
例如,要将铣刀从(0,0,0)点移动到(100,100,0)可以使用下面的编程:G00 X100 Y100 Z02. 简单的G01直线插补3. 向X正方向设定工件原点在某些情况下,需要在工件上设计的特定原点作为整个程序的起点。
在下面的例子中,我们将工件原点移到X轴上的10毫米位置:G92 X104. G02 G03 模拟圆弧G02和G03指令可以用于沿着一条圆弧轨迹移动工具。
例如,以下代码将插入一个逆时针圆弧:G03 X50 Y50 I25 J05. 床上对刀长度测量刀具长度对刀是数控车床操作的重要步骤。
在这个例子中,我们使用手动设定对刀。
首先,我们将铣刀移动到Z轴处的一个位置,然后将刀具轻轻放置在工件上以测量其长度。
最后,我们将刀具测量值输入机床,以便于适当地调整刀具长度。
6. 坐标旋转在某些情况下,需要在XY平面上绕特定角度旋转工件,以便于确保最佳切削角度。
在这个例子中,我们将工件绕着Z轴旋转45度:G68 X0 Y0 R457. 使用M code 启动或停止旋转工件M03用于启动旋转工作台的主轴,M05用于关闭它。
例如,以下代码段启动了工作台的主轴,并等待它旋转到合适速度,以便于切削。
8. 镜像轨迹在制造工具或零件时,可能需要将一个轮廓沿着特定轴镜像。
例如,以下代码镜像X 轴上的轮廓:G01 X50 Y0G01 X0 Y50G01 X-50 Y0G01 X0 Y-50MHE29. 使用G04指令延迟程序G04指令用于程序内部的延迟。
例如,以下代码让机床停顿1秒钟:G04 P100010. 利用G10指令改变工作坐标系G10指令可以用于更改工作坐标系。
例如,下面的代码段将当前坐标系设定为{X50 Y50 Z0}:11. 使用G17, G18和G19指令绘制园形、X-Y平面和Z-X平面G17G02 X50 Y50 I25 J0G02 X0 Y0 I-25 J0G02 X-50 Y50 I0 J25G02 X0 Y100 I25 J0G02 X50 Y50 I0 J-25G02 X0 Y0 I-25 J0MHE2M30指令可以用于彻底结束程序。
数控车床编程实例二:直线插补指令G01数控编程直线插补指令G01数控编程零件图样%3305N1 G92 X100 Z10 M03 S500 T010(设立加工工件坐标系,定义对刀点的位置)N2 G00 X16 Z2 (移到倒角延长线,Z轴2mm处)N3 G01 U10 W-5 F300 (倒3×45°角)N4 Z-48 (加工Φ26外圆)N5 U34 W-10(切第一段锥)N6 U20 Z-73 (切第二段锥)N7 X90 (退刀)N8 G00 X100 Z10 (回对刀点)N9 M05 (主轴停)N10 M30(主程序结束并复位)数控车床编程实例三:圆弧插补G02/G03指令数控编程圆弧插补指令编程零件图样%3308N1 G92 X40 Z5(设立工件坐标系,定义对刀点的位置)N2 M03 S400 (主轴以400r/min旋转)N3 G00 X0(到达工件中心)N4 G01 Z0 F60(工进接触工件毛坯)N5 G03 U24 W-24 R15 (加工R15圆弧段)N6 G02 X26 Z-31 R5 (加工R5圆弧段)N7 G01 Z-40 (加工Φ26外圆)N8 X40 Z5 (回对刀点)N9 M30(主轴停、主程序结束并复位)数控车床编程实例四:倒角指令数控编程%3310N10 G92 X70 Z10(设立坐标系,定义对刀点的位置)N20 G00 U-70 W-10(从编程规划起点,移到工件前端面中心处)N30 G01 U26 C3 F100(倒3×45°直角)N40 W-22 R3(倒R3圆角)N50 U39 W-14 C3(倒边长为3等腰直角)N60 W-34(加工Φ65外圆)N70 G00 U5 W80(回到编程规划起点)N80 M30(主轴停、主程序结束并复位)数控车床数控编程实例五:倒角指令数控编程二%3310N10 G92 X70 Z10(设立坐标系,定义对刀点的位置)N20 G00 X0 Z4(到工件中心)N30 G01 W-4 F100(工进接触工件)N40 X26 C3 (倒3×45°的直角)N50 Z-21 (加工Φ26外圆)N60 G02 U30 W-15 R15 RL=3 (加工R15圆弧,并倒边长为4的直角)N70 G01 Z-70 (加工Φ56外圆)N80 G00 U10(退刀,离开工件)N90 X70 Z10(返回程序起点位置)M30(主轴停、主程序结束并复位)数控车床编程实例六:圆柱数控螺纹编程圆柱数控螺纹编程零件图样%3312N1 G92 X50 Z120(设立坐标系,定义对刀点的位置)N2 M03 S300(主轴以300r/min旋转)N3 G00 X29.2 Z101.5 (到螺纹起点,升速段1.5mm,吃刀深0.8mm)N4 G32 Z19 F1.5 (切削螺纹到螺纹切削终点,降速段1mm)N5 G00 X40 (X轴方向快退)N6 Z101.5(Z轴方向快退到螺纹起点处)N7 X28.6 (X轴方向快进到螺纹起点处,吃刀深0.6mm)N8 G32 Z19 F1.5 (切削螺纹到螺纹切削终点)N9 G00 X40 (X轴方向快退)N10 Z101.5(Z轴方向快退到螺纹起点处)N11 X28.2 (X轴方向快进到螺纹起点处,吃刀深0.4mm)N12 G32 Z19 F1.5(切削螺纹到螺纹切削终点)N13 G00 X40(X轴方向快退)N14 Z101.5 (Z轴方向快退到螺纹起点处)N15 U-11.96 (X轴方向快进到螺纹起点处,吃刀深0.16mm)N16 G32 W-82.5 F1.5 (切削螺纹到螺纹切削终点)N17 G00 X40(X轴方向快退)N18 X50 Z120 (回对刀点)N19 M05(主轴停)N20 M30 (主程序结束并复位)数控车床编程实例七:恒线速度功能数控编程恒线速度功能编程零件图样%3314N1 G92 X40 Z5(设立坐标系,定义对刀点的位置)N2 M03 S400(主轴以400r/min旋转)N3 G96 S80 (恒线速度有效,线速度为80m/min)N4 G00 X0(刀到中心,转速升高,直到主轴到最大限速)N5 G01 Z0 F60 (工进接触工件)N6 G03 U24 W-24 R15 (加工R15圆弧段)N7 G02 X26 Z-31 R5 (加工R5圆弧段)N8 G01 Z-40 (加工Φ26外圆)N9 X40 Z5 (回对刀点)N10 G97 S300(取消恒线速度功能,设定主轴按300r/min旋转)N11 M30(主轴停、主程序结束并复位)数控车床编程实例八:G80指令数控编程G80指令数控编程零件图样%3317M03 S400(主轴以400r/min旋转)G91 G80 X-10 Z-33 I-5.5 F100 (加工第一次循环,吃刀深3mm)X-13 Z-33 I-5.5(加工第二次循环,吃刀深3mm)X-16 Z-33 I-5.5(加工第三次循环,吃刀深3mm)M30(主轴停、主程序结束并复位)数控车床编程实例九:G81指令编程,点画线代表毛坯。
车床编程实例二十一加工图7-63所示的零件,毛坯直径为Φ65mm、长为135mm,材料为45钢。
图7-63采用华中数控系统编程。
该零件的加工工艺及其程序见表7-10~表7-12。
表7-10Φ60mm及Φ22mm外圆的粗加工程序程序%7081N10 G92 X100 Z100N20 M03 S500N30 M06 T0101N40 G00 X67 Z0N50 G01 X0 F50N60 G00 X67 Z2N70 G80 X62 Z-108 F200N80 G80 X60 Z-108 F200N90 G71 U3 R2 P200 Q220 X0.5 Z0.5 F200 N200 G00 X22N210 G01 Z75N220 G01 X60N92 G28 X67 Z2N94 T0100N96 M06 T0202N100 G29 X65 Z-107.5N120 G01 X0 F50N130 G00 X100 Z100N140 T0000N145 M05N150 M02 说明程序名设置工件坐标系主轴正转,转速500r/min 换刀补号为01的01号刀快速定位到端面附近加工端面快速退刀加工Φ60mm外圆加工Φ22.5mm外圆回换刀点清除刀偏换切断刀快速定位,准备切断切断工件回到起点清除刀偏主轴停程序结束表7-11φ25mm外圆的粗加工程序程序%7082N10 G92 X100 Z50N20 M03 S500N30 M06 T0101N40 G00 X65 Z0N50 G01 X0 F50N60 G00 X63 Z2N70 G71 U3 R2 P200 Q220 X0.8 Z0.8 F200 N200 G00 X25N210 G01 Z10N220 G01 X60N80 G00 X100 Z50N85 T0100N90 S1200N100 M06 T0303N110 G00 X21 Z1N120 G01 X25 Z-1N130 Z-10N140 X58N150 X60 Z-11N160 X65N170 G00 X100 Z50N180 T0300N185 M05N190 M02 说明程序名设置工件坐标系主轴正转,转速500r/min换刀补号为01的01号刀快速定位到端面附近加工端面快速退刀定位,作为车外圆的起始点加工φ25.8mm外圆回到换刀点清除刀偏调高主轴转速换精车刀快速定位到φ25mm外圆附近倒角1×45°精车φ25mm外圆精车轴肩倒角1×45°退刀回到起点清除刀偏主轴停程序结束表7-12φ22mm外圆的精加工程序程序%7083N10 G92 X100 Z100 N20 M03 S800N30 M06 T0303N40 G00 X18 Z1N50 G01 X22 Z-1 F50 N60 Z-75N70 X58N80 X60 Z-76N85 Z-95N90 X68N100 G00 X100 Z100 N110 T0300N120 M05N130 M02 说明程序名设置工件坐标系主轴正转,转速800r/min换刀补号为03的03号刀快速定位到φ22mm外圆附近倒角1×45°精车φ22mm的外圆精车轴肩倒角1×45°精车φ60mm的外圆退刀回到起点清除刀偏主轴停程序结束粗加工φ60mm及φ22mm的外圆,留加工余量0.5mm。
数控车床编程实例大全数控车床作为现代制造业中不可或缺的重要设备,其编程技术的掌握对于提高生产效率和加工精度至关重要。
以下将为您呈现一系列丰富多样的数控车床编程实例,帮助您更好地理解和应用这一技术。
一、简单轴类零件加工编程实例假设我们要加工一个直径为 50mm,长度为 100mm 的圆柱形轴。
材料为 45 号钢,使用外圆车刀进行加工。
首先,设定编程原点在零件的右端面中心。
以下是相应的数控车床编程代码:```O0001 (程序名)N10 G99 G40 G21 (设定单位为毫米,取消刀具半径补偿和长度补偿)N20 T0101 (选择 1 号外圆车刀)N30 M03 S800 (主轴正转,转速 800r/min)N40 G00 X52、 Z2、(快速定位到起刀点)N50 G71 U2、 R1、(粗车循环,每次切削深度 2mm,退刀量1mm)N60 G71 P70 Q130 U05 W02 F02 (定义粗车轮廓)N70 G00 X0 (粗车轮廓起始点)N80 G01 Z0 F01 (直线切削到端面)N90 X50、(车削外圆)N100 Z-100、(车削圆柱长度)N110 X52、(退刀)N120 G00 Z2、(快速退回到起刀点)N130 G70 P70 Q130 (精车循环)N140 G00 X100、 Z100、(刀具退回到安全位置)N150 M05 (主轴停止)N160 M30 (程序结束)```在这个实例中,我们首先进行了一些初始化设置,然后通过粗车循环去除大部分余量,最后使用精车循环提高表面精度。
二、螺纹加工编程实例接下来,我们看一个加工 M30×2 螺纹的编程实例。
同样,编程原点在零件右端面中心。
```O0002N10 G99 G40 G21N20 T0202 (选择 2 号螺纹车刀)N30 M03 S500N40 G00 X32、 Z5、N50 G92 X29、 Z-30、 F2、(螺纹切削循环)N60 X285N70 X281N80 X278N90 X275N100 X273N110 X271N120 X270N130 G00 X100、 Z100、N140 M05N150 M30```在螺纹加工中,我们通过多次切削逐渐达到所需的螺纹尺寸。
数控车床编程实例例1.G01直线插补指令编程如下图所示安装装仿形工件请设置安装装仿形工件,各点坐标参考如下 X向余量4mm坐标点X 直径Z圆弧半径圆弧顺逆A00B300C30-48D64-58E84-73F84-1500-150FUNAC数控车编程如下:O9001N10 G50 X100 Z10 设立坐标系,定义对刀点的位置N20 G00 X16 Z2 M03 移到倒角延长线,Z 轴2mm 处N30 G01 U10 W-5 G98 F120 倒3×45°角N40 Z-48 加工Φ26 外圆N50 U34 W-10 切第一段锥N60 U20 Z-73 切第二段锥N70 X90 退刀N80 G00 X100 Z10 回对刀点N90 M05 主轴停N100 M30 主程序结束并复位G76螺纹切削复合循环,如下图加工螺纹为ZM60×2,工件尺寸见图,其中括弧内尺寸根据标准得到。
FUNAC数控车编程如下:O9010N10 T0101 换一号刀,确定其坐标系N20 G54 G00 X100 Z100 到程序起点或换刀点位置N30 M03 S400 主轴以400r/min 正转N40 G00 X90 Z4 到简单循环起点位置N50 G90 Z-30 加工锥螺纹外表面N60 G00 X100 Z100 M05 到程序起点或换刀点位置N70 T0202 换二号刀,确定其坐标系N80 M03 S300 主轴以300r/min 正转N90 G00 X90 Z4 到螺纹循环起点位置N95 G76 P020000N100 G76 Z-24N110 G00 X100 Z100 返回程序起点位置或换刀点位置N120 M05 主轴停N130 M30 主程序结束并复位xx就是变量号,关于变量号是什么意思再不知道的的话我也就没治了,不过还是教一下吧,变量号就是把数值代入到一个固定的地址中,固定的地址就是变量,一般0 TD系统中有#0~~~#100~#149~~~#500~#531关闭电源时变量#100~#149被初始化成“空”,而变量#500~#531保持数据.我们如果说#100=30那么现在#100地址内的数据就是30了,就是这么简单.好现在我来说一下H代码,大家可以看到A类宏的标准格式中#xx和xx都是数值,而G65表示使用A类宏,那么这个H就是要表示各个数值和变量号内的数值或者各个变量号内的数值与其他变量号内的数值之间要进行一个什么运算,可以说你了解了H代码A类宏程序你基本就可以应用了。
数控车床编程实例详解(30个例子)车床编程实例一半径编程图 3.1.1 半径编程%3110 (主程序程序名)N1 G92 X16 Z1 (设立坐标系,定义对刀点的位置)N2 G37 G00 Z0 M03 (移到子程序起点处、主轴正转)N3 M98 P0003 L6 (调用子程序,并循环6 次)N4 G00 X16 Z1 (返回对刀点)N5 G36 (取消半径编程)N6 M05 (主轴停)N7 M30 (主程序结束并复位)%0003 (子程序名)N1 G01 U-12 F100 (进刀到切削起点处,注意留下后面切削的余量)N2 G03 U7.385 W-4.923 R8(加工R8 园弧段)N3U3.215 W-39.877 R60 (加工R60 园弧段)N4 G02 U1.4 W-28.636 R40(加工切R40 园弧段)N5 G00 U4 (离开已加工表面)N6 W73.436 (回到循环起点Z 轴处)N7 G01 U-4.8 F100 (调整每次循环的切削量)N8 M99 (子程序结束,并回到主程序)车床编程实例二直线插补指令编程%3305N1 G92 X100 Z10 (设立坐标系,定义对刀点的位置)N2 G00 X16 Z2 M03 (移到倒角延长线,Z 轴2mm 处)N3 G01 U10 W-5 F300 (倒3×45°角)N4 Z-48 (加工Φ26 外圆)N5 U34 W-10 (切第一段锥)N6 U20 Z-73 (切第二段锥)N7 X90 (退刀)N8 G00 X100 Z10 (回对刀点)N9 M05 (主轴停)N10 M30 (主程序结束并复位)图 3.3.5 G01 编程实例车床编程实例三圆弧插补指令编程%3308N1 G92 X40 Z5 (设立坐标系,定义对刀点的位置)N2 M03 S400 (主轴以400r/min 旋转)N3 G00 X0 (到达工件中心)N4 G01 Z0 F60 (工进接触工件毛坯)N5 G03 U24 W-24 R15 (加工R15 圆弧段)N6 G02 X26 Z-31 R5 (加工R5 圆弧段)N7 G01 Z-40 (加工Φ26 外圆)N8 X40 Z5 (回对刀点)N9 M30 (主轴停、主程序结束并复位图 3.3.8 G02/G03 编程实例车床编程实例四倒角指令编程图 3.3.10.1 倒角编程实例%3310N10 G92 X70 Z10 (设立坐标系,定义对刀点的位置)N20 G00 U-70 W-10 (从编程规划起点,移到工件前端面中心处)N30 G01 U26 C3 F100 (倒3×45°直角)N40 W-22 R3 (倒R3 圆角)N50 U39 W-14 C3 (倒边长为3 等腰直角)N60 W-34 (加工Φ65 外圆)N70 G00 U5 W80 (回到编程规划起点)N80 M30 (主轴停、主程序结束并复位)车床编程实例五倒角指令编程%3310N10 G92 X70 Z10 (设立坐标系,定义对刀点的位置)N20 G00 X0 Z4 (到工件中心)N30 G01 W-4 F100 (工进接触工件)N40 X26 C3 (倒3×45°的直角)N50 Z-21 (加工Φ26 外圆)N60 G02 U30 W-15 R15 RL=3(加工R15 圆弧,并倒边长为 4 的直角)N70 G01 Z-70 (加工Φ56 外圆)N80 G00 U10 (退刀,离开工件)N90 X70 Z10 (返回程序起点位置)M30 (主轴停、主程序结束并复位)图 3.3.10.2 倒角编程实例车床编程实例六圆柱螺纹编程螺纹导程为 1.5mm,δ=1.5mm,δ '=1mm ,每次吃刀量(直径值)分别为0.8mm、0.6 mm 、0.4mm、0.16mm图 3.3.12 螺纹编程实例%3312N1 G92 X50 Z120 (设立坐标系,定义对刀点的位置)N2 M03 S300 (主轴以300r/min 旋转)N3 G00 X29.2 Z101.5 (到螺纹起点,升速段1.5mm,吃刀深0.8mm)N4 G32 Z19 F1.5 (切削螺纹到螺纹切削终点,降速段1mm)N5 G00 X40 (X 轴方向快退)N6 Z101.5 (Z 轴方向快退到螺纹起点处)N7 X28.6 (X 轴方向快进到螺纹起点处,吃刀深0.6mm)N8 G32 Z19 F1.5 (切削螺纹到螺纹切削终点)N9 G00 X40 (X 轴方向快退)N10 Z101.5 (Z 轴方向快退到螺纹起点处)N11 X28.2 (X 轴方向快进到螺纹起点处,吃刀深0.4mm)N12 G32 Z19 F1.5 (切削螺纹到螺纹切削终点)N13 G00 X40 (X 轴方向快退)N14 Z101.5 (Z 轴方向快退到螺纹起点处)N15 U-11.96 (X 轴方向快进到螺纹起点处,吃刀深0.16mm)N16 G32 W-82.5 F1.5 (切削螺纹到螺纹切削终点)N17 G00 X40 (X 轴方向快退)N18 X50 Z120 (回对刀点)N19 M05 (主轴停)N20 M30 (主程序结束并复位)车床编程实例七恒线速度功能编程%3314N1 G92 X40 Z5 N2 M03 S400 N3 G96 S80 N4 G00 X0 N5 G01 Z0 F60N6 G03 U24 W-24 R15 N7 G02 X26 Z-31 R5 N8 G01 Z-40 N9 X40 Z5 N10 G97 S300N11 M30图 3.3.14 恒线速度编程实例(设立坐标系,定义对刀点的位置)(主轴以400r/min 旋转)(恒线速度有效,线速度为80m/min)(刀到中心,转速升高,直到主轴到最大限速)(工进接触工件)(加工R15 圆弧段)(加工R5 圆弧段)(加工Φ26 外圆)(回对刀点)(取消恒线速度功能,设定主轴按300r/min 旋转)(主轴停、主程序结束并复位)车床编程实例八%3317 M03 S400 (主轴以400r/min 旋转)G91 G80 X-10 Z-33 I-5.5 F100(加工第一次循环,吃刀深3mm)X-13 Z-33 I-5.5(加工第二次循环,吃刀深3mm)X-16 Z-33 I-5.5(加工第三次循环,吃刀深3mm)M30 (主轴停、主程序结束并复位)图 3.3.17 G80 切削循环编程实例车床编程实例九G81 指令编程(点画线代表毛坯)图 3.3.20 G81 切削循环编程实例%3320 N1 G54 G90 G00 X60 Z45 M03 (选定坐标系,主轴正转,到循环起点)N2 G81 X25 Z31.5 K-3.5 F100 (加工第一次循环,吃刀深2mm)N3 X25 Z29.5 K-3.5 (每次吃刀均为2mm,)N4 X25 Z27.5 K-3.5 (每次切削起点位,距工件外圆面5mm,故K 值为-3.5)N5 X25 Z25.5 K-3.5 (加工第四次循环,吃刀深2mm)N6 M05 (主轴停)N7 M30 (主程序结束并复位车床编程实例十G82 指令编程(毛坯外形已加工完成)%3323N1 G55 G00 X35 Z104(选定坐标系G55,到循环起点)N2 M03 S300 (主轴以300r/min 正转)N3 G82 X29.2 Z18.5 C2 P180 F3(第一次循环切螺纹,切深0.8mm)N4 X28.6 Z18.5 C2 P180 F3(第二次循环切螺纹,切深0.4mm)N5 X28.2 Z18.5 C2 P180 F3(第三次循环切螺纹,切深0.4mm)N6 X28.04 Z18.5 C2 P180 F3(第四次循环切螺纹,切深0.16mm)N7 M30 (主轴停、主程序结束并复位)图 3.3.23 G82 切削循环编程实例车床编程实例十一外径粗加工复合循环编制图 3.3.27 所示零件的加工程序:要求循环起始点在A(46,3),切削深度为 1.5mm(半径量)。
如图2-16所示工件,毛坯为φ45㎜×120㎜棒材,材料为45钢,数控车削端面、外圆。
?1.根据零件图样要求、毛坯情况,确定工艺方案及加工路线1)对短轴类零件,轴心线为工艺基准,用三爪自定心卡盘夹持φ45外圆,使工件伸出卡盘80㎜,一次装夹完成粗精加工。
2)? 工步顺序①粗车端面及φ40㎜外圆,留1㎜精车余量。
②精车φ40㎜外圆到尺寸。
2.选择机床设备根据零件图样要求,选用经济型数控车床即可达到要求。
故选用CK0630型数控卧式车床。
3.选择刀具根据加工要求,选用两把刀具,T01为90°粗车刀,T03为90°精车刀。
同时把两把刀在自动换刀刀架上安装好,且都对好刀,把它们的刀偏值输入相应的刀具参数中。
4.确定切削用量切削用量的具体数值应根据该机床性能、相关的手册并结合实际经验确定,详见加工程序。
5.确定工件坐标系、对刀点和换刀点确定以工件右端面与轴心线的交点O为工件原点,建立XOZ工件坐标系,如前页图2-16所示。
采用手动试切对刀方法(操作与前面介绍的数控车床对刀方法基本相同)把点O作为对刀点。
换刀点设置在工件坐标系下X55、Z20处。
6.编写程序(以CK0630车床为例)按该机床规定的指令代码和程序段格式,把加工零件的全部工艺过程编写成程序清单。
该工件的加工程序如下:N0010 G59 X0 Z100 ;设置工件原点N0020 G90N0030 G92 X55 Z20 ;设置换刀点N0040 M03 S600N0050 M06 T01 ;取1号90°偏刀,粗车N0060 G00 X46 Z0N0070 G01 X0 Z0N0080 G00 X0 Z1N0090 G00 X41 Z1N0100 G01 X41 Z-64 F80 ;粗车φ40㎜外圆,留1㎜精车余量N0110 G28N0120 G29 ;回换刀点N0130 M06 T03 ;取3号90°偏刀,精车N0140 G00 X40 Z1N0150 M03 S1000N0160 G01 X40 Z-64 F40 ;精车φ40㎜外圆到尺寸N0170 G00 X55 Z20N0180 M05N0190 M02如图2-17所示变速手柄轴,毛坯为φ25㎜×100㎜棒材,材料为45钢,完成数控车削。
1.根据零件图样要求、毛坯情况,确定工艺方案及加工路线1)对细长轴类零件,轴心线为工艺基准,用三爪自定心卡盘夹持φ25㎜外圆一头,使工件伸出卡盘85㎜,用顶尖顶持另一头,一次装夹完成粗精加工。
2)? 工步顺序①手动粗车端面。
②手动钻中心孔。
③自动加工粗车φ16㎜、φ22㎜外圆,留精车余量1㎜。
④自右向左精车各外圆面:倒角→车削φ16㎜外圆,长35㎜→车φ22㎜右端面→倒角→车φ22㎜外圆,长45㎜。
⑤粗车2㎜×㎜槽、3㎜×φ16㎜槽。
⑥精车3㎜×φ16㎜槽,切槽3㎜×㎜槽,切断。
2.选择机床设备根据零件图样要求,选用经济型数控车床即可达到要求。
故选用CK0630型数控卧式车床。
3.选择刀具根据加工要求,选用五把刀具,T01为粗加工刀,选90°外圆车刀,T02为中心钻,T03为精加工刀,选90°外圆车刀,T05为切槽刀,刀宽为2㎜,T07为切断刀,刀宽为3㎜(刀具补偿设置在左刀尖处)。
同时把五把刀在自动换刀刀架上安装好,且都对好刀,把它们的刀偏值输入相应的刀具参数中。
4.确定切削用量切削用量的具体数值应根据该机床性能、相关的手册并结合实际经验确定,详见加工程序。
5.确定工件坐标系、对刀点和换刀点确定以工件右端面与轴心线的交点O为工件原点,建立XOZ工件坐标系,如图2-17所示。
采用手动试切对刀方法(操作与前面介绍的数控车床对刀方法基本相同)把点O作为对刀点。
换刀点设置在工件坐标系下X35、Z30处。
6.编写程序(以CK0630车床为例)按该机床规定的指令代码和程序段格式,把加工零件的全部工艺过程编写成程序清单。
该工件的加工程序如下:N0010 G59 X0 Z105N0020 G90N0030 G92 X35 Z30?N0040 M03 S700N0050 M06 T01N0060 G00 X20 Z1N0070 G01 X20 F80N0080 G00 X20 Z1N0090 G00 X17 Z1N0100 G01 X17 F80N0110 G00 X23N0120 G01 X23 Z-80 F80N0130 G28N0140 G29N0150 M06 T03N0160 M03 S1100N0170 G00 X14 Z1?N0171 G01 X14 Z0N0180 G01 X16 Z-1 F60N0190 G01 X16 Z-35 F60N0200 G01 X20 Z-35 F60N0210 G01 X22 Z-36 F60N0220 G01 X22 Z-80 F60N0230 G28N0240 G29N0250 M06 T05N0260 M03 S600N0270 G00 X23N0280 G01 X21 F40N0290 G04 P2N0300 G00 X23N0310 G01 F40N0320 G28N0330 G29N0340 M06 T07 N0350 G00 X23 Z-47 N0360 G01 X16 Z-47 F40N0370 G04 P2N0380 G00 X23 Z-35N0390 GO1 X15 Z-35 F40N0400 G00 X23 Z-79N0410 G01 X20 Z-79 F40N0420 G00 X22 Z-78N0430 G01 X20 Z-79 F40N0440 G01 X0 Z-79 F40N0450 G28N0460 G29N0470 M05N0480 M02如图2-18所示工件,毛坯为φ25㎜×65㎜棒材,材料为45钢。
1.根据零件图样要求、毛坯情况,确定工艺方案及加工路线1)对短轴类零件,轴心线为工艺基准,用三爪自定心卡盘夹持φ25㎜外圆,一次装夹完成粗精加工。
2) 工步顺序①粗车外圆。
基本采用阶梯切削路线,为编程时数值计算方便,圆弧部分可用同心圆车圆弧法,分三刀切完。
②自右向左精车右端面及各外圆面:车右端面→倒角→切削螺纹外圆→车φ16㎜外圆→车R3㎜圆弧→车φ22㎜外圆。
③切槽。
④车螺纹。
⑤切断。
2.选择机床设备根据零件图样要求,选用经济型数控车床即可达到要求。
故选用CJK6136D型数控卧式车床。
3.选择刀具根据加工要求,选用四把刀具,T01为粗加工刀,选90°外圆车刀,T02为精加工刀,选尖头车刀,T03为切槽刀,刀宽为4㎜,T04为60°螺纹刀。
刀具布置如图2-19所示。
同时把四把刀在四工位自动换刀刀架上安装好,且都对好刀,把它们的刀偏值输入相应的刀具参数中。
4.确定切削用量切削用量的具体数值应根据该机床性能、相关的手册并结合实际经验确定,详见加工程序。
5.确定工件坐标系、对刀点和换刀点确定以工件右端面与轴心线的交点O为工件原点,建立XOZ工件坐标系,如图2-18所示。
采用手动试切对刀方法(操作与前面介绍的数控车床对刀方法相同)把点O作为对刀点。
换刀点设置在工件坐标系下X15、Z150处。
6.编写程序(该程序用于CJK6136D车床)按该机床规定的指令代码和程序段格式,把加工零件的全部工艺过程编写成程序清单。
该工件的加工程序如下:(该系统X方向采用半径编程)N0010 G00 Z2 S500 M03N0020 X11 ;粗车外圆得φ22㎜N0030 G01 Z-50 F100N0040 X15N0050 G00 Z2N0060 ;粗车外圆得φ19㎜N0070 G01 Z-32 F100N0080 G91 G02 K0 ;粗车圆弧一刀得㎜N0090 G90 G00 X15N0100 Z2N0110 ;粗车外圆得φ17㎜N0120 G01 Z-32 F100N0130 G91 G02 K0 ;粗车圆弧二刀得R3㎜N0140 G90 G00 X15 Z150N0150 ;精车刀,调精车刀刀偏值N0160 X0 Z2N0170 G01 Z0 F50 S800 ;精加工N0180 X7N0190 X8 Z-1N0200 Z-32N0210 G91 G02 X3 Z-3 I3 K0N0220 G90 G01 X11 Z-50N0230 G00 X15N0240 Z150N0250 ;换切槽刀,调切槽刀刀偏值N0260 G00 X10 Z-19 S250 M03 ;割槽N0270 G01 F80N0280 X10N0290 G00 X15 Z150N0300 ;换螺纹刀,调螺纹刀刀偏值N0310 G00 X8 Z5 S200 M03 ;至螺纹循环加工起始点N0320 G86 Z-17 K2 I6 P9 N1 ;车螺纹循环N0330 G00 X15 Z150N0340 ;换切槽刀,调切槽刀刀偏值N0350 G00 X15 Z-49 S200 M03 ;切断N0360 G01 X0 F50N0370 G00 X15 Z150N0380 M02如图2-20所示轧辊工件,毛坯为φ55㎜×18㎜盘料,φ12+0。
05㎜内孔及倒角和左右两端面已加工过,材料为45钢。
采用阶梯切削路线编程法,刀具每次运动的位置都需编入程序,程序较长,但刀具切削路径短,效率高,被广泛采用。
1.根据零件图样要求、毛坯及前道工序加工情况,确定工艺方案及加工路线1)以已加工出的φ12+0。
005㎜内孔及左端面为工艺基准,用长心轴及左端面定位工件,工件右端面用压板、螺母夹紧,用三爪自定心卡盘夹持心轴,一次装夹完成粗精加工。
2)? 工步顺序①粗车外圆。
基本采用阶梯切削路线,为编程时数值计算方便,圆弧部分可用同心圆车圆弧法,分四刀切完;圆锥部分用相似斜线车锥法分三刀切完。
②自右向左精车外轮廓面。
2.选择机床设备根据零件图样要求,选用经济型数控车床即可达到要求。
故选用CJK6136D型数控卧式车床。
3.选择刀具根据加工要求,考虑加工时刀具与工件不发生干涉,可用一把尖头外圆车刀(或可转位机夹外圆车刀)完成粗精加工。
4.确定切削用量切削用量的具体数值应根据该机床性能、相关的手册并结合实际经验确定,详见加工程序。
5.确定工件坐标系、对刀点和换刀点确定以工件右端面与轴心线的交点O为工件原点,建立XOZ工件坐标系,如图2-20所示。
采用手动对刀方法把工件右端面与毛坯外圆面的交点A作为对刀点,如图2-20所示。
采用MDI方式操纵机床,具体操作步骤如下:1)回参考点操作采用ZERO(回参考点)方式进行回参考点的操作,建立机床坐标系。