Pro-E(creo)整体模块的介绍
- 格式:pdf
- 大小:890.70 KB
- 文档页数:47
主要特性●全相关性:Pro/ENGINEER的所有模块都是全相关的。
这就意味着在产品开发过程中某一处进行的修改,能够扩展到整个设计中,同时自动更新所有的工程文档,包括装配体、设计图纸,以及制造数据。
全相关性鼓励在开发周期的任一点进行修改,却没有任何损失,并使并行工程成为可能,所以能够使开发后期的一些功能提前发挥其作用。
●基于特征的参数化造型:Pro/ENGINEER使用用户熟悉的特征作为产品几何模型的构造要素。
这些特征是一些普通的机械对象,并且可以按预先设置很容易的进行修改。
例如:设计特征有弧、圆角、倒角等等,它们对工程人员来说是很熟悉的,因而易于使用。
装配、加工、制造以及其它学科都使用这些领域独特的特征。
通过给这些特征设置参数(不但包括几何尺寸,还包括非几何属性),然后修改参数很容易的进行多次设计叠代,实现产品开发●数据管理:加速投放市场,需要在较短的时间内开发更多的产品。
为了实现这种效率,必须允许多个学科的工程师同时对同一产品进行开发。
数据管理模块的开发研制,正是专门用于管理并行工程中同时进行的各项工作,由于使用了Pro/ENGINEER独特的全相关性功能,因而使之成为可能。
●装配管理:Pro/ENGINEER的基本结构能够使您利用一些直观的命令,例如“啮合”、“插入”、“对齐”等很容易的把零件装配起来,同时保持设计意图。
高级的功能支持大型复杂装配体的构造和管理,这些装配体中零件的数量不受限制。
●易于使用:菜单以直观的方式联级出现,提供了逻辑选项和预先选取的最普通选项,同时还提供了简短的菜单描述和完整的在线帮助,这种形式使得容易学习和使用。
常用模块●Pro/DESIGNIER是工业设计模块的一个概念设计工具,能够使产品开发人员快速、容易的创建、评价和修改产品的多种设计概念。
可以生成高精度的曲面几何模型,并能够直接传送到机械设计和/或原型制造中。
● Pro/NETWORK ANIMTOR 通过把动画中的帧页分散给网络中的多个处理器来进行渲染,大大的加快了动画的产生过程。
PRO/ENGINEER 软件模块简介本世纪的一个重大变革是全球市场的统一,它使市场竞争更加激烈,产品更新更快,但是有限的资源加上消费者对复杂产品的需求日益增加,使你合很难保持市场分额。
在这种背景下,CAD( 计算机辅助设计)/CAM( 计算机辅助制造)/CAE (计算机辅助测量)技术得到迅速普及和极大发展。
海湾战争结束当年,美国评出的最具影响的十大技术中,CAD/CAM/CAE 技术便榜上有名。
在为数众多的CAD/CAM/CAE 软件中,主流软件包种类繁多,PRO/E ,UG ,CIMATRON ,MDT ,I -DEAS ,MASTERCAM 都是个中极品,但PRO/E 工业解决方案地位显赫,它是美国PTC 公司的拳头产品,技术领先,在机械、电子、航空、航天、邮电、兵工、纺织等各行各业都有应用,是CAD/CAM/CAE 领域少有的顶尖“人物”。
PRO/E 的最新版本为PRO/E2000i ,它可运行于Windows/NT 和UNIX 平台上,共有六大主模块,下面我把它们逐一介绍给大家。
l PRO/E 概述PRO/ENGINEER 软件包的产品开发环境在支持并行工作,它通过一系列完全相关的模块表述产品的外形、装配及其他功能。
PRO/E 能够让多个部门同时致力于单一的产品模型。
包括对大型项目的装配体管理、功能仿真、制造、数据管理等。
其中PRO/EV2000I 更增加了行为建模技术使其成为把梦想变为现实的杰出工具。
一、工业设计(CAID) 模块工业设计模块主要用于对产品进行几何设计,以前,在零件未制造出时,是无法观看零件形状的,只能通过二维平面图进行想象。
现在,用3DS 可以生成实体模型,但用3DS 生成的模型在工程实际中是“中看不中用”。
用PRO/E 生成的实体建模,不仅中看,而且相当管用。
事实上,PRO/E 后阶段的各个工作数据的产生都要依赖于实体建模所生成的数据。
包括:PRO/3DPAINT(3D 建模) 、PRO/ANIMATE( 动画模拟) 、PRO/DESIGNER( 概念设计) 、PRO/NETWORKANIMATOR( 网络动画合成) 、PRO/PERSPECTA-SKETCH (图片转三维模型)、PRO/PHOTORENDER( 图片渲染) 几个子模块。
creo整体模块的介绍Creo1.0应用、扩展模块、软件包功能综述及报价(包括MathCAD/ISODraw)目录一、3D设计解决方案 (4)(一)Creo Parametric参数化建模应用 (4)1.Creo Parametric: 基本功能包,含中文包 (5)2.Creo Flexible Modeling Extension—柔性建模扩展 (8)3.Creo Advanced Assembly Extension (AAX) —高级装配扩展(8)4.Creo Intreractive Surface Design Extension II (ISDX)—自由曲面设计 (9)5.Creo Behavioral Modeling Extension(BMX)—行为建模技术扩展 (9)6.Creo Plastic Advisor Extension —塑胶顾问 (10)7.Creo Tool Design Extension(TDO)—模具设计 (10)8.Creo Production Machining Extension —生产加工 (11)9.Creo Complete Machining Extension —完整加工 (12)10.Creo Prismatics and Multi-Surface Milling Extension —三轴铣加工 (12)11.Creo NC Sheetmetal Extension— NC钣金加工 (13)12.Creo Computer Aided Verification Extension —计算机辅助检测 (13)13.Creo Application Programming Toolkit —应用程序扩展设计工具箱 (14)14.Pro/INTRALINK TOOKIT ACCESS —二次开发工具箱 (14)15.Creo Simulation Extension —有限元分析 (14)16.Creo Advanced Simulation Extension —高级有限元分析(15)17.Creo Fatigue Advisor Extension —疲劳顾问 (16)18.Creo Spark Analysis Extension —电气间隙和漏电距离分析(17)19.Creo ISOGEN Enabled Piping and Cabling Extension—支持ISOGEN单管图的管道和线缆扩展1720.Creo Mechanism Dynamics Extension (MDO) —机构动力学分析 (18)21.Creo Advanced Rendering Extension —高级渲染 (18)22.Creo Manikin —人体模型扩展 (19)23.Creo Manikin Analysis —人机工程分析扩展 (20)24.Creo Expert Moldbase Extension (EMX) —模架设计专家(20)25.Creo Progressive Die Extension (PDX) —级进模专家 (21)26.Creo Expert Framework Extension (EFX) —钢结构设计专家(22)27.Creo Complete Mold Design Extension —完整模具设计(22)28.Creo Tolerance Analysis Extension Powered by CETOL Technology —公差分析 (22)29.Creo ECAD-MCAD Collaboration Option — ECAD-MCAD 协作扩展 (23)30.Creo Reverse Engineering Extension (REX) —逆向工程 (23)31.Creo Rights Management Extension —权限管理扩展 (24)32.Creo INTERFACE for CATIA II with ATB—利用ATB实现的Creo与CATIA II 的接口 (25)33.Creo INTERFACE for CATIA V5 with ATB—利用 ATB 实现的Creo与CATIA V5的接口. 2534.Creo INTERFACE for Unigraphics(NX)with ATB—利用ATB 实现的Creo与 Unigraphics的接口2535.Creo Interface for JT - 与 JT 的接口 (26)36.Creo Legacy Data Migration Extension—历史数据迁移扩展(26)(二)Creo Direct直接建模应用 (26)1.Creo Direct-直接建模 (27)二、仿真验证 (28)(一)Creo Simulate仿真模拟应用 (29)1.Creo Simulate-独立的仿真模拟应用 (29)2.Creo Advanced Simulation Extension-独立的高级仿真模拟应用 (29)三、2D设计解决方案 (31)(一)Creo Sketch草绘应用 (31)(二)Creo Schematics原理图应用 (32)1.Creo Schematics-多学科原理图设计 (32)(三)Creo Layout 2D概念设计应用 (32)四、可视化协作解决方案 (34)(一)Creo View MCAD可视化应用 (34)1.Creo View MCAD Registered User (35)2.Creo View Interference Analysis- Registered User-干涉分析(36)3.Creo View Animator- Registered User-动画 (36)4.Creo View Massive Assembly Option Registered User -超大型装配选项 (37)5.Creo View Validate For Model Based Design -Registered User -设计检查用于MBD (37)6.Creo View Office Toolkit-Office开发工具箱 (38)7.Creo View Java Toolkit-Java开发工具箱 (38)8.Creo View Web T oolkit-Web开发工具箱 (38)9.Creo View Adapter-针对异构CAD数据的转换适配器 (38)(二)Creo View ECAD可视化应用 (38)1.Creo View ECAD – Registered User License (39)2.Creo View ECAD Compare- 30 Registered User -ECAD设计数据比较 (40)3.Creo View ECAD Adapter-针对异构ECAD数据的转换适配器(41)(三)Creo Illustrate-3D技术插图应用 (41)1.Creo Illustrate-Node Lock (42)五、Creo基于角色的软件包介绍 (43)(一)渠道专属面向工程师的软件包-Creo Engineer Essentials I &Creo Engineer Essentials II 431.Creo Engineer Essentials I (43)2.Creo Engineer Essentials II (44)(二)面向工程师的软件包-Creo Engineer I,II,III,IV (44)1.Creo Engineer I (44)2.Creo Engineer II With Advanced Assembly (44)3.Creo Engineer II With Behavioral Modeling (44)4.Creo Engineer II With Mechanism Dynamics (44)5.Creo Engineer III (44)6.Creo Engineer IV (45)(三)面向扩展用户基于角色的软件包 (45)1.Creo Analyst-分析师 (45)2.Creo Industrial Designer-工业设计师 (45)3.Creo Conceptual Engineer-概念工程师 (45)4.Creo Design Reviewer-设计评审 (45)六、MathCAD-工程计算 (46)七、Abortext Isodraw CADprocess —技术插图 (46)八、Creo Illustrate plus Arbortext IsoDraw CADprocess Package Node Locked-Illustrate加IsoDraw CADprocess打包锁定版 (47)九、Pro/INTRALINK Multi-Site-工作组级数据管理 (47)一、3D设计解决方案如今,3D 设计成为产品创新的核心。
Creo1.0应用、扩展模块、软件包功能综述及报价(包括MathCAD/ISODraw)目录一、3D设计解决方案 (4)(一)Creo Parametric参数化建模应用 (4)1.Creo Parametric: 基本功能包,含中文包 (5)2.Creo Flexible Modeling Extension—柔性建模扩展 (8)3.Creo Advanced Assembly Extension (AAX) —高级装配扩展 (8)4.Creo Intreractive Surface Design Extension II (ISDX)—自由曲面设计 (9)5.Creo Behavioral Modeling Extension(BMX)—行为建模技术扩展 (9)6.Creo Plastic Advisor Extension — 塑胶顾问 (10)7.Creo Tool Design Extension(TDO) — 模具设计 (10)8.Creo Production Machining Extension — 生产加工 (11)9.Creo Complete Machining Extension — 完整加工 (12)10.Creo Prismatics and Multi-Surface Milling Extension — 三轴铣加工 (12)11.Creo NC Sheetmetal Extension— NC钣金加工 (13)12.Creo Computer Aided Verification Extension — 计算机辅助检测 (13)13.Creo Application Programming Toolkit — 应用程序扩展设计工具箱 (14)14.Pro/INTRALINK TOOKIT ACCESS — 二次开发工具箱 (14)15.Creo Simulation Extension — 有限元分析 (14)16.Creo Advanced Simulation Extension — 高级有限元分析 (15)17.Creo Fatigue Advisor Extension — 疲劳顾问 (16)18.Creo Spark Analysis Extension — 电气间隙和漏电距离分析 (17)19.Creo ISOGEN Enabled Piping and Cabling Extension—支持ISOGEN单管图的管道和线缆扩展1720.Creo Mechanism Dynamics Extension (MDO) — 机构动力学分析 (18)21.Creo Advanced Rendering Extension — 高级渲染 (18)22.Creo Manikin — 人体模型扩展 (19)23.Creo Manikin Analysis — 人机工程分析扩展 (20)24.Creo Expert Moldbase Extension (EMX) — 模架设计专家 (20)25.Creo Progressive Die Extension (PDX) — 级进模专家 (21)26.Creo Expert Framework Extension (EFX) — 钢结构设计专家 (22)27.Creo Complete Mold Design Extension — 完整模具设计 (22)28.Creo Tolerance Analysis Extension Powered by CETOL Technology — 公差分析 (22)29.Creo ECAD-MCAD Collaboration Option — ECAD-MCAD协作扩展 (23)30.Creo Reverse Engineering Extension (REX) — 逆向工程 (23)31.Creo Rights Management Extension — 权限管理扩展 (24)32.Creo INTERFACE for CATIA II with ATB—利用 ATB实现的Creo与CATIA II 的接口 (25)33.Creo INTERFACE for CATIA V5 with ATB—利用 ATB 实现的Creo与CATIA V5的接口. 2534.Creo INTERFACE for Unigraphics(NX)with ATB—利用ATB实现的Creo与 Unigraphics的接口2535.Creo Interface for JT - 与 JT 的接口 (26)36.Creo Legacy Data Migration Extension—历史数据迁移扩展 (26)(二)Creo Direct直接建模应用 (26)1.Creo Direct-直接建模 (27)二、仿真验证 (28)(一)Creo Simulate仿真模拟应用 (29)1.Creo Simulate-独立的仿真模拟应用 (29)2.Creo Advanced Simulation Extension-独立的高级仿真模拟应用 (29)三、2D设计解决方案 (31)(一)Creo Sketch草绘应用 (31)(二)Creo Schematics原理图应用 (32)1.Creo Schematics-多学科原理图设计 (32)(三)Creo Layout 2D概念设计应用 (32)四、可视化协作解决方案 (34)(一)Creo View MCAD可视化应用 (34)1.Creo View MCAD Registered User (35)2.Creo View Interference Analysis- Registered User-干涉分析 (36)3.Creo View Animator- Registered User-动画 (36)4.Creo View Massive Assembly Option Registered User -超大型装配选项 (37)5.Creo View Validate For Model Based Design -Registered User -设计检查用于MBD (37)6.Creo View Office Toolkit-Office开发工具箱 (38)7.Creo View Java Toolkit-Java开发工具箱 (38)8.Creo View Web Toolkit-Web开发工具箱 (38)9.Creo View Adapter-针对异构CAD数据的转换适配器 (38)(二)Creo View ECAD可视化应用 (38)1.Creo View ECAD – Registered User License (39)2.Creo View ECAD Compare- 30 Registered User -ECAD设计数据比较 (40)3.Creo View ECAD Adapter-针对异构ECAD数据的转换适配器 (41)(三)Creo Illustrate-3D技术插图应用 (41)1.Creo Illustrate-Node Lock (42)五、Creo基于角色的软件包介绍 (43)(一)渠道专属面向工程师的软件包-Creo Engineer Essentials I &Creo Engineer Essentials II 431.Creo Engineer Essentials I (43)2.Creo Engineer Essentials II (44)(二)面向工程师的软件包-Creo Engineer I,II,III,IV (44)1.Creo Engineer I (44)2.Creo Engineer II With Advanced Assembly (44)3.Creo Engineer II With Behavioral Modeling (44)4.Creo Engineer II With Mechanism Dynamics (44)5.Creo Engineer III (44)6.Creo Engineer IV (45)(三)面向扩展用户基于角色的软件包 (45)1.Creo Analyst-分析师 (45)2.Creo Industrial Designer-工业设计师 (45)3.Creo Conceptual Engineer-概念工程师 (45)4.Creo Design Reviewer-设计评审 (45)六、MathCAD-工程计算 (46)七、Abortext Isodraw CADprocess — 技术插图 (46)八、Creo Illustrate plus Arbortext IsoDraw CADprocess Package Node Locked-Illustrate加IsoDraw CADprocess打包锁定版 (47)九、Pro/INTRALINK Multi-Site-工作组级数据管理 (47)一、3D设计解决方案如今,3D 设计成为产品创新的核心。
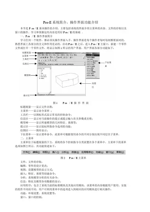
Pro-E系统简介,操作界面功能介绍本节是P ro/E基本操作的介绍,主要包括系统的界面介绍主菜单的内容、文件的存取以及窗口的操作。
学习和掌握这些内容是用好P ro/E的基础。
一、P ro /E 操作界面简介学习任何一个软件,都必须从操作界面入手。
操作界面是每个操作者每时每刻都要面对的,熟悉界面上各部分的含义和作用是必的。
启动P ro/E之后,进入P ro/E主窗口,新建一个零件文件或打开一个零件文件,将显示如图1所示的用户界面。
用户界面各部分功能如下:图1 P ro /E 操作界面标题视窗——显示文件名称;主菜单——显示命令菜单;工具栏——以图标形式显示常见的控制命令;信息区——显示对当前操作的提示或提示输入有关参数或名称;模型树———显示所建模型的几何特征、基准等;提示区———显示鼠标所指命令选项的功能;绘图区———图形显示;下拉菜单——显示菜单命令,此菜单可根据使用命令的不同分别出现不同层次子菜单。
二、主菜单主菜单位于标题视窗的下方,系统将各个控制指令分类放置在各个菜单中,主菜单下的菜单选项如图2所示,其功能简述如下:图2 P ro/E主菜单文件:文件的存取;编辑:零件的设计更改;视图:设置模型的显示方式;插入:特征、基准等创建命令;分析:系统模型分析的有关命令;信息:特征及模型各项数据的显示;应用程序:包含了系统当前的标准模块及其他应用模块,该菜单的内容根据用户使用、安装的组件不同而不同,用户可利用菜单中的选项进入到相应的应用模块进行相关操作;功能:环境设置、系统设置等;窗口:窗口的控制;帮助:通过网络链接获得命令功能详细介绍。
三、文件的存取文件的存取是文件菜单下的命令(如图3),各命令的功能说明如下:1. 新建建立新文件,其对话框如图4所示。
用户可在此对话框选择文件类型,并输入文件名。
主要的文件类型有:草绘:2D 平面图绘制,扩展名为.sec ;零件:3D 零件设计、3D 钣金设计等,扩展名为.prt ;组件:3D 装配设计,扩展名为.asm ;制造:NC 加工程序制作、模具设计等,扩展名为.m fg ;绘图:2D 工程图制作,扩展名为.drw ;格式:2D 工程图图框制作,扩展名为.frm ;报表 :产品装配规划,扩展名为.lay ;图表:电路、管路流程图;图3 文件菜单图 图4 新增文件对话框2. 打开打开已存在文件,其对话框如图5所示,用户可从硬盘目录下或内存中选择所需文件。
Pro/E模块全集的介绍(1)proe机械制图英语词汇(一部份)Assembly line组装线Layout布置图Conveyer流水线物料板Rivet table拉钉机Rivet gun拉钉枪Screw driver起子Electric screw driver电动起子Pneumatic screw driver气动起子worktable 工作桌OOBA开箱检查fit together组装在一起fasten锁紧(螺丝) fixture 夹具(治具) pallet栈板barcode条码barcode scanner条码扫描器fuse together熔合fuse machine热熔机repair修理operator作业员QC品管supervisor 课长ME制造工程师MT制造生技cosmetic inspect外观检查inner parts inspect内部检查thumb screw大头螺丝lbs. inch镑、英寸EMI gasket导电条广州有道科技Pro/Engineer是一套由设计至生产的机械自动化软件,是新一代的产品造型系统,是一个参数化、基于特征的实体造型系统,并且具有单一数据库功能。
1.参数化设计和特征功能Pro/Engineer是采用参数化设计的、基于特征的实体模型化系统,工程设计人员采用具有智能特性的基于特征的功能去生成模型,如腔、壳、倒角及圆角,您可以随意勾画草图,轻易改变模型。
这一功能特性给工程设计者提供了在设计上从未有过的简易和灵活。
2.单一数据库Pro/Engineer是建立在统一基层上的数据库上,不象一些传统的CAD/CAM系统建立在多个数据库上。
所谓单一数据库,就是工程中的资料全部来自一个库,使得每一个独立用户在为一件产品造型而工作,不管他是哪一个部门的。
换言之,在整个设计过程的任何一处发生改动,亦可以前后反应在整个设计过程的相关环节上。
例如,一旦工程详图有改变,NC(数控)工具路径也会自动更新;组装工程图如有任何变动,也完全同样反应在整个三维模型上。
Pro/E模块全集介绍(一)Pro/Engineer是一套由设计至生产的机械自动化软件,是新一代的产品造型系统,是一个参数化、基于特征的实体造型系统,并且具有单一数据库功能。
1.参数化设计和特征功能Pro/Engineer是采用参数化设计的、基于特征的实体模型化系统,工程设计人员采用具有智能特性的基于特征的功能去生成模型,如腔、壳、倒角及圆角,您可以随意勾画草图,轻易改变模型。
这一功能特性给工程设计者提供了在设计上从未有过的简易和灵活。
2.单一数据库Pro/Engineer是建立在统一基层上的数据库上,不象一些传统的CAD/CAM系统建立在多个数据库上。
所谓单一数据库,就是工程中的资料全部来自一个库,使得每一个独立用户在为一件产品造型而工作,不管他是哪一个部门的。
换言之,在整个设计过程的任何一处发生改动,亦可以前后反应在整个设计过程的相关环节上。
例如,一旦工程详图有改变,NC(数控)工具路径也会自动更新;组装工程图如有任何变动,也完全同样反应在整个三维模型上。
这种独特的数据结构与工程设计的完整的结合,使得一件产品的设计结合起来。
这一优点,使得设计更优化,成品质量更高,产品能更好地推向市场,价格也更便宜。
一、Pro/Engineer Pro/Engineer是软件包,并非模块,它是该系统的基本部分,其中功能包括参数化功能定义、实体零件及组装造型,三维上色实体或线框造型棚完整工程图产生及不同视图(三维造型还可移动,放大或缩小和旋转)。
Pro/Engineer是一个功能定义系统,即造型是通过各种不同的设计专用功能来实现,其中包括:筋(Ribs)、槽(Slots)、倒角(Chamfers)和抽空(Shells)等,采用这种手段来建立形体,对于工程师来说是更自然,更直观,无需采用复杂的几何设计方式。
这系统的参数比功能是采用符号式的赋予形体尺寸,不象其他系统是直接指定一些固定数值于形体,这样工程师可任意建立形体上的尺寸和功能之间的关系,任何一个参数改变,其也相关的特征也会自动修正。
Pro/Engineer 野火版功能综述一 . Pro/ENGINEER Foundation XE : 基本功能包,含中文包Pro/ENGINEER-Foundation II 包是Pro/ENGINEER 家族产品系列的基石,提供业界最佳的3D实体造型,钣金设计,装配设计,基本曲面设计,焊接设计,2D工程图绘制,机构设计,标准模型检查及渲染造型等的集成功能。
架构在标准的基于特征,全相关的参数化实体建模核心基础上,并提供大量的工业标准及直接转换接口。
由以下几个模块构成:Design Animation Option(DAO) —动画设计模块预要求:Pro/Engineer该包使用Pro/E 零件,装配和机构建立动画过程,用于动画演示产品的装卸过程。
Import Data Doctor Option (DDO) —输入数据修补专家预要求:Pro/Engineer该包使用户快速高质量修复调入的第三方模型。
ModelCHECK Option —模型检测模块评估设计效率,提供专家指南。
制定企业标准,在产品设计过程中如有不符合企业标准的设计,软件将自动报警。
同时提供按模型形状索引,搜寻以前设计的形状类似零件,压缩企业零件种类。
Mechanism Design Extension (MDX) —机构运动学分析预要求:Pro/EngineerMDX 提供工程师在产品开发过程中装配体的运动行为模拟和预见。
在装配中,可交互式动态拖动或显式定义模拟过程。
能生成运动过程封装路径用于干涉检查。
二.Advanced Assembly Extension (AAX)预要求:Pro/Engineer-Foundation该包拓展Pro/ENGINEER 的能力到在整个企业开发活动中可设计和管理中到超大型装配。
它提供高级的功能工具进行设计标准管理,自顶向下装配设计,大装配管理,自动模型简化和装配工艺规划。
含以下模块:三. Interactive Surface Design Extension II (ISDXII)预要求:Pro/Engineer-Foundation该包与Pro/ENGINEER-foundation 一起提供中高级复杂产品的设计能力,包含复杂曲面设计。