移动生物实验室的组成和技术指标要求
- 格式:doc
- 大小:30.50 KB
- 文档页数:13
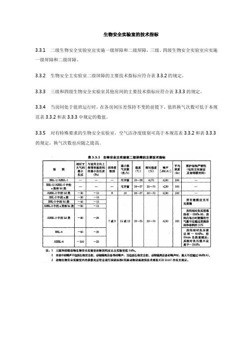
生物安全实验室的技术指标3.3.1 二级生物安全实验室宜实施一级屏障和二级屏障,三级、四级生物安全实验室应实施一级屏障和二级屏障。
3.3.2 生物安全主实验室二级屏障的主要技术指标应符合表3.3.2的规定。
3.3.3 三级和四级生物安全实验室其他房间的主要技术指标应符合表3.3.3的规定。
3.3.4 当房间处于值班运行时,在各房间压差保持不变的前提下,值班换气次数可低于本规范表3.3.2和表3.3.3中规定的数值。
3.3.5 对有特殊要求的生物安全实验室,空气洁净度级别可高于本规范表3.3.2和表3.3.3的规定,换气次数也应随之提高。
生物安全实验室的技术指标3.3.2 本条规定了生物安全主实验室二级屏障的主要技术指标。
由于动物实验产生致病因子更多,故对压差的要求也高于微生物实验室。
对于三级和四级生物安全实验室,由于工作人员身穿防护服,夏季室内设计温度不宜太高。
表3.3.2和表3.3.3中的负压值、围护结构严密性参数要求指实际运行的最低值,设计或调试时应考虑余量。
表中对温度的要求为夏季不超过高限,冬季不低于低限。
另外对于二级生物安全实验室,为保护实验环境,延长生物安全柜的使用寿命,可采用机械通风,并加装过滤装置的方式。
二级生物安全实验室如果采用机械通风系统,应保证主实验室及其缓冲间相对大气为负压,并保证气流从辅助区流向防护区,主实验室相对大气压力最低。
本条款中主实验室的主要技术指标增加了围护结构严密性要求,这主要来源于《实验室生物安全通用要求》GB 19489-2008。
3.3.3 本条规定了三级和四级生物安全实验室其他房间的主要技术指标。
三级和四级生物安全实验室,从防护区到辅助工作区每相邻房间或区域的压力梯度应达到规范要求,主要是为了保证不同区域之间的气流流向。
3.3.4 本条主要针对动物生物安全实验室,为了节约运行费用,设计时一般应考虑值班运行状态。
值班运行状态也应保证各房间之间的压差数值和梯度保持不变。
生物实验室建设要求
生物实验室的建设要求涉及许多方面,包括建筑设计、安全规范、设备配备和实验操作等。
从建筑角度来看,生物实验室应该采用防火防爆材料,具备良好的通风系统,以及符合实验室标准的地面和墙面材料。
实验室的布局应该合理,设有清洗区、操作区和储存区等。
此外,实验室的建设还需要考虑易清洁、防水、防腐蚀等因素。
在安全规范方面,生物实验室的建设需要符合国家和地方相关法律法规的要求。
实验室内应设置紧急出口、安全淋浴器和紧急洗眼器等安全设施。
此外,实验室的建设还需要考虑化学品和生物制剂的储存和处理,以及废物处理等安全问题。
设备配备是生物实验室建设的关键部分。
实验室需要配备各类生物实验所需的仪器设备,如离心机、显微镜、分光光度计等。
这些设备需要符合实验室的实际需求,并且要有专业的维护和保养计划。
对于实验操作方面,生物实验室的建设要求需要考虑实验操作的流程和规范。
实验室应该有相关的操作规程和安全操作手册,并
且需要对实验人员进行相关的安全培训和操作规范的教育。
总的来说,生物实验室的建设要求涉及多个方面,包括建筑设计、安全规范、设备配备和实验操作等。
只有全面考虑这些方面,才能建设出安全、高效的生物实验室。
生物实验室设计建设标准,是指在建设生物实验室的过程中,所需遵循的规范和要求。
生物实验室是进行生物学研究和实验的重要场所,其设计建设标准直接关乎实验工作的质量和安全。
一、在生物实验室的设计建设中,需要考虑实验室的空间布局和功能分区。
不同实验室功能不同,需要具备相应的装备和设施。
例如,分离培养区、分子生物学实验区、显微镜实验区等。
合理的空间布局能有效提高实验效率,避免交叉污染。
二、在生物实验室的设计建设中,应注意环境条件和安全设施的设置。
实验室应具备良好的通风系统和空气净化设备,保证室内空气清新。
此外,实验室的桌椅、储物柜等设施也需符合相关标准,确保实验人员的舒适和安全。
三、在生物实验室的设计建设中,必须遵循相关的法律法规和标准规范。
比如实验动物管理法规、生物安全管理规定等。
严格遵守法规可以有效降低实验过程中的风险,确保实验室的正常运行。
总的来说,生物实验室设计建设标准是保障实验质量和实验人员安全的重要保证。
只有严格遵循标准要求,才能建设出功能完善、安全可靠的生物实验室,为科研工作提供有力支持。
生物安全实验室建筑技术规范1 总则1.0.1 为使生物安全实验室在设计、施工和验收方面满足生物安全防护实验室的通用安全标准,切实遵循物理隔离的建筑技术原则,制定本规范。
1.0.2 本规范适用于微生物学、生物医学、动物实验、基因重组以及生物制品等使用的新建、改建、扩建的生物安全实验室。
1.0.3 生物安全实验室的建设应以生物安全为核心,确保实验职员的安全和实验室四周环境的安全,同时保护试验对象不被污染。
在建筑上应以实用、经济为原则。
1.0.4 生物安全实验室所用设备和材料必须有合格证、检验单位的检验报告,并在有效期之内。
属于新开发的产品、工艺,应有鉴定证书或试验证实材料。
1.0.5 生物安全实验室的设计、施工、检测中采用的技术文件、合同文件对工程质量的要求不得低于本规范的规定。
1.0.6 生物安全实验室的建设除应执行本规范外,尚应符合国家有关强制性标准、规范的规定以及其他有关标准、规范的要求。
2 术语2.0.1一级屏障primary barrier也称一级隔离,是操纵对象和操纵者之间的隔离。
通过生物安全柜、正压防护服等防护设施来实现。
2.0.2二级屏障 secondary barrier也称二级隔离,是生物安全实验室和外部环境的隔离。
通过建筑技术(如气密的建筑结构、平面布局,透风空调和空气净化系统、污染空气及污染物的过滤除菌和消毒灭菌直至无害排放)达到防止有害生物微粒从实验室散逸到外部环境的目的。
2.0.3气溶胶 aerosol悬浮于气体介质中的粒径一般为0.001~100μm的固态、液态微粒所形成的胶溶态分散体系。
2.0.4生物安全柜biosafety cabinet防止操纵处理过程中含有危险性,或未知性生物微粒气溶胶散逸的箱形空气净化负压安全装置。
通常分为Ⅰ级、Ⅱ级和Ⅲ级。
2.0.5生物安全实验室 biosafety laboratory具有一级隔离设施的、可实现二级隔离的生物实验室。
2.0.6主实验室 main room生物安全柜或动物隔离器所在的实验室,或穿正压防护服工作的实验室。
科研实验室建设技术指标及要求科研实验室的建设是确保高质量研究成果和科学进步的基石。
为了满足科学研究者的需求,并以合理的方式利用和管理资源,以下是科研实验室建设的技术指标和要求。
1. 设施和设备要求:- 实验室面积应适合实验室所需的工作流程和设备布局。
为了确保实验室空间的灵活性,在布局和设计中预留出可扩展和改变的空间。
- 实验室应具备必要的通风设备、安全设备和消防设备,以确保实验室内的安全性和健康性。
- 合适的实验室设备和设施应提供稳定的电力和网络连接,以支持科研工作和数据传输。
2. 实验室安全要求:- 实验室必须遵守相关的法规和标准,以确保不会对环境造成污染或对研究人员的健康产生危害。
- 提供必要的防护设备和安全培训,确保实验室成员能够正确使用相关设备和材料,并知晓应急处理措施。
- 实验室中应有明确的安全操作规程和实验室管理制度,并建立相应的安全监测和报告机制。
3. 数据管理和信息技术支持:- 实验室应设立合适的数据管理系统,保证研究数据的安全存储、备份和分享,并确保数据的完整性和可追溯性。
- 提供必要的信息技术支持,包括现代化的实验室管理软件和数据分析工具,以提高科研工作效率和数据处理能力。
4. 持续更新和改进:- 实验室建设应具备持续更新和改进的机制,以适应科技的快速发展和新的研究需求。
- 定期进行设备维护和保养,并有规范的设备购置和更换计划,以确保实验室设备的正常运行和功能完整。
总之,科研实验室建设的技术指标和要求是为了提高科学研究的质量和效率,确保实验室的安全和可持续发展。
这些指标和要求的实施需要科研机构、管理者和科研人员的共同努力和合作。
在P2实验室设计上,要遵守的规范主要体现在3方面,即:技术指标的确定、建筑结构与设计要求、空调通风和净化。
1.技术指标的确定:目前的通用标准为《生物安全实验室建筑技术规范》,其中关于“实验室设计”方面的内容为“洁净度无要求、最小换气次数为可开窗通风、与室外方向相邻相通房间的压差无要求、温度为18-27℃、相对湿度为30-70%、噪声≤60dB(A)、最低照度为300lx”。
2.建筑结构与设计要求:P2实验室的房门必须具备自动关闭功能,并设置缓冲区域。
为了确保室内的温湿度指标,必须设置相关通风系统。
此外,还要具备预防昆虫、鼠等昆虫与动物进入和外逃的措施。
3.空调通风和净化:P2实验室必须设置循环风空调系统,若涉及动物、感染性物质、化学溶媒,还必须设置全排风系统。
实验室仪器设备的位置要有利于气流由“清洁”空间向“污染”空间流动,从而减少室内回流与漏流。
BLS-2 实验室主要用于初级卫生服务、诊断和研究,其实验对象的危害等级为Ⅱ级(中等个体危害,有限群体危害),具体定义为“能引起人类或动物发病,但一般情况下对健康工作者、群体、家畜或环境不会引起严重危害的病源体。
实验室感染不导致严重疾病,具备有效治疗和预防措施,并且传播风险有限”。
据此,待颁布的国标《生物安全实验室建筑技术规范》对BLS-2实验室规定了以下技术指标(静态):1、洁净度:无要求2、Z小换气次数:可开窗通风3、与室外方向相邻相通房间的压差:无要求4、温度℃:18~275、相对湿度%:30~706、噪声dB(A):≤607、Z低照度lx:300上述指标是建立BLS-2实验室的Z低要求,建设者可根据实际需要适当提高相应指标,如洁净度、压差等。
二、建筑、结构和装修要求现在BLS-2实验室大多数是在原有建筑物内进行改建,不同于新建的BLS-2实验室(国标中,要求新建BLS-2实验室宜离开公共场所一段距离),在与相邻其他房间之间,存在着一个相对隔离问题。
P2实验室二级生物安全实验室主要技术指标的确定BLS-2 实验室主要用于初级卫生服务、诊断和研究,其实验对象的危害等级为Ⅱ级(中等个体危害,有限群体危害),具体定义为“能引起人类或动物发病,但一般情况下对健康工作者、群体、家畜或环境不会引起严重危害的病源体。
实验室感染不导致严重疾病,具备有效治疗和预防措施,并且传播风险有限”。
据此,待颁布的国标《生物安全实验室建筑技术规范对 BLS-2实验室规定了以下技术指标(静态):1、洁净度:无要求2、最小换气次数:可开窗通风3、与室外方向相邻相通房间的压差:无要求4、温度℃:18~275、相对湿度%:30~706、噪声dB(A):≤607、最低照度lx:300上诉指标是建立BLS-2实验室的最低要求,建设者可根据实际需要适当提高相应指标,如洁净度、压差等。
二.建筑、结构和装修要求现在BLS-2实验室大多数是在原有建筑物内进行改建,不同于新建的BLS-2实验实验室宜离开公共场所一段距离),在与相邻其他房间BLS-2室(国标中,要求新建之间,存在着一个相对隔离问题。
所以在原有建筑物中改建BLS-2实验室,应重点注意以下几个问题。
1、在共用建筑物中建BLS-2实验室,应设可自动关闭的带锁的门,必要时,可设立缓冲区域,如缓冲间等。
2 、如果没有机械通风系统,应有窗户进行自然通风,并应有防虫纱窗。
(一般情况下,应有机械通风系统,否则,温湿度指标难以保证)。
3、应有防昆虫、鼠等动物进入和外逃的措施。
三.空调、通风和净化为满足BLS-2 实验室温湿度要求,宜配备机械空调通风系统,有特殊要求的可增设设计要求,如增设净化要求并按净化要求进行送回(排)风系统设计等。
这方面,应重点处理好以下几个问题:1、可以采用带循环风的空调系统。
如果涉及化学溶媒,感染性材料操作和动物实验,则应采用全排风系统。
2、生物安全柜与排风系统连接I级排风比例100%,密闭连接。
II级 A型排风比例30%,可排到房间或设置局部排风罩。
P2实验室二级生物安全实验室主要技术指标的确定二级生物安全实验室(P2实验室)是指具备对生物安全性较高级别的生物材料进行操作和实验的实验室。
为了确保实验室的操作和实验符合安全要求,需要确定一系列的主要技术指标。
首先,P2实验室应具备严格的空气流向控制。
通过正压空气循环系统,确保实验室内的空气流动方向始终是从清洁区向污染区流动,防止污染物外漏和室内人员被感染。
其次,P2实验室应设有高效过滤装置。
高效过滤器(HEPA)可有效过滤和捕获空气中的微细粉尘、细菌、病毒等生物颗粒物。
实验室内的送风系统应配备HEPA过滤器,确保实验室内的空气质量符合要求。
此外,P2实验室应设置严密的防护屏障。
实验室内的工作区域应具备防护屏障,如生物安全柜或隔离房间。
这些防护设施能够阻挡污染物的外泄和传播,保护实验人员的安全。
另外,P2实验室还需要配备个人防护装备。
实验室内的工作人员应佩戴符合规定的个人防护装备,如实验服、手套、护目镜等,以保护自身免受生物材料的污染和伤害。
在设备和仪器方面,P2实验室需要配备符合要求的生物安全柜、紫外线消毒灯、高速离心机等设备。
这些设备能够提供必要的操作环境和条件,确保实验的安全性和准确性。
最后,P2实验室的操作人员需要接受专门的培训和教育,了解实验室的安全规定和操作流程,并掌握相应的操作技能。
实验室管理者应组织定期的培训和演练,提高实验人员的专业素养和应急能力。
总之,确定P2实验室的主要技术指标是确保实验室操作和实验的安全性和有效性的重要步骤。
通过严格控制空气流动、配备高效过滤装置、设置防护屏障、配备个人防护装备、进行严格的细菌和病毒处理以及配备符合要求的设备和仪器,可以有效保障P2实验室的生物安全。
同时,通过培训和教育,提高实验人员的技术水平和安全意识,是确保P2实验室的顺利运行的关键。
P2实验室是生物安全防护二级实验室,世界卫生组织(WHO)根据致病能力和传染的危险程度等,将传染性微生物划分为4类;根据设备和技术条件,将生物实验室也分为4级(一般称为P1、P2、P3、P4实验室),1级最低,4级最高.在现在各类实验室当中,P2实验室是使用最为广泛的生物安全等级实验室.2、实验室建设设计依据1。
<医药工业洁净厂房设计规范>(1997年)2.<洁净厂房设计规范>(1984)3。
〈采暖通风与空气调节设计规范>(GBJ19—87)4。
〈消毒管理办法>(卫生部1992)5.甲方提供的实验室平面布置图等有关技术资料和要求;P2实验室要求P2实验室主要用于初级卫生服务、诊断和研究,国标明确了相应要求,其实验对象的危害等级为Ⅱ级(中等个体危害,有限群体危害),适用于对人和环境有中等潜在危害的微生物。
具体定义为“能引起人类或动物发病,但一般情况下对健康工作者、群体、家畜或环境不会引起严重危害的病源体,代表病原体:流感病毒。
实验室感染不导致严重疾病,具备有效治疗和预防措施,并且传播风险有限”。
据此,待颁布的国标《生物安全实验室建筑技术规范》对BLS-2实验室规定了以下技术指标(静态):1、洁净度:万级—-十万级2、与室外方向相邻相通房间的压差:无要求3、温度℃:18~274、相对湿度%:30~705、噪声dB(A):≤606、最低照度lx:300备注:上诉指标是建立P2实验室的最低要求,建设者可根据实际需要适当提高相应指标,如洁净度、压差等。
P2实验室的系统组成部分1、实验室结构装修:实验室的吊顶及围护隔断均采用聚苯乙烯夹心彩钢板,厚度为50mm,钢板为宝钢0.5mm,(彩钢板优点是重量轻、机械强度高、防水及保温性能好);墙角处及墙与地面、墙与顶板之间夹角均采用铝合金圆弧阴阳过渡及密封,所有配套铝合金型材均采用电泳型材,以防止以后实验室长期使用消毒时导致铝材氧化。
生物安全实验室建筑技术规范目录1、总则2、术语3、生物安全实验室组成、分级和技术指标4、建筑、结构和装修4.1建筑平面4.2结构要求4.3建筑装饰5、空调、通风与空气净化5.1系统设置5.2送风系统5.3排风系统5.4气流组织5.5空调净化系统的部件与材料6、给水排水与气体供应6.1给水6.2排水6.3气体供应7、电气和自动控制7.1配电7.2照明7.3自动控制7.4通讯8、安全消防要求8.1安全要求8.2消防要求9、施工要求9.1一般要求9.2建筑装修9.3空调净化9.4生物安全柜的安装10、验收和检测10.1工程验收10.2工程检测和综合性能评价10.3 生物安全柜的现场检测附录1 生物安全实验室检测表格附录2 生物安全柜现场检测表格本规范用词说明1 总则1.0.1为使生物安全实验室在设计、施工和验收方面满足生物安全防护实验室的通用安全标准,切实遵循物理隔离的建筑技术原则,制定本规范。
1.0.2本规范适用于微生物学、生物医学、动物实验、基因重组以及生物制品等使用的新建、改建、扩建的生物安全实验室。
1.0.3 生物安全实验室的建设应以生物安全为核心,确保实验人员的安全和实验室周围环境的安全,同时保护试验对象不被污染。
在建筑上应以实用、经济为原则。
1.0.4 生物安全实验室所用设备和材料必须有合格证、检验单位的检验报告,并在有效期之内。
属于新开发的产品、工艺,应有鉴定证书或试验证明材料。
1.0.5生物安全实验室的设计、施工、检测中采用的技术文件、合同文件对工程质量的要求不得低于本规范的规定。
1.0.6生物安全实验室的建设除应执行本规范外,尚应符合国家有关强制性标准、规范的规定以及其他有关标准、规范的要求。
2 术语2.0.1一级屏障primary barrier也称一级隔离,是操作对象和操作者之间的隔离。
通过生物安全柜、正压防护服等防护设施来实现。
2.0.2二级屏障secondary barrier也称二级隔离,是生物安全实验室和外部环境的隔离。
实验室规划设计精选()微生物实验室准备室、灭菌室、无菌室、恒温培养室和普通实验室五部分组成。
此设计方案结合了微生物实验室规划设计与空调净化设计。
一、设计技术指标:A、技术指标说明:实验区空气调节系统由制冷量____KW的组合式空调机组。
洁净度(万级)≥0.5um≤350000粒/m3微生物浮游菌万级≤100/m3沉降菌万级≤3个/皿照明:实验台300LX,其它生产区域为150LX。
室内相邻房间相对静压差≥5pa,相对室外静压≥10pa。
室内温度18-26°C,室内相对湿度为45-60%。
室内噪音≤60db(A)。
电源:AC220V/380V-50HZB、排风口装有高效过滤器,送风口装有高效过滤静压箱,以实现进气洁净,另外更换高效过滤器比较方便。
C、一般室内送排风采用上送下排方式,室内排风口应设在室内被污染风险最高的区域,单侧布置,不得有障碍。
D、回风口以余压阀自动调节室内压力,保持正压洁净状态。
二、设计说明:实验室设计基本思路为经济、实用。
净化要求级别为万级。
实验室设计有一更、二更、风淋和缓冲等实验前的准备工作。
采用人流、物流分开原则,以减少实验污染,保证安全。
A、本布置紧凑、合理,满足了实验室操作和空气洁净度等级要求,同时力求科学性与经济性的原则,考虑实验室要求和发展及运行费用最优。
B、洁净室入口处设置风淋室,能有效清除人体所带灰尘,减少洁净室的灰尘量,同时风淋室也起到了气闸的作用,防止不洁净空气由门进入洁净区。
C、洁净室需向室内供给一定比例的新鲜空气,净化过滤后进入各实验室以补偿排风,保证正压及工作人员需要。
D、风量回风次数采用风量调节阀对不同要求洁净级别的区域进行控制,以及压强梯度的调节,保证气流同“清洁”区域流向“污染”区域,洁净室不同级别之间压差为≥5pa,洁净室与室外压差为≥10pa。
E、洁净室设紫处灯杀菌装置。
F、传递窗为全不锈钢材质,机械联锁控制,内带灭菌装置。
G、观察窗为密闭洁净窗,门为气密洁净门。
江苏省高级中学理科实验室装备标准一、理科实验室建设(一)实验室、场地设置要求(二)实验室数量要求(包括数字化实验室、生物技术实验室、组织培养室等)说明:1.8轨以下学校参照8轨,9轨~12轨学校参照12轨,13轨~16轨学校参照16轨,17轨~20轨学校参照20轨,20轨以上学校根据学校情况适当增加。
2.新建实验楼及整体搬迁的学校在实验室规划上应充分考虑班级数,根据发展的需要和适应课程改革对探究性实验的要求,适当增加实验室个数,并留有一定余地。
3.理、化、生合建一个数字化实验室,有条件的学校可建物理和生化二个数字化实验室。
4.理科实验室应提高学科之间的通用性,并已在数量设置上作适当减少。
考虑到文理分科的特殊性,文科学生多的学校可减少理科实验室,增配文科实验室(见历史地理实验室标准)。
5.如选中选择性模块,则该模块内的内容为必配。
(三)实验室通用要求1.实验室的使用面积:90~110㎡/间,生均不小于1.80㎡。
数字化实验室使用面积建议在120㎡以上。
(注:老式建筑的实验室面积不宜小于86㎡)2.位置:实验室(楼)应保证最佳建筑朝向,室内避免直射阳光,主要采光面应位于学生座位的左侧。
实验室(楼)要建造在地面较高处(或垫高地平)。
建议实验楼为独立建筑,有消防通道,与教学区和生活区分离。
3.照明:采用自然光及辅助照明。
教师演示台面及学生实验桌面的平均照度不应低于300 Lx,书写黑板宜设局部照明,其垂直照度的平均值不应低于200 Lx,黑板面上的照度均匀度不应低于0.7 。
实验桌面无阳光直射,室内无可见眩光,灯具悬挂高度距实验桌面不应低于1700mm,宜安装窗帘。
4.通风条件:采用自然通风及排气扇强制排风o5.噪声控制:室内环境噪声应低于60分贝。
6.温度:室内温度以不高于30℃为宜,室温过高宜采用器械降温。
7.供水:至少设计一处水源。
供水指标:供水水压不低于2×105P a。
冬季室温低于0℃地区的管道应有防冻措施。
生物安全一级、二级实验室的设施要求一、生物安全一级实验室基本要求生物安全一级实验室所在建筑物的选址及与其他建筑物的间距均没有特殊要求。
但在建筑设施方面,具有下列几方面的要求和规定。
1.实验室的门要求有可视窗并可锁闭,门锁及门的开启方向应不妨碍室内人员逃生。
2.应设置洗手装置,水龙头开关宜为非手动式,建议设置在靠近实验室的出口处。
3.在实验室入口处应有存放和挂工作服的场所和装置,应将个人服装与实验室工作服分开放置。
4.实验室的墙壁、天花板和地面应易清洁、不渗水、耐化学品和消毒灭菌剂的腐蚀。
地面应平整、防滑,不应铺设地毯。
5.实验室应有足够的空间和台柜等摆放实验室设备和实验用品。
6.实验室台柜等和其摆放应便于清洁,实验台面应防水、耐腐蚀、耐热和坚固。
7.实验室台柜和座椅等应稳固,边角应圆滑,防止对人体产生伤害。
8.应根据工作性质和流程要求合理摆放实验室设备、台柜、物品等,避免相互干扰、交叉污染,并应不妨碍逃生和急救。
如生物安全柜应尽量避免摆放在实验室入口处、空调送风口下方及人员活动频繁的位置。
9.实验室可以利用自然通风。
如果采用机械通风,应避免交叉污染。
10.如果实验室采用自然通风,如有可开启的窗户,则应安装可防蚊虫的纱窗,以防止蚊虫进入实验室。
11.实验室内应避免不必要的反光和强光及阳光直射,以免对实验人员操作产生影响。
12.若需要操作有刺激或腐蚀性物质,应在30m 内设洗眼装置,如果需要应设紧急喷淋装置。
13.若需要操作有毒、刺激性、放射性等挥发物质,应在风险评估的基础上,配备适当的通风及安全防护设备。
14.若使用高毒性、放射性等物质,应配备相应的安全设施、设备和个体防护装备,同时应符合国家、地方的相关规定和要求。
15.若使用高压气体和可燃气体,应采取相应的安全措施,并符合国家、地方的相关规定和要求。
16.实验室应设应急照明装置,同时考虑合适的安装位置,以保证发生断电时,人员能安全离开实验室。
17.应有足够和稳定的电力供应,并确保用电安全。
生物实验室布置(一)引言概述:生物实验室的布置是确保实验室能够有效、安全地开展实验工作的重要环节。
本文将从实验室的工作流程、实验器材及设备的安排、实验室材料及储藏的管理、实验室环境的控制以及实验室安全措施等五个大点进行详细论述,以帮助实验室管理员或研究人员合理布置生物实验室。
一、实验室的工作流程1.确定实验室的主要工作流程2.分析实验室工作的特点与需求3.设计实验室的不同功能区域4.合理划分实验室的工作空间5.优化实验室工作流程,提高实验效率二、实验器材及设备的安排1.选择适当的实验器材与设备2.合理摆放实验器材与设备,确保易取易放3.根据实验需求进行实验器材与设备的分区4.建立器材与设备的使用与维护标准5.定期检查与维护实验器材与设备的安全功能三、实验室材料及储藏管理1.建立实验室材料的分类与编码系统2.进行实验材料的清点与登记3.确定实验材料的储存位置与方式4.建立实验材料的领取与归还制度5.定期检查与清理过期或损坏的实验材料四、实验室环境的控制1.确定实验室所需的光线与温度2.合理布置实验室的电源与插座3.建立实验室的通风与空气净化系统4.选择适当的工作台面材料5.确保实验室的安静与无干扰工作环境五、实验室安全措施1.制定实验室安全手册与操作规范2.提供个人防护装备与设备3.建立实验材料与废弃物处理制度4.落实实验室的消防安全措施5.定期进行实验室安全检查与培训总结:通过对生物实验室布置的规划与实施,可以提高实验室工作流程的顺畅性和高效性,确保实验器材与设备的安全使用与维护,实验材料的合理管理与储存,实验环境的良好控制,以及实验室安全的有效保障。
合理布置生物实验室将能够提高实验工作的质量,促进科研工作的顺利开展。
生物安全实验室建筑技术规范1 总则1.0.1 为使生物安全实验室在设计、施工和验收方面满足生物安全防护实验室的通用安全标准,切实遵循物理隔离的建筑技术原则,制定本规范。
1.0.2 本规范适用于微生物学、生物医学、动物实验、基因重组以及生物制品等使用的新建、改建、扩建的生物安全实验室。
1.0.3 生物安全实验室的建设应以生物安全为核心,确保实验职员的安全和实验室四周环境的安全,同时保护试验对象不被污染。
在建筑上应以实用、经济为原则。
1.0.4 生物安全实验室所用设备和材料必须有合格证、检验单位的检验报告,并在有效期之内。
属于新开发的产品、工艺,应有鉴定证书或试验证实材料。
1.0.5 生物安全实验室的设计、施工、检测中采用的技术文件、合同文件对工程质量的要求不得低于本规范的规定。
1.0.6 生物安全实验室的建设除应执行本规范外,尚应符合国家有关强制性标准、规范的规定以及其他有关标准、规范的要求。
2 术语2.0.1一级屏障primary barrier也称一级隔离,是操纵对象和操纵者之间的隔离。
通过生物安全柜、正压防护服等防护设施来实现。
2.0.2二级屏障 secondary barrier也称二级隔离,是生物安全实验室和外部环境的隔离。
通过建筑技术(如气密的建筑结构、平面布局,透风空调和空气净化系统、污染空气及污染物的过滤除菌和消毒灭菌直至无害排放)达到防止有害生物微粒从实验室散逸到外部环境的目的。
2.0.3气溶胶 aerosol悬浮于气体介质中的粒径一般为0.001~100μm的固态、液态微粒所形成的胶溶态分散体系。
2.0.4生物安全柜biosafety cabinet防止操纵处理过程中含有危险性,或未知性生物微粒气溶胶散逸的箱形空气净化负压安全装置。
通常分为Ⅰ级、Ⅱ级和Ⅲ级。
2.0.5生物安全实验室 biosafety laboratory具有一级隔离设施的、可实现二级隔离的生物实验室。
2.0.6主实验室 main room生物安全柜或动物隔离器所在的实验室,或穿正压防护服工作的实验室。
移动生物实验室的组成和技术指标要求移动PCR检测车的功能定位,主要用于地震、洪水、火灾、干旱、冰雪等重大自然灾害发生后,灾区现场临床、环境、动物、媒介生物、饮用水、食品等样本的病原学和卫生学指标检测;也可用于类似奥运会、亚运会、世博会、花博会、国庆等大型集会现场生物安全方面的侦检;用于重大突发公共卫生事件、事故,涉及生物因子的现场侦检。
平时用于自然疫源性疾病等病原检测需要。
具有较强的机动性和环境适应性,能为上述工作提供机动、安全、标准的微生物检验技术平台。
1 移动生物实验室的组成1.1移动微生物检测车主要由底盘、裙边箱、厢体、净化空调系统(送风、排风)、电气系统、控制系统和实验台等组成。
1.2※车辆须为工业和信息化部《车辆生产企业及产品公告目录》内的车辆产品,供应商需在投标文件中提供汽车公告证明(公告型号需与投标产品型号一致)及与投标产品型号一致的整车合格证复印件。
汽车公告技术参数满足招标文件技术参数要求。
1.2实验室内最低点净高度≥2000mm1.3实验室门需为互锁门,且具有紧急手动解除互锁开关。
1.4实验室入口处喷涂国际通用生物学危险符号。
同时明确负责人姓名、紧急联络方式等。
生物危险符号的颜色为黑色,背景为黄色。
安全操作部位有警示标记。
1.5实验室分析区通风模式需为负压通风,且负压通风式空调系统的新风口、排风口需具有防风、防雨、防鼠、防虫设计,空气流通需符合定向气流原则。
1.7实验室的排风应与送风连锁,排风先于送风开启,后于送风关闭。
1.8实验室入口显著位置需安装显示房间负压状况的压力显示装置。
1.9实验室应有机制保持压力及压力梯度的稳定性,出现异常情况可报警。
2 移动生物实验室技术指标要求2.1实验室采用新风+循环风系统,整体达到国家生物安全实验室二级实验室标准。
实验室设置排风系统,排风经消毒过滤后排出。
2.2通道2.2.1 PCR实验室人流通道:室外→缓冲走廊→缓冲区→试剂准备区/扩增区2.2.2 PCR实验室物流通道:样本→传递窗→扩增分析区→生物安全柜。
试剂→传递窗→扩增分析区→生物安全柜。
实验废水:集水桶→杀菌药→室外。
2.3房间压力梯度2.3.1 整个PCR实验室区域的室内压差等级从低到高依次是:P2 -B生物安全柜< PCR实验室 < 缓冲 < 室外。
2.3.2 PCR负压控制:试剂区正压,设置送回风。
扩增分析区为全新风。
送风管为定风量、回风为定风量、排风为变风量控制,保证压力梯度的稳定。
2.3.3 自控设计中要保证完善的负压控制系统,送排风机必须考虑启动和停车的连锁。
设置失压、失电、非法入侵、消防报警等系统2.3.4 通风管道采用304不锈钢材质,30MM橡塑保温。
2.3.5通风阀、风量阀采用不锈钢材质。
2.3.6 排风机叶轮采用不锈钢材质。
2.3.7 各房间压力梯度要求如下2.3.8※投标人须在投标文件中提供:第三方出具的环境检测报告,符合《生物安全实验室建筑设计规范》GB50346-2011。
2.4净化、消毒和灭菌:2.4.1 PCR实验室采用净化空调机组,三级过滤,设置初、中、高三级高效过滤器,正压区采用新风+循环风系统净化室内空气,负压区采用全新风+排风压力控制。
2.4.2 试剂区空气洁净级别为万级,扩增区空气净化洁净度等级为十万级,空调机箱内使用紫外灯消毒灭菌。
2.5送回风系统PCR实验室试剂区内送风采用实验室顶送、房间下侧角回风。
设置初、中、高效三级过滤,送风安装密闭阀。
2.6 送风机组2.6.1风量≥2000M3/H2.6.2静风压≥880pa2.6.3电压:220v2.6.4功率:0.55KW2.6.5送风风机叶轮为304不锈钢材质。
送风、回风风管内安装:医用级微孔式消音器进行降噪。
2.7 排风系统2.7.1 排风系统与送风联锁,排风先于送风开启,后于送风关闭2.7.2 不锈钢排风机的机体及叶轮为#304不锈钢,2.7.3排风机设置平衡基座,采用减震弹簧、吊装支架、减震垫片等有效措施进行减震降噪。
2.7.4 生物安全柜与排风系统的连接方式为:通过管道、专用排风机箱密闭连接,排风系统与空调系统实现启停联动排风先于送风5s开启,后于送风5s关闭。
2.7.5 实验室排风与生物安全柜排风连锁2.7.6室外排风口与室内新风口分别位于车辆的前后两端,防止排除的气体回到新风口进入室内造成二次污染.※2.7.7 排风口安装原位消毒对排风系统进行消毒※排风管系统内安装医用级微孔式消音器进行降噪,安装IFD杀菌装置。
2.8气流组织要求2.8.1 实验室:采用顶送、下回,排风与生物安全柜联动,经高效过滤排出。
2.8.2 缓冲室:采用顶送、上回,排风机外排。
2.9实验室各房间净化指标要求:2.9.1试剂及样品制备区:万级2.9.2扩增及分析区:十万级2.9.3缓冲区:十万级3整车主要技术参数要求3.1 整车参数:3.1.1尺寸:总长≥11900mm总宽≥2450mm总高≥3850mm3.1.2 最高时速(km/h): ≥903.1.3 驾驶室承载人数(个):33.1.4 发动机功率:≥220KW3.1.5排放标准:国Ⅴ3.1.6 倒车影像及导航系统3.1.7 非承载式车身3.2 车辆结构要求3.2.1方舱结构,厢体总长≥9000mm3.2.2箱体改装要求预埋钢骨架,钢骨架实用钢板材质。
3.2.3 整车箱体可承受水路运输及具有长途行驶的承重能力。
3.3箱板材料要求※3.3.1 厢板材料具有防腐、防酸、防水、保温性能良好等特点,且必须为环保材料,供应需出具第三方检测报告证明厢板材料环保性。
3.3.2 厢板厚度:侧围厚度≥46mm、顶部厚≥70mm。
3.3.3 整车箱体具有较强的保温隔热性能,可适应我国严寒地区、寒冷地区、夏热冬冷地区、夏热冬暖地区和温和地区五个典型地区。
整车必须配备辅助供热系统,保证车辆在寒冷环境下正常工作。
3.4密封性能车辆出厂前进行360度高强度淋雨实验,淋雨强度8-10mm/min 1小时舱体内部无渗漏※整车在淋雨强度顶部≥8mm/min,侧面6mm/min的条件下,经30min淋雨后检查,各受雨部位均未出现渗漏现象,车辆操作正常、所有零部件功能正常。
符合GJB150.8A-2009检测标准(国军标),须提供检测报告证明文件。
为确保检测结果可靠性,第三方检测公司需具有CNAS认证证书。
3.5车顶设备安全保障3.5.1 车顶四周安装不锈钢车顶围栏,保护设备不受损坏。
3.5.2 折叠攀爬梯,便于登顶进行维修、保养、清洁。
3.6外部照明LED室外强光照明,照明范围≧10米3.7下挂箱※厢体双侧下为下挂箱,下挂箱必须为分体式设计(下挂箱与厢体独立区分,便于维修、保养),箱内可安装一部分设备和放置杂物用。
供应商需提供图片证明文件3.7.1 下挂箱数量≧6个;尾箱23.7.2下挂箱离地间隙(mm)≧4503.8通讯、对讲、监控系统3.8.1 驾驶室安装车辆导航、后视、行车记录仪。
3.8.2 实验室为密闭环境,各实验室通过视频、音频显示系统实现沟通。
3.8.3 车辆外部安装摄像头4个,确保车辆停车作业时监控周围环境。
3.9 车门及车窗3.9.1 车门:分为实验室外部门、实验室内部流通门及设备舱门。
3.9.1.1 实验室外部门:需设置门禁装置及液压缓冲闭门紧门装置。
3.9.1.2 实验室内部流通门:实验室专用净化门,一体化门扇和门框,可自动关闭,采用机械压紧装置密闭缝隙。
五金配件:执手锁、铰链、自动升降扫地条。
3.9.2 车窗:实验室专用双层密闭透光窗。
※3.10 上车梯:自动化程度高的电动多级踏步梯。
4.电气部分实验室必须保证用电的可靠性,车辆采用外接市电供电。
4.1液压支撑系统(四缸)4.1.1液压支撑系统(四缸)单缸承重(kg)≥8000kg ,整车配备2.2KW的液压泵站,停车作业时,位于整车四角的支腿缸伸出,对实验室起支撑稳定的作用。
4.1.2支腿缸在回收到位后,位于液压站控制盒中的指示灯亮,说明支腿缸已回收到位,同时液压泵站备有手动应急装置,在支腿缸无法收回时,可通过手动应急泵杆,实现支腿缸收放。
4.2电动卷盘含电缆:4.2.1 50m×10mm²4.2.2 电动收放4.3电源稳压器:功率≥10KVA4.4 充电、逆变一体机:4.4.1 逆变功率≥3KVA4.4.2 具有UPS功能。
4.5 免维护电瓶:4.5.1 数量:2个4.5.2电池容量≥100Ah4.5.3 电压24V4.6智能配电系统:各控制开关独立保险,保证车载精密设备在高用电安全环境下使用4.7给排水系统4.7.1 水路系统1套4.7.2 清水箱≥25L×1个4.7.3 污水箱≥25L×1个防酸、防腐4.7.4 不锈钢水池×1个4.7.5 三角头+洗眼器×1套4.8空调4.8.1制冷量:10KW4.8.2电辅制热量:9KW4.9供暖系统提供整车供暖,保证在北方冬季寒冷的环境下,实验室内部温度≥20℃4.9.1 水暖加热4.9.2 电压:DC24V4.9.3 燃料类型:柴油4.9.4 加热功率≥15KW4.10室内净化照明4.10.1吸顶式密闭洁净灯,具有防水功能,室内无强烈反光。
4.10.2 LED净化光源 600×300 38W4.11电源插口:4.11.1防腐型五口插座,并设有漏电保护装置。
4.11.2数量≥30个4.12机房控制系统4.12.1空调、净化机组、送风机组等系统一键式操作,智能化程度高4.12.2自控系统要求4.12.2.1自控系统必须保证各个区域的压差要求。
送风和排风系统必须可靠连锁,保证压力梯度的稳定。
4.12.2.2应设排风系统正常运转的标志,当排风系统运转不正常时应能报警4.12.2.3自控系统具有压力梯度控制和显示标志。
当负压梯度超过设定值时,应有报警功能。
4.13 实验室防腐防酸要求4.13.1实验室立板及顶板采用外表面为防酸碱材质,阴角阳角过度处采用防腐蚀材料并且采用防腐蚀密封胶。
4.13.2墙面、顶棚材料需易于清洁消毒、耐腐蚀、不起尘、不开裂,表面涂层具有抗静电的能力。
4.13.3消声器或消声部件的材料需耐腐蚀、不产尘和不易附着灰尘,其填充材料不应使用玻璃纤维及其制品。
4.13.4高效过滤器应耐消毒气体的侵蚀。
4.13.5所有通风管道采用#304不锈钢材质,链接方式为焊接或插接,所用管道需要不低于20.mm橡塑板保温,内部回风或排风竖井采用玻璃钢材质,内部安装所有风口采用#304不锈钢材质。
5、给水5.1给水管路采用不锈钢管、铜管或无毒塑料管,管道采用焊接或快速接口连接。
6、排水6.1 排水管采用不锈钢或聚丙烯管材、管件,管件应满足强度、温度、耐腐蚀等性能要求。