艾默生开关电源用户手册31010887
- 格式:doc
- 大小:3.15 MB
- 文档页数:84
1维护牵手行 共织动力网中国移动通信山东分公司艾默生开关电源维护速成宝典艾默生公司济南客户服务中心二零零五年九月2序 言中国移动通信责任有限公司山东分公司是艾默生网络能源有限公司极其重要客户和伙伴。
目前,山东移动网上运行的艾默生智能开关电源(包括前华为开关电源)共2800余套,其中,电源大部分型号集中分布如下:八期建设的由NP9801监控单元构成的PS48300-2/50,PS48450-2/50系统;九期建设的由PSM-A 构成的PS48400-2/50,PS48600-2/50系统;十期建设的PS48400-2B/50系统;十一期建设的的PS48400-2C/50系统;同时十二期正在建设中的基站电源也集中在由M500F 监控单元所组成的PS48400-3/2900和PS48600-3/2900系统。
此外,在早期基站中,还有部分由PSM-15组成的PS48100/25,PS48300/25,PS48120/20,PS48240/20系统。
以上型号的电源占到了目前总量的90%以上。
为了进一步加强山东省移动公司基层的维护技术力量,帮助贵公司提升网络质量,打造GSM 精品网络,共同提高移动公司市场竞争力,艾默生济南客户服务中心特组织精兵强将,以移动公司相对集中设备型号,编写了该维护手册。
本手册不仅包含了日常维护中80%以上的设备运行问题,同时,还介绍了电源日常保养、巡检和电源安装工程的内容和规范。
我们期待此手册能达到我们预期的目的,希望我们的服务能为贵公司在严峻的竞争中尽绵薄之力。
由于笔者水平有限,也恳请贵公司领导和同行们多指教!31`第一篇:由NP9801构成系统日常维护指南(PS48300-2/50,PS48450-2/50)...................................................................................................................................... 1问一:由NP9801监控单元组成系统的结构与配置情况? ............................................... 1 问二:如果机房无三相电或有缺相时,电源的交流引入线如何连接? ......................... 1 问三:整流模块前面板拨码开关是什么含义,如何设置? ............................................. 2 问四:模块地址如何设置? ................................................................................................. 2 问五:在更换该系统的整流模块时,有何注意事项,正确步骤? ................................. 2 问六:有时在开启模块输入空开后,模块打火或者后面开始冒烟?何故?如何处理? ................................................................................................................................................ 3 问七:当系统中其中一个模块无输出电流时,如何判断其好坏? ................................. 3 问八:模块间是否均流的判断标准是什么?当整流模块不均流时,如何调节? ......... 3 问九:为什么有时拆除一台整流模块,其他整流模块同时出现通信中断故障? ......... 4 问十:系统中单个模块通信中断,通常由那些因素造成,如何处理? ......................... 4 问十一:监控单元密码是多少?分别有什么用? ............................................................. 4 问十二:对于NP9801监控单元组成的系统,如何正确进行系统配置? ....................... 4 问十三:监控单元有集中复位方式? ................................................................................. 5 问十四:监控模块内需要设置的电池参数有哪些? ......................................................... 5 问十五:对于电池组数的设置,如果系统只有一组电池应该如何连接,监控模块如何设置?......................................................................................................................................... 5 问十六:忘记用户级密码如何处理? ................................................................................. 5 问十七:防雷器部分如何维护? ......................................................................................... 5 附录:NP9801监控单元内目录结构如下: ........................................................................ 6 第二篇:由PSM-A 构成系统维护指南(含PS48400-2/50,PS48600-2/50) ... 7问一:使用PSM-A 监控单元的型号有哪些? ..................................................................... 7 问二:交流接触器不吸合? ................................................................................................. 7 问三:交流接触器频繁跳动(吸合后随即断开)? ......................................................... 7 问四:交流防雷器故障告警? ............................................................................................. 7 问五:交直流通信异常? ..................................................................................................... 7 问六:交流电压正常,模块工作正常,但是负载不能够工作? ..................................... 8 问七:监控单元显示直流电流或电池电流与模块输出显示电流偏差很大? ................. 8 问八:负载熔丝断误告警? ................................................................................................. 8 问九:模块通信中断故障如何判断?如何处理? ............................................................. 8 问十:模块有输出电压,但没有输出电流? ..................................................................... 9 问十一:监控单元没有显示? ............................................................................................. 9 问十二:更换监控单元需要设置的数据? ......................................................................... 9 第三篇:PS48400-2B/50,PS48400-2C/50电源系统维护指南......................... 11问一:通常艾默生开关电源都由哪几部分组成? ......................................................... 11 问二:PS48400-2B/50系统交流配电部分由哪些部件组成? ...................................... 11 问三:移动十一期基站使用的PS48400-2C/50系统与十期基站的PS48400-2B/50系统有2何区别?在维护的时候有什么区别? ............................................................................. 11 问四:有哪些常见的交、直流保护参数?参照值为多大? ......................................... 11 问五:PS48400-2B/50系统的工作原理? ...................................................................... 12 问六:直流配电的基本特点? ......................................................................................... 12 问七:如果交流接触器不吸和,如何判断交流接触器的好坏?如何采取应急措施? . 13问八:常见的模块故障有哪些,可能原因分析。
PMBZ智能高频开关壁挂式直流电源系统技术说明书河南铭诺电气设备有限公司Henan Mingnuo Electric Equipment Co.,Ltd安全注意事项在开始操作之前,请仔细阅读操作指示、注意事项,以减少意外的发生。
产品及产品手册中的“小心、注意、警告、危险”事项,并不代表所应遵守的所有安全事项,只作为各种操作安全注意事项的补充。
因此,负责艾默生网络能源有限公司产品安装、操作的人员必须经严格培训,掌握系统正确的操作方法及各种安全注意事项后方可进行设备的各项操作。
在进行本公司产品、设备的各项操作时,必须遵守相关行业的安全规范,严格遵守由艾默生网络能源有限公司提供的相关设备注意事项和特殊安全指示。
电气安全高压危险当心触电交流电源设备的安装,必须遵守相关行业的安全规范,进行交流设备安装的人员,必须具有高压、交流电等作业资格。
操作时严禁在手腕上佩带手表、手链、手镯、戒指等易导电物体。
发现机柜有水或潮湿时,请立刻关闭电源。
在潮湿的环境下操作时,应严格防止水分进入设备。
安装过程中不能容许操作的开关和按扭上,必须挂上禁止标识牌。
危险工具警告雷雨危险在雷雨天气下,大气中会产生强电磁场。
因此,为避免雷击损坏设备,要及时做好设备的良好接地。
静电注意短路危险在进行直流带电作业时必须严格检查线缆和接口端子的极性。
直流配电操作空间紧凑,任何操作之前要注意选好操作空间。
操作时严禁在手腕上佩带手表、手链、手镯、戒指等易导电物体。
操作必须使用绝缘工具。
电池危险电池的不规范操作会造成危险。
操作中必须严格注意、小心防范电池短路或电解液溢出、流失。
电解液的溢出会对设备构成潜在性的威胁,会腐蚀金属物体及电路板,造成设备损坏及电路板短路。
电池安装、操作前,为确保安全,应注意如下事项:摘下手腕上的手表、手链、手镯、戒指等含有金属的物体。
使用专用绝缘工具。
使用眼睛保护装置,并做好预防措施。
使用橡胶手套,佩戴好预防电解液溢出的围裙。
GZDW微机型高频开关直流电源操作使用说明无锡市凯杰电器有限公司编制第一部分、系统一、系统概述GZD(W)微机型高频直流电源,是专为电力系统设计的一种较为理想的直流电源系统。
其主要功用是为电力系统变电所的高低压开关设备提供必要的操作电源,为继电保护或微机保护装置提供工作电源以及作为事故照明、应急电源和他直流用电设备电源。
由于本直流电源系统采用了新型高频开关电源模块和微机监控单元,电源的质量和系统的工作可靠性有显著提高,并可实现蓄电池的充、放电智的智能化管理和在线检测、直流电源系统数据的适时监控、报警及远程控制,因此,它广泛的用于现代的无人职守变电所、发电厂,也同样适用于通信部门、计算机房、医院、宾馆以及高层建筑的供电领域,应用十分广泛。
二、系统构成GZD(W)微机型直流电源系统主要由高频开关电源模块、监控微机单元、蓄电池组及馈出线路等部分组成。
1、高频开关电源模块本公司高频开关电源模块统一采用艾默生高频开关电源模块,为本直流电源系统核心部件。
其功用如下:a、为蓄电池组提供均充、浮充电电流;b、为电站所有直流用电设备提供正常负荷电流。
2、蓄电池组蓄电池组在本系统中作为电能储备装置,在交流电源中断或高频充电模块不能正常工作时向负载提供电能。
情况如下:a、正常情况下蓄电池组处于受电工作状态,即接受高频开关电源模块提供的浮充或均充电电流,确保满容量;b、在事故或大功率冲击性用电负载工作时为用电设备提供电能。
3、微机监控单元a、监控蓄电池均、浮充电的智能化管理;b、监视直流电源系统并在系统出现异常时发出告警信息。
监视的模拟量如:合闸母线电压、蓄电池组电压/电流/、控制母线电压/电流等监视的开关量如:直流开关状态、熔断器状态、绝缘状态、模块状态等;c、和上位机通讯联系,实现遥信、遥测上传。
4、馈出线路将直流电源分配和输送到各用电负荷。
包括直流断路器和出线。
三、功能特点1、系统采用了高频开关电源模块并采用N+1模式运行,电压质量和系统可靠性大大提高2、系统采用了微机系统监控,实现了系统和蓄电池的智能化管理和远程通讯,可实现电站无人职守。
开关电源操作手册因部分开关电源(爱默生、中达、中兴、北京动力源、托普)参数设置不准确和监控单元显示数值与实际情况有偏移等问题,使基站蓄电池长期处于过充、欠充、过放等情况,导致后备电源不足当市电中断后,频繁发生因电源问题产生的大面积断站等严重事故。
因以上述技术隐患问题,我部门针对现网基站开关电源设备参数设置按基站重要层次分为三种:传输节点(3个以上)、VIP、普通站。
参数设置如下:一、基本要求:1、蓄电池均/浮充电压请按现场蓄电池端电压采样为准。
2、蓄电池容量根据现场实际蓄电池容量设置。
3、根据交流供电环境决定周期均充时间设置,正常交流供电环境设置3个月或100天一次;市电停电频繁的基站均充设置40-60天一次。
二、具体要求:传输节点站:均充 28.2V浮充26.8V155/622传输备:一次下电:23V2.5G:一次下电:23.5V二次下电:21.6VVIP基站:均充 28.2V浮充26.8V155/622传输备:一次下电:23V2.5G:一次下电:23.5V二次下电:21.6V普通基站:均充 28.2V浮充26.8V一次下电:23V二次下电:21.6V注:普通站一二次下电请根据实际蓄电池情况作相应调整三、操作手册针对现网使用开关电源(爱默生、中达、中兴、北京动力源、托普)以中达MCS_3000为例:本系统监控单元采用全智能化设计,内装微处理器,全数字化指示与调整,监控系统输入输出,整流模块状态、电池及环境温度、充放电控制与异常状况的告警与指示。
备有RS-232接口,具有遥讯、遥测、遥控功能,符合无人值守与集中监控的需要。
外接PC机采用中文窗口环境操作,可配合打印机提供系统文字信息,亦具有传呼机告警功能,能将主要告警通知用户,使用户随时获得系统最新信息。
监控单元与整流模块间以信号线联机。
它收集由整流模块传来的告警信号及电流值。
并可对整流模块下达停机、浮充/均充控制及浮充电压温度补偿的电压修正指令,下图为水平式监控单元外观图。
PS48400-2C/50智能高频开关电源系统用户手册E1-20020314-C-1.0艾默生网络能源有限公司PS48400-2C/50智能高频开关电源系统用户手册资料版本E1-20020314-C-1.0BOM编码31010887艾默生网络能源有限公司为客户提供全方位的技术支持,客户可与就近的艾默生网络能源有限公司办事处或客户服务中心联系,也可直接与公司总部联系。
艾默生网络能源有限公司地址:深圳市龙岗区坂雪岗工业区华为基地电气厂房一楼、三楼邮编:518129公司网址:或E-mail:info@版权声明艾默生网络能源有限公司版权所有,保留一切权利。
在没有得到本公司书面许可时,任何单位和个人不得擅自摘抄、复制本书(软件等)的一部分或全部,不得以任何形式(包括资料和出版物)进行传播。
版权所有,侵权必究。
内容如有改动,恕不另行通知。
Copyright by Emerson Network Power Co.,Ltd.All rights reserved.The information in this document is subject to change without notice. No part of this document may in any form or by any means (electronic, mechanical, micro-copying, photocopying, recording or otherwise) be reproduced, stored in a retrieval system or transmitted without prior written permission from Emerson Network Power Co.,Ltd.内容介绍本手册介绍了PS48400-2C/50智能高频开关电源系统的组成、安装、调测、日常使用维护及故障的应急处理。
艾默⽣开关电源维护操作⼿册(精简版)艾默⽣开关电源维护⼿册⽬录第⼀章基本原理 3⼀、系统的⼯作原理 3⼆、产品型号说明 3三、负载下电和电池保护 4 第⼆章基本⾯板图形 5⼀、全省使⽤的艾默⽣开关电源型号清单 6⼆、⼏种常见的监控模块⾯板图形及说明 6三、⼏种常见的整流模块⾯板图形及说明7 第三章参数设置部份9⼀、开关电源常⽤参数设置9⼆、⼏种常⽤开关电源监控模块参数设置101、PS481000-2/100开关电源(PSM-A监控模块)102、PS48300-1A/30开关电源(PSM-A10监控模块)3136 3、Ps24600-75、PS48400-2C/50开关电源(PSM-A11监控模块)的菜单结构4、PS48600-3/2900开关电源(MF500监控模块)375、PSM-7监控模块(PS24480-40开关电源) 43 第四章维护制度格式流程56第⼀章基本原理1、系统的⼯作原理开关电源的系统⼯作原理如图1-1所⽰,所⽰市电380V/220V 经交流配电(或交流配电柜)分路进⼊整流模块,经各整流模块整流得到的-48V/24V 直流电通过汇接进⼊直流配电,分多路提供给通信设备使⽤;正常情况下,系统运⾏在并联浮充状态,即整流模块、负载、蓄电池并联⼯作,整流模块除了给通信设备供电外,还为蓄电池提供浮充电流;当市电断电时,整流模块停⽌⼯作,由蓄电池给通信设备供电,维持通信设备的正常⼯作;市电恢复后,整流模块重新给通信设备供电,并对蓄电池进⾏充电,补充消耗的电量。
图1-1⼆、产品型号说明(这⾥列举PS48600-3/2900-X1,PS481000-5/100、EPC4875/25户外电源柜三种型号) 系统型号说明:3 / 2900400A,600A 两种)PS 48 XXXPS 48 XXX - 3 / 2900-XX 整流模块额定功率(2900W )电源系统版本号输出额定电流(有400A,600输出额定电压(-48V )电源系统扩展版本号(X1,X2,X3,X4,X5)PS 48 1000 -5 / 100整流模块额定电流(100A )版本号输出额定电流(1000A )输出额定电压(-48V )EPC 48 75 / 25 AA:南⽅型 B:北⽅型25A整流模块额定电流75A额定电压48V户外电源柜(Emerson Power Cabinet)整流模块型号说明:版本号输出额定电流(100A)输出额定电压(-48V)监控模块型号说明:3*2U)三、负载下电和电池保护负载下电和电池过放电保护的⼯作过程如图1-3所⽰。
PS48300-2/30智能高频开关电源系统用户手册E1-20040412-C-1.0艾默生网络能源有限公司PS48300-2/30智能高频开关电源系统用户手册资料版本E1-20040412-C-1.0BOM编码艾默生网络能源有限公司为客户提供全方位的技术支持,用户可与就近的艾默生网络能源有限公司办事处或客户服务中心联系,也可直接与公司总部联系。
艾默生网络能源有限公司地址:深圳市南山区科技工业园科发路一号邮编:518057公司网址:客户服务热线:0E-mail:版权声明艾默生网络能源有限公司版权所有,保留一切权利。
在没有得到本公司书面许可时,任何单位和个人不得擅自摘抄、复制本书(软件等)的一部分或全部,不得以任何形式(包括资料和出版物)进行传播。
版权所有,侵权必究。
内容如有改动,恕不另行通知。
Copyright by Emerson Network Power Co., Ltd.All rights reserved.The information in this document is subject to change without notice. No part of this document may in any form or by any means (electronic, mechanical, micro-copying, photocopying, recording or otherwise) be reproduced, stored in a retrieval system or transmitted without prior written permission from Emerson Network Power Co., Ltd.出版说明内容介绍本手册介绍了PS48300-2/30智能高频开关电源系统的组成、安装、调测、日常使用维护及故障的应急处理。
读者对象本书适合下列人员阅读设备安装人员、设备维护人员安全注意事项在开始操作之前,请仔细阅读操作指示、注意事项,以减少意外的发生。
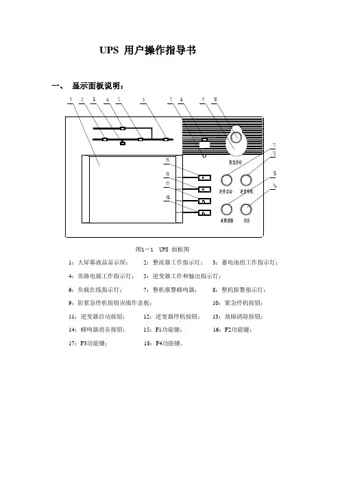
UPS 用户操作指导书一、显示面板说明:图1-1 UPS 面板图1:大屏幕液晶显示屏;2:整流器工作指示灯;3:蓄电池组工作指示灯;4:旁路电源工作指示灯;5:逆变器工作和输出指示灯;6:负载在线指示灯;7:整机报警蜂鸣器;8:整机报警指示灯;9:防紧急停机按钮误操作盖板;10:紧急停机按钮;11:逆变器启动按钮;12:逆变器停机按钮;13:故障清除按钮;14:蜂鸣器消音按钮;15:F1功能键;16:F2功能键;17:F3功能键;18:F4功能键。
二、LED指示说明:F1F2F3F4逆变启动逆变停机故障清除消音告警图2-1图2-1的LED显示区的6个发光二极管(LED)作为运行状态和故障的指示灯,绿色亮表示正常,红色亮表示故障。
【旁路灯】绿色亮表示旁路正供电;红色亮表示旁路输入超出保护范围;不亮表示旁路正常但不供电。
【整流灯】绿色亮表示整流器正供电;绿色闪表示市电正常,整流器尚未供电;红色亮表示整流器故障;不亮表示市电异常,无整流器故障。
【电池灯】绿色亮表示电池正供电;绿色闪表示电池放电终止预告警;红色亮表示电池异常(包括电池过温、电池需更换、电池接触器未闭合);不亮表示电池正常但不供电。
【逆变灯】绿色亮表示逆变器正供电;绿色闪表示逆变器工作但处于待供电状态;红色亮表示逆变器故障;不亮表示逆变器未开启,且无故障。
【负载灯】绿色亮表示本机正常输出;红色亮表示本机因过载关机;不亮表示无输出;橙色亮(实际是红绿同亮)表示本机处于过载输出供电中。
【告警灯】红色亮表示系统有告警发生;绿色亮表示无任何告警。
三、功能键说明:图2-1所示的功能键控制区包括五个按钮:【紧急关机键】紧急彻底关掉本机输出,并关掉整流模块、逆变模块、电池输入。
【逆变启动键】逆变器具备启动条件时,按此键可启动逆变器工作;否则此键按下无效。
【逆变停机键】当逆变器正在工作时,按此键可关闭逆变器。
【故障清除键】当系统故障或紧急关机导致UPS电源关闭后,如故障已经排除,按此键可重新启动系统工作。
常见开关电源参数设置手册目录一.艾默生开关电源系列 (1)1.1M500系列监控模块 (1)1.2PSM-A监控模块参数设置 (5)二.动力源开关电源参数设置 (12)2.1 DKD31监控模块参数设置 (12)2.2 DKD51型系统控制操作与参数设置 (18)三.中兴通讯开关电源参数设置 (23)3.1ZXDU68 开关电源CSU监控模块设置 (23)四.中达电通开关电源参数设置 (27)4.1MCR3000开关电源监控参数设置 (27)五.珠江开关电源参数设置 (34)5.1 CU2000H监控模块参数设置 (34)六.普天洲际开关电源参数设置 (36)6.1洲际DK04C监控模块参数 (36)一.艾默生开关电源系列1.1M500系列监控模块1.电池参数(基本参数)设置方法:2.下电保护参数设置方法:3.电池充电参数设置方法:4.电池参数(电池测试参数)设置方法:5.电池参数(温补参数)设置方法:6.系统参数设置方法:7.通信参数设置方法1.2PSM-A监控模块参数设置1.模块启动说明2.直流参数:设置3.系统管理:电池管理4.系统管理:控制5.系统管理:其它二.动力源开关电源参数设置2.1 DKD31监控模块参数设置DUM-48/50H系统人机界面由显示屏、指示灯和键盘三部分组成,显示屏为中文液晶显示,指示灯分红、绿色,键盘采用4键式,图7-1是DKD31显示屏、操作键示意图。
图7-1 DKD31显示屏、操作键示意图DKD31型控制器的4个操作键,在不同的菜单中它们的功能不同,操作键在菜单中功能如下:正面平视界面,4个操作键呈左右上下排位。
在界面显示屏菜单中有一组非黑色字体,以下简称“高亮字”,其余为黑体字,任何界面查询或参数设置均需将被查询或设置菜单调成“高亮字”,再按确认键才能翻开被查询页或进行参数调整与系统控制。
上键——上移键:页面含有“▲”符号内容菜单选择向上翻页;参数设置数字增加。
艾默生嵌入式电源安全操作及保养规程1.简介艾默生嵌入式电源是一款高品质的电源产品,广泛应用于工业、医疗、交通、通讯等领域。
本文档旨在向用户介绍艾默生嵌入式电源的安全操作及保养规程,以确保电源产品的正常运行与安全使用。
2.安全操作2.1 电源开关在使用艾默生嵌入式电源时,首先需要了解电源的开关操作。
在使用前,请确保电源处于关闭状态,避免电源短路等安全隐患。
在打开电源时,请按下电源的开关按钮,等待电源稳定后使用。
在关闭电源时,请先关闭外部设备,再按下电源开关按钮关闭电源。
2.2 接口连接在接口连接时,需要注意以下几点:•确保电源接口为匹配接口,不得使用不匹配的转接头等设备。
•在连接电源时,应先将插头插入外部设备,再将插头插入电源接口。
•在拔出电源时,应先按下电源开关按钮关闭电源,再先拔出电源插头,再拔出外部设备插头。
2.3 空载与满载在使用艾默生嵌入式电源时,需要了解其空载和满载状态。
空载状态下,电源输出电压由于没有负载影响,会略高于额定电压。
因此,在使用时应尽量保证电源为满载状态,以确保输出电压稳定。
在电源空载状态下使用时,请及时连接到外部设备,以避免影响电源使用寿命。
2.4 温度控制在使用艾默生嵌入式电源时,要注意电源的内部温度,当电源内部温度过高时,请及时停用电源,等待其恢复到正常温度后再使用。
2.5 充电和放电在电池充电和放电时,应严格按照说明书进行操作,避免电池损坏或冒烟等安全隐患。
在充电和放电过程中,注意电池温度,并避免过度放电或充电,以延长电池使用寿命。
3.保养规程3.1 定期清洁为确保艾默生嵌入式电源的正常运行,应定期对电源进行清洁,并避免电源积尘或污垢等影响正常使用。
在清洁电源时,应先关机并拔出电源插头,使用干净、柔软的棉布或刷子清洁电源外壳、电路板和插头等部件。
3.2 定期维护艾默生嵌入式电源应定期进行维护和检查,以确保电源各项性能正常。
在维护和检查时,应先关机并拔出电源插头,使用專业工具进行检查和维护。
爱默生TD3100电梯专用变频器用户手册一、前言尊敬的用户,欢迎您使用爱默生 TD3100 电梯专用变频器。
本手册旨在为您提供详细的操作指南和技术说明,帮助您更好地了解和使用该产品。
在使用之前,请您务必仔细阅读本手册,以确保正确、安全地安装和操作变频器。
二、产品概述爱默生 TD3100 电梯专用变频器是一款专门为电梯控制设计的高性能变频器。
它采用了先进的控制技术,能够实现精确的速度调节、平稳的启动和制动,以及高效的能量回馈,为电梯的运行提供可靠的动力支持。
该变频器具有以下特点:1、高性能的矢量控制算法,能够满足电梯在各种工况下的运行要求,提供卓越的调速性能和动态响应。
2、丰富的控制功能,包括速度控制、转矩控制、位置控制等,可适应不同类型的电梯系统。
3、强大的保护功能,如过流保护、过压保护、过热保护等,确保变频器和电梯的安全运行。
4、易于安装和调试,通过简洁的操作界面和智能化的参数设置,方便用户快速完成安装和调试工作。
三、技术规格1、输入电源电压范围:_____频率范围:_____2、输出功率额定功率:_____过载能力:_____3、控制方式矢量控制V/F 控制4、调速范围无传感器矢量控制:_____有传感器矢量控制:_____5、速度精度无传感器矢量控制:_____有传感器矢量控制:_____6、通讯接口RS485CANopen四、安装指南1、安装环境要求环境温度:_____环境湿度:_____防护等级:_____2、安装步骤确认变频器的型号和规格是否与您的需求相符。
选择合适的安装位置,确保通风良好,便于维护和操作。
将变频器固定在安装支架上,使用合适的螺丝和垫圈。
连接输入电源和输出电机线缆,确保接线牢固,接触良好。
连接控制信号线,如编码器信号线、多功能端子线等。
五、参数设置1、参数分类基本参数:包括电机参数、变频器额定参数等。
运行参数:如速度给定方式、加减速时间等。
保护参数:设定各种保护阈值。
变频调速器(艾默生)使用说明感谢您购买盾安空调,为使您更好的使用和维护机组,提高机组的运行效率,延长机组的使用寿命,特请您注意以下几点:1、请您保管好随机资料,在开启或检修机器前,仔细阅读说明书及随机资料.2、安装工作及首次开机工作必须由受过训练的专业人员进行。
安装按电控柜铭牌的编号将其与机组编号一一对应的互相匹配.注意:请一一对应匹配.一、查收随机资料及附件1、附件:①尼龙接头;②包塑金属软管;③导线若干等。
二、柜体安装1、安装位置:控制柜安装机组旁边的墙壁上,如无墙壁,则用户自行做支架安装,建议安装位置与机组风机段距离≤3米,高度(以操作界面为准):1。
4~1.5米,接线出厂标配为3米,若接线距离>3米,则接线部分由用户自行解决。
2、安装方式:明装.采用壁挂式安装,安装孔及尺寸见电控柜实体.三、放线、接线、走线1、柜式空调机组电控柜固定完成后,按电机接线盒到电动机接线端子的弯曲距离放线。
2、按电气原理图、电气接线图、随机附件接好电源进线、接地线等导线。
3、若控制柜含BA干接点,则所需电缆用线由用户自备,建议使用线径0.75mm2导线。
调试(0。
7~5.5)kW变频器一、数字操作器TOP—LED02各部说明:PRG:编程键;FUNC/DATA:功能/数据键;>>:移位键;∧:递增键;∨:递减键;RUN:运行键;-1-STOP/RESET:停止/复位。
详细说明见随机变频器《使用手册》二、变频器内部参数设置注意:若Array变频柜含BA干接点,将选择开关打到自动档,通过远程常开无源输入触点对变频器启停进行控制,然后检测运行状态输出、手/自动状态输出的信号输出是否正常;带可选项参数为增加远程调频功能时设置参数,由用户自行确定,接收和反馈信号均为DC0~10V信号,出厂时不含此参数;出厂设置变频器跳码开关CN10跳为V.(7。
5~55)kW变频器一、数字操作器F1A452GZ1各部说明:MENU/ESC:编程/退出键;ENTER/DATA:功能/数据键;PANEL/REMOTE:运行命令通道切换键;>>:移位键;∧:递增键;-2-∨:递减键;JOG:点动键;RUN:运行键;STOP/RESET:停止/复位。
艾默生开关电源用户手册31010887PS48400-2C/50智能高频开关电源系统用户手册E1-20020314-C-1.0PS48400-2C/50智能高频开关电源系统用户手册资料版本E1-20020314-C-1.0BOM编码31010887艾默生网络能源有限公司为客户提供全方位的技术支持,客户可与就近的艾默生网络能源有限公司办事处或客户服务中心联系,也可直接与公司总部联系。
艾默生网络能源有限公司地址:深圳市龙岗区坂雪岗工业区华为基地电气厂房一楼、三楼邮编:518129公司网址:或 E-mail:info@版权声明艾默生网络能源有限公司版权所有,保留一切权利。
在没有得到本公司书面许可时,任何单位和个人不得擅自摘抄、复制本书(软件等)的一部分或全部,不得以任何形式(包括资料和出版物)进行传播。
版权所有,侵权必究。
内容如有改动,恕不另行通知。
Copyright by Emerson NetworkPower Co.,Ltd.All rights reserved.The information in this document is subject to change without notice. No part of this document may in any form or by any means (electronic, mechanical, micro-copying, photocopying, recording or otherwise) be reproduced, stored in a retrieval system or transmitted without prior written permission from Emerson Network Power Co.,Ltd.内容介绍本手册介绍了PS48400-2C/50智能高频开关电源系统的组成、安装、调测、日常使用维护及故障的应急处理。
PS48400-2C/50智能高频开关电源系统用户手册E1-20020314-C-1.0艾默生网络能源有限公司PS48400-2C/50智能高频开关电源系统用户手册资料版本E1-20020314-C-1.0BOM编码31010887艾默生网络能源有限公司为客户提供全方位的技术支持,客户可与就近的艾默生网络能源有限公司办事处或客户服务中心联系,也可直接与公司总部联系。
艾默生网络能源有限公司地址:深圳市龙岗区坂雪岗工业区华为基地电气厂房一楼、三楼邮编:518129公司网址:或E-mail:****************版权声明艾默生网络能源有限公司版权所有,保留一切权利。
在没有得到本公司书面许可时,任何单位和个人不得擅自摘抄、复制本书(软件等)的一部分或全部,不得以任何形式(包括资料和出版物)进行传播。
版权所有,侵权必究。
内容如有改动,恕不另行通知。
Copyright by Emerson Network Power Co.,Ltd.All rights reserved.The information in this document is subject to change without notice. No part of this document may in any form or by any means (electronic, mechanical, micro-copying, photocopying, recording or otherwise) be reproduced, stored in a retrieval system or transmitted without prior written permission from Emerson Network Power Co.,Ltd.内容介绍本手册介绍了PS48400-2C/50智能高频开关电源系统的组成、安装、调测、日常使用维护及故障的应急处理。
读者对象本书适合下列人员阅读:设备安装人员、设备日常维护人员本书约定本书采用各种醒目标志来表示在操作过程中应该特别注意的地方,这些标志的意义如下:小心、注意、警告、危险:提醒操作中应注意的事项。
说明、提示、窍门、思考:对操作内容的描述进行必要的补充和说明。
安全注意事项在开始操作之前,请仔细阅读操作指示、注意事项,以减少意外的发生。
产品及产品手册中的“小心、注意、警告、危险”事项,并不代表所应遵守的所有安全事项,只作为各种操作安全注意事项的补充。
因此,负责艾默生网络能源有限公司产品安装、操作的人员必须经严格培训,掌握系统正确的操作方法及各种安全注意事项后方可进行设备的各项操作。
在进行本公司产品、设备的各项操作时,必须遵守相关行业的安全规范,严格遵守由艾默生网络能源有限公司提供的相关设备注意事项和特殊安全指示。
电气安全一、高压危险当心触电备安装的人员,必须具有高压、交流电等作业资格。
操作时严禁在手腕上佩带手表、手链、手镯、戒指等易导电物体。
发现机柜有水或潮湿时,请立刻关闭电源。
在潮湿的环境下操作时,应严格防止水分进入设备。
安装过程中不能容许操作的开关和按扭上,必须挂上禁止标识牌。
危险二、工具警告三、雷雨危险当心触电在雷雨天气下,大气中会产生强电磁场。
因此,为避免雷击损坏设备,要及时做好设备的良好接地。
四、静电注意五、短路危险直流配电操作空间紧凑,任何操作之前要注意选好操作空间。
操作时严禁在手腕上佩带手表、手链、手镯、戒指等易导电物体。
操作必须使用绝缘工具。
带电操作时,必须注意手、腕、臂保持紧张状态,使得发生工具卡接脱落时,人体和工具的自由行程最小。
电池危险池短路或电解液溢出、流失。
电解液的溢出会对设备构成潜在性的威胁,会腐蚀金属物体及电路板,造成设备损坏及电路板短路。
电池安装、操作前,为确保安全,应注意如下事项:摘下手腕上的手表、手链、手镯、戒指等含有金属的物体。
使用专用绝缘工具。
使用眼睛保护装置,并做好预防措施。
使用橡胶手套,佩戴好预防电解液溢出的围裙。
电池在搬运过程中应始终保持电极正面向上,严禁倒置、倾斜。
其他一、安规要求二、物体尖角警告三、电源电缆四、信号线的绑扎目录第一章系统概述 (1)1.1 系统简介 (1)1.2 系统的主要特点 (2)1.3 各组成部分简介 (3)1.3.1 整流模块 (3)1.3.2 监控模块 (5)1.3.3 交流配电 (7)1.3.4 直流配电 (9)第二章安装准备 (10)2.1 电源设备安装基本要求 (10)2.1.1 机房的环境要求 (10)2.1.2 机房的布置要求 (11)2.1.3 供电要求 (13)2.1.4 安全防护要求 (14)2.2 安装的准备工作 (16)2.2.1 现场检查 (16)2.2.2 工具与材料准备 (17)2.3 开箱验货 (18)第三章设备安装 (20)3.1 机柜安装 (20)3.1.1 直接在地板上安装 (20)3.1.2 在支架上安装 (22)3.2 整流模块的安装 (23)3.3 电力线的连接 (24)3.3.1 电力线的连接方式要求 (25)3.3.2 交流电力线的连接 (26)3.3.3 直流电力线的连接 (27)3.3.4 地线安装 (30)3.4 MODEM的安装 (31)3.4.1 外置MODEM的安装与接线 (31)3.4.2 内置MODEM的安装与接线 (32)3.4.3 MODEM配置及其它 (34)3.5 温度传感器电缆的安装 (34)第四章系统调测 (35)4.1 上电准备 (36)4.2 交流上电 (36)4.3 整流模块上电 (37)4.4 监控模块上电 (37)4.5 配电开关调测 (38)4.6 电池的接入 (38)4.7 负载设备的接入 (39)第五章监控模块使用说明 (41)5.1 监控模块的菜单结构 (41)5.2 操作说明 (42)5.3 系统设置 (43)5.3.1 系统和密码重置 (44)5.3.2 设置交流参数 (44)5.3.3 设置直流参数 (45)5.3.4 设置模块参数 (45)5.3.5 设置电池管理参数 (46)5.3.6 设置远程通信参数 (51)5.3.7 设置时间、密码 (52)5.4 查看实时数据 (52)5.4.1 系统信息屏 (52)5.4.2 查看交流运行信息 (53)5.4.3 查看直流运行信息 (54)5.4.4 查看整流模块运行信息 (55)5.4.5 查看告警信息 (55)5.5 输出控制 (58)5.6 干节点输出 (59)第六章设备的日常维护和检查 (61)6.1 风扇和防尘网的检修 (61)6.2 整流模块和系统熔芯的更换 (62)6.3 增加负载 (62)6.4 模块扩容 (63)6.5 电源系统的巡检指导 (63)6.6 应急处理 (68)6.6.1 交流配电应急处理 (68)6.6.2 直流配电应急处理 (68)6.6.3 监控系统故障应急处理 (69)6.6.4 整流模块故障应急处理 (69)6.6.5 停电 (70)6.6.6 灾变事故 (70)附录一系统原理图 (71)附录二系统接线图 (72)第一章系统概述 1第一章系统概述1.1 系统简介PS48400-2C/50智能高频开关电源系统是艾默生网络能源有限公司集多年开发和网上运行经验设计的新一代高可靠、高性能的通信电源系统。
电源系统由交直流配电单元、整流模块(HD4850-2)、监控模块(PSM-A9)等组成。
系统的结构如图1-1所示,配置见表1-1。
图1-1 系统结构示意图2 第一章系统概述表1-1 PS48400-2C/50系统配置表1.2 系统的主要特点PS48400-2C/50智能高频开关电源系统适用于GSM/CDMA基站、中小容量交换局、卫星通信、数据通信、铁路以及电力系统等电网波动范围很宽的场合。
PS48400-2C/50智能高频开关电源系统操作方便,易于安装和维护。
其主要特点有:⏹整流模块采用有源功率因数补偿技术,功率因数值达0.99。
⏹整流模块交流输入电压正常工作范围宽至120~290V。
第一章系统概述 3⏹整流模块采用全面软开关技术,效率高达91%以上。
⏹完善的电池管理。
有负载下电和电池低电压保护(LLVD+BLVD)功能,能实现温度补偿、自动调压、无级限流、电池容量计算、在线电池测试等功能。
⏹历史告警记录可达100条;电池测试数据记录可达10组。
⏹整流模块采用无损伤热插拔技术,即插即用,更换时间小于1min。
⏹网络化设计,提供多种通信接口(如:RS232、RS485/422、Modem、干接点),组网灵活,可实现远程监控,无人值守。
⏹完善的交、直流侧防雷设计。
⏹完备的故障保护、故障告警功能。
⏹超低辐射。
采用先进的电磁兼容设计,整流模块能够满足《通信电源设备电磁兼容性限值及测量方法》(中华人民共和国通信行业标准YD/T983)中对传导和辐射干扰的要求。
1.3 各组成部分简介1.3.1 整流模块HD4850-2整流模块外形结构如图1-2,主要包括面板、主散热器、盖板、侧面板等。
4 第一章系统概述图1-2 整流模块外观示意图前、后面板的详细结构如图1-3所示:图1-3 模块结构示意图第一章系统概述 5 整流模块输入输出端子管脚功能见下表:整流模块面板上的指示灯及按钮的功能见下表:1.3.2 监控模块监控模块PSM-A9前面板上有背光液晶显示屏、键盘、复位键、指示灯、把手等;后面板上有通信接口、输出干接点和电源接口等。
其外形如图1-4和图1-5所示:⑴—把手⑵—背光指示屏⑶—功能键⑷—告警指示灯⑸—电源指示灯⑹—复位键⑺—键盘图1-5 监控模块结构示意图第一章系统概述7 监控模块面板上的指示灯及按钮说明见下表:1.3.3 交流配电8 第一章系统概述面板指示灯说明如下表:第一章系统概述9 1.3.4 直流配电10 第二章安装准备第二章安装准备2.1 电源设备安装基本要求2.1.1 机房的环境要求选择电源安装场地时需考虑表2-1中所列的环境条件。
本设备中如积累灰尘或沙粒可能会造成设备过早损坏。
建议在灰尘过大的环境中采取以下措施:1.系统应安装在一密封空调房间内。
空调过滤器应有良好的保养,不得有任何堵塞。
为减少机房的尘埃,建议机房内实施无人值守。
2.经常清洁空气过滤器。
第二章安装准备112.1.2 机房的布置要求一、排气及通风电源系统的主要发热部分是整流模块。
其排气及通风路径如图2-1所二、电缆布置要求系统的输入/输出电力线从机柜顶部引入,机房应安装走线架,建议走线架高出机柜300mm以上。
注意为防止电耦合,交流电缆应与直流电缆分开布放。
12 第二章安装准备三、防静电要求在防静电方面,要求机房内设备、墙体和人对地静电电压的绝对值小于200V。