皮带机智能监控保护系统设计
- 格式:doc
- 大小:16.84 KB
- 文档页数:5
浅析带式输送机智能控制系统设计1. 引言1.1 研究背景在传统的带式输送机控制系统中,通常采用固定的控制策略,无法根据实际情况做出实时调整。
这导致了带式输送机在运行过程中难以保持稳定运行状态,容易出现故障,影响了生产效率。
我们需要设计一种能够根据不同情况自适应调整的智能控制系统,以提高带式输送机运行的稳定性和效率。
通过引入先进的智能控制技术,结合传感器和通信技术,可以实现带式输送机的智能化控制。
这样可以实现对带式输送机运行状态的实时监测和调整,提高其运行效率和安全性。
本文将重点探讨带式输送机智能控制系统的设计方法,以及传感器技术和PLC控制系统在其中的应用,为带式输送机控制系统的优化提供参考。
1.2 研究目的研究目的是为了探讨带式输送机智能控制系统设计的相关技术和方法,提高带式输送机的运行效率和安全性。
通过深入研究传统带式输送机控制系统设计、智能控制系统设计方法、传感器技术在带式输送机控制中的应用、PLC控制系统设计以及通信技术在带式输送机智能控制系统中的应用等方面,探讨如何运用先进的技术手段和方法,提高带式输送机的智能化水平,实现自动化控制和监测。
通过对带式输送机智能控制系统设计的研究,为相关行业提供参考和借鉴,推动我国带式输送机行业的发展,提升我国在输送机设备制造领域的竞争力。
希望通过本研究能够为带式输送机的智能化改造和设计提供科学的依据和技术支持,为工程实践提供有益的借鉴和启示。
2. 正文2.1 传统带式输送机控制系统设计传统带式输送机控制系统设计主要包括硬件设计和软件设计两个方面。
在硬件设计方面,传统带式输送机控制系统通常采用PLC(可编程逻辑控制器)作为主要控制设备。
PLC具有稳定性高、可靠性强、操作简单等优点,适合用于大型带式输送机的控制。
在软件设计方面,传统带式输送机控制系统一般采用传统的控制算法,例如PID控制算法。
这种算法简单易实现,能够满足基本的控制要求。
传统带式输送机控制系统设计还需要考虑到安全性和稳定性。
摘要本篇毕业设计介绍了一种利用先进的PLC技术对煤矿企业皮带机系统进行技术改造的方案;并且叙述了皮带机的基本原理、皮带机监控系统的工程设计步骤。
输煤皮带系统是工矿企业中较为庞大的一个公用系统,现阶段的大多数企业中,其输送过程是通过皮带输送机来完成,整个输煤系统有多台输送距离较长的皮带输送机组成。
输煤系统的主要任务是由料斗和皮带的传递将煤由给煤机输送到洗煤厂,再经由皮带机传送到煤仓。
在此次设计中主要概述了输煤过程中对皮带传输的控制和监控。
输煤皮带控制系统的设计是一个很传统的课题,现在随着各种先进精确的诸多控制仪器的出现,输煤皮带控制的设计方案也越来越先进,越来越趋于完美,各种参考文献也数不胜数。
该系统用西门子公司S7-300系列PLC作为控制核心,整个系统采用了一台PLC控制3台皮带机,整个控制系统设一个控制室。
利用PLC控制皮带输煤机,实现了逆煤启动、顺煤停止、故障停止、紧急停止的功能,并且有手动控制和自动控制两种控制方式,从而实现了输煤系统的自动化功能。
可编程控制器(简称PLC)由于其将系统的继电器技术,计算机技术和通信技术融为一体,以其可靠性高,稳定性好、抗干扰能力强,以及编程简单,维护方便,通讯灵活等众多优点,广泛应用于工业生产过程和装置的自动控制中。
PLC不仅能实现复杂的逻辑控制,还能完成定时、计算和各种闭环控制功能。
设置性能完善、质量可靠、技术先进的可编程控制器PLC控制皮带运输机监控系统,可以实现高自动化的皮带机群的集中控制(包括遥控)及保护。
关键字:可编程序控制器;输煤自动控制系统;皮带输送机;单机控制;目录第一章带式输送机 (7)1.1带式输送机的应用 (3)1.2带式输送机的分类 (3)1.3各种带式输送机的特点 (4)1.4带式输送机的发展状况 (5)1.5 带式输送机的工作原理 (5)1.6 带式输送机的结构 (6)1.7 带式输送机的保护措施 (7)1.8 主要监控设备 (10)第二章井下带式输送机控制装置 (12)2.1 控制装置组成 (12)2.2 井下远程矿用隔爆兼本安型可编程控制装置 (12)2.3 矿用隔爆兼本安型可编程控制装置组成 (13)2.4 主要技术指标 (13)2.5 结构特性 (13)2.6 矿用隔爆兼本安型可编程控制装置工作原理 (14)第三章、皮带运输监控系统功能及具体应用 (16)3.1显示功能 (16)3.2 控制功能 (17)3.3 故障自诊断功能 (17)3.4保护功能 (17)3.5 记录功能 (17)3.6报表管理功能 (17)3.7硬件部分 (18)3.8软件部分 (18)3.9工况图 (19)3.10设备操作 (22)3.11信息画面浏览 (23)3.12 工控机的系统参数设置 (26)3.13工控机的设备参数检查 (26)第四章 PLC控制设计 (27)4.1 PLC型号 (27)4.2 输煤系统控制要求 (27)4.3 I/O点分配: (28)4.4输煤系统流程图: (29)4.5输煤系统设备 (30)4.6应用程序 (30)第五章总结 (35)参考文献 (36)第1章带式输送机1.1带式输送机的应用带式输送机是连续运输机的一种,连续运输机是固定式或运移式起重运输机中主要类型之一,其运输特点是形成装载点到装载点之间的连续物料流,靠连续物料流的整体运动来完成物流从装载点到卸载点的输送。
基于P L C的皮带运输监控系统设计张红丽(山西焦煤西山煤电杜儿坪矿后勤服务公司,山西太原030022)摘要在煤矿生产过程中,井下皮带运输是影响生产效率的重要因素㊂因此,根据井下皮带系统特点及故障原因,对皮带监控系统进行P L C设计,及时发现皮带系统故障,有利于皮带运输系统及时检修,保证井下高效生产㊂关键词皮带运输;P L C;监控系统;故障中图分类号 T P273.5D O I10.19769/j.z d h y.2019.04.0281皮带系统概况在煤矿实际生产中,井下运煤系统采用皮带运输㊂皮带运输具有结构简单㊁运输距离不受限制㊁容易维护㊁可靠性强㊁运输平稳等特点㊂经过多年发展,皮带运输可以适应各种角度斜坡,是井下综采生产系统必不可少的环节㊂但由于井田面积大,皮带运输距离长,不容易检修,同时对系统控制要求较高㊂皮带机是以皮带作为牵引机构和承载机构的连续运输机械,通常由机头㊁机身及机尾三部分组成,主要构件由传动装置㊁皮带㊁机架㊁滚筒㊁托辊㊁拉紧装置及卸料装置等组成㊂胶带㊁托辊的非金属材料零部件和包胶滚筒的胶料选择符合MT147 95标准要求,阻燃㊁抗静电;驱动装置的电动机㊁制动器选择防爆型,电动机防护等级为I P54[1]㊂驱动滚筒设防滑保护堆煤保护;在带式输送机的适当位置上安装自动液压拉紧装置,实现拉紧力任意调节,保证胶带张力恒定,避免拉紧力下降㊁ 飘带 和断带事故的发生㊂2煤矿井下皮带运输系统故障分析煤矿井下皮带运输系统主要由主斜井带式输送机㊁运输大巷皮带运输机及胶带顺槽三部分组成㊂井下皮带运输机故障种类较多,其中比较常见的有传送带打滑㊁传送带跑偏及皮带断裂㊂传送带打滑可采用旋转探测仪,通过对皮带运输速度监测,皮带跑偏主要采用跑偏开关对皮带进行跑偏保护㊂皮带撕裂保护,采用撕裂开关进行报警并急停皮带㊂论文主要对以上三种皮带系统故障进行P L C控制系统设计㊂3基于P L C井下胶带系统控制设计P L C控制系统具有很强的灵活性和强大的处理能力,经过近几年发展,P L C控制技术日趋成熟,具有很强的可编程能力㊂当控制条件发生改变时,只要改变程序即可实现系统控制,有利于系统配置㊂同时,P L C控制技术对不同规模的控制系统的处理能力很强,既可现场控制也可远距离控制㊂无论是P L C内部软件还是系统硬件,市场经销较多,为今后系统改造提供了方便㊂同时, P L C系统免维护,对工人维护和检修要求较低,有利于提高生产效率㊂P L C技术具有很强的抗干扰性,适合生产环境恶劣的条件,同时具有自我检测功能㊂考虑到煤矿井下生产恶劣,同时煤尘和井下洒水对机器设备具有一定的影响,需要有较高的可靠性,因此本文选用P L C对井下胶带系统进行控制设计㊂3.1硬件选型P L C输入点:根据对系统设计的要求,需要有16个输入,分别为2个皮带机的单动按钮㊁2个皮带机的拉线开关㊁2个皮带机的撕裂开关㊁2个皮带机的防偏开关㊁循环启动开关和单动启动开关㊁启动开关和停止开关以及紧停开关㊂P L C输出点:根据系统设计要求输出点为9个,分别为四个皮带机所对应的继电器KM1 KM4和各级皮带机故障报警灯H L2 H L5,还有一个物料指示灯H L1[2]㊂其他设备选型:交流电流表,型号是59L19-A,等级指数是1.5,为电磁式电流表;交流电压表[3],型号是59L19-V,等级指数是1.5,是电磁式电压表;I Q F=12A 的断路器;R C1-15型熔断器;J R1-1型热继电器;其他电器元件为皮带运输机元件㊂具体如图1所示㊂3.2P L C控制系统设计当皮带机上旋转探测仪发出信号时,X0001开始动作,使得继电器M14带电并自锁㊂同时Y001断开,皮带运输机停止运输;继电器M150开始动作,使得所有皮带运输机停止工作㊂X0001接通后,则连通Y6,皮带机的预警灯则会亮起,并且会以周期2s进行循环运行,提示本皮带机有故障[4],如图2所示㊂当皮带机上撕裂开关受到触动时,X0001开始动作,使得继电器M20带电并自锁[5]㊂同时Y001断开,皮带运输机停止运输;继电器M150开始动作,使得所有皮带运输机停止工作㊂X020接通后,则连通Y6皮带机的预警灯则会亮起,并且会以周期2s进行循环运行,提示本皮带机有故障,如图3所示㊂56收稿日期:2018-12-10作者简介:张红丽(1987 ),女,山西忻州人,2011年毕业于太原理工大学,本科学历,电气助理工程师,技术干事㊂2019年第04期2019年第04期图1 P L C系统接线图图2 传送带打滑时P L C控制系统设计图3 传送带跑偏时P L C 控制系统设计当皮带机上防偏开关受到触动时,X 030开始动作,使得继电器M 30带电并自锁[6]㊂同时Y 001断开,皮带运输机停止运输;继电器M 150开始动作,使得所有皮带运输机停止工作㊂X 030接通后,则连通Y 6皮带机的预警灯则会亮起,并且会以周期2s 进行循环运行,提示本皮带机有故障,如图4所示㊂图4 皮带断裂时P L C 控制系统设计4结论本文以井下皮带运输为研究背景,进行P L C 监控系统设计,得出以下结论:解决打滑问题可采取以下几条措施㊂(1)井下灰尘较多,容易进入电控柜,从而导致电路短路,因此在实际生产使用中,建议采用密封结构,保证原件绝缘㊂(2)煤矿井下现对湿度较大,容易侵入P L C 模块,引起电子元件性能恶化,会因高压而引起电路短路㊂因此建议对井下湿度进行监控,相对湿度在5%~95%㊂(3)MO S 集成电路常常因为静电而发生短路,在实际生产中应加强对P L C 控制系统的硬件保护,定期对系统硬件进行检测㊂(4)带式输送机上设有K J 2002型胶带输送机监控系统,包括双向拉紧开关㊁跑偏保护开关㊁溜槽堵塞检测器㊁打滑检测器㊁温度烟雾保护检测器㊁防纵向撕裂㊁断带保护装置㊂可通过对以上监控装置进行P L C 设计,从而达到实时监控,保证井下安全生产㊂(5)造成皮带撕裂的原因有多种,其中,皮带质量差㊁使用时间长㊁缺乏必要维护是主要原因㊂在实际生产过程中,一方面加强对拉紧装置监控;另一方面,通过业务培训等方式,持证上岗,加强皮带维护㊂参考文献[1]阮毅,陈伯时.电力拖动自动控制系统[M ].4版.北京:机械工业出版社,2010.[2]姜宏亮.浅谈P L C 应用中的抗干扰问题[J ].科技创新导报,2010(10):62.[3]张万忠.可编程控制器入门与应用实践[M ].北京:中国电力出版社,2005.[4]张泽荣.可编程序控制器原理与应用[M ].北京:清华大学出版社,北京航空航天大学出版社,2004.[5]张还,李胜多.可编程序控制器原理及过程控制[M ].北京:中国电力出版社,2008.[6]廖常初.P L C 编程及应用[M ].北京:机械工业出版社,2003.66。
带式输送机皮带运行智能监控系统设计探讨摘要:在矿井采用的带式输送机中,输送皮带是其最核心的部分,该设备需要较高的成本,因此,撕裂检测技术有着十分重要的意义。
通过运用该技术可以将输送带的撕裂状况进行及时检测,并有效避免撕裂情况的持续进展,但是从现阶段的纵撕检测技术来看,其大多是接触式的,需要事后管理。
由于矿井生产环境的复杂性,大部分纵撕检测系统的功能都没有得到充分发挥,导致纵撕事故的发生。
为保障煤矿带式输送机的安全稳定运行,设计了一种皮带运行智能监控系统,介绍了该系统的整体结构与具体工作原理,设计了系统的软硬件部分,并进行了工业性试验。
结果表明,通过应用该系统,可实时检测带式输送机的运行情况,一旦发现带式输送机皮带运行异常可及时进行预警,有效防范各类重大事故的发生,更好地保障皮带机的正常运行。
关键词:带式输送机;皮带监控系统;结构功能;软硬件1 概述以某型带式输送机为例进行分析,对于该型带式输送机而言,其整体结构情况如图1 所示。
该种带式输送机主要由驱动滚筒部分、改向滚筒部分、托辊部分、皮带部分与张紧部分五大部分组成。
该种带式输送机的工作原理主要是通过电动机来进行驱动,由电机输出动力,输出的该动力通过减速器逐步向带式输送机的驱动滚筒部分传输,而驱动滚筒与带式输送机输送带间有一定的摩擦力,进而借助这种摩擦力来促使皮带运行,在这过程中带式输送机托辊的所起的作用,主要是支撑输送带,带式输送机张紧装置起到的作用主要是让输送带实时为张紧状态,以驱动皮带与运动的滚筒间存在足够的驱动摩擦力。
当前,很多矿井所用的带式输送机都装设了变频调控装置,可依据对带式输送机运行的情况监测监控结果,及时合理调整带式输送机的运行速度。
但带式输送机在运行速度发生改变的过程中,呈现出的动态特性通常相对较复杂,造成速度不好调整,若调整不科学、不合理、带式输送机输送带与运行的滚筒间变易产生打滑问题,如果速度变化过快,还有可能引发带式输送机出现断带事故,传统的带式输送机变频调速控制系统,通常不考虑速度变化对带式输送机造成的影响,易造成带式输送机出现运行不稳定的情况,因此必须重视做好带式输送机运行情况的智能监测监控工作,调整带式输送机运行情况时,应把高阶次动态特性考虑其中,进行科学合理的调整。
露天煤矿用皮带运输机的智能控制监控系统的研究皮带运输机是一种输送粒状、块状和散装等物料和成件货物的有牵引件的连续设备,它主要应用于工业生产和加工中。
特别是在露天矿山开采的矿石运输中起着十分重要的作用。
皮带运输机在生产过程中可能会由于经常会出现联轴器断开、划伤、过载、打滑、断带等现象,会产生严重的后果,甚至可能发生生产事故。
所以,有必要研究一种多功能实时在线的皮带运输机故障检测系统,在皮带运输机运行工作过程中对其实时监控检测,同时还可以进行自动检测以及对声、光预普和报告。
可以确保在皮带运输机出现故障时,尽可能的减少皮带运输机故障时带来的各方面的损失和事故,提高皮带运输机的生产效率以及对皮带运输机的管理水平和装备水平,这对未来皮带运输机的发展提供了适用价值,具有重大意义。
一、检测方法和控制方案的确定由于在矿石的输送中,会产生联轴器断开、断带、过负荷、皮带打滑等故障,采用转矩传感器进行检测。
而针对皮带的纵向撕裂选取纵撕开关,针对皮带跑偏,选取跑偏开关。
现场采用声光报警,并且选用plc作下位机的控制系统以及计算机作上位机。
plc接受电机转矩传递的测量信号,然后进行信号处理,信号经过处理再与设定值进行比较,最后再送到上位机,由上位机进行图形和数据的显示。
输出的结果再传送回plc,进行信号变换,最后再传送给执行机构,控制执行机构的运动。
纵撕开关与跑偏开关输出的是数字信号,执行相同的过程。
当电机输出功率降为正常工作时输出功率的45%时,将功率信号放大并整形,然后将其送至控制单元。
当出现故障的时候,预警电路立即动作,预警铃声响并发出预警灯亮,以提醒现场工作人员采取相应的有效措施,使系统可以尽快地恢复到正常工作状态,有利于尽快恢复生产。
如果所采取的措施没有产生作用,电机输出的转矩会持续降低,当电机输出功率降为正常工作时输出功率的35%时,报警电路会被触发进入到工作状态中,预警铃声响并发出预警灯亮,这是,系统控制皮带运输机停止工作,并同时控制触点切断电振给矿机电源,停止给矿。
智能化皮带集控系统在里彦矿的改造设计应用摘要:随着计算机控制技术的推广,高效的自动化煤炭运输技术和设备的不断发展和提高,具有智能化、自动化控制的胶带运输系统得到推广运用。
与之相配套的大功率胶带驱动电机及自动控制系统的使用,改善了煤炭运输的生产技术条件,实现减员增效、新旧动能转换。
关键词:皮带集控智能化改造设计新旧动能转换1.建设背景在山东省大力推进新旧动能转换的关键时期,里彦煤矿紧扣集团公司发展思路,牢牢抓住新旧动能转换这一历史机遇,以“双提双降”活动为载体,以建设智慧化煤矿为着力点,坚持高点定位、高效推进,加快智能化建设,对矿井主要皮带运输系统进行设计改造,实现自动化、无人化运行,进一步精简井下生产人员,提高智能化程度。
1.1智能化皮带集控系统设计原理皮带运输集控系统主要用于煤炭运输、设备保护、故障监测等方面,对煤矿皮带煤炭运输物资中的环境参数、设备状态、运行状况、供电情况、工作形式等内容开展实时监测,同时进行集中的控制,最后达到无人值守的运行状态。
在计算机技术、自动化技术、通信技术、工业控制技术等有关技术的基础上,利用传感器对运输系统的核心设备予以保护。
最后,进行人机交互,进行具体的操作,下达命令,完成煤炭的运输,实现系统的自动化集中与实时监测。
在智能化设计改造方面要实现地面调度室IP电话、工区用IP电话和手持电话分别能单独拨号到沿线指定集中控制器及群呼,实现井上井下实时语音通话,无缝语音对讲。
配备便携式煤安型手持终端,在任意无线信号覆盖内皮带巷道,通过手持终端实现配置皮带状态监测及启停控制、视频信息监控、沿线拨号语音通信等功能。
主要煤仓安设物位传感器,并根据高低煤位,实现皮带与给煤机联动开停。
2.皮带集控改造设计关键技术目前里彦矿井下主运输系统8条皮带机,只完成了胶带机的基本的就地保护和少数皮带的集中控制功能,其他皮带和给煤机均未实现集中控制,且各皮带的基本保护以及驱动单元的保护和检测功能不够完善。
煤矿井下皮带地面集中控制系统设计方案一、总则本方案是针对煤矿井下主煤流运输及工业电视监视系统技术要求,并充分考虑其先进性、安全性、可靠性及安装、使用和维护的方便而设计。
(一)设计依据(1)设计方案根据矿方提出技术要求作出。
(2)系统设备符合矿生产环境条件,并符合《煤矿安全规程》有关要求。
控制系统中相关设备具有国家煤矿质量“MA”标志和煤矿防爆“EX”标志。
(二)设计原则(1)控制系统由地面控制中心,井上、下监控分站和工业电视监视组成。
(2)解决就地控制存在的事故隐患,减少各设备之间相互脱节、无法充分发挥效率的缺点。
实现就地无人操作,仅设巡检人员。
(3)本系统采用分布式控制(DCS系统),结构合理,信息共享,实现提高指挥效率和生产率,达到减人提效的目的。
(4)实现井下皮带机、给煤机和煤仓煤位的控制信号及工业电视监视信号全部由光纤传输。
(5)充分满足现场运行和检修要求。
(6)保证整个系统运行可靠、故障率低、维护方便和修改灵活。
(7)系统具有灵活和可靠的控制功能,简单实用,易于掌握,人机界面友好。
(8)系统具有自诊断功能,报警时可以语音、图像显示等功能实现。
(9)系统具有实时数据采集、处理及多种显示功能。
(10)系统结构合理,便于系统的扩展。
(三)达到的技术水平和实现的目标(1)实现地面集中控制、可视化和语音通话三位一体的自动化控制系统体系。
(2)立足于高起点、高技术和高质量,将计算机控制系统和工业电视相结合,实现以“地面控制为主,井下监控为辅”的控制模式,保证井下主煤流运输系统的连续性和可靠性。
(3)系统技术达到国内领先水平。
提高开机率和管理水平,减少操作人员和工人的劳动强度,为今后矿井生产综合自动化打下良好基础。
(4)实现地面对井下主煤流胶带机运输的长距离、多点位信息传输和集中监测监控。
具有在线监测、分析及完善的保护和报警功能。
(5)地面控制中心计算机可以对系统的生产管理、事故跟踪与处理、打印各种运转日志报表。
皮带自动监控系统一、系统概述用途说明:在保障皮带系统安全的前提下,严格按照减员增效、经济运行、减轻矿井机运部门劳动强度和便于管理的原则而设计的,为隔爆兼本安自动监控系统,适应于斜井皮带和水平皮带的运输系统。
系统特点:该系统内井下的所有设备均具备MA认证和防爆认证;具有结构紧凑、体积小、安全可靠、经济节能、减员增效、便于管理等特点。
二、系统构成硬件配置:本安显示操作台、隔爆兼本安PLC控制柜、就地操作箱(可选)、隔爆兼本安显示箱、传感器、防爆电话系统、皮带称、语音信号装置、给煤机起停就地控制箱、急停按钮、变频器或液力耦合器(可选)、减速器(带联轴节)、电机(带联轴节)、制动闸、液压站(可选)、滚筒、皮带机架、皮带辊、皮带、洒水管路、配电装置等。
三、系统功能◆地面远控功能*该皮带自动监控系统本身提供RJ45口和支持opc协议,可直接挂接在矿井环网交换机上,实现地面远程控制功能。
*将本机工作方式转为“远程控制”时,相应这部皮带由地面主机控制。
◆自动控制功能由煤位传感器连续检测煤仓煤位,根据煤仓煤位的变化,自动调节给煤系统的给煤量,自动选择优化方案进行开停皮带系统。
正常情况下,按给煤量运行的控制,各条皮带进行有序的起停,选择正常运行的电机台数。
当煤量过大时,自动投入必要数量的电机,此方式为无人值守方式。
自动运行方式下,可以进行远程自动控制方式和就地自动控制方式,所有设备、安全保护的运行均靠PLC来集中实现,电机功率的平衡靠变频器来实现。
*安全保护系统:煤位保护、打滑保护、跑偏保护、纵撕保护、烟雾保护、温度保护、洒水保护、逆止保护、超速保护、堆煤保护、拉线急停保护、断带保护、过流欠压保护等。
*系统具备远程、现场、自动、手动、检修等操作方式。
*系统起动具备语音声光预警装置,提示皮带巷中人员注意安全,实现胶带机运输系统集中监控,图形及汉字显示,被控设备开机率统计及显示,被控设备运行状态图形,动画显示,被控设备运行状态汉字提示,沿线电缆断路检测及断路位置显示。
当代化工研究qiModem Chemical Research7 2020•21技术应用与研究矿用皮带机智翁旨安全监测系统设计*许峰(晋能控股煤业集团安全管理监察部山西037000)摘耍:为更好餉保障煤矿皮带机的安全稳定运行,本文针对皮带机运行中因摩擦生热引起的故障以及输送机存在的跑偏,打滑,断裂等问题,设计了一种皮带机智能安全监测系统,介绍了该系统丝主要结构,各监测部分的监测原理,具体监测策略,并对监测系统进行了测试验证,验证结果表明该系统监测准确,易操作易维护,能很好的保障皮带机安全稳定运行.关键词:皮带机;监测系统;原理;策略;测试中图分类号:TD文献标识码:ADesign of Intelligent Safety Monitoring System for Mine Belt ConveyorXu Feng(Safety Management Supervision Department,Jinneng Holding Coal Industry Group,Shanxi,037000) Abstract z In order to better ensure the safe and stable operation of belt conveyor in coal mine,this paper designs an intelligent safety monitoring system for belt conveyor,aiming at the problems of o peration of b elt conveyor due to f riction and heat,such as deviation,slippage and fracture.The main structure,monitoring p rinciples and s pecific monitoring strategies of t he system are introduced,and the monitoring system is tested and verified.The results show that the system is accurate,easy to operate and maintain,and can ensure the safe and stable operation of b elt conveyor.Key words:belt conveyormonitoring system;principle;strategy\test1.皮带式输送机目前的安全技术监控状况煤矿的生产和运输目前主要使用的运输设备是皮带式输送机。
煤矿皮带运输智能监控系统设计发布时间:2022-10-20T05:06:24.115Z 来源:《科技新时代》2022年5月第9期作者:罗云鹏[导读] 近年来,我国对煤矿资源的需求不断增加,煤矿开采越来越多罗云鹏新疆宜化矿业有限公司新疆吉木萨尔县 831700摘要:近年来,我国对煤矿资源的需求不断增加,煤矿开采越来越多。
在煤矿开采的过程中,皮带运输设备的应用十分广泛。
将智能化控系统应用到皮带输送机运行控制中,不仅可提高控制效果,还可降低设备运行能耗。
本文首先分析了皮带运输系统的控制要求,其次探讨了相关硬件设计及软件设计,最后就监控平台设计及PLC程序设计进行研究,以供参考。
关键词:系统设计;力控组态软件;智能监控系统引言煤矿固定岗位无人值守与远程管控,是煤矿智能化建设的重要内容之一。
随着煤矿智能化建设的不断推进,煤炭主运输系统进行远程监控改造成为必然要求,本项目基于PLC和组态软件的应用,设计了煤矿皮带运输智能监控系统,可为煤矿皮带运输系统运行模式的升级改造提供参考。
1皮带运输系统的控制要求因为运输系统在煤矿开采中尤为重要,故监控系统必须满足以下要求:第一,需要对煤矿开采进行集中监测控制,对运输工具进行实时监测。
第二,当需要开采时,首先集控台先发出预备通知信号,并对现场进行检测,看其是否满足启动要求,预备通知信号持续时间为30s,如果符合要求,则设备开始启动。
第三,控制方式应该分为三种,分别是就地、自动化集中控制、手动进行集中控制,并且控制方式必须能够进行转换。
第四,当设备损坏或发生事故时,要能够通过声光提示及时报警。
2硬件设计煤矿辅助运输车智能监控系统的硬件元器件主要包括核心控制模块、数据采集模块、电磁阀、温度传感器、压力传感器、车速传感器、气体浓度传感器等。
核心控制器选用PCM-3370微控制器,该控制器的CPU采用的是奔腾933微处理器,支持系统内存帧缓冲,处理时延小、响应速度快,满足辅助运输车的控制性能要求。
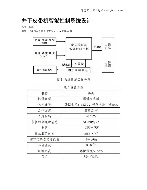
井下皮带机智能控制系统设计作者:聂磊来源:《中国化工贸易·下旬刊》2019年第01期摘要:受皮带输送机控制方式影响,煤矿井下皮带输送机出现空载或者过载时,皮带输送机的运送效率降低。
针对上述实际情况,笔者设计了一种皮带机智能控制系统,系统可以根据皮带机载荷智能的对皮带机运输速度进行控制,增强了皮带机的使用效率。
现场实践也表明,通过使用设计的智能控制系统,皮带机的电力消耗显著降低,回采工作面自动化程度增强,煤炭高昂的生产成本有所缓解。
关键词:皮带机;智能控制系统;设计1 智能控制系统设备构成及设备参数1.1 主要设备设计的皮带输送机智能控制系统的主要设备由包括:智能控制主机(IGH)、输送机智能称重装置(CIWD),皮带运送速度检测系统(BCSDS)、PLC控制器、二级分站以及电机拖动系统等组成,具体设备的工作关系如图1所示。
井下布置的二级分站将收集到的井下皮带输送机的工作状态参数通过RS485总线传输到地面监控中心的智能控制主机;PLC控制器需要与井下电机拖动系统中的驱动电机进行配套购买。
1.2 设备主要参数设备的主要参数要求如表1所示。
2 智能控制系统设计2.1 設计基本思路首次采用智能控制系统的输送机智能称重装置(CIWD)来对皮带输送机运输的煤炭重量进行分析并传输到智能控制主机(IGH)中;皮带运送速度检测系统(BCSDS)同样将皮带的实际速度传输到智能控制主机(IGH)中;智能控制主机(IGH)综合对CIWD装置及BCSDS 系统传输的信息,进行分析计算,确定出一个运输周期内煤炭的运输重量。
通过对每一个运输周期内煤炭运输的重量进行累加求和可以得到皮带输送机传输系统中连续运输的煤炭总的重量。
智能控制主机(IGH)通过二级分站对收集到的皮带输送的煤炭重量以及速度传输给地面的地面监控中心,并通过预先设计的软件的分析,将相关指令通过RS485总线传输到PLC控制器控制皮带电机拖动系统动力供应情况,以达到根据运输的煤炭重量智能控制皮带转速,从而实现对皮带输送机的智能控制,降低电力消耗。
【关键字】系统摘要皮带运输机是一种用于对物料进行输送的连续运输机械,被广泛应用在矿山、电厂、港口等领域中。
皮带运输机在工作中容易出现打滑、跑偏、堆煤、断带、撕裂甚至着火等事故,从而影响正常生产和安全。
所以实现皮带运输机运行自动检测、报警和保护具有重要意义。
该系统采用AVR系列的ATmega16单片机作为主控芯片,设计了……本设计监测范围广,不仅可以监测皮带运输机的打滑、跑偏、堆煤、纵向撕裂和烟雾等毛病,而且同时监测电机轴承温度和皮带环境温度,可实现对运输机运行的实时监控。
当多台运输机需要同时监测时,控制器电路设计中的网络通信扩展接口可以实现他们之间的通信。
关键字:皮带运输机,监测,单片机AbstractBelt conveyor is a continuous transportation machinery, it is used in production line of mine,power plan,ports,iron and steel enterprises and light industry widely, it can transport the dispersed material, also can transport the items made into pieces. Such a system classifiles the object under investigation as one of numerous possible categories that in return for the current domestic this paper mostly the in-situ human control way to improve, and realize the automatic monitoring, alarm and control.The system uses high-grade microcontroller AVR series of ATmega16 as the master chip, and therefore solve the PLC system as the high cost. At the same time also solved the problem of 51 series singlechip low current, slow processing speed, peripherals circuit complex.The designing monitoring range ,such as monitoring of the belt conveyor skidding of wandering coal longitudinal tear and smoke failure ,and the temperature of Motor bearing and belt environmental . As to realize the transport operation to the real-time monitoring .And add the function that set the alarm temperature value by self,it’s strengthen the system’sadaptability.the system also designed network communication expand interface for customers to choose.KEY WORDS: belt conveyor,monitoring, singlechip目录4.2.4 温度值获取子程序............................. 错误!未定义书签。
皮带输送机智能化保护控制系统概述摘要皮带输送机系统大多采用单片机控制,智能化弱,稳定性差,故障率高,主机控制模块化损坏率高,更换频率高。
采用稳定可靠的皮带控制系统,提高皮带运输效率。
关键词皮带输送机;智能仪表;监控;PLC;速度检测针对电厂皮带输送机出现的打滑、断带、过载、联轴器断等现象,利用计算机和智能控制技术开发了一种通用型皮带机保护系统。
1 系统存在的主要问题(1)电动摆线滚筒和电机之间的连接方式为柱销连接方式。
在生产过程中,经常会发生柱销断裂了以后,电机仍然运转,皮带却随着滚筒的停止而停止。
由于缺乏必要的保护联锁停机措施,后续皮带继续运行,造成了该条故障皮带上的煤大量堆积,引起皮带磨损、断裂,甚至造成严重事故,影响到生产的顺利进行。
(2)当皮带堵煤时,虽然柱销没有损坏,但由于煤的大量堆积,煤量过重,造成了电机和摆线滚筒旋转而该条皮带停止的情况,这种现象称为打滑。
此时同样会造成皮带磨损、断裂,长时间会造成严重的生产事故,影响到整个系统的顺利进行。
(3)燃运皮带机只有最基本的过电流保护,且电机电流的数值是通过模拟数据采集的方式用电缆从电机配电室传送到监控操作室,数据显示使用的是模拟电流表头,许多显示不准确[1]。
2 PLC的优点(1)结实耐用抗干扰能力强,PLC控制系统中用软件取代大量的中间继电器、时间继电器、计数器,只要把与输入和输出有关的少许硬件元件接好,因触点接触不良酿成的故障大为削减。
PLC采用了一系列硬件和软件抗干扰办法,具备很强的抗干扰本领,平均无故障操作数万小时以上,可以直接用于有强烈滋扰的工业生产现场。
(2)接线简单PLC模块与模块之间只需要一根通讯线就能完成很多继电线路不能完成的操作,接线十分的简单,输入和输出界限也是非常的明确。
(3)维护简单往往一台PLC运行时间非常的长,一般上万小时不会出现问题,出现问题也是很简单就能处理3 系统总体结构设计燃运控制系统的保护现状,在充分利用现有设备的基础上,对现有的摆线滚筒皮带运输装置加装数据采集智能监测仪表,对各电机的运行电流、温度、电压和皮带的运行速度等参数进行在线监测;启动时候,控制系统按照工艺确定的顺序,按照由大到小的顺序逐个启动皮带输送机;正常工作情况下,各台电机保护系统对有关参数进行监测;一旦出现某条皮带堵煤、皮带停转或柱销断裂等故障时候,保护系统按照厂方的工艺设计要求由小到大的皮带序号,对故障皮带输送机及以前的滚筒电机进行保护跳闸动作,防止故障的进一步扩大。
皮带机智能监控保护系统设计摘要:本文利用 stm32 单片机与各类传感器的组合设计出了一套皮带输送机智能检测保护装置,并给出了该系统具体的软硬件设计方案。
该装置对矿用皮带输送机的工作情况进行实时监测,可以有效处理选煤厂皮带运输过程中出现的跑偏、撕裂、打滑、过载等一系列问题,节约修整成本。
关键词: stm32 ;皮带输送机;监测保护1引言皮带输送机又简称为皮带机,因为其使用的灵活性以及高效率的输送,为散装物料的输送提供了有效手段,在生产生活中得到广泛的应用。
特别在劳动强度很大的选煤生产中,皮带机更是频繁使用。
选煤厂皮带机运输线路长、使用环境恶劣,一旦出现问题,不便于人工监测和检修。
这样便会延误生产,造成一定的经济损失。
甚至影响到员工的生命安全。
因此,如何将皮带机故障消灭在萌芽里至关重要。
皮带机容易出现的问题主要有跑偏、撕裂、打滑、过载等等。
针对这些问题设计的智能监测保护装置能够及时检测到问题所在,并能通过声光报警准确有效地反应出来。
本系统以 stm32 单片机为核心,配以 LCD液晶显示屏、 ISD4000 语音芯片以及其他各类传感器,来完成皮带机的综合保护。
提高了生产安全,降低了维修成本[1] 。
2系统性能分析皮带机出现的故障有多种,检测装置需要对不同的故障做出不同的处理。
在选煤厂皮带机智能监测保护装置设计中,主要有正常运行、强制运行和停车控制三种工作方式供用户选择。
正常运行是皮带保护装置的正常工作状态,系统上电之后立即进入开机检测状态,监测保护装置启动,各传感器开始自检并向控制中心汇报数据,一切正常则启动电机进入正常运行模式。
强制运行是指系统上电之后皮带机立即进入运行模式,各类传感器不工作,监测保护装置关闭。
停车控制有两种状态,一种是开机检测时的传感器异常,另一种是正常运行下皮带机发生的某些不可逆故障。
两种情况均会发出声光报警,并会在 LCD显示屏显示故障类型。
皮带机常见的故障有撕裂、打滑、过载、跑偏、超温、烟雾等等 [2] 。
皮带机智能监控保护系统设计
摘要:本文利用stm32单片机与各类传感器的组合
设计出了一套皮带输送机智能检测保护装置,并给出了该系统具体的软硬件设计方案。
该装置对矿用皮带输送机的工作情况进行实时监测,可以有效处理选煤厂皮带运输过程中出现的跑偏、撕裂、打滑、过载等一系列问题,节约修整成本。
关键词:stm32;皮带输送机;监测保护
1 引言
皮带输送机又简称为皮带机,因为其使用的灵活性以及高效率的输送,为散装物料的输送提供了有效手段,在生产生活中得到广泛的应用。
特别在劳动强度很大的选煤生产中,皮带机更是频繁使用。
选煤厂皮带机运输线路长、使用环境恶劣,一旦出现问题,不便于人工监测和检修。
这样便会延误生产,造成一定的经济损失。
甚至影响到员工的生命安全。
因此,如何将皮带机故障消灭在萌芽里至关重要。
皮带机容易出现的问题主要有跑偏、撕裂、打滑、过载等等。
针对这些问题设计的智能监测保护装置能够及时检测到问题所在,并能通过声光报警准确有效地反应出来。
本系统以stm32单片机为核心,配以LCD液晶显示屏、ISD4000
语音芯片以及其他各类传感器,来完成皮带机的综合保护。
提高了生产安全,降低了维修成本[1]。
2 系统性能分析
皮带机出现的故障有多种,检测装置需要对不同的故障做出不同的处理。
在选煤厂皮带机智能监测保护装置设计中,主要有正常运行、强制运行和停车控制三种工作方式供用户选择。
正常运行是皮带保护装置的正常工作状态,系统上电之后立即进入开机检测状态,监测保护装置启动,各传感器开始自检并向控制中心汇报数据,一切正常则启动电机进入正常运行模式。
强制运行是指系统上电之后皮带机立即进入运行模式,各类传感器不工作,监测保护装置关闭。
停车控制有两种状态,一种是开机检测时的传感器异常,另一种是正常运行下皮带机发生的某些不可逆故障。
两种情况均会发出声光报警,并会在LCD显示屏显示故障类型。
皮带机常见的故障有撕裂、打滑、过载、跑偏、超温、烟雾等等[2]。
皮带机的撕裂、打滑、过载等多种异常运行状态都可以通过检测皮带速度、电机转矩来检测。
因此,皮带速度、电机转矩成为皮带运输系统状态检测的重要信号特征量。
皮带运输机皮带跑偏信号的检测通常是跑偏开关来检测,当检测到皮带跑偏时,跑偏开关便会动作,并产生一个开关量信号,将其反馈到中央控制单元。
烟雾与超温的控制主要是通过传感器对烟雾和温度与预先设定值进行比较,当所测
数据大于预定值时进行声光报警并开启洒水装置。
3 系统硬件设计
皮带机智能监测保护装置集数据?集、数据处理、人机
交流、网络通信,保护控制于一体。
主要由stm32主控模块、传感器模块、输出控制模块、通信扩展模块构成。
该装置的总体设计构图如图1所示。
系统的控制单元采用的是STM32系列芯片,它是由世界最大的半导体公司之一意法半导体公司推出的一款高性能、低成本、低功耗的嵌入式应用芯片。
这里用到的是芯片型号是STM32F103RBT7,该芯片核心是ARM32位Cortex-M3处理器,时钟频率达72MHz,内置128K的Flash,64位并行I/O 接口,工作温度范围在-40℃~+105℃,适合选煤厂复杂的工作环境[3]。
除了选择一个合适的主控芯片,整个监测保护装置能否有效工作还取决于传感器的选型是否合理。
必须要选用故障率低、灵敏度高、使用寿命长且具有三防功能的产品。
皮带速度检测主要采用GSC6-SC型速度传感器,该传感器将皮带机的实际速度检测出来,并将其转换成电信号传送至监测保护装置,然后根据不同的速度值判断皮带机的工作状态。
电机转矩检测采用的是CQG电机转矩传感器,该传感器应用磁电转换原理,用相位差原理和数字显示的转矩转速测量方法,能稳定、可靠、快速地进行高精度测量。
皮带机的跑偏故障
检测采用的是KPT跑偏开关,当检测到皮带跑偏时,开启跑偏开关,产生一个开关电信号,将其传送至中央控制单元,执行相应措施。
温度检测选用的是DS18B20型单线数字式温度传感器,测温范围-55℃~+125℃,在与中央控制单元连接时仅需要一条总线即可实现双向通讯,将所测温度与预设值进行比较,当所测温度超过预设值时,控制中心便启动洒水装置。
烟雾检测采用的是GQQ0.1型矿用烟雾传感器,该传感器通过检测烟雾的浓度,将其转换成电信号输入皮带保护装置从而发出报警声,停止皮带机并启动洒水装置,起到烟雾保护作用[4]。
4 系统软件设计
本系统软件采用的是Keil MDK开发平台,利用C语言。
本装置所要进行的工作主要有数据采集、数据处理、保护措施的启动。
总体软件流程设计如图2所示。
系统上电之后,各模块初始化设置,开始检测各传感器是否设置正常,如果正常则进入运行模式,启动皮带机。
在皮带机运行阶段,各传感器开始工作,检测皮带机是否出现故障,判断并显示故障类型,执行相应的子程序。
数据采集主要采集的是传感器I/O口开关量,采集信号都是通过I/O口输入。
保护措施主要有报警、洒水、停车,每个动作均有相应的I/O口控制输出。
5 结束语
本文所设计的选煤厂皮带机智能监测保护装置操作简
单,使用方便,监测精准,能广泛应用于电厂、煤矿、工业生产等行业。
目前该系统正处于测试阶段,测试完成后即可投入到选煤生产线。
此智能监测保护装置能减少人员成本,节约维修资金,具有很好的应用推广前景。
参考文献:
[1]卢玉强.《矿井皮带运输状态监测与事故预警系统》[D].山东:青岛科技大学控制工程,2012(06).
[2]戴家友.《基于ARM7数字集成电路测试仪的设计》[J].数字技术与信息,2012(04).
[3]彭刚,春志强.《基于ARM Cortex-M3的STM32系列嵌入式微控制器应用实践》[M].北京:电子工业出版社,2011(01).
[4]王照信.《基于ARM的矿用皮带综合保护装置的研究与实现》[D].山东:山东大学控制科学与工程,2013(11).。