存储管理习题
- 格式:docx
- 大小:25.71 KB
- 文档页数:16
第5章一.选择题(40题)1.主存用来存放__D_。
A.程序B.数据C.微程序D.程序和数据2.下列存储器中,速度最慢的是_C__。
A.半导体存储器B.光盘存储器C.磁带存储器D.硬盘存储器3.某一SRAM芯片,容量为16KB×1位,则其地址线有__A__。
A.14根B.16K根C.16根D.32根4.下列部件中,存取速度最慢的是_B__。
A.光盘存储器B.CPU存储器C.软盘存储器D.硬盘存储器5.在主存和CPU之间增加Cache的目的是_C__。
A.扩大主存的容量B.增加CPU中通用寄存器的数量C.解决CPU和主存之间的速度匹配D.代替CPU中的寄存器工作6.计算机的存储器采用分级存储体系的目的是__D_。
A.便于读/写数据B.减小机箱的体积C.便于系统升级D.解决存储容量、价格与存取速度间的矛盾7.某SRAM芯片,其容量为1KB×8位,加上电源端和接地端后,该芯片的引出线的最少数目应为__A__。
A.23B.25C.50D.208.在Cache的地址映射中,若主存中的任意一块均可映射到Cache内的任意一块的位置上,则这种方法称为__A__。
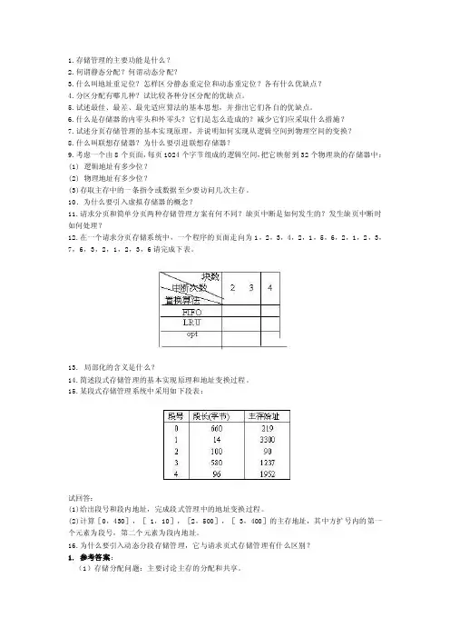
A.全相联映射B.直接映射C.组相联映射D.混合映射9.处理机有32位地址,则它的虚拟地址空间为_B__字节。
A.2GBB.4GBC.100KBD.640KB10.虚拟内存的容量只受__D_的限制。
A.物理内存的大小B.磁盘空间的大小C.数据存放的实际地址D.计算机地址字长11.以下_B__不是段式存储管理系统的优点。
A.方便编程B.方便内存管理C.方便程序共享D.方便对程序保护12.在可变分区分配方案中,最佳适应法是将空闲块按_C__次序排序。
A.地址递增B.地址递减C.大小递增D.大小递减13.在分区存储管理方式中,如果在按地址生序排列的未分配分区表中顺序登记了下列未分配分区:1-起始地址17KB,分区长度为9KB;2-起始地址54KB,分区长度为13KB;现有一个分区被释放,其起始地址为39KB,分区长度为15KB,则系统要_C__。
《操作系统》习题集:第3章存储管理第3章存储管理-习题集⼀、选择题1.把作业空间中使⽤的逻辑地址变为内存中物理地址称为()。
【*,★,联考】A. 加载B. 重定位C. 物理化D. 逻辑化2.为了保证⼀个程序在主存中改变了存放位置之后仍能正确执⾏,则对主存空间应采⽤()技术。
【*,★,联考】A. 静态重定位B. 动态重定位C. 动态分配D. 静态分配3.分区分配内存管理⽅式的主要保护措施是()。
(注:分区包括“固定分区”和“可变分区”)【**,09考研】A. 界地址保护B. 程序代码保护C. 数据保护D. 栈保护4.分区管理要求对每⼀个作业都分配()的内存单元。
【*,★,联考】A. 地址连续B. 若⼲地址不连续C. 若⼲连续的块D. 若⼲不连续的块5.在固定分区分配中,每个分区的⼤⼩是()。
【*,联考】A. 相同B. 随作业长度变化C. 可以不同但预先固定D. 可以不同但根据作业长度固定6.在可变式分区存储管理中的拼接技术可以()。
(注:拼接是指通过移动将多个分散的⼩分区合并成⼀个⼤分区。
)【*,★,联考】A. 集中空闲分区B. 增加内存容量C. 缩短访问周期D. 加速地址转换7.可变式分区存储管理中,采⽤拼接技术的⽬的是()。
【*,联考】A. 合并空闲分区B. 合并分配区C. 增加主存容量D. 便于地址转换8.某基于动态分区存储管理的计算机,其主存容量为55MB(初始为空),采⽤最佳适配算法,分配和释放的顺序为:分配15MB,分配30MB,释放15MB,分配8MB,分配6MB,此时主存中最⼤空闲分区的⼤⼩是()。
【**,★,10考研】A. 7MBB. 9MBC. 10MBD. 15MB9.在分页存储管理中,主存的分配是()。
【*,联考】A. 以块为单位进⾏B. 以作业的⼤⼩分配C. 以物理段进⾏分配D. 以逻辑记录⼤⼩进⾏分配10.⾸次适应算法的空闲分区是()。
【**,★,联考】A. 按⼤⼩递减顺序连在⼀起B. 按⼤⼩递增顺序连在⼀起C. 按地址由⼩到⼤排列D. 按地址由⼤到⼩排列11.最佳适应算法的空闲分区是()。
存储器管理一、单项选择题1.下列(A )存储方式不能实现虚拟存储器。
A、分区B、页式C、段式D、段页式2.操作系统处理缺页中断时,选择一种好的调度算法对主存和辅存中的信息进行高效调度尽可能地避免(D )。
A、碎片B、CPU空闲C、多重中断D、抖动3.分页式存储管理的主要特点是(C )。
A、要求处理缺页中断B、要求扩充主存容量C、不要求作业装入到主存的连续区域D、不要求作业全部同时装人主存4.LRU页面调度算法淘汰(B )的页。
A、最近最少使用B、最近最久未使用C、最先进入主存D、将来最久使用5.分区管理要求对每一个作业都分配(A )的主存单元。
A、地址连续B、若干地址不连续的C、若干连续的页D、若干不连续的帧6.页面置换算法中(A )不是基于程序执行的局部性理论。
A、先进先出调度算法B、LRUC、LFUD、最近最不常用调度算法7.在存储管理中,采用覆盖与交换技术的目的是(A )。
A、节省主存空间B、物理上扩充主存容量C、提高CPU的效率D、实现主存共享8.分页虚拟存储管理中,缺页中断时,欲调度一页进入主存中,内存己无空闲块,如何决定淘汰已在主存的块时,(B)的选择是很重要的。
A、地址变换B、页面调度算法C、对换方式D、覆盖技术9.动态重定位技术依赖于(A )。
A、重定位装入程序B、重定位寄存器C、地址结构D、目标程序10.(D )存储管理兼顾了段式在逻辑上清晰和页式在存储管理上方便的优点。
A、分段B、分页C、可变分区方式D、段页式11.在可变分区存储管理中,某作业完成后要收回其主存空间,该空间可能与相邻空闲区合并,修改空闲区表使空闲区始址改变但空闲区数不变的是(A)情况。
A、有上邻空闲区也有下邻空闲区B、有上邻空闲区但无下邻空闲区C、无上邻空闲区但有下邻空闲区D、无上邻空闲区且也无下邻空闲区12.可变分区管理中,首次适应分配算法可将空闲区表中的空闲区栏目按(A )顺序排列。
A、地址递增B、长度递增C、地址递减D、长度递减13.在固定分区分配中,每个分区的大小是(C )。
第5章一.选择题(40题)1.主存用来存放__D_。
A.程序B.数据C.微程序D.程序和数据2.下列存储器中,速度最慢的是_C__。
A.半导体存储器B.光盘存储器C.磁带存储器D.硬盘存储器3.某一SRAM芯片,容量为16KB×1位,则其地址线有__A__。
A.14根B.16K根C.16根D.32根4.下列部件中,存取速度最慢的是_B__。
A.光盘存储器B.CPU存储器C.软盘存储器D.硬盘存储器5.在主存和CPU之间增加Cache的目的是_C__。
A.扩大主存的容量B.增加CPU中通用寄存器的数量C.解决CPU和主存之间的速度匹配D.代替CPU中的寄存器工作6.计算机的存储器采用分级存储体系的目的是__D_。
A.便于读/写数据B.减小机箱的体积C.便于系统升级D.解决存储容量、价格与存取速度间的矛盾7.某SRAM芯片,其容量为1KB×8位,加上电源端和接地端后,该芯片的引出线的最少数目应为__A__。
A.23B.25C.50D.208.在Cache的地址映射中,若主存中的任意一块均可映射到Cache内的任意一块的位置上,则这种方法称为__A__。
A.全相联映射B.直接映射C.组相联映射D.混合映射9.处理机有32位地址,则它的虚拟地址空间为_B__字节。
A.2GBB.4GBC.100KBD.640KB10.虚拟内存的容量只受__D_的限制。
A.物理内存的大小B.磁盘空间的大小C.数据存放的实际地址D.计算机地址字长11.以下_B__不是段式存储管理系统的优点。
A.方便编程B.方便内存管理C.方便程序共享D.方便对程序保护12.在可变分区分配方案中,最佳适应法是将空闲块按_C__次序排序。
A.地址递增B.地址递减C.大小递增D.大小递减13.在分区存储管理方式中,如果在按地址生序排列的未分配分区表中顺序登记了下列未分配分区:1-起始地址17KB,分区长度为9KB;2-起始地址54KB,分区长度为13KB;现有一个分区被释放,其起始地址为39KB,分区长度为15KB,则系统要_C__。
1、某虚拟存储器的用户空间共有32个页面,每页1KB,主存16KB. 假定某时刻为用户的第0,1,2,3页分别分配的物理块号为5,10,4,7,试将虚拟地址0A5C和093C变换为物理地址.a.将0A5C变换为2进制为: 0000,1010,0101,1100,由于页面大小为1KB约为2的10次方,所以0A5C的页号为2,对应的物理块号为:4,所以虚拟地址0A5C的物理地址为125C; b.将093C变换为2进制为: 0000,1001,0011,1100,页号也为2,对应的物理块号也为4,此时虚拟地址093C的物理地址为113C.2、在一个请求分页系统中,采用LRU页面置换算法时,假如一个作业的页面走向为4,3,2,1,4,3,5,4,3,2,1,5,当分配给该作业的物理块数M分别为3和4时,试计算访问过程中所发生的缺页次数和缺页率?比较所得结果?答案:a.当分配给该作业的物理块数M为3时,所发生的缺页率为7,缺页率为: 7/12=0.583;b. 当分配给该作业的物理块数M为4时,所发生的缺页率为4,缺页率为: 4/12=0.333.3、什么是抖动? 产生抖动的原因是什么?a. 抖动(Thrashing)就是指当内存中已无空闲空间而又发生缺页中断时,需要从内存中调出一页程序或数据送磁盘的对换区中,如果算法不适当,刚被换出的页很快被访问,需重新调入,因此需再选一页调出,而此时被换出的页很快又要被访问,因而又需将它调入,如此频繁更换页面,以致花费大量的时间,我们称这种现象为"抖动";b. 产生抖动的原因是由于CPU的利用率和多道程序度的对立统一矛盾关系引起的,为了提高CPU利用率,可提高多道程序度,但单纯提高多道程序度又会造成缺页率的急剧上升,导致CPU的利用率下降,而系统的调度程序又会为了提高CPU利用率而继续提高多道程序度,形成恶性循环,我们称这时的进程是处于"抖动"状态.【例1】可变分区存储管理系统中,若采用最佳适应分配算法,“空闲区表”中的空闲区可按(A )顺序排列A、长度递增B、长度递减C、地址递增D、地址递减分析:最佳适应算法要求每次都分配给用户进程能够满足其要求的空闲区中最小的空闲区,所以为了提高算法效率,我们把所有的空闲区,按其大小以递增的顺序形成一空闲分区链这样,第一个找到的满足要求的空闲区,必然是符合要求中最小的所以本题的答案是A【例2】虚拟存储技术是(B )A、扩充主存物理空间技术B、扩充主存逻辑地址空间技术C、扩充外存空间的技术D、扩充输入/输出缓冲区技术分析:所谓虚拟存储器,是指仅把作业的一部分装入内存便可运行作业的存储器系统具体地说,所谓虚拟存储器是指具有请求调入功能和置换功能,能从逻辑上对内存容量进行扩充的一种存储器系统实际上,用户所看到的大容量只是一种感觉,是虚的,故称之为虚拟存储器虚拟存储技术是一种性能非常优越的存储器管理技术、故被广泛地应用于大、中、小型机器和微型机中所以本题的答案是B【例3】很好地解决了“零头”问题的存储管理方法是(A )A、分页存储管理方式B、分段存储管理方式C、多重分区管理D、可变式分区管理分析:“零头”也就是内存碎片,是指内存中无法被利用的小空闲区在有些内存管理方式下,系统运行一段时间后,内存的碎片会占据相当的数量的空间分段存储管理方式、多重分区管理、可变式分区管理都会因为内存分配回收产生“零头”,而分页存储管理方式,按事先划分好的内存块为单位分配回收内存,所以不会产生“零头”所以本题的答案是A【例4】系统“抖动”现象的发生是由(B )引起的A、交换的信息量过大B、置换算法选择不当C、内存容量不足D、请求分页管理方案分析:“抖动”现象是指刚被换出的页很快又要被访问,为此,又要换出其他页,而该页又很快被访问,如此频繁地置换页面,以致大部分时间都花在页面置换上交换的信息量过大,内存容量不足都不是引起系统“抖动”现象的原因,而选择的置换算法不当才是引起“抖动”现象的根本原因,例如,先进先出算法就可能产生“抖动”现象所以本题的答案是B【例5】虚拟存储管理系统的基础是程序的(C)理论A、全局性B、虚拟性C、局部性D、动态性分析:虚拟存储技术是基于程序的局部性原理的,程序的局部性原理体现在两个方面:时间局部性和空间局部性时间局部性是指一条指令被执行后,那么它可能很快会再次被执行,空间局部性是指若某一存储单元被访问,那么与该存储单元相邻的单元可能也会很快被访问所以本题的答案是C【例6】简述页和段的区别答:分页和分段有许多相似之处,但是在概念上两者完全不通,主要表现在:①页是信息的物理单位,分页是为了系统管理内存的方便而进行的,故对用户而言,分页是不可见的,是透明的;段是信息的逻辑单位,分段是作业逻辑上的要求,对用户而言,分段是可见的②页的大小是固定的,由系统决定;段的大小是不固定的,由用户作业本身决定③从用户角度看,分页的地址空间是一维的,而段的地址空间是二维的【例7】内存保护是否可以完全由软件来实现?为什么?答:内存保护的主要任务是确保每道程序都只在自己的内存内运行这就要求系统能对每条指令所访问的地址进行越界检查若发生越界,系统应能立即发现,并发出越界中断请求,以终止该指令若每次检查完全用软件来实现,则每执行一条指令,都要增加若干条指令去执行越界的检查功能,这无疑将降低程序的执行速度,因此,越界检查通常由硬件实现,并使指令的执行与越界检查功能并行执行,从而不使程序的运行速度降低当然,对发现有越界后的处理需要与软件配合来完成因此说内存保护功能是由硬件和软件共同完成的【例8】用可变分区方式管理主存时,假定主存中按地址顺序依次有五个空闲区,空闲区的大小为32K,10K,5K,228K,100K现有五个作业J1,J2,J3,J4和J5它们各需主存11K,10K,108K,28K,115K若采用首次适应分配算法能把这五个作业按J1~J5的次序全部装入主存吗?你认为按怎样的次序装入这五个作业可时主存空间的利用率最高?答:最先适应分配算法能把这五个作业按J1~J5的次序全部装入主存时,J1、J2分割第一个空闲区,剩11K;J3、J4分割第四个空闲区,剩92K;J5无法装入,所以用最先适应分配算法不能把这五个作业按J1~J5的次序全部装入主存如果先装入J3,装入第四个空闲区,剩余空间120K;再装入J5,装入第四个空闲区,剩余空间5K;再装入J4,装入第一个空闲区,剩余4K;再装入J1,J1装入第五个空闲区,剩余空间104K;再装入J2,装入第二个空闲区,这样效率最好【例9】简述什么是覆盖?什么是交换?覆盖和交换的区别是什么?答:所谓覆盖,是指同一主存区可以被不同的程序段重复使用通常一个作业由若干个功能上相互独立的程序段组成,作业在一次运行时,也只用到其中的几段,利用这样一个事实,我们就可以让那些不会同时执行的程序段共用同一个主存区所谓交换,就是系统根据需要把主存中暂时不运行的某个(或某些)作业部分或全部移到外存,而把外存中的某个(或某些)作业移到相应的主存区,并使其投入运行覆盖技术要求程序员必须把一个程序划分成不同的程序段,并规定好它们的执行和覆盖顺序,操作系统根据程序员提供的覆盖结构来完成程序之间的覆盖覆盖主要在同一个作业或同一个进程内进行;而交换主要是在进程或作业之间进行另外,覆盖只能覆盖那些与覆盖程序段无关的程序段【例10】对一个将页表放在内存中的分页系统:(1)如果访问内存需要0.2μs,有效访问时间为多少?(2)如果增加一个快表,且假定在快表中找到页表项的几率高达90%,则有效访问时间又是多少(假定查找快报需花的时间为0)?分析:每次访问数据时,若不使用快表,则需要两次访问内存,即先从内存的页表中读出页对应的块号,然后再根据形成的物理地址去存取数据;使用快表时,若能从快表中直接找到对应的页表项,则可立即形成物理地址去访问相应的数据,否则,仍需两次访问内存答:(1)有效访问时间为:2×0.2=0.4μs(2)有效访问时间为:0.9×0.2+(1-0.9)×2×0.2=0.22μs【例11】某系统采用分页存储管理方式,拥有逻辑空间32页,每页2K,拥有物理空间1M(1)写出逻辑地址的格式(2)若不考虑访问权限等,进程的页表项有多少项?每项至少有多少位?(3)如果物理空间减少一半,页表结构应相应作怎样的改变?答:该系统拥有逻辑空间32页,故逻辑地址中页号必须用5位来描述;而每页为2k,因此,页内地址必须用11位来描述,这样可得到它的逻辑地址格式如下:15 11 10 0(2)每个进程最多有32个页面,因此,进程的页表项最多为32项;若不考虑访问权限等,则页表项中只需给出页所对应的物理块号,1M的物理空间可分成29个物理块,故每个页表项至少有9位(3)如果物理空间减少一半,则页表中页表项数仍不变,但每项的长度可减少1位【例12】在分页存储管理系统中,逻辑地址的长度为16位,页面大小为4096字节,现有一逻辑地址为2F6AH,且第0、1、2页依次存放在物理块5、10、11中,问相应的物理地址是多少?分析:在分页存储管理系统中进行地址转换时,地址变换机构将自动把逻辑地址转化为页号和页内地址,如果页号不小于页表长度,则产生越界中断;否则便以页号为索引去检索页表,从中得到对应的块号,并把块号和页内位移分别送入物理地址寄存器的块号和块内位移字段中,形成物理地址答:由题目所给条件可知,分页存储管理系统的逻辑地址结构为: 15 12 11 0页号页内位移逻辑地址2F6AH的二进制表示如下: 0010 111101101010 页号页内位移由此可知逻辑地址2F6AH的页号为2,小于页表长度3,没有越界,该页存放在第11个物理块中,用十六进制表示块号为B,所以物理地址为BF6AH【例13】什么是虚拟存储器?如何实现分页虚拟存储管理系统?答:所谓虚拟存储器,是指仅把作业的一部分装入内存便可运行作业的存储器系统具体地说,所谓虚拟存储器是指具有请求调入功能和置换功能,能从逻辑上对内存容量进行扩充的一种存储器系统要实现分页虚拟存储管理系统,首先要扩充页表,扩充后的页表是在原来页表的基础上发展起来的,包括以下内容:页号、物理块号、状态位、访问位、修改位、外存地址其中状态位表示该页是否已经调入内存;访问位表示该页在内存期间是否被访问过;修改位表示该页在内存中是否被修改过,若未被修改,则在置换该页时就不需将该页写回到外存,以减少系统的开销和启动磁盘的次数;若已被修改,则在置换该页时必须把该页写回到外存,以保证外存中所保留的始终是最新副本;外存地址用于指出该页在外存上的地址,通常是物理块号,供调入该页时使用另外,还要使用两项关键技术:请求调页技术和页面置换技术【例14】在分页虚拟存储管理系统中,为什么说一条指令执行期间可能产生多次缺页中断?答:因分页虚拟管理方式中,只要作业的部分页在内存,该作业就能执行,而在执行过程中发现所要访问的指令或者数据不在内存时,则产生缺页中断,将所需的页面调入内存在分页虚拟存储管理系统中,一条指令(如Copy A to B )可能跨了两个页,而其中要访问的操作数可能也跨了两个页当要执行这类指令,而相应的页都不在内存时,就将产生多次缺页中断(如Copy A to B可能产生6次缺页中断)【例15】在分页虚拟存储管理系统中,假定系统为某进程分配了四个主存块(将开始4页先装入主存),页的引用顺序为:7,1,2,0,3,0,4,2,3,0,3,2,7,0,1,若采用FIFO调度算法、LRU调度算法时分别产生多少次缺页中断?依次淘汰的页分是什么?答:按照先进先出算法的原则:当发生缺页中断时,将淘汰最先调入主存的页面:页号 7 1 2 0 3 0 4 2 3 0 3 2 7 0 主存块的情况 7 7 7 7 3 3 3 3 3 3 3 3 3 3 1 1 1 1 1 1 4 4 4 4 4 4 4 4 2 2 2 2 2 2 2 2 2 2 2 2 7 7 0 0 0 0 0 0 0 0 0 0 0 0 0 0 淘汰页 7 1 2 共发生了3次缺页中断,依次淘汰的页位7、1、2按照最近最少用算法的原则:当发生缺页中断时,后者则淘汰最近一段时面内最久没有被访问的页面页号 7 1 2 0 3 0 4 2 3 0 3 2 7 0 主存块的情况 7 1 2 0 3 0 4 2 3 0 3 2 7 0 1 7 1 2 0 3 0 4 2 3 0 3 2 7 2 2 7 1 2 2 3 0 4 2 2 0 3 2 0 0 0 7 1 1 2 3 0 4 4 4 0 3 淘汰页 7 1 4 发生了3次缺页中断,依次淘汰的页位7、1、4【例16】现有一分页虚拟存取管理系统,其页表保存在寄存器中若有一个可用的空页或被替换的页未被修改,则它处理一个缺页中断需要8ms如果被替换的页已被修改,则处理一个缺页中断需要20ms内存存取时间为1μs假定70%被替换的页被修改过,为保证有效存取时间不超过2μs,可接受的最大缺页率是多少?分析:因为页表放在寄存器里,所以访问页表的时间可以忽略不计则存取时间就包括内存存取时间和处理缺页中断的时间答:如果用P表示缺页率,则有效访问时间不超过2μs可表示为:(1-p)×1μs+p×(0.7×20ms+0.3×8ms+1μs)≤2μs因此可计算出:p≤1/16400≈0.000062.下列(A )存储方式不能实现虚拟存储器A、分区B、页式C、段式D、段页式3.操作系统处理缺页中断时,选择一种好的调度算法对主存和辅存中的信息进行高效调度尽可能地避免(D )A、碎片B、CPU空闲C、多重中断D、抖动4.分页式存储管理的主要特点是(C )A、要求处理缺页中断B、要求扩充主存容量C、不要求作业装入到主存的连续区域D、不要求作业全部同时装人主存5.LRU页面调度算法淘汰(B )的页A、最近最少使用B、最近最久未使用C、最先进入主存D、将来最久使用6.虚拟存储器实际容量受(B )限制A、物理主存的大小B、计算机的地址结构C、磁盘容量D、数据存放的绝对地址7.分区管理要求对每一个作业都分配(A)的主存单元A、地址连续B、若干地址不连续的C、若干连续的页D、若干不连续的帧8.页面置换算法中(A )不是基于程序执行的局部性理论A、先进先出调度算法B、LRUC、LFUD、最近最不常用调度算法9.在存储管理中,采用覆盖与交换技术的目的是(A)A、节省主存空间B、物理上扩充主存容量C、提高CPU的效率D、实现主存共享10.分页虚拟存储管理中,缺页中断时,欲调度一页进入主存中,内存己无空闲块,如何决定淘汰已在主存的块时,(B )的选择是很重要的A、地址变换B、页面调度算法C、对换方式D、覆盖技术11.动态重定位技术依赖于(B )A、重定位装入程序B、重定位寄存器C、地址结构D、目标程序12.(D)存储管理兼顾了段式在逻辑上清晰和页式在存储管理上方便的优点A、分段B、分页C、可变分区方式D、段页式13.在可变分区存储管理中,某作业完成后要收回其主存空间,该空间可能与相邻空闲区合并,修改空闲区表使空闲区始址改变但空闲区数不变的是(C )情况A、有上邻空闲区也有下邻空闲区B、有上邻空闲区但无下邻空闲区C、无上邻空闲区但有下邻空闲区D、无上邻空闲区且也无下邻空闲区14.可变分区管理中,首次适应分配算法可将空闲区表中的空闲区栏目按(A )顺序排列A、地址递增B、长度递增C、地址递减D、长度递减15.在固定分区分配中,每个分区的大小是(C )A、随作业长度变化B、相同C、可以不同但预先固定D、可以不同但根据作业长度固定16.存储管理主要管理的是( C )A、外存存储器用户区B、外存存储器系统区C、主存储器用户区D、主存储器系统区17.下述(B )页面置换算法会产生Belady现象A、最佳置换算法B、先进先出算法C、LRU算法D、Clock算法18.作业执行中发生了缺页中断,经操作系统处理后,应让其执行(C )指令A、被中断的前一条B、被中断的后一条C、被中断的D、启动时的第一条19可变分区方式常用的主存分配算法中,(A)总是找到能满足作业要求的最小空闲区分配A、最佳适应算法B、首次适应算法C、最坏适应算法D、循环首次适应算法20可变分区方式常用的主存分配算法中,(C)总是找到能满足作业要求的最大空闲区分配A、最佳适应算法B、首次适应算法C、最坏适应算法D、循环首次适应算法二、多项选择题1.不需硬件地址转换机构支撑的存储管理方式是(AD )A、单用户连续方式B、可变分区方式C、页式和段式D、固定分区方式E、段页式2.可用上下界限寄存器实现存储保护的是(ACE )存储管理A、分段B、段页式C、可变分区D、分页E、固定分区3.在下列存储器管理方案中,能实现虚拟存储的是(CD )A、分区管理B、分页存储管理C、请求分页存储管理D、请求分段存储管理E、段页式存储管理4.在下列算法中,可用于页面置换算法的是(ABE ) A、先进先出算法 B、LRU算法C、优先级高者优先算法 D、时间片轮转法E、Clock算法三、填空题1.在存储器管理中,页是信息的物理单位,段是信息的逻辑单位页面大小由系统确定,段的大小由_用户作业本身确定2.将作业地址空间中的逻辑地址转换为主存中的物理地址的过程称为地址转换3.为了解决碎片问题,可采用一种方法,将内存中的所有作业进行移动,使原来分散的多个小分区拼接成一个大分区,这种方法称为紧凑4.覆盖技术的关键是提供正确的覆盖结构5.页表的作用是实现从页号到物理块号的映射6.程序执行的局部性原理体现在时间局部性和空间局部性两个方面7.在分页虚拟存储管理方式中,常采用的页面置换算法有:最佳置换算法,淘汰不再使用或最远的将来才使用的页;先进先出算法,选择淘汰在主存驻留时间最长的页;最近最少使用算法,选择淘汰离当前时刻最近的一段时间内使用得最少的页8.所谓虚拟存储器是指具有请求调入功能和置换功能,能从逻辑上对内存容量进行扩充的一种存储器系统9、可变分区中为提高主存利用率,采用紧凑技术,但这样做花费处理器时间,增加系统开销11.段页式存储管理兼顾了段式在逻辑上清晰和页式存储管理上方便的优点.12.页面调度算法的选择是很重要的,如果选用了一个不合适调度算法就会出现这样的现象,刚被淘汰的页面又立即要用,把它调入,不久又被调出,调出不久又再次调入,如此反复,使调度时间非常频繁,以致大部分时间都花费在来回调度上,这种现象叫做抖动,又称颠簸13.页式存储管理中,进行存储分配时,以块为单位进行分配,采用不连续的分配办法,作业信息可以按页分散在主存不连续的主存块中。
第3章存储管理3.1 计算机系统中的存储器3.2 重定位1.主存的地址空间常称为P39 ( C )A.逻辑地址空间B.程序地址空间C.物理地址空间D.相对地址空间2.支持程序浮动的地址转换机制是P40 ( D )A. 页式地址转换B. 段式地址转换C. 静态重定位D. 动态重定位3.要保证一个程序在主存中被改变了存放位置后仍能正确执行,则对主存空间应采用下列哪个技术。
( B )A.静态重定位B.动态重定位C.动态分配D.静态分配4.动态重定位是在下列哪种情况下完成的( C )A. 作业执行前集中一次B.作业执行过程中集中一次C.作业执行过程中D.作业执行过程中由用户完成5.采用静态重定位方式装入的作业,在作业执行过程中进行地址转换的是( B )A. 由软件和硬件相互配合B. 由软件独立C. 只需要硬件D. 不需要3.3 单用户连续存储管理6.在以下存贮管理方案中,不适用于多道程序设计系统的是( A )A. 单用户连续分配B. 固定式分区分配C. 可变式分区分配D. 页式存贮管理7.MS-DOS的内存空间采用的存储管理方式是( D )A.固定分区B.可变分区C.页式D.单连续3.4 固定分区存储管理8.采用固定分区方式管理主存储器的最大缺点是( B )A.不利于存储保护B.主存空间利用率不高C.要有硬件的地址转换机构D.分配算法复杂9.下面的存储管理方案中,可以采用静态重定位的是( A )A.固定分区B.可变分区C.页式D.段式3.5 可变分区存储管理10.每次分配时总是顺序查找空闲区表,找到第一个能满足作业长度要求的空闲区,此种分配算法称为( A )A. 最先适应分配算法B. 最优适应分配算法C. 最坏适应分配算法D. 随机适应分配算法11.在可变分区存储管理中,为了实现主存的空间分配,应设置( D )A.页表B.段表C.位示图D.空闲区表12.在可变分区分配方案中,为了实现主存的空间分配,管理采用( D )A.页表B.段表C.段表+页表D.分区分配表+空闲区表13.在可变式分区存储管理中,某作业完成后要收回其主存空间,该空间可能与相邻空闲区合并,在修改空闲区表时使空闲区数不变且空闲区起始地址不变的情况是( C )A.无上邻空闲区也无下邻空闲区B.有上邻空闲区但无下邻空闲区C.无上邻空闲区但有下邻空闲区D.有上邻空闲区也有下邻空闲区14.在一个可变分区存储管理中,最坏适应分配算法宜将空闲区表中的空闲区按下列次序排列的是( D )A.地址递增B.地址递减C.长度递增D.长度递减15.可变分区方式常用的主存分配算法有:最先适应、最优适应和最坏适应分配算法,其中,按分区大小排序组织空闲区表的是( B )A. 最先适应和最坏适应B. 最优适应和最坏适应C. 最先适应和最优适应D. 最先适应、最优适应和最坏适应3.6 页式虚拟存储管理16.实现虚拟存储器的目的是( A )A.扩充主存容量B.扩充辅存容量C.实现存储保护D.加快存取速度17.分页式存储管理时,每读写一个数据,要访问主存( B )A. 1次B. 2次C. 3次D. 4次18.在存储管理的各方案中,可扩充主存容量的管理方案是( D )A. 固定式分区分配B. 可变式分区分配C. 页式存储管理D. 分页虚拟存储管理19.页式存储管理中的页表是由( C )A. 用户建立B. 编译程序建立C. 操作系统建立D. 编辑程序建立20.在页式虚拟存储管理中,为实现地址变换,应建立( C )A. 空闲区表B. 分区分配表C. 页表D. 段表21.在采用页式存储管理的系统中,( B )A. 不可以把作业分散到几个不连续的主存区域B. 不需要采用移动技术移动作业区C. 不需要硬件支持 D .不采用动态重定位的方式装入作业22.在页式存储管理方案中,为地址转换提供依据需建立( A )A.页表B.段表C.段表和页表D.空闲区表23.LRU页面调度算法是选择先调出的页面是( B )A.最近才使用的B.最久未被使用的C.驻留时间最长的D.驻留时间最短的24.如果处理器有32位地址,则它的虚拟地址空间为( B )A. 2GBB. 4GBC. 640KBD. 16MB25.在请求页式存储管理中,产生缺页中断是因为查找的页不在( B )A. 外存中B. 虚存中C. 内存中D. 地址空间中26.采用段式存储管理的系统中,若地址用24位表示,其中8位表示段号,则允许每段的最大长度是( B )A. 224B. 216C. 28D. 2321.把逻辑地址转换成绝对地址的工作称为。
1.存储管理的主要功能是什么?2.何谓静态分配?何谓动态分配?3.什么叫地址重定位?怎样区分静态重定位和动态重定位?各有什么优缺点?4.分区分配有哪几种?试比较各种分区分配的优缺点。
5.试述最佳、最差、最先适应算法的基本思想,并指出它们各自的优缺点。
6.什么是存储器的内零头和外零头?它们是怎么造成的?减少它们应采取什么措施?7.试述分页存储管理的基本实现原理,并说明如何实现从逻辑空间到物理空间的变换?8.什么叫联想存储器?为什么要引进联想存储器?9.考虑一个由8个页面,每页1024个字节组成的逻辑空间,把它映射到32个物理块的存储器中:(1) 逻辑地址有多少位?(2) 物理地址有多少位?(3)存取主存中的一条指令或数据至少要访问几次主存。
10.为什么要引入虚拟存储器的概念?11.请求分页和简单分页两种存储管理方案有何不同?缺页中断是如何发生的?发生缺页中断时如何处理?12.在一个请求分页存储系统中,一个程序的页面走向为1,2,3,4,2,1,5,6,2,1,2,3,7,6,3,2,1,2,3,6请完成下表。
13. 局部化的含义是什么?14.简述段式存储管理的基本实现原理和地址变换过程。
15.某段式存储管理系统中采用如下段表:试回答:(1)给出段号和段内地址,完成段式管理中的地址变换过程。
(2)计算[0,430],[ 1,10],[2,500],[ 3,400]的主存地址,其中方扩号内的第一个元素为段号,第二个元素为段内地址。
16.为什么要引入动态分段存储管理,它与请求页式存储管理有什么区别?1. 参考答案:(1)存储分配问题:主要讨论主存的分配和共享。
(2)地址变换问题:主要讨论各种地址变换机构,以及静态和动态地址重定位方法。
(3)"扩充"主存容量问题:借助于提供虚拟存储器或自动覆盖技术来达到扩充主存容量的目的,并非指硬件设备上的扩充。
(4)存储保护问题:主存内即有系统程序又有若干道用户程序,为了避免相互干扰和破坏,必须提供保护功能。
第五章存储管理一. 选择最合适的答案1.分页存储管理的存储保护是通过( )完成的.A.页表(页表寄存器)B.快表C.存储键D.索引动态重定2.把作业地址空间中使用的逻辑地址变成内存中物理地址称为()。
A、加载B、重定位C、物理化D、逻辑化3.在可变分区存储管理中的紧凑技术可以()。
A.集中空闲区B.增加主存容量C.缩短访问时间D.加速地址转换4.在存储管理中,采用覆盖与交换技术的目的是( )。
A.减少程序占用的主存空间B.物理上扩充主存容量C.提高CPU效率D.代码在主存中共享5.存储管理方法中,( )中用户可采用覆盖技术。
A.单一连续区 B. 可变分区存储管理C.段式存储管理 D. 段页式存储管理6.把逻辑地址转换成物理地址称为()。
A.地址分配B.地址映射C.地址保护D.地址越界7.在内存分配的“最佳适应法”中,空闲块是按()。
A.始地址从小到大排序B.始地址从大到小排序C.块的大小从小到大排序D.块的大小从大到小排序8.下面最有可能使得高地址空间成为大的空闲区的分配算法是()。
A.首次适应法B.最佳适应法C.最坏适应法D.循环首次适应法9.硬盘容量1G,内存容量为1024k,那么虚拟存储器最大实际容量可能是( ) 。
A.1024KB.1024MC.10GD.10G+1M10.用空白链记录内存空白块的主要缺点是()。
A.链指针占用了大量的空间B.分配空间时可能需要一定的拉链时间C.不好实现“首次适应法”D.不好实现“最佳适应法”11.一般而言计算机中()容量(个数)最多.A.ROMB.RAMC.CPUD.虚拟存储器12.分区管理和分页管理的主要区别是()。
A.分区管理中的块比分页管理中的页要小B.分页管理有地址映射而分区管理没有C.分页管理有存储保护而分区管理没有D.分区管理要求一道程序存放在连续的空间内而分页管理没有这种要求。
13.静态重定位的时机是()。
A.程序编译时B.程序链接时C.程序装入时D.程序运行时14.通常所说的“存储保护”的基本含义是()A.防止存储器硬件受损B.防止程序在内存丢失C.防止程序间相互越界访问D.防止程序被人偷看15.能够装入内存任何位置的代码程序必须是( )。
操作系统原理第五章存储管理习题5.3 习题5.3.1选择最合适的答案1.分页存储管理的存储保护是通过( )完成的.A.页表(页表寄存器)B.快表C.存储键D.索引动态重定2.把作业地址空间中使⽤的逻辑地址变成内存中物理地址称为()。
A、加载B、重定位C、物理化D、逻辑化3.在可变分区存储管理中的紧凑技术可以()。
A.集中空闲区B.增加主存容量C.缩短访问时间D.加速地址转换4.在存储管理中,采⽤覆盖与交换技术的⽬的是( )。
A.减少程序占⽤的主存空间B.物理上扩充主存容量C.提⾼CPU效率D.代码在主存中共享5.存储管理⽅法中,( )中⽤户可采⽤覆盖技术。
A.单⼀连续区 B. 可变分区存储管理C.段式存储管理 D. 段页式存储管理6.把逻辑地址转换成物理地址称为()。
A.地址分配B.地址映射C.地址保护D.地址越界7.在内存分配的“最佳适应法”中,空闲块是按()。
A.始地址从⼩到⼤排序B.始地址从⼤到⼩排序C.块的⼤⼩从⼩到⼤排序D.块的⼤⼩从⼤到⼩排序8.下⾯最有可能使得⾼地址空间成为⼤的空闲区的分配算法是()。
A.⾸次适应法B.最佳适应法C.最坏适应法D.循环⾸次适应法9.硬盘容量1G,内存容量为1024k,那么虚拟存储器最⼤实际容量可能是( ) 。
A.1024KB.1024MC.10GD.10G+1M10.⽤空⽩链记录内存空⽩块的主要缺点是()。
A.链指针占⽤了⼤量的空间B.分配空间时可能需要⼀定的拉链时间C.不好实现“⾸次适应法”D.不好实现“最佳适应法”11.⼀般⽽⾔计算机中()容量(个数)最多.A.ROMB.RAMC.CPUD.虚拟存储器12.分区管理和分页管理的主要区别是()。
A.分区管理中的块⽐分页管理中的页要⼩B.分页管理有地址映射⽽分区管理没有C.分页管理有存储保护⽽分区管理没有D.分区管理要求⼀道程序存放在连续的空间内⽽分页管理没有这种要求。
13.静态重定位的时机是()。
A.程序编译时B.程序链接时C.程序装⼊时D.程序运⾏时14.通常所说的“存储保护”的基本含义是()A.防⽌存储器硬件受损B.防⽌程序在内存丢失C.防⽌程序间相互越界访问D.防⽌程序被⼈偷看15.能够装⼊内存任何位置的代码程序必须是( )。
存储管理练习题一一、单项选择题1.采用可重入程序是通过使用()的方法来改善响应时间的。
A 减少用户数目B改变时间片长短C 加快对换速度D 减少对换信息量( D可重入程序是指该程序被某进程调用,但还未结束,又被另一个进程调用。
可重入程序是通过减少对换信息量来改善系统响应时间的。
可重入程序主要通过共享来使用同一块存储空间的,或者通过动态链接的方式将所需的程序段映射到相关进程中去,其最大的优点是减少了对程序段的调入调出。
由此来减少对换信息量。
)2.段式存储管理中,用于记录作业分段在主存中的起始地址和长度的是()A基址寄存器和很长寄存器 B 段表C 界限寄存器D 上、下限寄存器答案:B3.固定分区存储管理中,CPU在执行作业的指令时,均会核对不等式()是否成立,若不成立,则产生地址越界中断事件,中止该指令的执行。
A界限寄存器≤绝对地址≤最大地址B下限地址≤绝对地址<上限地址C 基址寄存器内容≤绝对地址≤限长寄存器内容D基址寄存器内容<绝对地址<限长寄存器内容答案:B固定分区存储管理(适合多道程序设计)1.分区的定义固定分区存储管理是把主存储器中可分配的用户区域预先划分成若干个连续区,每一个连续区称为一个分区。
2.固定分区存储管理的特点(1)分区大小固定(2)分区数目固定。
3.主存空间的分配与回收存储管理设置“分区分配表”来说明各分区的分配和使用情况。
表中指出各分区的起始地址和长度,并为每个分区设置一个标志位。
标志位为“0”表示分区空间,非“0”表示分区已被占用。
当有作业要装入分区,存储管理分配主存区域时,根据作业地址空间的长度与标志为“0”的分区的长度比较,当有分区长度能容纳该作业时,则把作业装入该分区,且把作业名填到占用标志位上。
否则,该作业暂时不能装入。
作业运行结束后,根据作业名查分区分配表,把该分区的占用标志置成“0”以示空闲。
4.地址转换和存储保护因作业存放区域不会改变,可采用静态重定位方式把作业装入所在的分区号,且把该分区的下限地址和上限地址分别送入下限寄存器和上限寄存器中。
存储管理练习题(一)单项选择题1.存储管理的目的是(C)A.方便用户B.提高主存空间利用率C.方便用户和提高主存利用率D.增加主存实际容量2为了实现存储保护,对共享区域中的信息(B)。
A.既可读,又可写B.只可读,不可修改C.能执行,可修改D.既不可读,也不可写3.单连续存储管理时,若作业地址空间大于用户空间,可用(D)把不同时工作的段轮流装入主存区执行。
A对换技术B.移动技术C煨拟存储技术D.覆盖技术4.把一个分区的存储管理技术用于系统吋,可采用(B )让多个用户作业轮流进入主存储器执行。
A.存储技术B.对换技术C.覆盖技术D虚拟存储技术5.动态重定位是在作业的(D )中进行的。
A.编译过程B.装入过程C.修改过程D执行过程6.(A)要求存储分配时具有连续性。
A.固定分区存储管理B.可变分区存储管理C.段式存储管理D.段页式存储管理7.固定分区存储管理一般采用(D)进行主存空间的分配。
A.最先适应分配算法B.最优适应分配算法C.最坏适应分配算法D.顺序分配算法8.(C)存储管理支持多道程序设计,算法简单,但存储碎片多。
A.段式B.页式C.固定分区D.段页式9.固定分区存储管理中存储保护用(B)关系式进行核对。
A.逻辑地址三限长寄存器值B.下限寄存器值冬绝对地址三上限寄存器值C.界限地址三绝对地址三主存最大地址D.段内地址S段表中对应段的限长10.提高主存利用率主要是通过(A)实现的。
A.内存分配B.内存保护C•地址转换D.内存扩充12.可变分区存储管理时采用的地址转换公式为(C)。
A.绝对地址=界限寄存器值+逻辑地址B.绝对地址=下限寄存器值+逻辑地址C.绝对地址=基址寄存器值+逻辑地址D.绝对地址=块号x块长m页内地址13.公式“绝对地址=下限寄存器+逻辑地址”被用来在(B )中做地址转换。
A. 一个分区存储管理B.固定分区存储管理C.可变分区存储管理D.页式存储管理14.可变分区管理方式按作业需求量分配主存分区,所以(D)。
5.3 习题5.3.1选择最合适的答案1.分页存储管理的存储保护是通过( )完成的.A.页表(页表寄存器)B.快表C.存储键D.索引动态重定2.把作业地址空间中使用的逻辑地址变成内存中物理地址称为()。
A、加载B、重定位C、物理化D、逻辑化3.在可变分区存储管理中的紧凑技术可以()。
A.集中空闲区B.增加主存容量C.缩短访问时间D.加速地址转换4.在存储管理中,采用覆盖与交换技术的目的是( )。
A.减少程序占用的主存空间B.物理上扩充主存容量C.提高CPU效率D.代码在主存中共享5.存储管理方法中,( )中用户可采用覆盖技术。
A.单一连续区 B. 可变分区存储管理C.段式存储管理 D. 段页式存储管理6.把逻辑地址转换成物理地址称为()。
A.地址分配B.地址映射C.地址保护D.地址越界7.在内存分配的“最佳适应法”中,空闲块是按()。
A.始地址从小到大排序B.始地址从大到小排序C.块的大小从小到大排序D.块的大小从大到小排序8.下面最有可能使得高地址空间成为大的空闲区的分配算法是()。
A.首次适应法B.最佳适应法C.最坏适应法D.循环首次适应法9.硬盘容量1G,内存容量为1024k,那么虚拟存储器最大实际容量可能是( ) 。
A.1024KB.1024MC.10GD.10G+1M10.用空白链记录内存空白块的主要缺点是()。
A.链指针占用了大量的空间B.分配空间时可能需要一定的拉链时间C.不好实现“首次适应法”D.不好实现“最佳适应法”11.一般而言计算机中()容量(个数)最多.A.ROMB.RAMC.CPUD.虚拟存储器12.分区管理和分页管理的主要区别是()。
A.分区管理中的块比分页管理中的页要小B.分页管理有地址映射而分区管理没有C.分页管理有存储保护而分区管理没有D.分区管理要求一道程序存放在连续的空间内而分页管理没有这种要求。
13.静态重定位的时机是()。
A.程序编译时B.程序链接时C.程序装入时D.程序运行时14.通常所说的“存储保护”的基本含义是()A.防止存储器硬件受损B.防止程序在内存丢失C.防止程序间相互越界访问D.防止程序被人偷看15.能够装入内存任何位置的代码程序必须是( )。
第四章存储管理习题一、选择题1、存储分配解决多道作业(A)的划分问题。
为了解决静态和动态存储分配,需采用地址重定位,即把(B)变换成(C),静态重定位由(D)实现,动态重定位由(E)实现。
A:①地址空间②符号名空间③主存空间④虚拟空间B、C:①页面地址②段地址③逻辑地址④物理地址⑤外存地址⑥设备地址D~E:①硬件地址变换机构②执行程序③汇编程序④连接装入程序⑤调试程序⑥编译程序⑦解释程序2、提高主存利用率主要是通过(A)功能实现的。
(A)的基本任务是为每道程序做(B);使每道程序能在不受干扰的环境下运行,主要是通过(C)功能实现的。
A、C:①主存分配②主存保护③地址映射④主存扩充B:①逻辑地址到物理地址的变换;②内存与外存间的交换;③允许用户程序的地址空间大于内存空间;④分配内存3、由固定分区方式发展为分页存储管理方式的主要推动力是(A);由分页系统发展为分段系统,进而以发展为段页式系统的主要动力分别是(B)。
A~B:①提高主存的利用率;②提高系统的吞吐量;③满足用户需要;④更好地满足多道程序运行的需要;⑤既满足用户要求,又提高主存利用率。
4、静态重定位是在作业的(A)中进行的,动态重定位是在作业的(B)中进行的。
A、B:①编译过程;②装入过程;③修改过程;④执行过程5、对外存对换区的管理应以(A)为主要目标,对外存文件区的管理应以(B)为主要目标。
A、B:①提高系统吞吐量;②提高存储空间的利用率;③降低存储费用;④提高换入换出速度。
6、从下列关于虚拟存储器的论述中,选出一条正确的论述。
①要求作业运行前,必须全部装入内存,且在运行中必须常驻内存;②要求作业运行前,不必全部装入内存,且在运行中不必常驻内存;③要求作业运行前,不必全部装入内存,但在运行中必须常驻内存;④要求作业运行前,必须全部装入内存,且在运行中不必常驻内存;7、在请求分页系统中有着多种置换算法:⑴选择最先进入内存的页面予以淘汰的算法称为(A);⑵选择在以后不再使用的页面予以淘汰的算法称为(B);⑶选择自上次访问以来所经历时间最长的页面予淘汰的算法称为(C);A~D:①FIFO算法;②OPT算法;③LRU 算法;④NRN算法;⑤LFU算法。
存储管理部分练习题一、选择题:1、把作业地址空间中使用的逻辑地址变成内存中的物理地址称为()。
A、加载B、重定位C、物理化D、逻辑化2、虚存的基础是(),其基本含义是()。
A、局部性理论B、代码的顺序执行C、程序执行时对内存访问不均匀D、变量的连续访问E、指令局部性3、某系统采用基址、限长寄存器保护方法实现存储保护,在这种方法中判断是否越界的判别式为()。
A、0≤被访问的物理地址<基址寄存器的内容B、0≤被访问的物理地址≤寄存器的内容C、0≤被访问的逻辑地址<限长寄存器的内容D、0≤被访问的逻辑地址≤限长寄存器的内容4、最佳适应算法的空白区是()。
A、按大小递增顺序排列的B、按大小递减顺序排列的C、按地址由小到大排列的D、按地址有大到小排列的5、在页式存储管理中,每当CPU形成一个有效地址(虚地址)时,要查页表,这一工作是由()实现的,操作系统()感知页表的存在。
A、硬件自动B、操作系统C、查表程序D、存取控制程序E、能够F、不能够6、具有虚拟存储功能的管理方法包括()。
A、可变分区存储管理B、页式存储管理C、段式存储管理D、段页式存储管理7、采用()不会产生内部碎片。
A、分页式存储管理B、分段式存储管理C、固定分区式存储管理D、段页式存储管理8、测得某个采用按需调页(Demand-Paging)策略的计算机系统部分状态数据为:CPU利用率20%,用于对换空间的硬盘的利用率97.7%,其他设备的利用率5%,由此断定系统出现异常。
此种情况下,()能提高利用率。
A、安装一个更快的硬盘B、通过扩大硬盘容量,增加对换空间C、增加运行进程数D、加内存条,增加物理空间容量二、填空题:1、为了支持多道程序运行,存储管理的主要功能应该是()、()、()。
2、虚拟存储器的最大容量是由()决定的。
3、在可变分区存储管理中,分区的保护通常采用()和()两种方式。
4、在分区分配算法中,首次适应算法倾向于优先利用内存中()部分的空闲分区,从而把保留了()部分的大空闲区。