钢结构主体整体垂直度、平面弯曲、标高观测记录
- 格式:doc
- 大小:35.50 KB
- 文档页数:1
钢结构垂直度测量记录1. 介绍嘿,朋友们,今天咱们聊聊钢结构的垂直度测量。
这一话题可以说是建筑行业的“头等大事”,就像吃饭要先洗手,建房子也得先保证垂直度。
想象一下,如果你的建筑像个摇摇欲坠的玩具,那可真是让人心惊胆战呢!所以,我们可不能马虎,必须认真对待。
2. 垂直度的概念2.1 什么是垂直度?垂直度,简单来说,就是建筑物要直得像一根插在地里的烤串,不能歪歪扭扭。
如果建筑的垂直度不好,咱们后期施工的会很麻烦,装个窗户都得买个心脏药。
听着就让人心累。
2.2 测量的重要性那测量垂直度到底有多重要呢?你看看那些高楼大厦,如果没测好,哪天一场大风,可能就“风一吹,天上掉”。
不过,别担心,有了专业的测量工具和团队,咱们这“天上掉”就能变成“稳稳的幸福”。
3. 测量的步骤3.1 前期准备首先,测量之前得做好准备工作。
一台激光水平仪,一个卷尺,还有那份必须的耐心,全都准备好。
说实话,这和备考一样,越认真越不容易出错。
然后,咱要找出测量的基准点,这就像是定个导航,避免走弯路。
3.2 实际操作接下来的步骤怎么做呢?把激光水平仪放到基准点,开机,哇塞,那激光光束就像一道闪电,直挺挺地射向建筑物。
然后,咱们就开始认真认真地记录数据。
得注意啦,轻轻松松一测,不可大意。
如果误差超出标准,就得回去再调调,重来一次,就像打麻将,打错了牌可得倒追。
4. 结果分析4.1 数据分析完成测量后,咱们得分析一下数据。
这时候像个侦探,找出问题所在。
如果发现垂直度不达标,嘿,那可不行,得赶紧处理。
4.2 调整措施调整措施可以说是“后手”,需要仔细考虑。
比如说,调整支撑结构位置,或者加点撑刀,确保结构的稳定。
就好比是给花儿浇水,该补的地方一定要补到位,才能开出更美丽的花。
5. 小结好啦,今天钢结构的垂直度测量就说到这儿。
通过这一过程,咱们可以清晰看到,整个测量过程别看繁琐,其实蕴含了不少道理。
秉持着认认真真的态度,最终结果才能给人以“稳稳的幸福”。
钢结构主体整体垂直度、平面弯曲、标高观测记录鲁GG-015工程名称*******工程抄测日期施工阶段主钢架完成观测日期观测说明与示意图(可附后):全高垂直度及标高测点设置见附图:注:本钢结构檐口高度为17.6m,选取点1\2\3\4\5进行测量,全高垂直度及标高测点设置如图所示。
垂直度测量(全高)平面弯曲(整体)标高测量(全高)观测部位实测偏差(mm)观测部位实测偏差(mm)观测部位实测偏差(mm)1 5 1 5 1 -32 4 2 7 2 33 6 3 3 3 54 5 4 5 4 -15 3 5 2 5 -3设计及规范要求(mm)H/1000,且≯25.0设计及规范要求(mm)L/1500,且≯25.0设计及规范要求(mm)+5,-8施测人:检查结论:验收意见建设(监理)单位:专业负责人:年月日施工单位:*******集团有限公司项目技术负责人:年月日山东省建设工程质量监督总站监制钢结构主体整体垂直度、平面弯曲、标高观测记录鲁GG-015工程名称*********工程结构形式门式刚架施工阶段屋面板完成观测日期观测说明与示意图(可附后):本钢结构檐口高度为17.6m,选取边柱及中间柱轴进行测量。
垂直度测量(全高)平面弯曲(整体)标高测量(全高)观测部位实测偏差(mm)观测部位实测偏差(mm)观测部位实测偏差(mm)1 2 1 6 1 12 4 2 4 2 23 3 3 5 3 54 4 4 3 4 -15 2 5 2 5 2设计及规范要求(mm)H/1000,且≯25.0设计及规范要求(mm)H/1500,且≯25.0设计及规范要求(mm)+5,-8施测人:检查结论:验收意见建设(监理)单位:专业负责人:年月日施工单位:*******集团有限公司项目技术负责人:年月日山东省建设工程质量监督总站监制。
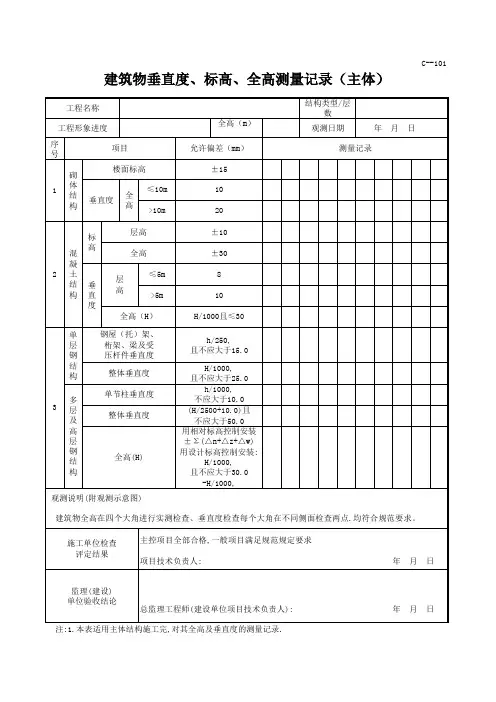
钢结构工程整体垂直度和整体平面弯曲测量记录H1000,且不应大于25.0L1500,且不应大于25.0H2500,且不应大于25.0L1500,且不应大于25.0验 收结 论施工单位项目专业质量检查员(签名):项目专业技术负责人(签名):年 月 日专业监理工程师(签名):(建设单位项目专业技术负责人)年 月 日钢结构工程整体垂直度和整体平面弯曲测量记录说明《钢结构工程施工质量验收规范》GB50305200110.3.4 单层钢结构主体结构的整体垂直度和整体平面弯曲的允许偏差应符合表10.3.4的规定。
检查数量:对主要立面全部检查。
对每个所检查的立面,除两列角柱外,尚应至少选取一列中间柱。
检验方法:采用经纬仪、全站仪等测量。
表10.3.4 整体垂直度和整体平面弯曲的允许偏差(mm) 项 目允 许 偏 差图 例主体结构的整体垂直度H1000,且不应大于25.0主体结构的整体平面弯曲L1500,且不应大于25.011.3.5 多层及高层钢结构主体结构的整体垂直度和整体平面弯曲的允许偏差应符合表11.3.5的规定。
检查数量:对主要立面全部检查。
对每个所检查的立面,除两列角柱外,LH△△尚应至少选取一列中间柱。
检验方法:对于整体垂直度,可采用激光经纬仪、全站仪测量,也可根据各节柱的垂直度允许念头累计(代数和)计算。
对于整体平面弯曲,可按产生的允许偏差累计(代数和)计算。
表11.3.5 整体垂直度和整体平面弯曲的允许偏差(mm)(H2500+10.0),且不应大于50.0L1500,且不应大于25.0。
青岛理工建设工程质量检测有限公司钢结构检测报告编号:(2005)本报告共页工程名称:委托单位:检测类别:委托检测联系电话:签发日期:地址:声明1、报告加盖本公司检测专用章(红章)有效。
2、报告涂改无效。
3、未经本单位书面批准,任何单位和个人不得复制本报告(完整复制除外)。
4、本报告一式肆份,外发叁份。
青岛理工建设工程质量检测有限公司编号(2005)共页第页青岛理工建设工程质量检测有限公司钢构件厚度测量报告测量:审核:青岛理工建设工程质量检测有限公司磁粉探伤报告青岛理工建设工程质量检测有限公司磁粉探伤记录编号(2005)共页第页青岛理工建设工程质量检测有限公司超声波探伤报告青岛理工建设工程质量检测有限公司钢结构检测报告附页超声波探伤记录编号(2005)共页第页青岛理工建设工程质量检测有限公司钢结构检测报告附页X射线探伤报告编号:(2005)共页第页检测:(RT 级)审核:( RT 级)青岛理工建设工程质量检测有限公司钢结构检测报告附页角焊缝焊脚尺寸测量报告青岛理工建设工程质量检测有限公司钢结构检测报告附页高强螺栓终拧扭矩复查报告编号(2005)共页第页青岛理工建设工程质量检测有限公司钢结构检测报告附页涂层厚度测量报告青岛理工建设工程质量检测有限公司钢结构检测报告附页吊车梁挠度测量报告编号(2005)共页第页测量:审核:青岛理工建设工程质量检测有限公司钢结构检测报告附页网架挠度测量报告编号(2005)共页第页青岛理工建设工程质量检测有限公司钢结构检测报告附页钢结构整体垂直度测量报告编号(2005)共页第页青岛理工建设工程质量检测有限公司钢结构检测报告附页钢结构整体垂直度测量报告编号(2005)共页第页测量:审核:青岛理工建设工程质量检测有限公司钢结构检测报告附页钢结构整体平面弯曲度测量报告编号(2005)共页第页青岛理工建设工程质量检测有限公司钢结构检测报告附页钢结构整体平面弯曲度测量报告编号(2005)共页第页....。
多层及高层钢结构主体结构整体垂直度和整体平面弯曲值检查记录
(1034 条)
监理工程师:
多层及高层钢结构主体结构整体垂直度和整体平面弯曲值检查记录
(1034 条)
工程名称:爱克林(天津)有限公司扩建厂房施工单位:江苏南通二建集团有限公司
班组长: 质检员:
监理工程师:
多层及高层钢结构主体结构整体垂直度和整体平面弯曲值检查记录
(1034 条)
工程名称:爱克林(天津)有限公司扩建厂房施工单位:江苏南通二建集团有限公司
质检员:
或项目技术负责人:
班组长:
监理工程师:。
站仪检测。
2. 所检测的数据均应在允许偏差范围内,方为合格。
SG—T058填写说明
一、本记录适用于单层、多层及高层钢结构的安装工程。
它是单层、多层及钢结构安装分项工程检验批质量验收记录的支撑表。
二、单层钢主体结构安装的整体垂直度和平面弯曲的允许偏差按规范中表10.3.4的规定选取。
三、此两项检查项目均匀应在结构形成空间刚度单元,且连接固定后进行检测
四、检验用的经纬仪、全站仪应经计量检定合格。
五、本录一式两份,施工单位、建设单位各存一份。