瓶组、长管拖车、管束式集装箱技术参数
- 格式:pdf
- 大小:282.88 KB
- 文档页数:7
长管拖车、管束式集装箱专项安全技术要求1 总则1.1 适用范围本附件仅适用于充装除剧毒以及毒性程度为极度危害以外的压缩气体介质长管拖车和管束式集装箱(含瓶式集装箱,注-1),以及充装介质为高压液化气体(注-2)的管束式集装箱。
注-1:瓶式集装箱,是指由单只气瓶容积为300L~1000L(不含1000L)的气瓶组、管路系统以及标准集装箱框架组成的管束式集装箱。
注-2:高压液化气体介质是指氧化亚氮、硅烷、三氟化氮、四氟甲烷、氯化氢、六氟化硫等等高纯电子工业气体。
1.2 许可资质(1)长管拖车的制造单位除按照市场监管总局的规定取得相应的特种设备生产许可资质外,还应当按照国务院汽车行业监督管理部门的规定取得相应的产品制造许可资质;(2)管束式集装箱的制造单位除按照市场监管总局的规定取得相应的特种设备生产许可资质外,对于参与海运、国际联运或者海关监管的管束式集装箱的制造单位还应当按照国务院交通运输行业监督管理部门的规定取得相应的产品制造许可资质。
1.3 基本要求(1)长管拖车和管束式集装箱的设计、制造应当符合本规程和国务院汽车行业或者交通运输行业监督管理部门的相关规定;(2)采用纤维缠绕气瓶的压缩氢气长管拖车或者管束式集装箱,依据企业标准设计的,应当按照本规程1.8的规定进行技术评审;(3)长管拖车和管束式集装箱中气瓶的材料、设计、制造和型式试验按照《气瓶安全技术规程》的规定,其使用管理按照本规程的规定。
2 设计2.1 基本要求(1)长管拖车、管束式集装箱的设计结构、气瓶与行走机构或者框架连接结构、管路的布置结构、操作仓的设计结构等应当合理并且安全可靠,能够满足操作使用和安全运输的要求;(2)同一台长管拖车或者管束式集装箱应当采用相同类型、相同材质、相同公称工作压力、相同公称直径、相同公称容积的气瓶。
2.2 结构设计(1)气瓶与任何其他零部件的连接不得采用焊接结构,应当采取可靠的措施防止气瓶在运输使用过程中发生周向转动和轴向窜动;(2)气瓶的支撑和固定装置应当具有足够的刚性,同时还应当考虑气瓶可能产生的热胀冷缩的影响;(3)气瓶之间应当有足够间隙,必要时可设置减震材料;(4)管束式集装箱与集装箱运输专用设备的连接,应当符合运输工况中的装卸和栓固要求;(5)长管拖车、管束式集装箱应当设置操作仓,用于安装管路、仪表、装卸阀件以及安全附件等,操作仓管路、仪表以及阀门的设置应当方便操作和使用,且固定牢固;(6)长管拖车、管束式集装箱应当采取相应的安全防护措施,防止运输过程中的横向和纵向撞击以及倾覆对气瓶、管路及其附件造成损坏或者介质泄漏。
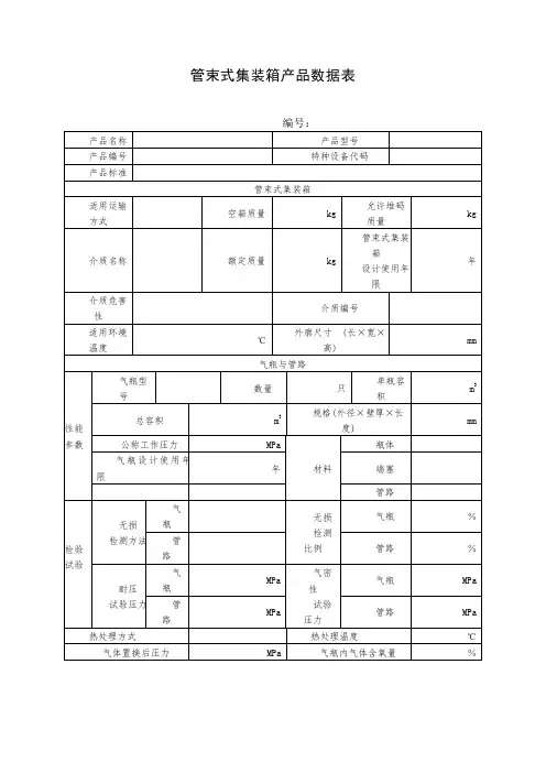
管束式集装箱产品数据表
编号:
产品名称产品型号产品编号特种设备代码产品标准
管束式集装箱
适用运输方式空箱质量kg
允许堆码
质量
kg
介质名称额定质量kg 管束式集装
箱
设计使用年
限
年
介质危害
性
介质编号
适用环境温度℃
外廓尺寸(长×宽×
高)
mm 气瓶与管路
性能参数
气瓶型
号
数量只
单瓶容
积
m3总容积m3
规格(外径×壁厚×长
度)
mm 公称工作压力MPa
材料
瓶体
气瓶设计使用年
限
年端塞
管路
检验试验
无损
检测方法
气
瓶
无损
检测
比例
气瓶%管
路
管路%
耐压
试验压力
气
瓶
MPa
气密
性
试验
压力
气瓶MPa 管
路
MPa管路MPa 热处理方式热处理温度℃气体置换后压力MPa气瓶内气体含氧量%
管束式集装箱上气瓶排列位置(从后操作仓方向看)
○8#○7#○6#○5#……
○1#○2#○3#○4#……
□序号:1#气瓶批号:编号:净重:kg □序号:2#气瓶批号:编号:净重:kg □…………
安全附件、仪表和装卸附件
名称型号规格数量制造单位名称
制造监检情况
监检机构名称
监检机构
统一社会信用代码
监检机构核准证
编号。
长管拖车气瓶、管束式集装箱气瓶制造监督检验大纲1 适用范围本大纲适用于长管拖车气瓶、管束式集装箱气瓶(以下简称气瓶)产品安全性能的监检工作。
2 监检依据(1) 《气瓶安全监察规定》;(2) 《气瓶安全技术监察规程》;(3) 其他相关标准。
3 监检项目、内容和方法3.1 图样资料、型式试验报告(1) 审查气瓶设计文件鉴定报告;(2) 审查气瓶产品企业标准技术评审和备案;(3) 审查气瓶型式试验报告。
3.2 瓶体材料(1) 审查气瓶瓶体材料质量证明书原件或者有效复印件;(2) 审查气瓶瓶体材料化学成分分析、无损检测复验报告,在相应的报告上签字确认,对报告发生怀疑时,监检人员应当要求进行验证;(3) 抽查材料标记以及标记移植。
3.3 热加工和热处理(1) 审查热加工工艺和热处理工艺评定报告,在热处理工艺评定报告上签字确认;(2) 审查热处理报告和热处理温度自动记录,在热处理报告、热处理温度自动记录上签字确认。
3.4 试验环检查气瓶试验环材料,确认气瓶试验环热处理工艺与气瓶热处理工艺相同。
3.5 无损检测审查无损检测记录和报告,定期现场监督检查无损检测过程,在无损检测报告上签字确认。
3.6 性能试验(1) 审查力学性能和压扁试验报告,在相应的报告上签字确认;(2) 审查金相组织分析报告,在金相组织分析报告上签字确认,对报告发生怀疑时,应当核查金相组织照片。
3.7 水压试验审查水压试验记录和报告,在水压试验报告上签字确认。
3.8 安全附件检查安全附件的选用是否与设计文件相符,且选用的安全附件是否按照有关规定由取得制造许可的单位制造。
3.9 出厂检验(1) 审查出厂气瓶批量检验质量证明书,在批量检验质量证明书上签字确认;(2) 抽查瓶体外观、标志内容和气瓶颜色,确认在气瓶的规定部位打上或者标注永久性“TS”监检标志。
3.10 质量保证体系监检人员发现质量保证体系实施存在问题时,应当及时向制造单位提出。
监检机构对制造单位质量保证体系实施的检查每年至少进行一次,并且填写《气瓶制造单位质量保证体系实施检查表》。
集装箱技术参数随着全球化的推进和物流业的发展,集装箱已经成为现代物流运输中不可或缺的一部分。
而要更好地理解和掌握集装箱,首先需要了解它的技术参数。
一、尺寸集装箱的尺寸是指其长度、宽度和高度。
根据国际标准,集装箱的长度主要有20英尺(约6.06米)、40英尺(约12.192米)和45英尺(约13.715米)三种。
其中40英尺的集装箱是最为常见的,在全球范围内占据了绝大多数。
集装箱的高度一般在8英尺6英寸(2.59米)到9英尺6英寸(2.92米)之间,大多数集装箱的高度都是8英尺6英寸。
二、负载集装箱的负载是指其所能承载的货物重量。
根据国际标准,20英尺集装箱的负载为24吨左右,40英尺集装箱的负载为约27吨,45英尺集装箱的负载为30吨左右。
但是,在实际运输中,由于各类因素的影响,集装箱实际承载量可能会有所下降。
三、结构集装箱的结构是指其组成方式和构造方式。
主要有干式集装箱、冷藏集装箱、开顶集装箱、平板集装箱、罐式集装箱等多种类型。
其中干式集装箱是最为常见的集装箱,大多数集装箱都属于这种类型,用于运输普通货物。
冷藏集装箱则主要用于运输需要保持低温或冷藏的货物,如肉类、水果等。
四、承重点集装箱的承重点是指集装箱本身及其载货能力的承重点。
一般情况下,集装箱的承重点会固定在其中央位置,这是为了保证运输过程中货物的平衡和稳定。
综上所述,集装箱技术参数是了解和掌握集装箱的基本知识,也是进行物流运作的重要前提条件。
在实际运输过程中,我们需要根据不同的货物类型和运输需求,选择适合的集装箱类型和规格,尽可能提高运输效率和货物安全性。
附件2《移动式压力容器安全技术监察规程》(TSG R0005-2011,2014年12月第1次修改)第2号修改单一、“正文”的修改2. 将注3-6修改为:“所列设计压力的数值,是按照介质50℃时饱和蒸气压(表压)的1.00倍确定的。
如果设计压力的确定存在除介质饱和蒸气压以外的影响因素时,设计单位应当按照本规程3.10.3的规定确定设计压力,并且还应当符合引用标准的要求。
”3. 将3.11.7(3)修改为:“罐体的装卸口位置及其安全保护装置还应当符合引用标准的规定。
”4. 将5.1内容修改为:“使用单位应当按照规定在移动式压力容器投入使用前,按照铭牌和产品数据表规定的一种介质,逐台申请办理《特种设备使用登记证》(以下简称《使用登记证》)及电子记录媒介。
办理使用登记的新移动式压力容器,其安全状况等级为1级;进口移动式压力容器安全状况等级由实施进口压力容器监督检验的特种设备检验机构评定。
”5. 将5.3(5)修改为:“组织开展日常检查和维护保养、定期自行检查,并且作出记录;”6. 增加:“5.17 临时作为固定式压力容器使用“移动式压力容器临时作为固定式压力容器使用,应当满足以下要求:“(1)在定期检验有效期内;“(2)在满足消防防火间距等规定的区域内使用,并且有专人操作;“(3)制定专门的操作规程和应急预案,配备必要的应急救援装备。
”7. 增加:“5.18 年度检查“使用单位每年对所使用的长管拖车、管束式集装箱至少进行1次年度检查,其年度检查的专项要求见附件J。
当年度进行定期检验的,可不再进行年度检查,年度检查工作完成后,应当进行使用安全状况分析,并且对年度检查中发现的隐患及时消除。
年度检查工作可以由压力容器使用单位进行,也可以委托具有移动式压力容器定期检验资质的特种设备检验检测机构进行。
“汽车罐车、铁路罐车和罐式集装箱等按照《压力容器定期检验规则》的有关规定进行年度检验的,不再单独进行年度检查。
”8. 在6.4.1(12)后增加:“(13)装设卸液泵的移动式压力容器,其定点卸液信息跟踪及反馈功能的卫星定位系统运行应当正常。
管束式集装型式试验要求董红磊 张君鹏 中国特种设备检测研究院摘 要 大容积无缝钢瓶、管束式集装箱和长管拖车作为专用气体储运装备在我国使用和制造已有10年时间,在检验检测和安全监管方面已基本形成相应的安全规范,但设计制造缺乏标准支撑。
本文对管束式集装箱的设计制造资质、组装工艺和型式试验要求进行简要介绍,包括大容积无缝钢瓶和长管拖车的相应要求。
关键词 大容积无缝钢瓶 管束式集装箱 长管拖车 组装工艺 型式试验Abstract Large volume seamless steel cylinder, tube-bundle container and tube trailer were used and manufactured as gas storage and transportation equipment for 10 years in china. The corresponding administrative regulations and safety technology specifi cations have been formed in aspect of inspection and supervision. But there is no design and manufacture standard. The thesis introduced the qualifi cation for design and manufacture, assembly technology and type test of tube-bundle container briefl y, also referred to large volume steel seamless cylinder and tube trailer.Keywords Large volume seamless steel cylinder Tube-bundle container Tube trailer Assembly technology Type test随着国家能源政策的调整和社会对生存环境的重视,以天然气和氢气为代表的清洁能源应用剧增,相应带动了气体储运装备的大发展。
长管拖车、管束式集装箱专项安全技术要求E1 总则E1.1 适用范围(1)本附件适用于由瓶式容器与走行装置或者框架采用永久性连接组成的,充装压缩气体介质的长管拖车和管束式集装箱;(2)长管拖车和管束式集装箱不得充装毒性程度为极度危害的介质。
E1.2 资质和责任长管拖车的设计和制造单位除按照国家质检总局的规定取得相应的特种设备设计和制造资质外,还应当按照国务院汽车行业主管部门的规定取得相应的产品制造资质。
管束式集装箱的设计和制造单位除按照国家质检总局的规定取得相应的特种设备设计和制造资质外,对于参与海运、国际联运或者海关监管的管束式集装箱的制造单位还应当按照国务院交通运输主管部门的规定取得相应的产品制造资质。
长管拖车和管束式集装箱的设计应当为整体设计,设计单位对长管拖车和管束式集装箱设计文件的正确性和完整性负责。
长管拖车和管束式集装箱的制造应当为整体制造,制造单位对长管拖车和管束式集装箱的制造质量负责。
E1.3 基本要求(1)长管拖车和管束式集装箱用瓶式容器的设计、制造、检验试验等应当按照《气瓶安全监察规程》的规定执行,并且符合本规程的相关规定;(2)采用纤维缠绕瓶式容器制造长管拖车或者管束式集装箱时,应当按照本规程1.7的规定办理。
E1.4 型式试验或者相关试验(1)长管拖车、管束式集装箱按照型号进行型式试验或者相关试验,取得试验合格证明文件;(2)仅参与公路运输并且不进行堆码的管束式集装箱,型式试验由国家质检总局核准的型式试验机构进行,型式试验项目至少包括吊顶试验、吊底试验、纵向栓固试验、内部横向栓固试验和内部纵向栓固试验;(3)长管拖车和除本条第(2)项以外的适用于公路、铁路、水路及其联运的管束式集装箱,型式试验或者相关试验由国务院有关部门核准或者批准的试验机构进行,型式试验或者相关试验项目应当符合相应国家标准或者行业标准的规定。
E2 材料E2.1瓶式容器用材料E2.1.1 瓶体用材料瓶体材料除符合《气瓶安全监察规程》及其相应标准的规定外,还应当满足以下要求:(1)瓶体用材料采用整体无缝钢管,不允许拼接;(2)瓶体用无缝钢管在加工成型以后,进行调质热处理,热处理后的瓶体材料金相组织为回火索氏体;(3)充装氢气、天然气和甲烷等有应力腐蚀倾向压缩气体用钢管,其材料化学成分中的碳(C)≤0.35%、磷(P)≤0.020%、硫(S)≤0.010%,热处理后力学性能中抗拉强度(Rm)≤880MPa、屈强比(ReL /Rm)≤0.86、断后伸长率 (A)≥20%;(4)充装本条第(3)项以外其他压缩气体用钢管,热处理后力学性能中的抗拉强度(Rm)≤1060MPa、屈强比(ReL /Rm)≤0.90、断后伸长率(A)≥16%。
附件2《移动式压力容器安全技术监察规程》(TSG R0005-2011,2014年12月第1次修改)第2号修改单一、“正文”的修改2. 将注3-6修改为:“所列设计压力的数值,是按照介质50℃时饱和蒸气压(表压)的1.00倍确定的。
如果设计压力的确定存— 1 —在除介质饱和蒸气压以外的影响因素时,设计单位应当按照本规程3.10.3的规定确定设计压力,并且还应当符合引用标准的要求。
”3. 将3.11.7(3)修改为:“罐体的装卸口位置及其安全保护装置还应当符合引用标准的规定。
”4. 将5.1内容修改为:“使用单位应当按照规定在移动式压力容器投入使用前,按照铭牌和产品数据表规定的一种介质,逐台申请办理《特种设备使用登记证》(以下简称《使用登记证》)及电子记录媒介。
办理使用登记的新移动式压力容器,其安全状况等级为1级;进口移动式压力容器安全状况等级由实施进口压力容器监督检验的特种设备检验机构评定。
”5. 将5.3(5)修改为:“组织开展日常检查和维护保养、定期自行检查,并且作出记录;”6. 增加:“5.17 临时作为固定式压力容器使用“移动式压力容器临时作为固定式压力容器使用,应当满足以下要求:“(1)在定期检验有效期内;“(2)在满足消防防火间距等规定的区域内使用,并且有专人操作;“(3)制定专门的操作规程和应急预案,配备必要的应急救援装备。
”7. 增加:“5.18 年度检查— 2 —“使用单位每年对所使用的长管拖车、管束式集装箱至少进行1次年度检查,其年度检查的专项要求见附件J。
当年度进行定期检验的,可不再进行年度检查,年度检查工作完成后,应当进行使用安全状况分析,并且对年度检查中发现的隐患及时消除。
年度检查工作可以由压力容器使用单位进行,也可以委托具有移动式压力容器定期检验资质的特种设备检验检测机构进行。
“汽车罐车、铁路罐车和罐式集装箱等按照《压力容器定期检验规则》的有关规定进行年度检验的,不再单独进行年度检查。
移动式压力容器充装试题及答案1.判断题《移动式压力容器安全技术监察规程》规定:真空绝热罐体可以不设置人孔。
O正确错误答案:正确2.判断题《移动式压力容器安全技术监察规程》规定:真空绝热罐体外壳应当设置外壳爆破装置。
O正确错误答案:正确3.判断题中、小型低温液体贮存和运输容器,一般采用真空绝热型低温储罐。
O正确错误答案:正确4.判断题中、小型低温液体贮存和运输容器,一般采用非真空绝热型低温储罐。
O正确错误答案:错误5.判断题()《移动式压力容器安全技术监察规程》规定:真空绝热罐体应当设置最大允许充装量的充装限制装置,如溢流口等。
正确错误答案:正确6.判断题O《移动式压力容器安全技术监察规程》规定:真空绝热罐体铭牌上应当标记标态维持时间。
正确错误答案:正确7.判断题《移动式压力容器安全技术监察规程》规定:长管拖车和管束式集装箱的气瓶与走行装置或者框架连接应当合理并且安全可靠,能够满足操作使用和安全运输的要求。
O正确错误答案:正确8.判断题O《移动式压力容器安全技术监察规程》规定:长管拖车的瓶体用材料采用整体无缝钢管。
正确错误答案:正确9.判断题()《移动式压力容器安全技术监察规程》规定:长管拖车的瓶体用材料采用整体无缝钢管,允许拼接。
正确错误答案:错误10.判断题O《移动式压力容器安全技术监察规程》规定:同一台长管拖车或者管束式集装箱应当采用相同设计型号的气瓶。
正确错误答案:正确H.判断题()《移动式压力容器安全技术监察规程》规定:同一台长管拖车或者管束式集装箱可以采用不同设计型号的气瓶。
正确错误答案:错误12.判断题O《移动式压力容器安全技术监察规程》规定:长管拖车或者管束式集装箱的气瓶与走行装置或者集装箱框架的连接不得采用焊接结构。
正确错误答案:正确13.判断题O《移动式压力容器安全技术监察规程》规定:长管拖车或者管束式集装箱的气瓶与走行装置或者集装箱框架的连接可以采用焊接结构。
正确错误答案:错误14.判断题O《移动式压力容器安全技术监察规程》规定:长管拖车或者管束式集装箱的气瓶之间的支撑和固定装置具有足够的刚性,同时考虑气瓶可能产生的热胀冷缩的影响。
长管拖车、管束式集装箱安全泄放装置的选用探讨周伟明; 史斐菲; 吴全龙【期刊名称】《《压力容器》》【年(卷),期】2019(036)009【总页数】7页(P63-69)【关键词】长管拖车; 爆破片; 易熔合金塞; 爆破片与易熔合金塞串联组合装置【作者】周伟明; 史斐菲; 吴全龙【作者单位】上海市气体工业协会上海 200030; 上海华理安全装备有限公司上海201108【正文语种】中文【中图分类】TH49; TQ055.8; T-65符号说明:Ws——气瓶安全泄放量,kg/h;Wc——气瓶水容积,kg;V0——气瓶体积,L;Qa——在0.1 MPa,15 ℃时空气的当量排放量,m3/min;Q′a——在0.1 MPa,15 ℃时空气的当量排放量,m3/h;p——泄放压力(绝对压力),MPa;P——泄放压力(绝对压力),kPa;K——泄放系数,无量纲;T——泄放压力下饱和气体绝对温度,K;Z——气体压缩系数,无量纲;M——介质摩尔质量,kg/kmol;C——气体特性系数,无量纲,;k——气体绝热指数,无量纲。
0 引言长管拖车、管束式集装箱作为工业气体、能源行业的重要运输装备,在国民经济的发展中具有极其重要的作用。
由于很多压缩空气(比如天然气、氢气)在储运过程存在潜在的泄漏和爆炸风险,一旦发生火灾爆炸事故,会造成生命安全及财产的重大损失,因此,各国标准法规均要求安装泄压装置,以保证气瓶在超温、超压工况下能安全泄放,降低事故风险[1]。
我国早期的长管拖车、管束式集装箱大多从国外引进,气瓶制造与管理遵循CFR49《美国联邦规程》和美国运输部(DOT)相关技术规范,气瓶安全泄放装置设置遵循CGA S-1.1规定,通常选用爆破片或爆破片与易熔合金塞串联组合装置。
尽管实际使用已有很长时间,但大多数工程设计人员对运输设备的使用工况、大容积无缝气瓶的失效模式、充装介质的危险特性,以及各种安全泄放装置适用工况并没有很好理解,对不同介质的气瓶究竟应该如何科学合理设置安全泄放装置,仍然概念模糊,国内也没有相关标准予以明确规定。
申请制造许可产品技术数据表(压力容器用)1页脚内容注:1.具有A1级或A2级或C级压力容器制造许可证的企业即具备D级压力容器制造许可资格;注:2.压力容器一、二、三类及介质毒性和易燃介质的划分按照《压力容器安全技术监察规程》确定,其简要内容可参见附件;注:3.为了正确划分制造级别,请如实填写可以反应工厂最大制造能力的产品数据(每个级别限填写一种产品)。
填表人:(打印)签名:日期:年月日附件:压力容器一、二、三类及介质毒性和易燃介质的划分1. 压力容器的分类1.1下列情况之一的,为第三类压力容器1.1.1 高压容器;1.1.2 中压容器(仅限毒性程度为极度和高度危害介质);1.1.3 中压储存容器(仅限易燃或毒性程度为中度危害介质,且压力和容积的乘积大于等于10 MPa·m3);1.1.4 中压反应容器(仅限易燃或毒性程度为中度危害介质,且压力和容积的乘积大于等于0.5 MPa·m3);1.1.5 低压容器(仅限毒性程度为极度和高度危害介质,且压力和容积的乘积大于等于0.2 MPa·m3);1.1.6 高压、中压管壳式余热锅炉;1.1.7 中压搪玻璃压力容器;1.1.8 使用强度级别较高(指相应标准中抗拉强度规定值下限大于等于540 MPa)的材料制造的压力容器;1.1.9 移动式压力容器,包括铁路罐车(介质为液化气体、低温液体)、罐式汽车[液化气体运输(半挂)车、低温液体运输(半挂)车、永久气体运输(半挂)车]和罐式集装箱(介质为液化气体、低温液体)等;1.1.10 球形储罐(容积大于等于50 m3);1.1.11 低温液体储存容器(容积大于5 m3)。
1.2 下列情况之一的,为第二类压力容器(第1.1款规定的除外);1.2.1 中压容器1.2.2 低压容器(仅限毒性程度为极度和高度危害介质);1.2.3 低压反应容器和低压储存容器(仅限易燃介质或毒性程度为中度危害介质);1.2.4 低压管壳式余热锅炉;1.2.5 低压搪玻璃压力容器。
气体与气瓶分类、品种及代号1 气瓶分类1.1 按瓶体结构划分气瓶按照瓶体结构分为:(1) 无缝气瓶;(2) 焊接气瓶;(3) 缠绕气瓶;(4) 低温绝热气瓶;(5) 内装填料气瓶。
1.2 按公称工作压力划分气瓶按照公称工作压力分为高压气瓶、低压气瓶:(1) 高压气瓶是指公称工作压力大于或者等于 10MPa 的气瓶;(2) 低压气瓶是指公称工作压力小于 10MPa 的气瓶。
1.3 按公称容积划分气瓶按照公称容积(指水容积)分为小容积、中容积、大容积气瓶:(1) 小容积气瓶是指公称容积小于或者等于 12L 的气瓶;(2) 中容积气瓶是指公称容积大于 12L 并且小于或者等于 150L 的气瓶;(3) 大容积气瓶是指公称容积大于 150L 的气瓶。
1.4 按用途划分气瓶按照用途一般分为:(1) 工业用气瓶;(2) 医用气瓶;(3) 民用燃气气瓶;(4) 车用气瓶;(5) 呼吸器用气瓶;(6) 消防灭火用气瓶。
2 气瓶品种及代号气瓶品种及代号表不同要求,例如,B1 表示相应气瓶产品标准对同组的钢质无缝气瓶、铝合金无缝气瓶、不锈钢无缝气瓶、长管拖车、管束式集装箱用大容积钢质无缝气瓶等产品的试验能力要求基本相同或者相近;B1-1 表示相应气瓶产品标准对同组的钢质无缝气瓶、汽车用压缩天然气钢瓶产品的制造能力要求基本相同或者相近,适用于气瓶型式试验机构和制造单位。
3.瓶装气体分类3.1 压缩气体指在-50℃时加压后完全呈气态的气体,包括临界温度(Tc)低于或者等于-50℃的气体,也可以称永久气体。
3.2 高(低)压液化气体指在温度高于-50℃时加压后部分呈液态的气体,包括临界温度(Tc)在-50℃~65℃的高压液化气体和临界温度(Tc)高于 65℃的低压液化气体。
3.3 低温液化气体指经过深冷低温处理而部分呈液态的气体,其临界温度(Tc)一般低于或者等于-50℃,也可以称为深冷液化气体或者冷冻液化气体。
3.4 溶解气体指在一定的压力、温度条件下,气体溶解于溶剂中的气体。
ICSQ/JY 江西制氧机有限公司企业标准Q/JY 003-?压缩气体管束式集装箱20?- - 发布20?- - 实施江西制氧机有限公司标准化委员会发布前言本标准的编制按GB/T1.1-2000《标准化工作导则第1部分:标准的结构和编写规则》和GB/T1.2-2002《标准化工作导则第2部分:标准中规范性技术要素内容的确定方法》进行。
我国目前还没有管束式集装箱的国家标准和行业标准,所以制定企业标准,作为设计,制造,检验验收压缩气体管束式集装箱的依据。
在此期间,国家有关政府管理部门发布强制性标准《压缩气体管束式集装箱》时,本标准自动作废。
本标准由江西制氧机有限公司标准化技术委员会提出。
经全国锅炉压力容器标准化技术委员会移动式压力容器分技术委员会审查,且在当地标准化主管部门备案后实施。
本标准由江西制氧机有限公司负责起草。
本标准由江西制氧机有限公司总工程师办公室归口。
本标准主要起草人:本标准于2011年2月23日发布,于20?年实施。
本标准自发布之日起有效期3年,到期需复审。
压缩气体管束式集装箱1 范围1.1本标准规定了压缩气体管束式集装箱(以下简称管束式集装箱)的型式、设计、技术要求、检验规则和标志等。
1.2 管束式集装箱的范围包括集装管束式(框架式)管束式集装箱、捆绑式管束式集装箱、向钢瓶内加注高压液体挤压卸气的管束式集装箱。
1.3 本标准适用于设计压力为10~40MPa、或者公称工作压力为10Mpa~35Mpa、单瓶水容积为1000L~3000L、充装介质为压缩气体;设计温度为-40℃~60℃,由大容积钢质无缝气瓶(以下统一简称气瓶)、管路系统、支撑连接部件组成的管束式集装箱;由气瓶、管路系统和集装框架组成的集装管束。
1.4管束式集装箱适用的压缩气体应符合下列要求:——管束式集装箱适用的压缩气体应与气瓶适用的压缩气体介质相一致;——管束式集装箱运输的压缩气体质量应符合相应的国际标准或国家标准的规定;——管束式集装箱在运输天然气时,汽车用天然气应符合GB18047的规定,商品天然气应符合GB17820中一、二类天然气的规定。
NB/T XXXX—20XX行业标准《管束式集装箱》编制说明一、编制的目的近年来,我国的天然气和工业气体行业迅速发展,压缩天然气和各种压缩气体管束式集装箱的用量每年都有增加。
然而,目前国内尚无相应的国家标准和行业标准规范此类产品的生产。
所有生产企业都采用的是企业标准,然而各家企业水平参差不齐,企业标准已不能满足市场需求,为满足压缩气体管束式集装箱的市场要求,同时规范其设计、制造、试验方法、检验规则及标志、标识等方面的具体技术要求和指标,以保证运行安全,制定本行业标准。
二、主要工作过程2017.3.20日按照锅容标委标准立项,确定编制管束式集装箱行业标准,并成立标准核心工作组开展前期预研究工作。
2017年04-05月针对标准立项的必要性(说明标准立项的目的,标准化活动可能带来的效益,比较和分析国际、国外组织标准)和可行性(技术论证,时效性论证)进行论证,形成一个预研究报告。
2017年5月15-16日在云南昆明召开《长管拖车》和《管束式集装箱》两项标准的预研情况和工作计划安排会议。
并在2017年底完成管束式集装箱的第1稿。
2018年5月14日在上海召开《长管拖车》和《管束式集装箱》两项标准的初稿讨论会,对部分内容提出修改意见,并进行整改。
2018-07月完成《管束式集装箱》行业标准的征求意见稿、标准编制说明。
三、编制的原则及依据本标准中的主要技术性能指标是根据我国现有技术水平、生产条件及对新能源的要求,参照TSG R0006《气瓶安全技术监察规程》、TSG R0005《移动式压力容器安全技术监察规程》、GB/T 33145《大容积钢质无缝气瓶》、GB/T 33215《气瓶安全泄压装置》、《国际海运危险货物规则》IMDG、GB/T 16563《系列1:液体、气体及加压干散货罐式集装箱技术要求和试验方法》等有关标准、法规中的具体规定确定。
四、编制内容说明本标准的内容和章节结构编排,含正文十四章,三个附录。