安全风险点一企一册表格
- 格式:doc
- 大小:47.50 KB
- 文档页数:4
生产经营单位安全生产风险点登记表风险点编号:YNZL-AHB-02 填报时间:2016年 8 月 20 日
风险点基本情况
风险点名称安全员
风险点
详细位置
安全员
诱发事故类型火灾、高处坠落、机械伤害、其他伤害
伤亡/财产
损失预测
致残
风险等级四级
风险管控
责任部门
安全环保办公室
责任人
手机号码
采取管控
措施情况
1、上下楼梯时集中注意力,注意脚下,不在楼梯上驻足,不接打电话。
楼梯上禁
止堆放物品;遵守员工制度,上下楼梯时不追打、嬉闹;
2、穿戴好劳动保护用品,进入工作现场时应不得在现场吸烟,最好不要在现场使
用手机等;
3、工作时常加强对人员进行安全检查或监护,随时提高员工的安全意识;
4、经常检查线路、电源插座,不用湿手接触电气设施。
存在隐患情况无
应急处置
主要措施
见《机械伤害现场处置方案》、《高处坠落专项应急预案》
属地监管政府沂南县人民政府主管部门经信局专业监管部门发改、国土、公安、质监、工商、安监、环保。
生产经营单位安全生产风险点名册
单位名称(盖章):
法定代表人(签字):
2018年 6 月 2 日
生产经营单位基本信息
填表人: _填表日期:2017年 6 月2 日
生产经营单位安全生产风险点登记表风险点编号:HT-OO1 填报时间:2018年6月2 日
生产经营单位安全生产风险点登记表风险点编号:HT-OO2 填报时间:2018年6月2日
生产经营单位安全生产风险点登记表风险点编号:HT-OO1 填报时间:2018年6月2 日
生产经营单位安全生产风险点登记表风险点编号:HT-OO2 填报时间:2018年6月2日
生产经营单位安全生产风险点登记表
风险点编号:HT-OO1 填报时间:2012年6月2 日
生产经营单位安全生产风险点登记表风险点编号:HT-OO2 填报时间:2018年6月2日。
安全风险点名册 xxx 加油站xxx2022 年 10 月 26 日基本信息表填表人:联系电话:填表日期:单位名称xxx 加油站法定代表人xxx 联系电话xxx组织机构代码 (或者工商营业执照注册号)详细地址行业类别xxx化工邮政编码生产经营活动类型xxx增值主要产品主要经营汽油、柴油主要原料无固定资产总值(万元) 年销售收入(万元)占地面积(m2)2200 职工人数(人)备注(1)生产经营活动类型分为增值、必要的非增值活动、不必要的非增值活动;(2)职工人数包括劳务派遣工作人员。
风险点编号: 001 填报时间: 2022 年 10 月 26 日风险点名称风险点位置诱发事故类型加油作业加油岛车辆伤害、火灾爆炸、财产损失、环境污染、油品泄漏风险等级 3 级风险管控责任部门采取管控措施情况责任人xxx 加油站手机号码(1)岗位工作人员需经培训合格后上岗;(2)加油机内防爆电盒、泵、加油机身等所有部件进行静电跨接,所有接地线接到一个接地体上;(3)防爆接线盒内电缆接线口用绝缘胶泥进行封堵;(4)加油机底部进行填沙;(5)张贴安全操作规程及安全警示标识;(6)作业场所禁止烟火、禁止打手机等;(7)劳动防护用品穿戴齐全;(8)按规定配备灭火器和灭火毯等消防器材。
存在隐患情况无应急处置主要措施属地监管政府专业监管部门(1)配备消防铲、消防桶;(2)配备灭火毯;(3)配备事故照明灯具;(4)人员配备劳动防护用品、消防服、口罩、防护罩等;(5)罐区、加油区及站房设置灭火毯;(6)人员配备防静电工作服、防护手套等;(7)编制事故应急救援预案、专项预案及现场处置方案。
主管部门风险点基本情况风险点编号: 002 填报时间: 2022 年 10 月 26 日风险点名称风险点位置诱发事故类型风险等级风险管控 责任部门采取管控 措施情况 存在隐患情况应急处置 主要措施属地监管政府专业监管部门卸油作业罐区车辆伤害、火灾爆炸、财产损失、环境污染、油品泄漏3 级责任人xxx 加油站手机号码(1)制订了相关安全管理制度及岗位操作规程; (2)定期对从业人员进行培训教育;(3)油罐为埋地,埋地油罐位于罐池内,罐池四周由混凝土进行整体 浇灌,起到防渗作用;(4)油罐由有资质的企业进行生产,油罐及其管线进行防腐处理; (5)油罐设有防漂抱带;(6)卸油采用密闭卸油方式;(7)管线法兰(小于 5 个螺栓)用铜片接地装置; (8)设加油油气回收系统;(9)油罐设置导出静电、防雷接地装置; (10)油罐及装卸口设置油号标识;(11)卸油过程中住手其它作业(如加油); (12)罐区设置警示标识;(13)油罐定期进行测厚等检测; (14)设置液位报警;(15)油罐上设通风管及阻火器; (16)设置固定式静电接地报警器;(17)油罐区设置推车式干粉灭火器、灭火毯; 2m3 消防沙、消防桶、 消防锨等;(18)加油车辆设置防溜木;(19)卸油软管采用防静电软管; (20)卸油过程中车辆熄火作业;(21)设置指定路线引车、车辆停靠在指定卸车车位,油罐车车头朝向 道路出口一侧。
生产经营单位安全生产风险点登记表
风险点编号:填报时间:年月
日
生产经营单位安全生产风险点登记表
风险点编号:填报时间:年月
日
生产经营单位安全生产风险点登记表
风险点编号:填报时间:年月
日
生产经营单位安全生产风险点登记表
风险点编号:填报时间:年月
日
生产经营单位安全生产风险点登记表
风险点编号:填报时间:年月
日
生产经营单位安全生产风险点登记表
风险点编号:填报时间:年月
日
生产经营单位安全生产风险点登记表
风险点编号:填报时间:年月
日
生产经营单位安全生产风险点登记表
风险点编号:填报时间:年月
日
(学习的目的是增长知识,提高能力,相信一分耕耘一分收
获,努力就一定可以获得应有的回报)
11 / 11学习交流文档。
生产经营单位安全生产风险点登记表风险点编号:001 填报时间:年月日
生产经营单位安全生产风险点登记表风险点编号:002 填报时间:年月
(
生产经营单位安全生产风险点登记表风险点编号:003 填报时间:年月
生产经营单位安全生产风险点登记表风险点编号:004 填报时间:年月
.
生产经营单位安全生产风险点登记表
风险点编号:005 填报时间:年月
日
…
生产经营单位安全生产风险点登记表风险点编号:006
填报时间:年月
生产经营单位安全生产风险点登记表风险点编号:007 填报时间:年月日
;
生产经营单位安全生产风险点登记表
生产经营单位安全生产风险点登记表?
风险点编号:009 填报时间:年月
生产经营单位安全生产风险点登记表
.
生产经营单位安全生产风险点登记表风险点编号:011 填报时间:年月
生产经营单位安全生产风险点登记表风险点编号:012 填报时间:年月
…
生产经营单位安全生产风险点登记表风险点编号:013 填报时间:年月
生产经营单位安全生产风险点登记表
,
风险点编号:014 填报时间:年月
生产经营单位安全生产风险点登记表
风险点编号:015 填报时间:年月
日
》。
生产经营单位安全生产风险点登记表
风险点编号:GHB-002填报时间:年月日
风险点编号:GHB-003填报时间:年月日
风险点编号:GHB-004填报时间:年月日
风险点编号:GHB-005填报时间:年月日
生产经营单位安全生产风险点登记表
生产经营单位安全生产风险点登记表风险点编号:GHB-007填报时间:年月日
生产经营单位安全生产风险点登记表风险点编号:GHB-008填报时间:年月日
生产经营单位安全生产风险点登记表风险点编号:GHB-009填报时间:年月日
生产经营单位安全生产风险点登记表风险点编号:GHB-010填报时间:年月日。
安全生产风险点登记表(总94页)-CAL-FENGHAI.-(YICAI)-Company One1-CAL-本页仅作为文档封面,使用请直接删除生产经营单位安全生产风险点名册单位名称(盖章):曲阜甫林电子有限公司吴村分公司法定代表人(签字):李東洙2017 年 06 月 30 日生产经营单位基本信息填表人:董存存联系电话:填表日期:曲阜甫林电子有限公司吴村分公司安全生产风险点登记表曲阜甫林电子有限公司吴村分公司安全生产风险点登记表风险点编号:QU-002 填报时间:2017 年 7 月 3 日安全生产风险点登记表安全生产风险点登记表安全生产风险点登记表安全生产风险点登记表安全生产风险点登记表曲阜甫林电子有限公司吴村分公司安全生产风险点登记表曲阜甫林电子有限公司吴村分公司安全生产风险点登记表风险点编号: QU-009 填报时间 2017 年 7 月 3 日安全生产风险点登记表安全生产风险点登记表安全生产风险点登记表安全生产风险点登记表安全生产风险点登记表安全生产风险点登记表安全生产风险点登记表安全生产风险点登记表曲阜甫林电子有限公司吴村分公司风险点编号:QU-018 填报时间: 2017年 7 月 3 日曲阜甫林电子有限公司吴村分公司风险点编号:QU-019 填报时间: 2017年 7 月 3 日曲阜甫林电子有限公司吴村分公司风险点编号:QU-020 填报时间: 2017年 7 月 3 日曲阜甫林电子有限公司吴村分公司风险点编号: QU-021 填报时间:2017年 7 月 3 日曲阜甫林电子有限公司吴村分公司风险点编号:QU-022 填报时间: 2017年 7 月 3 日曲阜甫林电子有限公司吴村分公司风险点编号:QU-023 填报时间: 2017年 7 月 3 日曲阜甫林电子有限公司吴村分公司风险点编号:QU-024 填报时间: 2017年 7 月 3 日曲阜甫林电子有限公司吴村分公司风险点编号:QU-025 填报时间: 2017年 7 月 3 日曲阜甫林电子有限公司吴村分公司风险点编号:QU-026 填报时间: 2017年 7 月 3 日曲阜甫林电子有限公司吴村分公司全生产风险点登记表风险点编号:QU-027 填报时间: 2017年 7 月 3 日曲阜甫林电子有限公司吴村分公司风险点编号:QU-028 填报时间: 2017年 7 月 3 日曲阜甫林电子有限公司吴村分公司风险点编号:QU-029 填报时间: 2017年 7 月 3 日曲阜甫林电子有限公司吴村分公司风险点编号:QU-030 填报时间: 2017年 7 月 3 日曲阜甫林电子有限公司吴村分公司风险点编号:QU-031 填报时间: 2017年 7 月 3 日曲阜甫林电子有限公司吴村分公司风险点编号:QU-032 填报时间: 2017年 7 月 3 日曲阜甫林电子有限公司吴村分公司风险点编号:QU-033 填报时间: 2017年 7 月 3 日曲阜甫林电子有限公司吴村分公司风险点编号:QU-034 填报时间: 2017年 7 月 3 日曲阜甫林电子有限公司吴村分公司风险点编号:QU-035 填报时间: 2017年 7 月 3 日曲阜甫林电子有限公司吴村分公司风险点编号:QU-036 填报时间: 2017年 7 月 3 日曲阜甫林电子有限公司吴村分公司风险点编号:QU-037 填报时间: 2017年 7 月 3 日曲阜甫林电子有限公司吴村分公司风险点编号:QU-038 填报时间: 2017年 7 月 3 日曲阜甫林电子有限公司吴村分公司风险点编号:QU-039 填报时间: 2017年 7 月 3 日曲阜甫林电子有限公司吴村分公司风险点编号:QU-040 填报时间: 2017年 7 月 3 日曲阜甫林电子有限公司吴村分公司风险点编号:QU-041 填报时间: 2017年 7 月 3 日曲阜甫林电子有限公司吴村分公司风险点编号:QU-042 填报时间: 2017年 7 月 3 日曲阜甫林电子有限公司吴村分公司风险点编号:QU-043 填报时间: 2017年 7 月 3 日曲阜甫林电子有限公司吴村分公司风险点编号:QU-044 填报时间: 2017年 7 月 3 日安全生产风险点登记表安全生产风险点登记表安全生产风险点登记表。
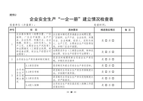
附件2企业安全生产“一企一册”建立情况检查表检查单位(并盖章):检查时间:序号项目具体要求推进落实情况备注1企业基本情况(地理位置、厂区面积、厂区总平面图、生产产品、企业性质、所属行业、企业规模、投资人、实际负责人、生产工艺、主要安全生产风险等)和证照情况(工商营业执照、特种设备证照、安全生产经营许可证照等)。
企业基本情况是否涵盖企业地理位置、厂区面积、生产产品、企业性质、所属行业、企业规模、投资人、实际负责人、生产工艺、主要安全生产风险等信息,并附厂区总平面图。
是☐否☐证照是否齐全(工商营业执照、特种设备证照、安全生产经营许可证照等)。
是☐否☐2全员安全生产责任清单制定情况是否及时梳理更新全员安全生产责任制,并制定责任清单是☐否☐3全员安全生产责任制建立情况3.1责任目标是否制定年度全员安全生产责任目标。
是☐否☐3.2责任考核是否制定全员安全生产责任考核制度办法,并按期开展考核。
是☐否☐3.3责任奖惩是否制定全员安全生产责任奖惩制度办法,并严格落实。
是☐否☐3.4投入保障全员安全生产责任落实投入保障工作是否落实到位是☐否☐10序号项目具体要求推进落实情况备注4安全生产标准化建设和风险隐患双重预防体系建设情况是否开展安全生产标准化建设,并定期完善。
是☐否☐是否按要求建立健全风险隐患双重预防体系,并严格运行实施。
建立并运行;是☐否☐;运行得分为5安全生产教育培训开展情况5.1管理人员、特种作业人员、新上岗员工、班组长、其他从业人员培训记录或安全资格证管理人员、特种作业人员、新上岗员工、班组长、其他从业人员是否按期按要求开展(参加)培训,并取得相应资格证。
是☐否☐。
其中,安全管理人员人,特种作业人员人。
5.2从业人员日常安全教育培训计划及记录是否按要求组织开展从业人员日常安全教育培训,并健全完善相关档案资料。
是☐否☐5.3场地和设施设备情况是否有安全生产教育培训相关场地和设施设备。
是☐否☐非必须项6应急预案和实战演练情况6.1应急预案是否按要求制定应急预案,并定期组织评审完善。
生产经营单位安全生产风险点名册单位名称(盖章):曲阜甫林电子吴村分公司法定代表人(签字):李東洙2017 年 06 月 30 日生产经营单位基本信息填表人:董存存联系电话:填表日期:曲阜甫林电子吴村分公司安全生产风险点登记表曲阜甫林电子吴村分公司安全生产风险点登记表风险点编号:QU-002 填报时间:2017 年 7 月 3 日曲阜甫林电子吴村分公司曲阜甫林电子吴村分公司风险点编号:QU-004 填报时间:2017 年 7 月 3 日曲阜甫林电子吴村分公司风险点编号:QU-005 填报时间 2017 年 7 月 3 日曲阜甫林电子吴村分公司风险点编号:QU-006 填报时间 2017 年 7 月 3 日曲阜甫林电子吴村分公司风险点编号: QU-007 填报时间 2017 年 7 月 3 日曲阜甫林电子吴村分公司安全生产风险点登记表曲阜甫林电子吴村分公司安全生产风险点登记表风险点编号: QU-009 填报时间 2017 年 7 月 3 日曲阜甫林电子吴村分公司安全生产风险点登记表风险点编号: QU-010 填报时间 2017 年 7 月 3 日曲阜甫林电子吴村分公司安全生产风险点登记表风险点编号: QU-011 填报时间 2017 年 7 月 3 日曲阜甫林电子吴村分公司安全生产风险点登记表风险点编号:QU-012 填报时间 2017 年 7 月 3 日曲阜甫林电子吴村分公司安全生产风险点登记表风险点编号:QU-013 填报时间 2017 年 7 月 3 日曲阜甫林电子吴村分公司安全生产风险点登记表风险点编号:QU-014 填报时间: 2017 年 7 月 3 日曲阜甫林电子吴村分公司安全生产风险点登记表风险点编号:QU-015 填报时间: 2017年 7 月 3 日曲阜甫林电子吴村分公司安全生产风险点登记表风险点编号:QU-016 填报时间: 2017年 7 月 3 日曲阜甫林电子吴村分公司安全生产风险点登记表风险点编号:QU-017 填报时间: 2017年 7 月 3 日曲阜甫林电子吴村分公司安全生产风险点登记表曲阜甫林电子吴村分公司安全生产风险点登记表曲阜甫林电子吴村分公司安全生产风险点登记表曲阜甫林电子吴村分公司安全生产风险点登记表曲阜甫林电子吴村分公司安全生产风险点登记表曲阜甫林电子吴村分公司安全生产风险点登记表曲阜甫林电子吴村分公司安全生产风险点登记表曲阜甫林电子吴村分公司安全生产风险点登记表风险点编号:QU-025 填报时间: 2017年 7 月 3 日曲阜甫林电子吴村分公司安全生产风险点登记表曲阜甫林电子吴村分公司全生产风险点登记表曲阜甫林电子吴村分公司安全生产风险点登记表曲阜甫林电子吴村分公司安全生产风险点登记表曲阜甫林电子吴村分公司安全生产风险点登记表曲阜甫林电子吴村分公司安全生产风险点登记表曲阜甫林电子吴村分公司安全生产风险点登记表曲阜甫林电子吴村分公司安全生产风险点登记表曲阜甫林电子吴村分公司安全生产风险点登记表曲阜甫林电子吴村分公司安全生产风险点登记表曲阜甫林电子吴村分公司安全生产风险点登记表风险点编号:QU-036 填报时间: 2017年 7 月 3 日曲阜甫林电子吴村分公司安全生产风险点登记表风险点编号:QU-037 填报时间: 2017年 7 月 3 日曲阜甫林电子吴村分公司安全生产风险点登记表曲阜甫林电子吴村分公司安全生产风险点登记表风险点编号:QU-039 填报时间: 2017年 7 月 3 日曲阜甫林电子吴村分公司安全生产风险点登记表曲阜甫林电子吴村分公司安全生产风险点登记表曲阜甫林电子吴村分公司安全生产风险点登记表风险点编号:QU-042 填报时间: 2017年 7 月 3 日曲阜甫林电子吴村分公司安全生产风险点登记表曲阜甫林电子吴村分公司安全生产风险点登记表安全生产风险点登记表安全生产风险点登记表曲阜甫林电子吴村分公司风险点编号:QU-047 填报时间: 2017年 7 月 3 日曲阜甫林电子吴村分公司风险点编号:QU-048 填报时间: 2017年 7 月 3 日曲阜甫林电子吴村分公司安全生产风险点登记表。
生产经营单位安全生产风险点名册单位名称(盖章):×××××××××法定代表人(签字):填写日期:生产经营单位基本信息填表人:联系电话:填表日期:生产经营单位安全生产风险点登记表生产经营单位安全生产风险点登记表生产经营单位安全生产风险点登记表生产经营单位安全生产风险点登记表生产经营单位安全生产风险点登记表风险点编号:005填报时间:生产经营单位安全生产风险点登记表生产经营单位安全生产风险点登记表生产经营单位安全生产风险点登记表生产经营单位安全生产风险点登记表生产经营单位安全生产风险点登记表生产经营单位安全生产风险点登记表生产经营单位安全生产风险点登记表生产经营单位安全生产风险点登记表生产经营单位安全生产风险点登记表生产经营单位安全生产风险点登记表生产经营单位安全生产风险点登记表生产经营单位安全生产风险点登记表生产经营单位安全生产风险点登记表生产经营单位安全生产风险点登记表生产经营单位安全生产风险点登记表生产经营单位安全生产风险点登记表GB6017.1-20起重机械安全规程-第1部分生产经营单位安全生产风险点登记表生产经营单位安全生产风险点登记表生产经营单位安全生产风险点登记表生产经营单位安全生产风险点登记表生产经营单位安全生产风险点登记表生产经营单位安全生产风险点登记表生产经营单位安全生产风险点登记表生产经营单位安全生产风险点登记表生产经营单位安全生产风险点登记表生产经营单位安全生产风险点登记表生产经营单位安全生产风险点登记表生产经营单位安全生产风险点登记表生产经营单位安全生产风险点登记表生产经营单位安全生产风险点登记表生产经营单位安全生产风险点登记表风险点编号:036 填报时间:生产经营单位安全生产风险点登记表生产经营单位安全生产风险点登记表生产经营单位安全生产风险点登记表生产经营单位安全生产风险点登记表生产经营单位安全生产风险点登记表生产经营单位安全生产风险点登记表生产经营单位安全生产风险点登记表生产经营单位安全生产风险点登记表生产经营单位安全生产风险点登记表生产经营单位安全生产风险点登记表。
生产经营单位安全生产风险点名册单位名称(盖章):×××××××××法定代表人(签字):填写日期:生产经营单位基本信息填表人:联系电话:填表日期:风险点编号:001 填报时间:风险点编号:002 填报时间:生产经营单位安全生产风险点登记表风险点编号:003 填报时间:生产经营单位安全生产风险点登记表风险点编号:004 填报时间:生产经营单位安全生产风险点登记表风险点编号:005 填报时间:生产经营单位安全生产风险点登记表风险点编号:006 填报时间:生产经营单位安全生产风险点登记表23774 5CDE 峞22797 590D 复39148 98EC 飬38702 972E 霮34768 87D0 蟐kA风险点编号:007 填报时间:生产经营单位安全生产风险点登记表风险点编号:008 填报时间:生产经营单位安全生产风险点登记表风险点编号:009 填报时间:生产经营单位安全生产风险点登记表风险点编号:010 填报时间:生产经营单位安全生产风险点登记表风险点编号:011 填报时间:生产经营单位安全生产风险点登记表风险点编号:012 填报时间:生产经营单位安全生产风险点登记表27346 6AD2 櫒39595 9AAB 骫21819 553B 唻29048 7178 煸ZW27793 6C91 沑风险点编号:013 填报时间:生产经营单位安全生产风险点登记表风险点编号:014 填报时间:生产经营单位安全生产风险点登记表风险点编号:015 填报时间:生产经营单位安全生产风险点登记表风险点编号:016 填报时间:生产经营单位安全生产风险点登记表风险点编号:017 填报时间:生产经营单位安全生产风险点登记表风险点编号:018 填报时间:36469 8E75 蹵29941 74F5 瓵25391 632F 振24945 6171 慱20926 51BE 冾38424 9618 阘8生产经营单位安全生产风险点登记表风险点编号:019 填报时间:生产经营单位安全生产风险点登记表风险点编号:020 填报时间:生产经营单位安全生产风险点登记表风险点编号:021 填报时间:生产经营单位安全生产风险点登记表风险点编号:022 填报时间:生产经营单位安全生产风险点登记表风险点编号:023 填报时间:生产经营单位安全生产风险点登记表风险点编号:024 填报时间:40041 9C69 鱩#9<24498 5FB2 徲Y21095 5267 剧生产经营单位安全生产风险点登记表风险点编号:025 填报时间:生产经营单位安全生产风险点登记表风险点编号:026 填报时间:生产经营单位安全生产风险点登记表风险点编号:027 填报时间:生产经营单位安全生产风险点登记表风险点编号:028 填报时间:生产经营单位安全生产风险点登记表风险点编号:029 填报时间:生产经营单位安全生产风险点登记表风险点编号:030 填报时间:f34480 86B0 蚰{29484 732C 猬!AK28229 6E45 湅生产经营单位安全生产风险点登记表风险点编号:031 填报时间:生产经营单位安全生产风险点登记表风险点编号:032 填报时间:生产经营单位安全生产风险点登记表风险点编号:033 填报时间:生产经营单位安全生产风险点登记表风险点编号:034 填报时间:生产经营单位安全生产风险点登记表风险点编号:035 填报时间:生产经营单位安全生产风险点登记表风险点编号:036 填报时间:生产经营单位安全生产风险点登记表风险点编号:037 填报时间:生产经营单位安全生产风险点登记表风险点编号:038 填报时间:。