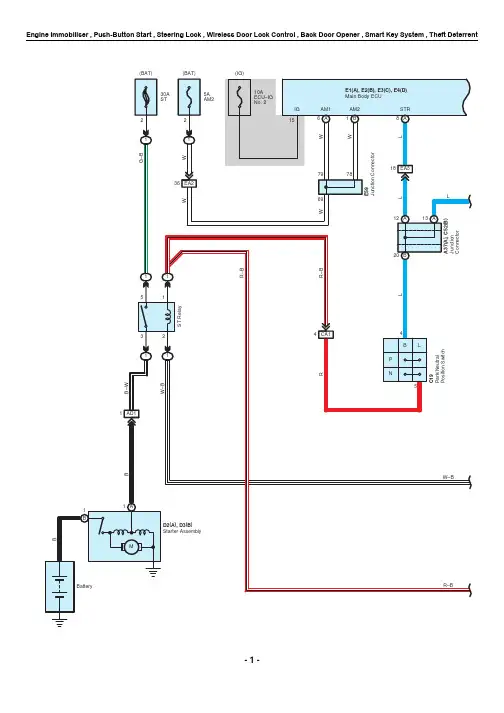
一汽丰田兰德酷路泽维修电路图(ab)
- 格式:pdf
- 大小:473.31 KB
- 文档页数:20
丰田汽车电路图手册的读图魏健【摘要】汽车电路图手册含有丰富的内容和信息,在汽车维修和检测中有重要的指导意义.以丰田中高档汽车电路图手册为例,介绍其构成、图例特点,重点解读系统电路图部分.【期刊名称】《汽车电器》【年(卷),期】2010(000)010【总页数】4页(P53-56)【关键词】丰田汽车;电路图;继电器盒【作者】魏健【作者单位】天津工程师范学院汽车工程系,天津,300222【正文语种】中文【中图分类】U462.21 电路图简介电路图可以使我们快速、准确地诊断出电路故障。
电路图不仅表示线路连接,还包含了丰富的信息,如连接器的识别码、位置以及线路中的共用点。
从2000年开始,丰田汽车电路图手册包括以下几个部分:A简介,B使用说明,C故障检测,D缩写字,E词汇表,F继电器位置,G电气线路图,H系统电路图,I搭铁点,J电源,K连接器列表,L连接器零件号,M 全部电路图。
2 系统电路图整个手册以系统电路图为基础,描述了独立部件和系统的电流走向,同时包含了部件的识别码、支撑信息等内容,如图1所示。
图1中的部件、连接器和导线都使用图解式的符号表示,通过电源正和搭铁部分可以把不同的电路联系起来。
图中每个符号都有一定的含义,如星号、括号和顶部的提示,用于区分不同的车型、发动机型号和使用区域。
2.1 线的颜色系统电路图中,线的颜色用印刷的颜色和字母表示,第1个字母代表基色,第2个字母代表条纹的颜色,如L-Y:L代表线的基色是蓝色,Y代表线的条纹是黄色,L-Y表示带黄色条纹的蓝色线。
但元件的引出端线的颜色在电路图中不表示出来。
另外,如果在某些导线上有一小段银色的区域,则表示这根导线使用PVC绝缘,这种绝缘质量轻,直径小。
字母代表颜色如下:B=黑色,Y=黄色,BR=棕色,SB=天蓝, G=绿色, O=橙色, GR=灰色, P=粉色,L=蓝色,R=红色,LG=浅绿,V=紫罗兰,W=白色。
2.2 接线盒接线盒使用绝缘层、固体金属片给不同的电路分配电源正和搭铁,可以省去许多附加的连接点,提高可靠性。
EFI主继电器的检测图 1所示是皇冠3.0轿车用EFI主继电器的电路图。
1、拔下EFI主继电器,用万用表Ω档测量(图 2)时,1#与2#端子应导通(线圈电阻值),3#与5#端子应不导通(电阻值为∞)。
2、在 1#和2#端子间施以12V电压,用万用表。
档测量(图 3)时,3#与5#端子间应是导通的(电阻值为零)。
断路继电器的检查方法图 1所示为凌志LS400轿车断路继电器的电路。
1、检查继电器的导通情况(图 2)用万用表Ω档检查各端子之间的状况:端子ST与E1之间及端子IG与Fc之间应导通(线圈电阻值),端子B与Fp之间应不导通。
如果不符合上述要求,应更换继电器。
2、检查继电器的动作(图 3)在端子ST和E1上施加蓄电池电压,端子B与Fp之间应导通;在端子IG和Fc上施加蓄电池电压,端子B与Fp之间也应导通。
如果动作不符合要求,应更换继电器。
减速废气净化装置的检测为使汽车减速而突然关闭节气门时,发动机转速瞬间未下降,进气歧管内出现高真空。
此时,进入气缸的混合气锐减,随之,混合气中残存废气的比例猛增,气缸内燃烧条件恶化,排气中HC迅速增加。
因此,当节气门突然关闭而进气歧管的真空度超过限定值时,应给气缸提供额外的混合气,以帮助气缸内的混合气燃烧,降低HC的排放量。
这就是减速废气净化装置所要起的作用。
常见的减速废气净化装置有三种:混合比加浓式减速废气净化装置、进气管真空控制阀和减速断油控制。
下面介绍混合比加浓式减速废气净化装置的结构、工作原理与检测方法一、混合比加浓式减速废气净化装置的结构和工作原理混合比加浓式减速废气净化装置如图 1所示。
当进气歧管的真空度超过该装置的调定值时,真空室I的真空吸力使膜片I上拱,从而带动真空控制阀上移,使真空室I与真空室Ⅱ相通。
真空室Ⅱ的吸力使膜片Ⅱ下拱时,旁通空气控制阀打开,于是,来自旁通气道的空气进入进气总管。
由于这部分空气是经空气流量传感器计量的,所以微机控制喷油器喷射相应的燃油量。