建筑结构可靠度设计统一标准GB50068-2001
- 格式:doc
- 大小:56.50 KB
- 文档页数:34
关于标准值、设计值、特征值(后面有荷载效应组合)2007-08-25 21:48一、原因与钢、混凝土、砌体等材料相比,土属于大变形材料,当荷载增加时,随着地基变形的相应增长,地基承载力也在逐渐加在,很难界定出下一个真正的“极限值”,而根据现有的理论及经验的承载力计算公式,可以得出不同的值。
因此,地基极限承载力的确定,实际上没有一个通用的界定标准,也没有一个适用于一切土类的计算公式,主要依赖根据工程经验所定下的界限和相应的安全系数加以调整,考虑一个满足工程的要求的地基承载力值。
它不仅与土质、土层埋藏顺序有关,而且与基础底面的形状、大小、埋深、上部结构对变形的适应程度、地下水位的升降、地区经验的差别等等有关,不能作为土的工程特性指标。
另一方面,建筑物的正常使用应满足其功能要求,常常是承载力还有潜力可挖,而变形已达到可超过正常使用的限值,也就是变表控制了承载力。
因此,根据传统习惯,地基设计所用的承载力通常是在保证地基稳定的前提下,使建筑物的变形不超过其允许值的地基承载力,即允诺承载力,其安全系数已包括在内。
无论对于天然地基或桩基础的设计,原则均是如此。
随着《建筑结构设计统一标准》(GBJ68-84)施行,要求抗力计算按承载能力极限状态,采用相应于极限值的“标准值”,并将过去的总安全系数一分为二,由荷载分项系数和抗力分项系数分担,这给传统上根据经验积累、采用允许值的地基设计带来了困扰。
《建筑地基基础设计规范》(GBJ7-89)以承力的允许值作为标准值,以深宽修正后的承载力值作为设计值,引起的问题是,抗力的设计值大于标准值,与《建筑可靠度设计统一标准》(GB50068-2001)规定不符,因此本次规范进行了修订。
二、对策《建筑结构可靠度设计统一标准》(GB50068-2001)鉴于地基设计的特殊性,将上一版“应遵守本标准的规定”修改为“宜遵守本标准规定的原则”,并加强了正常使用极限状态的研究。
而《建筑结构荷载规范》(GB50009-2001)也完善了正常使用极限状态的表达式,认可了地基设计中承载力计算可采用正常使用极限状态荷载效应标准组合。
结构专业常见问题汇编一、混凝土结构图纸总说明中必须校核和注明的规范条文:1.主体结构设计使用年限。
注:《建筑结构可靠度设计统一标准》(GB50068-2001)第1.0.5条(强条)。
2. 建筑抗震设防类别和建筑抗震设防烈度。
注:《建筑抗震设计规范》(GB50011-2010)第3.1.1条(强条)。
《建筑工程抗震设防分类标准》(GB50223-2008)第3.0.2条(强条)另:GB50223-2008第3.0.3条要求重点设防类建筑应按高于本地区抗震设防烈度一度的要求加强其抗震措施。
其中抗震措施包括抗震计算时的内力调整措施和各种抗震构造措施,具体体现在按抗震设防烈度提高一度后确定建筑结构的抗震等级,并根据抗震等级进行相关的抗震计算和采取相应的构造措施,但地震作用仍按原设防烈度相关参数计算。
对于特殊设防类建筑,除应按高于本地区抗震设防烈度提高一度的要求加强其抗震措施外,同时应按批准的地震安全性评价的结果且高于本地区抗震设防烈度的要求确定其地震作用。
3.建筑结构安全等级和地基基础安全等级注:《建筑结构可靠度设计统一标准》(GB50068-2001)第1.0.8条和《建筑地基基础设计规范》(GB50007-2011)第3.0.5.5条(强条)。
4.地基基础设计等级或建筑桩基设计等级。
注:a.《建筑地基基础设计规范》(GB50007-2011)第3.0.1条,取值错误易造成违反第3.0.2条(强条)。
b.《建筑桩基设计规范》(JGJ 94-2008)第3.1.2条,取值错误造成违反第3.1.4条(强条)。
设计等级取值的正确性与否和沉降验算、单桩承载能力的确定、检测桩的数量等参数关系密切。
5.地下室或无地下室建筑电梯井地下部分的防水等级及其所采用的相应的防水措施。
注:《地下工程防水技术规范》(GB50108-2008)第3.1.4(强条)和3.2.1条(强条)。
6.建筑±0.000标高所对应的绝对标高。
建设工程设计合理使用年限
使用年限。
根据《建筑结构可靠度设计统一标准》(GB 50068-2001)和《民用建筑设计通则》(GB 50352-2005)的规定,建设工程的设计合理使用年限分为四类:
1.对于临时性建筑,其设计使用年限为5年;
2.对于易于替换结构构件的建筑,其设计使用年限为25年;
3.对于普通房屋和构筑物,其设计使用年限为50年;
4.对于纪念性建筑和特别重要的建筑结构,其结构设计使用年限为100年。
此外,对于专业建筑工程,则应按照相应的专业技术规范要求确定其设计合理使用年限。
对于具体工程项目,其设计合理使用年限则应根据工程项目的建筑等级、重要性来确定。
在建设工程的设计合理使用年限内,工程承包人应当对该工程的主体结构(包括地基基础)进行保修。
在填写设计使用年限时,设计人应当注意其与土地使用年限的区别。
我国土地实行有偿、有期限使用的制度。
国务院《城镇国有土地使用权出让和转让暂行条例》第12条规定:土地使用权出让最高年限按下列用途确定:
(一)居住用地七十年;
(二)工业用地五十年;
(三)教育、科技、文化、卫生、体育用地五十年;
(四)商业、旅游、娱乐用地四十年;
(五)综合或其他用地五十年。
可见,土地使用年限与土地使用用途有关,与建筑物建筑等级和重要性没有关系。
从国家标准角度看结构安全等级、设计基准期与设计使用年限一、定义1、设计基准期design reference period【《建筑结构统一标准》2.1.6】为确定可变作用及与时间有关的材料性能取值而选用的时间参数。
【理解】2010版以前规范认为:设计基准期要确定的设计要素:1、受时间影响的可变作用;2、受时间影响的材料性能。
2、设计使用年限design working life【《建筑结构统一标准》2.1.7】设计规定的结构或结构构件不需进行大修即可按预定目的使用的年限。
【理解】设计使用年限要求结构的可靠性和耐久性的时限。
3、结构安全等级structural safety grade(规范无定义,下面的定义引自“百度百科”,并参考其它文献)建筑结构安全等级(专业中简称为安全等级、结构安全等级),是为了区别在近似概率论极限状态设计方法中,针对重要性不同的建筑物,采用不同的结构可靠度而提出的。
二、出处及其规定和相关规定条文建筑结构设计中用到的“结构安全等级”、“设计基准期”与“设计使用年限”都出自于《工程结构可靠性设计统一标准》(GB50153-2008)。
相关条文:1.0.4各类工程结构设计标准和其他相关标准应遵守本标准规定的基本准则,并应制定相应的具体规定。
2.1.5设计使用年限design working life设计规定的结构或结构构件不需进行大修即可按预定目的使用的年限。
2.1.5条文说明:(部分)在2000年第279号国务院令颁布的《建筑工程质量管理条例》中,规定了基础设施工程、房屋建筑的地基基础工程和主体结构工程的最低保修期限为设计文件规定的该工程的“合理使用年限”,与国际标准《结构可靠度总原则》ISO2394:1998中,提出了“设计工作年限”(design working life)的含义相当。
《建筑结构统一标准》(GB 50068-2001)将“合理使用年限”和“设计工作年限”统一称为“设计使用年限”,本标准将这一术语推广到各类工程结构,并规定工程结构在超过设计使用年限后,应进行可靠性评估,根据评估结果,采取相应措施,并重新界定其使用年限。
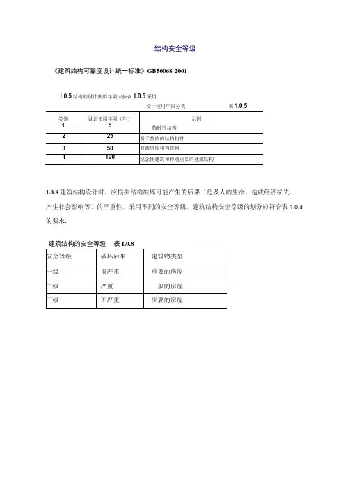
结构安全等级《建筑结构可靠度设计统一标准》GB50068-20011.0.5结构的设计使用年限应按表1.0.5采用.设计使用年限分类表1.0.51.0.8建筑结构设计时,应根据结构破坏可能产生的后果(危及人的生命、造成经济损失、产生社会影响等)的严重性,采用不同的安全等级。
建筑结构安全等级的划分应符合表1.0.8的要求.注:1对特殊的建筑物,其安全等级应根据具体情况另行确定:2地基基础设计安全等级及按抗震要求设计时建筑结梅的安全等级,尚应符合国冢现行有关规范的蜕定.♦《福凝土结构设计规范》GB50010—2002中第3.2.1条与本条等效•《建筑结构苻我加花》(J B50009-20011.1 .5本规范采用的设计基准期为50年。
1.2 .2建筑结构设计时,对不同荷效应采用不同的代表值。
对永久荷我应采用标准值作为代表值A对可变荷就应根据设计螫求采用标准值、组合值、频遇值或准永久值作为代表值.对偶然荷我应按建筑结构使用的特点确定其代表值。
3.2.3对于矮本组合,荷皴效应组合的设计值S应从下列组合值中取最不利值确定:1)由可变荷就效应控制的组合:S=YoSa2QlK÷务0"Sρrt(3.2.3-1)ι-2式中yσ—永久荷我的分项系数,应按第3∙2.5条采用:γffl——第i个可变荷载的分项系数,其中γ0∣为可变荷载Ql的分项系数,应按第3.2.5条采用:s at——按永久荷段标准值G计算的荷皎效应值:S QU—按可变荷我标准值计算的荷载效应值,其中SQ伍为诸可变荷我效应中起控制作用者:Ψrt—可变荷我Q.的组合值系数,应分别按各堂的规定采用:∏—参与组合的可变荷找数。
2)由永久荷战效应控制的组合:^∑f Q,‰S QΛ(3.2.3-2)ι∙2注:1层本组合中的设计值仅适用于荷栽与荷栽效应为我性的情况.2当时S/*无法明显判断时.枪次以各可变有战效应为S*”,选其中最不利的有我政应组合.3当考虑以及向的永久有栽效应控制的蛆合时,参与组合的可变特栽仅限于蜃向有栽.3.2.5战本组合的荷我分项系数,应按下列规定采用:1永久荷我的分项系数:1)当其效应对结构不利时时由可变荷皎效应控制的组合,应取1.2:一对由永久荷拨效应控制的组合,应取L35:2)当其效应对结构有利时——般情况下应取1.0:一对结构的怪穆,滑移或漂浮验算,应取0∙9∙2可变荷我的分项系数:——般情况下应取L4:一对标准值大于4kN∕m2的工业房屋楼面结构的活荷我应取1.3。
《建筑结构可靠度设计统一标准》发布,含钢量精细化4大招土木智库发布时间:19-04-2613:56优质原创作者2019年4月1日,新版《建筑结构可靠度设计统一标准》(GB50068-2018)实施,意味着,普通住宅钢筋含量将增加5%,地下车库钢筋含量将增加10%!虽然有业内人士测算,钢筋含量增加对房企整体的建造成本影响不大,但近年,钢筋、水泥等材料价格不断上涨,再加上限价限售等政策,房企的利润空间被大幅压缩。
在这样严峻的行业形势下,房企该如何应对钢含量增加带来的成本问题呢?作者发现,影响建筑钢含量的因素除了荷载,还有其他因素,如:建筑方案、结构体系、高强材料、构造做法等等。
因此,房企可以尝试通过优化结构,控制含钢量。
以龙湖和绿城的含钢量控制做法为例:一、建筑方案1,建筑物高度的控制龙湖规定:抗震等级每提高一级,内力放大系数、构造措施均提高一级。
当建筑物高度超过且接近分界点时,尽量通过优化层高、标准层面积、楼层数,使建筑物高度按照高度分界点控制。
2,建筑物高宽比超限的控制龙湖《高规》4.2.3条规定:A级高度钢筋混凝土高层建筑结构的高宽比不宜超过下面的数值:3,层高控制压缩层高,保证净高。
层高的压缩,可以减少结构柱、剪力墙构建的高度,同时减少建筑的总高度、降低结构的竖向荷载,降低上部结构所承受的地震作用、风荷载,间接降低含钢量。
(1)结构梁高控制目前最经济的结构梁高为1/8~1/12的梁跨度。
公共走道、设备管线密集处等建议采用宽扁梁、型钢梁。
而车库则考虑实心或空心无梁楼盖。
空心无梁楼盖在车库顶板覆土较厚(≥1.5m)或有消防车荷载时更有优势。
(2)设备管线空间控制对于风管、电缆桥架、给排水、消防等管线密集处,采用综合管线图进行优化设计,往往可以节约200mm高度。
设计院对公共走道、地下室、大型商业进行综合管线图设计,建议由暖通空调专业设计人员完成,以优化设备管线所占的空间高度。
(3)结构梁高空间、设备管线空间的相互利用结构主梁与主管线平行布置与管线相交处采用变截面梁管线穿结构梁处理,预留洞口尺寸一般控制在梁高的1/3以内采用无梁楼盖,设备管线与柱帽(如设置)在同一高度空间。
《荷载与结构设计方法》试题+参考答案4一、填空题(每空1分,共计20分)1. 当功能函数服从 正态分布 时,可靠指标与失效概率具有一一对应关系。
2结构构件可靠度计算的一次二阶矩法包括 中心点法 和 验算点法 。
3. 结构可靠指标β的几何意义是 随机变量空间坐标原点到极限状态曲面的最短距离。
随机变量标准空间坐标原点到极限状态曲面的最短距离。
4. 荷载简单组合是 恒荷载 与 可变荷载 的组合。
5. 确定结构目标可靠度水准的方法有 事故对比法 、 校准法 和 优化法 。
6. 荷载的代表值一般包括 标准值 、 组合值 、 频遇值 和 准永久值 。
7. 荷载效应组合规则一般有 、 、和 。
8. 我国“建筑结构可靠度设计统一标准”(GB50068—2001)将设计状况分为 、 和 。
9. 荷载效应组合问题的实质是 综合荷载效应最大值的概率分布问题 。
二、判断对错(在括号内:对的画“√”,错的画“×”) (每空2分,共计16分)1. 可靠指标β越大,结构可靠程度越高。
( 对 )2. 结构可靠度设计的基准期就是结构的使用期。
( 错 )3. 结构的失效概率f P 等于结构抗力R 和荷载效应S 的概率密度干涉面积。
( 错 )4. 极限状态方程表达了结构荷载效应与抗力之间的平衡关系。
( 对 )5. 结构重要性系数是用来调整不同安全等级结构的目标可靠指标的。
( 对 )6. 延性破坏构件的目标可靠指标要大于脆性破坏构件的相应值。
( 错 )7. 荷载标准值是设计基准期内在结构上时而出现的较大可变荷载值。
( 错 )(最大荷载)8. 对于结构不同的设计状况,均应进行正常使用极限状态设计。
( 错 )三、简述题(每小题8分,共计24分)1. 简述结构设计方法经历了哪几个发展阶段,并说明每个阶段结构设计方法的主要特点。
2. 简述影响结构构件抗力随机性的几类因素,并说明每一类因素主要包括哪些内容。
3. 简述结构构件可靠度设计的实用表达式包括哪些内容,并列出具体表达式。
2014年4月自考房屋建筑工程概论练习题及答案一、单项选择题(本大题共20小题,每小题1分,共20分)1.根据《建筑结构可靠度设计统一标准))(GB50068-2001)规定,对纪念性建筑的设计使用年限是( D )A.25年B.50年C.70年D.100年2.由曲面形板与边缘构件(梁、拱或桁架)组成的空间结构,它能以较薄的板面形成承载能力高、刚度大、并能覆盖大跨度的空间而无需中间设柱的建筑结构体系是( B )A.错列桁架结构B.空间薄壳结构C.简体结构D.网架结构3.楼梯平台上部及下部过道处的净高不应小于( B )A.1.9mB.2.0mC.2.2mD.2.5m4.建筑平面组合的形式有多种,常用于展览馆、纪念馆等建筑的组合方式是( A )A.套间式组合B.走廊式组合C.大厅式组合D.单元式组合5.建筑平面设计时,关于窗的设计说法不正确的是( B )A.窗位置和尺寸的确定要考虑结构和构造的可能性B.南方炎热地区不宜开大窗C.窗采光面积的大小是按采光面积比确定D.学校中教室光线应自学生座位的左侧射入6.用以下材料建造基础时,属于柔性基础的是( D )A.粘土砖B.毛石C.混凝土D.钢筋混凝土7.在墙体的承重方案中,具有空间划分灵活、能分隔出较大空间、构件规格少、但门窗洞口尺寸受到一定限制、刚度较差特点的承重方案是( C )A.纵横墙承重方案B.半框架承重方案C.纵墙承重方案D.横墙承重方案8.砌体结构中,圈梁起的作用中不包括( C )A.提高建筑物的抗震能力B.防止震动荷载引起的墙体开裂C.提高墙体承载能力D.防止地基不均匀沉降引起的墙体开裂9.对于现浇钢筋混凝土板式楼梯,说法不正确的是( D )A.板式楼梯结构简单B.板式楼梯施工方便C.板式楼梯生重较大、耗用材料多D.板式楼梯受力合理10.单层工业厂房中柱子纵向定位轴线间的距离称为( A )A.跨度B.柱距C.轴距D.高度11.单层厂房地面的垫层若采用混凝土、沥青混凝土等材料构筑而成,这种垫层称为( A )A.刚性垫层B.半刚性垫层C.柔性垫层D.塑性垫层12.要求早期强度较高的工程中,适用的水泥是( C )A.矿渣硅酸盐水泥B.粉煤灰硅酸盐水泥C.硅酸盐水泥D.火山灰硅酸盐水泥13.材料在外力作用下抵抗破坏的能力称为材料的( D )A.刚度B.硬度C.脆性D.强度14.混凝土强度等级是根据( B )A.混凝土立方体抗压强度来确定的B.混凝土立方体抗压强度标准值来确定的C.混凝土轴心抗压强度来确定的D.混凝土抗折强度来确定的15.按桩的功能不同来划分的桩类型有( C )A.预制桩B.灌注桩C.竖向抗压桩D.钢筋混凝土桩16.砖砌体水平灰缝砂浆饱满度应不低于( B )A.70%B.80%C.90%D.100%17.施工缝留设正确的是( C )A.柱子施工缝留设柱中部B.单向板施工缝留设在平行长边的任何位置C.柱子施工缝留设在梁的下面D.有主次梁的楼板,施工缝留设在主梁跨度的中间1凸范围内18.我国《高层建筑混凝土结构技术规程》及相关规范规定,属于超高层建筑的是( A )A.建筑高度lOOm以上B.建筑高度120m以上C.建筑高度150m以上D.建筑高度80m以上19.建筑物的耐火等级是依据房屋主要构件的( D )A.燃烧性能确定B.安全等级和耐火极限确定C.设计等级和安全等级确定D.燃烧性能和耐火极限确定20.《建筑设计防火规范》对多层民用建筑防火分区面积作出了规定,建筑物的地下室、半地下室发生火灾时,人员不易疏散,其防火分区面积应严格控制在( C )A.300m2B.400m2C.500m2D.600m2二、多项选择题(本大题共5小题,每小题2分,共10分)21.按建筑物的结构体系来划分,建筑工程的类别有( BE )A.公共建筑B.网架结构C.砌体结构D.钢结构建筑E.框架结构22.影响基础埋置深度的因素主要有 ( ABDE )A.工程地质条件B.基础的形式与构造C.建筑结构形式D.相邻建筑的基础埋深E.作用在地基上的荷载大小和性质23.建设工程项目一般分阶段进行设计,对于技术复杂的建设工程项目,其设计阶段应包括( BDE )A.概念设计B.初步设计C.结构设计D.技术设计E.施工图设计24.以下关于混凝土强度的影响因素,说法正确的有( AB )A.在配合比相同条件下,水泥强度等级越高,制成的混凝土强度也越高B.水泥品种相同时,混凝土强度主要取决于水灰比大小C.水泥强度等级相同情况下,水灰比越大,混凝土强度越高D.强度随龄期的增长而提高,初期增长较缓慢,后期增长较快E.混凝土浇筑后,在潮湿环境中养护时间不宜过长25.在施工准备阶段,其技术准备的内容包括( ACD )A.熟悉施工图纸B.建造临时设施C.编制施工预算D.编制施工组织设计E.做好场地测量三、填空题(本大题共10小题,每小题2分,共20分)26.模数数列是由基本模数、扩大模数和分模数为基础扩展成的一系列尺寸。
结构设计统一技术措施(参考)xxx项目xxxxxxxxx公司xxxx.xx.xx结构设计统一技术措施与配筋原则一、设计遵循的规范1)《建筑结构可靠度设计统一标准》(GB50068-2001)2)《建筑工程抗震设防分类标准》GB50223-20083)《建筑地基基础设计规范》(GB50007-2012)4)《建筑结构荷载规范》(GB50009-2012)5)《混凝土结构设计规范》(GB50010-2010)(含2015年局部修订)6)《建筑抗震设计规范》(GB50011-2010)(含2016年局部修订)7)《高层建筑混凝土结构技术规程》(JGJ3-2010)8)广东省标准《建筑结构荷载规范》(DBJ 15-101-2014)9)广东省标准《高层建筑混凝土结构技术规程》(DBJ 15-92-2013)10) 广东省标准《建筑地基基础设计规范》(DBJ 15-31-2003)11) 广东省标准《静压预制混凝土桩基础技术规程》(DBJ/T 15-94-2013)12) 广东省标准《锤击式预应力混凝土管桩基础技术规程》(DBJ/T 15-22-2008)13)《全国民用建筑工程设计技术措施-结构》201214)《先张法预应力混凝土管桩》(GB13476-2009)15)《人民防空地下室设计规范》(GB50038-2005)16)《地下工程防水技术规范》(GB50018-2008)规范》二、主要设计参数1、风荷载1)基本风压2)地面粗糙度类C类, 体形系数µ s =1.30。
2、抗震设防要求及抗震等级1)本工程的设计基准期为50年,设计使用年限为50年,建筑结构的安全等级为二级,结构重要性系数为γo=1.0。
2)本工程为丙类建筑,抗震设防烈度为7度(0.10g),场地类别为Ⅱ类,本工程结构计算采用的抗震设防烈度和抗震构造措施采用的抗震设防烈度均为7度,地震分组为第一组。
3)本工程各栋抗震等级见下表:4)主楼相关范围以内的地下室区域:地下一层结构抗震等级同地面结构第一层,地下二层及以下层的结构抗震等级可逐层降低一级,主楼相关范围以外的地下室区域,地面一层结构抗震等级可采用三级或四级。
《建筑结构可靠度设计统一标准》(GB50068-2001)学习要点及理解一、前言中关于修订内容的说明(相对原《建筑结构统一标准》(GBJ68-84))1、标准的适用范围:鉴于《建筑地基基础设计规范》、《建筑抗震设计规范》在结构可靠度设计方法上有一定特殊性,从原标准要求的“应遵守”本标准,改为“宜遵守”本标准;[条]2、根据《工程结构可靠度设计统一标准》(GB50153-92)的规定,增加了有关设计工作状况的规定,并明确了设计状况与极限状态的关系;[条、条]3、借鉴最新国际标准JSO2394:1998《结构可靠度总原则》,给出了不同类型建筑结构的设计使用年限;[条]4、在承载能力极限状态的设计表达式中,对于荷载效应的基本组合,增加了永久荷载效应为主时起控制作用的组合式;[条()式]5、对楼面活荷载、风荷载、雪荷载标准值的取值原则和结构构件的可靠指标以及结构重要性系数等作了调整;[条、条、条]6、首次对结构构件正常使用的可靠度做出了规定,这将促进房屋使用性能的改善和可靠度设计方法的发展;[条]7、取消了原标准的附件。
[原标准有五个附件:附件一荷载的统计特性、代表值及其效应组合;附件二结构抗力的统计特性;附件三结构可靠度的计算方法;附件四极限状态设计表达式及其分项系数的确定;附件五结构材料的质量要求及质量控制。
此五个附件对正确理解本标准仍具有重要作用,有精力的专业技术骨干,特别是技术把关人应该一读。
]二、标准的主线可靠度设计原则(建筑结构在规定的设计使用年限内应具有足够的可靠度)采用以概率理论为基础的极限状态设计方来度量。
以极限状态为目标的设计方法为公认的合理的设计方法)变通为多系数表达式(这是为广大设计人员所熟悉和乐)三、条文理解1、总则(原文略)[明确规定《建筑结构荷载规范》、《钢结构设计规范》、《薄壁型钢结构设计规范》、《混凝土结构设计规范》、《砌体设计规范》、《木结构设计规范》等六本规范应遵守本标准的规定。
第6章钢结构的正常使用极限状态6.1常使用极限状态的特点正常使用极限状态对应于结构或构件达到正常使用或耐久性能的某项规定限值。
《建筑结构可靠度设计统一标准》(GB50068-2001)规定,当结构或构件出现下列状态之一时,即认为超过了正常使用极限状态:1)影响正常使用或外观的变形;2)影响正常使用或耐久性能的局部破坏(包括裂缝)3)影响正常使用或耐久性能的振动4)影响正常使用或耐久性能的其它特定状态。
正常使用极限状态可以理解为适用性极限状态,常见的适用性问题有以下七类:1)由荷载、温度变化、潮湿、收缩和徐变引起的非结构构件的局部损坏(如顶棚、隔墙、墙、窗);2)荷载产生的挠度防碍家具或设备(如电梯)的正常使用功能;3)明显的挠度使居住者感到不安;4)由剧烈的自然现象(如飓风、龙卷风)造成的非结构构件彻底损坏;5)结构因时效和服役而退化(如地下停车场结构因防水层破坏而损坏);6)建筑物因活荷载、风荷载、或地震荷载造成的运动,导致居住者身体或心理上不舒适感;7)使用荷载下的连续变形(如高强螺栓滑移)。
长期以来,正常使用极限状态不如承载极限状态那样受到重视,认为只不过是适当限制一下挠度和侧移。
随着结构材料强度的提高和构件的轻型化(包括围护结构和非承重结构构件),情况已经有所改变,研究工作日趋活跃,包括分析正常使用极限状态的可靠指标取值问题。
不过我国的设计规范和规程中仍然只有变形和振动限制两个方面。
6.2拉杆、压杆的刚度要求1. 轴心受力构件刚度验算按照结构的使用要求,钢结构的轴心拉杆、轴心压杆以及拉弯构件都不应过分柔弱而应该具有必要的刚度,保证构件不产生过度的变形。
这种变形可能因其自重而产生,也可能在运输或安装构件的过程中产生。
承受轴线拉力或压力的构件其刚度用长细比控制,即:λmax=(L0/i) max≤[λ]式中λmax——杆件的最大长细比L0——杆件的计算长度I —截面的回转半径[λ]—容许长细比2.轴心受力构件长容许细比规定一般而言,压杆由于对几何缺陷的影响较为敏感,所以对它的长细比要求较拉杆严格得多。
2021年土建质量专业管理实务试卷和答案(22)一、单选题(共30题)1.《合同法》规定如果合同中有条款因故意或重大过失造成对方财产损失的,那么会造成什么后果A:合同无效B:免责条款无效C:当事人有权请求人民法院或仲裁机构变更或者撤销D:如已签订合同.不得更改【答案】:B【解析】:《合同法》第53条:合同中的下列免责条款无效:1)造成对方人身伤害的;2)因故意或者重大过失造成对方财产损失的。
2.多层砖房设置构造柱最小截面可采用()。
A:240mm×240mmB:240mm×180mmC:240mm×120mmD:180mm×120mm【答案】:B【解析】:多层砖房设置构造柱最小截面可采用240mm×180mm,纵向钢筋宜采用4?12,箍筋间距不宜大于250mm,且要柱上下端应适当加密。
3.砂桩地基的灌砂量符合要求,其实际用砂量与计算体积必须≥()。
A:100%B:95%C:90%D:85%【答案】:A【解析】:砂桩地基的灌砂量符合要求,其实际用砂量与计算体积必须≥100%;在砂桩地基中,灌砂量应按桩孔的体积和砂在中密状态时的干密度计算,其实际灌砂量(不包括水重)不得少于计算的95%。
4.检查抹灰层是否空鼓用()检查。
A:仪器B:超声波C:小锤轻击D:手摸【答案】:C【解析】:检查抹灰层是否空鼓用小锤轻击检查。
5.民用建筑工程经验时,环境污染物浓度现场监测点应距内墙面不小于()、距楼地面高度0.8~1.5m。
A:0.3mB:0.5mC:1.0mD:1.2m【答案】:B【解析】:民用建筑工程经验时,环境污染物浓度现场监测点应距内墙面不小于0.5m、距楼地面高度0.8~1.5m。
6.建筑地面工程属于()分部工程。
A:建筑装饰B:建筑装修C:地面与楼面D:建筑装饰装修【答案】:D【解析】:建筑地面工程属于建筑装饰装修分部工程。
建筑装饰装修分部工程有以下几项分项工程:抹灰工程、门窗工程、吊顶、隔墙工程、饰面板(砖)工程、幕墙工程、涂饰工程、细部工程、建筑地面工程。
中华人民共和国国家标准建筑结构可靠度设计统一标准发布实施中华人民共和国建设部联合发布国家质量监督检验检疫总局中华人民共和国国家标准建筑结构可靠度设计统一标准主编部门中华人民共和国建设部批准部门中华人民共和国建设部施行日期年月日北京中国建筑技术资料网http://www.ccdn.com.cn关于发布国家标准的通知建标号根据我部修订由建设部会同有关部门共同修订的经有关部编号为自年月必须严格执原于年月本标准由建设部负责管理中国建筑科学研究院负责具体解建设部标准定额研究所组织中国建筑工业出版社出版发中华人民共和国建设部年月日前言本标准是根据建设部建标号文的要求由中国建筑科学研究院会同有关单位对原本次修订的内容有标准的适用范围鉴于从原标准要求的应遵守本标准改为宜遵守根据增加了有关设计工作状况的规定并明确了设计状况与借鉴最新版国际标准对于荷载效应的基本组合增加了永久荷载效应为主时起控制作用的组合式雪荷载标准值的取值原则和结构构件的可靠指标以及结构重要性系数等作了调整这将促有关局部修订的信息和条文内容将刊登在注意总结经验积累资料随时将有关的意见和建议寄给中国建筑科学研究院本标准主编单位本标准参编单位中本标准主要起草人胡德火陈戴国目次总则符号极限状态设计原则材料和岩土的性能及几何参数结构分析质量控制要求本标准用词说明总则为统一各类材料的建筑结构可靠度设计的基本原则和方确保质量的要组成结构的构件及地基基础的混木结构等设计规范应遵守本标准的规定制定建筑地基基础和建筑抗震等设计规范宜遵守本标准规定的原本标准所采用的设计基准期为结构的设计使用年限应按表表设计使用年限分类结构可靠度可采用以概率理论为基础的极限状态设计方法分析确在设计规定的偶然事件发生时及发生后仍能保持必需应根据结构破坏可能产生的后果采用建筑结构安全等级的划分应符合表的要表建筑结构的安全等级安全等级破坏后果建筑物类型一级很严重重要的房屋二级严重一般的房屋三级不严重次要的房屋注对特殊的建筑物其安全等级应根据具体情况另行确定地基基础设计安全等级及按抗震要求设计时建筑结构的安全等级尚应建筑物中各类结构构件的安全等级宜与整个结构的安但不除应进行必要的设计计算外使用与维护进行相对控制的具体要求施工及当缺乏统计资料时结构设计应根据可靠的工程经验或术语符号术语可靠性完成预定功能的能可靠度完成预定功能的概失效概率可靠指标由定义的代替失效概率的指标其中基本变量材料与岩设计基准期为确定可变作用及与时间有关的材料性能等取值而选用的时设计使用年限设计规定的结构或结构构件不需进行大修即可按其预定目的极限状态整个结构或结构的一部分超过某一特定状态就不能满足设计规定的某一功能要求设计状况设计应做到结构在该时段内功能函数基本变量的函数概率分布随机变量取值的统计规律一般采用概率密度函数或概率分统计参数在概率分布中用来表示随机变量取值的平均水平和分散程度的数字特征分位值作用施加在结构上的集中力或分布力和引起结构外加变形或约束变形的原因作用代表值作用代表值包括作用标准值为设计基准期内最大作用概率分布的某组合值使组合后的作用效应在设计基准期内的超越概或组合后频遇值在设计基准期内被超越的总时间仅为设计基准期一小部分的作用值或在设计基准期内其超越频率为某一给定准永久值在设计基准期内被超越的总时间为设计基准期作用设计值材料性能标准值材料性能设计值几何参数标准值设计规定的几何参数公称值或几何参数概率分布的某一分位几何参数设计值作用效应由作用引起的结构或结构构件的反应变形和裂抗力结构或结构构件承受作用效应的能力符号结构构件失效概率的运算值结构或结构构件作用效应的平均值结构或结构构件的几何参数结构或结构构件几何参数的标准值结构上的作用分项系数结构构件抗力分项系数结构重要性系数极限状态设计原则对于结构的各种极限状态极限状态可分为下列两类这种极限状态对应于结构或结构构应认为超过了承载能力极限状态整个结构或结构的一部分作为刚体失去平衡结构构件或连接因超过材料强度而破坏或因过度变形而不适于继续承载结构转变为机动体系结构或结构构件丧失稳定地基丧失承载能力而破坏这种极限状态对应于结构或结构构应认为超过了正常使用极限状态影响正常使用或耐久性能的局部损坏影响正常使用的振动应根据结构在施工和使用中的环境条件和影响区分下列三种设计状况在结构使用过程中一定出现其持续期很长持续期一般与设计使用年限为同一数量级而与设计使用年限相比持续期很短的状况且持续期很短的状况可靠度水准建筑结构的三种设计状况应分别进行下列极限状态设计对持久状况对短暂状况应采用相应的结构作用效应的最不利组合进行承载能力极限状态设计时应考虑作用效应的基本应根据不同设计目的分别选用下列作用效应的组合主要用于当一个极限状态被超越时将产生严主要用于当一个极限状态被超越时将产生局主要用在当长期效应是决定性因素时的一建筑结构可采用下列原则之一按承载能力极限状态进行设计使主要承重结构不致因出现设计规定的偶然事件而丧失承载能力允许主要承重结构因出现设计规定的偶然事件而局部破结构的极限状态应采用下列极限状态方程描述式中系指结构上的各种作用和材料进行结构可靠度分析也可采用作用效应和结构抗力作为综合的基本变量基本变量应作为随机变量结构按极限状态设计应符合下列要求结构按极限状态设计应符合下列要求式中结构构件的可靠指标宜采用考虑基本变量概率分布类型的一次二阶矩方法进行当仅有作用效应和结构抗力两个基本变量且均按正态分结构构件的可靠指标可按下列公式计算式中结构构件作用效应的平均值和标准差结构构件的失效概率与可靠指标具有下列关系式中结构构件失效概率的运算值式中当基本变量不按正态分布时结构构件的可靠指标应以结构构件作用效应和抗力当量正态分布的平均值和标准差代入公式可根据对现有结构构不应小于表表结构构件承载能力极限状态的可靠指标注结构构件的可靠指标应符合专门规范的规定根据其可逆程度宜取结构上的作用若在时间上或空间上可作为相互独则每一种作用均可按对结构单独的作用考虑当某些作用密切相关且经常以其最大值同时出现时可将这些作用按一种结构上的作用可按下列性质分类按随时间的变异分类在设计基准期内量值不随时间变化或其变在设计基准期内其量值随时间变化且其变在设计基准期内不一定出现而一旦出现其按随空间位置的变异分类按结构的反应特点分类雪荷载随机过程的样本荷载的各种统计参数和任意时点荷载的概率分布函数运用参数估计和概率分布的假设检检验的显著性水平可采用当观测和试验数据不足时荷载的各种统计参数可结合工程应根据各种极限状态的设计要求采用不同永久荷载应采用标准值作为代表值可变荷载应结构自重的标准值可按设计尺寸与材料重力密度标准值对于某些自重变异较大的材料或结构构件自重的标准值应根据结构的不通过结构可靠度分析可变荷载标准值应根据设计基准期内最大荷载概率分布的注当观测和试验数据不足时经分析荷载组合值是当结构承受两种或两种以上可变荷载时承载能力极限状态按基本组合设计和正常使用极限状态按标准组荷载频遇值是正常使用极限状态按频遇组合设计可采用荷载准永久值是正常使用极限状态按准永久组合和频遇承载能力极限状态设计时采用的各种偶然作用的代表进行建筑结构设计时对可能同时出现的不同种类的作应考虑其效应组合对不可能同时出现的不同种类的作用材料和岩土的性能及几何参数应根据有关的试验方法标准材料性能的各种统运用参数估计和检验的显著性水平可采用当利用标准试件的试验结果确定结构中实际的材料性能实际工作条件与标准试验条应根据相应的对比试验结果通过换算系数或函数来反映或根据工程结构中材料性能的不定性应由标准试件材料性桩基承载力等室内试验等直接或间接的方法确定室内外试验条件与实际工程结构条件的差别以及所采用公式的误材料强度的标准值可取其概率分布的材泊松比等物理性能的标准值可取其概率分布的注当试验数据不足时材料性能的标准值可采用有关标准的规定值也可结合工程经验岩土性能的标准值宜根据原位测试和室内试验的结果注当有条件时岩土性能的标准值可按其概率分布的某个分位值确结构或结构构件的几何参数宜采用随机变量概率模型应以正常生产情况下结构或结构构件几何尺寸的测试数据为基础运用参数估几何参数的统计参数可根据有关标准中规定的公差结构分析结构分析应包括下列内容结构抗力及其他性能的分析以确定结构或截面的抗力结构分析采用的基本假定和计算模型应能描述所考虑极三维的计算模型根据材料和结可采用线性理论计必要时应根据每一自由作用可能出现的空间位置宜在结构分如湿度对木材强度的影响高温对钢结构性能的计算模型的不定性应在极限状态方程中采用一个或几个附加基本变量的概率分布类型和统计参可通过按计算模型的计算结果与按精确方法的计算结果或实际观测的结果相比较或根据工程经验判断确极限状态设计表达式应根据各种极限状态的设计要求几何参作用分项系数和结构构件抗力分项系数应根据结构功能函数中基本变量的统计参数和概率分布类型以及本标准并考虑工程经验确结构重要性系数设计使用年对于承载能力极限状态结构构件应按本标准条基本组合应按下列极限状态设计表达式中最不利值确定式中应按本标准条的规定采个和第应按本标准条的规定采用其值不应大于其值应符合各类材料结构当几何参数的变异对结构构件有明显影响时可另增减一个附加值考虑其不利式可采用下列简化极限状态设计表达式式中一般情况下可取取注荷载的具体组合规则及组合值系数应符合的规定式和中荷载效应的基本组合偶然组合对于偶然组合极限状态设计表达式宜按下列原则确定偶与偶然作用同时出现的可变荷具体的设计表达式及各种系数结构重要性系数应按下列规定采用对安全等级为一级或设计使用年限为年及以上的结不应小于对安全等级为二级或设计使用年限为年的结构构件不应小于对安全等级为三级或设计使用年限为年的结构构件不应小于注对设计使用年限为各类材料结构设计规范可根据各自情况确定结构重要性系数荷载分项系数应按下列规定采用永久荷载分项系数当永久荷载效应对结构构件的承对式及应取对式应取当永久荷载效应对结构构件的承载能力不应大于第个和第个可变荷载分项系数和当可变荷在一般情况下应取应取为对于正常使用极限状态结构构件应按本标准条频遇组合和准永久组合进裂缝等荷载效应的设计值符合下式的要求式中裂缝等荷载效应的设计值裂缝等荷载效应的设计值应符合下列规定标准组合频遇组合式中值效应注质量控制要求在各类材料结构设计与施工规范中应根据各类材料结构设计规范等级设计时应采用不同的材料性建筑结构的质量控制应包括下列内容施工的质量控制勘察与设计的质量控制应达到下列要求数据准确结论可靠基本假定和计算模型合理在对工序操作和中间产品的质量定当实际使用条件和设计预定的使用条件不同时材料和构件的质量控制应包括下列两种控制生产控制对及时纠正偏差保持生产过合格控制应根据规定的质量验其验收函数和验收界限对于生产连续性较差或各批间质量特征的统计参数差异较大的材料和构件必须控制用户方风可按各类材料可按控制应根据有关的质量验收标准对该批产品进行复查或重新确定其质量等级本标准用词说明为便于在执行本标准条文时区别对待对执行标准严格程度的用词说明如下表示很严格非这样做不可的用词正面词采用反面词采用表示严格在正常情况下均应这样做的用词正面词采用反面词采用不应或在条件许可时首先应这样做的用词正面词采用反面词采用不宜采用。
《民用建筑可靠性鉴定标准》GB50292题库一、单项选择题(每题1分,每题只有一个选项正确,错选、多选皆不得分)1、《民用建筑可靠性鉴定标准》(GB50292-1999)的适用对象为已有建筑物,其定义为。
A.已建成的建筑物B.已建成且投入使用的建筑物C.已建成且已投入使用二年以上的建筑物D.已建成二年以上且已投入使用的建筑物[D]—-—(术语2。
1.1,《民用建筑可靠性鉴定标准》GB50292-1999)2、民用建筑的安全性和正常使用性的鉴定评级应分层次依次进行,其中每一层次的等级数量为 D 。
A.四个安全性等级、四个使用性等级、四个可靠性等级。
B.三个安全性等级、三个使用性等级、三个可靠性等级。
C.三个安全性等级、四个使用性等级、四个可靠性等级。
D.四个安全性等级、三个使用性等级、四个可靠性等级。
[D]——- (3.2.5, 《民用建筑可靠性鉴定标准》GB50292-1999)3、民用建筑的子单元或鉴定单元的适修性评级,若按修复改造费用占新建造价的百分率作为划分B'r/B r级和C’r/C r级的界限时,该百分率为 .A.50%B.70%C.30%D.80%[B]——- (3。
3。
4,《民用建筑可靠性鉴定标准》GB50292-1999)4、民用建筑的安全性鉴定中,当验算被鉴定结构或构件的承载能力时,验算所采用的结构分析方法应符合的规定。
A.国家现行设计规范。
B.原设计时的相关规范C.根据其后续使用年限确定的相关规范D.根据委托方指定的相关规范[A]—-—(4.1。
2, 《民用建筑可靠性鉴定标准》GB50292-1999)5、民用建筑钢筋混凝土构件在安全性鉴定时,评为c u级或d u级的剪切裂缝宽度为。
A。
0.30mmB。
出现裂缝C。
0.50mmD。
0。
70mm[B]—-—(4.2.5,《民用建筑可靠性鉴定标准》GB50292-1999)6、民用建筑钢结构安全性鉴定中,当构件或连接出现脆性断裂或疲劳开裂时,应定为级.A。
结构安全等级划分出处
结构安全等级的划分主要参考了《建筑结构可靠度设计统一标准》(GB 50068-2001)等相关标准和规范。
这些标准和规范根据建筑结构的破坏后果、危及人的生命、造成经济损失、产生社会影响等的严重程度,将建筑结构安全等级划分为三个等级,即一级、二级和三级。
具体来说,一级结构安全等级适用于重要的建筑物,如高层建筑和大型公共建筑物等,在人员密集、地震频繁、气候恶劣等条件下要求极高的建筑。
设计要求非常高,需要考虑多种因素,如地震、风压、温差、火灾等,结构要求非常严格,需要使用最先进的设计和施工技术,使用最可靠的材料。
二级结构安全等级适用于一些中等规模的公共建筑物、中等高度的住宅楼等建筑物。
设计要求也较高,但相对于一级较为简单。
需要考虑的因素较少,结构要求不太严格,但也需要使用可靠的材料和工艺。
三级结构安全等级适用于一些较小规模的建筑物,如独栋别墅、小型商业综合体等。
设计要求较为简单,主要考虑建筑物的承重和基本安全性能。
此外,在同一建筑物内的各种结构构件宜与整个结构采用相同的安全等级,但允许对部分结构构件根据其重要程度和综合经济效果进行适当调整。
请注意,具体的结构安全等级划分可能会因地区、建筑类型、设计标准等因素而有所不同。
因此,在实际工程中,需要根据具体情况和相关标准进行结构安全等级的划分。
一、中华人民共和国国家标准(1)建筑结构可靠度设计统一标准(GB 50068-2001)(2)建筑地基基础设计规范(GB 50007-2011)(3)建筑结构荷载规范(GB 50009-2012)(4)混凝土结构设计规范(GB 50010-2010)(5)建筑抗震设计规范(GB 50011-2010)(6)建筑工程抗震设防分类标准(GB 50223-2008)(7)地下工程防水技术规范(GB 50108-2008)(8)砌体结构设计规范(GB 50003-2011)(9)混凝土结构耐久性设计规范(GB/T 50476-2008)(10)人民防空地下室设计规范(GB 50038-2005)(11)房屋建筑制图统一标准(GB/T 50001-2010)(12)建筑结构制图标准(GB/T 50105-2010)(13)住宅建筑规范(GB 50368-2005)(14)建筑设计防火规范(GB 50016-2006)(15)高层民用建筑设计防火规范(GB 50045-95)(2005年版)(16)建筑变形测量规范(JGJ 8-2007)(17)蒸压加气混凝土砌块(GB 11968-2006)(18)工业建筑防腐蚀设计规范(GB 50046-2008)2、中华人民共和国行业标准(1)高层建筑混凝土结构技术规程(JGJ 3-2010)(2)建筑桩基技术规范(JGJ 94-2008)(3)无粘结预应力混凝土结构技术规程(JGJ 92-2004)(4)冷轧带肋钢筋混凝土结构技术规程(JGJ95-2011)(5)混凝土小型空心砌块砌筑砂浆(JC860-2008)(6)蒸压加气混凝土用砌筑砂浆与抹面砂浆(JC890-2001)(7)混凝土小型空心砌块建筑技术规程(JGJ/T 14-2004)(8)钢筋机械连接通用技术规程(JGJ 107-2010)(9)冷轧钢筋混凝土构件技术规程(JGJ115-2006)(10)建筑地基处理技术规范(JGJ79-2012)(11)钢筋焊接网混凝土结构技术规程(JGJ114-2003)(12)混凝土异形柱结构技术规程(JGJ 149-2006)3、地区标准(广东省标准)(1)建筑地基基础设计规范(DBJ 15-31-2003)(2)广东省住宅工程质量通病防治技术措施二十条(3)建筑混凝土结构耐火设计技术规程(DBJ/T 15-81-2011)(4)保障性住房建筑规程(DBJ/T 15-80-2011)(5)深圳市地基基础勘察设计规范(SJG 01-2010)(6)深圳市建筑防水工程技术规范(SJG 19-2010)(7)广东省标准《高层建筑混凝土结构技术规程》(DBJ15-92-2013)4、国家标准图集(1)混凝土结构施工图平面整体表示方法制图规则和构造详图(现浇混凝土框架、剪力墙、梁、板)(11G101-1)(2)混凝土结构施工图平面整体表示方法制图规则和构造详图(现浇混凝土板式楼梯)(11G101-2)(3)混凝土结构施工图平面整体表示方法制图规则和构造详图(独立基础、条形基础、筏形基础及桩基承台)(11G101-3)(4)建筑物抗震构造详图(多层和高层钢筋混凝土房屋)(11G329-1)(5)混凝土异形柱结构构造(一)(06SG331-1)(6)砌体填充墙结构构造(12SG614-1)钢筋1、钢筋技术指标应符合《混凝土结构设计规范》GB50010要求,其强度标准值应具有≥95%的保证率。
建筑结构可靠度设计统一标准:
《建筑结构可靠度设计统一标准》是中华人民共和国建设部主编和批准,中华人民共和国建设部、国际质量监督检验检疫总局联合发布,由中国建筑工业出版社出版的书籍,《建筑结构可靠度设计统一标准(GB 50068-2001)》有关局部修订的信息和条文内容将刊登在《工程建设标准化》杂志上。
主要内容包括:术语、符号、极限状态设计原则、结构上的作用、材料和岩土的性能及几何参数、结构分析、极限状态设计表达式、质量控制要求等等。
《建筑结构可靠度设计统一标准》(GB50068-2001)2019年4月1日废止。
现《建筑结构可靠性设计统一标准》为国家标准,编号为GB50068-2018,自2019年4月1日起实施。
其中,第3.2.1、3.3.2条为强制性条文,必须严格执行。
建筑结构可靠性设计统一标准:
《建筑结构可靠性设计统一标准》为国家标准,编号为
GB50068-2018,自2019年4月1日起实施。
相关消息
《建筑结构可靠性设计统一标准》为国家标准,编号为
GB50068-2018,自2019年4月1日起实施。
其中,第3.2.1、3.3.2条为强制性条文,必须严格执行。
原《建筑结构可靠度设计统一标准》(GB50068-2001)同时废止。
并由住房城乡建设部标准定额研究所组织中国建筑工业出版社出版发行。
工程结构可靠性设计统一标准:
《工程结构可靠性设计统一标准》是于2009年北京科文图书业信息技术有限公司出版发行的图书。
总结了我国大规模工程实践的经验,贯彻了可持续发展的指导原则。
建筑结构可靠度设计统一标准GB 50068-2001中华人民共和国国家标准建筑结构可靠度设计统一标准Unified standard for reliability design of buildingstructuresGB 50068-2001主编部门:中华人民共和国建设部批准部门:中华人民共和国建设部施行日期:2002年3月1日关于发布国家标准《建筑结构可靠度设计统一标准》的通知建标[2001]230 号根据我部“关于印发《一九九七年工程建设标准制订、修订计划的通知》”(建标[1997]108号)的要求,由建设部会同有关部门共同修订的《建筑结构可靠度设计统一标准》,经有关部门会审,批准为国家标准,编号为GB 50068-2001 ,自2002年3月1日起施行。
其中1.0.5,1.0.8为强制性条文,必须严格执行,原《建筑结构设计统一标准》GBJ 68-84 于2002年12月31日废止。
本标准由建设部负责管理,中国建筑科学研究院负责具体解释工作。
建设部标准定额研究所组织中国建筑工业出版社出版发行。
中华人民共和国建设部2001年11月13日前言本标准是根据建设部建标[1997]108 号文的要求,由中国建筑科学研究院会同有关单位对原《建筑结构设计统一标准》(GBJ 68-84)共同修订而成的。
本次修订的内容有:1.标准的适用范围:鉴于《建筑地基基础设计规范》、《建筑抗震设计规范》在结构可靠度设计方法上有一定特殊性,从原标准要求的"应遵守"本标准,改为"宜遵守"本标准;2.根据《工程结构可靠度设计统一标准》(GB 50153-92)的规定,增加了有关设计工作状况的规定,并明确了设计状况与极限状态的关系;3.借鉴最新版国际标准ISO 2394:1998 《结构可靠度总原则》,给出了不同类型建筑结构的设计使用年限;4.在承载能力极限状态的设计表达式中,对于荷载效应的基本组合,增加了永久荷载效应为主时起控制作用的组合式;5.对楼面活荷载、风荷载、雪荷载标准值的取值原则和结构构件的可靠指标以及结构重要性系数等作了调整;6.首次对结构构件正常使用的可靠度做出了规定,这将促进房屋使用性能的改善和可靠度设计方法的发展;7.取消了原标准的附件。
本标准黑体字标志的条文为强制性条文,必须严格执行。
本标准将来可能需要进行局部修订,有关局部修订的信息和条文内容将刊登在《工程建设标准化》杂志上。
为了提高标准质量,请各单位在执行本标准的过程中,注意总结经验,积累资料,随时将有关的意见和建议寄给中国建筑科学研究院,以供今后修订时参考。
本标准主编单位:中国建筑科学研究院本标准参编单位:中国建筑东北设计研究院,重庆大学,中南建筑设计院,四川省建筑科学研究院,福建师范大学。
本标准主要起草人:李明顺胡德炘史志华陶学康陈基发白生翔苑振芳戴国欣陈雪庭王永维钟亮戴国莹林忠民1 总则1.0.1 为统一各类材料的建筑结构可靠度设计的基本原则和方法,使设计符合技术先进,经济合理、安全适用、确保质量的要求,制定本标准。
1.0.2 本标准适用于建筑结构,组成结构的构件及地基基础的设计。
1.0.3 制定建筑结构荷载规范以及钢结构,薄壁型钢结构,混凝土结构,砌体结构,木结构等设计规范应遵守本标准的规定;制定建筑地基基础和建筑抗震等设计规范宜遵守本标准规定的原则。
1.0.4 本标准所采用的设计基准期为50 年。
1.0.5 结构的设计使用年限应按表1.0.5 采用。
表1.0.5 设计使用年限分类1.0.6 结构在规定的设计使用年限内应具有足够的可靠度。
结构可靠度可采用以概率理论为基础的极限状态设计方法分析确定。
1.0.7 结构在规定的设计使用年限内应满足下列功能要求:1 在正常施工和正常使用时,能承受可能出现的各种作用2 在正常使用时具有良好的工作性能3 在正常维护下具有足够的耐久性能4 在设计规定的偶然事件发生时及发生后,仍能保持必需的整体稳定性1.0.8 建筑结构设计时,应根据结构破坏可能产生的后果(危及人的生命、造成经济损失、产生社会影响等)的严重性,采用不同的安全等级。
建筑结构安全等级的划分应符合表1.0.8 的要求表1.0.8 建筑结构的安全等级注 1 对特殊的建筑物,其安全等级应根据具体情况另行确定;2 地基基础设计安全等级及按抗震要求设计时建筑结构的安全等级,尚应符合国家现行有关规范的规定。
1.0.9 建筑物中各类结构构件的安全等级,宜与整个结构的安全等级相同,对其中部分结构构件的安全等级可进行调整,但不得低于三级;1.0.10 为保证建筑结构具有规定的可靠度,除应进行必要的设计计算外,还应对结构材料性能、施工质量、使用与维护进行相应的控制。
对控制的具体要求,应符合有关勘察、设计、施工及维护等标准的专门规定;1.0.11 当缺乏统计资料时,结构设计应根据可靠的工程经验或必要的试验研究进行。
2 术语符号2.1 术语 2.1.1 可靠性reliability结构在规定的时间内,在规定的条件下,完成预定功能的能力.2.1.2 可靠度degree of reliability (reliability)结构在规定的时间内,在规定的条件下,完成预定功能的概率。
2.1.3 失效概率probability of failure结构不能完成预定功能的概率2.1.4 可靠指标β reliability index β由β=-Φ-1(pf)定义的代替失效概率pf 的指标,其中Φ-1(·)为标准正态分布函数的反函数。
2.1.5 基本变量basic variable代表物理量的一组规定的变量,它表示各种作用,材料与岩土性能以及几何量的特征。
2.1.6 设计基准期design reference period为确定可变作用及与时间有关的材料性能等取值而选用的时间参数。
2.1.7 设计使用年限design working life设计规定的结构或结构构件不需进行大修即可按其预定目的使用的时期。
2.1.8 极限状态limit state整个结构或结构的一部分超过某一特定状态就不能满足设计规定的某一功能要求,此特定状态为该功能的极限状态。
2.1.9 设计状况design situation代表一定时段的一组物理条件,设计应做到结构在该时段内不超越有关的极限状态。
2.1.10 功能函数performance function基本变量的函数,该函数表征一种结构功能。
2.1.11 概率分布probability distribution随机变量取值的统计规律,一般采用概率密度函数或概率分布函数表示。
2.1.12 统计参数statistical parameter在概率分布中用来表示随机变量取值的平均水平和分散程度的数字特征,如平均值、标准差、变异系数等。
2.1.13 分位值fractile与随机变量分布函数某一概率相应的值。
2.1.14 作用action施加在结构上的集中力或分布力(直接作用,也称为荷载)和引起结构外加变形或约束变形的原因(间接作用)。
2.1.15 作用代表值representative value of an action设计中用以验证极限状态所采用的作用值。
作用代表值,包括标准值、组合值、频遇值、和准永久值。
2.1.16 作用标准值characteristic value of an action作用的基本代表值,为设计基准期内最大作用概率分布的某一分位值。
2.1.17 组合值combination value对可变作用,使组合后的作用效应在设计基准期内的超越概率与该作用单独出现时的相应概率趋于一致的作用值;或组合后使结构具有统一规定的可靠指标的作用值2.1.18 频遇值frequent value对可变作用,在设计基准期内被超越的总时间仅为设计基准期一小部分的作用值;或在设计基准期内其超越频率为某一给定频率的作用值。
2.1.19 准永久值quasi-permanent value对可变作用,在设计基准期内被超越的总时间为设计基准期一半的作用值。
2.1.20 作用设计值design value of an action作用代表值乘以作用分项系数所得的值。
2.1.21 材料性能标准值characteristic value of a material property符合规定质量的材料性能概率分布的某一分位值。
2.1.22 材料性能设计值design value of a material property材料性能标准值除以材料性能分项系数所得的值。
2.1.23 几何参数标准值characteristic value of a geometrical parameter设计规定的几何参数公称值或几何参数概率分布的某一分位值。
2.1.24 几何参数设计值design value of a geometrical parameter几何参数标准值增加或减少一个几何参数附加量所得的值。
2.1.25 作用效应effect of an action由作用引起的结构或结构构件的反应,例如内力、变形和裂缝等。
2.1.26 抗力resistance结构或结构构件承受作用效应的能力,如承载能力等。
2.2 符号T 结构的设计基准期;pf 结构构件失效概率的运算值;β结构构件的可靠指标;ps 结构构件的可靠度;S 结构或结构构件的作用效应;μs 结构或结构构件作用效应的平均值;σs 结构或结构构件作用效应的标准差;Gk 永久荷载的标准值;Qk 可变荷载的标准值;R 结构或结构构件的抗力;μR 结构或结构构件抗力的平均值;σR 结构或结构构件抗力的标准差;μf 材料性能的平均值;σf 材料性能的标准差;f k 材料性能的标准值α结构或结构构件的几何参数;αk 结构或结构构件几何参数的标准值;ψc 荷载组合值系数;ψf 荷载频遇值系数;ψq 荷载准永久值系数;γF 结构上的作用分项系数;γG 永久荷载分项系数;γQ 可变荷载分项系数;γR 结构构件抗力分项系数;γf 材料性能分项系数;γ0 结构重要性系数;Sd 变形、裂缝等荷载效应的设计值;C 设计对变形、裂缝等规定的相应限值。
3 极限状态设计原则 3.0.1 对于结构的各种极限状态,均应规定明确的标志及限值。
3.0.2 极限状态可分为下列两类:1 承载能力极限状态:这种极限状态对应于结构或结构构件达到最大承载能力或不适于继续承载的变形。
当结构或结构构件出现下列状态之一时,应认为超过了承载能力极限状态:1)整个结构或结构的一部分作为刚体失去平衡(如倾覆等);2)结构构件或连接因超过材料强度而破坏(包括疲劳破坏),或因过度变形而不适于继续承载;3)结构转变为机动体系;4)结构或结构构件丧失稳定(如压屈等);5)地基丧失承载能力而破坏(如失稳等)。