箱涵设计要点与施工注意事项
- 格式:doc
- 大小:563.00 KB
- 文档页数:3
箱涵土方施工方案
一、前言
箱涵土方施工是工程建设中必不可少的重要环节之一,其施工方案的设计和实施对工程质量和工期均有重要影响。
本文将从箱涵土方施工的意义、设计要点、施工工艺等方面展开介绍,以期为相关工程实践提供参考。
二、箱涵土方施工的意义
2.1 保障箱涵工程稳定性
箱涵土方施工是为了保障箱涵结构的稳定性和承载能力,通过科学的施工方案可以减少土方对箱涵结构的影响,确保工程安全。
2.2 控制工程成本
合理的土方施工方案能有效控制土方开挖量和土方填筑量,从而在一定程度上降低工程成本,提高工程经济效益。
三、箱涵土方施工的设计要点
3.1 土方开挖
在进行土方开挖时,需要根据箱涵结构的要求和场地实际情况,科学合理地确定开挖方式、深度和边坡稳定措施,确保土方开挖工作的安全和高效进行。
3.2 土方填筑
土方填筑是箱涵土方施工的重要环节之一,需要根据设计要求进行填筑,采取合适的填筑方式和工艺措施,确保填筑质量和强度满足要求。
四、箱涵土方施工的施工工艺
4.1 土方开挖工艺
土方开挖工艺包括机械开挖和人工开挖两种方式,施工过程中应根据具体情况选择合适的开挖方式,并配合边坡支护和安全监测措施,确保开挖质量和安全。
4.2 土方填筑工艺
土方填筑工艺需要根据设计要求选择合适的填筑材料和填筑方法,控制填筑坡度和密实度,采取湿陷压实等措施,保证填筑质量达标。
五、总结
箱涵土方施工是工程建设中不可或缺的重要工作,合理设计和科学施工的土方方案对工程质量和进度具有关键影响。
通过本文对箱涵土方施工方案的介绍,希望能为相关工程实践提供参考,实现工程建设的安全、高效和可持续发展。
箱涵施工组织设计引言概述:箱涵施工组织设计是水利工程中非常重要的一环,它直接影响到施工进度、施工质量和施工安全。
一个合理的施工组织设计能够有效地提高施工效率,减少施工风险,保证工程质量。
本文将从施工组织设计的角度出发,详细介绍箱涵施工组织设计的要点和注意事项。
一、施工前准备1.1 箱涵施工前的勘察工作在进行箱涵施工组织设计之前,必须进行充分的勘察工作,包括地质勘察、水文勘察、交通勘察等。
只有了解施工现场的具体情况,才能有针对性地制定施工方案。
1.2 制定施工计划在勘察工作的基础上,需要制定详细的施工计划,包括施工工期、施工方法、施工人员配备等。
合理的施工计划是施工组织设计的基础。
1.3 确定施工队伍根据施工计划的要求,确定施工队伍的规模和人员配备。
施工队伍的素质和数量直接影响到施工的顺利进行。
二、施工过程管理2.1 安全管理在箱涵施工过程中,安全是第一位的重要因素。
必须建立健全的安全管理制度,加强安全教育和培训,确保施工人员的安全意识。
2.2 质量管理箱涵施工质量直接关系到工程的使用寿命和安全性。
要加强对施工过程的质量监控,确保施工质量符合设计要求。
2.3 进度管理合理的施工进度是保证工程质量和工期的关键。
要根据实际情况及时调整施工进度,确保施工按时完成。
三、施工设备和材料管理3.1 设备管理箱涵施工需要大量的施工设备,要合理安排设备的使用和维护,确保施工设备的正常运转。
3.2 材料管理箱涵施工所需的各种材料也是施工的重要组成部分,要做好材料的采购、储存和使用管理,避免因材料问题导致施工延误。
3.3 环保管理在施工过程中要注重环境保护,合理处理废弃物和污水,减少对环境的影响。
四、施工技术应用4.1 施工方法选择箱涵施工有多种方法,如开挖法、顶管法等,要根据具体情况选择合适的施工方法,提高施工效率。
4.2 施工工艺控制控制施工工艺是确保施工质量的关键,要加强对施工工艺的监控和调整,保证施工过程的顺利进行。
涵洞(箱涵)工程施工方案要点一、工程概述涵洞(箱涵)工程是指在河道、渠道等道路交通建设中为解决交通的通行需求而设计建造的一种结构,主要由涵洞(箱涵)井身、进水口、出水口、边坡支护等部分组成。
本文旨在探讨涵洞(箱涵)工程施工过程中的关键要点,确保施工顺利进行。
二、施工前准备1.初步验收设计图纸,确保施工图纸准确无误。
2.确定施工队伍的分工及责任,明确施工流程。
3.制定施工计划和施工方案,包括工期、人员配置、材料采购等内容。
三、基坑开挖1.根据设计要求,在标志出的位置确定开挖范围,并测量深度。
2.合理布局开挖施工区域,确保安全生产。
3.采用适当的开挖方法,如机械挖掘或人工挖掘,根据实际情况选择。
4.对于边坡岩土稳定性的问题,采取相应的支护措施,确保施工安全。
四、箱涵结构施工1.箱涵结构预制件的装配:按照设计要求,将箱涵预制件组装好,并进行检查验收。
2.箱涵结构的浇筑:通过设置模板、布置钢筋等工序,进行箱涵结构的混凝土浇筑。
3.箱涵顶部封闭:进行箱涵结构的顶部封闭,确保结构的完整性与稳定性。
五、河道恢复与清理1.施工完成后,对施工区域进行清理,包括清理各类材料和垃圾。
2.恢复河道原貌:对于因施工而受影响的河道进行恢复,保持河道的生态环境。
六、质量验收1.对施工过程中的各项关键环节进行验收,确保施工质量符合设计要求。
2.对施工完成后的涵洞(箱涵)工程进行终验,验收结构的安全性与稳定性。
七、安全生产1.加强现场安全管理,做好施工现场的安全防护工作。
2.制定安全预案和应急预案,确保一旦发生事故能够及时处理。
以上是涵洞(箱涵)工程施工过程中的关键要点,希望各位施工人员能够严格按照要求进行施工,确保工程的顺利进行和安全完成。
第1篇一、施工准备1. 工程设计:在施工前,必须根据实际情况和设计要求,对桥梁箱涵进行详细的设计,包括结构形式、尺寸、材料、施工方法等。
2. 施工方案:根据工程设计,制定详细的施工方案,明确施工顺序、施工工艺、质量标准、安全措施等。
3. 材料准备:根据施工方案,提前准备好所需的各类材料,如钢材、水泥、砂石、模板等。
4. 施工设备:准备施工所需的机械设备,如挖掘机、装载机、搅拌机、混凝土泵等。
二、施工过程1. 测量放样:在施工前,对施工现场进行测量放样,确定桥梁箱涵的位置、尺寸和轴线。
2. 基坑开挖:根据设计要求,开挖基坑,并对地基进行处理,确保地基承载力满足要求。
3. 钢筋加工与安装:加工钢筋,并根据设计要求进行安装,确保钢筋位置准确、间距均匀。
4. 模板安装:根据设计图纸,安装模板,确保模板的尺寸、位置和垂直度符合要求。
5. 混凝土浇筑:按照设计配合比,搅拌混凝土,进行浇筑,确保混凝土的强度和密实度。
6. 钢筋保护层:在混凝土浇筑过程中,注意钢筋保护层厚度,确保满足设计要求。
7. 混凝土养护:混凝土浇筑完成后,进行养护,确保混凝土强度达到设计要求。
8. 施工缝处理:在施工过程中,注意施工缝的处理,确保施工缝的密实性和防水性能。
9. 防水处理:在施工过程中,对桥梁箱涵进行防水处理,确保防水效果。
10. 检查验收:施工完成后,进行质量检查和验收,确保桥梁箱涵的质量满足设计要求。
三、施工质量控制1. 材料质量控制:对施工所需材料进行严格的质量检验,确保材料符合设计要求。
2. 施工过程控制:在施工过程中,对施工工艺、施工质量进行严格控制,确保施工质量。
3. 检查验收:施工完成后,进行质量检查和验收,确保桥梁箱涵的质量满足设计要求。
4. 施工安全:在施工过程中,严格执行安全操作规程,确保施工安全。
总之,桥梁箱涵工程施工是一项复杂、细致的工程,需要严格按照设计要求、施工规范和质量标准进行施工,确保工程质量和施工安全。
箱涵工程施工措施一、施工前准备工作1.方案设计:施工前需要根据实际情况制定详细的施工方案,包括施工方法、施工步骤、施工周期等。
2.材料准备:根据方案设计确定所需的材料种类和数量,做好材料采购和储备工作。
3.施工队伍:要组织一支技术过硬、经验丰富的施工队伍,确保施工顺利进行。
4.安全防护:要做好安全防护工作,包括设置警示标识、施工围栏、安全绳索等,确保施工过程安全。
5.现场检查:在施工前要对施工现场进行全面检查,清理障碍物,确保施工顺利进行。
二、箱涵施工工序1. 旧箱涵的拆除和清理:如果是对现有箱涵进行改造或修建,首先要将旧的箱涵拆除并清理现场。
2. 地基处理:在施工现场进行土方开挖、填料加固等地基处理工作,确保基础稳固。
3. 基础浇筑:根据方案设计对箱涵基础进行浇筑,保证基础质量符合标准。
4. 箱涵结构施工:按照设计要求进行箱涵结构的浇筑和施工,包括墙壁、顶板等部分。
5. 排水系统安装:对箱涵的排水系统进行安装,确保排水畅通。
6. 混凝土浇筑:对已经搭建好的结构进行混凝土浇筑,确保箱涵整体质量。
7. 砌砖、铺砖:如有需要,对箱涵进行砌砖或铺砖,增加箱涵的美观性和使用寿命。
8. 沥青铺设:如果需要在箱涵上铺设沥青路面,要对路面进行铺设和修整。
9. 环境保护:施工完成后要对施工现场进行环境保护,保护周围水体和植被。
10. 检查验收:施工完成后要对箱涵工程进行检查验收,确保工程达到设计要求。
三、施工中的安全注意事项1. 施工人员要严格遵守安全操作规程,穿好安全装备,确保人身安全。
2. 在施工现场设置明显的安全警示标识,做好现场安全防护工作。
3. 严禁违章操作和私自改动施工方案,一旦发现违规行为要及时制止。
4. 在施工过程中要做好现场卫生和环境保护工作,确保施工现场整洁。
5. 对施工设备和机械要定期检修和保养,确保设备正常运转。
6. 在施工现场设置消防器材,定期进行应急演练,提高施工人员的安全意识。
四、总结箱涵工程施工是一项复杂的工程,需要科学合理的施工方案和细致到位的施工措施。
箱涵施工组织设计1、工程概况:本工程箱涵贯穿于全线0+035—0+608,箱涵规格为2-BH=4.0m ×2.3m,箱涵结构为钢筋混凝土形成,混凝土强度等级为:盖板、底板、梁、梁垫、侧墙、井筒均采用C25砼,垫层为C10砼,座浆、抹角用1:3水泥砂浆。
2、沟槽开挖沟槽土方均采用机械开挖,人工配合清基的方式。
注意事项:土方开挖前应对开挖边线、轴线和高程进行反复的校核,做到准确无误后方可开挖,开挖时严格控制好槽底高程,不得超挖。
同时槽底标高应预留20cm进行人工清底,做好沟槽排水工作,开挖边沟及集水坑。
边沟尺寸为0.3m×0.3m,保证管道基础在无水条件下作业,计算好余土方量,将余土就近堆放,为不影响最终回填工序的施工。
对需回填的段面,含水量适宜的土方要用彩条雨布进行覆盖并及时碾压回填,保证含水量无大的变化,以利于回填土的施工质量。
3、碎石垫层和C10素砼基础沟槽开挖成型后,应复核槽底宽度、中线高程,并报监理工程师验收,准确无误后进行10CM碎石垫层的摊铺和C10素砼的浇筑。
采用商品砼浇筑,现场震捣。
垫层施工工序的定位用经纬仪,在沟槽内起止部位选定控制点打中桩控制,并用水泥砼固定。
水准点转至开挖点附近,便于沟底抄平与检验。
4、C25钢筋砼箱涵底板A、底板钢筋施工施工技术人员在成型的垫层底部划分出箱涵底板中心轴线,根据图纸设计要求,先铺设底层筋,按间距120mm槽向分布Ф20主筋;按间距200mm纵向分布Ф12副筋,用铁丝绑扎稳固,然后在铺设上层钢筋网片。
按间距200分布Ф12副筋,按间距180横向分布Ф20主筋,用铁丝绑扎稳固,待两层网片绑扎完成后,用Ф16底板撑筋按每平方米将两层钢筋网片支撑分开。
(2)箱涵底板砼施工底板砼采用商品砼,施工前先检查两侧模板两侧模板支撑是否牢固,并涂刷脱模剂,模板高程是否准确,钢筋绑扎是否牢固,然后浇水湿润,浇筑混凝土要连续进行,最好以每两道沉降缝之间距离分解施工,并采用插入式振动捧捣实,人工分三次收浆抹平,混凝土浇筑完毕后,用草袋覆盖并洒水养护。
箱涵的施工工艺及施工方法一、前期准备1.1 箱涵施工前需要做好相关的规划和设计,确定施工方案和施工周期。
1.2 确定施工场地,进行场地平整和清理,保证施工现场干净整洁。
1.3 采购所需的材料和设备,包括钢筋、混凝土、模板、振捣器等。
1.4 建立安全标志和安全防护措施,保障施工人员的人身安全。
二、箱涵模板制作2.1 箱涵模板是箱涵施工中必不可少的部分,其质量直接影响到箱涵的使用寿命和安全性能。
因此,在制作模板时需严格按照设计要求进行制作。
2.2 制作箱涵模板时需要根据设计要求确定模板尺寸和结构形式,并进行精确测量。
2.3 模板材料一般采用高强度木材或钢材制成,并根据具体情况选择合适的连接方式进行组装。
三、基础处理3.1 箱涵基础处理是保证箱涵稳定性和使用寿命的重要环节。
在基础处理过程中需要对基础进行清理和加固,以确保基础的承载能力。
3.2 清理基础时需要将基础表面的杂物和泥沙清理干净,并进行平整处理。
3.3 加固基础时需要根据具体情况采用钢筋混凝土或其他加强材料进行加固,以提高基础的承载能力。
四、箱涵钢筋加工和安装4.1 箱涵钢筋是箱涵施工中的重要组成部分,其质量直接影响到箱涵的使用寿命和安全性能。
在钢筋加工和安装过程中需要严格按照设计要求进行操作。
4.2 钢筋加工时需要根据设计要求将钢筋进行剪切、弯曲等加工处理,并保证其尺寸准确、位置正确。
4.3 钢筋安装时需要将预制好的钢筋按照设计图纸进行布置,并采用合适的连接方式固定在模板上。
五、混凝土浇注5.1 箱涵混凝土浇注是箱涵施工中最关键的环节之一,其质量直接影响到箱涵的使用寿命和安全性能。
在混凝土浇注过程中需要严格按照设计要求进行操作。
5.2 在混凝土浇注前需要对模板进行清洗和涂刷隔离剂,以防止混凝土与模板粘连。
5.3 混凝土浇注时需要确保混凝土的均匀性和密实性,并采用适当的振捣器进行振捣,以确保混凝土的质量。
六、箱涵拆模和后期处理6.1 箱涵拆模是箱涵施工中最后一个环节,其质量直接影响到箱涵的外观和使用寿命。
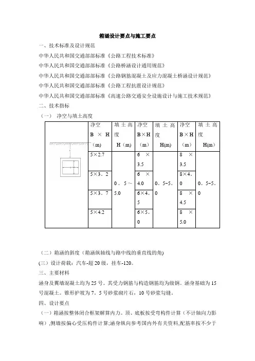
箱涵设计要点与施工要点一、技术标准及设计规范中华人民共和国交通部部标准《公路工程技术标准》中华人民共和国交通部部标准《公路桥涵设计通用规范》中华人民共和国交通部部标准《公路钢筋混凝土及应力混凝土桥涵设计规范》中华人民共和国交通部部标准《公路工程抗震设计规范》中华人民共和国交通部部标准《高速公路交通安全设施设计与施工技术规范》二、技术指标(一)净空与填土高度净空B×H (m) 填土高度H(m)净空B×H(m)填土高度H(m)净空B×H(m)填土高度H(m)5×2.70。
5~5.0 6×3.50。
5~5。
8×3.50。
5~5。
5×3。
2 6×4.0 8×4。
05×3。
7 6×4。
5 8×4.55×4.2 6×5。
0 8×5.0(二)箱涵的斜度(箱涵纵轴线与路中线的垂直线的角)(三)设计荷载:汽车-超20级,挂车-120。
三、主要材料涵身及翼墙混凝土均为25号。
其受力钢筋与构造钢筋均为级钢。
涵身基础为15号混凝土。
锥形护坡为7。
5号砂浆砌片石,10号砂浆勾缝。
四、设计要点(一)箱涵按整体闭合框架解算内力。
顶、底板按受弯构件计算(不计轴向力影响),侧墙按偏心受压构件计算;涵身纵向参考国内外有关资料,配筋率按不少于3%0设置。
(二)涵身荷载涵身所受恒载包括涵身自重、涵身侧面及其顶面填土的作用,而不计箱涵底板上面的装、人群及畜力车的外荷载。
涵身承受知载的考虑,当涵顶填土高度小于0。
5米时按45角扩散车轮荷载,并计入冲击力;当涵顶填土高度大于0.5米时按30角扩散车轮荷载,且不计入冲击.活载通过填土引起民的侧压力,按涵身全长范围内的破坏棱体上的荷载换算成等代均布土层厚度计算。
土壤的容重,内摩擦角(三)箱涵为整体闭合式框架结构,具有良好的整体性,且又置于中堤中,有较好的抗震性能,故计算中地震力未考虑.(四)温度应按考虑,并考虑了底板、侧墙与顶板分期浇筑时混凝土的收缩影响,此项按降温10考虑.(五)斜涵涵身的计算,视作正交箱涵与简化计算。
箱涵工程技术交底引言概述:箱涵工程是一种常见的地下工程结构,用于解决交通、排水等问题。
在进行箱涵工程施工前,需要进行技术交底,确保施工人员了解相关技术要点和注意事项。
本文将从设计要求、施工工艺、材料选用、安全措施和质量控制等五个方面进行详细阐述。
一、设计要求:1.1 施工方案设计:根据实际情况确定箱涵工程的施工方案,包括施工方法、施工顺序和施工工艺等。
1.2 结构设计:根据设计要求确定箱涵工程的结构形式和尺寸,确保其满足承载力和稳定性的要求。
1.3 材料选用:根据设计要求选择适当的材料,包括混凝土、钢筋和防水材料等,确保工程质量。
二、施工工艺:2.1 地基处理:对箱涵工程的基础进行处理,包括挖土、回填和加固等工艺,确保基础的稳定性。
2.2 模板制作:根据设计要求制作箱涵工程的模板,确保施工过程中结构形状和尺寸的准确性。
2.3 浇筑施工:按照施工方案进行混凝土的浇筑,注意施工过程中的振捣和养护等工艺,确保混凝土的质量。
三、材料选用:3.1 混凝土:选择抗渗性好、强度高的混凝土,确保箱涵工程的使用寿命和稳定性。
3.2 钢筋:选择符合设计要求的钢筋,确保箱涵工程的承载力和抗震性能。
3.3 防水材料:选择具有良好防水效果的材料,确保箱涵工程的排水功能和使用安全。
四、安全措施:4.1 施工人员安全:确保施工人员佩戴个人防护装备,遵守安全操作规程,防止施工过程中发生人身伤害事故。
4.2 施工区域安全:设置合理的施工区域标识,保证施工现场的安全,防止人员和设备进入危险区域。
4.3 施工设备安全:对使用的施工设备进行检查和维护,确保设备的正常运行,避免设备故障引发事故。
五、质量控制:5.1 施工过程监控:对施工过程进行全程监控,包括模板安装、混凝土浇筑和养护等环节,确保施工质量。
5.2 质量检测:对混凝土、钢筋等材料进行质量检测,确保其符合设计要求和相关标准。
5.3 质量验收:对箱涵工程的施工质量进行验收,确保工程的安全性和使用寿命。
九、箱涵施工方案(一)施工放样我部技术部用全站仪测设箱涵的纵、横轴线,精确定位,经监理工程师复核无误后,进行施工放样。
(二)基坑的开挖1.基坑的开挖应根据设计图的尺寸进行开挖,开挖界线为周边放宽50cm,以便于施工。
当地质情况良好时,边坡可不设支撑;当容易塌方时,可设临时支撑,以保证边坡的稳定性。
2.基坑开挖完成后,基底达到图纸要求地基允许承载力。
3.据附近的地质情况,在箱涵基础的开挖过程中无地下水,可以不设排水设施。
为了防止下雨时积水,在基坑附近挖积水坑,并在坑底的边缘挖排水沟通入积水坑,并由专人负责及时把积水坑中的水排干。
(三)箱涵的施工一般要求。
1、模板和脚手架(1)模板箱涵模板采用木制模板,其支撑用的脚手架、支撑杆、支架等使用质量合格的钢管支架、木材或经监理工程师同意的材料,并能满足尺寸和强度,以保证模板在砼浇注震捣和凝固过程中模板不发生超过允许的形变。
结构表面外露的模板,挠度不大于模板构件跨度的1/400,结构表面隐蔽的模板,挠度不大于模板构件跨度的1/250。
(2)模板中的金属拉杆或锚杆,设置在距离砼表面50mm处,以便取出时不致损坏砼;当砼中间需设拉杆时,可以先埋设小塑料管,供穿拉杆使用,拆模后管中填注相同标号的砂浆。
(3)模板在安装和浇注过程中应保持规定的线形,直至砼充分硬化,重复使用的模板应始终保持其线形、强度、不透水性和表面光滑,在浇注前模板内必须清理干净,并取得监理工程师的同意。
(4)模板油必须使用监理工程师可以接受的模板油。
(5)模板接缝:模板接缝应该保持线形的美观。
对于接缝不严密的模板,在中间夹一层海绵后,再对其固定,并且模板的水平缝和垂直缝应贯穿整个结构物。
(6)模板和脚手架的拆除a.拆模前必须得到监理工程师同意。
在模板拆除时,保证砼不致于因此损坏。
b. 对于不承重的侧模,当砼的强度达到2.5Mpa方可拆模;对于该结构物承重的模板,跨径大于3m,砼达到70%的设计强度方可拆模。
道路排水工程雨水箱涵设计概况及施工方法一、雨水箱涵设计概况雨水箱涵是指用于收集、蓄积、排放道路附近雨水流的地下结构。
它通常由混凝土预制构件、钢筋和荷载系统组成,可根据道路宽度、设计流量和地下水位等因素来确定尺寸。
在道路排水工程中,雨水箱涵的设计主要考虑以下几个方面:1.设计流量:根据当地的气象条件和道路宽度等因素确定雨水的设计流量,以保证雨水能够有效排放。
2.结构尺寸:根据设计流量和地下水位来确定雨水箱涵的长度、宽度和高度。
同时还要考虑施工的可行性,以确保施工的顺利进行。
3.排水能力:雨水箱涵应具有良好的排水能力,能够迅速地将雨水导入到污水管网或自然河渠中。
4.强度要求:根据雨水箱涵的使用要求,确定合适的强度等级和钢筋布置方式。
二、雨水箱涵施工方法1.施工准备:确定施工区域,并对地面进行整平和清理。
为了保证施工质量,还应建立施工现场的安全措施,确保人员和设备能够安全作业。
2.基础施工:根据设计要求,进行基础的施工工作。
这包括开挖基坑、浇注混凝土或施工其他基础结构等。
3.雨水箱涵组装:根据设计图纸和施工要求,将预制的雨水箱涵组装起来。
组装时要注意保持构件的水平和垂直度,并采取必要的支撑措施。
4.强度加固:对已组装好的雨水箱涵进行强度加固。
这包括浇筑混凝土、布置钢筋等工作,以保证雨水箱涵的结构稳定和承载能力。
5.附属设施安装:安装排水管道和附属设施,确保雨水能够顺利地进入雨水箱涵,并从中排出。
6.完善外部结构:进行雨水箱涵的外部结构完善工作,如进行抹灰、涂装等,以确保其外观美观并提高耐久性。
7.竣工验收:进行施工的竣工验收工作,包括检查施工质量、测量尺寸、进行检测等,确保施工的质量和安全性。
三、施工中的注意事项1.施工期间要注意施工现场的安全,保护人员和设备的安全;2.施工前要详细检查设计图纸和规范要求,确保施工符合要求;3.检查施工过程中的质量,及时处理施工中出现的问题;4.定期与设计人员进行沟通,及时解决施工中的技术问题;5.完工后,进行竣工验收和质量检查,确保施工质量符合要求。
箱涵的施工方案和技术措施1. 引言在城市建设和交通发展中,道路和线路的交叉点通常需要建设箱涵来完成交通隧道或水管等设施的通行。
箱涵工程的施工方案和技术措施对于工程质量和安全至关重要。
本文将讨论箱涵的施工方案和技术措施,旨在帮助工程师和施工人员更好地理解和执行相关工作。
2. 施工方案2.1 前期准备在进行箱涵施工之前,必须进行充分的前期准备工作。
这包括但不限于以下几个方面: - 地质勘察:对施工地点进行地质勘察和土壤测试,以确定施工过程中可能遇到的地质问题和土壤条件。
- 方案设计:根据勘察结果,制定箱涵的施工方案和施工图纸,包括结构设计、施工工艺和材料选择等。
- 材料采购:根据方案设计,采购所需的材料和设备,如钢筋、混凝土和防水材料等。
2.2 施工过程箱涵的施工过程可以分为以下几个阶段: 1. 地面开挖:根据设计图纸和方案要求,采用适当的方式进行地面开挖,确保箱涵的准确位置和尺寸。
2. 基础施工:在地面开挖完成后,进行箱涵的基础施工。
这包括设置基础支撑物、浇筑地基和加固土壤等工作。
3. 结构施工:在基础施工完成后,按照设计图纸进行箱涵的结构施工。
这包括设置钢筋骨架、浇筑混凝土和安装预制构件等工作。
4. 防水处理:为了保证箱涵的防水性能和使用寿命,必须进行防水处理。
常用的防水材料包括沥青、聚氨酯等,需要根据设计要求选择合适的防水材料并进行施工。
5. 其他工程:根据具体需要,可能还需要进行其他工程,如道路修复、排水系统安装等。
2.3 施工要点在箱涵施工过程中,需要注意以下几个要点: - 安全第一:施工过程中必须严格遵守相关安全规定,采取必要的安全措施,确保施工人员和周围环境的安全。
- 施工质量:施工人员应按照设计要求和相关标准进行施工,保证施工质量和工程安全。
- 环境保护:在施工过程中,应尽量减少对周围环境的影响,采取必要的措施防止土壤和水源污染等问题的发生。
- 施工管理:施工过程中应做好施工现场管理,包括工期安排、施工记录和材料管理等,确保施工进度和质量的控制。
箱涵施工方案及施工方法1. 引言箱涵施工是道路、铁路和水道等基础设施建设中常见的一项工程。
箱涵是一种通常由混凝土预制构件组成的管道结构,用于通水或通行。
本文将介绍箱涵施工方案及施工方法,包括前期准备工作、施工步骤、材料选用和施工注意事项等。
2. 前期准备工作在进行箱涵施工之前,需要进行以下准备工作:•方案设计:根据工程要求和地形条件,设计箱涵的尺寸、形状和布置等方案。
•施工图纸编制:根据方案设计,制作施工所需的详细图纸,包括平面图、剖面图和构件图等。
•场地勘测:对施工现场进行勘测,确定施工难点和特殊要求,为后期施工做好准备。
•材料采购:根据设计要求,采购所需的箱涵构件、混凝土、钢筋等施工材料。
3. 施工步骤箱涵施工可以分为以下几个步骤:步骤一:准备施工现场1.清理施工现场,确保场地平整、无杂物。
2.搭建临时施工设施,包括施工工棚和材料堆放处等。
步骤二:基础处理1.根据设计要求,在施工现场进行基础处理,如挖槽、打桩等。
2.将箱涵底部与基础牢固连接,确保结构牢靠。
步骤三:安装箱涵构件1.根据施工图纸,按照顺序将箱涵预制构件进行安装。
2.在构件连接处采用橡胶密封圈等密封材料,确保连接处密封可靠。
步骤四:施工填充1.首先在箱涵周围进行合适的加固处理,以保证施工过程中箱涵结构的稳定性。
2.根据设计要求,进行填充材料的处理,可以使用砂土、碎石等作为填充材料,并严格控制填充厚度。
步骤五:施工后处理1.清理施工现场,移除临时施工设施和材料堆放处的材料。
2.进行箱涵结构的检查和测量,确保施工质量符合要求。
4. 材料选用在箱涵施工中,常用的材料包括以下几种:•混凝土:用于制作箱涵的预制构件和填充材料。
•钢筋:增加箱涵的承载能力和抗震能力。
•橡胶密封圈:用于连接处的密封,防止渗漏。
在选择材料时,需要考虑到工程要求、设计要求和施工方法等因素,确保材料的质量和可靠性。
5. 施工注意事项在进行箱涵施工时,需要注意以下几点:•施工过程中保持施工现场的整洁和安全,确保工人的安全。
箱涵工程施工方法随着城市化进程的加快,人们对基础设施建设的需求也越来越高。
箱涵工程作为一种重要的水利工程和交通工程措施,在城市道路、铁路和河流渡口等地方起到了关键作用。
本文将介绍箱涵工程的施工方法及注意事项。
一、前期准备工作1. 方案设计:在进行箱涵工程施工前,需要对工程进行全面的方案设计。
方案设计应包括结构设计、施工工艺、方案评估等内容。
2. 地基处理:箱涵工程施工前,需要对地基进行处理。
地基的处理方式根据具体情况而定,可以采取加固、排水等措施。
3. 材料准备:在进行施工前,需要准备好各种施工所需的材料,包括钢筋、混凝土、水泥等。
二、箱涵施工工艺1. 模板安装:首先需要进行箱涵的模板安装工作。
模板可以根据设计要求进行制作,在安装过程中需要注意模板的水平和垂直度。
2. 钢筋绑扎:模板安装完成后,需要对模板内的钢筋进行绑扎工作。
钢筋的绑扎应符合设计要求,并保证钢筋的位置准确。
3. 混凝土浇筑:在完成钢筋绑扎后,可以进行混凝土的浇筑工作。
混凝土的浇筑可以采用机械浇筑或人工浇筑的方式,确保混凝土完全填充模板内。
4. 养护:混凝土浇筑完成后,需要进行养护工作。
养护的时间和方式应根据混凝土强度等因素进行合理的安排,确保混凝土的强度和密实度。
5. 拆模:混凝土达到一定强度后,可以进行模板的拆除工作。
拆模应注意保护混凝土结构,避免损坏。
三、施工注意事项1. 安全施工:在进行箱涵工程施工时,要注意安全施工,严格遵守相关安全操作规程,采取必要的安全措施,确保施工人员的安全。
2. 工期控制:箱涵工程施工的时间较长,需要合理安排工期,确保按时完成施工任务。
3. 质量监控:在施工过程中,要进行质量监控,及时发现和纠正问题,确保施工质量合格。
4. 环境保护:在施工过程中要注意环境保护,合理利用和处理施工废弃物,减少对周围环境的污染。
总结:箱涵工程是一项重要的基础设施建设工程,具有较高的科学性和技术性要求。
在进行施工前,需要进行充分的前期准备工作,包括方案设计、地基处理和材料准备。
箱涵施工安全注意事项箱涵施工,听起来是不是有点高大上的感觉?其实就是在地下修个“家”,给水、路等各种设施“安个家”。
不过,虽然这个过程看起来挺简单,但安全问题可真不能马虎。
今天咱就来聊聊箱涵施工的安全注意事项,让大家在干活的时候,既能高效又能安全。
1. 施工前的准备工作1.1 确保设计方案首先,施工前一定要认真看看设计方案。
这就像是出门前要查天气,免得临出门才发现下雨没带伞。
设计方案里包括了很多细节,比如土壤类型、地下水位等,搞清楚这些才能避免后面出现“插曲”。
要是设计有问题,后果可是相当严重,直接影响到工程的安全性和质量。
1.2 安全培训必不可少接下来,安全培训可是重中之重!在施工前,所有的工人得上上安全课,就像上学时的期末考一样,必须掌握要点。
让大家了解施工过程中的潜在危险,比如坍塌、设备伤害等,提前做好心理准备,才能在真遇到问题时,做到心中有数,手中有招。
2. 施工过程中的注意事项2.1 注意天气变化说到施工过程,这个时候就要关注天气变化了。
咱们都知道,天气变化无常,晴天变雨天简直像翻书一样。
大雨来临前,工地上可能就会出现积水,甚至引发泥石流,别说施工了,连人都可能受伤。
所以,工地的负责人一定要时刻关注气象预报,遇到恶劣天气及时停工,保护大家的安全。
2.2 设备检查不能马虎再来,设备检查也要做到位!想象一下,如果开车前不检查刹车,那绝对是要出事的嘛。
施工用的设备,比如起重机、挖掘机等,每天开工前都得检查一遍,看看有没有松动的螺丝、漏油的地方。
如果发现问题,赶紧修!别等出事了再后悔,遗憾可就来不及了。
3. 施工后的善后工作3.1 清理现场要细致施工结束后,大家总想着赶紧收工回家休息,但这时候清理现场也不能忽视。
施工现场有很多尖锐的物品和建筑垃圾,不处理好可就成了“地雷阵”。
务必要把这些杂物清理干净,确保后续的工作环境安全。
如果有人不小心被扎了,那就得不偿失了。
3.2 定期安全复查最后,施工后还要定期进行安全复查。
埋地箱涵施工方案与安全控制要点的讲解埋地箱涵工程是指在公路、铁路等交通运输建设中,为了便于道路通行而建设在地下的巨型涵洞。
它在提高通行性能、保障交通安全方面起到了非常重要的作用。
本文将对埋地箱涵施工方案与安全控制要点进行深入讲解。
一、埋地箱涵的概述埋地箱涵是一种采用先进的施工技术和工艺方法,在地下开挖、围护以及整体安装的交通运输设施。
它一般由箱体、洞口、隧道以及辅助设施等组成。
埋地箱涵的施工,需要制定合理的方案并严格控制安全要点,以确保工程的质量和安全。
二、施工方案的制定在制定埋地箱涵的施工方案时,需要考虑以下几个方面:地质勘察分析、工程测量、参考先进工程经验以及基本技术要求等。
地质勘察分析是非常重要的,要充分了解地下土质的情况,考虑到地质地貌、岩石性质、地下水位等因素。
工程测量是为了确保施工的准确性和可行性,如详细的地形测量和隧道水平、垂直控制测量等。
参考先进工程经验可以帮助我们总结经验教训,避免重复犯错。
基本技术要求则包括施工设备的选择、施工方法的确定以及工程管理的规范等。
三、施工的具体步骤埋地箱涵的施工过程一般包括:仔细测量和标定、预制箱体、洞口开挖、围护施工、车辆通行测试等。
首先,需要仔细测量和标定施工位置和线路,并落实设计要求。
然后,进行预制箱体的制作,通过现场拼装可以提高施工效率。
接下来,进行洞口开挖和围护施工,选择合适的施工方法和围护结构,确保施工质量。
最后,进行车辆通行测试,保证施工的安全性和稳定性。
四、安全控制要点在埋地箱涵的施工过程中,安全控制是非常关键的。
主要包括以下几个方面:现场管理、雷电防护、防火措施以及施工人员安全。
现场管理要求严格落实各项规章制度,加强施工现场的巡视和监督,及时处理各种安全隐患。
雷电防护是考虑到雷电对施工现场和施工人员的危害,需要设置专门的防雷装置。
防火措施则包括设置消防设备和合理的防火隔离措施,以防止施工现场发生火灾。
最后,施工人员的安全要求在埋地箱涵施工中是至关重要的,需要保证施工人员的安全技术培训和个人防护用品的配备。
箱涵设计要点与施工要点
一、技术标准及设计规范
中华人民共和国交通部部标准《公路工程技术标准》
中华人民共和国交通部部标准《公路桥涵设计通用规范》
中华人民共和国交通部部标准《公路钢筋混凝土及应力混凝土桥涵设计规范》中华人民共和国交通部部标准《公路工程抗震设计规范》
中华人民共和国交通部部标准《高速公路交通安全设施设计与施工技术规范》二、技术指标
(一)净空与填土高度
净空
B×H (m)填土高
度
H(m)
净空
B×H
(m)
填土高
度
H(m)
净空
B×H
(m)
填土高
度
H(m)
5×2.7
0.5~5.0 6×
3.5
0.5~5.0
8×
3.5
0.5~5.0
5×3.2 6×
4.0 8×4.0
5×3.7 6×
4.5 8×4.5
5×4.2 6×
5.0 8×5.0
(二)箱涵的斜度(箱涵纵轴线与路中线的垂直线的角)
(三)设计荷载:汽车-超20级,挂车-120。
三、主要材料
涵身及翼墙混凝土均为25号。
其受力钢筋与构造钢筋均为级钢。
涵身基础为15号混凝土。
锥形护坡为7。
5号砂浆砌片石,10号砂浆勾缝。
四、设计要点
(一)箱涵按整体闭合框架解算内力。
顶、底板按受弯构件计算(不计轴向力影响),侧墙按偏心受压构件计算;涵身纵向参考国内外有关资料,配筋率按不少
于3%0设置。
(二)涵身荷载
涵身所受恒载包括涵身自重、涵身侧面及其顶面填土的作用,而不计箱涵底板上面的装、人群及畜力车的外荷载。
涵身承受知载的考虑,当涵顶填土高度小于0。
5米时按45角扩散车轮荷载,并计入冲击力;当涵顶填土高度大于0。
5米时按30角扩散车轮荷载,且不计入冲击。
活载通过填土引起民的侧压力,按涵身全长范围内的破坏棱体上的荷载换算成等代均布土层厚度计算。
土壤的容重,内摩擦角
(三)箱涵为整体闭合式框架结构,具有良好的整体性,且又置于中堤中,有较好的抗震性能,故计算中地震力未考虑。
(四)温度应按考虑,并考虑了底板、侧墙与顶板分期浇筑时混凝土的收缩影响,此项按降温10考虑。
(五)斜涵涵身的计算,视作正交箱涵与简化计算。
计算跨径与箱涵长度方向垂直(主筋的布设也按此方向)。
斜涵两端各取一个梯形的斜布钢筋区,在此区段内的钢筋间距呈锐角一边的主筋颁原则与涵身中部相同,而呈钝角的一边钢筋间距则缩小一半。
五、施工要点、使用注意事项
(一)箱涵采用就地浇注工艺。
全箱可分为二次浇筑,第一次浇至底板内壁以上30厘米,第二次浇筑余部分。
两次浇筑的接缝处应有良好的衔接面(粗糙、干净并不得有堆落的混凝土、砂浆等)。
(二)拆除翼墙模板时要避免产生大的震动。
翼墙、侧墙背后填土,应在涵身混凝土强度达到100%设计强度时方可进行,要求分层压实,不得采用大型机械推土筑高一次压实法,也不得只在一侧压填,必须两侧对称进行。
(三)为了减少箱涵两侧填土的沉降量,已改善涵顶两侧路面的平顺性,应以砂砾石回填侧墙以外各2米的范围内。
(四)本图作为闭合框架的主要受力,钢筋拟采用绑扎接头,当条件具备时应尽量采用焊接接头,此时按焊接搭接长度将图中有关钢筋作以修改。
(五)每道箱涵均需在涵身中部(中央分隔带下)连同基础设变形缝一道。
其防水措施按本图所示方法处理,或采用其它成熟经
(六)箱涵基础的埋置深度,出入口向内2m范围内的砂砾垫层顶面应设在冰冻线以下不少于25厘米。
其余区段的设置深度可虱视地基土冻胀情况和当地施工经验研究确定。
(七)涵内排水,为避免通道箱涵内积水或洞口外的水流入通道,宜使涵底略高于洞口外的路面标高,并在两端洞口设置向外的排水坡。
(八)图中填土高度一般划分为0.15—1.5米,1.51—3.5米,3.51—5.0米三个等级,当实际的填土高度介于两者之间时,则应选用高一级填土的配筋量。