化工制图习题集答案(DOC)
- 格式:docx
- 大小:3.23 MB
- 文档页数:89
大学化工制图考试题及答案一、选择题(每题2分,共10分)1. 下列哪个符号不是化工制图中常用的标准件符号?A. 阀门B. 泵C. 电机D. 电阻2. 在化工设备图中,管道的直径通常用哪种方式表示?A. 直接标注B. 比例缩放C. 符号表示D. 文字说明3. 化工制图中,管道的流向通常用哪种方式表示?A. 箭头B. 颜色C. 数字D. 形状4. 在化工制图中,下列哪种材料最适合用于表示高温或低温管道?A. 直线B. 虚线C. 点画线D. 实线5. 下列哪项不是化工制图的基本要求?A. 清晰性B. 准确性C. 艺术性D. 规范性二、填空题(每空3分,共15分)6. 化工制图中,________是用来表示管道、管件、阀门等的图形符号。
7. 在化工设备图中,设备的外形尺寸通常用________来表示。
8. 化工制图中,管道的________是用来表示管道内介质的流动方向。
9. 化工制图的图幅尺寸通常按照________系列进行选择。
10. 在化工制图中,设备的________是设备安装、操作和维护的重要依据。
三、简答题(每题10分,共20分)11. 简述化工制图中管道标注的基本原则。
12. 描述化工设备图中设备位号的标注方法及其作用。
四、绘图题(共40分)13. 根据所给的化工流程简图,绘制出相应的管道布置图。
(20分)14. 选择一个化工设备(如换热器、塔器等),绘制其主要视图,并标注必要的尺寸和说明。
(20分)五、计算题(共15分)15. 已知某化工管道的内径为0.1米,流速为1.5米/秒,求管道的流量。
(提示:使用流量公式 Q = A * v,其中 A 为管道横截面积,v为流速)答案:一、选择题1. D2. A3. A4. C5. C二、填空题6. 符号7. 尺寸线和尺寸数字8. 箭头9. 国家标准10. 操作手册三、简答题11. 管道标注的基本原则包括:清晰表达管道的起点和终点,标注管道的尺寸、材料、压力等级等信息,以及使用统一的符号和缩写。
化工制图与识图习题(含答案)一、单选题(共19题,每题1分,共19分)1.关于物料名称及代号错误的是()A、IS表示工艺固体B、再表示工艺流体C、LS表示高压强汽正确答案:C2.Ra、Rz分别代表()A、轮廓算术平均偏差、轮廓最大高度B、轮廓最大高度、轮廓算术平均偏差C、轮廓最小高度、轮廓最大高度正确答案:A3.管理布置图说法正确的是()A、需要标注与设备有关的建筑物的尺寸B、标题栏上行写平面下行写布置图C、安装方位标一般南向标志正确答案:A4.管道布置图的绘制说法正确的是()A、不需要选比例B、绘制视图用粗线画出建筑物C、需要确定管道布置图的表达方案正确答案:C5.下列属于A2图幅的尺寸是()A、1189*841B、210﹡297C、420﹡594正确答案:C6.关于设备分类代号表示正确的是()A、塔:SB、容器:当C、反应器中正确答案:C7.当设备的直径超过()mm时,应开设人孔。
A、800B、900C、600正确答案:B8.下列说法正确的是()A、向视图只允许向特定方向的基本视图B、向视图是剖视图C、向视图是可以自由配置的基本视图正确答案:C9.在管道布置图上标注标高流法错误的是()A、当标高以管底为基准时,加注管底代号“DPELSI、SIT”B、管道之间间隔较小时。
允许引出标准。
C、当标高以量道中心线为基准时,只需要标注“配置、证件”正确答案:A10.下列不属于化工设备结构特点的是()A、壳体以回转体为主B、大量采用螺纹连接C、尺寸大小相差悬殊正确答案:B11.通常以管道与管件为主体,用来指导生产与施工的工程技术图样。
称为()A、设备图B、管道图C、流程图正确答案:B12.下列不属于普通布置图的内容是()A、断面图B、足够的尺寸C、一组视图正确答案:A13.关于管架错误的是()A、管架是起支撑管道作用B、管架类别A表示固定架C、管架类别K表示吊架正确答案:C14.管道通常不需要用《》管件连接起来。
化工制图习题集答案(DOC)1-4 标注下列图形的尺寸学号班级姓名姓名学号1-4 标注下列图形的尺寸1-5 标注尺寸(尺寸从图中量取,取整数)学号班级姓名1-6 线型练习姓名班级学号1-7 用1:1比例抄画图形姓名学号1-8 完成下列图形的线段连接,比例1:1,标注出圆心和切点1-9 几何作图学号班级姓名1-10 平面图形的作图(一)班级学号姓名1-11 平面图形的作图(二)学号班级姓名1-12 平面图形的作图(三)姓名学号姓名班级学号2-1 由物体的立体图选择三视图14学号班级姓名第二章 投影基础2-2 由物体的立体图绘制三视图15班级姓名学号2-3 点的投影学号班级姓名2-4 点的投影学号班级姓名5.侧平线4. 正垂线1.正平线2-5 画出所给直线的投影图,并填空(其他条件自定)2.侧垂线183.水平线6.铅垂线面投影反应实长面投影平行OX轴面投影平行OZ轴面投影平行OY轴面投影平行OX轴面投影反应实长面投影反应实长面投影反映实长投影积聚为一点投影积聚为一点面投影反映实长面投影平行OY轴面投影平行OZ轴面投影反映实长投影积聚为一点学号班级姓名012-6 直线的投影学号班级姓名2-7 直线的投影学号班级姓名212.2-8 作出平面的另一面投影1.4. 5. 6.3.学号班级姓名4.找出A、B面的三面投影,并涂黑标记。
3.在平面ABC上求点K,使K点与H面和V面的距离都等于15mm。
1.点M在平面ABC上,作出M点的另二面投影。
2-9 平面上的直线和点2.作出平面ABCD的V面投影。
22学号班级姓名232.3-1 补画基本几何体的第三面投影,并画出表面上点、直线的另二面投影1.3. 4.学号班级姓名4.3.1.3-2 补画带切口几何体的第三视图2.24学号班级姓名252.3-3 补画带切口几何体的三视图1.3. 4.学号班级姓名4.3.1.3-4 补画带切口几何体的三视图2.26学号班级姓名272.3-5 已知基本几何体的三面投影,画出表面上点的另二面投影1.3. 4.学号班级姓名4.3.1.3-6 补画基本几何体的第三面投影,并画出表面上线段的另二面投影2.28学号班级姓名姓名3-8 补画基本几何体的第三面投影班级Array学号姓名292.3-7 补画带切口几何体的第三视图1.3. 4.学号班级姓名4.3.1.3-9 补画带切口几何体的三视图 2.31学号班级姓名3-10 标注下列形体的尺寸学号班级姓名334-1 轴测图1. 根据视图画出管道的正等轴测图d a (b)ce eˊa"(b")c"d"(e")cˊa ˊb ˊ(d ˊ) 2. 根据管道轴测图,判断其空间走向.A 该管道自A 点向(上)、向(右)、向(下)、向(前)、向(右)、向(下)、向(左)到达B 点。
化工制图与识图习题库与参考答案一、判断题(共100题,每题1分,共100分)1、为了避免增加视图或剖视,对回转体上的平面可用细实线绘出对角线表示。
A、正确B、错误正确答案:A2、物料名称及代号TS为蒸汽冷凝水。
A、正确B、错误正确答案:B3、设备分类代号P表示塔。
A、正确B、错误正确答案:B4、管道组合号PG0302-219,219代表工段号。
A、正确B、错误正确答案:B5、由钢板卷焊而成的筒体,其公称直径是指筒体的内径。
A、正确B、错误正确答案:A6、同一位号的多台设备,在平面图上要全部画出设备外形。
A、正确B、错误正确答案:B7、局部剖视范围必须要大于全剖视图的一半。
A、正确B、错误正确答案:B8、管口方位图采用A4图幅,以简化的平面图形绘制。
A、正确B、错误正确答案:A9、尺寸种类一般分为定形尺寸、定位尺寸和总体尺寸。
A、正确B、错误正确答案:A10、在绘制管道布置图时要用细线按比例画出墙、门、窗等建筑物。
A、正确B、错误正确答案:A11、管架GS-1101中11表示管架序号。
A、正确B、错误正确答案:B12、局部剖视范围必须要小于全剖视图的一半。
A、正确B、错误正确答案:B13、管道尺寸一般不需要标注公称直径。
A、正确B、错误正确答案:B14、手孔的标准直径有DN180和DN360两种。
A、正确B、错误正确答案:B15、要用细线按规定符号画出管道上的管件、阀门、管道附件、特殊管件等。
A、正确B、错误正确答案:A16、在绘制管道布置图时要预留管口表和标题栏的位置。
A、正确B、错误正确答案:A17、设备布置图用中粗线画设备支架、基础轮廓。
A、正确B、错误正确答案:A18、PID图不按比例画,但要保持它们的相对大小及位置高低。
A、正确B、错误正确答案:A19、在处理有毒、易燃、易爆的介质时,要求密封性能好,安全装置可靠。
A、正确B、错误正确答案:A20、三视图的投影规律为主、俯视图长对正(等长)。
【最新整理,下载后即可编辑】化工制图复习题1. 化工行业中常用的工程图样的分类。
答:化工机器图、化工设备图和化工工艺图。
2. 化工设备零部件的种类分为哪两大类?举例说明。
答:① 化工机器。
指主要作用部件为运动的机械,如各种过滤机,破碎机,离心分离机、旋转窑、搅拌机、旋转干燥机以及流体输送机械等。
②化工设备。
指主要作用部件是静止的或者只有很少运动的机械,如各种容器(槽、罐、釜等)、普通窑、塔器、反应器、换热器、普通干燥器、蒸发器,反应炉、电解槽、结晶设备、传质设备、吸附设备、流态化设备、普通分离设备以及离子交换设备等。
3. 筒体(钢板卷制、无缝钢管)公称直径如何确定?(外径、内径各为多少?)答:一般来说,直径从300mm至6000mm,筒体可由钢板卷焊而成,其工程直径为筒体的内径;当DN在1000mm以内时每增加50mm为一个直径档次,在1000~6000mm时每增加100mm为一个直径档次。
直径小于500mm时,可以直接使用无缝钢管来作筒体,其工程直径为同体的外径。
4. 椭圆封头公称直径如何确定?(外径、内径各为多少?)答:其长轴为短轴的2倍,JB/T4746——2002《钢制压力容器用封头》规定,以内径为标准椭圆形代号为EHA,以外径为标准的椭圆形封头代号为E HB。
5. 筒体与封头的连接方式有哪些?答:直接焊接、法兰连接。
6. 管法兰的分类?答:一个是由国家质量技术监督局批准的管法兰国家标准GB/T9112~9124—2000另一个是化工行业标准HG20592~20635—2009《钢制管法兰、垫片、紧固件》。
8. 管法兰按其与管子的连接方式分为哪几类。
答:平焊法兰、对焊法兰、螺纹法兰、承插焊法兰、松套法兰。
9. 压力容器法兰分为哪几类?密封面形式有几种?答:有甲型平焊法兰、乙型平焊法兰和长颈对焊法兰,其密封面形式有平面型密封、凹凸面密封、榫槽面密封。
11. 球形、椭圆、碟形、锥形、平板封头的特点。
化工制图与识图习题库一、单选题(共19题,每题1分,共19分)1.基本视图有几种()A、4B、6C、3D、5正确答案:B2.管道布置图的绘制说法正确的是()A、不需要选比例B、需要确定管道布置图的表达方案C、绘制视图用粗线画出建筑物正确答案:B3.管理布置图说法正确的是()A、需要标注与设备有关的建筑物的尺寸B、标题栏上行写平面下行写布置图C、安装方位标一般南向标志正确答案:A4.关于尺寸说法正确的是()A、实际尺寸是理想尺寸B、基本尺寸是理想尺寸C、极限尺寸是理想尺寸正确答案:B5.国家标准规定,机械图样中的尺寸以()为单位。
A、米B、毫米C、厘米正确答案:B6.贮罐是化工生产中常用的一种贮存设备,一般由()组成。
A、简体、封头、支座、人孔、接管B、筒体、封头、管件、阀门C、筒体、封头、支座、阀门正确答案:A7.压力较高的设备,一般选用直径为()mm的人孔。
A、500B、400C、600正确答案:B8.下列不属于普通布置图的内容是()A、断面图B、足够的尺寸C、一组视图正确答案:A9.管道通常不需要用《》管件连接起来。
A、弯头B、法兰C、塔正确答案:C10.不属于阅读零件图的方法或步骤的是()A、总结归纳B、管道布置分析C、概括了解正确答案:B11.关于物料名称及代号错误的是()A、LS表示高压强汽B、再表示工艺流体C、IS表示工艺固体正确答案:A12.关于管道布置图说法正确的是()A、管道布置时要考虑便于操作及安全生产B、管道布置图又称为设备图C、管道布置无需考虑物科因素正确答案:A13.通常以管道与管件为主体,用来指导生产与施工的工程技术图样。
称为()A、设备图B、管道图C、流程图正确答案:B14.在管道布置图上标注标高流法错误的是()A、管道之间间隔较小时。
允许引出标准。
B、当标高以量道中心线为基准时,只需要标注“配置、证件”C、当标高以管底为基准时,加注管底代号“DPELSI、SIT”正确答案:C15.关于断面图分类中不属于的是()A、半剖视图B、移出断面C、重合断面正确答案:A16.关于设备分类代号表示正确的是()A、塔:SB、反应器中C、容器:当正确答案:B17.当设备的直径超过()mm时,应开设人孔。
1-4 标注下列图形的尺寸学号班级姓名姓名学号1-4 标注下列图形的尺寸1-5 标注尺寸(尺寸从图中量取,取整数)学号班级姓名1-6 线型练习姓名班级学号1-7 用1:1比例抄画图形姓名学号1-8 完成下列图形的线段连接,比例1:1,标注出圆心和切点1-9 几何作图学号班级姓名1-10 平面图形的作图(一)班级学号姓名1-11 平面图形的作图(二)学号班级姓名1-12 平面图形的作图(三)姓名学号班级学号姓名2-1 由物体的立体图选择三视图14学号班级姓名第二章 投影基础2-2 由物体的立体图绘制三视图15班级姓名学号2-3 点的投影学号班级姓名2-4 点的投影学号班级姓名5.侧平线4. 正垂线1.正平线2-5 画出所给直线的投影图,并填空(其他条件自定)2.侧垂线183.水平线6.铅垂线面投影反应实长面投影平行OX轴面投影平行OZ轴面投影平行OY轴面投影平行OX轴面投影反应实长面投影反应实长面投影反映实长投影积聚为一点投影积聚为一点面投影反映实长面投影平行OY轴面投影平行OZ轴面投影反映实长投影积聚为一点学号班级姓名012-6 直线的投影学号班级姓名2-7 直线的投影学号班级姓名212.2-8 作出平面的另一面投影1.4. 5. 6.3.学号班级姓名4.找出A、B面的三面投影,并涂黑标记。
3.在平面ABC上求点K,使K点与H面和V面的距离都等于15mm。
1.点M在平面ABC上,作出M点的另二面投影。
2-9 平面上的直线和点2.作出平面ABCD的V面投影。
22学号班级姓名232.3-1 补画基本几何体的第三面投影,并画出表面上点、直线的另二面投影1.3.4.学号班级姓名4.3.1.3-2 补画带切口几何体的第三视图2.24学号班级姓名252.3-3 补画带切口几何体的三视图1.3.4.学号班级姓名4.3.1.3-4 补画带切口几何体的三视图2.26学号班级姓名272.3-5 已知基本几何体的三面投影,画出表面上点的另二面投影1.3.4.学号班级姓名4.3.1.3-6 补画基本几何体的第三面投影,并画出表面上线段的另二面投影2.28学号班级姓名姓名3-8 补画基本几何体的第三面投影班级Array学号姓名292.3-7 补画带切口几何体的第三视图1.3.4.学号班级姓名4.3.1.3-9 补画带切口几何体的三视图2.31学号班级姓名3-10 标注下列形体的尺寸学号班级姓名334-1 轴测图1. 根据视图画出管道的正等轴测图da(b)ceeˊa"(b")c"d"(e")cˊa ˊb ˊ(d ˊ) 2. 根据管道轴测图,判断其空间走向.A该管道自A 点向(上)、向(右)、向(下)、向(前)、向(右)、向(下)、向(左)到达B 点。
- -可修编- 212.2-8 作出平面的另一面投影1.4. 5. 6.3.学号班级姓名- -可修编- 4.找出A、B面的三面投影,并涂黑标记。
3.在平面ABC上求点K,使K点与H面和V面的距离都等于15mm。
1.点M在平面ABC上,作出M点的另二面投影。
2-9 平面上的直线和点2.作出平面ABCD的V面投影。
22学号班级姓名- -可修编-232.3-1 补画基本几何体的第三面投影,并画出表面上点、直线的另二面投影1.3. 4.学号班级姓名- -可修编- 4.3.1.3-2 补画带切口几何体的第三视图2.24学号班级姓名- -可修编- 252.3-3 补画带切口几何体的三视图1.3. 4.学号班级姓名- -可修编- 4.3.1.3-4 补画带切口几何体的三视图2.26学号班级姓名- -可修编- 272.3-5 已知基本几何体的三面投影,画出表面上点的另二面投影1.3. 4.学号班级姓名- -可修编- 4.3.1.3-6 补画基本几何体的第三面投影,并画出表面上线段的另二面投影2.28学号班级姓名- -可修编- 292.3-7 补画带切口几何体的第三视图1.3. 4.学号班级姓名姓名3-8 补画基本几何体的第三面投影班级Array学号姓名- -可修编-- -可修编- 4.3.1.3-9 补画带切口几何体的三视图2.31学号班级姓名3-10 标注下列形体的尺寸班级姓名学号- -可修编-- -可修编- 334-1 轴测图1. 根据视图画出管道的正等轴测图d a (b)ce eˊa"(b")c"d"(e")cˊa ˊb ˊ(d ˊ) 2. 根据管道轴测图,判断其空间走向.A 该管道自A 点向(上)、向(右)、向(下)、向(前)、向(右)、向(下)、向(左)到达B 点。
起点终点B学号班级姓名第四章 轴测图- -可修编-姓名班级学号4-2 根据视图画出平面体的正等测图1. 2.34- -可修编- 4.4-3 根据视图画出曲面体的正等测图3.1.班级 2.姓名 学号35- -可修编-姓名班级学号4-4 根据视图画出物体的斜二测图1. 2.36- -可修编- 372.5-1 根据轴测图补全三视图1.3. 4.姓名班级学号第五章 组合体- -可修编- 4.2.1.3.姓名班级学号5-2 根据轴测图,补画三视图38- -可修编- 4.2.1.3.姓名班级学号5-3 补画三视图所漏的线条39- -可修编- 4.2.1.3.姓名班级学号5-4 补画三视图所漏的线条40- -可修编-姓名班级学号4.2.1.3.5-5 补画三视图所漏的线条41- -可修编- 4.2.1.3.姓名班级学号5-6 补画三视图所漏的线条42- -可修编- 4.2.1.3.姓名班级学号5-7 补画三视图所缺的线条43- -可修编-姓名班级学号5-9 根据轴测图绘制三视图(任选二个)- -可修编- 4.2.1.3.姓名班级学号5-10 根据二视图,补画第三视图46- -可修编-姓名班级学号4.2.1.3.5-11 根据二视图,补画第三视图47- -可修编- 4.2.1.3.姓名班级学号5-12 根据二视图,补画第三视图48- -可修编- 4.2.1.3.姓名班级学号5-13 根据二视图,补画第三视图49- -可修编-姓名班级学号5-15 标注下列组合体的尺寸5-14 分析组合体尺寸,并补齐所缺的尺寸姓名学号- -可修编-- -可修编---可修编-- -可修编-546-1 视图姓名班级学号第六章 化工设备装配图- -可修编-6-2 作出图形中所标注的斜视图和局部视图55姓名班级学号- -可修编-姓名班级学号566-3 将主视图改画成全剖视图- -可修编-6-4 将主视图改画成全剖视图572.1.姓名班级学号- -可修编-6-5 将主视图改画成半剖视图582.1. 姓名班级学号- -可修编-姓名班级学号1. 2.606-7 在适当位置作局部剖视图- -可修编-6-6 将主视图改画成半剖视图592.1.姓名班级学号- -可修编- 姓名班级学号616-8 将主视图改画成用相交剖切平面剖切的全剖视图,并标注- -可修编-姓名班级学号626-9 在指定位置画出断面图,并标注- -可修编-6-10 指出下列螺纹中的错误,并画出正确的图形63姓名班级学号4.2.1.3.A AAAA A A A- -可修编-6-11 螺纹64姓名班级学号- -可修编-656-12 根据装配示意图查表拼画化工设备图技术特性表管 口 表e 200 JB/T 81-1994 平面 排污口d 200 JB/T 81-1994 平面 出料口 c 20 JB/T 81-1994 平面 排气口符号 公称尺寸 连接尺寸标准 连接面形式 用途或名称 a 450 HG21515-1995 人孔 b 200 JB/T 81-1994 平面 进料口设计温度 100 操作温度 40 物料名称容器类别 I1.5腐蚀裕度/mm 焊缝系数 0.85设计压力/MPa 常压工作压力/MPa 常压作业指导书一、 目的(1) 掌握化工设备零部件的查表方法。
化工制图考试题及答案一、选择题(每题2分,共20分)1. 化工制图中,管道直径的标注方式是:A. 直接在管道线上标注数字B. 在管道线上标注直径符号C. 在管道线上标注直径符号和数字D. 在管道线旁边标注数字2. 在化工设备图中,设备编号通常标注在:A. 设备的中心位置B. 设备的左上角C. 设备的右下角D. 设备的任意位置3. 化工制图中,阀门的表示方法通常是:A. 用实线表示阀门的轮廓B. 用虚线表示阀门的轮廓C. 用符号表示阀门的位置D. 用箭头表示阀门的开关状态4. 化工流程图中,物料流向的表示方法通常是:A. 用箭头表示B. 用虚线表示C. 用实线表示D. 用点划线表示5. 化工制图中,泵的表示方法包括:A. 用符号表示泵的位置B. 用实线表示泵的轮廓C. 用虚线表示泵的轮廓D. 用箭头表示泵的旋转方向二、简答题(每题10分,共30分)6. 简述化工制图中管道连接的表示方法。
7. 解释化工制图中设备标高和设备间距的标注意义。
8. 描述化工流程图中控制点的表示及其作用。
三、绘图题(每题25分,共50分)9. 根据给定的化工流程描述,绘制一个简单的化工流程图。
10. 绘制一个典型的化工设备(如换热器)的平面布置图,并标注必要的尺寸和参数。
四、综合分析题(共30分)11. 分析化工制图中管道布置的原则,并举例说明。
答案一、选择题1. C2. B3. C4. A5. D二、简答题6. 化工制图中管道连接通常用符号或图形表示,如三通、弯头、法兰等,同时标注管道直径和壁厚。
7. 设备标高表示设备相对于基准面的高度,设备间距则表示不同设备之间的最小安全距离,以确保操作和维护的便利性。
8. 控制点在化工流程图中通常用特定的符号表示,如控制阀、传感器等,它们用于监控和调节流程中的各种参数。
三、绘图题9. [此处应根据具体流程描述绘制流程图,包括物料流向、设备连接方式等。
]10. [此处应绘制换热器的平面布置图,包括换热器的外形尺寸、进出口位置、支撑结构等,并标注必要的参数如工作压力、温度等。
化工制图与识图测试题含答案一、单选题(共19题,每题1分,共19分)1.关于管道组合号PG0302-228流改正确的是( )A、03表示工段号B、PG表示管道序号C、228表示工段号正确答案:A2.国家标准规定,机械图样中的尺寸以( )为单位。
A、米B、厘米C、毫米正确答案:C3.关于不属于化工工艺流程图组成的是( )A、方框图B、管道布置图C、首页图正确答案:B4.Ra、Rz分别代表( )A、轮廓算术平均偏差、轮廓最大高度B、轮廓最大高度、轮廓算术平均偏差C、轮廓最小高度、轮廓最大高度正确答案:A5.关于物料名称及代号错误的是( )A、IS表示工艺固体B、再表示工艺流体C、LS表示高压强汽正确答案:C6.下列属于A2图幅的尺寸是( )A、1 189*841B、210﹡297C、420﹡5947.在管道布置图上标注标高流法错误的是( )A、管道之间间隔较小时。
允许引出标准。
B、当标高以管底为基准时,加注管底代号“DPELSI、SIT”C、当标高以量道中心线为基准时,只需要标注“配置、证件”正确答案:B8.下列说法正确的是( )A、向视图只允许向特定方向的基本视图B、向视图是剖视图C、向视图是可以自由配置的基本视图正确答案:C9.关于断面图分类中不属于的是( )A、半剖视图B、移出断面C、重合断面正确答案:A10.下列不属于化工设备上一些常用的零部件的是( )A、泵B、液面计C、封头正确答案:A11.下列不属于剖视图的种类是( )A、全部视图B、断面图C、局部剖视正确答案:B12.基本视图有几种( )A、4B、6C、5D、313.关于管架错误的是( )A、管架是起支撑管道作用B、管架类别A表示固定架C、管架类别K 表示吊架正确答案:C14.下列不属于普通布置图的内容是( )A、足够的尺寸B、断面图C、一组视图正确答案:B15.管道通常不需要用《》管件连接起来。
A、法兰B、塔C、弯头正确答案:B16.化工设备安装在基础或其他构件上所需要的尺寸称为( )。
化工制图与识图习题库及答案一、单选题(共19题,每题1分,共19分)1.化工设备安装在基础或其他构件上所需要的尺寸称为()。
A、装配尺寸B、安装尺寸C、其他尺寸正确答案:B2.当设备的直径超过()mm时,应开设人孔。
A、800B、600C、900正确答案:C3.关于公差说法正确的是()A、公差为负B、公差可能为正、负或零C、公差为正正确答案:B4.关于设备分类代号表示正确的是()A、容器:当B、反应器中C、塔:S正确答案:B5.下列说法正确的是()A、向视图只允许向特定方向的基本视图B、向视图是可以自由配置的基本视图C、向视图是剖视图正确答案:B6.管道通常不需要用《》管件连接起来。
A、弯头B、法兰C、塔正确答案:C7.图样上所注尺寸,为该图样所示机件的(),否则应别加说明。
A、最后完工尺寸B、留有加工余量尺寸C、测量尺寸正确答案:A8.压力较高的设备,一般选用直径为()mm的人孔。
A、500B、400C、600正确答案:B9.关于管道组合号PG0302-228流改正确的是()A、03表示工段号B、228表示工段号C、PG表示管道序号正确答案:A10.通常以管道与管件为主体,用来指导生产与施工的工程技术图样。
称为()A、流程图B、管道图C、设备图正确答案:B11.合理布置管道时不需要考虑的是()A、物料因素B、管道的生产价格C、便于操作及安全生产正确答案:B12.关于管道布置图说法正确的是()A、管道布置时要考虑便于操作及安全生产B、管道布置图又称为设备图C、管道布置无需考虑物科因素正确答案:A13.当空间平面平等投影面时,其投影与原平面形状大小()。
A、相比不确定B、相等C、不相等正确答案:B14.关于管架错误的是()A、管架是起支撑管道作用B、管架类别A表示固定架C、管架类别K表示吊架正确答案:C15.国家标准规定,机械图样中的尺寸以()为单位。
A、米B、厘米C、毫米正确答案:C16.不属于阅读零件图的方法或步骤的是()A、概括了解B、管道布置分析C、总结归纳正确答案:B17.关于物料名称及代号错误的是()A、LS表示高压强汽B、IS表示工艺固体C、再表示工艺流体正确答案:A18.关于不属于化工工艺流程图组成的是()A、管道布置图B、方框图C、首页图正确答案:A19.下列不属于化工设备上一些常用的零部件的是()A、泵B、液面计C、封头正确答案:A二、判断题(共81题,每题1分,共81分)1.穿越多层建筑物的设备,在每层平面上均需画出设备的平面位置并标注出其位号。
化工制图与识图测试题含答案一、单选题(共19题,每题1分,共19分)1.不属于化工设备结构特点的是()A、广泛采用标准零部件B、尺寸相差不大C、壳体以回转体为主正确答案:B2.下列说法正确的是()A、向视图是可以自由配置的基本视图B、向视图是剖视图C、向视图只允许向特定方向的基本视图正确答案:A3.关于设备分类代号表示正确的是()A、塔:SB、容器:当C、反应器中正确答案:C4.管道布置图的绘制说法正确的是()A、需要确定管道布置图的表达方案B、不需要选比例C、绘制视图用粗线画出建筑物正确答案:A5.管道范程线的画法错误的是()A、用粗线画出各设备之间的主要物流通过线B、用中粗线画出其他辅助物料的疏沟线C、用细点画线画出主要和改要物画流形线正确答案:C6.图样上所注尺寸,为该图样所示机件的(),否则应别加说明。
A、最后完工尺寸B、测量尺寸C、留有加工余量尺寸正确答案:A7.Ra、Rz分别代表()A、轮廓算术平均偏差、轮廓最大高度B、轮廓最大高度、轮廓算术平均偏差C、轮廓最小高度、轮廓最大高度正确答案:A8.关于流程线说法正确的是()A、一般用折线B、一般画成水平线和垂直线C、一般用斜线正确答案:B9.关于断面图分类中不属于的是()A、移出断面B、重合断面C、半剖视图正确答案:C10.国家标准规定,机械图样中的尺寸以()为单位。
A、毫米B、厘米C、米正确答案:A11.不属于阅读零件图的方法或步骤的是()A、概括了解B、总结归纳C、管道布置分析正确答案:C12.下列不属于基本视图的是()A、主视图B、俯视图C、剖视图正确答案:C13.管理布置图说法正确的是()A、安装方位标一般南向标志B、标题栏上行写平面下行写布置图C、需要标注与设备有关的建筑物的尺寸正确答案:C14.通常以管道与管件为主体,用来指导生产与施工的工程技术图样。
称为()A、设备图B、管道图C、流程图正确答案:B15.管道通常不需要用《》管件连接起来。
化工制图考试题及答案一、单项选择题(每题2分,共20分)1. 在化工制图中,用来表示管道内流体流动方向的线是:A. 粗实线B. 细实线C. 虚线D. 点划线答案:B2. 化工制图中,用于表示设备内部结构的视图是:A. 俯视图B. 侧视图C. 剖视图D. 轴测图答案:C3. 化工制图中,表示管道连接的符号是:A. 圆圈B. 矩形C. 三角形D. 菱形答案:A4. 在化工制图中,用于表示阀门的符号是:A. 圆形B. 矩形C. 椭圆形D. 菱形答案:D5. 化工制图中,用于表示泵的符号是:A. 圆形B. 矩形C. 椭圆形D. 菱形答案:C6. 化工制图中,用于表示换热器的符号是:A. 圆形B. 矩形C. 椭圆形D. 菱形答案:B7. 在化工制图中,表示管道直径的标注方法是:A. DNB. ΦC. DD. d答案:A8. 化工制图中,表示管道壁厚的标注方法是:A. DNB. ΦC. SD. d答案:C9. 在化工制图中,表示法兰连接的符号是:A. 圆圈B. 矩形C. 三角形D. 菱形答案:B10. 化工制图中,用于表示过滤器的符号是:A. 圆形B. 矩形C. 椭圆形D. 菱形答案:A二、多项选择题(每题3分,共15分)11. 化工制图中,以下哪些元素是管道布置图中必须包含的:A. 管道编号B. 管道直径C. 管道材料D. 管道颜色答案:A, B, C12. 在化工制图中,以下哪些视图是常见的:A. 主视图B. 左视图C. 俯视图D. 右视图答案:A, B, C13. 化工制图中,以下哪些符号用于表示不同类型的阀门:A. 闸阀B. 球阀C. 蝶阀D. 止回阀答案:A, B, C, D14. 在化工制图中,以下哪些标注是用于表示管道特性的:A. 压力B. 温度C. 流量D. 材料答案:A, B, C, D15. 化工制图中,以下哪些是设备图的组成部分:A. 设备编号B. 设备名称C. 设备尺寸D. 设备材质答案:A, B, C, D三、判断题(每题2分,共20分)16. 在化工制图中,所有的尺寸线都应该从图形的外部引出。
化工制图习第五版答案1、以下哪种分离方法是利用分子筛的原理的()[单选题] *A吸附色谱法B萃取法C沉淀法D透析法(正确答案)2、南五味子保肝的主要效药效成分是()[单选题] *A蒽醌B香豆素C黄酮D木脂素(正确答案)3、在简单萃取法中,一般萃取几次即可()[单选题] *A3~4次(正确答案)B1~2次C4~5次D3~7次4、中药补骨脂中的补骨脂内脂具有()[单选题] *A抗菌作用B光敏作用(正确答案)C解痉利胆作用D抗维生素样作用5、以下不属于吸附色谱法的操作步骤的是()[单选题] *A制板B洗脱(正确答案)C点样D显色6、除了能够沉淀有羧基或邻二酚羟基成分,还能沉淀一般酚羟基成分的是()[单选题] * A碱式醋酸铅(正确答案)B中性醋酸铅C酸碱沉淀法D以上都不对7、即有一定亲水性,又能与水分层的是()[单选题] *A正丁醇B乙酸乙酯C二者均是(正确答案)D二者均非8、凡具有()的木脂素,与三氯化铁反应,呈阳性()[单选题] *A酚羟基(正确答案)B羧酸C醇羟基D氨基9、羟基蒽醌类化合物中,大黄素型和茜草素型主要区别于()[单选题] * A羟基位置B羟基数目C羟基在不同苯环上的分布(正确答案)D羟基数目10、挥发油常见属于哪类萜类化学物()[单选题] *A半萜与单萜B单贴与倍半萜(正确答案)C倍半萜与二萜D二萜与三萜11、E易酶解苷类成分关于亲水性有机溶剂,说法正确的有()*A极性大(正确答案)B极性小C水不相溶D与水部分相溶12、厚朴酚的结构类型为()[单选题] *A简单木脂素B单环氧木脂素C木脂内酯D新木脂素(正确答案)13、下列不能作为极性吸附剂的是()[单选题] *A活性炭(正确答案)B氧化铝C硅胶D氧化镁14、从香豆素类的结构与分类看,下列属于简单香豆素类的是()[单选题] *A龙脑B七叶内酯(正确答案)C薄荷醇D西瑞香素15、萃取时易发生乳化现象的是()[单选题] *A简单萃取法(正确答案)B逆流连续萃取法C二者均是D二者均不是16、中药紫草中的主要有效成分属于()[单选题] *A苯醌类B萘醌类(正确答案)C蒽醌类D菲醌类17、下列方法中哪一个不是按照色谱法的操作形式不同而进行分类的()[单选题] * A离子交换色谱(正确答案)B薄层吸附色谱C纸色谱D吸附柱色谱18、具有光化学毒性的中药化学成分类型是()[单选题] * A多糖B无机酸C鞣质D呋喃香豆素(正确答案)19、倍半萜和二萜在化学结构上的明显区别是()[单选题] * A氮原子数不同B碳原子数不同(正确答案)C碳环数不同D硫原子数不同20、浓缩速度快,又能保护不耐热成分的是()[单选题] * A水蒸汽蒸馏法B常压蒸馏法C减压蒸馏法(正确答案)D连续回流法21、提取遇热不稳定的成分宜用()[单选题] *A回流法B煎煮法C渗漉法(正确答案)D蒸馏法22、没有挥发性也不能升华的是()[单选题] *A香豆素苷类(正确答案)B游离蒽醌类C樟脑D游离香豆素豆素类23、中药厚朴中含有的厚朴酚是()[单选题] *A双环氧木脂素类B联苯环辛烯型木脂素类C环木脂内酯木脂素类D新木脂素类(正确答案)24、生物碱总碱的三氯甲烷溶液,用酸性不同的PH(由高到低)缓冲溶液萃取,最先萃取的生物碱是()[单选题] *A碱性弱的B中等碱性C吡啶类D碱性强的(正确答案)25、关于黄酮类化合物,以下说法正确的是()[单选题] * A多为液态或呈挥发性B多为无色C因分子内多具有酚羟基,多呈酸性(正确答案)D易溶于水26、能影响黄酮类成分的溶解性的因素有(多选)()*A黄酮的类型(正确答案)B苷元上取代基的种类、数目和位置(正确答案)C糖基的数目和位置(正确答案)D分子立体结构(正确答案)27、在结晶溶剂的选择过程中首先要遵循的是()[单选题] * A成分的纯度(正确答案)B相似相容原理C冷却热饱和原理D以上都不对28、下列生物碱碱性最强的是()[单选题] *APkA=22BPkA=5(正确答案)CPkA=13DPkA=5829、以下黄酮类化合物中,以离子状态存在的是()[单选题] * A黄酮B花色素(正确答案)C二氢黄酮D查耳酮30、与明胶反应生成沉淀的成分是()[单选题] *A强心苷B皂苷C有机酸D鞣质(正确答案)。
化工制图习题集答案仅供学习与交流,如有侵权请联系网站删除 谢谢2 212.2-8 作出平面的另一面投影1.4. 5. 6.3.学号班级姓名仅供学习与交流,如有侵权请联系网站删除 谢谢3 4.找出A、B面的三面投影,并涂黑标记。
3.在平面ABC上求点K,使K点与H面和V面的距离都等于15mm。
1.点M在平面ABC上,作出M点的另二面投影。
2-9 平面上的直线和点2.作出平面ABCD的V面投影。
22学号班级姓名仅供学习与交流,如有侵权请联系网站删除 谢谢4232.3-1 补画基本几何体的第三面投影,并画出表面上点、直线的另二面投影1.3. 4.学号班级姓名仅供学习与交流,如有侵权请联系网站删除 谢谢5 4.3.1.3-2 补画带切口几何体的第三视图2.24学号班级姓名仅供学习与交流,如有侵权请联系网站删除 谢谢6 252.3-3 补画带切口几何体的三视图1.3. 4.学号班级姓名仅供学习与交流,如有侵权请联系网站删除 谢谢7 4.3.1.3-4 补画带切口几何体的三视图2.26学号班级姓名仅供学习与交流,如有侵权请联系网站删除 谢谢8 272.3-5 已知基本几何体的三面投影,画出表面上点的另二面投影1.3. 4.学号班级姓名仅供学习与交流,如有侵权请联系网站删除 谢谢9 4.3.1.3-6 补画基本几何体的第三面投影,并画出表面上线段的另二面投影2.28学号班级姓名仅供学习与交流,如有侵权请联系网站删除 谢谢10 292.3-7 补画带切口几何体的第三视图1.3. 4.学号班级姓名姓名3-8 补画基本几何体的第三面投影班级Array学号姓名1112 4.3.1.3-9 补画带切口几何体的三视图2.31学号班级姓名3-10 标注下列形体的尺寸班级姓名学号1314 334-1 轴测图1. 根据视图画出管道的正等轴测图d a (b)ce eˊa"(b")c"d"(e")cˊa ˊb ˊ(d ˊ) 2. 根据管道轴测图,判断其空间走向.A 该管道自A 点向(上)、向(右)、向(下)、向(前)、向(右)、向(下)、向(左)到达B 点。
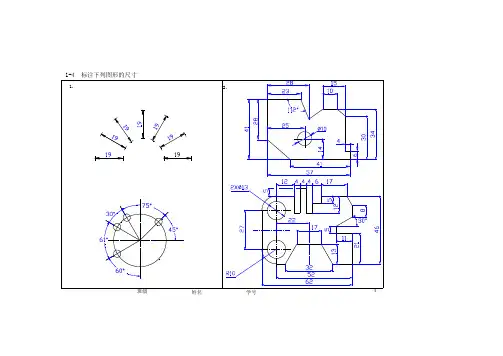
1-4 标注下列图形的尺寸
1 .
2
.
3117
2X(S13
R10
班级姓名学号4
1-5标注尺寸(尺寸从图中量取,取整数)
1
.
022
I 025
LZ_m2X(E92 .
2
13
班级姓名学号5
班级 姓名 学号 6
1-6线型练习
一.作图目的
1. 熟悉《机械制图》国家标准中的图纸幅面及格式、比例、 字
体、图线及尺寸注法。
2. 掌握绘图仪器及工具的正确使用方法,培养绘图技能。
二.作图内容与要求
1. A4图纸,比例1:1,按尺寸绘出图形,标注尺寸,图纸竖放。
1. 作图正确,线型粗细分明,虚线、点划线长短基本一致。
3. 字体端正,图面整洁,绘出标题栏、边框线。
三•作图步骤
1•将图纸平放,用透明胶带固定在图板上。
为方便丁字尺应用, 图
纸尽量固定在图板左下角。
2. 在图纸上画出标准图幅、图框线,标题栏。
3. 布置图纸。
根据图的大小,将图形合理布置在图纸上,先 画出
主要点画线确定图的位置。
4. 用细线完成底稿。
5. 仔细检查并加粗加深。
6. 标注尺寸数字,填写标题栏。
注意字体及其高度要符合要求。
四•注意事项
1. 做好画图前的准备工作。
2. 各种图线必须符合国标的规定,同类图线必须一致,粗实线的宽
度宜采用0.7 mm 。
3. 点画线长画与短画要一次画出,注意点画线超出轮廓线的长
度。
4. 各种图线的相交要符合图标的规定。
线型练习要求及指导 —1 1 1 1 1 1 O 1 O 1 1 1 1 1 1 1 30 W7 4X01C 0 930 广: t #40
1-7用1:1比例抄画图形
班级姓名学号7
1-8完成下列图形的线段连接,比例1:1,标注出圆心和切点
班级姓名学号8
1-9
几何作图
班级 姓名 学号 9
1.用四心圆法画出长轴为80,短轴为40的椭圆
2.用1:1绘出设备图形
班级 姓名 学号 10
1-10 平面图形的作图(一)
一.作图目的
1. 熟悉《机械制图》国家标准中的图纸幅面及格式、比例、 字体、图线及尺寸注
法。
2. 掌握线段连接技巧。
二.作图内容与要求
1. A4图纸,比例自定,按尺寸绘出图形,标注尺寸。
1•作图正确,线型粗细分明,虚线、点划线长短基本一致。
3. 字体端正,图面整洁,绘出标题栏、边框线。
三•作图步骤
1•将图纸用透明胶带平放固定在图板上。
为方便丁字尺应用, 图纸尽量固定在图
板左下角。
2. 在图纸上画出标准图幅、边框线,标题栏。
3. 布置图纸。
根据图的大小,将图形合理布置在图纸上,先 画出主要点画线确定图的位置,留出尺寸标注的位置。
4. 用细线完成底稿。
5. 仔细检查并加粗加深。
6. 标注尺寸数字,填写标题栏。
注意字体及其高度要符合要求。
四.注意事项
1. 做好画图前的准备工作,分析平面图形的尺寸,确定线段性质。
2. 圆弧应先作出圆心和切点,再作圆弧。
3. 注意轮廓线与作图辅助线的区别。
4. 各种图线的相交要符合图标的规定。
圆弧连接练习要求及指导
rj Cd
1-12平面图形的作图(三)
—b
勺班级姓名学号12
班级 姓名 学号 13
4x 殖
(fl 6 W (
<£6S
k85 ■ t — 50 i 心
*
\^30
j 斗Z
第二章投影基础2-1由物体的立体图选择三视图
©
©
班级姓名学号14
2-2由物体的立体图绘制三视图
2-3点的投影
班级姓名学号16
2-5画出所给直线的投影图,并填空(其他条件自定) 班级 姓名 学号 18
01
H 面投影平行0X 由 诃 面投影平行0Z 由 4.
V 投影积聚为一点 H W 面投影反映实长 2.侧垂线 H ¥ 面投影反映实长 5.侧平线 面投影平行0Y 由
面投影平行0Z 由
前 面投影平行0Y 由
2.已知AB为水平线(A点位于B点的左前方),实长为15,与V面
的夹角为30。
,求作三面投影。
3.MN为侧垂线,它到H面和V面的距离相等,作出三面
投影。
4.已知直线EF的三面投影,作出直线上触的三面投影。
2-6直线的投影
1.已知AB为则垂线(A点在右),实长为10,求作三面投影。
班级姓名学号19
2-7直线的投影
2-8作出平面的另一面投影
第r章基本体A兀农面交线
3-3补画带切口几何体的三视图
班级姓名学号25
班级姓名学号26
3-5已知基本几何体的三面投影,画出表面上点的另二面投影
1 . 2
.
[h'
l
3 .
4
.
b
I
t
l
LJ
ts"
II
a
班级姓名学号27
3-7补画带切口几何体的第三视图
班级姓名学号
3-9补画带切口几何体的三视图
第四章轴测图4-1轴测图
班级 姓名 学号 34
4-2
根据视图画出平面体的正等测图
班级姓名学号35
4-4根据视图画出物体的斜二测图
班级姓名学号36
第五章组合体
5-1根据轴测图补全三视图
1.
i!H i
1
----1-"----
1 1
1
1
1
---- M ----
1 1
1
1
j
班级姓名学号37
5-2根据轴测图,补画三视图
1. 2
.
1 1
1
1 1
h
<■
/
—L■■■ ■
■■▼ ■
1 r ■ n
11
■
■ ■
■
3
■
■ ■
■
11
11
班级姓名学号38
5-3补画三视图所漏的线条
班级姓名学号39
班级姓名学号40
5-8根据轴测图徒手绘制三视图
1
.
-V " 7 >J.< 1x1 W ”
、■>、/ /
3
.
2
.
7
4
.
、
> .
7 T J T'l "T L" I F*-
2
班级姓名学号44
5-9根据轴测图绘制三视图(任选二个)
班级姓名学号45
5-11根据二视图,补画第三视图
班级姓名学号47
5-12根据二视图,补画第三视图
班级姓名学号48
班级 姓名 学号 49
5-13根据二视图,补画第三视图 1—1—1— 1 1 n 申 —A A 4。