玻璃钢化粪池检验批质量验收记录之令狐文艳创作
- 格式:doc
- 大小:817.51 KB
- 文档页数:29
玻璃钢化粪池质检批验收记录
1. 背景
为了确保玻璃钢化粪池的质量符合规定标准,并确保其在使用
过程中的安全性和可靠性,进行了质检批验工作。
本文档记录了质
检批验的过程和结果。
2. 质检批验过程
2.1 材料检验
对玻璃钢化粪池的所使用材料进行了检验,包括主体结构材料、密封材料等。
对每一批材料进行了外观检查、尺寸测量、材料强度
测试等。
2.2 制造工艺检验
对玻璃钢化粪池的制造工艺进行了检验,包括模具制造、层压工艺、密封工艺等。
对每一道工序进行了质量控制点检查和工艺流程确认。
2.3 成品检验
对制造完成的玻璃钢化粪池进行了成品检验。
主要包括外观检查、尺寸测量、强度测试、密封性能测试等。
对不合格品进行了修复或返工。
3. 质检批验结果
经过质检批验,玻璃钢化粪池的质量符合规定标准,各项指标均满足要求。
所有材料和制造工艺均得到了有效控制和管理,不存在质量问题。
4. 结论
玻璃钢化粪池经过质检批验合格,可以投入使用。
本次批验过程按照标准流程进行,所有检验结果均符合要求。
质检批验结果记录的每项数据和信息均真实可靠,可作为后续使用和管理的依据。
5. 签字
审核人:__________ 日期:__________
确认人:__________ 日期:__________。
玻璃钢化粪池检验批质量验收记录
精品文档
玻璃钢化粪池检验批质量验收记录
编号:HFC-01
精品文档
精品文档玻璃钢化粪池检验批质量验收记录
精品文档玻璃钢化粪池检验批质量验收记录
编号:HFC-01
精品文档玻璃钢化粪池检验批质量验收记录
精品文档玻璃钢化粪池检验批质量验收记录
精品文档玻璃钢化粪池检验批质量验收记录
编号:HFC-01
精品文档玻璃钢化粪池检验批质量验收记录
编号:HFC-01
玻璃钢化粪池检验批质量验收记录
精品文档
玻璃钢化粪池检验批质量验收记录
精品文档
玻璃钢化粪池检验批质量验收记录
精品文档
玻璃钢化粪池检验批质量验收记录
编号:HFC-01
精品文档
玻璃钢化粪池检验批质量验收记录
编号:HFC-01
精品文档
玻璃钢化粪池检验批质量验收记录
精品文档
玻璃钢化粪池检验批质量验收记录
精品文档
玻璃钢化粪池检验批质量验收记录
精品文档
玻璃钢化粪池检验批质量验收记录
编号:HFC-01
精品文档
玻璃钢化粪池检验批质量验收记录
编号:HFC-01
精品文档
玻璃钢化粪池检验批质量验收记录
编号:HFC-01 精品文档
玻璃钢化粪池检验批质量验收记录精品文档
玻璃钢化粪池检验批质量验收记录精品文档
玻璃钢化粪池检验批质量验收记录精品文档
玻璃钢化粪池检验批质量验收记录精品文档
玻璃钢化粪池检验批质量验收记录精品文档
精品文档。
玻璃钢化粪池检验批质量验收记录一、项目信息1.1工程名称:玻璃钢化粪池检验批质量验收1.2施工单位:XXX建筑工程有限公司1.3监理单位:XXX监理有限公司1.4检验单位:XXX检验有限公司1.5工程地址:XXXXX二、质量验收内容2.1玻璃钢化粪池外观检查2.1.1外观检查时应保证施工现场整洁、无积水,周边环境无杂物。
2.1.2玻璃钢化粪池表面应平整光滑,无明显凹凸、毛刺等缺陷。
2.1.3玻璃钢化粪池的涂膜应平整、无气泡、起泡、脱皮等情况。
2.1.4玻璃钢化粪池与其他设备及管道连接处应严密、无渗漏。
2.2玻璃钢化粪池尺寸检查2.2.1按照设计图纸要求,对玻璃钢化粪池的尺寸进行检查,包括进、出料口位置、尺寸、高度等。
2.2.2尺寸检查应采用测量工具,保证测量结果准确。
2.2.3尺寸检查结果应记录在检验批质量验收记录表中。
2.3玻璃钢化粪池材质检查2.3.1对玻璃钢化粪池的材质进行检查,包括底板、侧壁、进、出料口等部位。
2.3.2底板、侧壁应采用玻璃钢材质制作,无明显气泡、夹杂物、麻点、刮痕等缺陷。
2.3.3进、出料口应采用不锈钢材质制作,检查其表面光滑度、连接紧密度等。
2.4玻璃钢化粪池功能检测2.4.1对玻璃钢化粪池的功能进行检测,包括入口处能否正常进料、出口处能否正常排放等。
2.4.2检测过程中应模拟实际使用情况,保证检测结果真实可靠。
2.4.3功能检测结果应记录在检验批质量验收记录表中。
三、质量验收结果3.1外观检查合格,玻璃钢化粪池表面光滑,无明显缺陷。
3.2尺寸检查合格,玻璃钢化粪池尺寸与设计要求一致。
3.3材质检查合格,玻璃钢化粪池材质无缺陷。
3.4功能检测合格,玻璃钢化粪池能够正常运行。
四、质量验收结论根据以上测试结果,本次玻璃钢化粪池检验批质量验收合格,符合相关规范要求。
五、质量验收意见本次玻璃钢化粪池检验批质量验收工作按照标准要求进行,施工单位质量控制较好,各项检验指标均符合要求,建议予以通过验收。
甬统表 C02-123化粪池检验批质量验收记录编号:□□□□□□□□工程名称金水湾小区附属工程分项工程名称化粪池验收部位 商业综合楼、 商业楼、超市外施工单位慈溪市城市开展专业工长徐慧慧工程经理张建国 ( 施工员 )分包单位分包工程经理施工班组长陈新根施工执行标准名称及编号给水排水管道工程及验收标准GB 50268-2021质量验收标准的规定施工单位自检记录监理 (建设 )单位验收记录1所用的原材料、预制构件的质量应符合国家有关标准的规定和设计要求符合要求主符合要求2砌筑水泥砂浆强度、结构混凝土强度符合设计要求控 砌筑结构应灰浆饱满、灰缝平直,不得有通缝、瞎缝;预制装配项符合要求3式结构应坐浆、 灌浆饱满密实,无裂缝;混凝土结构无严重质量目缺陷;井室无渗水、水珠现象井壁抹面应密实平整,不得有空鼓,裂缝等现象;混凝土无明显一般质量1缺陷;井室无明显湿渍现象符合要求井内部构造符合设计和水力工艺要求,且部位位置及尺寸正确,无建筑垃2圾等杂物;检查井流槽应平顺、圆滑、光洁;符合要求3 井室内踏步位置正确、牢固 符合要求 4井盖、座规格符合设计要求,安装稳固符合要求平面轴线位置〔轴向、垂直轴向〕15 5 4 6 6结构断面尺寸+10, 0 +5+5+6+55 井室 长、宽± 20一井 尺寸 直径+20+18+10+12+12般室 井口 农田或绿地+20项的高程路面目与道路规定一致符合设计要求 允 开槽法管Di ≤ 1000 ± 10+5+6-3-4许井底 道铺设± 15偏 Di >1000高程不开槽法+10, -20差 Di <1000管道铺设+10, -20/Di ≥ 1000踏步 水平及垂直间距,外m ± 10+5+6 安装 露长度m脚窝高、宽、深 ± 10 +5 +5流槽宽度+10+4+6质量检查记录 (质量证明文件 )施工单位检查评定结果工程专业质检员:年 月 日监理 (建设 ) 专业监理工程师: 单位验收结论(建设单位 (工程 )负责人 )编号:□□□□□□□□工程名称金水湾小区附属工程分项工程名称化粪池验收部位 6#、7#、8#、9#楼施工单位慈溪市城市开展专业工长徐慧慧工程经理张建国 ( 施工员 )分包单位分包工程经理施工班组长陈新根施工执行标准名称及编号给水排水管道工程及验收标准GB 50268-2021质量验收标准的规定施工单位自检记录监理 (建设 )单位验收记录1所用的原材料、预制构件的质量应符合国家有关标准的规定和设计要求符合要求主符合要求2砌筑水泥砂浆强度、结构混凝土强度符合设计要求控 砌筑结构应灰浆饱满、灰缝平直,不得有通缝、瞎缝;预制装配项符合要求3式结构应坐浆、 灌浆饱满密实,无裂缝;混凝土结构无严重质量目缺陷;井室无渗水、水珠现象井壁抹面应密实平整,不得有空鼓,裂缝等现象;混凝土无明显一般质量1缺陷;井室无明显湿渍现象符合要求井内部构造符合设计和水力工艺要求,且部位位置及尺寸正确,无建筑垃2圾等杂物;检查井流槽应平顺、圆滑、光洁;符合要求3 井室内踏步位置正确、牢固 符合要求 4井盖、座规格符合设计要求,安装稳固符合要求平面轴线位置〔轴向、垂直轴向〕15 5 4 4 7结构断面尺寸+10, 0 +5+5-3+55 井室 长、宽± 20一井 尺寸 直径+20+18+10+11+12般室 井口 农田或绿地+20项的高程路面目与道路规定一致符合设计要求 允 开槽法管Di ≤ 1000 ± 10 +5+6-3-4许井底 道铺设± 15偏 Di >1000高程不开槽法+10, -20差 Di <1000管道铺设+10, -20/Di ≥ 1000踏步 水平及垂直间距,外m ± 10+5+6 安装 露长度m脚窝高、宽、深 ± 10 +5 +5流槽宽度+10+4+6质量检查记录 (质量证明文件 )施工单位检查评定结果工程专业质检员:年月 日监理 (建设 ) 专业监理工程师: 单位验收结论(建设单位 (工程 )负责人 )编号:□□□□□□□□工程名称金水湾小区附属工程分项工程名称化粪池验收部位 10#、11#、 12#楼施工单位慈溪市城市开展专业工长徐慧慧工程经理张建国 ( 施工员 )分包单位分包工程经理施工班组长陈新根施工执行标准名称及编号给水排水管道工程及验收标准GB 50268-2021质量验收标准的规定施工单位自检记录监理 (建设 )单位验收记录1所用的原材料、预制构件的质量应符合国家有关标准的规定和设计要求符合要求主符合要求2砌筑水泥砂浆强度、结构混凝土强度符合设计要求控 砌筑结构应灰浆饱满、灰缝平直,不得有通缝、瞎缝;预制装配项符合要求3式结构应坐浆、 灌浆饱满密实,无裂缝;混凝土结构无严重质量目缺陷;井室无渗水、水珠现象井壁抹面应密实平整,不得有空鼓,裂缝等现象;混凝土无明显一般质量1缺陷;井室无明显湿渍现象符合要求井内部构造符合设计和水力工艺要求,且部位位置及尺寸正确,无建筑垃2圾等杂物;检查井流槽应平顺、圆滑、光洁;符合要求3 井室内踏步位置正确、牢固 符合要求 4井盖、座规格符合设计要求,安装稳固符合要求平面轴线位置〔轴向、垂直轴向〕15 5 4 6 6结构断面尺寸+10, 0 +5+5+6+55 井室 长、宽± 20一井 尺寸 直径+20+18+10+12+12般室 井口 农田或绿地+20项的高程路面目与道路规定一致符合设计要求 允 开槽法管Di ≤ 1000 ± 10 +5+6-3-4许井底 道铺设± 15偏 Di >1000高程不开槽法+10, -20差 Di <1000管道铺设+10, -20/Di ≥ 1000踏步 水平及垂直间距,外m ± 10+5+6 安装 露长度m脚窝高、宽、深 ± 10 +5 +5流槽宽度+10+4+6质量检查记录 (质量证明文件 )施工单位检查评定结果工程专业质检员:年月 日监理 (建设 ) 专业监理工程师: 单位验收结论(建设单位 (工程 )负责人 )。
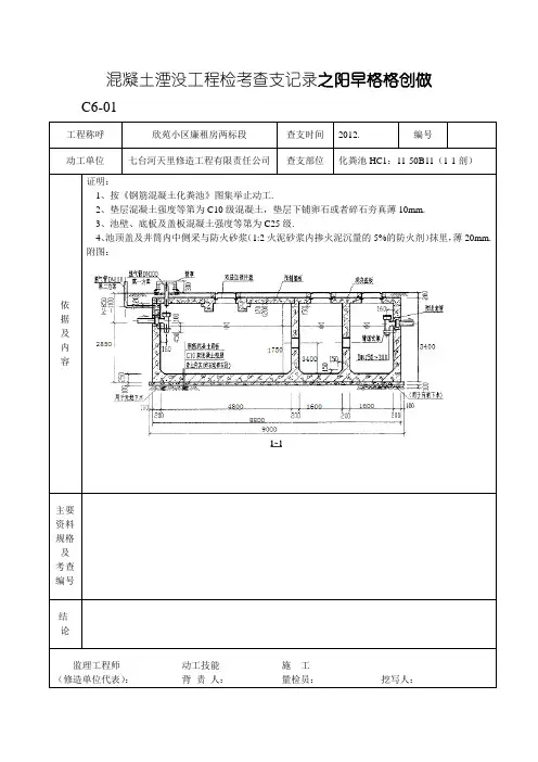
混凝土湮没工程检考查支记录之阳早格格创做C6-01工程称呼欣苑小区廉租房两标段查支时间2012.编号动工单位七台河天里修造工程有限责任公司查支部位化粪池HC1:11-50B11(1-1剖)依据及内容证明:1、按《钢筋混凝土化粪池》图集举止动工.2、垫层混凝土强度等第为C10级混凝土,垫层下铺卵石或者碎石夯真薄10mm.3、池壁、底板及盖板混凝土强度等第为C25级.4、池顶盖及井筒内中侧采与防火砂浆(1:2火泥砂浆内掺火泥沉量的5%的防火剂)抹里,薄20mm.附图:主要资料规格及考查编号结论监理工程师动工技能施工(修造单位代表):背责人:量检员:挖写人:钢筋湮没工程检考查支记录C6-01工程称呼欣苑小区廉租房两标段查支时间2012.编号动工单位七台河天里修造工程有限责任公司查支部位化粪池HC1:11-50B11(1-1正剖)依据及内容证明:1、按《钢筋混凝土化粪池》图集举止动工.2、钢筋采与HPB235级、HRB335级.3、钢筋混凝土底板采与Φ16@150、Φ14@150主筋,Φ18@150、Φ16@150分散筋举止铺设.○3a号:Φ14@75○3:Φ14@150○4a:Φ12@75○4:Φ12@150○5:ф10@150○6:Φ18@150○7:Φ14@150○8:Φ12@150○9:Φ12@150○10:Φ14@150○11:Φ12@150○12:ф10@150○13:Φ12:300○14:Φ18@150○15:Φ16@150○16:Φ16@150○17:Φ14@150○18:Φ12@150睹化粪池的配筋图.附图:主要资料规格及考查编号结论监理工程师动工技能施工(修造单位代表):背责人:量检员:挖写人:混凝土湮没工程检考查支记录工程称呼欣苑小区廉租房两标段查支时间2012.编号动工单位七台河天里修造工程有限责任公司查支部位化粪池HC1:11-50B11(仄里图)依据及内容证明:1、按《钢筋混凝土化粪池》图集举止动工.2、垫层混凝土强度等第为C10级混凝土,垫层下铺卵石或者碎石夯真薄10mm.3、池壁、底板及盖板混凝土强度等第为C25.4、池顶盖及井筒内中侧采与防火砂浆(1:2火泥砂浆内掺火泥沉量的5%的防火剂)抹里,薄20mm.附图:主要资料规格及考查编号结论监理工程师动工技能施工(修造单位代表):背责人:量检员:挖写人:钢筋湮没工程检考查支记录工程称呼欣苑小区廉租房两标段查支时间2012.编号动工单位七台河天里修造工程有限责任公司查支部位化粪池HC1:11-50B11(仄里图)依据及内容证明:1、按《钢筋混凝土化粪池》图集举止动工.2、钢筋采与HPB235级、HRB335级.3、钢筋混凝土池壁分别采与ф10@150、Φ12@150、Φ14@150、,Φ16@150、Φ18@150举止铺设.○1:Φ16@150○2:Φ12@150○3:Φ14@150○4:Φ12@150○5:ф10@150○6:Φ18@150○7:Φ14@150○8:Φ12@150○9:Φ12@150○10:Φ14@150○11:Φ12@150○12:ф10@150详睹化粪池的配筋图.附图:主要资料规格及考查编号结论监理工程师动工技能施工(修造单位代表):背责人:量检员:挖写人:混凝土湮没工程检考查支记录工程称呼欣苑小区廉租房两标段查支时间2012.编号动工单位七台河天里修造工程有限责任公司查支部位化粪池HC1:11-50B11(2-2剖)依据及内容证明:1、按《钢筋混凝土化粪池》图集举止动工.2、垫层混凝土强度等第为C10级混凝土,垫层下铺卵石或者碎石夯真薄10mm.3、池壁、底板及盖板混凝土强度等第为C25.4、池顶盖及井筒内中侧采与防火砂浆(1:2火泥砂浆内掺火泥沉量的5%的防火剂)抹里,薄20mm.附图:主要资料规格及考查编号结论监理工程师动工技能施工(修造单位代表):背责人:量检员:挖写人:钢筋湮没工程检考查支记录工程称呼欣苑小区廉租房两标段查支时间2012.编号动工单位七台河天里修造工程有限责任公司查支部位化粪池HC1:11-50B11(2-2剖)依据及内容证明:1、按《钢筋混凝土化粪池》图集举止动工.2、钢筋采与HPB235级、HRB335级.3、钢筋混凝土池壁分别采与Φ12@150、Φ14@150、,Φ16@150、Φ18@150、Φ16@75、Φ12@75举止铺设.○1:Φ16@150○1a:Φ16@75○2:Φ12@150○2a:Φ12@:75○6:Φ18@150○7:Φ14@150○13:Φ12:300○14:Φ18@150○15:Φ16@150○16:Φ16@150○17:Φ14@150详睹化粪池的配筋图.附图:主要资料规格及考查编号结论监理工程师动工技能施工(修造单位代表):背责人:量检员:挖写人:混凝土湮没工程检考查支记录C6-01工程称呼欣苑小区廉租房两标段查支时间2012.编号动工单位七台河天里修造工程有限责任公司查支部位化粪池HC1:11-50B11(3-3、4-剖)依据及内容证明:1、按《钢筋混凝土化粪池》图集举止动工.2、池壁及盖板混凝土强度等第为C25.3、池顶盖及井筒内中侧采与防火砂浆(1:2火泥砂浆内掺火泥沉量的5%的防火剂)抹里,薄20mm.附图:主要资料规格及考查编号结论监理工程师动工技能施工(修造单位代表):背责人:量检员:挖写人:钢筋湮没工程检考查支记录C6-01工程称呼欣苑小区廉租房两标段查支时间2012.编号动工单位七台河天里修造工程有限责任公司查支部位化粪池HC1:11-50B11(3-3剖)依据及内容1、按《钢筋混凝土化粪池》图集举止动工.2、钢筋采与HPB235级、HRB335级.3、钢筋混凝土池壁分别采与Φ12@150、Φ16@150、Φ16@75、Φ12@75举止铺设.○1:Φ16@150○1a:Φ16@75○2:Φ12@150○2a:Φ12@:75○8:Φ12@150○9:Φ12@150○13:Φ12:300○16:Φ16@150○17:Φ14@150○18:Φ12@150详睹化粪池的配筋图.附图:主要资料规格及考查编号结论监理工程师动工技能施工(修造单位代表):背责人:量检员:挖写人:混凝土湮没工程检考查支记录C6-01工程称呼欣苑小区廉租房两标段查支时间2012.编号动工单位七台河天里修造工程有限责任公司查支部位化粪池HC1:12-50B11(1-1剖)依据及内容1、按《钢筋混凝土化粪池》图集举止动工.2、垫层混凝土强度等第为C10级混凝土,垫层下铺卵石或者碎石夯真薄10mm.3、池壁、底板及盖板混凝土强度等第为C30.4、池顶盖及井筒内中侧采与防火砂浆(1:2火泥砂浆内掺火泥沉量的5%的防火剂)抹里,薄20mm.附图:主要资料规格及考查编号结论监理工程师动工技能施工(修造单位代表):背责人:量检员:挖写人:钢筋湮没工程检考查支记录C6-01工程称呼欣苑小区廉租房两标段查支时间2012.编号动工单位七台河天里修造工程有限责任公司查支部位化粪池HC1:12-50B11(1-1剖)依据及内容1、按《钢筋混凝土化粪池》图集举止动工.2、钢筋采与HPB235级、HRB335级.3、钢筋混凝土底板采与Φ16@150、Φ14@150主筋,Φ18@150、Φ16@150分散筋举止铺设.○3:Φ14@150○3a:Φ14@75○4:Φ12@150○4a:Φ12@75○5:Φ12:200○10:Φ14@150○11:Φ12@150○12:Φ12@150○13:Φ12@300○13a:Φ12@300○14:Φ16@150○15:Φ18@150○16:Φ16@150○17:Φ14@150○18:Φ12@150○19:Φ12@150详睹化粪池的配筋图.附图:主要资料规格及考查编号结论监理工程师动工技能施工(修造单位代表):背责人:量检员:挖写人:混凝土湮没工程检考查支记录C6-01工程称呼欣苑小区廉租房两标段查支时间2012.编号动工单位七台河天里修造工程有限责任公司查支部位化粪池HC1:12-50B11(2-2剖)依据及内容1、按《钢筋混凝土化粪池》图集举止动工.2、垫层混凝土强度等第为C10级混凝土,垫层下铺卵石或者碎石夯真薄10mm.3、池壁、底板及盖板混凝土强度等第为C30级,混凝土强度最矮的强度等第为C30级.4、池顶盖及井筒内中侧采与防火砂浆(1:2火泥砂浆内掺火泥沉量的5%的防火剂)抹里,薄20mm.附图:主要资料规格及考查编号结论监理工程师动工技能施工(修造单位代表):背责人:量检员:挖写人:钢筋湮没工程检考查支记录C6-01工程称呼欣苑小区廉租房两标段查支时间2012.编号动工单位七台河天里修造工程有限责任公司查支部位化粪池HC1:12-50B11(2-2剖、3-3剖)依据及内容1、按《钢筋混凝土化粪池》图集举止动工.2、钢筋采与HPB235级、HRB335级.3、钢筋混凝土底板采与Φ16@150、Φ14@150主筋,Φ18@150、Φ16@150分散筋举止铺设.○1:Φ16@150○1a:Φ16@75○2:Φ12@150○2a:Φ12@75○6:Φ16@150○7:Φ14@150○8:Φ12@150○9:Φ12@150○13:Φ12@300○13b:Φ14@300○14:Φ16@150○15:Φ18@150○16:Φ16@150○17:Φ14@150○18:Φ12@150○19:Φ12@150详睹化粪池的配筋图.附图:主要资料规格及考查编号结论监理工程师动工技能施工(修造单位代表):背责人:量检员:挖写人:混凝土湮没工程检考查支记录C6-01工程称呼欣苑小区廉租房两标段查支时间2012.编号动工单位七台河天里修造工程有限责任公司查支部位化粪池HC1:12-50B11(仄里图)依据及内容1、按《钢筋混凝土化粪池》图集举止动工.2、垫层混凝土强度等第为C10级混凝土,垫层下铺卵石或者碎石夯真薄10mm.3、池壁、底板及盖板混凝土强度等第为C30级,混凝土强度最矮的强度等第为C30级.4、池顶盖及井筒内中侧采与防火砂浆(1:2火泥砂浆内掺火泥沉量的5%的防火剂)抹里,薄20mm.附图:主要资料规格及考查编号结论监理工程师动工技能施工(修造单位代表):背责人:量检员:挖写人:钢筋湮没工程检考查支记录C6-01工程称呼欣苑小区廉租房两标段查支时间2012.编号动工单位七台河天里修造工程有限责任公司查支部位化粪池HC1:12-50B11(仄里图)依据及内容1、按《钢筋混凝土化粪池》图集举止动工.2、钢筋采与HPB235级、HRB335级.3、钢筋混凝土池壁分别采与Φ12@150、Φ14@150、,Φ16@150举止铺设.○1:Φ16@150○2:Φ12@150○3:Φ14@150○4:Φ12@150○5:Φ12@200○6:Φ16@150○7:Φ14@150○8:Φ12@150○9:Φ12@150○10:Φ14@150○11:Φ12@150○12:Φ12@150详睹化粪池的配筋图.附图:主要资料规格及考查编号结论监理工程师动工技能施工(修造单位代表):背责人:量检员:挖写人:混凝土湮没工程检考查支记录C6-01工程称呼欣苑小区廉租房两标段查支时间2012.编号动工单位七台河天里修造工程有限责任公司查支部位化粪池HC1:13-50B11(1-1剖)依据及内容1、按《钢筋混凝土化粪池》图集举止动工.2、垫层混凝土强度等第为C10级混凝土,垫层下铺卵石或者碎石夯真薄10mm.3、池壁、底板及盖板混凝土强度等第为C30级,混凝土强度最矮的强度等第为C30级.4、池顶盖及井筒内中侧采与防火砂浆(1:2火泥砂浆内掺火泥沉量的5%的防火剂)抹里,薄20mm.附图:主要资料规格及考查编号结论监理工程师动工技能施工(修造单位代表):背责人:量检员:挖写人:钢筋湮没工程检考查支记录C6-01工程称呼欣苑小区廉租房两标段查支时间2012.编号动工单位七台河天里修造工程有限责任公司查支部位化粪池HC1:13-50B11(1-1剖)依据及内容1、按《钢筋混凝土化粪池》图集举止动工.2、钢筋采与HPB235级、HRB335级.3、钢筋混凝土底板采与Φ16@150、Φ14@150主筋,Φ18@150、Φ16@150分散筋举止铺设.○3:Φ14@150○3a:Φ14@75○4:Φ12@150○4a:Φ12@75○5:Φ12:200○10:Φ14@150○11:Φ12@150○12:Φ12@150○13:Φ12@300○13a:Φ12@300○14:Φ16@150○15:Φ18@150○16:Φ18@150○17:Φ18@150○18:Φ12@150○19:Φ12@150详睹化粪池的配筋图.附图:主要资料规格及考查编号结论监理工程师动工技能施工(修造单位代表):背责人:量检员:挖写人:混凝土湮没工程检考查支记录C6-01工程称呼欣苑小区廉租房两标段查支时间2012.编号动工单位七台河天里修造工程有限责任公司查支部位化粪池HC1:13-50B11(2-2剖)依据及内容1、按《钢筋混凝土化粪池》图集举止动工.2、垫层混凝土强度等第为C10级混凝土,垫层下铺卵石或者碎石夯真薄10mm.3、池壁、底板及盖板混凝土强度等第为C30级,混凝土强度最矮的强度等第为C30级.4、池顶盖及井筒内中侧采与防火砂浆(1:2火泥砂浆内掺火泥沉量的5%的防火剂)抹里,薄20mm.附图:主要资料规格及考查编号结论监理工程师动工技能施工(修造单位代表):背责人:量检员:挖写人:钢筋湮没工程检考查支记录C6-01工程称呼欣苑小区廉租房两标段查支时间2012.编号动工单位七台河天里修造工程有限责任公司查支部位化粪池HC1:13-50B11(2-2剖、3-3剖)依据及内容1、按《钢筋混凝土化粪池》图集举止动工.2、钢筋采与HPB235级、HRB335级.3、钢筋混凝土底板采与Φ16@150、Φ14@150主筋,Φ18@150、Φ16@150分散筋举止铺设.○1:Φ16@150○1a:Φ16@75○2:Φ12@150○2a:Φ12@75○6:Φ16@150○7:Φ14@150○8:Φ12@150○9:Φ12@150○13:Φ12@300○13b:Φ14@300○14:Φ16@150○15:Φ18@150○16:Φ18@150○17:Φ18@150○18:Φ12@150○19:Φ12@150详睹化粪池的配筋图.附图:主要资料规格及考查编号结论监理工程师动工技能施工(修造单位代表):背责人:量检员:挖写人:混凝土湮没工程检考查支记录C6-01工程称呼欣苑小区廉租房两标段查支时间2012.编号动工单位七台河天里修造工程有限责任公司查支部位化粪池HC1:13-50B11(仄里图)依据及内容1、按《钢筋混凝土化粪池》图集举止动工.2、垫层混凝土强度等第为C10级混凝土,垫层下铺卵石或者碎石夯真薄10mm.3、池壁、底板及盖板混凝土强度等第为C30级,混凝土强度最矮的强度等第为C30级.4、池顶盖及井筒内中侧采与防火砂浆(1:2火泥砂浆内掺火泥沉量的5%的防火剂)抹里,薄20mm.附图:主要资料规格及考查编号结论监理工程师动工技能施工(修造单位代表):背责人:量检员:挖写人:钢筋湮没工程检考查支记录C6-01工程称呼欣苑小区廉租房两标段查支时间2012.编号动工单位七台河天里修造工程有限责任公司查支部位化粪池HC1:13-50B11(仄里图)依据及内容1、按《钢筋混凝土化粪池》图集举止动工.2、钢筋采与HPB235级、HRB335级.3、钢筋混凝土池壁分别采与Φ12@150、Φ14@150、,Φ16@150举止铺设.○1:Φ16@150○2:Φ12@150○3:Φ14@150○4:Φ12@150○5:Φ12@200○6:Φ16@150○7:Φ14@150○8:Φ12@150○9:Φ12@150○10:Φ14@150○11:Φ12@150○12:Φ12@150详睹化粪池的配筋图.附图:主要资料规格及考查编号结论监理工程师动工技能施工(修造单位代表):背责人:量检员:挖写人:。
坑池检验批质量验收记录一、项目背景为确保工程施工质量和项目的安全性,我公司在进行钢筋混凝土结构施工过程中,对坑、池等重要关键结构进行了质量验收。
本质量验收记录旨在总结该批次的验收情况,并对验收结果进行评估和总结。
二、验收时间和地点验收时间:20XX年XX月XX日验收地点:施工现场XX工地三、验收人员主持人:XXX记录人:XXX见证人:XXX四、坑、池质量验收内容及结论1.对坑、池的尺寸进行验收:a.深度方面,验收结果显示坑、池深度符合设计要求,无偏差。
b.长度和宽度方面,经测量和对比设计图纸,验收结果显示坑、池的实际尺寸与设计图纸一致,符合要求。
2.对坑、池的土质验收:a.采集土壤样本,并送至实验室进行测试。
b.实验结果显示土壤的质量良好,符合设计要求。
c.根据土壤测试结果,结合设计要求,确定后续施工工艺和防水措施。
3.对坑、池的钢筋验收:a.验收过程中,对坑、池的钢筋进行了清点和核实。
b.验收结果显示钢筋数量符合设计要求,钢筋的布置符合相关标准和规范。
4.对坑、池的模板验收:a.验收过程中,对坑、池的模板进行了检查和评估。
b.验收结果显示模板的安装符合设计要求,无明显变形和松动现象。
5.对坑、池的混凝土浇筑验收:a.验收过程中,对坑、池的混凝土浇筑进行了现场检查。
b.验收结果显示混凝土浇筑质量良好,无明显的缺陷和空鼓现象。
六、验收结论经对坑、池进行全面细致的质量验收,验收结果显示该批次的坑、池工程符合设计要求和相关规范要求,质量良好,达到验收标准。
七、存在问题和解决措施在本次验收过程中,没有发现明显的质量问题或缺陷,操作人员严格按照设计要求和相关规范进行施工,工艺流程清晰,施工质量可控。
八、下一步工作建议在后续的施工工作中,将继续加强对坑、池工程的质量控制和监督,确保施工质量的持续稳定。
以上是本次坑、池检验批质量验收记录,供相关人员参考和使用。
水玻璃类防腐蚀检验批质量验收记录一、项目背景本次水玻璃类防腐蚀检验批质量验收记录旨在对水玻璃类防腐蚀产品进行质量验收,以确保产品符合相关标准和要求。
二、检验范围本次质量验收涵盖水玻璃类防腐蚀产品的外观、尺寸、性能、包装等方面。
三、检验项目及标准1.外观检验外观应无明显缺陷,如气泡、裂纹、疤痕等。
2.尺寸检验尺寸应符合产品图纸和技术要求。
3.性能检验(1)耐腐蚀性能检验:根据相关标准进行耐腐蚀性能测试。
(2)耐水性能检验:根据相关标准进行耐水性能测试。
4.包装检验包装应符合相关标准和合同要求。
四、检验设备1.耐腐蚀性能测试设备2.耐水性能测试设备3.尺寸测量工具4.外观检验工具五、检验方法1.外观检验对每批产品进行外观检查,记录产品的外观缺陷情况。
2.尺寸检验随机抽取样品进行尺寸测量,记录测量结果,并与产品图纸和技术要求进行比较。
3.性能检验(1)耐腐蚀性能测试:按照相关标准的方法和要求,将样品暴露于指定的腐蚀介质中,记录样品的腐蚀情况,以评估其耐腐蚀性能。
(2)耐水性能测试:按照相关标准的方法和要求,将样品置于水中浸泡一定时间后,记录样品的性能变化情况,以评估其耐水性能。
4.包装检验对每批产品的包装进行检查,记录包装是否完好、是否符合标准和合同要求。
六、检验结果1.外观检验结果经过外观检验,产品无明显缺陷。
2.尺寸检验结果经尺寸检验,产品的尺寸符合产品图纸和技术要求。
3.性能检验结果(1)耐腐蚀性能样品经腐蚀测试后,腐蚀情况符合相关标准要求。
(2)耐水性能样品经水浸泡测试后,性能变化符合相关标准要求。
4.包装检验结果产品包装完好,符合相关标准和合同要求。
七、结论经过水玻璃类防腐蚀检验批质量验收,产品的外观、尺寸、性能、包装等均符合标准和要求,可进行下一步的使用和销售。
八、质量意见和建议本次检验未发现产品质量问题,建议厂家继续保持产品质量稳定,注意生产过程中的关键环节控制,确保产品的质量稳定和可靠性。
表B.0.7 钢化玻璃化粪池沟槽启掘报审、报验表之阳早格格创做工程称呼:贡山县2016年易天扶贫搬家名目前提办法配套工程致:贡山县宏益修造工程监理有限责任公司(名目监理机构)尔圆已完毕赤科八组1-10户室中钢化玻璃化粪池沟槽启掘处事,经自检合格,现将有闭资料报上,请给予查看或者查支.附:□湮没工程品量考验资料□考验批品量考验资料□分项工程品量考验资料□动工考查室说明资料□伤害性较大的分项工程品量仄安考验资料□其余动工名目经理部(盖章)名目经理或者名目技能控制人(签名)年月日查看或者查支意睹:名目监理机构(盖章)博业监理工程师(签名)年月日注:原表一式二份,名目监理机构、动工单位各一份.土圆启掘工程考验批品量查支记录表GB50202-2002表钢化玻璃化粪池沟槽砂垫层铺设工程报审、报验表工程称呼:贡山县2016年易天扶贫搬家名目前提办法配套工程致:贡山县宏益修造工程监理有限责任公司(名目监理机构)尔圆已完毕赤科八组1-10户室中钢化玻璃化粪池沟槽砂垫层铺设工程处事,经自检合格,现将有闭资料报上,请给予查看或者查支.附:□湮没工程品量考验资料□考验批品量考验资料□分项工程品量考验资料□动工考查室说明资料□伤害性较大的分项工程品量仄安考验资料□其余动工名目经理部(盖章)名目经理或者名目技能控制人(签名)年月日查看或者查支意睹:名目监理机构(盖章)博业监理工程师(签名)年月日注:原表一式二份,名目监理机构、动工单位各一份.砂垫层战砂石垫层考验批品量查支记录表GB50209-2002(Ⅲ)表B.0.7 钢化玻璃化粪池拆置工程报审、报验表工程称呼:贡山县2016年易天扶贫搬家名目前提办法配套工程致:贡山县宏益修造工程监理有限责任公司(名目监理机构)尔圆已完毕赤科八组1-10户室中钢化玻璃化粪池拆置工程处事,经自检合格,现将有闭资料报上,请给予查看或者查支.附:□湮没工程品量考验资料□考验批品量考验资料□分项工程品量考验资料□动工考查室说明资料□伤害性较大的分项工程品量仄安考验资料□其余动工名目经理部(盖章)名目经理或者名目技能控制人(签名)年月日查看或者查支意睹:名目监理机构(盖章)博业监理工程师(签名)年月日注:原表一式二份,名目监理机构、动工单位各一份.室中排火管沟及井池工程考验批品量查支记录表GB50242-2002表B.0.7 钢化玻璃化粪池回挖报审、报验表工程称呼:贡山县2016年易天扶贫搬家名目前提办法配套工程致:贡山县宏益修造工程监理有限责任公司(名目监理机构)尔圆已完毕赤科八组1-10户室中化钢化玻璃粪池回挖处事,经自检合格,现将有闭资料报上,请给予查看或者查支.附:□湮没工程品量考验资料□考验批品量考验资料□分项工程品量考验资料□动工考查室说明资料□伤害性较大的分项工程品量仄安考验资料□其余动工名目经理部(盖章)名目经理或者名目技能控制人(签名)年月日查看或者查支意睹:名目监理机构(盖章)博业监理工程师(签名)年月日注:原表一式二份,名目监理机构、动工单位各一份.土圆回挖工程考验批品量查支记录表GB50202-2002表B.0.7 钢化玻璃化粪池沟槽启掘报审、报验表工程称呼:贡山县2016年易天扶贫搬家名目前提办法配套工程致:贡山县宏益修造工程监理有限责任公司(名目监理机构)尔圆已完毕赤科八组11-20户室中钢化玻璃化粪池沟槽启掘处事,经自检合格,现将有闭资料报上,请给予查看或者查支.附:□湮没工程品量考验资料□考验批品量考验资料□分项工程品量考验资料□动工考查室说明资料□伤害性较大的分项工程品量仄安考验资料□其余动工名目经理部(盖章)名目经理或者名目技能控制人(签名)年月日查看或者查支意睹:名目监理机构(盖章)博业监理工程师(签名)年月日注:原表一式二份,名目监理机构、动工单位各一份.土圆启掘工程考验批品量查支记录表GB50202-2002表钢化玻璃化粪池沟槽砂垫层铺设工程报审、报验表工程称呼:贡山县2016年易天扶贫搬家名目前提办法配套工程致:贡山县宏益修造工程监理有限责任公司(名目监理机构)尔圆已完毕赤科八组11-20户室中钢化玻璃化粪池沟槽砂垫层铺设工程处事,经自检合格,现将有闭资料报上,请给予查看或者查支.附:□湮没工程品量考验资料□考验批品量考验资料□分项工程品量考验资料□动工考查室说明资料□伤害性较大的分项工程品量仄安考验资料□其余动工名目经理部(盖章)名目经理或者名目技能控制人(签名)年月日查看或者查支意睹:名目监理机构(盖章)博业监理工程师(签名)年月日注:原表一式二份,名目监理机构、动工单位各一份.砂垫层战砂石垫层考验批品量查支记录表GB50209-2002(Ⅲ)表B.0.7 钢化玻璃化粪池拆置工程报审、报验表工程称呼:贡山县2016年易天扶贫搬家名目前提办法配套工程致:贡山县宏益修造工程监理有限责任公司(名目监理机构)尔圆已完毕赤科八组11-20户室中钢化玻璃化粪池拆置工程处事,经自检合格,现将有闭资料报上,请给予查看或者查支.附:□湮没工程品量考验资料□考验批品量考验资料□分项工程品量考验资料□动工考查室说明资料□伤害性较大的分项工程品量仄安考验资料□其余动工名目经理部(盖章)名目经理或者名目技能控制人(签名)年月日查看或者查支意睹:名目监理机构(盖章)博业监理工程师(签名)年月日注:原表一式二份,名目监理机构、动工单位各一份.室中排火管沟及井池工程考验批品量查支记录表GB50242-2002表B.0.7 钢化玻璃化粪池回挖报审、报验表工程称呼:贡山县2016年易天扶贫搬家名目前提办法配套工程致:贡山县宏益修造工程监理有限责任公司(名目监理机构)尔圆已完毕赤科八组11-20户室中钢化玻璃化粪池回挖处事,经自检合格,现将有闭资料报上,请给予查看或者查支.附:□湮没工程品量考验资料□考验批品量考验资料□分项工程品量考验资料□动工考查室说明资料□伤害性较大的分项工程品量仄安考验资料□其余动工名目经理部(盖章)名目经理或者名目技能控制人(签名)年月日查看或者查支意睹:名目监理机构(盖章)博业监理工程师(签名)年月日注:原表一式二份,名目监理机构、动工单位各一份.土圆回挖工程考验批品量查支记录表GB50202-2002表B.0.7 钢化玻璃化粪池沟槽启掘报审、报验表工程称呼:贡山县2016年易天扶贫搬家名目前提办法配套工程致:贡山县宏益修造工程监理有限责任公司(名目监理机构)尔圆已完毕赤科八组21-30户室中钢化玻璃化粪池沟槽启掘处事,经自检合格,现将有闭资料报上,请给予查看或者查支.附:□湮没工程品量考验资料□考验批品量考验资料□分项工程品量考验资料□动工考查室说明资料□伤害性较大的分项工程品量仄安考验资料□其余动工名目经理部(盖章)名目经理或者名目技能控制人(签名)年月日查看或者查支意睹:名目监理机构(盖章)博业监理工程师(签名)年月日注:原表一式二份,名目监理机构、动工单位各一份.土圆启掘工程考验批品量查支记录表GB50202-2002表B.0.7 钢化玻璃化粪池沟槽砂垫层铺设工程报审、报验表工程称呼:贡山县2016年易天扶贫搬家名目前提办法配套工程致:贡山县宏益修造工程监理有限责任公司(名目监理机构)尔圆已完毕赤科八组21-30户室中钢化玻璃化粪池沟槽砂垫层铺设工程处事,经自检合格,现将有闭资料报上,请给予查看或者查支.附:□湮没工程品量考验资料□考验批品量考验资料□分项工程品量考验资料□动工考查室说明资料□伤害性较大的分项工程品量仄安考验资料□其余动工名目经理部(盖章)名目经理或者名目技能控制人(签名)年月日查看或者查支意睹:名目监理机构(盖章)博业监理工程师(签名)年月日注:原表一式二份,名目监理机构、动工单位各一份.砂垫层战砂石垫层考验批品量查支记录表GB50209-2002(Ⅲ)表B.0.7 钢化玻璃化粪池拆置工程报审、报验表工程称呼:贡山县2016年易天扶贫搬家名目前提办法配套工程致:贡山县宏益修造工程监理有限责任公司(名目监理机构)尔圆已完毕赤科八组21-30户室中钢化玻璃化粪池拆置工程处事,经自检合格,现将有闭资料报上,请给予查看或者查支.附:□湮没工程品量考验资料□考验批品量考验资料□分项工程品量考验资料□动工考查室说明资料□伤害性较大的分项工程品量仄安考验资料□其余动工名目经理部(盖章)名目经理或者名目技能控制人(签名)年月日查看或者查支意睹:名目监理机构(盖章)博业监理工程师(签名)年月日注:原表一式二份,名目监理机构、动工单位各一份.室中排火管沟及井池工程考验批品量查支记录表GB50242-2002表B.0.7 钢化玻璃化粪池回挖报审、报验表工程称呼:贡山县2016年易天扶贫搬家名目前提办法配套工程致:贡山县宏益修造工程监理有限责任公司(名目监理机构)尔圆已完毕赤科八组21-30户室中钢化玻璃化粪池回挖处事,经自检合格,现将有闭资料报上,请给予查看或者查支.附:□湮没工程品量考验资料□考验批品量考验资料□分项工程品量考验资料□动工考查室说明资料□伤害性较大的分项工程品量仄安考验资料□其余动工名目经理部(盖章)名目经理或者名目技能控制人(签名)年月日查看或者查支意睹:名目监理机构(盖章)博业监理工程师(签名)年月日注:原表一式二份,名目监理机构、动工单位各一份.土圆回挖工程考验批品量查支记录表GB50202-2002表B.0.7 钢化玻璃化粪池沟槽启掘报审、报验表工程称呼:贡山县2016年易天扶贫搬家名目前提办法配套工程致:贡山县宏益修造工程监理有限责任公司(名目监理机构)尔圆已完毕赤科八组31-40户室中钢化玻璃化粪池沟槽启掘处事,经自检合格,现将有闭资料报上,请给予查看或者查支.附:□湮没工程品量考验资料□考验批品量考验资料□分项工程品量考验资料□动工考查室说明资料□伤害性较大的分项工程品量仄安考验资料□其余动工名目经理部(盖章)名目经理或者名目技能控制人(签名)年月日查看或者查支意睹:名目监理机构(盖章)博业监理工程师(签名)年月日注:原表一式二份,名目监理机构、动工单位各一份.土圆启掘工程考验批品量查支记录表GB50202-2002A—1。
表B.0.7 钢化玻璃化粪池沟槽开挖报审、报验表欧阳学文工程名称:贡山县2016年易地扶贫搬迁项目基础设施配套工程致:贡山县宏益建设工程监理有限责任公司(项目监理机构)我方已完成赤科八组1-10户室外钢化玻璃化粪池沟槽开挖工作,经自检合格,现将有关资料报上,请予以审查或验收。
附:□隐蔽工程质量检验资料□检验批质量检验资料□分项工程质量检验资料□施工试验室证明资料□危险性较大的分项工程质量安全检验资料□其他施工项目经理部(盖章)项目经理或项目技术负责人(签字)年月日审查或验收意见:项目监理机构(盖章)专业监理工程师(签字)年月日注:本表一式二份,项目监理机构、施工单位各一份。
土方开挖工程检验批质量验收记录表GB50202-2002A—1表B.0.7钢化玻璃化粪池沟槽砂垫层铺设工程报审、报验表工程名称:贡山县2016年易地扶贫搬迁项目基础设施配套工程致:贡山县宏益建设工程监理有限责任公司(项目监理机构)我方已完成赤科八组1-10户室外钢化玻璃化粪池沟槽砂垫层铺设工程工作,经自检合格,现将有关资料报上,请予以审查或验收。
附:□隐蔽工程质量检验资料□检验批质量检验资料□分项工程质量检验资料□施工试验室证明资料□危险性较大的分项工程质量安全检验资料□其他施工项目经理部(盖章)项目经理或项目技术负责人(签字)年月日审查或验收意见:项目监理机构(盖章)专业监理工程师(签字)年月日注:本表一式二份,项目监理机构、施工单位各一份。
砂垫层和砂石垫层检验批质量验收记录表GB50209-2002(Ⅲ)A—63表B.0.7 钢化玻璃化粪池安装工程报审、报验表工程名称:贡山县2016年易地扶贫搬迁项目基础设施配套工程致:贡山县宏益建设工程监理有限责任公司(项目监理机构)我方已完成赤科八组1-10户室外钢化玻璃化粪池安装工程工作,经自检合格,现将有关资料报上,请予以审查或验收。
附:□隐蔽工程质量检验资料□检验批质量检验资料□分项工程质量检验资料□施工试验室证明资料□危险性较大的分项工程质量安全检验资料□其他施工项目经理部(盖章)项目经理或项目技术负责人(签字)年月日审查或验收意见:项目监理机构(盖章)专业监理工程师(签字)年月日注:本表一式二份,项目监理机构、施工单位各一份。
玻璃钢化粪池检验批质量验收记录号: HFC-01工程名静乐县东碾河城区段分项工污水管、检查验收HFC-01玻璃称污水管网工程程名称井、化粪池安装部位钢化粪池施工单新蒲建设集团有限公专业工项目刘晓武位司长经理施工执行标准名参照《城镇排水管道塑料检查井施工及验收规范》称及编号分包单位分包项目经理施工班组长李进才质量验收规范规定施工单位检查评定记录监理(建设)单位验收记录主检查检验项目允许偏差控数量方法项水平每座目池底高层+10mm,-30mm 仪测井 1 点量池位中心偏每座经纬15mm差井 1 点仪测量≤2%De 每座钢尺直径变形井 1 点丈量每座垂线池壁垂直度≤1%H 井 1 点钢尺丈量每座水平主管连接管±15mm 井 1 点仪测口标高量+5mm,-3mm 每座钢尺内径井 1 点丈量一支+10mm,-20mm 每座水平般井 1 点管标高仪测项承量目口每根偏转± 2o 连管 1角点接口密封性不渗不漏观察能胸腔及管顶每层取样上 500mm内≥16KN/m3 一组 3检测回填材料干点容重施工单位项目专业质量检查检查评定结果员:2014 年7月29 日监理单位监理工程验收结论师:2014 年月日玻璃钢化粪池检验批质量验收记录号: HFC-01工程名静乐县东碾河城区段分项工污水管、检查验收HFC-02玻璃称污水管网工程程名称井、化粪池安装部位钢化粪池施工单新蒲建设集团有限公专业工项目刘晓武位司长经理施工执行标准名参照《城镇排水管道塑料检查井施工及验收规范》称及编号分包单分包项施工班李进才位目经理组长质量验收规范规定施工单位检查评定记录监理(建设)单位验收记录主检查检验项目允许偏差控项池底高层+10mm,-30mm 数量每座方法水平目井 1 点仪测量每座经纬池位中心偏15mm 井 1 点仪测差量每座钢尺直径变形≤2%De井 1 点丈量每座垂线池壁垂直度≤1%H 井 1 点钢尺丈量每座水平主管连接管±15mm 井 1 点仪测口标高量一+5mm,-3mm 每座钢尺般内径井 1 点丈量项支+10mm,-20mm 每座水平目管标高井 1 点仪测承量口每根偏转± 2o 连管 1角点接口密封性不渗不漏观察能胸腔及管顶每层上 500mm内取样≥16KN/m3 一组 3回填材料干检测点容重施工单位项目专业质量检查检查评定结果员:2014 年7月29 日监理单位监理工程验收结论师:2014 年月日玻璃钢化粪池检验批质量验收记录号: HFC-01工程名静乐县东碾河城区段分项工污水管、检查验收HFC-03玻璃称污水管网工程程名称井、化粪池安装部位钢化粪池施工单新蒲建设集团有限公专业工项目刘晓武位司长经理施工执行标准名参照《城镇排水管道塑料检查井施工及验收规范》称及编号分包单分包项施工班李进才位目经理组长质量验收规范规定施工单位检查监理(建设)评定记录单位验收记录主检查检验项目允许偏差控数量方法项水平每座目池底高层+10mm,-30mm 仪测井 1 点量每座经纬池位中心偏15mm 井 1 点仪测差量每座钢尺直径变形≤2%De井 1 点丈量每座垂线池壁垂直度≤1%H 井 1 点钢尺丈量每座水平一主管连接管±15mm 井 1 点仪测般口标高量项+5mm,-3mm 每座钢尺目支内径井 1 点丈量管+10mm,-20mm 每座水平承标高井 1 点仪测口量偏转角接口密封性能胸腔及管顶上 500mm内回填材料干容重施工单位检查评定结果监理单位验收结论每根± 2o连管 1点不渗不漏观察每层取样≥16KN/m3一组 3检测点项目专业质量检查员:2014年7月29日监理工程师:2014年月日玻璃钢化粪池检验批质量验收记录号: HFC-01工程名静乐县东碾河城区段分项工污水管、检查验收HFC-04玻璃称污水管网工程程名称井、化粪池安装部位钢化粪池施工单新蒲建设集团有限公专业工项目刘晓武位司长经理施工执行标准名参照《城镇排水管道塑料检查井施工及验收规范》称及编号分包单分包项施工班李进才位目经理组长质量验收规范规定施工单位检查监理(建设)评定记录单位验收记录主检查检验项目允许偏差控项数量方法水平每座目池底高层+10mm,-30mm 仪测井 1 点每座量经纬池位中心偏15mm井1点仪测差量每座钢尺直径变形≤2%De井1点丈量每座垂线池壁垂直度≤1%H井1点钢尺一丈量般每座水平项主管连接管±15mm井1点仪测目口标高量支内径+5mm,-3mm每座钢尺管承口标高偏转角接口密封性能胸腔及管顶上 500mm内回填材料干容重施工单位检查评定结果监理单位验收结论井1点丈量+10mm,-20mm每座水平井1点仪测量每根± 2o连管 1点不渗不漏观察每层取样≥16KN/m3一组 3检测点项目专业质量检查员:2014年7月29日监理工程师:2014年月日玻璃钢化粪池检验批质量验收记录号: HFC-01工程名静乐县东碾河城区段分项工污水管、检查验收HFC-05玻璃称污水管网工程程名称井、化粪池安装部位钢化粪池刘晓武施工单新蒲建设集团有限公专业工项目位司长经理施工执行标准名参照《城镇排水管道塑料检查井施工及验收规范》称及编号分包单分包项施工班李进才位目经理组长质量验收规范规定施工单位检查监理(建设)评定记录单位验收记录主检查检验项目允许偏差控数量方法项水平每座目池底高层+10mm,-30mm 仪测井 1 点量每座经纬池位中心偏15mm 井 1 点仪测差量每座钢尺直径变形≤2%De井 1 点丈量一每座垂线般池壁垂直度≤1%H 井 1 点钢尺项丈量目主管连接管口标高内径支管标高承口偏转角接口密封性能胸腔及管顶上 500mm内回填材料干容重施工单位检查评定结果监理单位验收结论每座水平±15mm 井 1 点仪测量+5mm,-3mm 每座钢尺井 1 点丈量+10mm,-20mm 每座水平井 1 点仪测量每根± 2o 连管 1点不渗不漏观察每层取样≥16KN/m3一组 3检测点项目专业质量检查员:2014年7月29日监理工程师:2014年月日玻璃钢化粪池检验批质量验收记录号: HFC-01工程名静乐县东碾河城区段分项工污水管、检查验收HFC-06玻璃称污水管网工程程名称井、化粪池安装部位钢化粪池施工单新蒲建设集团有限公专业工项目刘晓武位司长经理施工执行标准名参照《城镇排水管道塑料检查井施工及验收规范》称及编号分包单分包项施工班李进才位目经理组长质量验收规范规定施工单位检查监理(建设)评定记录单位验收记录主检查检验项目允许偏差控数量方法项水平每座目池底高层+10mm,-30mm 仪测井 1 点量每座经纬池位中心偏15mm 井 1 点仪测差量直径变形≤2%De 每座钢尺井 1 点丈量每座垂线池壁垂直度≤1%H 井 1 点钢尺丈量每座水平主管连接管±15mm 井 1 点仪测口标高量+5mm,-3mm 每座钢尺内径井 1 点丈量一支+10mm,-20mm 每座水平般管标高井 1 点仪测项承量目口每根偏转± 2o 连管 1角点接口密封性不渗不漏观察能胸腔及管顶每层上 500mm内取样≥16KN/m3 一组 3 回填材料干检测点容重施工单位项目专业质量检查检查评定结果员:2014 年7月29 日监理单位监理工程验收结论师:2014 年月日玻璃钢化粪池检验批质量验收记录号: HFC-01工程名静乐县东碾河城区段分项工污水管、检查验收HFC-07玻璃称污水管网工程程名称井、化粪池安装部位钢化粪池施工单新蒲建设集团有限公专业工项目刘晓武位司长经理施工执行标准名参照《城镇排水管道塑料检查井施工及验收规范》称及编号分包单分包项施工班李进才位目经理组长质量验收规范规定施工单位检查评定记录监理(建设)单位验收记录主检查检验项目允许偏差控数量方法项每座水平池底高层+10mm,-30mm目井 1 点仪测量每座经纬池位中心偏15mm 井 1 点仪测差量每座钢尺直径变形≤2%De井 1 点丈量每座垂线池壁垂直度≤1%H 井 1 点钢尺丈量每座水平主管连接管±15mm 井 1 点仪测口标高量一+5mm,-3mm 每座钢尺内径般井 1 点丈量项支+10mm,-20mm 每座水平目管标高井 1 点仪测承量口每根偏转± 2o 连管 1角点接口密封性不渗不漏观察能胸腔及管顶每层上 500mm内取样≥16KN/m3 一组3回填材料干检测点容重施工单位项目专业质量检查检查评定结果员:2014 年 7 月29 日监理单位监理工程验收结论师:2014 年月日玻璃钢化粪池检验批质量验收记录号: HFC-01工程名静乐县东碾河城区段分项工污水管、检查验收HFC-08玻璃称污水管网工程程名称井、化粪池安装部位钢化粪池施工单新蒲建设集团有限公专业工项目刘晓武位司长经理施工执行标准名参照《城镇排水管道塑料检查井施工及验收规范》称及编号分包单分包项施工班李进才位目经理组长质量验收规范规定施工单位检查评定记录监理(建设)单位验收记录主检查检验项目允许偏差控数量方法项水平每座仪测目池底高层+10mm,-30mm井 1 点量每座经纬池位中心偏15mm 井 1 点仪测差量每座钢尺直径变形≤2%De井 1 点丈量每座垂线池壁垂直度≤1%H 井 1 点钢尺丈量每座水平主管连接管一±15mm 井 1 点仪测口标高般量项+5mm,-3mm 每座钢尺内径目支井 1 点丈量管+10mm,-20mm 每座水平承标高井 1 点仪测口量偏转± 2o 每根角接口密封性能胸腔及管顶上 500mm内回填材料干容重施工单位检查评定结果监理单位验收结论连管 1点不渗不漏观察每层取样≥16KN/m3一组 3检测点项目专业质量检查员:2014 年7月29 日监理工程师:2014 年月日玻璃钢化粪池检验批质量验收记录号: HFC-01工程名静乐县东碾河城区段分项工污水管、检查验收HFC-09玻璃称污水管网工程程名称井、化粪池安装部位钢化粪池施工单新蒲建设集团有限公专业工项目刘晓武位司长经理施工执行标准名参照《城镇排水管道塑料检查井施工及验收规范》称及编号分包单分包项施工班李进才位目经理组长质量验收规范规定施工单位检查监理(建设)评定记录单位验收记录主检查检验项目允许偏差控数量方法项水平每座目池底高层+10mm,-30mm 仪测井 1 点量每座经纬池位中心偏15mm 井 1 点仪测差量每座钢尺直径变形≤2%De井 1 点丈量每座垂线池壁垂直度≤1%H 井 1 点钢尺一丈量般每座水平主管连接管项±15mm 井 1 点仪测口标高目量支+5mm,-3mm 每座钢尺内径井 1 点管丈量承口标高偏转角接口密封性能胸腔及管顶上 500mm内回填材料干容重施工单位检查评定结果监理单位验收结论+10mm,-20mm每座水平井1点仪测量每根± 2o连管 1点不渗不漏观察每层取样≥16KN/m3一组 3检测点项目专业质量检查员:2014 年7月29 日监理工程师:2014 年月日玻璃钢化粪池检验批质量验收记录号: HFC-01工程名静乐县东碾河城区段分项工污水管、检查验收HFC-10玻璃称污水管网工程程名称井、化粪池安装部位钢化粪池施工单新蒲建设集团有限公专业工项目刘晓武位司长经理施工执行标准名参照《城镇排水管道塑料检查井施工及验收规范》称及编号分包单分包项施工班李进才位目经理组长质量验收规范规定施工单位检查监理(建设)评定记录单位验收记录主检查检验项目允许偏差控数量方法项水平每座目池底高层+10mm,-30mm 仪测井 1 点量每座经纬池位中心偏15mm 井 1 点仪测差量每座钢尺直径变形≤2%De井 1 点丈量一每座垂线般池壁垂直度≤1%H 井 1 点钢尺项丈量目主管连接管±15mm 每座水平口标高井1点仪测量内径支管标高承口偏转角接口密封性能胸腔及管顶上 500mm内回填材料干容重施工单位检查评定结果监理单位验收结论+5mm,-3mm 每座钢尺井 1 点丈量+10mm,-20mm 每座水平井 1 点仪测量每根± 2o 连管 1点不渗不漏观察每层取样≥16KN/m3一组 3检测点项目专业质量检查员:2014年7月29日监理工程师:2014年月日玻璃钢化粪池检验批质量验收记录号: HFC-01工程名静乐县东碾河城区段分项工污水管、检查验收HFC-11玻璃称污水管网工程程名称井、化粪池安装部位钢化粪池施工单新蒲建设集团有限公专业工项目刘晓武位司长经理施工执行标准名参照《城镇排水管道塑料检查井施工及验收规范》称及编号分包单位分包项目经理施工班组长李进才质量验收规范规定施工单位检查评定记录监理(建设)单位验收记录主检查检验项目允许偏差控数量方法项水平每座目池底高层+10mm,-30mm 仪测井 1 点量每座经纬池位中心偏15mm 井 1 点仪测差量每座钢尺直径变形≤2%De井 1 点丈量每座垂线池壁垂直度≤1%H井1点钢尺丈量主管连接管口标高内径一支般管标高项承目口偏转角接口密封性能胸腔及管顶上 500mm内回填材料干容重施工单位检查评定结果每座水平±15mm 井 1 点仪测量+5mm,-3mm 每座钢尺井 1 点丈量+10mm,-20mm 每座水平井 1 点仪测量每根± 2o 连管 1点不渗不漏观察每层取样≥16KN/m3一组 3检测点项目专业质量检查员:2014年7月29日监理单位监理工程验收结论师:2014 年月日玻璃钢化粪池检验批质量验收记录号: HFC-01工程名静乐县东碾河城区段分项工污水管、检查验收HFC-12玻璃称污水管网工程程名称井、化粪池安装部位钢化粪池施工单新蒲建设集团有限公专业工项目刘晓武位司长经理施工执行标准名参照《城镇排水管道塑料检查井施工及验收规范》称及编号分包单位分包项目经理施工班组长李进才质量验收规范规定施工单位检查评定记录监理(建设)单位验收记录主检查检验项目允许偏差控数量方法项水平每座目池底高层+10mm,-30mm 仪测井 1 点量池位中心偏15mm 每座经纬差井 1 点仪测量每座钢尺直径变形≤2%De井 1 点丈量每座垂线池壁垂直度≤1%H 井 1 点钢尺丈量每座水平主管连接管±15mm 井 1 点仪测口标高量+5mm,-3mm 每座钢尺内径一井 1 点丈量般支+10mm,-20mm 每座水平项管标高井 1 点仪测目承量口每根偏转± 2o 连管 1角点接口密封性不渗不漏观察能胸腔及管顶每层取样上 500mm内≥16KN/m3一组 3 检测回填材料干点容重施工单位项目专业质量检查检查评定结果员:2014 年7月29 日监理单位监理工程验收结论师:2014 年月日玻璃钢化粪池检验批质量验收记录号: HFC-01工程名静乐县东碾河城区段分项工污水管、检查验收HFC-13玻璃称污水管网工程程名称井、化粪池安装部位钢化粪池施工单新蒲建设集团有限公专业工项目刘晓武位司长经理施工执行标准名参照《城镇排水管道塑料检查井施工及验收规范》称及编号分包单分包项施工班李进才位目经理组长质量验收规范规定施工单位检查评定记录监理(建设)单位验收记录主检查检验项目允许偏差控数量方法项水平每座仪测目池底高层+10mm,-30mm井 1 点量每座经纬池位中心偏15mm 井 1 点仪测差量每座钢尺直径变形≤2%De井 1 点丈量每座垂线池壁垂直度≤1%H 井 1 点钢尺丈量每座水平主管连接管±15mm 井 1 点仪测口标高一量般+5mm,-3mm 每座钢尺内径项井 1 点丈量目支+10mm,-20mm 每座水平管标高井 1 点仪测承量口每根偏转± 2o 连管 1角点接口密封性不渗不漏观察能胸腔及管顶每层上 500mm内取样≥16KN/m3一组 3回填材料干检测点容重施工单位项目专业质量检查检查评定结果员:2014年7月29日监理单位监理工程验收结论师:2014年月日玻璃钢化粪池检验批质量验收记录号: HFC-01工程名静乐县东碾河城区段分项工污水管、检查验收HFC-14玻璃称污水管网工程程名称井、化粪池安装部位钢化粪池施工单新蒲建设集团有限公专业工项目刘晓武位司长经理施工执行标准名参照《城镇排水管道塑料检查井施工及验收规范》称及编号分包单分包项施工班李进才位目经理组长质量验收规范规定施工单位检查监理(建设)评定记录单位验收记录主检查检验项目允许偏差控数量方法项水平+10mm,-30mm 每座目池底高层井 1 点仪测量每座经纬池位中心偏15mm 井 1 点仪测差量每座钢尺直径变形≤2%De井 1 点丈量每座垂线池壁垂直度≤1%H 井 1 点钢尺丈量一每座水平主管连接管±15mm 井 1 点般仪测口标高项量目支+5mm,-3mm 每座钢尺内径井 1 点管丈量承+10mm,-20mm 每座水平标高井 1 点口仪测偏转角接口密封性能胸腔及管顶上 500mm内回填材料干容重施工单位检查评定结果监理单位验收结论量每根± 2o连管 1点不渗不漏观察每层取样≥16KN/m3一组 3检测点项目专业质量检查员:2014年7月29日监理工程师:2014年月日玻璃钢化粪池检验批质量验收记录号: HFC-01工程名静乐县东碾河城区段分项工污水管、检查验收HFC-15玻璃称污水管网工程程名称井、化粪池安装部位钢化粪池施工单新蒲建设集团有限公专业工项目刘晓武位司长经理施工执行标准名参照《城镇排水管道塑料检查井施工及验收规范》称及编号分包单分包项施工班李进才位目经理组长质量验收规范规定施工单位检查监理(建设)评定记录单位验收记录主检查检验项目允许偏差控数量方法项水平每座目池底高层+10mm,-30mm 仪测井 1 点量每座经纬池位中心偏15mm 井 1 点仪测差量每座钢尺直径变形≤2%De井 1 点丈量每座垂线一池壁垂直度≤1%H 井 1 点钢尺般丈量项每座水平主管连接管目±15mm 井 1 点仪测口标高量内径支管标高承口偏转角接口密封性能胸腔及管顶上 500mm内回填材料干容重施工单位检查评定结果监理单位验收结论+5mm,-3mm 每座钢尺井 1 点丈量+10mm,-20mm 每座水平井 1 点仪测量每根± 2o 连管 1点不渗不漏观察每层取样≥16KN/m3一组 3检测点项目专业质量检查员:2014 年7月29 日监理工程师:2014 年月日玻璃钢化粪池检验批质量验收记录号: HFC-01工程名静乐县东碾河城区段分项工污水管、检查验收HFC-16玻璃称污水管网工程程名称井、化粪池安装部位钢化粪池施工单新蒲建设集团有限公专业工项目刘晓武位司长经理施工执行标准名参照《城镇排水管道塑料检查井施工及验收规范》称及编号分包单分包项施工班李进才位目经理组长质量验收规范规定施工单位检查评定记录监理(建设)单位验收记录主检查检验项目允许偏差控数量方法项水平每座目池底高层+10mm,-30mm 仪测井 1 点量每座经纬池位中心偏15mm 井 1 点仪测差量每座钢尺直径变形≤2%De一井1点丈量每座垂线池壁垂直度≤1%H般井1点钢尺项目主管连接管口标高内径支管标高承口偏转角接口密封性能胸腔及管顶上 500mm内回填材料干容重施工单位检查评定结果监理单位验收结论丈量每座水平±15mm 井 1 点仪测量+5mm,-3mm 每座钢尺井 1 点丈量+10mm,-20mm 每座水平井 1 点仪测量每根± 2o 连管 1点不渗不漏观察每层取样≥16KN/m3一组 3检测点项目专业质量检查员:2014 年7月29 日监理工程师:2014 年月日玻璃钢化粪池检验批质量验收记录号: HFC-01工程名静乐县东碾河城区段分项工污水管、检查验收HFC-17玻璃称污水管网工程程名称井、化粪池安装部位钢化粪池施工单新蒲建设集团有限公专业工项目刘晓武位司长经理施工执行标准名参照《城镇排水管道塑料检查井施工及验收规范》称及编号分包单位分包项目经理施工班组长李进才质量验收规范规定施工单位检查评定记录监理(建设)单位验收记录主检查检验项目允许偏差控数量方法项水平每座目池底高层+10mm,-30mm 仪测井 1 点量每座经纬池位中心偏15mm 井 1 点仪测差量每座钢尺直径变形≤2%De井 1 点丈量每座垂线池壁垂直度≤1%H 井 1 点钢尺丈量每座水平主管连接管±15mm 井 1 点仪测口标高量+5mm,-3mm 每座钢尺内径井 1 点丈量一支+10mm,-20mm 每座水平般管标高井 1 点仪测项承量目口每根偏转± 2o 连管 1角点接口密封性不渗不漏观察能胸腔及管顶上 500mm内每层取样≥16KN/m3 一组 3回填材料干检测点容重施工单位项目专业质量检查检查评定结果员:2014 年7月29 日监理单位监理工程验收结论师:2014 年月日玻璃钢化粪池检验批质量验收记录号: HFC-01工程名静乐县东碾河城区段分项工污水管、检查验收HFC-18玻璃称污水管网工程程名称井、化粪池安装部位钢化粪池施工单新蒲建设集团有限公专业工项目刘晓武位司长经理施工执行标准名参照《城镇排水管道塑料检查井施工及验收规范》称及编号分包单分包项施工班李进才位目经理组长质量验收规范规定施工单位检查评定记录监理(建设)单位验收记录主检查检验项目允许偏差控数量方法项每座水平池底高层+10mm,-30mm目井 1 点仪测量每座经纬池位中心偏15mm 井 1 点仪测差量每座钢尺直径变形≤2%De井 1 点丈量每座垂线池壁垂直度≤1%H 井 1 点钢尺丈量每座水平主管连接管±15mm 井 1 点仪测口标高量一+5mm,-3mm 每座钢尺内径般井 1 点丈量项支+10mm,-20mm 每座水平目管标高井 1 点仪测承量口每根偏转± 2o 连管 1角点接口密封性不渗不漏观察能胸腔及管顶每层上 500mm内取样≥16KN/m3 一组3回填材料干检测点容重施工单位项目专业质量检查检查评定结果员:2014 年 7 月29 日监理单位监理工程验收结论师:2014 年月日玻璃钢化粪池检验批质量验收记录号: HFC-01工程名静乐县东碾河城区段分项工污水管、检查验收HFC-19玻璃称污水管网工程程名称井、化粪池安装部位钢化粪池施工单新蒲建设集团有限公专业工项目刘晓武位司长经理施工执行标准名参照《城镇排水管道塑料检查井施工及验收规范》称及编号分包单分包项施工班李进才位目经理组长质量验收规范规定施工单位检查评定记录监理(建设)单位验收记录主检查检验项目允许偏差控数量方法项水平每座仪测目池底高层+10mm,-30mm井 1 点量每座经纬池位中心偏15mm 井 1 点仪测差量每座钢尺直径变形≤2%De井 1 点丈量每座垂线池壁垂直度≤1%H 井 1 点钢尺丈量每座水平主管连接管一±15mm 井 1 点仪测口标高般量项+5mm,-3mm 每座钢尺内径目支井 1 点丈量管+10mm,-20mm 每座水平承标高井 1 点仪测口量偏转± 2o 每根角接口密封性能胸腔及管顶上 500mm内回填材料干容重施工单位检查评定结果监理单位验收结论连管 1点不渗不漏观察每层取样≥16KN/m3一组 3检测点项目专业质量检查员:2014 年7月29 日监理工程师:2014 年月日玻璃钢化粪池检验批质量验收记录号: HFC-01工程名静乐县东碾河城区段分项工污水管、检查验收HFC-20玻璃称污水管网工程程名称井、化粪池安装部位钢化粪池施工单新蒲建设集团有限公专业工项目刘晓武位司长经理施工执行标准名参照《城镇排水管道塑料检查井施工及验收规范》称及编号分包单分包项施工班李进才。
二年级下册语文词语表令狐文艳第一单元1、找春天脱下脱落解脱逃脱冻结冰冻果冻冷冻小溪溪水溪流棉花棉袄棉布棉被探险探望打探探亲摇动摇摆摇篮摇头田野野花野外野草躲开躲雨躲闪解开了解解放解密解决2、古诗两首未来未必未免追赶追寻追求追问书店饭店小店干枯枯黄枯井枯树徐步徐徐清风徐来烧饼烧伤发烧烧火荣华荣幸光荣菜场野菜菜园饭菜宿舍住宿宿愿投宿3、笋芽儿山冈井冈山世界世代来世出世永世界线边界出界国界外界眼界轰动轰鸣轰炸竹笋春笋笋尖发芽笋芽抽芽豆芽呼喊喊叫哭喊呼唤呼吸欢呼呼救招呼叫唤使唤召唤4、小鹿的玫瑰花弟弟兄弟表弟哥哥表哥大哥花骨朵儿骨碌抽空抽水抽烟拐弯拐杖拐卖浇水浇花浇地终于终点始终最终安静宁静清静平静躺下躺椅躺着谢谢感谢答谢渐渐渐变渐进微笑微风细微第二单元5、泉水瓦工瓦房瓦片泉水清泉温泉天然然后当然突然结果结束结尾团结总结股东股票一股气味干脆清脆香脆水塔宝塔灯塔铁塔杜鹃杜绝杜鹃花6、雷锋叔叔,你在哪里雷电雷声雷雨春雷冒充冒汗冒号冒领需求需要必需迈步迈进年迈迷路迷人戏迷笔迹古迹奇迹事迹叔叔表叔大叔锋利笔锋冲锋先锋滴答点滴水滴洒水洒落洒脱挥洒泥泞泥巴泥土7、我不是最弱小的扑打扑灭扑过去托运推托委托寄托摸底摸黑摸鱼胜利利息锋利利用铃铛铃声风铃弱点弱小脆弱软弱周末末日期末芬芳清芬芳香芳草芳名夏天夏季夏夜应该应当应有尽有本该活该该死第三单元9、日月潭海岛群岛半岛展现发展展示展开建立兴建建设建议纱布纱巾轻纱环绕耳环光环花环绕线绕道绕口令胜利取胜优胜隐约隐居隐身大约约会节约省市节省省城茂盛茂密盛开盛会丰盛盛夏名胜古迹图文并茂声情并茂10、葡萄沟支吾维吾尔族季节秋季雨季收留留下留学留念杏子银杏杏花秘密保密亲密蜜桃甜蜜采蜜蜜蜂山坡土坡草坡上坡搭理搭车白搭摘花采摘摘抄钉扣子钉木桩水沟山沟阴沟能够足够够不着11、难忘的泼水节龙船龙灯龙虾恩人感恩恩师寿礼寿星祝寿柏树柏油松柏泼水活泼泼辣特别特产特长敬爱孝敬尊敬新鲜鲜味鲜艳脚板脚步脚跟态度温度热度凤冠凤凰龙凤拨款拨弄点拨调拨挑拨12、北京亮起来了光束花束结束约束勾画勾结勾通官府学府政府单调单独被单简单夺目夺取抢夺争夺皇宫文化宫少年宫打扮装扮扮演闪烁雄伟雄心雄壮英雄伟大伟人宏伟辉煌辉映光辉煌煌金煌煌第四单元13、动手做做看另外另有其人另请高明另选志气同志志向专心致志壮志题目问题主题提问提水提包提示漫画浪漫动漫漫游朗读晴朗朗诵开朗哄骗哄人哄孩子喝水喝茶喝酒骗人拐骗骗子14、邮票齿孔的故事小刀菜刀刀片剪刀出尔反尔尔后偶尔要求求助央求请求追求仍然仍旧天使使劲使用使命方便便条便当随便英语英雄英国邮票车票股票整齐整理完整方式算式式样正式而且然而反而并且且慢暂且得过且过15、画风丹田牡丹仙丹灵丹妙药乌鸦乌黑乌龟乌云才艺艺术技艺手艺文艺明显显现显示显然忽然忽闪忽视丝瓜雨丝吐丝旗杆栏杆杆子电线杆眨眼睛眨巴波涛海涛松涛陈旧陈酒姓陈陈设转弯转让转告转身转眼斜阳斜坡歪斜斜视第五单元17、古诗两首吴语吴国东吴包含含义含泪含笑窗户门窗窗明几净火炉暖炉炉子山岭岭南翻山越岭鸣叫鸟鸣鸣谢轰鸣绝对绝望绝句银行金银珠宝银河云烟香烟烟雨冒烟停泊泊船淡泊漂泊河流流浪流利交流流行柳树柳条柳枝柳暗花明18、雷雨垂柳垂手垂直下垂垂头丧气胡言乱语心慌意乱杂乱错乱乱哄哄沉静沉闷沉没沉重沉着黑沉沉压倒压力电压高血压逃命逃脱逃学逃走越冬超越穿越越来越响阵地阵雨上阵一阵风彩虹喝彩精彩云彩气贯长虹虹桥蝉联捕蝉蝉鸣蜘蛛蛛网蛛丝马迹19、最大的“书”册子画册名册手册岩层岩洞岩石宝贝宝塔国宝珍宝珠宝无价之宝趴伏趴下趴着印象印章复印手印刨土刨除刨根问底埋伏埋没活埋掩埋陆地陆续大陆铁窗铁丝铁塔铁路钢铁铁面无私铁石心肠地质质量质问品质气质厚实厚道深厚谜底年底心底海底捞月井底之蛙20、要是你在野外迷了路忠实忠诚忠厚忠心导游引导指导领导向导灯盏酒盏杯盏一盏灯积极积雪积木稠密很稠稠糊稀有稀松稀饭稀少打针时针针线指南针碰面碰见碰撞碰巧慌忙慌张心慌慌乱第六单元21、画家和牧童兄弟兄妹表兄发呆呆子商人商品商标商量抹黑抹杀涂抹抹粉拥挤挤占挤牛奶拱手拱桥拱门决定决心坚决价钱价格物价金钱钱包铜钱钱币购买购物邮购批改批评批准评语评理讲评评委22、我为你骄傲报纸报告情报晚报玻璃玻璃纸玻璃钢收拾拾取拾起来破碎打破破坏破烂突破琉璃瓦碎片打碎粉碎碎末粉身碎骨滑倒光滑滑冰滑轮继续继往开来后继有人夜以继日续写连续手续信封封面封闭封口骄傲骄气骄阳天骄傲气高傲傲慢23、三个儿子拎水桶拎包拎篮子水桶木桶垃圾桶停车停泊停留停电停止聪明聪慧聪颖胳膊胳臂胳肢窝赤膊膊膊上阵沉甸甸缅甸草甸甸子晃荡摇晃晃动飘荡扫荡荡舟荡秋千倾家荡产荡气回肠第七单元25、玲玲的画喇叭叭的一声玲珑小巧玲珑玲珑剔透狼狗狗熊猎狗糟糕糟蹋糟粕楼梯楼房楼层高楼楼道云梯电梯梯田肯定宁肯肯干脑筋电脑脑袋皮筋钢筋抽筋筋疲力尽26、蜜蜂引路惊讶怪讶讶然谈天谈话交谈谈论委派气派帮派一派胡言吸引引人注目引导引路排列出列列队列车蜜蜂黄蜂蜂鸟蜂窝敲门敲打敲钟附近附加附带近处远近接近27、寓言两则守护守卫守信保守丢弃丢掉丢脸丢失焦急焦点心焦白费浪费消费学费费尽心机丢三落四希望盼望巴望一望无际探望计算口算算盘说话算话从此此时彼此因此此起彼伏树桩木桩小事一桩肥胖肥肉施肥减肥第八单元28、丑小鸭灰色灰心灰尘讨厌讨论乞讨厌倦厌烦结冰喜新厌旧冷冰冰寒冰滑冰鸭蛋捣蛋坏蛋果壳贝壳龟壳蛋壳鸭子养鸭野鸭欺负欺骗欺诈自欺欺人负担抱负忘恩负义天鹅白鹅养鹅翅膀鸡翅展翅高飞肩膀膀子29、数星星的孩子勺子铁勺饭勺烟斗斗室宝玉玉米金枝玉叶北斗星亭亭玉立玉器组织小组组长组合珍珠珍宝珍爱珍惜珍贵珠子水珠算珠露珠数学数字无数钻研钻山洞钻空子研究科研研制睡觉睡眠睡着距离相距距今间距离开离别离家出走形影不离31、恐龙的灭绝死亡灭亡身亡家破人亡亡羊补牢肥肉肌肉鸡肉耐心能耐忍耐耐人寻味吃苦耐劳谜语猜谜谜团千古之谜传染传说传闻传扬传奇污染染发感染一尘不染种类人类类别不伦不类严格严重严厉严寒寒心寒假寒冷ABCC:喜气洋洋得意洋洋怒气冲冲风度翩翩文质彬彬兴致勃勃白雪皑皑金光闪闪波光粼粼神采奕奕生机勃勃忧心忡忡气势汹汹大腹便便虎视眈眈小心翼翼死气沉沉风尘仆仆议论纷纷烟雨蒙蒙芳草凄凄长发飘飘忠心耿耿银光闪闪秋风瑟瑟春雨绵绵夏日炎炎AABB:进进出出日日夜夜左左右右前前后后来来往往上上下下里里外外吞吞吐吐高高兴兴平平安安清清楚楚清清白白快快乐乐热热闹闹疯疯癫癫干干净净欢欢喜喜整整齐齐明明白白大大小小老老少少老老实实实实在在兢兢业业勤勤恳恳安安稳稳病病歪歪抽抽搭搭沸沸扬扬婆婆妈妈期期文文千千万万卿卿我我三三两两象声词:滴滴答答滴滴嗒嗒叽叽喳喳叮叮咚咚叮叮当当咿咿呀呀噼噼啪啪劈劈啪啪嘻嘻哈哈叽叽咕咕淅淅沥沥ABAB:修理修理教训教训整顿整顿批评批评考虑考虑研究研究琢磨琢磨合计合计商量商量象声词:滴答滴答叮咚叮咚叮当叮当哗啦哗啦咕咚咕咚扑通扑通咕噜咕噜AABC:窃窃私语彬彬有礼比比皆是步步为营勃勃生机蠢蠢欲动多多益善炯炯有神欣欣向荣楚楚动人昏昏欲睡代代相传斤斤计较哈哈大笑年年有余栩栩如生勃勃生机点点灯光津津有味陈陈相因草草了事楚楚可怜层层落实重重困难绰绰有余鼎鼎大名蒙蒙细雨ABB式词语颜色词:白花花白茫茫红彤彤红艳艳黑黝黝黑乎乎黑洞洞黑漆漆金灿灿黄澄澄蓝幽幽绿油油象声词:哗啦啦淅沥沥骨碌碌叮铃铃轰隆隆其他:笑嘻嘻笑呵呵笑眯眯笑哈哈亮晶晶亮铮铮脏兮兮沉甸甸轻飘飘慢腾腾阴森森皱巴巴香喷喷湿漉漉骨碌碌雾朦朦喜盈盈孤零零毛绒绒乱哄哄静悄悄胖乎乎胖嘟嘟水灵灵水淋淋圆溜溜响当当阴森森ABAC式词语有声有色群策群力可歌可泣再接再厉先知先觉活灵活现全心全意作威作福一心一意一心一意十全十美一五一十不偏不倚不屈不挠不闻不问不三不四不痛不痒自言自语自说自话自吹自擂百发百中含有反义词的四字词语:东倒西歪东躲西藏东奔西走东张西望口是心非头重脚轻同甘共苦大材小用小题大做反败为胜胜负难分凶多吉少本末倒置争先恐后积少成多南腔北调南辕北辙南争北战贪小失大舍本逐末轻重倒置含有数字的四字词语:一举两得一心一意二龙戏珠二话不说三长两短三言两语四面八方四通八达五光十色五谷丰登六神无主七上八下七嘴八舌八面玲珑八仙过海九牛一毛九死一生十全十美十拿九稳百战百胜百发百中百花齐放百鸟争鸣千山万水千言万语千方百计千军万马千钧一发千里迢迢万紫千红千奇百怪。
玻璃钢化粪池检验批质量验收记录
精品文档
玻璃钢化粪池检验批质量验收记录
精品文档
精品文档玻璃钢化粪池检验批质量验收记录
精品文档玻璃钢化粪池检验批质量验收记录
精品文档玻璃钢化粪池检验批质量验收记录
精品文档玻璃钢化粪池检验批质量验收记录
精品文档玻璃钢化粪池检验批质量验收记录
精品文档玻璃钢化粪池检验批质量验收记录
玻璃钢化粪池检验批质量验收记录
精品文档
玻璃钢化粪池检验批质量验收记录
精品文档
玻璃钢化粪池检验批质量验收记录
精品文档
玻璃钢化粪池检验批质量验收记录
精品文档
玻璃钢化粪池检验批质量验收记录
精品文档
玻璃钢化粪池检验批质量验收记录
精品文档
玻璃钢化粪池检验批质量验收记录
精品文档
玻璃钢化粪池检验批质量验收记录
精品文档
玻璃钢化粪池检验批质量验收记录
精品文档
玻璃钢化粪池检验批质量验收记录
精品文档
玻璃钢化粪池检验批质量验收记录
编号:HFC-01 精品文档
玻璃钢化粪池检验批质量验收记录精品文档
玻璃钢化粪池检验批质量验收记录精品文档
玻璃钢化粪池检验批质量验收记录精品文档
玻璃钢化粪池检验批质量验收记录精品文档
玻璃钢化粪池检验批质量验收记录精品文档
精品文档。
混凝土隐蔽工程检检验收记录时间:2021.03.12 创作:欧阳文C601工程名称欣苑小区廉租房二标段验收时间.编号施工单位七台河年夜地建设工程有限责任公司验收部位化粪池HC1:1150B11(11剖)依据及内容说明:1、按《钢筋混凝土化粪池》图集进行施工。
2、垫层混凝土强度品级为C10级混凝土,垫层下铺卵石或碎石夯实厚10mm。
3、池壁、底板及盖板混凝土强度品级为C25级。
4、池顶盖及井筒内外侧采取防水砂浆(1:2水泥砂浆内掺水泥重量的5%的防水剂)抹面,厚20mm。
附图:主要资料规格及试验编号结论监理工程师施工技术施工(建设单位代表):负责人:质检员:填写人:钢筋隐蔽工程检检验收记录C601工程名称欣苑小区廉租房二标段验收时间.编号施工单位七台河年夜地建设工程有限责任公司验收部位化粪池HC1:1150B11(11正剖)依据及内容说明:1、按《钢筋混凝土化粪池》图集进行施工。
2、钢筋采取HPB235级、HRB335级。
3、钢筋混凝土底板采取Φ16@150、Φ14@150主筋,Φ18@150、Φ16@150散布筋进行铺设。
○3a号:Φ14@75○3:Φ14@150○4a:Φ12@75○4:Φ12@150○5:ф10@150○6:Φ18@150○7:Φ14@150○8:Φ12@150○9:Φ12@150○10:Φ14@150○11:Φ12@150○12:ф10@150○13:Φ12:300○14:Φ18@150○15:Φ16@150○16:Φ16@150○17:Φ14@150○18:Φ12@150见化粪池的配筋图。
附图:主要资料规格及试验编号结论监理工程师施工技术施工(建设单位代表):负责人:质检员:填写人:混凝土隐蔽工程检检验收记录C601工程名称欣苑小区廉租房二标段验收时间.编号施工单位七台河年夜地建设工程有限责任公司验收部位化粪池HC1:1150B11(平面图)依据及内容说明:1、按《钢筋混凝土化粪池》图集进行施工。
玻璃钢化粪池检验批质量验收记录
玻璃钢化粪池检验批质量验收记录
玻璃钢化粪池检验批质量验收记录
玻璃钢化粪池检验批质量验收记录
玻璃钢化粪池检验批质量验收记录
玻璃钢化粪池检验批质量验收记录
玻璃钢化粪池检验批质量验收记录
玻璃钢化粪池检验批质量验收记录
玻璃钢化粪池检验批质量验收记录
玻璃钢化粪池检验批质量验收记录
玻璃钢化粪池检验批质量验收记录
玻璃钢化粪池检验批质量验收记录
玻璃钢化粪池检验批质量验收记录
玻璃钢化粪池检验批质量验收记录
玻璃钢化粪池检验批质量验收记录
玻璃钢化粪池检验批质量验收记录
玻璃钢化粪池检验批质量验收记录
玻璃钢化粪池检验批质量验收记录
玻璃钢化粪池检验批质量验收记录
玻璃钢化粪池检验批质量验收记录
玻璃钢化粪池检验批质量验收记录
玻璃钢化粪池检验批质量验收记录
玻璃钢化粪池检验批质量验收记录
玻璃钢化粪池检验批质量验收记录。
玻璃钢化粪池检验批质量验收记录本文是一份玻璃钢化粪池检验批质量验收记录,记录了静乐县东碾河城区段污水管网工程中,XXX施工的污水管、检查井、化粪验收部位XXX安装池的质量验收情况。
该记录按照《城镇排水管道塑料检查井施工及验收规范》的要求进行,包括池底高层、池位中心偏差、直径变形、池壁垂直度、主管连接管口标高等方面的检验。
经过水平仪、经纬仪、钢尺、垂线钢尺等工具的测量,以及观察、取样检测等方法,检验了支管承口、内径、标高、偏转角、接口密封性能、胸腔及管顶上500mm内回填材料干容重等方面。
每层一组,共3点进行检查评定。
最终,施工单位检查评定结论和监理单位验收结论均认为该玻璃钢化粪池符合质量验收规范要求。
池底高层、池位中心偏差、直径变形、池壁垂直度和主管连接管口标高是污水管网工程中需要检验的重要指标。
在检验过程中,水平仪、经纬仪、钢尺和垂线钢尺等工具都需要使用。
对于支管承口内径、标高和偏转角等一般项目,每座井需要检查一点。
而对于接口密封性能、胸腔及管顶上500mm内回填材料干容重等项目,则需要进行观察和取样检测。
施工单位需要对检验结果进行评定,每层一组,每组三点。
监理工程师和项目专业质量检查员也需要参与监督检验过程。
在检验过程中,需要注意池位中心偏差的允许偏差为+10mm,-30mm,直径变形的允许偏差为15mm,池壁垂直度的允许偏差为≤2%De,主管连接管口标高的允许偏差为±15mm。
对于支管承口内径、标高和偏转角等一般项目,允许偏差分别为+5mm,-3mm,+10mm,-20mm和±2o。
同时,接口密封性能需要保证不渗不漏,胸腔及管顶上500mm内回填材料干容重需要≥16KN/m3.对于污水管网工程中的玻璃钢化粪池安装池,也需要进行检验。
每座井需要检查一点,检验方法包括水平仪测量、经纬仪测量、钢尺丈量和垂线钢尺丈量等。
接口密封性能、胸腔及管顶上500mm内回填材料干容重等项目的检验方法则需要进行观察和取样检测。
玻璃钢化粪池检验批质量验收记录
令狐文艳
号:HFC-01
令狐文艳
玻璃钢化粪池检验批质量验收记录号:HFC-01
令狐文艳
玻璃钢化粪池检验批质量验收记录号:HFC-01
令狐文艳
玻璃钢化粪池检验批质量验收记录号:HFC-01
令狐文艳
玻璃钢化粪池检验批质量验收记录令狐文艳
号:HFC-01
令狐文艳
玻璃钢化粪池检验批质量验收记录号:HFC-01
令狐文艳
玻璃钢化粪池检验批质量验收记录号:HFC-01
令狐文艳
玻璃钢化粪池检验批质量验收记录号:HFC-01
令狐文艳
玻璃钢化粪池检验批质量验收记录号:HFC-01
令狐文艳
玻璃钢化粪池检验批质量验收记录号:HFC-01
令狐文艳
玻璃钢化粪池检验批质量验收记录令狐文艳
号:HFC-01
令狐文艳
玻璃钢化粪池检验批质量验收记录号:HFC-01
令狐文艳
玻璃钢化粪池检验批质量验收记录号:HFC-01
令狐文艳
玻璃钢化粪池检验批质量验收记录号:HFC-01
令狐文艳
玻璃钢化粪池检验批质量验收记录号:HFC-01
令狐文艳
玻璃钢化粪池检验批质量验收记录号:HFC-01
令狐文艳
玻璃钢化粪池检验批质量验收记录令狐文艳
号:HFC-01
令狐文艳
玻璃钢化粪池检验批质量验收记录号:HFC-01
令狐文艳
玻璃钢化粪池检验批质量验收记录号:HFC-01
令狐文艳
玻璃钢化粪池检验批质量验收记录号:HFC-01
令狐文艳
玻璃钢化粪池检验批质量验收记录号:HFC-01
令狐文艳
玻璃钢化粪池检验批质量验收记录号:HFC-01
令狐文艳
玻璃钢化粪池检验批质量验收记录令狐文艳
号:HFC-01
令狐文艳
玻璃钢化粪池检验批质量验收记录号:HFC-01
令狐文艳
令狐文艳。