电梯一体化驱动控制器使用说明书
- 格式:doc
- 大小:7.17 MB
- 文档页数:49
前言NICE2000扶梯一体化专用控制器是苏州默纳克控制技术有限公司自主开发生产的代表未来控制器发展方向的新一代模块化高性能扶梯专用控制器,可以满足不同的扶梯厂家对各种扶梯控制系统不同的功能需求。
与传统的通用型控制器相比,它不仅具有结构紧凑、安装方便的特点,更重要的是,其先进的电机控制算法、电机参数自动调谐(静止调谐和完全调谐两种)、运行接触器控制、抱闸接触器控制、旁路变频节能控制、全变频节能控制、速度跟踪控制等多种扶梯控制专用功能是其他控制器所不具备的。
独有的运行接触器触点检测、抱闸接触器触点检测、触点粘连检测、上下光电信号、左右扶手信号、梯级遗失检测等功能更是为扶梯的安全运行提供了最可靠的保障。
另外,NICE2000扶梯一体化专用控制器操作面板独特的单键设计使复杂的键盘操作变的轻松自如;可以通过通用的RJ45端口连接到任何位置的操作面板,使扶梯调试变的方便、简单。
主要特点:一体化驱动与控制完美结合NICE2000扶梯一体化控制器,集电机驱动部分、控制逻辑部分各项功能于一身,高度整合了扶梯的控制系统,结构紧凑,避免了扶梯电气系统设计时分别选择逻辑控制部分与驱动部分的繁琐过程,以更低的成本、更佳的配合,完成原本两个部分才可实现的功能。
大大减少了外围接线,经济易用,提高了扶梯的安全性和稳定性。
无需PLC或扶梯控制板NICE2000扶梯一体化控制器集电机控制与扶梯控制为一身,取代了传统的PLC或扶梯控制板+变频器的控制模式。
在提升控制系统可靠性的前提下,节省了PLC或扶梯控制板最大限度的节省了系统的电气成本。
适合全球不同标准NICE2000扶梯一体化控制器根据多年扶梯行业经验,考虑到了各国国家标准,可以实现EN115欧洲标准、AS1735澳大利亚标准、A17.1美国标准、PUBEE俄罗斯标准、K韩国标准、香港和新加坡特殊要求。
旁路变频无需配置制动电阻NICE2000扶梯一体化控制器具有独创的旁路变频一体化控制技术,充分利用扶梯工频运行与变频运行的优点,使变频扶梯控制不再需要制动电阻,从根本上实现了扶梯节能与成本节约。
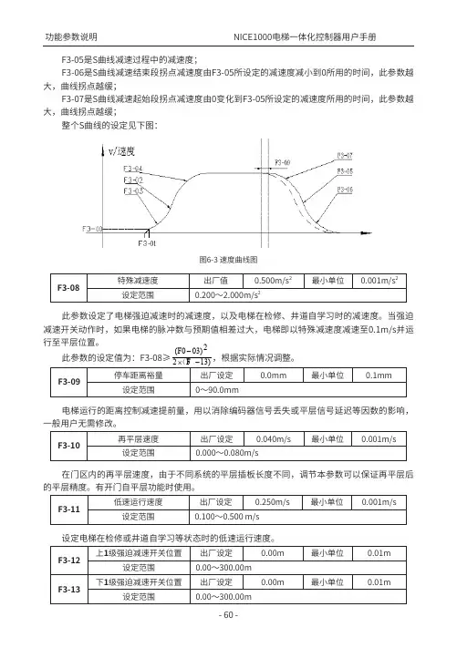
- 60 - 功能参数说明 NICE1000电梯一体化控制器用户手册F3-05是S曲线减速过程中的减速度;F3-06是S曲线减速结束段拐点减速度由F3-05所设定的减速度减小到0所用的时间,此参数越大,曲线拐点越缓;F3-07是S曲线减速起始段拐点减速度由0变化到F3-05所设定的减速度所用的时间,此参数越大,曲线拐点越缓;整个S曲线的设定见下图:图6-3 速度曲线图F3-08特殊减速度出厂值0.500m/s 2最小单位0.001m/s 2设定范围0.200~2.000m/s 2此参数设定了电梯强迫减速时的减速度,以及电梯在检修、井道自学习时的减速度。
当强迫减速开关动作时,如果电梯的脉冲数与预期值相差过大,电梯即以特殊减速度减速至0.1m/s并运行至平层位置。
此参数的设定值为:F3-08≥13)F 32203)(F0−×−(,根据实际情况调整。
F3-09停车距离裕量出厂设定0.0mm 最小单位0.1mm设定范围0~90.0mm 电梯运行的距离控制减速提前量,用以消除编码器信号丢失或平层信号延迟等因数的影响,一般用户无需修改。
F3-10再平层速度出厂设定0.040m/s 最小单位0.001m/s 设定范围0.000~0.080m/s 在门区内的再平层速度,由于不同系统的平层插板长度不同,调节本参数可以保证再平层后的平层精度。
有开门自平层功能时使用。
F3-11低速运行速度出厂设定0.250m/s 最小单位0.001m/s 设定范围0.100~0.500 m/s设定电梯在检修或井道自学习等状态时的低速运行速度。
F3-12上1级强迫减速开关位置出厂设定0.00m 最小单位0.01m 设定范围0.00~300.00m F3-13下1级强迫减速开关位置出厂设定0.00m 最小单位0.01m设定范围0.00~300.00m。
第一章 调试工具使用说明 苏州帝奥电梯有限公司图1-1 操作面板示意第一章 调试工具使用说明1.1 DA6000电梯一体化控制器调试工具DA6000电梯一体化控制器的调试工具共有4种:操作控制及信息显示面板(以下简称操作面板)、主控制板MCB 上的小键盘(以下简称小键盘)、DA6000上位机监控软件以及PDA (掌上电脑)监控软件。
本章将针对常用的操作面板、小键盘进行说明。
1.2 操作面板使用说明用户通过操作面板可以对DA6000电梯一体化控制器进行功能参数修改、工作状态监控和操作面板运行时的控制(起动、停止)等操作。
1.1.1 操作面板的外观及各功能区说明 操作面板外观如图1-1: 1、功能指示灯说明: RUN 灯亮时表示DA6000电梯一体化控制器处于运转状态。
LOCAL/REMOT 保留。
FWD/REV 电梯上下行指示灯:灯亮表示电梯下行,灯灭表示电梯上行。
TUNE/TC 调谐指示灯,灯亮表示处于调谐状态。
2、数码显示区:5位LED 显示,可显示运行速度、母线电压等参数。
3、单位指示灯说明:所点亮指示灯所对应的单位既表示数码显示区所显示数值的单位,当两灯同时亮时表示两灯下方中间处的单位值。
Hz 频率单位 A电流单位 V 电压单位RPM 转速单位% 百分数1.1.2 功能码查看、操作方法说明 1、三级菜单操作流程:DA6000电梯一体化控制器的操作面板参数设置方法,采用三级菜单结构形式,可方便快捷地查询、修改功能码及参数。
三级菜单分别为:功能参数组(一级菜单)→功能码(二级菜单)→功能码设定值(三级菜单)。
操作流程如图1-2所示:图1-2 三级菜单操作流程图说明:在三级菜单操作时,可按两者的区别是:按键将设定参数保存后然后再返回二级菜单,并自动转移到下一个功能码;按菜单,不存储参数,并保持停留在当前功能码。
举例:将功能码F0-06从50.00Hz 更改设定为12.00Hz 的示例(粗体表示闪烁位)。
NICE5000电梯一体化控制器说明书Ver 0.0苏州远志科技有限公司SUZHOU WISH TECHNOLOGY CO.,LTDW e b: T e l: F a x: Email: 86-512-62576870 86-512-67508653 w i s h@w i s h t e c.c o mBEST IN SERVICE序言感谢您选择NICE 系列电梯一体化控制器!苏州默纳克控制技术有限公司是深圳市汇川技术股份有限公司全资子公司,以汇川公司领先的变频驱动技术为基础,聚集专业化的人才队伍,从事研发、生产、销售电梯控制与驱动系统并服务全球电梯行业的高新技术企业。
苏州默纳克控制技术有限公司目录序言.............................................................................................................................................- 1 - 目录.............................................................................................................................................- 2 - 1 产品概述..............................................................................................................................- 4 -1.1 产品介绍..............................................................................................................- 4 - 1.2 产品特点..............................................................................................................- 4 - 1.3 NICE Ⅱ功能列表................................................................................................- 6 - 2 使用须知............................................................................................................................- 11 -2.1 安全指导............................................................................................................- 11 -2.1. 1 安全事项....................................................................................................- 11 - 2.1. 2 注意事项....................................................................................................- 13 - 2.2 机械安装............................................................................................................- 14 -2.2. 1 产品外观及尺寸规格................................................................................- 14 - 2.2. 2 安装要求....................................................................................................- 14 - 2.3 电气安装............................................................................................................- 15 -2.3. 1 产品选型....................................................................................................- 15 - 2.3. 2 产品技术数据:........................................................................................- 16 - 2.3. 3 制动电阻配置............................................................................................- 18 - 2.3. 4 端子接线说明............................................................................................- 18 -3 系统调试............................................................................................................................- 21 -3.1 调试工具的使用................................................................................................- 21 -3.1. 1 小键盘........................................................................................................- 21 - 3.1. 2 操作面板....................................................................................................- 22 - 3.1. 3 液晶操作器................................................................................................- 24 - 3.2 系统布线参考....................................................................................................- 26 -3.2. 1 外围线路配置说明....................................................................................- 26 - 3.2. 2 井道开关配置............................................................................................- 27 - 3.3 典型调试方法....................................................................................................- 28 -3.3. 1 慢车试运行................................................................................................- 28 - 3.3. 2 快车试运行................................................................................................- 29 - 3.3. 3 舒适感调整................................................................................................- 29 -4 参数表................................................................................................................................- 31 -4.1 功能参数说明....................................................................................................- 31 - 4.2 参数列表............................................................................................................- 31 -4.2.1 功能参数的分组........................................................................................- 31 - 4.2.2 功能参数表................................................................................................- 31 -5 参数详述............................................................................................................................- 43 -5.1 F0组 基本参数................................................................................................- 43 - 5.2 F1组 电机参数................................................................................................- 44 - 5.3 F2组 矢量控制参数.........................................................................................- 47 - 5.4 F3组 运行控制参数.........................................................................................- 49 - 5.5 F4组 楼层参数................................................................................................- 52 -苏州默纳克控制技术有限公司5.6 F5组 端子功能参数.........................................................................................- 53 - 5.7 F6组 电梯逻辑参数.........................................................................................- 57 - 5.8 F7组 智能调试参数.........................................................................................- 62 - 5.9 F8组 逻辑辅助参数.........................................................................................- 63 - 5.10 F9组 时间保护参数.........................................................................................- 66 - 5.11 FA 组 辅助参数.................................................................................................- 67 - 5.12 Fb 组 门功能参数..............................................................................................- 69 - 5.13 FC 组 简要故障信息.........................................................................................- 71 - 5.14 Fd 组 并联参数.................................................................................................- 72 - 5.15 FE 组 显示设置.................................................................................................- 72 - 5.16 FH 组 闭环参数设置.........................................................................................- 73 - 5.17 FL 组 拓展端子功能.........................................................................................- 75 - 5.18 FU 组 监控参数.................................................................................................- 77 - 5.19 FF 组 厂家参数.................................................................................................- 81 - 5.20 FP 组 用户参数.................................................................................................- 82 - 5.21 E 组 详细故障信息...........................................................................................- 83 - 6系统应用............................................................................................................................- 84 - 6.1 系统典型接线图................................................................................................- 84 -6.1. 1 主控板推荐图纸及参数设定....................................................................- 84 - 6.1. 2 轿顶板推荐图纸及参数设定....................................................................- 85 - 6.2 停电应急运行方案............................................................................................- 85 -6.2. 1 封星方案的实现........................................................................................- 85 - 6.2. 2 应急救援方案............................................................................................- 87 - 6.3 并联方案说明....................................................................................................- 89 -6.3. 1 并联设置....................................................................................................- 89 - 6.3. 2 楼层地址设置............................................................................................- 89 - 6.4 贯通门使用说明................................................................................................- 90 - 7故障信息及对策................................................................................................................- 91 - 7.1 故障类别说明....................................................................................................- 91 - 7.2 故障信息及对策................................................................................................- 91 - 记事便签:........................................................................................................................- 97 - 联系我们............................................................................................................................- 97 -苏州默纳克控制技术有限公司1 产品概述1.1产品介绍NICE Ⅱ是苏州默纳克控制技术有限公司自主研发、生产的新一代电梯一体化控制器。
NICE900门机一体化驱动器用户手册 前言前 言感谢您购买NICE900门机控制器!本使用说明书介绍了如何正确使用NICE900门机控制器。
在使用(安装、运行、维护、检查等)前,请务必认真阅读本使用说明书。
另外,请在理解产品的安全注意事项后再使用该产品。
注意事项为了说明产品的细节部分,本说明书中的图例有时为卸下外罩或安全遮盖物的状态。
使用♦♦本产品时,请务必按规定装好外壳或遮盖物,并按照说明书的内容进行操作。
本使用说明书中的图例仅为了说明,可能会与您订购的产品有所不同。
♦♦由于产品升级或规格变更,以及为了提高说明书的便利性和准确性,本说明书的内容会及♦♦时进行变更。
由于损坏或遗失而需要订购使用说明书时,请与本公司各区域代理商联系,或直接与本公♦♦司客户服务中心联系。
如果您使用中仍有一些使用问题不明,请与本公司客户服务中心联系。
前言 NICE900门机一体化驱动器用户手册目录前言 (1)第一章安全信息及注意事项 (6)1.1 安全事项 (6)1.2 注意事项 (8)第二章产品信息 (10)2.1 命名规则及铭牌 (10)2.2 技术指标 (11)2.3 产品外型及安装孔位尺寸 (12)2.4 门机控制器的日常保养与维护 (12)2.5 选配件-制动组件选型表 (13)第三章电气安装 (16)3.1 安装环境 (16)3.2 电气安装 (16)3.3 接线端子说明 (16)3.4 其他接口 (17)第四章门机控制器的操作与试运行 (20)4.1 操作与显示界面 (20)4.2 控制器的基本操作 (21)第五章功能参数表 (24)5.1 功能参数表 (24)5.2 功能表 (24)第六章功能参数说明 (34)6.1 F0组基本功能参数 (34)6.2 F1组电机参数 (36)6.3 F2组性能控制参数 (38)6.4 F3组开门运行参数 (40)6.5 F4组关门运行曲线 (42)6.6 F5组开关门辅助参数 (45)6.7 F6组距离控制参数 (47)6.8 F7组演示功能参数 (50)6.9 F8组辅助参数 (51)6.10 F9组输入输出功能参数 (52)6.11 FA组显示与故障参数 (54)6.12 FP组用户参数 (58)第七章应用与调试 (60)7.1 门机控制器调试 (60)7.2 典型应用 (63)第八章故障诊断及对策 (68)第九章 ISMD1-5B0180A-I120X永磁同步电动机规格 (72)9.1 电机参数及规格尺寸 (72)9.2 编码器参数 (72)9.3 电机转矩计算及电机选型指导 (73)安全信息及注意事项 NICE900门机一体化驱动器用户手册第一章 安全信息及注意事项安全定义:在本手册中,安全注意事项分以下两类:危险:由于没有按要求操作造成的危险,可能导致重伤,甚至死亡的情况。
SDP电梯控制系统使用说明书北京索德电气工业有限公司目录系统简述 (2)一系统主要构成 (3)二操作面板 (4)三基本功能 (8)四接线 (9)五电梯调试 (10)六参数 (12)七故障及故障处理 (19)系统简述S DP电梯控制系统,是索德电气公司开发的第三代一体化电梯控制系统,即驱动控制与外围逻辑控制的一体化,系统采用工业现场总线CAN—BUS实现全串行电梯控制,使系统构成更简单、功能更可靠、调试更简便,适用于3m/s以下48层以内的建筑,其主要特点:1. 专业化设计:驱动控制与外围逻辑控制的一体化。
2. N条曲线:系统可根据梯速、层高、层站数实现效率和舒适感的最优化运行。
3. 智能启动控制:启动采用智能转矩控制,无称重传感器也能平稳启动。
4. 三种运行模式:系统设计了三种运行模式,适应不同用户要求,即高效运行、优化运行、舒适运行。
5. 电机静态自学习:无需脱开负载即可实现电机自学习。
6. 软硬件双闭环安全保护设计:特有的软件检测硬件互锁使系统运行更安全。
7. 楼层显示:可根据需要设置任意显示楼层。
8. 调试简便:通过操作器输入参数就能完成电梯所有的功能设置和相关调试。
通过专业监视软件对电梯的运行,实现动态量化监视调试直观。
9. 符合EMC标准:系统驱动符合EMC标准(ENS0082-1.2 EN61800-3)10. 环境适应性强:控制器防护等级IP21,功率单元无触点设计一、系统主要构成(图1)1. 电梯控制器 4. 内选板2. 门机控制器 5. 显示板3. 外呼板层楼1层楼-9系统组成图(图1)二、操作面板操作面板是电梯控制器和用户连接的桥梁。
电梯控制器的操作面板是一个字母数字显示器,包括7个运行状态指示(RUN,,READY,STOP,ALARM,FAULT )和3个控制源(I/O 端子/ 面板/总线通讯BusComm)指示,还有三个状态指示发光二极管(绿—绿—红),请看下文的状态指示发光二极管。
NICE3000new电梯一体化控制器说明书Ver 1.3苏州远志科技有限公司SUZHOU WISH TECHNOLOGY CO.,LTDW e b: T e l: F a x: Email: 86-512-62576870 86-512-67508653 w i s h@w i s h t e c.c o mBEST IN SERVICE系列控制器符合以下指令和标准:目录 NICE3000new电梯一体化控制器用户手册目录前言 (1)简介 (3)第1章安全信息及注意事项 (14)1.1 安全事项 (14)1.2 注意事项 (16)1.3 保护特性 (18)第2章产品信息 (20)2.1 系统配置简介 (20)2.2 产品命名与铭牌信息 (21)2.3 NICE3000new系列一体化控制器型号与技术数据 (22)2.4 技术规范 (23)2.5 产品外观及安装孔位尺寸 (25)2.6 选配件 (27)2.7 制动组件选型与配置 (28)第3章机械与电气安装 (32)3.1 NICE3000new系列电梯一体化控制器 (32)3.1.1 安装环境要求 (32)3.1.2 安装空间要求 (32)3.1.3 端子分布与接线说明 (34)3.2 轿顶板控制板MCTC-CTB (37)3.2.1 轿顶板MCTC-CTB尺寸及安装 (37)3.2.2 轿顶板MCTC-CTB端子接线说明 (38)3.3 厅内/厅外显示板MCTC-HCB (40)3.3.1 HCB-H:点阵显示板 (41)3.3.2 HCB-R1:超薄点阵显示板 (42)3.3.3 HCB-D2:超薄段码液晶显示板 (44)3.3.4 HCB-U1:4.3寸段码液晶显示板 (45)3.3.5 HCB-V1:6.4寸段码液晶显示板 (46)3.4 厅内指令板(内招板)MCTC-CCB (47)3.5 MCTC-PG卡的选型与使用 (49)3.5.1 MCTC-PG卡选型指导 (49)3.5.2 MCTC-PG卡的接线与端子说明 (50)3.5.3 PG卡连接注意事项 (51)3.5.4 适配电机的选择 (52)3.6 外围电气元件选型指导 (52)3.6.1 外围电气元件使用说明 (52)NICE3000new电梯一体化控制器用户手册目录3.6.2 外围电气元件选型表 (53)3.7 一体化控制系统电气接线示意图 (54)3.8 井道位置信号的安装 (54)3.8.1平层信号的安装方法 (56)3.8.2强迫减速开关的安装方法 (57)3.8.3 限位开关的安装方法 (57)3.8.4 极限开关的安装方法 (58)第4章系统调试工具的使用 (60)4.1 三键小键盘的使用 (60)4.2 外引LED操作面板的使用 (63)4.2.1 功能指示灯说明 (63)4.2.2 操作面板键盘按钮说明 (64)4.2.3 三级菜单操作说明 (65)4.2.4 停机运行状态参数显示 (66)4.3 外引LCD液晶操作器的使用 (66)4.3.1 按键功能说明 (67)4.3.2 屏幕显示方式 (67)第5章系统调试与运行举例 (72)5.1 系统调试 (72)5.1.1 调试前安全检查 (72)5.1.2 电机特性参数设置与自动调谐 (74)5.1.3 快车试运行 (76)5.1.4 门机调试 (76)5.1.5 舒适感调整 (77)5.1.6 密码设置 (80)5.2 系统应用 (80)5.2.1停电应急运行方案 (80)5.2.2 两台梯并联方案 (85)5.2.3 贯通门使用说明 (88)5.2.4 VIP功能使用说明 (92)第6章功能参数表 (94)6.1 功能参数说明 (94)6.2 功能参数的分组 (94)6.3 功能参数表 (94)第7章参数说明 (114)F0组基本参数 (114)F1组电机参数 (116)F2组矢量控制参数 (118)目录 NICE3000new电梯一体化控制器用户手册F3组运行控制参数 (120)F4组楼层参数 (122)F5组端子功能参数 (123)F6组电梯基本参数 (132)F7组测试功能参数 (141)F8组增强功能参数 (142)F9组时间参数 (145)FA组键盘设定参数 (146)FB组门功能参数 (154)FC组保护功能参数 (156)FD组通讯参数 (159)FE组电梯功能设置参数 (161)Fr组平层调整参数 (164)FF组厂家参数 (165)FP组用户参数 (165)第8章故障信息及对策 (168)8.1 控制器的日常保养与维护 (168)8.1.1 日常保养 (168)8.1.2 定期检查 (168)8.1.3 控制器易损件更换 (168)8.1.4 控制器的存贮 (169)8.2 控制器的保修说明 (169)8.3 故障类别说明 (170)8.4 故障信息及对策 (171)第9章 EMC(电磁兼容性) (180)9.1 相关术语定义 (180)9.2 EMC 标准介绍 (180)9.2.1 安装环境EMC 要求 (180)9.2.2 符合EMC 指令的条件 (180)9.3 EMC 外围配件安装选型指导 (181)9.3.1 电源输入端加装EMC 输入滤波器 (181)9.3.2 电源输入端加装交流输入电抗器 (182)9.4 屏蔽线缆及布线要求 (183)9.4.1 屏蔽电缆要求 (183)9.4.2 屏蔽电缆安装注意事项 (184)9.4.3 电缆布线要求 (184)9.5 常见EMC干扰问题整改建议 (185)附录A 版本变更记录 (186)轿顶控制板MCTC-CTB轿内指令板MCTC-CCBLED 或LCD 操作器MDKE/MDKE3称重传感器厅外显示板MCTC-HCBCANBUSMODBUS上位机监控NICE3000CANBUS并梯联控通讯同步或异步曳引机图2-1 系统组成示意图一体化控制器通过电机编码器的反馈信号控制电机,同时以脉冲计数的方式记录井道各位置开关的高度信息,实现准确平层、直接停靠,保障运行安全;轿顶控制板与一体化控制器采用CANBUS 通讯,实现轿厢相关部件的信息采集与控制厅外显示与一体化控制器采用MODBUS 通讯,只需简单的设置地址,即可完成所有楼层外召唤的指令登记与显示。
感谢您购买和使用LB600GM系列门机一体化控制器。
LB600GM系列门机一体化控制器是一款专用型变频电梯门机驱动控制器,可以匹配永磁同步电机和三相异步电机。
它集成了开关门逻辑控制与电机驱动控制,通过外部系统给出的开关门指令,就可以实现对整个门系统的控制。
该控制器产品应用范围广,可以满足大部分门系统的控制驱动需求,可以支持驱动交流异步电机和永磁同步电机。
本手册主要介绍了LB600GM系列门机一体化控制器的功能与使用方法,在使用前,请务必仔细阅读本手册。
第一章产品信息 (3)1.1型号说明及铭牌 (3)1.1.1 型号说明 (3)1.1.2 铭牌说明 (3)1.2产品技术指标 (4)1.3产品尺寸及部件说明 (5)第二章电气安装 (6)2.1接线端子说明 (6)2.1.1驱动回路端子分布与接线 (6)2.1.2控制回路端子分布与接线 (6)第三章操作显示与应用 (8)3.1操作面板显示界面 (8)3.2操作流程 (9)3.3运行状态 (11)3.4快速调试 (11)3.4.1速度控制模式 (11)3.4.2距离控制模式 (12)3.4.3 速度曲线确认 (14)第四章功能参数表 (18)4.1功能参数表说明 (18)4.2功能码介绍 (18)4.3详细功能介绍 (28)第五章故障对策 (53)5.1故障报警及对策一览表 (53)第一章 产品信息1.1 型号说明及铭牌 1.1.1 型号说明产品型号说明如图1-1所示:产品型号输入电压 (V ) 电源容量 (KV A) 输入电流 (A ) 输出电流 (A )适配电机 (KW )LB600GM-2S0004E 单相,220V , -15%~20%50Hz/60Hz1.0 5.2 3.2 0.4 LB600GM-2S0007E1.5 8.2 4.50.7图1-1 控制器的型号1.1.2 铭牌说明在变频器箱体的外侧,贴有标示变频器型号及规格的铭牌,铭牌内容示例如图1-2所示。
第1章使用须知1.1与安全有关的标记说明在进行电梯一体化控制器的安装、接线、操作、检查前,请认真阅读本使用说明书。
请遵照本使用说明书的内容和当地的标准安装电梯一体化控制器。
本使用说明书中使用了下列标记,表示该处是有关安全的重要内容。
如果不遵守这些注意事项,可能会导致死亡或重伤、并损坏本产品、相关机器及系统。
危险:如果操作错误,可能会导致死亡或重伤。
注意:如果操作错误,可能会导致轻伤,或者设备损坏。
1.2安全注意事项注意■开箱时发现电梯一体化控制器进水、部件缺少或有部件损坏时,请不要安装!■搬运时,请托住机壳底部。
■请将电梯一体化控制器安装在金属等不易燃烧物上。
■请将电梯一体化控制器安装在具有足够承重能力的物体上。
■请将电梯一体化控制器安装在震动少,避免阳光直射的地方。
■请勿安装在水或雨滴等液体能飞溅到的场合。
■请勿将金属等导电物体掉进电梯一体化控制器内部。
■电梯一体化控制器的散热片会产生高温,请勿触摸。
请在切断电源后15 分钟以上,而且确认散热片已充分冷却后再更换冷却风扇。
■在断电前,请勿触摸制动电阻。
■控制电路板上,使用了CMOS 集成电路,请务必谨慎操作,防止静电击穿。
危险■接线前,请确认输入电源是否处于断开状态。
■请专业的电气工程人员进行接线作业。
■请务必将电梯一体化控制器的保护接地端子E 可靠接地。
■请勿将输入电源接到输出端子U、V、W 上。
■请勿将制动电阻器连接在端子B1、B2 以外的端子上。
■编码器必须使用屏蔽线,且屏蔽层必须保证单端可靠接地!■进行自学习之前,请确认电机和电梯周围的安全情况。
■请在取下钢丝绳后再进行旋转形自学习。
■切断电源后的一段时间内,电梯一体化驱动控制器内部仍然存在危险的高电压,切勿打开盖板或触摸接线端子,只有在确认母线电压指示灯灭掉后,方可进行维护与检查。
■请勿带电对设备进行维修及保养。
否则有触电危险!■请勿自行改造电梯一体化控制器。
第2章产品信息2.1 型号说明2.1.1 F80 系列电梯一体化驱动控制器的型号命名规则见图2.1 所示:F80 - 4 018 A代号类型系列名称A 同步B 异步代号适配电机功率005 5.5kw007 7.5kw011 11kw015 15kw018 18.5kw2.1.2 F80 系列电梯一体化驱动控制器的型号表:型号额定容量(kVA)额定输出电流(A)适配电机(kW)F80-4005 11 14 5.5F80-4007 14 18 7.5F80-4011 21 27 11F80-4015 26 34 15F80-4018 31 41 18.5F80-4022 37 48 22F80-4030 50 65 302.2 规格项目规格型号:F80 4005 4007 4011 4015 4018 4022 4030 最大适用电机容量(kW) 5.5 7.5 11 15 18.5 22 30输出额定输出容量(kVA)11 14 21 26 31 37 50 额定输出电流(A)14 18 27 34 41 48 65 过载耐量额定输出电流的150% 60 秒载波频率 2 ~ 16kHz (可通过参数变更。
主回路端子标号及功能说明主回路端子的功能说明见表3.1。
表3.1 主回路端子的功能说明控制回路端子功能说明控制回路端子的功能说明见表3.4。
表3.4 控制回路端子的功能说明同步电机PG卡SINCOS板同步电机PG卡SINCOS板端子排列见图3.24。
图3.24 同步电机PG卡SINCOS板端子排列同步电机PG卡SINCOS板端子标号见表3.10、表3.11,端子的功能说明见表3.12。
表3.10 同步电机PG卡SINCOS板JP4、JP3端子标号表3.11 同步电机PG卡SINCOS板JP2端子标号(DB15插座)表3.12 同步电机PG卡SINCOS板端子的功能说明使用说明书输出FB 集开信号输出0V GND A/B信号公共端屏蔽接地屏蔽电缆接线端编码器输入A+,A- 编码器SIN信号差分信号,最大频率50kHzB+,B- 编码器COS信号R+,R- 编码器Z信号C+,C- 编码器SIN信号D+,D- 编码器COS信号屏蔽接地屏蔽电缆接线端编码器电源+V +5V或+5.3VS1跳线选择电压输出:+5VS1Jump3213+V+5.3V最大200mA输出0V +5V或+5.3V的GND注:编码器与PG卡连线较长时,为克服线路压降,可选+5.3V电源以增强信号。
同步电机PG卡SINCOS板可接收编码器SIN/COS差分输出信号。
与编码器的配线见图3.25。
正余弦编码器5V0VA+A-B+R+C+D+D-C-R-B-A+A-B+B-R+R-C+C-D+D-V+V0屏蔽层接地E图3.25 与编码器SIN/COS差分输出信号的配线PG卡端子配线注意事项编码器信号线务必与主回路及其他动力线分开布置,严禁近距离平行走线。
编码器配线应使用屏蔽线,屏蔽线的屏蔽层接端子接地E外围设备的连接电梯一体化驱动控制系统典型配置示例图4.1 电梯一体化驱动控制系统典型配置示例井道及随行电缆布线对电缆的要求井道及随行电缆布线对电缆的要求如图图井道及随行电缆布线示意井道内和随动电缆中各有四根用于通讯的电缆(TXV+、TXV-、TXA+、TXA-)◇必须防止这四根电缆TXV+、TXV-、TXA+、TXA-与其他电缆之间的短路。
通电之前,务必用万用表检查这四根电缆与其他电缆间是否有回路,尤其是24V、36V、110V、220V、380V 或其他电源电缆。
◇ TXV+、TXV-提供各分支点24V 电源(分支点包括轿厢内的轿顶控制器、轿厢控制器和轿厢显示器以及各召唤箱控制器)。
要求线径≥0.75mm2。
◇ TXA+、TXA-为主控制器与各分支点之间通讯总线。
◇可采用非屏蔽双绞线,建议TXA+为黄色,TXA-为绿色。
◇双绞线规格:特性阻抗120Ω,允许范围108~132Ω绞合节距:≤30mm线径:≥0.75mm2◇如通讯线与动力线平行布线超过5 米的场合,通讯线与动力线必须相距30 厘米以上,以防止电源串扰。
如限于布线空间,无法满足条件的,须采用屏蔽双绞线,且屏蔽线单端接地。
◇井道电缆和随行电缆接地井道电缆和随行电缆要注意强电线(包括门机电源、安全回路、门锁回路、照明电路等)与弱电线(包括通讯线、直流0V、直流24V、平层干簧、端站强迫减速开关、端站限位开关等)分开。
通讯线必须采用双绞线,双绞线绞距在20~30mm 之间。
有条件的使用屏蔽双绞线,并且屏蔽层接地。
注意:如果强电线与弱电线平行布线,在随行电缆上比较常见,必须使得强电线分布在一边,弱电线分布在另一边。
在强电线与弱电线之间必须用地线分隔开。
注意:以上这些布线规则必须在设计图纸注明,每一根线号的具体用途必须明确。
注意:无论屏蔽与否,必须采用双绞线。
◇采用总线分支方式应保证分支线与总线的接点接触良好,以免过大压降。
建议采用如下图4.3接线方法:支线与总线接线◇关于TXV+、TXV-、TXA+、TXA-与随动电缆的关系TXV+、TXV-、TXA+、TXA-可与其他弱电信号(电压≤24V)电缆共用一根随动电缆,其余高于24V的强电信号电缆使用另一根随动电缆。
总线在接点处剥去绝缘护套,不截断,接入接线端子一端。
端子另一端接分支线。
总线规格:总线长度≤500 米。
分支长度≤3.0 米。
终端电阻,总线两端安装120Ω终端匹配电阻。
(注:此终端匹配电阻不接将降低通讯抗干扰能力)井道开关的位置在电梯一体化驱动控制系统中,要求井道中安装的开关有两种情形1.若梯速不超过1.75M/S,要求井道中安装上下对应的上极限开关、上限位开关、上单层强慢开关各三个;2.若梯速超过1.75M/S,要求井道中安装上下对应的上极限开关、上限位开关、上单层强慢开关各三个外,还要求井道安装上下对应的上下双层强迫慢车开关。
3.井道中开关的具体位置见下图4.4。
注意:减速斜率设置置不同,开关位置也应有所不同,减速开关的距离略低于正常减速时的实际距离即可,如果开关安装距离和实际所需减速距离差别较大会导致电梯在端站运行不正常。
上、下平层感应器的位置在SmartCom 控制系统中,电梯的平层控制需要现场安装两只上下平层感应器和若干块隔磁板。
如有提前开门或开门再平层功能则必须增加两个门区感应器。
有关感应器和隔磁板的具体要求见表4.1:表4.1 感应器和隔磁板的具体要求轿厢控制板说明轿厢控制板外形图和安装尺寸图6.1 轿厢控制板外形图4-图6.2 轿厢控制板安装尺寸轿厢控制板插件和端口定义介绍轿厢控制板插件规格注1、SM-02-D输出 8 路二进制编码脉冲信号,减速停车时触发报站语音,输出脉冲持续时间 1.0 秒。
输出方式为8路晶体管输出(集电极开路),共阳极输出,输出电压 DC24V,输出电流能力 50 mA。
通过8路二进制编码输出可以有0-255种状态,而且该状态的输出完全按照新时达显示字库的编码方式,即如果用户对一楼显示设置为B1,对应显示代码为60,那么JP15输出的信号就是十进制数60转换成二进制后的输出,通过对该二进制信号解码就可报“B1楼到了”。
目前在从0-247是按照显示字库(参见6.3.8节新时达标准显示字库)的定义输出,从248-255的代码输出定义如下:(248) 11111000:当电梯在基站并且有上方向,电梯关门后输出此信号。
(249) 11111001:当电梯处于火警状态时输出此信号。
(250) 11111010:电梯开门中,在电梯关门限位从断开状态转换到接通状态时发出此信号(251) 11111011:电梯关门中,在电梯开门限位从断开状态转换到接通状态时发出此信号(252) 11111100:超载报警(253) 11111101:开门到位后预报下一次运行方向是上行(254) 11111110:开门到位后预报下一次运行方向是下行(255) 11111111:暂无定义2、连接方法:✧轿厢控制器与电源和通讯总线的连接轿厢控制器的电源和通讯由JP6引入。
其中JP6.01和JP6.02为TXV+和TXV- ,JP6.03和JP6.04为TXA+和TXA- ,TXV+、TXV-为输入电源DC24V,TXA+、TXA-为通讯线。
通讯线一定要用四芯双绞线。
✧轿厢控制器输入信号的连接轿厢控制器主要采集轿顶、轿内与轿底的部分开关量信号,并将这些信号状态通过CAN总线传输到主控制器。
这些开关量信号如开关门输入、开关门到位、安全触板、司机、直驶、超载、满员等。
✧轿厢控制器输出信号的连接轿厢控制器根据主控制器通过CAN总线传达的信号控制继电器和晶体管的输出,其中继电器输出控制到站钟继电器、照明继电器等,以控制到站预报、节能照明等功能。
晶体管输出控制如超载灯、蜂鸣器、开关门按钮灯的输出等。
✧轿厢控制器和指令控制器的连接指令扩展控制器与轿厢控制器的连接线在轿厢中已经做好,凸槽朝凹口方向插入即可。
➢开关门按钮及指示灯接法:1,2脚分别接门指示灯的电源“-”和“+”端,而3,4脚则接开关门的按钮端。
开关门按钮及指示灯接线图指令控制板指令控制板外形图和安装尺寸指令控制板外形图4-指令控制板安装尺寸指令控制板插件和端口定义介绍表6.3 指令控制板插件规格序号1#指令控制器插脚定义2#指令控制器插脚定义…8#指令控制器插脚定义JP1接1楼指令按钮接9楼指令按钮…接57楼指令按钮JP2接2楼指令按钮接10楼指令按钮…接58楼指令按钮指令控制板插座号型号JP1/JP2/JP3/JP4/JP5/JP6/JP7/JP8 CH2510-4JP9/JP10 14针双列排线直座JP3接3楼指令按钮接11楼指令按钮…接59楼指令按钮JP4接4楼指令按钮接12楼指令按钮…接60楼指令按钮JP5 接5楼指令按钮接13楼指令按钮…接61楼指令按钮JP6 接6楼指令按钮接14楼指令按钮…接62楼指令按钮JP7 接7楼指令按钮接15楼指令按钮…接63楼指令按钮JP8 接8楼指令按钮接16楼指令按钮…接64楼指令按钮注:指令按钮及指示灯接法:图6.6 指令按钮及指示灯接线图召唤&显示控制板召唤&显示控制板SM-04-VRF➢SM-04-VRF外形图和安装尺寸图6.7 SM-04-VRF外形图SM-04-VRF安装尺寸➢SM-04-VRF插件规格和端口定义SM-04-VRF插件规格和端口定义电梯调试指南通电前检查控制系统电气安装完毕后,必须对电气部分进行检查:1.应对照使用说明书和电气原理图,检查各部分的连接是否正确。
2.检查强电部分和弱电部分是否有关联。
用万用表欧姆档检查不同电压回路之间电阻、对地电阻应为∞。
3.请认真检查控制柜电源进线与电机连线是否正确。
避免上电后烧毁电梯一体化驱动控制器。
4.检查控制柜壳体、电动机壳体、轿厢接地线、厅门接地线是否可靠安全接地,确保人身安全。
▲注意:柜壳体与电动机壳体要一点接地。
通电和检查通电前确认1.上电前控制柜对地短路检查:(1)输入动力线三相对地(2)电机线三相对地(3)接线端220V对地(4)通讯线对地(5)编码器线对地以上项目中有短路现象的请排除。
2.接地检查:(请确认以下项目需要可靠接地)(1)控制柜接地(2)电机接地(3)轿箱接地(4)门机接地(5)线槽接地(6)编码器屏蔽层控制柜端接地(7)编码器屏蔽层电机端接地注:异步电机编码器屏蔽层单端接地,同步电机编码器屏蔽层需两端接地。
3.通讯线编码器线和动力线布线检查:(请确认现场是否满足以下要求,如不是,请更正)(1)井道通讯线是双绞线且绞距<35cm(2)轿箱通讯线是双绞线且绞距<35cm(3)并联群控通讯线是双绞线且绞距<35cm(仅并联或群控电梯)(5)通讯线和动力线分开走线槽(6)并联群控通讯线和动力线分开走线槽(仅并联或群控电梯)通电后检查1.合上总电源开关。
若相序继电器KAP上绿灯亮,则表示相位正确。