新代系统详细联网文件资料
- 格式:doc
- 大小:2.93 MB
- 文档页数:31
台湾新代系统车床说明书
台湾新代系统车床说明书
本说明书为台湾新代系统车床的使用和操作指南,旨在帮助用户快速上手并正确使用该系统车床。
请仔细阅读本手册,确保您的安全和设备的正常运行。
第一章:引言
1.1 系统车床的概述
1.2 注意事项
1.3 安全须知
第二章:系统安装和设置
2.1 设备安装要求
2.2 系统车床的安装步骤
2.3 控制系统的设置方法
第三章:系统操作
3.1 开关机操作流程
3.2 系统界面介绍
3.3 运行模式选择和调整
3.4 自动和手动操作模式介绍
3.5 车床参数调整和设置方法
第四章:常见故障及排除方法
4.1 故障代码说明和解决方法
4.2 常见故障及其处理方法
第五章:维护与保养
5.1 日常维护和保养要点
5.2 润滑剂添加和更换方法
5.3 定期检查和维护建议
第六章:附录
6.1 规格书和技术参数
6.2 出厂设定值备份和还原方法
6.3 常用快捷键介绍
本说明书仅适用于台湾新代系统车床型号,请勿将本说明书用于其他型号车床。
如需帮助或更多信息,请联系我们的技术支持团队。
谢谢使用台湾新代系统车床,祝您操作顺利!。
.新代CNC网络设置步骤一、网络线制作方法二、网络布线三、控制器设置步骤(CNC_9.167版本以上)四、电脑设置步骤( Windows 95/98设置)五、电脑设置步骤( Windows 2000设置)六、CNC网络软体设定(适用CNC系統7.0(含)版以上)七、网络疑难问题解决方法一、网络线制作方法网络线通常分为直通线与对等线两种直通线:用来与集线器或者交换机连接,达到多台电脑的资源共享对等线:单独的电脑与控制器连接以实现网络连接直通线两头的图示说明:对等线两头的图示说明:注:1.请检查网络线两头的8根线颜色是否和接线图示完全相同,如果颜色不一致会造成网络无法连接。
2.请检查网络线水晶头的8个小铜片是否全部压到低部,如果压不到低部,会造成网络线无法导通。
3.请检查水晶头接的底端,看是否8根铜线都插在低端,如果参差不齐,有可能会引起网络线无法导通。
4.如果有网络测试仪直接检查网络线效果会更好。
二、网络布线1.如果控制器与电脑相连是经过集线器或者交换机,那么网络线则选用两根直通线,一根线是电脑与集线器或者交换机相连,另外一根线是控制器中的主机板网卡与集线器或者交换机相连接2.如果控制器直接与电脑相连接,那么直接选用对等线相连接起来就可以了。
注:1. 固定网络线时切记勿压,钉子勿直接穿入网络线,这样会使网络有可能开成短路。
2.网络线尽量离开一些干扰性比较大的地方。
三、控制器设置步骤(CNC_9.167版本以上)1进入控制器界面:2.进入参数设定画面(F6):3.按下一页键(键盘F10)进入此画面4.接F3进入此画面:A.(注):上图为CNC出厂默认信息,根据电脑的设置而改变控制器的配置,以实现网络连接,这样更方便、简捷。
控制器名称:不同控制器有不同的名称,且不可与网络上相连的其他电脑或控制器同名。
位址设定:根据电脑上的IP地址而设定,若个人电脑上IP地址为:192.168.0.10,则控制器中位址设定为:192.168.0.15,只要最后一位不同且范围在1~254之间即可。
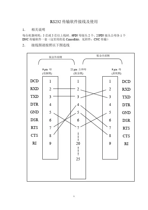
RS232传输软件接线及使用1.相关说明每台机器材耗:5芯或5芯以上线材、9PIN母接头2个、25PIN接头公母各1个DNC传输软件一套(这里用的是CimcoEdit,见附件:CNC传输)2.接线图请按照以下图连线1 2 3 4 5 6 7 8 91 2 3 4 5 6 720259 pin 母(电脑侧) 25 pin 公和母(钣金侧)1234567899 pin 母(系统侧)DCDRXDTXDDTRGNDDSRRTSCTSRIDCD RXD TXD DTR GND DSR RTS CTS RI钣金内部侧钣金外部侧3.参数设定c新代软件系统参数设定(建议值)参数控制器参数意义3901 0 主从模式, 0机台控制器, 1 个人计算机端3903 1 档案传输通讯端口位置(1:第一埠, 2:第二埠)3905 1 巨集程式通讯埠位置(1:第一埠, 2:第二埠)3921 3 第一端口通讯速度(0:24;1:48;2:96;3:192;4:384..) 3922 8 第一端口资料位数3923 0 第一埠交换码格式(0:ASCII;1:EIA;2:ISO)3924 0 第一埠外围控制方式(0:No;1:DC2;2:DC4;3:DC2DC4) 3925 0 第一埠单节结束(EOB)输出方式(0:EOB;1:CR+EOB) 3926 0 第一埠DC3外围句柄是否同位(0:否;1:同位)3927 1 第一埠流量控制方式(0:无;1:硬件;2:软件)3928 0 第一埠同位检查方式(0:无;1:奇;2:偶)3929 1 第一端口停止位数(1:1位;2:2位)b.电脑CimcoEdit参数设定1.选择Text file和machine 12.DNC 设定点击Transmission DNC Setup点击打开后看到DNC Sstup画面Machines选择Machine 1 ,Machine Type选择Text file ,点Setup进入Machine 1参数设定,设定值见下图所视:完成后点确定返回上一层DNC Setup,点OK设定,见下图到此参数设定完成,DNC和新代CNC系统就已经连接成功4.CimcoEdit 使用方法简介a.把压缩文件Cedit.rar解压成一般文件Ceditb.打开文件双击CimcoEdit(开启DNC软体)可以看到如下画面c.文件接受和发送方法有两种Send File :发送文件Receive File:接受文件发送时会跳出对话框(注意选择文件类型):在查找范围中选择要发送的程序,点“打开”,跳出发送对话框发送接收接收时会跳出对话框:另存为到要到的文件夹内,命名在文件名内,点“保存”保存文件,跳出接收对话框注意:1.不管是控制器还是电脑要接收文件,都要优先处于RS232接收状态再行发送;2.文件传输以“%”做为接受结束符号,故程序结束需有“%”结束符,如果没有“%”结束符,传输资料会一直停在等待状态而无法结束,按“取消”后提示“未收到程序结束符号,是否存档”警告;3.RS232线长度不要超过10m。
台湾新代系统车床说明书台湾新代系统车床说明书简介•概述:本文档为台湾新代系统车床的详细说明书,旨在帮助用户了解系统车床的功能和操作方法。
•目标读者:需要使用台湾新代系统车床的操作人员以及相关技术人员。
•版本信息:本说明书适用于台湾新代系统车床的最新版本。
主要功能1.加工功能–切削功能:支持各种切削操作,如钻孔、铣削、切割等。
–精确加工:精确控制各种参数,如转速、进给等,以实现高质量加工。
–自动换刀:支持自动刀具换装,提高生产效率。
2.操作功能–数字控制界面:直观的数字控制界面,方便操作人员输入参数和指令。
–预设工艺:可预设多组工艺参数,灵活实现不同的加工需求。
–手动操作:支持手动操作,方便对机床进行调整和维护。
3.系统特点–稳定性:系统运行稳定可靠,保证加工精度和效率。
–可扩展性:支持系统的扩展和升级,满足不断变化的加工需求。
–安全性:采用安全措施,保障操作人员的安全。
操作指南1.车床参数设置–设定刀具尺寸:根据加工需求,设置刀具的长度、直径等参数。
–确定工件尺寸:根据加工要求,输入工件的尺寸和形状参数。
2.加工程序编写–编写加工代码:根据工艺要求,编写相应的加工程序。
–设定加工顺序:确定各个加工步骤的执行顺序和方式。
3.加工操作步骤–打开车床电源:确保车床正常供电。
–导入加工程序:将编写好的加工程序导入系统中。
–系统检查:系统将自动进行一系列的检查,确保加工环境和参数设置正确。
–启动加工:按照加工程序指令,启动加工过程。
–监控加工:持续监控加工过程,确保加工质量和安全。
注意事项1.操作前请阅读说明书:在操作系统车床之前,请认真阅读本说明书,熟悉系统的功能和操作方法。
2.加工过程中保持专注:在加工过程中,请保持专注,及时发现并处理任何异常情况。
3.定期维护和保养:为了保证系统的正常运行,请定期对系统进行维护和保养。
总结本说明书详细介绍了台湾新代系统车床的主要功能、操作方法和注意事项。
通过仔细阅读并按照说明书操作,操作人员可以充分利用系统的功能,实现高质量的加工。
EZ Series控制器连接说明书(硬件)SYNTECEZ Series控制器连接说明书(硬件)SYNTEC,2009/4版本:V1.0作者:修订日期:98/04/20前言本说明书详细地叙述了将EZ Series控制器的CNC 控制单元连接到机床上所需要的详细的电气和结构的规格。
本说明书给出了SYNTEC CNC通常使用的部件,如第2 章所示的安装尺寸图,并且给出了EZ4-T的接口定义。
相关的其他内容请参阅相应的说明书。
应用的系统型号本说明书适用的系统型号和它们的缩写为说明书的详细内容本说明书包含了从第1到第12章和附录相关的说明书下表列出了与SUPER控制系统相关的说明书。
在该表中,标有*的是本说明书。
注:如果还需要相关的技术支持,请访问新代公司主页有关伺服的说明书有关伺服放大器的说明书请参见各品牌伺服放大器的说明手册目录第一章 EZ Series控制器产品简介 (1)1.1 概述 (1)1.2新一代EZ Series数控系统规格 (3)第二章安装尺寸图以及接口定义图 (4)2.1 EZ 控制器安装尺寸图 (4)2.2 EZ控制器接口定义 (6)第三章安装 (7)3.1 安装环境 (7)3.1.1 电柜外部的环境要求 (7)3.2电源容量 (8)3.2.1 CNC 控制单元的电源容量 (8)3.3机床强电柜的设计和安装条件 (9)3.4电柜的温升设计 (10)3.4.1电柜内部的温升 (10)3.4.2使用热交换器进行散热 (10)3.5防止噪声干扰的方法 (11)3.5.1 信号线的分离 (11)3.5.2 接地 (12)3.5.3 控制单元的信号接地方法 (13)3.5.4 噪音抑制器 (14)第四章电源 (15)4.1本章主要叙述SYNTEC SUPER系列控制单元电源的连接方法。
(15)4.2控制单元的电源的接通与断开 (16)4.2.1控制单元的电源 (16)4.2.2外部24VDC输入电源及电路配置 (16)4.2.3电源的接通顺序 (17)4.2.4电源关断顺序 (18)4.3控制单元的电源连接电缆 (18)4.4 电池 (18)第五章 CNC与外围设备连接 (19)5.1 MDI键的排列 (19)5.2与I/O设备的连接 (20)5.2.1 概述 (20)5.2.2 与I/O设备接口的连接 (20)第六章主轴单元连接 (23)6.1变频主轴 (23)6.1.1 控制器联接埠定义 (23)6.1.2 变频主轴连接事例 (23)6.1.3 配线注意事项 (24)6.2伺服主轴 (25)6.2.1信号规格 (25)6.2.2变频器控制的伺服主轴 (26)6.2.3 伺服单元控制的伺服主轴 (27)第七章伺服单元连接 (28)7.1概述 (28)7.2伺服驱动器连接 (28)7.3输入输出信号规格 (29)7.3.1输入信号规格 (29)7.3.2编码器回授的信号规格 (29)7.4连接插头分布位置和插头定义 (30)7.5 与伺服放大器的连接 (31)7.5.1伺服放大器的连接示意图 (31)7.5.2几种常用伺服单元的连接 (32)第八章机床接口I/O的连接 (37)8.1概述:EMB IO分配简介 (37)8.2注意事项 (37)8.3 EMB的对外联机 (38)8.3.1 EMB的IO接口定义 (38)8.3.2各型号输入和输出端子台介绍 (41)8.3.3各型号输入和输出端子台与CNC连接举例 (48)第九章操作面板连接 (53)9.1概述 (53)9.2手轮连接图 (55)9.3启动停止按钮连接 (56)第十章急停 (57)第十一章以太网通讯 (58)11.1 概述 (58)11.2注意 (58)11.3网线的制作 (59)11.4控制器设置步骤 (60)11.5网络设定 (60)第一章EZ Series控制器产品简介1.1 概述4+1 轴或3+1 轴之最佳性价比控制器新概念CNC系统車床及铣床兩种系列32 bit CPU8 吋全彩液晶显示器前框工业防水设计内建开放式 PLC、MACRO实时断电资料储存最优化操作面板手持式手轮接口国际安规认证EtherNET、可热插入之 CF CARD 读卡机……稳定的产品效能EZ-Series 以全机完全无风扇设计、低发热的思考、以可靠度为设计第一考虑,整机完全模块化、将内部配线最精简化、控制器可靠度大为提升。
新代控制器用户手册第三部分新代控制器网络连接By:新代科技Date:06/03/2006Ver:网络设定1网络布线如果控制器与电脑相连是经过集线器或者交换机,那么网络线则选用两根直通线,一根线是电脑与集线器或者交换机相连,另外一根线是控制器中的主机板网卡与集线器或者交换机相连接如果控制器直接与电脑相连接,那么直接选用对等线相连接起来就可以了。
注:1. 固定网络线时切记勿压,钉子勿直接穿入网络线,这样会使网络有可能开成短路。
2.网络线尽量离开一些干扰性比较大的地方。
2控制器设置步骤首先在个人电脑上建立一个共享文件(请以字母或者数字命名)2.1进入控制器界面:2.2.进入参数设定画面(F6):2.3.按下一页键(键盘F10)进入此画面2.4.接F3进入此画面:控制器名称:用户自己给定,注意不可与网络上相连的其他电脑或控制器同名。
建议使用:administrator位址设定:根据个人电脑上的IP地址而设定,若个人电脑上IP地址为:192.168.0.10则控制器中位址可以设定为:192.168.0.15只要最后一位不同且范围在1~254之间即可。
子网络掩码:255.255.255.0 (IP地址设为192.168.0._或者210.20.98._) 连线PC名称: 与控制器相连接的个人电脑的“完整计算机名”.连线目录名称:此名称为在与控制器相连接的电脑上创建的共享文件夹名称.设置工作组:按Page Down(按键上的下一页)打开此画面:工作组群:根据个人电脑的实际工作组设定连线使用者:电脑的用户名称连线密码:一般不要输入DHCP设定:A.控制器直接和个人电脑一对一连接时设定为“0”B.控制器直接和个人电脑间通过局域网(HUB)连接时设定为“1”3.网络疑难问题解决方法3.1开机过程中出现Error 53: The computer name specified in the network path cannot be located.上述问题为CPU网卡的网络驱动程序无法找到网络上所要连接的电脑,排除方法如下:(1). 确认所要连接的电脑是否已经开机; (2). 如果已开机,检查所要共享的目录是否已共享出來,至于所要连接的电脑及目录名称,请检查控制器中网络设定中的连线PC名称、连线目录名称是否与电脑上相符(3)在PC电脑“开始”—>“运行”,输入,例:“ping 210.20.98.21”(210.20.98.21为控制器中的IP地址),如果出现下述对话框,说明控制器中的IP地址与电脑上的IP地址不在同一个网段,IP地址需要重新验证一下是否两个IP地址的最后一位不同,例:电脑IP地址为:210.20.98.15 控制器IP地址为: 210.20.98.21 。
新代数控系统操作基础本文介绍了台湾新代数控系统的基本操作,包括调用程序执行加工、从网络调用程序、加工中修改主轴转速、设定工件坐标系统和自动对刀等。
在调用程序执行加工时,用户需要进入新代系统主菜单画面,选择F2(程式编辑)→F8(档案管理)→XXX光标选取所需的程式→Enter→后退一页→F4(执行加工)→检查所选程式是否调出→自动模式→选择手轮模拟功能→程式启动→正方向摇动手轮,到工件顶上走几刀,观察刀路是否正确→取消手轮模拟功能,让机床自动跑程式。
用户也可以从网络调用程序,选择主菜单F2(程式编辑)→F8(档案管理)→F8(网络档案输入)→XXX光标选程式→确定→确定。
在加工中需要修改主轴转速时,用户可以选择主菜单→F4(执行加工)→F4(加工参数设定)→XXX光标到主轴转速栏→输入所需的主轴转数→按Enter确认。
为了设定工件坐标系统,用户可以选择主菜单F1(机台设定)→F5(设定工件坐标系统)→F5(分中功能)→在工件左侧铣一刀或碰一下→按PX1→在工件右侧铣一刀或碰一下按PX2.在工件前侧铣一刀或碰一下PY1按一下→后侧铣或碰按PY2→退页→G54(或G55,56……)→F3(辅助坐标设定)。
最后,在自动对刀时,用户可以选择主菜单F1(机台设定)→F5设定工件座标系统)→F6(自动对刀)→自动模式→进给倍率打到100%—→F1(自动对刀起动)→待停止后→检查“数”是否抓到。
需要注意的是,当测量模式选1,单刀单工件时,用户需要将落差放在外部偏移Z轴坐标中。
当工件坐标号码设为空时,对刀完成后,当前的刀长会记录在辅助点坐标Z轴中。
当工件坐标号码设为1时,对刀完成后,当前的刀长会自动记录到工件坐标G54的Z轴中。
如果想跑一次当前的程式,只需将相应的改变工件坐标(如G54、G55、G56)Z轴的坐标值即可。
当测量模式选2时,对刀画面会有所变化。
当测量模式选择2时,即单刀多工件模式。
在这种模式下,主轴上只能使用一把刀,而工作台上有多个待加工工件。
新代系统DOS-FTP联网应用V1.02011-7-29 子翔目录1.FTP联网前准备 (3)1.新代系统与用户电脑连接-网线 (3)2.新代系统端-软体升级 (4)3.用户电脑端-软件安装 (4)2.FTP联网设定 (4)1.新代系统端 (4)2.用户电脑端 (5)3.FTP联网范例 (6)1. 如何实现一PC连接多台CNC控制器? (6)2.如何把设定好的连接IP数据等保存下来? . 93. 用户电脑重装系统后联网设置 (12)4.FTP联网注意事项 (12)1.FTP联网前准备1.新代系统与用户电脑连接-网线标准网线的制作过程我们常遇到的2例:PC-PC:反线和PC-HUB:正线正线:两端线序一样,线序是:白橙,橙,白绿,蓝,白蓝,绿,白棕,棕。
反线:一端为正线的线序,另一端为:白绿,绿,白橙,蓝,白蓝,橙,白棕,棕。
步骤 1:上:橙左:绿下:棕右:蓝步骤2:左一:橙左二:绿左三:蓝左四:棕步骤3:左起:白橙/橙/白绿/蓝/白蓝/绿/白棕/棕步骤4:将裸露出的双绞线用剪刀或斜口钳剪下只剩约 14mm的长度步骤5:插入压平网线异常可能出现的故障现象请大家按照标准的网线制作方法制作,否则可能会造成串扰,使传输效率降低。
这里有一个比较大的误区:认为正线和反线只有跳线和不跳线之分别,正线只要一一对应就可以,反线只要1、3和2、6分别对调就可以,至于颜色哪根接哪脚关系不大。
这个观点大错特错,颜色也很大关系,本人做过测试,不按照颜色来接,而是自己随意接的,但两端的线序是正确的,用测线器测量也是正常的,其实连接网络时,网卡的灯都不亮,所以请大家务必按照标准制作网线的流程去制作网线。
网线长度过长也会造成传输效率降低,导致无法联网。
网线长度建议不要超过30m,当然这个不是唯一标准,因为不同厂家购买的网线品质也有很大的区别,如果网线质量低劣的话,不到10m 也有能会出现无法连接,建议购买带屏蔽工业用网线。
以上故障造成会网络连接不上或者网络传输速度慢、传输不稳定等症状。
機床聯網產品手册設備聯網 / 遠程運維 / 數據分析 / 生產追蹤新代科技 聯達智能SYNTEC∞LEANTEC新代科技長期深耕於機床控制器的軟、硬體技術研發,近年來更延伸至伺服方案,提供驅動器、電機及編碼器等伺服產品,與新代控制器上下垂直整合,提供一條龍的服務以及更強大的伺服性能。
新代以完善的售後服務深得顧客信任,更進一步以「工業�.�」做為新技術發展的主軸,目前已成為亞太市場中最具影響力及發展潛力的品牌之一。
Profile關於新代Trusted technical servives最值得信任的智能化夥伴最值得信任的電控夥伴機床聯網解決方案��一個硬體 + 兩個平臺 / 簡單高效的產品架構SMB — 智慧機上盒即插即用,快速安装設備管理系統SMB智慧機上盒SynMachine:面向設備生產商為設備遠端運維提供解決方案,可透過平臺實現設備統一的資訊管理、備份管理、故障診斷以及授權管理https:///zh_tw*以上產品規格聯達保有修改權*��SynMachine SynFactory生產管理系统SynFactory: 面向加工工廠為工廠的生產製造,提供視覺化的資料追蹤看板,借助資料分析為後續增產提效提供思路;Trusted technical servives 最值得信任的智能化夥伴LEANTEC CLOUD PRODUCT��產品架構一個硬體 + 兩個平臺 / 簡單高效的產品架構SMB — 智慧機上盒即插即用,快速安装https:///zh_tw��機械廠使用場景應用場景:智能運維 �、信息綁定:實現設備初始資訊與客戶資訊的綁定,為設備的售後服務做資訊留存;客戶資訊:地區、產業、聯繫方式;設備資訊:設備型號、電控配置、授權資訊、新代保固資訊、出機備份;解决方案:�、設備資訊綁定,資料雲端保存�、設備改造升級提供分析資料�、一鍵發起設備叫修,遠端問題診斷,減少設備停機時間:�、平臺統一管理設備使用期限痛點:�、設備追蹤:設備銷售後,設備運作狀況、健康狀況不得而知,難以做後續設備升級改造的調研;�、故障排查:僅憑客戶的回饋難以理清問題,缺乏遠端診斷工具,現場服務難以避免;�、遠程解密:已銷售的加密設備,需人工記錄授權時間,缺乏統一管理工具,管理不便;資料備份WeChatSynMachine信息填報設備掃碼註冊Trusted technical servives 最值得信任的智能化夥伴*以上產品規格聯達保有修改權*LEANTEC CLOUD PRODUCT��機械廠使用場景�、為設備改造升級提供分析資料:可透過系統內置的常日記錄器,確認設備是否有按照原設計規格正常運行,如設備出現長期超負載的極限運作狀況,可作為設備後期硬體選型升級改造時的參照資料;驅動、電機溫度檢測追隨誤差監控主軸負載監控�、遠端問題診斷:設備發生故障時,終端客戶可直接手機端一鍵發起叫修,維修處理進度在SynMachine平臺即時可查結合遠端工具,直接取得系統內置診斷記錄器、警報記錄器的資料做分析,做問題判斷,降低與的溝通成本;軟體問題:可直接取得設備在新代雲的出機備份,做快速還原;硬體問題:分析後預判為硬體問題時,可提前準備好備品,技術人員到現場後實現快速更換;一鍵叫修,维修履歷追查資料分析�、平臺統一管理設備使用期限:平臺可直接查看不同設備的使用期限;客戶付款後在設備端直接發起解密需求,機械廠在微信端可直接做解密授權操作終端發起平台微信端遠程解密微信叫修https:///zh_tw��終端用戶使用場景應用場景:生產追蹤�、設備安燈系統;客戶可及時瞭解設備當前的運作狀態解決方案:�、提供設備安燈系統,設備狀態即時監看;�、資料上雲,提供多樣化看板(稼動率報表、故障報表、產量報表),手機端、PC端可即時查看,不受空間限制痛點:�、無法即時追蹤生產進度,需要人工現場盤點生產資料,導致資訊滯後,人工統計誤差不可避免;�、人工統計的資料,無法體現出單機設備的效率,針對單機提產增效時缺乏資料指導;PC版Trusted technical servives 最值得信任的智能化夥伴*以上產品規格聯達保有修改權*LEANTEC CLOUD PRODUCT��終端用戶使用場景�、資料上雲提供多樣化看板(稼動率報表、故障報表、產量報表),手機端、PC端可即時查看,不受空間限制即時看板產量週報故障紀錄细部稼動率PC版單機資訊看板PC版稼動率看板PC版產量報表https:///zh_tw產品工藝管理整合工單及工藝資訊,提供最適化生產排程評估標準。
新代连网设置:连网硬件设置:需要注意网线,2台电脑直接连接的,需要网线2边的接头(1与3)\(2与6)跳线!如果是通过交换机或集线器的,就直接采用2头一样,按照规定颜色接线,即可!图-1.4硬件部分步骤一:连好网线,电脑、机床(控制器)上电,检查各网卡上的灯是否亮着,个人电脑的"网上邻居"中的属性里面"本地连接"是否闪烁步骤二:控制器的网卡上有的灯分绿、黄两色,绿灯网线插上后,即亮;黄灯是在数据传送的时候闪烁;可能网线或接口有问题,用好的网线来判断是网线还是接口及网卡的驱动程序1、如果绿灯不亮,应该是网线或主机版接口有问题;2、如果在读数据的时候,黄灯不亮,也是主机版或驱动程序有问题;请更换主机版或与厂家联系;备注设定完以上信息后,最好重新启动电脑一次(、、都一样);之后,要能打开"网上邻居"里面---(工作组)----(计算机)---(共享文件夹) 要能进入到共享文件夹里面重点:如果无法访问或只能通过搜索计算机才能找到,都不能连上,请检查个人电脑设置;**注1**步骤三:设定个人电脑的地址"网上邻居"属性--"本地连接"属性---"协议属性里面设(192.168.0.15 /255.255.255.0)、共享的文件(例:),同时把工作组(例:)和计算机名(例:)等以上设定的信息记录下来 如图1.1软件部分备注新代系统主机版分6751(块散热片)和6773(2块散热片);目前新版6773要确认控制器开机的第一个画面第3行显示是否有字样,不是请与厂家联系;2006年后,都有更新,客户可不用确认!步骤四:设定控制器的网络:系统中--参数设定()----网络设定() 根据提示输入之前记录下来的地址[192.168.0.12 /255.255.255.0 (末尾数值不要一样,子网掩码一样)] 、连线的计算机、共享的文件夹、工作组、设(关)连线使用者密码无如图1.2备注如果控制器是第一次连网,会有一个询问过程,当出现有选择时,是问你要保存否!直接输入"回车 !全过程全部"回车"即可!当未保存时,下次开机还会继续询问,步骤相同步骤五:先重新启动个人电脑,等开机完成进入操作界面后,再重新启动控制器;正常是跳出之后,控制器画面出现:看连网是否成功!!出现以上相同的2句,表示连网成功!否则连网失败!备注要查看警报的内容,进入个人电脑的下,输入:回车检查连接情况:回车步骤六:看控制器上跳出是几号警报,根据提示,来修改相关内容;**注2** 例:!!步骤七:根据以上的提示说明,修改相应的条件,之后重新启动控制器(如果是修改了个人电脑这边的,需要先重新启动,在开机床)连网成功请与机械厂家或苏州华新公司联系新代系统网络连接处理流程图1.1图1.3图1.2部分警报说明最重要的三点:1、控制器上的网络绿色指示灯要亮,读数据或PING的时候,要黄灯闪烁!2、要能在个人电脑上,点击网上邻居—工作组—计算机---共享文件夹—能顺利打开!!如果不能顺利打开,都要检查个人电脑的设置或网络重新安装(或修复本地连接),修改或设置过后,全部重新启动电脑一次,之后再进行上一步操作!3、对连不上网络时,有防火墙等,请先关闭,看能否连上!以防止被中途拦截!再解决防火墙的拦截设置问题!。
海宝设备联网生产执行系统详细设计说明书目录1.编写目的 (1)2.参考文档 (1)3.名称解释 (1)4.系统设计 (2)4.1模块设计 (2)4.2系统架构 (5)4.2.1 软件框架图 (6)4.2.2 详细技术架构 (7)4.3Socket通信设计 (8)4.3.1 Socket会话过程 (9)4.3.2 会话过程详细过程和代码实现 (9)4.4原型设计 (24)4.5全局常量定义 (27)4.6系统包目录结构 (27)5.数据库设计 (28)5.1E-R图 (29)5.2数据实体描述 (29)6.系统环境 (31)6.1Socket服务器环境 (31)6.2WEB服务器环境 (32)6.3开发工具以及环境 (32)1.编写目的确业务背景、业务范围、模块划分,基本业务逻辑和技术框架,预期读者包括:项目发起人、最终用户、项目管理团队、项目执行团队以及其他项目干系人。
2.参考文档➢技术选型说明文档.doc➢项目过程指南V1.2.JPG➢03.系统规划及设计研发V0.3.docx➢04.项目计划及过程控制V0.1.docx3.名称解释➢CNC :Computer numerical control的缩写,计算机数控机床。
➢Socket:"套接字",用于描述IP地址和端口,是一个通信链的句柄。
➢DLL:Dynamic Link Library的缩写形式,DLL是一个包含可由多个程序同时使用的代码和数据的库,DLL不是可执行文件。
➢B/S: Browser/Server(浏览器/服务器)。
➢Multithreading:多线程。
➢MVC:软件设计架构,分为Model(模型)- View(视图)- Contoller(控制器)。
➢Ajax:“Asynchronous JavaScript and XML”(异步JavaScript和XML),AJAX并非缩写词,而是由Jesse James Gaiiett创造的名词,是指一种创建交互式网页应用的网页开发技术➢TCP/IP:Transmission Control Protocol/Internet Protocol的简写,一种网络通讯协议,是Internet最基本的协议、Internet国际互联网络的基础,由网络层的IP协议和传输层的TCP协议组成➢Struts:运用MVC设计模型来开发Web应用。
新代控制器联网指导整理:金科杰日期:2008/11/18版本:V01注意:1、本手册上涉及电脑上的名称使用“”(双引号)标注,涉及控制器上的名称使用(下划线)标注,以示区别。
2、所有文件名称必须是英文字符和数字,使用中文是不识别的,即为乱码。
3、如在联网过程中遇到困难,请咨询新代科技。
目录第一章新代控制器直接与电脑联网 (2)1.1制作网线 (2)1.2设定控制器的盘符 (2)1.3用网线连接控制器的网口和电脑的网口 (2)1.4进入控制器网络参数设置对话框 (3)1.4.1联网基本设置 (7)1.4.1.1控制器设定 (7)1.4.1.2连线PC设定 (8)1.4.2联网进阶设置 (11)1.5 PC(电脑)的IP地址设置 (12)1.6 开机网络自检 (16)第二章新代控制通过路由器(Router)与电脑(PC)连接 (18)2.1 网线的制作 (18)2.2设定控制器的盘符 (18)2.3用网线连接控制器的网口和路由器的接口 (18)2.4进入控制器网络参数设置对话框 (19)2.4.1联网基本设置 (19)2.4.1.1控制器设定 (19)2.4.1.2连线PC设定 (20)2.4.2联网进阶设置 (20)2.5 PC(电脑)的IP地址设置 (20)2.6 开机网络自检 (21)2.6.1 控制器名称设定为默认值CNC (21)2.6.1 控制器名称设定不是默认值CNC (21)第三章文件的传入和传出操作 (24)3.1 文件的输入操作 (25)3.2 文件的输出操作 (28)橙白橙綠白藍藍白綠棕白棕UTP線RJ45接頭第一章 新代控制器直接与电脑联网这种联网方式是一台控制器连接一台电脑,是一对一的文件输入输出网络。
具体的联网步骤如下 1.1制作网线确定联网网线的长度,注意不要超过30M 。
网线规格是RJ45八芯对等线。
对等线的制作图示:发送端 接收端图1 对等线的制作一 图2 对等线的制作二 注意:对等线的规律是1--3线对调,2--6线对调,并根据上图注意线材的颜色! 1.2设定控制器的盘符控制器参数Pr3213 磁碟机代号(0:A 1:B 2:D 3:N )设为3,即网络盘盘符是N 盘。
1.3用网线连接控制器的网口和电脑的网口将步骤1制作完成的网线连接控制器的网口和电脑的网口。
观察控制器网口的两个LED 灯的亮闪状态。
控制器网口有两个LED 指示灯,一个为绿灯,一个为黄灯。
下图中红色线框标注处就是指示灯,左边为黄灯,右边为绿灯。
綠白綠橙白藍藍白橙棕白棕UTP 線RJ45接頭图3 主机板网络接口及其指示灯如果在网线把电脑和控制器连接起来时,绿色信号等常亮,黄色信号灯闪烁(大约2秒闪烁一次),则表示网线物理连接正常。
如果绿灯和黄灯都不亮,则说明网线制作不正确,检查网线。
1.4进入控制器网络参数设置对话框首先按退出键(ESC键)回到控制器主界面图4 控制器主界面然后按F6"参数设定"按键进入参数设定主界面图5 参数设定主界面进入如图界面时,依然没有看到联网参数设置选项,那么再按翻页键(右向箭头“>>”按键)进入参数设定的第二界面。
图6 参数设定第二界面如上图,可以看到网络设定的选项F3(用红色线框注处)。
再按F3即可进入网络设置对话框,如下图图7 网络设置对话框1再按翻页键(Page Down)进入网络对话框二图8 网络设置对话框2图7和图8都是网络参数设置对话框,其中图7中的对话框是基本设置,图8中的对话框是进阶设置。
现对照列出这两个部分,并详细叙述设定内容和方式。
图9 联网基本设置图10 联网进阶设置1.4.1联网基本设置1.4.1.1控制器设定控制器名称:一台控制器与电脑联网时,控制器名称用默认的“CNC”即可,一般不需要更改。
如果需要更改,输入任意的英文字母和数字组合即可,但是不要超过6个字符。
推荐使用CNC01等类型组合。
例如位址设定:这里是指控制器在网络中的IP地址。
在图中可以看到IP地址是4段,每段设定值的范围为0~255。
图中的值较为常用,建议采用这组IP地址。
子网路掩罩:这里指的是子网掩码,一律使用255.255.255.01.4.1.2连线PC设定连线PC名称连线PC名称,指的是与控制器联网的PC(电脑)名称。
在“我的电脑”右键,点击“属性”进入“系统属性”对话框图11 计算机名对话框点击“计算机名”(红线框选定)对话卡片,找到“完整的计算机名称”和“工作组”(红线框选定)。
根据上图的计算机名称信息,可以设定控制器上的连线PC名称,如下图注意:不要使用除英文字母和数字之外的字符作为连接PC名称,例如“-”,“、”等符号。
不要使超过10个字符的名称。
如果“完整的计算机名”不符合上述命名规范,强烈建议客户更改“完整的计算机名”。
还有图11中的“工作组”--WORKGROUP也需要关注,在图10联网进阶设置中可以看到工作群组的设定与之有关。
连线目录名称连接目录名称是指控制器可以读写的电脑上的共享目录(文件夹)名称。
名称的命名规范与上述连接PC名称一致。
该共享目录(文件夹)必须放置在电脑桌面上,放置在其它地方则会使联网失败。
以WINGDOWS XP为例,说明该共享目录的建立。
在桌面右击,光标移至"新建",点击"文件夹(F)"并把该“新建文件夹”更名为"public"右键点击"public"文件夹进入"属性"对话框再点击"共享"选项卡,即进入下图图12 文件共享选项设置一在红色线框内选定"网络上共享这个文件夹(S)"及"允许网络用户更改我的文件(W)"并写入共享名.图13 文件共享选项设置二点击"应用(A)"后再点击"确定",文件夹形式变更成为至此,电脑上的共享文件加设置完毕。
1.4.2联网进阶设置控制器设定工作群组根据图8中的联网电脑信息,可以设定为关闭DHCP这里的DHCP是指联网过程中的动态分配IP地址功能。
在联网时需要关闭该功能。
切记在网络设定是关闭该功能,否则会导致控制器在开机是一直停留在网络自检画面,无法进入系统。
如果发生上述情况,需要把网线拔掉,断开网络,重启控制器才能进入系统。
连线PC设定控制器与电脑联网,不需要对该项进行设定,所以用空白。
以上控制器的参数设置完毕后,进入对PC(电脑)的联网设置。
1.5 PC(电脑)的IP地址设置以WINDOWS XP系统为例。
电脑的IP地址采用手动分配方式。
左键双击打开"网上邻居",再点击左侧任务框中的"查看网路连接"选项。
图14 网上邻居设置查看网络连接图15 网络连接界面右击"本地连接",点击下拉菜单中的"属性"选项。
图16 本地连接属性一在蓝色线框的滚轮条拉至最下方,找到"Internet协议(TCP/IP)"图17 本地连接属性二双击"Internet协议(TCP/IP)"进入TCP/IP的设定界面。
图18 TCP/IP协议一点击"使用下面的IP地址(S)"选项图19 TCP/IP协议二输入蓝色线框中的"IP地址(I)"和"子网掩码(U)",使之与控制器上的位址设定,子网络掩码对应.其中"IP地址(I)"与"位址设定"的最后段码绝对对不能相同。
例如:IP地址设置子网掩码设置至此,网络设置全部完毕,重启控制器。
1.6 开机网络自检重启控制器,进入DOS自检状态,在自检第三屏时可以看到网络自检的英文显示:MS-DOS LAN Manager V2.1 NetbindMicrosoft Dos TCP/IP 1.0aThe command completed successfully.The command completed successfully.如图图20 网络自检提示一出现上述的自检英文提示,联网已经成功,可以进行文件(加工程式)的传入和传出。
如果出现如下自检英文提示,MS-DOS LAN Manager V2.1 NetbindMicrosoft Dos TCP/IP 1.0aThe command completed successfully.Error53: The command completed name specified in the network path can not be located. 如图图21 网络自检提示二出现上述的自检英文提示,联网失败。
检查各项参数设定,重新设定。
第二章 新代控制通过路由器(Router )与电脑(PC )连接控制器通过路由器(集线器、交换机均可)实现多台控制器与一台电脑实现组网,此时实现的是一(电脑)对多(多台控制器)的文件传入传出功能。
2.1 网线的制作确定联网网线的长度,注意不要超过30M 。
网线规格是RJ45八芯直通线。
直通线的制作图示发送/接收端图22 直通线的制作控制器和路由器,路由器到电脑的网络线材均采用如上图制作的直通线。
2.2设定控制器的盘符控制器参数Pr3213 磁碟机代号(0:A 1:B 2:D 3:N )设为3,即网络盘盘符是N 盘。
2.3用网线连接控制器的网口和路由器的接口路由器的网线接口有两中类型,其一是外网信号接入口(一般标注为WAN ),其二是分接口(一般标注为数字1、2、3...),如下图所示,控制器,电脑联入路由器均接入分接口,不可有接入外网信号接入口。
橙白橙綠白藍藍白綠棕白棕UTP線RJ45接頭图23 路由器接口图从控制器拉出的网线和从电脑拉出的网线只能接入红色线框标注的网口,绝不可接入蓝色叉叉标注的网口。
2.4进入控制器网络参数设置对话框参阅1.4章节2.4.1联网基本设置2.4.1.1控制器设定控制器名称:一台控制器通过路由器与电脑联网时,控制器名称仍可用默认的“CNC”,一般不需要更改。
如果需要更改,输入任意的英文字母和数字组合即可,但是不要超过6个字符。
推荐使用CNC01等类型组合。
如果是多台控制器通过路由器与电脑联网时,控制器名称不可用默认的“CNC”,必须重新设定,以保证每台控制器的名称能相互区别,决不可相同。
设定的规则推荐使用CNC01,CNC02,CNC03...例如第一台控制器第二台控制器第三台控制器位址设定:这里是指控制器在网络中的IP地址。
在图中可以看到IP地址是4段,每段设定值的范围为0~255。