建筑工程检验批划分计划清单
- 格式:doc
- 大小:178.00 KB
- 文档页数:12
检验批划分计划根据《建筑工程施工质量验收统一标准》、本工程图纸设计文件,结合现场实际情况,编制检验批划分计划,具体内容如下:一、地基与基础分部(1#地下车库2#~6#同1#地下车库)1、无支土方回填分项基础土方开挖,计一个检验批护土方土方开挖分项土方回填,计一个检验批子分部筏板基础、地下室墙柱、顶梁板模板安装,计二个检验批模板分项筏板基础、地下室墙柱、顶梁板模板拆除,计三个检验批筏板基础、地下室墙柱、顶梁板钢筋原材料,计三个检验批筏板基础、地下室墙柱、顶梁板钢筋加工,计三个检验批钢筋分项筏板基础、地下室墙柱、顶梁板钢筋连接,计三个检验批 2、砼基筏板基础、地下室墙柱、顶梁板钢筋安装,计三个检验批础子分基础垫层、筏板基础、地下室墙柱、顶梁板砼施工,计四个检验批部砼分项基础垫层、筏板基础、地下室墙柱、顶梁板现浇结构外观质量,计四个检验批基础垫层、筏板基础、地下室墙柱、顶梁板现浇结构尺寸偏差,计四个检验批地下防水地下室垫层上防水层、地下室外墙板防水层、地下室顶板防水层,计三个检验批砖砌体地下室墙体,计一个检验批二、建筑装饰装修基层地下室地面基层,计一个检验批 1、地面子分部水泥砼面层地下室水泥砼面层,计一个检验批 2、抹灰一般抹灰地下室内墙一般抹灰,计一个检验批金属门窗安装地下室门窗安装,计一个检验批 3、门窗特种门安装特种门安装,计一个检验批门窗玻璃安装地下室门窗玻璃安装,计一个检验批水性涂料涂饰地下室水性涂料涂饰,计一个检验批 4、涂饰护栏、扶手溶剂型涂料涂饰,计一个检验批溶剂型涂料涂饰护栏和扶手制作与5、细部护栏和扶手制作与安装,计一个检验批安装三、建筑屋面保温层屋面保温层,计一个检验批 1、卷材防水屋找平层屋面找平层,计一个检验批面卷材防水层屋面卷材防水层,计一个检验批细部构造屋面细部构造,计一个检验批四、建筑给排水及采暖给水管道及配给水管道及配件安装,计一个检验批 1、室内件安装给水系室内消火栓系统室内消火栓系统安装,计一个检验批统安装排水管道及配室内排水管道及配件安装,计一个检验批件安装 2、室内雨水管道及配雨水管道及配件安装,计一个检验批排水系件安装统排水管沟与井排水管沟与井池,计一个检验批池五、建筑电气成套配电柜、控制柜(屏、台)成套配电柜、控制柜(屏、台)和动力、照明配电箱(盘)安装,计一个检验批和动力、照明配1、电气电箱(盘)安装照明安电线、电缆导管装地下室电线、电缆导管和线槽敷设,计一个检验批和线槽敷设电线、电缆导管电线、电缆导管和线槽敷线,计一个检验批和线槽敷线普通灯具安装普通灯具安装,计一个检验批插座、开关、风插座、开关、风扇安装,计一个检验批扇安装建筑照明通电建筑照明通电试运行,计一个检验批试运行接地装置安装基础接地装置安装,计一个检验批避雷引下线和变配电室接地地下室避雷引下线和变配电室接地干线敷设,计一个检验批 2、防雷干线敷设及接地安装建筑等电位连地下室建筑等电位连接,计一个检验批接接闪器安装屋面接闪器安装,计一个检验批六、地基与基础(1#楼、2#~15#楼同1#楼) 1、无支土方回填分项基础土方开挖,计一个检验批护土方土方开挖分项土方回填,计一个检验批子分部2、砼基筏板基础、地下室墙柱、顶梁板模板安装,计二个检验批模板分项础子分筏板基础、地下室墙柱、顶梁板模板拆除,计三个检验批部筏板基础、地下室墙柱、顶梁板钢筋原材料,计三个检验批筏板基础、地下室墙柱、顶梁板钢筋加工,计三个检验批钢筋分项筏板基础、地下室墙柱、顶梁板钢筋连接,计三个检验批筏板基础、地下室墙柱、顶梁板钢筋安装,计三个检验批基础垫层、筏板基础、地下室墙柱、顶梁板砼施工,计四个检验批砼分项基础垫层、筏板基础、地下室墙柱、顶梁板现浇结构外观质量,计四个检验批基础垫层、筏板基础、地下室墙柱、顶梁板现浇结构尺寸偏差,计四个检验批地下防水地下室垫层上防水层、地下室外墙板防水层、地下室顶板防水层,计三个检验批砖砌体地下室墙体,计一个检验批七、主体结构一,阁楼层梁板柱模板安装,计五个检验批一,阁楼层柱模板拆除,计五个检验批模板分项一,阁楼层梁板模板拆除,计五个检验批一,阁楼层二次结构模板安装,计五个检验批一,阁楼层二次结构模板拆除,计五个检验批 1、砼结构子分一,阁楼层墙柱钢筋(原材料、加工、连接、安装),计二十个检验批部钢筋分项一,阁楼层顶梁板钢筋(原材料、加工、连接、安装),计二十个检验批一,阁楼二次结构(原材料、加工、连接、安装),计二十个检验批一,阁楼房层墙柱砼施工,计五个检验批砼分项一,阁楼房层顶梁板砼施工,计五个检验批一,阁楼层二次结构(原材料、配合比、施工),计十五个检验批一,阁楼房层墙柱现浇结构(外观质量、尺寸偏差),计十个检验批现浇结构分项一,阁楼房层顶梁板现浇结构(外观质量、尺寸偏差),计十个检验批一,阁楼层二次结构现浇结构(外观质量、尺寸偏差),计十个检验批 2、砌体填充墙砌体分结构子一,阁楼层,计五个检验批项分部七、建筑装饰装修基层地下室,一层地面基层,计二个检验批 1、地面子水泥砼面层地下室水泥砼面层,计一个检验批分部水泥砂浆面层一~阁楼层水泥砂浆面层,计五个检验批 2、抹灰一般抹灰地下室~阁楼层内墙一般抹灰,计六个检验批,东西南北立面外墙一般抹灰,计四个检验批金属门窗安装地下室~阁楼层门窗安装,计六个检验批 3、门窗特种门安装东西单元特种门安装,计二个检验批门窗玻璃安装地下室~阁楼层门窗玻璃安装,计六个检验批水性涂料涂饰地下室~阁楼水性涂料涂饰,计六个检验批 4、涂饰东、西单元护栏、扶手溶剂型涂料涂饰,计二个检验批溶剂型涂料涂饰护栏和扶手制作与5、细部东、西单元护栏和扶手制作与安装,计二个检验批安装八、建筑屋面保温层屋面保温层,计四个检验批(保温坡屋面、不上人不保温屋面、上人保温平屋面、不上人保温平屋面)找平层屋面找平层,计四个检验批(保温坡屋面、不上人不保温屋面、上人保温平屋面、不上人保温平屋面) 1、卷材屋面卷材防水层,计四个检验批(保温坡屋面、不上人不保温屋面、上人保温平屋面、不上人保温平屋防水屋卷材防水层面) 面细部构造屋面细部构造,计四个检验批(保温坡屋面、不上人不保温屋面、上人保温平屋面、不上人保温平屋面)九、建筑给排水及采暖给水管道及配地下室~阁楼层给水管道及配件安装,计六个检验批 1、室内件安装给水系室内消火栓系统地下室~阁楼层室内消火栓系统安装,计六个检验批统安装排水管道及配地下室~阁楼层室内排水管道及配件安装,计六个检验批 2、室内件安装排水系雨水管道及配统东、南、西、北立面雨水管道及配件安装,计四个检验批件安装十、建筑电气成套配电柜、控制柜(屏、台)地下室~阁楼层成套配电柜、控制柜(屏、台)和动力、照明配电箱(盘)安装,计六个检验批和动力、照明配1、电气电箱(盘)安装照明安电线、电缆导管装地下室~阁楼层电线、电缆导管和线槽敷设,计六个检验批和线槽敷设电线、电缆导管地下室~阁楼层电线、电缆导管和线槽敷线,计六个检验批和线槽敷线普通灯具安装地下室~阁楼层普通灯具安装,计六个检验批插座、开关、风地下室~阁楼层插座、开关、风扇安装,计六个检验批扇安装建筑照明通电建筑照明通电试运行,计一个检验批试运行接地装置安装基础接地装置安装,计一个检验批避雷引下线和变配电室接地地下室避雷引下线和变配电室接地干线敷设,计一个检验批 2、防雷干线敷设及接地安装建筑等电位连地下室建筑等电位连接,计一个检验批接接闪器安装屋面接闪器安装,计一个检验批。
建筑分部分项检验批划分一览表以下是建筑分部分项检验批划分的一览表:
1. 基础工程:
- 地基处理和处理后地基质量检验
- 基础施工和质量验收
2. 主体结构:
- 混凝土工程质量检验
- 钢结构工程质量检验
- 砌体工程施工和质量验收
- 隔墙工程施工和质量验收
- 屋面工程施工和质量验收
3. 建筑装饰:
- 外墙装饰工程施工和质量验收
- 内墙装饰工程施工和质量验收
- 地面装饰工程施工和质量验收
- 天棚装饰工程施工和质量验收
- 门窗装饰工程施工和质量验收
4. 建筑给排水:
- 给水工程施工和质量验收
- 排水工程施工和质量验收
- 下水道工程施工和质量验收
5. 暖通空调:
- 暖气工程施工和质量验收
- 通风工程施工和质量验收
- 空调工程施工和质量验收
6. 电气工程:
- 强电工程施工和质量验收
- 弱电工程施工和质量验收
- 照明工程施工和质量验收
7. 地下工程:
- 地下车库工程施工和质量验收
- 地下室工程施工和质量验收
8. 竣工工程:
- 竣工验收
以上是建筑分部分项检验批的划分一览表,具体的划分可以根据项目的实际情况进行调整。
中国建筑股份有限公司(厦门) 项目管理手册实施细则表格工程检验批划分及验收计划表格编号CSCEC-PM-1102 工程名称及编码禹州广场项目基本情况建筑面积:约6.8万㎡合同造价:25923万元结构:钢-混凝土混合结构规模:大型(2级)序号检验批名称检验批编号验收部位划分及验收依据验收时间验收人1 土方开挖工程10-18轴地基基础1批,《建筑地基基础工程施工质量验收规范》GB50202-20022 土方回填工程1-10轴、10-18轴地基基础2批,以后浇带划分GB50202-20023 混凝土灌注桩工程(混凝土灌注桩<钢筋笼>、混凝土灌注桩)10-18轴地基基础4批,以桩径划分GB50202-2002、GB50204-20024 降水与排水工程1-10轴、10-18轴地基基础2批,以后浇带划分GB50202-20025 排桩墙支护工程10-18轴地基基础2批,以桩型划分GB50202-2002、GB50204-20026 水泥砂浆防水工程1-10轴、10-18轴地下防水10批,以后浇带、楼层划分,《地下防水工程质量验收规范》GB50208-20117 涂料防水工程1-10轴、10-18轴地下防水10批,以后浇带、楼层划分,GB50208-20118 卷材防水工程1-10轴、10-18轴地下防水10批,以后浇带、楼层划分,GB50208-20119 细部构造工程1-10轴、10-18轴地下防水10批,以后浇带、楼层划分,GB50208-201110模板工程(模板安装工程模板拆除工程)1-10轴、10-18轴地基基础38批,以后浇带、楼层、核心筒划分,《混凝土结构工程施工质量验收规范》GB50204-2002。
目录一、工程概况 (2)二、编制依据 (2)三、各阶段资料 (2)3.1准备阶段: (2)3.2基础阶段 (3)3.2.1、土方开挖、回填 (3)3.2. 2挖孔桩 (3)3.2.3基础梁 (4)3.2. 4基础验收准备资料 (5)3.3主体结构阶段 (6)3.3.1混凝土结构部分 (6)3.3.2砌体部分 (7)3.3.3主体验收 (8)3.4装饰装修部分(含防水、节能、屋面工程) (9)3.4.1内外装饰部分 (9)3.4.2防水部分 (10)3.5节能保温部分 (11)3.6屋面工程 (12)四、检验批划分 .......................................... 错误!未定义书签。
一、工程概况工程名称:晋愉盛世融城C、D组团二期工程5、6、12及C区地下车库1-17轴建设单位:重庆晋愉峰海房地产有限公司设计单位:重庆源道建筑规划设计有限公司监理单位:重庆建新建设工程监理有限公司施工单位:江苏农垦盐城建设工程有限公司建设地点:重庆市大渡口区又山路北本工程为晋愉〃盛世融城二期组团工程5、6、12号楼及C区地下车库1-17轴,地处大渡口区八桥镇双山路北,5、6号楼为全现浇框架、剪力墙结构,建筑面积37125.24m2,。
12#楼为局部三层幼儿园,框架结构,一至三层层高均3.60米,首层室内地坪标高为±0.000,相当于绝对高程值356.80米,建筑面积1734.23平方米。
二、编制依据1、晋愉大发展盛世融城5、6、12号楼施工图;2、施工组织设计;3、《建筑工程施工质量验收统一标准》GB50300-2001;4、质监站交底资料;5、《重庆市施工技术资料编写示例》第四版。
三、各阶段资料3.1准备阶段:(1)、《单位(子单位)工程开工报告》;(2)、《图纸会审和设计交底记录》;(3)、《轴线检查记录》;(4)、《标高检查记录》;(5)、原材料检测(钢材、水泥、砂、石)(6)、配合比检测(垫层、护壁、砂浆)(7)、《施工现场质量管理检查记录》;3.2基础阶段3.2.1、土方开挖、回填(1)、《土方开挖工程检验批质量验收记录表》;(2)、《土方回填工程检验批质量验收记录表》;(3)、《基槽工程隐蔽验收记录》;(4)、《技术交底记录》(土方开挖、回填)(5)、土方击实试验;(6)、土方环刀试验;3.2. 2挖孔桩(1)、《混凝土灌注桩(钢筋笼)工程检验批质量验收记录表(Ⅰ)》;(2)、《混凝土灌注桩工程检验批质量验收记录表(一)(Ⅱ)》;(3)、《混凝土灌注桩工程检验批质量验收记录表(二)(Ⅱ)》;(4)、《人工挖孔桩隐蔽检查记录》;(5)、《挖孔桩护壁钢筋隐蔽验收记录》;(6)、挖孔桩护壁《模板安装工程检验批质量验收记录表(Ⅰ)》(7)、护壁《混凝土施工检验批质量验收记录表(Ⅱ)》(8)、护壁砼试块留置一组按楼幢(9)、桩芯砼试块按桩数量留置(10)、岩芯抽检按桩数量的10%做试验(11)、低应变检测(全数抽查)3.2.3基础梁模板需做部位:垫层、基础梁(1)《模板安装工程检验批质量验收记录表(Ⅰ)》(2)《模板拆除工程检验批质量验收记录表(Ⅲ)》(3)《钢筋加工工程检验批质量验收记录表(Ⅰ)》(4)《钢筋连接工程检验批质量验收记录表(Ⅱ)》(5)《钢筋安装工程检验批质量验收记录表(Ⅲ)》(6)《混凝土施工检验批质量验收记录表(Ⅱ)》;(7)《防水混凝土检验批质量检查记录》(8)《钢筋及预埋件隐蔽检查记录》;(9)《混凝土施工检查记录》;(10)《混凝土浇灌许可证》;(11)《钢筋连接接头检查记录》;(12)《技术交底记录》(模板、钢筋、混凝土)(13)《施工记录表》(钢筋、模板、混凝土)(14)《焊工登记表》(15)《轴线检查记录》;(16)《标高检查记录》;(17)基础梁砼试块、墙板砼试块(按不同标号,不超过100m3留置一组, 500方以内每100方一组,超过500方按每200方一组);(18)钢筋原材检测;按同一规格、型号、同一炉批号不超过60吨为一组;(19)钢筋连接试验;按同一规格不超过300个接头留置一组;3.2. 4基础验收准备资料(1)、基础验收汇报材料(2)、基坑槽验收会议记录(3)、各种材料合格证、厂家提供检测报告分类汇总;(4)、《水泥出厂证明和取样试验报告单汇总表》;(5)、《钢材连接取样试验报告汇总表》;(6)、《钢材出厂质量证明和取样试验报告单汇总表》;(7)、《混凝土其它材料合格证明和进场复验报告汇总表》;(8)、《混凝土强度质量评定表》;(9)、《混凝土抗压强度试验报告单汇总表》;(按评定批划分表格)(10)、《分部子分部工程质量验收记录》(11)、钢筋、模板、混凝土《分项工程质量验收记录》(12)、《强条施检表1,基本要求》(13)、《强条施检表2-1,地基基础(一)》(14)、《强条施检表2-2,地基基础(二)》(15)、(钢筋、模板、混凝土)《分项工程质量验收记录》3.3主体结构阶段3.3.1混凝土结构部分主体结构验收批按楼层划分(1)《模板安装工程检验批质量验收记录表(Ⅰ)》(2)《模板拆除工程检验批质量验收记录表(Ⅲ)》(3)《钢筋加工工程检验批质量验收记录表(Ⅰ)》(4)《钢筋连接工程检验批质量验收记录表(Ⅱ)》(5)《钢筋安装工程检验批质量验收记录表(Ⅲ)》(6)《混凝土施工检验批质量验收记录表(Ⅱ)》;(7)《防水混凝土检验批质量检查记录》;(8)《钢筋及预埋件隐蔽检查记录》;(9)《混凝土施工检查记录》;(10)《混凝土浇灌许可证》;(11)《钢筋连接接头检查记录》;(12)《技术交底记录》(模板、钢筋、混凝土、砌体)(13)《施工记录表》(钢筋、模板、混凝土)(14)《焊工登记表》;(15)《轴线检查记录》;(16)《标高检查记录》;(17)结构梁板砼试块、墙柱砼试块(按不同强度等级,不超过100m3留置一组, 500方以内每100方一组,超过500方按每200方一组),抗渗混凝土需留置相应的抗渗试件;对同一部位应同时留置标养、同条件、及拆模试块,标养及同条件试块按每一批各留置一组,实际施工时最好每次多留一组备用试块。
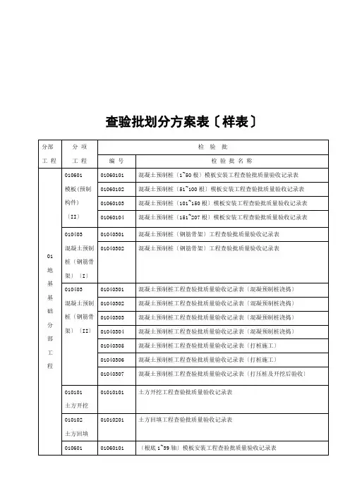
工程检验批划分明细序号分部工程子分部工程分项工程检验批划分依据检验批划分计划1 地基与基础结构基础土方开挖基槽按验槽封底批次划分(桩、基坑数量不得少于10%,且不得少于10个)①4-F~4-C/4-1~4-12②4-C~3-R/4-1~4-12③3-R~3-K/4-1~4-12④3-K~3-E/4-1~4-12⑤3-E~3-A/4-1~4-12⑥3-A~1-J/4-1~4-12⑦1-J~1-D/1-1~1-14⑧1-D~1-A/1-1~1-14共8个检验批钢筋砼护壁支护钢筋、模板、混凝土按浇灌批次划分检验批①4-A~4-F/4-1~4-3②4-A~4-F/4-3~4-9③4-A~4-F/4-9~4-12④4-A~3-S/4-1~4-5⑤2-W~2-S/1-6~1-14⑥3-S~3-N/4-1~4-4⑦2-V~2-S/1-1~1-6⑨2-R~2-N/1-10~1-14⑩3-N~3-J/3-1~3-611 2-R~2-N/1-1~1-612 3-J~3-F/3-1~3-6与1-1~1-513 2-N~2-K/1-5~1-1014 2-N~2-L/1-10~1-1415 2-L~2-H/1-9~1-1416 3-F~3-A/3-1~3-617 2-K~2-D/2-6~1-218 2-K~2-E/1-2~1-1019 2-H~2-E/1-10~1-1420 2-D~1-L/2-1~1-321 2-E~1-M/1-3~1-822 2-E~2-B/1-8~1-1423 2-B~1-J/1-10~1-1424 1-M~1-J/1-1~1-1025 1-J~1-E/1-1~1-626 1-E~1-A/1-1~1-627 1-J~1-G/1-8~1-1428 1-J~1-C/1-6~1-1429 1-A~1-C/1-6~1-14共29个检验批钢筋砼基础、桩基钢筋、模板、混凝土按浇灌批次划分检验批基础浇筑与垫层浇筑①4-A~4-F/4-1~4-3②4-A~4-F/4-3~4-9③4-A~4-F/4-9~4-12④4-A~3-S/4-1~4-5⑤2-W~2-S/1-6~1-14⑦2-V~2-S/1-1~1-6⑧2-T~2-N/1-6~1-10⑨2-R~2-N/1-10~1-14⑩3-N~3-J/3-1~3-611 2-R~2-N/1-1~1-612 3-J~3-F/3-1~3-6与1-1~1-513 2-N~2-K/1-5~1-1014 2-N~2-L/1-10~1-1415 2-L~2-H/1-9~1-1416 3-F~3-A/3-1~3-617 2-K~2-D/2-6~1-218 2-K~2-E/1-2~1-1019 2-H~2-E/1-10~1-1420 2-D~1-L/2-1~1-321 2-E~1-M/1-3~1-822 2-E~2-B/1-8~1-1423 2-B~1-J/1-10~1-1424 1-M~1-J/1-1~1-1025 1-J~1-E/1-1~1-626 1-E~1-A/1-1~1-627 1-J~1-G/1-8~1-1428 1-J~1-C/1-6~1-1429 1-A~1-C/1-6~1-14后浇带分二次做与垫层①3-S~4-F/2-1~1-14②2-V~1-L/2-1~1-6③2-R~1-L/1-6~1-14④1-L~1-A/1-1~1-14共66个检验批人工回填室内、室外各划分一个检验批1# 2# 3# 4# 5# 6# 7# 8# 住宅楼室内1# 2# 3# 办公楼室内地下室室内地下室室外共13个检验批地下室防水按具体部位流水段划分检验批,后浇带防水应一个检验批止水带安装按具体部位流水段划分检验批,后浇带防水应一个检验批外墙面止水带①4-A~4-F/4-1~4-3②4-A~4-F/4-3~4-9③4-A~4-F/4-9~4-12④4-A~3-S/4-1~4-5⑤2-W~2-S/1-6~1-14⑥3-S~3-N/4-1~4-4⑦2-V~2-S/1-1~1-6⑧2-T~2-N/1-6~1-10⑨2-R~2-N/1-10~1-14⑩3-N~3-J/3-1~3-611 2-R~2-N/1-1~1-612 3-J~3-F/3-1~3-6与1-1~1-513 2-N~2-K/1-5~1-1014 2-N~2-L/1-10~1-1415 2-L~2-H/1-9~1-1416 3-F~3-A/3-1~3-617 2-K~2-D/2-6~1-218 2-K~2-E/1-2~1-1019 2-H~2-E/1-10~1-1420 2-D~1-L/2-1~1-321 2-E~1-M/1-3~1-822 2-E~2-B/1-8~1-1423 2-B~1-J/1-10~1-1424 1-M~1-J/1-1~1-1025 1-J~1-E/1-1~1-626 1-E~1-A/1-1~1-627 1-J~1-G/1-8~1-1428 1-J~1-C/1-6~1-1429 1-A~1-C/1-6~1-14后浇带止水带①3-S~4-F/2-1~1-14②2-V~1-L/2-1~1-6③2-R~1-L/1-6~1-14④1-L~1-A/1-1~1-142 主体结构钢筋砼结构钢筋、模板、砼结构按一层楼或施工段划分为一个检验批(柱、墙可单独划分为一个检验批)①住宅1#地上28层地下2层②住宅2#地上30层地下2层③住宅3#地上28层地下3层④住宅4#地上28层地下3层⑤住宅5#地上18层地下2层⑥住宅6#地上18层地下2层⑦住宅7#地上18层地下2层⑧住宅8#地上11层地下2层⑨办公楼1#地上4层地下2层⑩办公楼2#地上5层地下1层11 办公楼3#地上13层地下2层12 沿江商业地上3层地下2层13 沿街商业地上3层地下1层14 夹层及地下室地下2层共235个检验批砖砌体结构砖砌体、拉结筋、过梁、构造柱(钢筋、模板及砼)、窗台板、砖砌体卧梁钢筋安装、砖砌烟道等按每一层划分为一个检验批(高层可按三~六层一个检验批)①住宅1#地上28层地下2层②住宅2#地上30层地下2层③住宅3#地上28层地下3层④住宅4#地上28层地下3层⑤住宅5#地上18层地下2层⑥住宅6#地上18层地下2层⑦住宅7#地上18层地下2层⑧住宅8#地上11层地下2层⑨办公楼1#地上4层地下2层⑩办公楼2#地上5层地下1层11 办公楼3#地上13层地下2层12 沿江商业地上3层地下2层13 沿街商业地上3层地下1层14 夹层及地下室地下2层共235个检验批3建筑装饰装修楼地面1、住宅:花园洋房每两层划分为一个检验批(应附冲筋、房间净空尺寸检查记录)高层非标准层按每层划分一个检验批,标准层按3~6层划分一个检验批。
房建工程检验批划分齐全二期Z10#楼检验批划分计划工程名称:二期Z10#楼建设单位:XXX设计单位:XXX勘察单位:XXX施工单位:XXX监理单位:XXX建设地点:***社区内检验批的划分是为了确定分项工程验收批数量。
一个分项工程可按工程的特点分为一个或若干个检验批进行验收。
在检验批划分和数量确定时,应视工程的特点(如施工段、结构缝、楼层、部位、工艺、系统等)情况进行确定,这样便于质量管理和工程质量控制,也便于质量验收。
一、地基与基础分部工程名称分部子分部分项检验批数量划分说明土方开挖无支护土方土方回填防水砼地下防水卷材防水层1 1 3 室顶板各一个筏板基础、基础梁、地下模板安装4室墙板、地下室顶板各一个筏板基础、基础梁、地下整体划分为1各检验批砼基础模板拆除4室墙板、地下室顶板各一个钢筋4室墙板、地下室顶板各一个混凝土按基础垫层,基础混凝土2筏板,基础墙、柱、梁划分为3个检验批后浇带砼砌体基础砖砌体 1 整体划分为1各检验批二、主体结构分部分部子分部分项工程名称检验批数量划分说明砼结构每层1~19轴柱墙1个模板安装72 每层20~38轴柱墙1个每层1~19轴梁板1个每层20~38轴梁板1个模板拆除每层1~19轴柱墙1个每层20~38轴柱墙1个每层1~19轴梁板1个每层20~38轴梁板1个每层1~19轴柱墙1个每层20~38轴柱墙1个每层1~19轴梁板1个每层20~38轴梁板1个每层1~19轴柱墙1个每层20~38轴柱墙1个每层1~19轴梁板1个每层20~38轴梁板1个该建筑的主体结构包括钢筋和混凝土。
每层有一层柱墙和一层梁板,钢筋和混凝土的数量分别为72.砌体结构填充墙每层有一个砌体18.建筑装饰装修分部包括门窗制作与安装、饰面砖粘贴、涂饰、护栏和扶手制作与安装。
木门窗制作与安装、塑料门窗安装和玻璃安装每三层划分为一个检验批。
饰面砖粘贴、水性涂料涂饰和溶剂型涂料涂饰每层划分为一个检验批。
护栏和扶手制作与安装每三层划分为一个检验批。
房建工程材料检测和检验批划分计划第一节材料检测计划1、钢材钢筋进场时,按批进行检查和验收。
每批有同牌号、同炉罐号、同规格、同交货状态的钢筋组成,重量不得大于60t。
2、水泥(1)本工程使用的袋装水泥,进场复试以同一水泥厂同期出厂的同品种、同强度等级、同一出厂编号的水泥为一检验批,但一验收批的总量不得超过200t。
(2)随机从不少于二十袋中各取等量水泥,经混拌均匀后,再从中称取不少于12kg的水泥作为试样。
3、黄砂(1)以同一产地、同一规格每400m3或600t为一验收批,不足400m3或600t 也按一批计。
每一验收批取样一组(20kg)。
(2)取样部位应均匀分布,在料堆上从8个不同部位抽取等量式样(每份11kg)。
然后用四分法缩至20kg。
取样前先将取样部位表面铲除。
4、石子(1) 以同一产地、同一规格每400m3或600t为一验收批,每一验收批取样一组。
(2)一组试样40kg(最大粒径10、16、20㎜)或80kg(最大粒径31.5、40㎜)取样部位应均匀分布,在堆料上从五个不同部位抽取大致相等的试样15份(堆料的顶部、中部、底部),每份5-40kg,然后缩分至40kg或80kg送试。
5、非承重粘土空心砖(1)每5万块为一验收批,不足5万块也按一批计。
(2)每批从尺寸偏差和外观质量检验合格的砖中随机抽取抗压强度试验试样一组(10块)。
6、防水材料6.1高聚物改性沥青防水卷材SBS(1)以同一生产厂的同一品种、同一等级的产品,大于1000卷抽5卷,100-499卷抽4卷,100卷以下抽2卷,进行规格尺寸和外观检查。
在外观质量检查合格的卷材中,任取一卷做物理性能检验。
(2)将试样卷材切除距外层卷头2500㎜后,顺纵向切取800㎜的2块全幅卷材试样送试。
6.2聚氨醋防水涂料(1)同一生产厂,以甲组分每5t为一验收批,不足5t也按一批计算。
乙组分按产品重量配比相应增加(2)每一验收批按产品的配比分别取样,甲、乙组分样品总重为2kg(3)搅拌均匀后的样品,分别装入干燥的样品容器中,样品容器内应留有5%的空隙,密封并作好标志7、钢筋连接7.1直螺纹连接(1)接头的现场检验按验收批进行。
检验批划分及验收计划一、基础分部工程分部工程子分部工程分项工程检验批检查内容主控项目一般项目基础分部工程钢筋砼钢筋以每一次浇灌砼前所检查绑扎好地梁的钢筋为一检验批1、主筋间距;2、主筋长度;3、钢材原材;4、主筋连接方式。
1、箍筋间距;2、钢筋直径;3、钢筋接头位置。
模板以每一次浇灌砼前所检查模板校正牢固好地梁为一检验批1、模板支撑稳定情况;2、在涂刷模板隔离剂时不得沾污钢筋和砼接搓处。
1、模板接缝;2、模板清理;3、轴线;4、截面尺寸;5、标高。
砼以每一次所浇灌砼地梁为一检验批1、砼所用材料复检情况;2、砼配合比;3、砼试件留取组数。
4、外观质量不应有严重缺陷;5、梁断面尺寸。
1、砼搅拌首次作开盘鉴定;2、砼坍落度;3、砼养护。
砌体墙砌体以所有基础砌体为一检验批1、块体的强度等级;2、砌筑砂浆的强度等级。
1、轴线、垂直度、2、组砌方法及错缝搭砌;3、灰缝厚度及砂浆饱满度;4、表面平整度;5、洞口宽度;6、拉结筋位置、间距。
二、主体分部工程分部工程子分部工程分项工程检验批检查内容主控项目一般项目主体分部工程砼结构工程钢筋以每一楼层每现浇结构中的柱、梁板钢筋为一检验批1、钢材原材;2、受力钢筋的弯钩和弯折;3、箍筋弯钩形式;4、主筋连接方式;5、焊接接头的力学性能;6、受力钢筋的品种、规格、级别、数量。
1、箍筋间距;2、钢筋外观质量;3、钢筋接头位置及接头百分率;4、受力钢筋的间距、排距、保护层厚度。
模板以每一楼层每现浇结构中的柱、梁板钢筋为一检验批1、模板支撑稳定情况;2、在涂刷模板隔离剂时不得沾污钢筋和砼接搓处。
1、模板接缝;2、模板清理;3、轴线;4、截面尺寸;5、标高;6、垂直度砼以每一楼层每现浇结构中的柱、梁板钢筋为一检验批1、砼所用材料复检情况;2、砼配合比;3、砼试件留取组数。
4、外观质量不应有严重缺陷;5、梁断面尺寸;初凝时间的控制。
1、砼搅拌首次作开盘签定;2、砼坍落度;3、砼养护;4、施工缝的位置及处理。
遵义市新区开发投资有限责任公司综合楼(建筑装饰装修部分)检验批划分计划编制:审核:审批:2015年4月8日根据本工程特点,有利于质量控制,能取得较完整的技术数据,抽样方法按一定的比例抽样,达到质量验收结果的可比性,又本着检验批划分的原则,每个分项工程划分一定数量的检验批,具体划分详见遵义市新区开发投资有限责任公司综合楼检验批划分简图。
为了便于控制,检查和验收施工工序的质量,发现问题及时纠正,并能反映出该项目的质量特征,又不花费太多的人力和物力。
在分项工程中,一个分项工程检验批划分都有它的代表性和特殊性,并划分一定的检验批,其为最小检验批单位。
在具体施工中,如遇特殊情况,及时与现场监理、建设方联系,本着对工程负责的原则,按照具体情况办法进行处理,并及时有效地向监督单位上报情况。
本划分计划包含室内精装修按照专业划分另行编制《检验批划分计划》(安装部分)和《检验批划分计划》(室内精装修部分)实用标准文档一、分部分项工程划分示意图如下:二、检验批划分详细1、地面工程1.1 地面工程—找平层1号楼共8层,每层划分为1个检验批。
共8个检验批。
2号楼共3层,每层划分为1个检验批。
共3个检验批。
3号楼共3层,每层划分为1个检验批。
共3个检验批。
共计:14个检验批。
1.2地面工程—砖面层1号楼共8层,每层划分为1个检验批,共8个楼梯间,每个楼梯间划分为一个检验批,共16个检验批。
2号楼共3层,每层划分为1个检验批,共3个楼梯间,每个楼梯间划分为一个检验批,共6个检验批。
3号楼共3层,每层划分为1个检验批,共3个楼梯间,每个楼梯间划分为一个检验批,共6个检验批。
共计:28个检验批1.3地面工程—大理石和花岗岩面层1号楼共8层,每层划分为1个检验批。
共8个检验批。
2号楼共3层,每层划分为1个检验批。
共3个检验批。
3号楼共3层,每层划分为1个检验批。
共3个检验批。
共计:14个检验批。
1.4地面工程—地毯1号楼共3层,每层划分为1个检验批。
建筑工程质量检验批划分计划表1. 引言本文档旨在制定建筑工程质量检验批划分计划表,以确保建筑工程的质量符合相关标准和要求。
该计划表将进行建筑工程质量检验批的划分及相关工作的组织和安排。
2. 目标建筑工程质量检验批划分计划表的目标是:•确保建筑工程质量符合相关标准和要求;•有效组织和安排建筑工程质量检验批划分及相关工作;•提高建筑工程质量控制的效率和准确性;•提前发现和解决建筑工程质量问题,避免后期修复和维护成本的增加。
3. 质量检验批划分计划3.1 质量检验批划分依据建筑工程质量检验批的划分按照以下依据进行:•建筑工程设计图纸和相关技术文件;•建筑工程施工组织设计文件;•建筑工程质量管理文件;•相关国家和行业标准。
3.2 质量检验批划分方法质量检验批划分采用如下方法:1.按照施工工序进行划分,例如地基处理、砌筑、混凝土浇筑等;2.按照施工区域进行划分,例如主楼、附属建筑、塔吊区等;3.按照施工工艺进行划分,例如水电安装、给排水工程、保温隔热等。
3.3 质量检验批划分表根据上述划分方法,制定以下质量检验批划分表:序号质量检验批名称检验批划分依据1 地基处理质量检验批地基处理图纸和技术文件2 砌筑质量检验批砌筑施工组织设计文件3 混凝土浇筑质量检验批建筑工程质量管理文件、混凝土浇筑工艺标准4 水电安装质量检验批水电安装图纸和技术文件5 给排水工程质量检验批给排水工程施工组织设计文件6 保温隔热质量检验批保温隔热工程施工组织设计文件4. 质量检验工作组织和安排4.1 质量检验工作组织质量检验工作由以下人员组织和安排:•工程质量部门:负责组织和协调质量检验工作,制定质量检验计划;•施工单位:负责具体质量检验批的施工和质量控制工作;•监理单位:负责监督和检查质量检验工作的执行情况。
4.2 质量检验工作安排质量检验工作按照以下步骤进行:1.工程质量部门制定质量检验计划,明确各质量检验批的时间和地点;2.施工单位组织施工人员按计划进行质量检验批的施工;3.监理单位对施工单位的质量检验工作进行监督和检查;4.工程质量部门组织对质量检验结果进行评审和记录。
高层建筑检验批划分方案
检验批划分原则和方法:
根据《建筑工程施工质量验收统一标准》和相关施工质量验收规规定的检验批划分的原则。
针对各楼号设计施工图所含容、施工组织设计中施工段的划分、结合相关规关于检验批划分的原则要求。
根据《建筑工程施工质量验收统一标准》中第4.0.5条“分项工程可由一个或若干个检验批组成,检验批可根据施工及质量控制和专业验收需要按楼层、施工段、变形缝等进行划分”的规定,进行本工程的检验批的划分。
一、地基与基础分部工程
地基与基础分部工程由4个子分部工程组成,共划分为138个检验批。
(一)有支护土方子分部工程
有支护土方工程含6个分项工程划分为12个检验批
1、土方开挖工程为6个检验批
2、土方回填工程为6个检验批
(二)阀板基础子分部工程
阀板基础子分部工程含6个分项工程划分为60个检验批。
1、模板工程分为12个检验批即模板安装、模板拆除各6个检验批。
2、钢筋工程分为12个检验批即钢筋原材料、加工和钢筋连接、安装各6个检验批。
3、混凝土施工设计为24个检验批,即垫层原材料配合比设计和阀板原材料配合比设计各12个检验批;垫层施工和阀基施工各12个检验批。
4、现浇结构工程划分为12个检验批。
(三)地下车库结构子分部工程
地下车库结构子分部工程划分为54个检验批。
1、模板工程划分为12个检验批含电梯井、剪力墙、柱、楼梯板、梁板等模板的安装和拆除各6个检验批。
2、钢筋工程划分为24个检验批即原材料、加工和连接、安装各12个检验批。
3、混凝土施工工程划分为12个检验批即以电梯井、剪力墙、柱、梁板的原材料配合比设计和施工各6个检验批。
4、现浇混凝土结构工程划分为6个检验批。
(四)基础防水分部工程
基础防水子分部工程含6个分项工程划分为12个检验批。
1、阀板防水划分为1个检验批。
2、墙板防水层划分为1个检验批。
地基与基础分部分项工程检验批划分表
二、主体分部分项工程检验批划分
本工程主体由钢筋混凝土框架结构和填充墙所组成。
按照《建筑工程施工质量验收统一标准》第4.0.5条规定检验批可根据施工及质量控制和专业验收需要按楼层,施工段,变形缝等进行划分。
(一)钢筋混凝土框剪结构子分部工程
钢筋混凝土框剪结构子分部工程含5个分项工程,划分为1353个检验批。
1、模板分项工程划分为246个检验批即模板安装每层一个施工段(9#楼为二个施工段)。
模板安装、拆除各为123个检验批,共计246个检验批。
2、钢筋分项工程划分为492个检验批,即钢筋原材料、加工为246个检验批;
钢筋连接安装为246个检验批。
3、混凝土施工分项工程划分为246个检验批。
即墙、电梯井、顶板、梁、柱原材料配合比设计分项划分为123个检验批,混凝土施工123个检验批。
4、现浇框剪结构分项工程划分为123个检验批。
5、后浇带分项工程:由于量少,将其划分为2个检验批。
(二)砌体结构子分部工程
砌体结构子分部工程含2个分项工程,划分为96个检验批。
1、填充墙砌体分项工程划分为每层每段为1个检验批,即48检验批。
2、钢筋砌体分项工程划分为每层每段为1个检验批,即48个检验批。
主体分部分项工程检验批划分表
三、建筑装饰装修分部分项工程
建筑装饰装修分部含:地面、抹灰,门窗、涂饰、细部等五个子分部工程共计1242个检验批。
(一)地面子分部工程
地面子分部工程含水泥沙浆面层、混凝土找平层、防水层三个分项工程。
根据《建筑地面工程施工质量验收规》第3.0.18.1规定高层建筑标准层可按每三层(不足三层按三层计)作为检验批的规定,划分为123个检验批。
(二)抹灰子分部工程
抹灰子分部工程仅含一个分项工程,根据《建筑装饰工程质量验收规》第4.1.5条规定:1、相同材料工艺和施工条件的室外抹灰工程每500至1000m2应划分为一个检验批。
不是500m2也应该划分一个检验批。
抹灰工程共划分123个检验批。
(三)门窗子分部工程
门窗子分部工程含木门窗制作与安装、特殊门安装、门窗玻璃安装等4个分项工程,根据《建筑装饰装修工程质量验收规》第5.1.5条规定:1、同一品种、类型和规格的木门窗、金属门窗、塑料门窗及门窗玻璃每100樘划分为1个检验批,不足100樘也应该划分为1个检验批。
2、同一品种、类型和规格的特种门每50樘应划分1个检验批,不足50樘也应该划分为1个检验批。
门窗工程共划分为498个检验批。
(四)涂饰子分部工程
根据《建筑装饰装修工程验收规》第10.1.3规定:1、室外涂饰工程每一幢楼的同类涂料的墙面每500至1000m2应划分1个检验批,不足500m2也
应划分为一个检验批。
涂饰子分部工程含水性涂料和溶剂型涂料涂饰两个分项工程,共计划分为252个检验批。
(五)细部子分部工程
根据《建筑装饰装修工程质量验收规》第12.1.5规定:1、同类产品每50间(处)应划分为1个检验批,不足50间(处)也应划分为一个检验批。
2、每部楼梯应划分为一个检验批。
细部子分部工程含窗台板、护栏和扶手制作与安装2个分项工程,计划为246个检验批。
建筑装饰装修工程分部工程检验批划分表
四、建筑屋面分部分项工程
本工程设计为卷材防水屋面和上人屋面两个子分部工程。
(一)不上人屋面
卷材防水屋面子分部工程含4个分项工程共计划分为42个检验批。
(二)上人屋面
上人屋面子分部工程含6个分项工程共计划分为48个检验批。
建筑屋面分部分项工程检验批划分表
五.建筑给水、排水
建筑给水、排水及采暖分部工程含五个子分部工程,根据《建筑给水、排水及采暖工程施工质量验收规》第3.1.5条,建筑给水、排水及采暖工程的分项工程应按系统、区域、施工段或楼层等划分。
分项工程应划分成若干个检验批进行验收的规定。
本工程按楼层划分检验批,共计划分3个分项234个检验批。
(一)室给水系统安装
室给水系统子分部工程含给水管道及配件安装,室消火栓系统安装和给水设备安装3个分项工程共划分为80个检验批。
(二)室排水安装系统
室排水系统安装子分部工程含排水管道及配件安装,雨水管道及配件安装2个分项工程划分为43个检验批。
(三)卫生器具安装
卫生器具安装子分部工程含:卫生器具安装、卫生器具给水配件安装和卫生器具排水管道安装3个分项工程共划分为111个检验批。
建筑给排水及采暖分部分项工程检验批划分表
六、建筑电气工程
建筑电气工程含电气动力、电气照明和防雷和接地安装三个子分部工程,根据《建筑电气工程施工质量验收规》第28.0.1条规定:
(一)电气动力
电气动力子分部工程含5个分项工程共划分为192个检验批。
(二)电气照明安装
电器照明安装子分部工程含6个分项工程共计划分为160个检验批。
(三)防雷及接地安装
防雷及接地安装子部分项工程含4个分项工程共划分为224个检验批。
建筑电气分部分项工程检验批划分表
七、通风与空调
通风与空调分部工程含9个分项工程,共计划分为54个检验批。
(一)风管与配件制作
风管与配件制作分项工程,共计6个检验批。
(二)风管系统安装
风管系统安装分项工程,共计划分为6个检验批。
(三)风管与设备绝缘
风管与设备绝缘分项工程,共计划分为6个检验批。
(四)制冷管道及配件安装
制冷管道及配件安装分项工程,划分为6个检验批。
(五)冷凝水管道安装
冷凝水管道安装分项工程,划分为6个检验批。
(六)冷凝水管通水试验
冷凝水管通水试验分项工程,划分为6个检验批。
(七)冷媒管道气密性试验
冷媒管道气密性试验分项工程,共计划分为6个检验批。
(八)风机安装
风机安装分项工程,共计划分为6个检验批。
(九)系统调试
系统调试分项工程,共计划分为6个检验批。
通风与空调分项工程检验批划分表
八、智能建筑
智能建筑分部工程含4个子分部工程均按系统划分检验批共计划分36个检验批。
(一)通讯网络系统
通讯网络系统子分部工程仅含1个分项,合计6个检验批。
(二)办公自动化系统
办公自动化系统子分部工程由1个分项,共计6个检验批。
(三)建筑安全防系统
建筑安全防系统子分部工程含电视监控系统和入侵报警系统2个分项工程,划分为12个检验批。
(四)电源与接地
电源与接地系统子分部工程含智能建筑电源和防雷与接地2个分项工程,划分为12个检验批。
智能建筑分部分项工程检验批划分表。