钢轨伤损标准
- 格式:docx
- 大小:138.77 KB
- 文档页数:6
钢轨重伤标准钢轨重伤标准钢轨作为铁路交通的基础设施之一,承载着列车的重量和运行的压力。
然而,在使用的过程中,钢轨也会受到各种因素的影响,可能会出现不同程度的损伤。
为了确保铁路的安全运行,需要制定一套钢轨重伤标准,对于损伤程度较为严重的钢轨进行修复或更换。
一般来说,钢轨的损伤可以分为轻度损伤、中度损伤和重度损伤三个等级。
具体的标准如下:1. 轻度损伤:轻度损伤主要指钢轨表面出现的一些小坑洞、划痕或者局部磨损。
这种损伤一般不会对列车的正常运行造成太大影响,但如果不及时修复,可能会逐渐扩大,进而影响到列车的稳定性和行驶安全。
因此,一旦发现轻度损伤,应及时进行维修和磨光处理,以保证钢轨的平整度和表面质量。
2. 中度损伤:中度损伤是指钢轨表面出现较深的坑洞、裂纹或者局部变形。
这种损伤已经超出了轻度损伤的范畴,对列车的正常运行会产生一定的影响。
如果不及时修复,中度损伤可能会进一步扩大,甚至引发更严重的问题,如钢轨断裂等。
因此,对于中度损伤的钢轨,应立即停止使用,并进行更换或者修复。
3. 重度损伤:重度损伤是指钢轨出现严重的破裂、变形或者断裂等情况。
这种损伤已经严重影响到列车的正常运行和行驶安全,必须立即停止使用,并进行更换。
重度损伤可能是由于长时间的使用或者外力冲击等原因导致的,如果不及时处理,将会对铁路交通造成严重危害。
除了以上三个等级的损伤标准外,还需要考虑以下几个因素:1. 损伤位置:钢轨的不同位置对列车运行的影响也不同。
例如,如果损伤出现在弯道上,将会对列车的稳定性产生更大影响;如果损伤出现在道岔处,将会对列车的转向产生更大影响。
因此,在制定钢轨重伤标准时,需要考虑到不同位置对列车运行的特殊要求。
2. 损伤数量:如果某一段铁路上同时出现多个钢轨损伤,将会对列车运行产生更大影响。
因此,在制定标准时,需要考虑到损伤数量对列车运行的综合影响。
3. 损伤类型:钢轨的损伤类型多种多样,如疲劳断裂、脱轨、焊接缺陷等。
钢轨伤损标准HUA system office room 【HUA16H-TTMS2A-HUAS8Q8-HUAH1688】铁道部、铁运2006(146)铁路线路修理规则钢轨、尖轨、可动心轨、辙叉伤损标准第3.4.3条钢轨伤损按程度分为轻伤、重伤和折断三类。
一、钢轨轻伤和重伤标准钢轨轻伤和重伤标准见表3.4.3—1、表3.4.3—2和表3.4.3—3。
探伤人员、线路(检查)工长认为钢轨有伤损时,也可判为轻伤或重伤。
二、钢轨折断标准钢轨折断是指发生下列情况之一者:1.钢轨全截面断裂;2.裂纹贯通整个轨头截面;3.裂纹贯通整个轨底截面;4.允许速度不大于160km/h区段钢轨顶面上有长度大于50mm且深度大于10mm的掉块,允许速度大于160km/h区段钢轨顶面上有长度大于30 mm且深度大于5 mm的掉块。
钢轨轻伤和重伤标准表3.4.3—1钢轨头部磨耗轻伤标准表3.4.3—2注:①总磨耗=垂直磨耗+1/2侧面磨耗。
②垂直磨耗在钢轨顶面宽1/3处(距标准工作边)测量。
③侧面磨耗在钢轨踏面(按标准断面)下16 mm.处测量。
钢轨头部磨耗重伤标准表3.4.3—3普通线路和无缝线路缓冲区的重伤和折断钢轨应及时更换。
换下的重伤和折断钢轨应有明显的标记,防止再用。
无缝线路钢轨重伤和折断,应按第条的规定处理。
在桥上或隧道内的轻伤钢轨,应及时进行更换或处理。
第3.9.7条尖轨、可动心轨有下列伤损或病害,应及时修理或更换:一、尖轨尖端与基本轨或可动心轨尖端与翼轨不靠贴大于1mm。
二、尖轨、可动心轨侧弯造成轨距不符合规定。
三、尖轨、可动心轨顶面宽50mm及以上断面处,尖轨顶面低于基本轨顶面、可动心轨顶面低于翼轨顶面2 mm及以上。
四、尖轨、可动心轨顶面宽50nm及以下断面处,尖轨顶面高于基本轨顶面、可动心轨顶面高于翼轨顶面2 mm及以上。
五、尖轨、可动心轨工作面伤损,继续发展,轮缘有爬上尖轨、可动心轨的可能。
六、内锁闭道岔两尖轨相互脱离时,分动外锁闭道岔两尖轨与连接装置相互分离或外锁闭装置失效时。
钢轨重伤标准1.钢轨头部磨耗:垂磨大于10mm,侧磨大于17mm2.钢轨表面在任何部位有裂纹(包含螺孔裂纹、轨头下颚水平裂纹(透锈)、轨腰水平裂纹、轨头纵向裂纹、轨底裂纹);3.轨端或轨顶面剥落掉块,其长度超过30mm,且深度超过8mm;4.钢轨在任何部位变形(轨头扩大、轨腰扭曲或鼓包等),经判断确认内部有暗裂;5.钢轨锈蚀除去铁锈后,轨底厚度小于5mm(在轨底边缘处测量)或轨腰厚度小于8mm;6.轨顶面擦伤深度超过2mm(不含剥落掉块);7.钢轨探伤人员或养路工长认为有影响行车安全的其他缺陷(含黑核、白核)。
8、钢轨低头超过3.5mm普通线路(道岔)的重伤钢轨应及时更换,换下后应及时用白漆刷上明显的“×”标记,防止再铺用。
在桥上或隧道内的轻伤钢轨,应及时更换。
伤损高锰钢辙叉轻伤、重伤标准一、高锰钢整铸辙叉轻伤标准:1.在辙叉心宽40mm的断面处,辙叉心垂直磨耗(不含辙叉翼轨加高部分)在正线上超过4mm,在到发线上超过6mm,在其他站线上超过8mm;2.辙叉顶面和侧面在任何部位有裂纹;3.辙叉心、辙叉翼轨面剥落掉块,长度超过15mm,深度超过3mm;4.钢轨探伤人员或养路工长认为有伤损的辙叉。
二、高锰钢整铸辙叉重伤标准:1.在辙叉心宽40mm的断面处,辙叉心垂直磨耗(不含辙叉翼轨加高部分)在正线上超过6mm,在到发线上超过8mm,在其他站线上超过10mm;5.叉趾、叉跟浇注断面变化部位斜向或水平裂纹,长度超过120mm或虽未超过120mm,但裂纹垂直高度超过40mm;6.底板裂纹向内裂至轨腰,并超过轨腰与圆弧的连接点;7.螺栓孔裂纹延伸至轨端、轨头下颏或轨底,两个螺栓孔裂通;8.辙叉心、辙叉翼轨面剥落掉块,长度超过30mm,深度超过6mm时;9.钢轨探伤人员或养路工长认为有影响行车安全的其它缺陷。
三、钢轨组合辙叉的垂直磨耗比照高锰钢整铸辙叉办理,其他伤损比照钢轨轻重伤标准办理。
辙叉有轻伤时,应注意检查观测,达到重伤标准时,应及时更换。
钢轨伤损标准(一)钢轨伤损标准什么是钢轨伤损?钢轨伤损是指铁路线路中的钢轨在使用过程中发生了磨损、裂缝、损伤等情况所造成的问题,这些问题会影响铁路的运行安全和效率。
钢轨伤损的危害钢轨伤损会对铁路运行造成严重的影响,其中最主要的是:1.削弱钢轨的承载能力,增加了轮渡时的异响和震动,影响行车的安全性。
2.改变轮轨之间的接触面积,使接触点的压力集中在较小的范围内,进一步加剧了钢轨的损伤。
3.增加了参数调整的工作量,增加了铁路的维修成本。
钢轨伤损的标准为了确保铁路的稳定和安全,铁路部门制定了一整套的钢轨伤损标准,对钢轨不同程度的伤损问题进行了分类和处理:1.轻微伤损:包括小裂纹、翘起等,不会对行车安全造成严重影响,但是需要及时对其进行维修。
2.中等伤损:包括较大的裂纹、破碎、变形等,可能会对行车安全产生影响,需要及时更换或维修。
3.严重伤损:包括断裂、脱轨等,可能会对行车安全带来重大危害,必须立即停开,更换钢轨。
钢轨的检测铁路部门为了及时发现钢轨的伤损,保障铁路的安全和效率,定期对钢轨进行检测,主要的检测方式有以下几种:1.目视检查:利用肉眼观察钢轨表面的情况,查找是否有明显的裂纹、磨损等问题。
2.回波超声检测:利用声波对钢轨的内部结构进行扫描,发现表面看不出来的问题,如铁腐、裂纹等。
3.磁吉氏检测:利用磁场对钢轨材料进行探测,发现一些表面看不出来的裂纹、缺陷等问题。
钢轨维修对于伤损的钢轨,应该及时维修或更换,以确保铁路的运行安全和效率。
钢轨的维修主要包括以下几种:1.焊接:对于轻微的伤损问题,可以进行焊接处理,尽可能的保留现有的钢轨。
2.更换:对于严重伤损的钢轨,必须进行更换,以确保铁路的运行安全。
3.加固:对于一些机务性能较好的钢轨,在其长期使用中,可以采用加固方式进行处理。
通过以上方式,对于不同程度的钢轨伤损问题有了清晰的处理标准和方法,可以确保铁路运行的安全和效率。
钢轨伤损问题的治理除了钢轨的及时检测和维修外,还需要采取一些措施来治理钢轨伤损问题,包括:1.加强铁路线路的维护和保养,保证铁路线路的平整度和稳定性,减少钢轨的磨损和损伤。
钢轨轻伤和重伤标准1--1
钢轨折断标准:
1、钢轨全截面至少断成两部分;
2、裂纹已经贯通整个轨头截面;
3、裂纹已经贯通整个轨底截面;
4、允许速度大于120km/h区段钢轨顶面有长大于50mm,深大于10mm的掉块,允许速度大于160km/h区段钢轨顶面有长大于30mm,深大于5mm的掉块。
钢轨重伤标准
(文字补充部分)
1、钢轨内部有裂纹:包括核伤(含黑核、白核)、钢轨纵向裂纹等;
2、钢轨表面有裂纹:包括螺孔裂纹、轨头下颚裂纹(透绣)、轨腰水平裂纹、轨头纵向裂纹、轨底裂纹等(不
含轮轨接触疲劳引起轨顶面表面或近表面是鱼鳞裂纹);
3、轨头下颚透绣长度超过30mm;
4、钢轨在任何部位变形(轨头扩大,轨腰扭曲或鼓包),经确认内部有暗裂;
5、钢轨探伤人员和线路(检查)工长认为有影响安全的其他缺陷。
钢轨伤损标准 The latest revision on November 22, 2020铁道部、铁运2006(146)铁路线路修理规则钢轨、尖轨、可动心轨、辙叉伤损标准第条钢轨伤损按程度分为轻伤、重伤和折断三类。
一、钢轨轻伤和重伤标准钢轨轻伤和重伤标准见表—1、表—2和表—3。
探伤人员、线路(检查)工长认为钢轨有伤损时,也可判为轻伤或重伤。
二、钢轨折断标准钢轨折断是指发生下列情况之一者:1.钢轨全截面断裂;2.裂纹贯通整个轨头截面;3.裂纹贯通整个轨底截面;4.允许速度不大于160km/h区段钢轨顶面上有长度大于50mm且深度大于10mm 的掉块,允许速度大于160km/h区段钢轨顶面上有长度大于30 mm且深度大于5 mm的掉块。
②垂直磨耗在钢轨顶面宽1/3处(距标准工作边)测量。
③侧面磨耗在钢轨踏面(按标准断面)下16 mm.处测量。
折断钢轨应有明显的标记,防止再用。
无缝线路钢轨重伤和折断,应按第条的规定处理。
在桥上或隧道内的轻伤钢轨,应及时进行更换或处理。
第条尖轨、可动心轨有下列伤损或病害,应及时修理或更换:一、尖轨尖端与基本轨或可动心轨尖端与翼轨不靠贴大于1mm。
二、尖轨、可动心轨侧弯造成轨距不符合规定。
三、尖轨、可动心轨顶面宽50mm及以上断面处,尖轨顶面低于基本轨顶面、可动心轨顶面低于翼轨顶面2 mm及以上。
四、尖轨、可动心轨顶面宽50nm及以下断面处,尖轨顶面高于基本轨顶面、可动心轨顶面高于翼轨顶面2 mm及以上。
五、尖轨、可动心轨工作面伤损,继续发展,轮缘有爬上尖轨、可动心轨的可能。
六、内锁闭道岔两尖轨相互脱离时,分动外锁闭道岔两尖轨与连接装置相互分离或外锁闭装置失效时。
七、其他伤损达到钢轨轻伤标准时。
第条基本轨有下列伤损或病害,应及时修理或更换:一、曲股基本轨的弯折点位置或弯折尺寸不符合要求,造成轨距不符合规定。
二、基本轨垂直磨耗,50kg/m及以下钢轨,在正线上超过6mm,到发线上超过8mm,其他站线上超过10mm;60kg/m及以上钢轨,在允许速度大于120km/h的正线上超过6mm,其他正线上超过8mm,到发线上超过10mm,其他站线上超过11 mm(33 kg/m及其以下钢轨由铁路局稠定)。
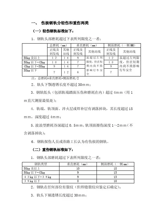
一、伤损钢轨分轻伤和重伤两类(一)轻伤钢轨标准如下:1.钢轨头部磨耗超过下表所列限度之一者;2.轨头下颚透锈长度不超过30mm;3.钢轨低头(包括轨端踏面压伤和磨耗在内)超过4mm(用1m直尺测量最低处);4.轨端、轨顶面、淬火层或焊补层有剥落掉块,其长度超过15mm,深度超过4mm;5.波浪型磨耗谷深超过0.5mm,轨顶面擦伤深度1~2mm(不含剥落掉块);6.钢轨探伤人员或养路工长认为有伤损的钢轨。
(二)重伤钢轨标准如下:1.钢轨头部磨耗超过下表所列限度之一者;2.钢轨在任何部位有裂纹(但焊缝裂纹应鉴定后确定);3.轨头下颏透锈长度超过30mm;4.轨端或轨头踏面剥落掉块,其长度超过30mm,深度超过8mm;5.钢轨在任何部位变形(轨头扩大、轨腰扭曲不直或鼓包等),经判断确认内部有暗裂;6.钢轨锈蚀除去铁锈后,轨底厚度小于5mm(在轨底边缘处测量)或轨腰厚度小于8mm;7.轨顶面擦伤深度超过2mm(不含剥落掉块);8.钢轨探伤人员或养路工长认为有影响行车安全的其他缺陷(含黑核、白核)。
普通线路(道岔)和无缝线路缓冲区的重伤钢轨应及时更换,换下后应垛上明显的“×”标记,防止再铺用。
无缝线路长钢轨的重伤,应按条有关规定处理。
在桥上或隧道内的轻伤钢轨,应及时更换。
(三)线路伤损钢轨标志轻伤:△;轻伤有发展:△△;重伤:△△△。
二、伤损辙叉分轻伤和重伤两类(一)高锰钢整铸辙叉轻伤标准:1.在辙叉心宽40mm的断面处,辙叉心垂直磨耗(不含辙叉翼堆高部分)在正线上超过4mm,在到发线上超过6mm,在其他站线上超过8mm;2.辙叉上面和侧面在任何部位有裂纹;3.辙叉心、辙叉翼轨面剥落掉块,长度超过15mm,深度超过3mm;4.钢轨探伤人员或养路工长认为有伤损的辙叉。
(二)高锰钢整铸辙叉重伤标准:1.在辙叉心宽40mm的断面处,辙叉心垂直磨耗(不含辙叉翼堆高部分)在正线上超过6mm,在到发线上超过8mm,在其他站线上超过10mm;2.垂直裂纹长度(含轨面部分裂纹长度)超过下表限度者;3.纵向水平裂纹长度超过下表限度者;4.叉趾、叉跟的轨头及下颏部位裂纹超过30mm;5.叉趾、叉跟浇注断面变化部位斜向或水平裂纹,长度超过120mm或虽未超过120mm,但裂纹垂直高度超过40mm;6.底板裂纹向内裂至轨腰,并超过轨腰与圆弧的连接点;7.螺栓孔裂纹延伸至轨端、轨头下颏或轨底,两个螺栓孔裂通;8.辙叉心、辙叉翼轨面剥落掉块,长度超过30mm,深度超过6mm时;9.钢轨探伤人员或养路工长认为有影响行车安全的其它缺陷。
钢轨重伤标准钢轨是铁路运输中不可或缺的重要部件,它承载着列车的重量,并且承受着列车行驶时的巨大压力。
因此,钢轨的质量和安全性直接关系到铁路运输的安全和稳定。
钢轨的重伤标准是指在使用过程中,钢轨受到了一定程度的损坏,需要进行维修或更换的标准。
本文将重点介绍钢轨重伤标准的相关内容。
首先,钢轨的重伤标准主要包括以下几个方面,裂纹、变形、磨损、断面损伤等。
裂纹是指钢轨表面或内部出现裂缝,严重影响了钢轨的承载能力和使用寿命。
变形是指钢轨在使用过程中因受到外部力量或其他原因而发生了形状的改变,严重影响了列车的行驶稳定性。
磨损是指钢轨表面因受到摩擦力而逐渐磨损,导致钢轨的高度和轮踏面的接触面积减小,影响了列车的牵引和制动性能。
断面损伤是指钢轨的横截面出现了裂缝或者变形,严重影响了钢轨的整体强度和稳定性。
其次,钢轨的重伤标准是根据钢轨的材质、使用条件、技术要求等因素来确定的。
不同类型和规格的钢轨在使用过程中受到的力量和损伤程度是不同的,因此重伤标准也会有所差异。
同时,钢轨在不同的使用条件下,比如高速铁路、重载铁路、弯道铁路等,受到的损伤程度也会有所不同。
此外,钢轨的技术要求和使用标准也会对重伤标准产生影响,比如对于高速列车来说,对钢轨的裂纹和磨损标准要求会更加严格。
最后,钢轨的重伤标准是铁路运输安全管理的重要内容之一。
铁路运输是国家重要的交通运输方式,而钢轨的安全性直接关系到列车的安全和乘客的生命财产安全。
因此,对钢轨的重伤标准进行科学合理的制定和执行,对于保障铁路运输的安全和稳定具有重要意义。
只有通过严格的重伤标准,及时发现并处理钢轨的损伤,才能确保列车的安全行驶,保障铁路运输的正常运营。
综上所述,钢轨的重伤标准是铁路运输中不可或缺的重要内容,它直接关系到列车的安全和稳定。
钢轨的重伤标准主要包括裂纹、变形、磨损、断面损伤等几个方面,是根据钢轨的材质、使用条件、技术要求等因素来确定的。
通过科学合理的重伤标准制定和执行,可以保障铁路运输的安全和稳定,为人民群众提供更加便利、安全的出行环境。
钢轨伤损标准钢轨是铁路运输系统中的重要组成部分,其质量状况直接关系到列车行驶的安全和舒适度。
钢轨在使用过程中会受到各种因素的影响,导致不同程度的损伤。
为了保障铁路运输的安全和稳定,制定了钢轨伤损标准,以便对钢轨的损伤进行评估和处理。
首先,钢轨的伤损可以分为表面伤损和内部伤损两大类。
表面伤损主要包括磨耗、腐蚀、裂纹等,而内部伤损则包括变形、断裂、松动等。
这些伤损会直接影响钢轨的使用寿命和安全性能,因此需要根据具体情况制定相应的标准进行评定和处理。
其次,钢轨伤损标准应包括了对各种伤损类型的描述和分类,以及相应的评定标准和处理措施。
例如,对于钢轨表面的磨耗,应包括了磨耗的程度、位置和对列车行驶的影响等内容,以便进行合理的评定和处理。
对于内部伤损,应包括了对断裂、松动等情况的描述和评定标准,以及相应的处理方法和要求。
此外,钢轨伤损标准还应包括了对伤损的监测和检测要求。
铁路运输系统中,对钢轨的监测和检测是非常重要的,可以及时发现钢轨的伤损情况,采取相应的措施进行修复和处理,以保障列车行驶的安全和稳定。
因此,钢轨伤损标准应包括了对监测和检测设备的要求,以及监测和检测的频率和方法等内容。
最后,钢轨伤损标准的制定和执行需要相关部门和人员的密切配合。
铁路运输系统是一个复杂的系统工程,对钢轨伤损的评定和处理需要相关部门和人员的共同努力。
只有各方密切配合,才能保障钢轨的质量和安全,确保铁路运输的顺利进行。
综上所述,钢轨伤损标准是铁路运输系统中的重要标准之一,对于保障列车行驶的安全和稳定起着至关重要的作用。
钢轨伤损标准的制定和执行需要各方的共同努力,只有这样,才能保障铁路运输的安全和稳定。
希望相关部门和人员能够高度重视钢轨伤损标准,加强对钢轨伤损的评定和处理,为铁路运输的发展贡献力量。
钢轨伤损标准
钢轨伤损标准主要包括以下几种类型:
1. 割伤:钢轨之间的割伤通常是由于铁路道岔或车辆制动力矩等原因造成的。
它会影响桥墩等设施的结构安全,需要及时维修。
2. 裂纹:裂纹是钢轨长时间使用后产生的损伤,通常发生在磨合带降级处、桩有锤击痕、弯道轨、拼接处等地方,对行车安全有很大的影响。
3. 大面积磨损:大面积磨损通常是由于货车或长期磨损而导致的,会导致钢轨表面凹坑,咬合等症状。
4. 变形:变形就是在不太好的铁路环境下继续长期使用钢轨,其变形程度受到事件频率、列车重量、雨雪等环境因素的影响。
变形也会导致钢轨的运行安全问题。
维修标准如下:
1. 割伤:铁路运营单位应及时进行修复,恢复正常行车状态。
2. 裂纹:对于轨道上的裂纹,铁路运营单位应定期进行检查,以及根据裂纹的程度、位置等特点,作出相应的维修措施。
3. 大面积磨损:对于大面积磨损的钢轨,需要进行翻新处理,或者更换新的钢轨。
4. 变形:补救变形的措施分为轨距调整、轨线修整、加固钢轨和更换钢轨等多种方式,铁路运营单位应根据变形程度采取相应的措施。
钢轨伤损标准
钢轨是铁路运输系统中最重要的组成部分之一,它直接影响着
列车的安全和运行效率。
因此,对钢轨的伤损进行标准化管理显得
尤为重要。
钢轨伤损标准主要包括以下几个方面:
一、表面损伤。
钢轨的表面损伤是指钢轨表面出现的划痕、磨损、锈蚀等情况。
表面损伤会导致钢轨的表面粗糙度增加,降低列车通过时的平稳性,甚至影响到列车的制动效果。
因此,钢轨的表面损伤应当按照一定
的标准进行分类和评定,以便及时采取修复或更换措施。
二、几何尺寸损伤。
钢轨的几何尺寸损伤是指钢轨的轨面、轨腰、轨底等部位出现
的变形、磨损、变形等情况。
几何尺寸损伤会直接影响列车的行驶
稳定性和安全性,因此,对钢轨的几何尺寸损伤也需要进行标准化
管理,及时发现并采取相应的维修措施。
三、内部损伤。
钢轨的内部损伤是指钢轨内部出现的裂纹、变形、断裂等情况。
内部损伤是最为严重的钢轨损伤,往往会在列车通过时引发严重的
事故。
因此,对钢轨的内部损伤必须进行严格的检测和评定,并且
及时进行维修或更换。
四、声音和振动。
钢轨的声音和振动是评定钢轨伤损的重要指标之一。
通过对列
车通过时的声音和振动进行监测和分析,可以及时发现钢轨的异常
情况,并采取相应的措施进行修复或更换。
综上所述,钢轨伤损标准是铁路运输系统中不可或缺的重要环节。
只有严格按照标准对钢轨进行管理和维护,才能确保列车的安
全运行和乘客的出行安全。
希望相关部门能够加强对钢轨伤损标准
的制定和执行,为铁路运输系统的安全发展提供有力保障。
钢轨轻伤和重伤标准1--11钢轨折断标准:1、钢轨全截面至少断成两部分;2、裂纹已经贯通整个轨头截面;3、裂纹已经贯通整个轨底截面;4、允许速度大于120km/h区段钢轨顶面有长大于50mm,深大于10mm的掉块,允许速度大于160km/h 区段钢轨顶面有长大于30mm,深大于5mm的掉块。
2钢轨重伤标准(文字补充部分)1、钢轨内部有裂纹:包括核伤(含黑核、白核)、钢轨纵向裂纹等;2、钢轨表面有裂纹:包括螺孔裂纹、轨头下颚裂纹(透绣)、轨腰水平裂纹、轨头纵向裂纹、轨底裂纹等(不含轮轨接触疲劳引起轨顶面表面或近表面是鱼鳞裂纹);3、轨头下颚透绣长度超过30mm;4、钢轨在任何部位变形(轨头扩大,轨腰扭曲或鼓包),经确认内部有暗裂;5、钢轨探伤人员和线路(检查)工长认为有影响安全的其他缺陷。
3钢轨伤损标记1—44钢轨头部磨耗轻伤标准1—2注:1总磨耗=垂直磨耗+1/2侧面磨耗。
2、垂直磨耗在钢轨顶面1/3处(标准工作边)测量。
3、侧面磨耗在钢轨踏面(按标准断面)下16mm处测量。
5钢轨头部磨耗重伤标准1—36道岔伤损标准:2010年1月监控车间一、锰钢整铸辙岔轻伤标准(含可动心轨辙岔中高锰钢整铸翼轨、岔跟座)1、岔心宽40mm断面处,辙岔心垂直磨耗(不含翼轨加高部分),50kg/m及以下部分,在正线上超过4mm,在到发现上超过6mm,其他站线上超过8mm;60kg/m及以上钢轨,在允许速度超过120km/h正线上超过4mm,其他正线上超过6mm,到发线上超过8mm,其他站线上超过10mm;可动心轨宽40mm断面及可动心宽20mm断面对应的翼轨垂直磨耗(不含翼轨加高部分)超过4mm.2、岔顶面和侧面的任何部位有裂纹。
3、岔心、辙岔翼轨面剥落掉块,在允许速度大于120km/h 的线路上长度超过15mm,且深度超过 1.5mm;在其他线路上长度超过15mm,且深度超过3mm.4、轨探伤人员和线路(检查)工长认为有伤损的辙岔。
钢轨伤损标准钢轨是铁路运输系统中的重要组成部分,负责支撑列车行驶并传递车辆荷载。
然而,长期使用和环境因素的影响都会导致钢轨出现不同程度的损伤,这些损伤如果不及时修复,将会对铁路运输的安全和效率造成严重影响。
因此,建立钢轨伤损标准是非常必要的。
首先,钢轨的伤损可以分为几个主要类型,包括磨耗、疲劳裂纹、变形和损伤等。
磨耗是由于列车通过摩擦力造成的表面磨损,疲劳裂纹则是由于长期的荷载作用导致的裂纹产生,变形是指钢轨在使用过程中出现的形状变化,损伤则是指由外部因素引起的各种损伤。
钢轨的伤损标准应当对这些类型的伤损进行详细分类,并确定相应的修复标准和措施。
其次,对于不同类型的伤损,应当制定相应的检测标准和周期。
例如,对于磨耗和疲劳裂纹,应当定期进行超声波检测和磨耗深度测量,以确保及时发现并修复问题。
对于变形和损伤,应当建立相应的形状测量和损伤评估标准,以便及时采取相应的修复措施。
此外,钢轨的伤损标准还应当包括对修复材料和方法的规范。
不同类型的伤损可能需要采用不同的修复材料和方法,因此应当明确规定每种类型伤损的修复材料和方法,并对其进行质量要求和检测标准。
最后,钢轨伤损标准的制定还应当考虑到铁路运输的实际情况和需求。
例如,不同线路和运输条件下,钢轨的伤损情况可能存在差异,因此应当根据实际情况对伤损标准进行细化和差异化制定,以确保其实用性和可操作性。
综上所述,钢轨伤损标准的制定对于铁路运输系统的安全和效率至关重要。
通过对不同类型伤损的详细分类和规范修复标准的制定,可以有效地保障钢轨的使用安全和寿命,并最大限度地提高铁路运输的效率和可靠性。
因此,应当高度重视钢轨伤损标准的制定和执行,以确保铁路运输系统的安全和可靠运行。
钢轨重伤标准钢轨是铁路运输中的重要部件,承载着列车的重量,保障着铁路运输的安全畅通。
然而,由于长期的使用和环境的影响,钢轨也会出现各种问题,其中重伤是一种严重的破坏。
在铁路运输中,一旦钢轨出现重伤,将会对列车运行造成严重影响,甚至引发事故。
因此,对钢轨的重伤标准进行认真的研究和制定,对于保障铁路运输的安全和稳定具有重要意义。
一、重伤定义。
钢轨的重伤,是指其表面或内部出现了严重的裂纹、变形或磨损,使得其结构出现严重损坏,影响钢轨的正常使用和安全运行。
重伤的形成主要是由于长期的列车运行、重载和恶劣的环境条件等因素共同作用所致。
二、重伤标准。
1. 表面裂纹,当钢轨表面出现长度超过30cm,深度超过2mm 的裂纹时,即可判定为重伤。
2. 内部裂纹,通过超声波探伤等技术检测,当钢轨内部出现长度超过50cm,深度超过3mm的裂纹时,即可判定为重伤。
3. 变形,当钢轨出现变形,使得其轨面高低不平超过5mm时,即可判定为重伤。
4. 磨损,当钢轨表面磨损深度超过5mm时,即可判定为重伤。
三、重伤处理。
一旦钢轨被判定为重伤,需要立即停止使用,进行更换或维修。
对于不同类型的重伤,需要采用相应的维修方法,以确保钢轨的安全和稳定。
1. 表面裂纹,对于表面裂纹严重的钢轨,需要进行局部切割和焊接处理,以恢复其完整性和稳定性。
2. 内部裂纹,对于内部裂纹严重的钢轨,需要进行整体更换,以确保其内部结构的完整和安全。
3. 变形,对于变形严重的钢轨,需要进行冷弯或热处理,以恢复其原有形状和功能。
4. 磨损,对于严重磨损的钢轨,需要进行研磨和表面处理,以恢复其表面的平整和光滑。
四、重伤预防。
为了减少钢轨的重伤发生,需要加强对钢轨的定期检测和维护。
利用先进的检测技术,对钢轨进行全面的检测,及时发现和处理潜在的问题,以确保钢轨的安全和稳定。
五、结语。
钢轨的重伤标准对于铁路运输的安全和稳定具有重要意义。
只有严格执行重伤标准,及时处理和预防钢轨的重伤,才能确保铁路运输的安全畅通。
钢轨伤损标准
Company number:【0089WT-8898YT-W8CCB-BUUT-202108】
铁道部、铁运2006(146)铁路线路修理规则
钢轨、尖轨、可动心轨、辙叉伤损标准第3.4.3条钢轨伤损按程度分为轻伤、重伤和折断三类。
一、钢轨轻伤和重伤标准
钢轨轻伤和重伤标准见表3.4.3—1、表—2和表—3。
探伤人员、线路(检查)工长认为钢轨有伤损时,也可判为轻伤或重伤。
二、钢轨折断标准
钢轨折断是指发生下列情况之一者:
1.钢轨全截面断裂;
2.裂纹贯通整个轨头截面;
3.裂纹贯通整个轨底截面;
4.允许速度不大于160km/h区段钢轨顶面上有长度大于50mm且深度大于10mm的掉块,允许速度大于160km/h区段钢轨顶面上有长度大于30 mm且深度大于5 mm的掉块。
②垂直磨耗在钢轨顶面宽1/3处(距标准工作边)测量。
③侧面磨耗在钢轨踏面(按标准断面)下16 mm.处测量。
普通线路和无缝线路缓冲区的重伤和折断钢轨应及时更换。
换下的重伤和折断钢轨应有明显的标记,防止再用。
无缝线路钢轨重伤和折断,应按第条的规定处理。
在桥上或隧道内的轻伤钢轨,应及时进行更换或处理。
第3.9.7条尖轨、可动心轨有下列伤损或病害,应及时修理或更换:
一、尖轨尖端与基本轨或可动心轨尖端与翼轨不靠贴大于1mm。
二、尖轨、可动心轨侧弯造成轨距不符合规定。
三、尖轨、可动心轨顶面宽50mm及以上断面处,尖轨顶面低于基本轨顶面、可动心轨顶面低于翼轨顶面2 mm及以上。
四、尖轨、可动心轨顶面宽50nm及以下断面处,尖轨顶面高于基本轨顶面、可动心轨顶面高于翼轨顶面2 mm及以上。
五、尖轨、可动心轨工作面伤损,继续发展,轮缘有爬上尖轨、可动心轨的可能。
六、内锁闭道岔两尖轨相互脱离时,分动外锁闭道岔两尖轨与连接装置相互分离或外锁闭装置失效时。
七、其他伤损达到钢轨轻伤标准时。
第3.9.8条基本轨有下列伤损或病害,应及时修理或更换:
一、曲股基本轨的弯折点位置或弯折尺寸不符合要求,造成轨距不符合规定。
二、基本轨垂直磨耗,50kg/m及以下钢轨,在正线上超过6mm,到发线上超过8mm,其他站线上超过10mm;60kg/m及以上钢轨,在允许速度大于120km/h的正线上超过6mm,其他正线上超过8mm,到发线上超过10mm,其他站线上超过11 mm(33 kg/m及其以下钢轨由铁路局稠定)。
三、其他伤损达到钢轨轻伤标准时。
第条辙叉伤损分轻伤和重伤两类。
一、高锰钢整铸辙叉轻伤标准(含可动心轨辙叉中高锰钢整铸翼轨、叉跟座):
1.辙叉心宽40mm断面处,辙叉心垂直磨耗(不含翼轨加高部分),50 kg/m 及以下钢轨,在正线上超过4mm,到发线上超过6mm,其他站线上超过
8mm; 60kg/m及以上钢轨,在允许速度大于120 km/h的正线上超过4 mm,其他正线上超过6 mm,到发线上超过8 mm,其他站线上超过10mm;可动心轨宽40mm断面及可动心轨宽20mm断面对应的翼轨垂直磨耗(不含翼轨加高部分)超过4mm。
2.辙叉顶面和侧面的任何部位有裂纹。
3.辙叉心、辙叉翼轨面剥落掉块,在允许速度大于120km/h的线路上长度超过15mm,且深度超过1.5mm;在其他线路上长度超过15 mm,且深度超过3 mm。
4.钢轨探伤人员或线路(检查)工长认为有伤损的辙叉。
二、高锰钢整铸辙叉重伤标准(含可动心轨辙叉中高锰钢整铸翼轨、叉跟座):
1.辙叉心宽40mm断面处,辙叉心垂直磨耗(不含翼轨加高部分),50kg/m 及以下钢轨,在正线上超过6mm到发线上超过8mm,其他站线上超过
10mm;60kg/m及以上钢轨,在允许速度大于120km/h的正线上超过6 mm,其他正线上超过8mm,到发线上超过10mm,其他站线上超过11mm;可动心轨宽40mm断面及可动心轨宽20mm断面对应的翼轨垂直磨耗(不含翼轨加高部分)超过6 mm(33kg/m及其以下钢轨由铁路局规定)。
2.垂直裂纹长度(含轨面部分裂纹长度)超过表—1所列限度者。
3.
4.
5.叉趾、叉跟浇注断面变化部位斜向或水平裂纹长度超过120mm,或虽未超过120mm,但裂纹垂直高度超过40mm。
6.底板裂纹向内裂至轨腰,并超过轨腰与圆弧的连接点。
7.螺栓孔裂纹延伸至轨端、轨头下颚或轨底,两相邻螺栓孔裂通。
8.辙叉心、辙叉翼轨面剥落掉块长度超过30 mm,且深度超过6mm。
9.钢轨探伤人员或线路(检查)工长认为有影响行车安全的其他缺陷。
三、钢轨组合辙叉的垂直磨耗比照高锰钢整铸辙叉办理,其他伤损比照钢轨轻重伤标准办理。
辙叉有轻伤时,应注意检查观测,达到重伤标准时应及时更换。