灭火救援应用估算.docx
- 格式:docx
- 大小:24.21 KB
- 文档页数:10
大型灭火救援中18个计算公式及应用示例一消防用水量计算:Q=Aq注:A为火场燃烧面积,q---灭火用水供给强度,一般取0.15 L/(S·m²)、高层建筑取0.2 L/(S·m ²)、地下密闭空间和棉纤维制品取0.3 L/(S·m²)例:某一100平方米居民楼发生火灾。
试计算消防用水量。
解:居民楼火灾灭火用水供给强度取0.15 L/(S·m²)。
则火场消防用水量Q,根据公式Q=Aq=100 m²*0.15 L/(S·m²)=15L/S二水带压力损失计算:hd=SQ2=Aq注:hd---每条20米水带的压力损失,S---每条水带的阻抗,Q---水带内流量,Φ65mm阻抗系数S=0.035,Φ80mm阻抗系数S=0.015例:有一手抬泵从天然水源处吸水,使用10条Φ65mm胶里水带为1支Φ19mm水枪供水,要求水枪的充实水柱不小于15m。
试计算该供水干线水带压力损失。
解:已知,Φ65mm胶里水带的阻抗系数为0.035,Φ19mm水枪充实水柱为15m时,水枪喷嘴处流量为6.5L/s。
则水带压力损失Hd=nSQ2=10×0.035×6.52=14.8(104Pa)三消防车供水计算:(1)已知水枪和水带线路,求消防车的出口压力:Hb=hq+hd+h1-2注:Hb ---消防车水泵出口压力,hq---水枪喷嘴处压力,hd---水带干线压力损失,h1-2---标高差例:有一辆消防车从天然水源处吸水,使用10条Φ65mm胶里水带为1支Φ19mm水枪供水,扑救室外火灾,要求水枪的充实水柱不小于15m,水源至火场地势平坦。
试计算消防车水泵出口压力。
解:水源至火场地势平坦,则H1-2=0。
Φ19mm水枪充实水柱为15m时,水枪喷嘴处压力和流量分别为27×104Pa和6.5L/s时,每条水带的压力损失为1.48×104Pa,则10条水带的压力损失为:Hd=10 ×1.48=14.8(104Pa)或者因Φ65mm胶里水带的阻抗系数为0.035。
灭火救援应用计算(三级)一、单项选择题1、Ф19mm水枪,当其有效射程为17m时,流量为多少L/s。
(D )(易)A、4、6B、5、7C、6、5D、7、52、某一高层建筑,某日发生火灾,火场燃烧面积为600m2,若灭火用水供给强度为0、15L/s·m2,火场实际用水量为多少L/s。
(C )(难)A、40B、60C、90D、4003、有一条Ф300mm的环状消防管道,管道内的水压力为20×104Pa,若火场上每辆消防车出2支水枪,每支水枪的流量为7、5L/s,则该管道上能停靠消防车的数量为几辆。
(B )(难)A、5B、7C、9D、114、某一木材堆场,某日发生火灾,火场燃烧面积为1000m2,若灭火用水供给强度为0、2L/s·m2,火场实际用水量为多少L/s。
(C )(中)A、45B、90C、200D、5005、Ф19mm水枪,当其有效射程为13m时,流量为多少L/s。
(B )(易)A、4、6B、5、7C、6、5D、7、56、扑救三级耐火等级的民用建筑火灾,灭火用水供给强度一般为多少L/s·m2。
( B )(易)A、0、05-0、1B、0、12-0、2C、0、25-0、3D、0、3-0、57、Ф19mm水枪,当其有效射程为15m时,流量为多少L/s。
(C )(易)A、4、6B、5、7C、6、5D、7、58、当建筑物内可燃物数量较少(火灾荷载密度≤50kg/m2)时,使用Ф19mm水枪(有效射程为15m)灭火,每支水枪的控制面积可按多少m2估算。
(B )(易)A、30B、50C、80D、1009、有一条Ф300mm的环状消防管道,管道内的水压力为20×104Pa,若火场上每辆消防车出2支水枪,每支水枪的流量为6、5L/s,则该管道上能停靠消防车的数量为多少辆。
(C )(难)A、4B、6C、8D、1010、影响化学事故现场警戒范围的因素是(A )。
(中)A、气象条件B、现场道路情况C、警戒器材D、处置人员的数量11、影响化学事故现场警戒范围的因素是(C )。
灭火系统的计算和评估要求几乎每个建筑物都需要灭火系统的使用,常见的灭火系统有喷淋系统和气体灭火系统等,它们都是目前最常用的灭火系统。
这些系统在使用过程中,需要进行计算和评估,保证其安全可靠。
那么,对于灭火系统的计算和评估有哪些要求呢?一、灭火系统的计算要求灭火系统的计算涉及到很多因素,如建筑物的结构、用途、人员密度、设备、材料等,因此需要进行系统的计算才能保证其在使用过程中可靠、高效。
在进行灭火系统计算时,需要考虑以下要点。
1、系统的容量计算灭火系统的容量计算需要根据建筑物的大小、高度、用途等多个因素进行,以确定灭火系统需要的容量大小。
在计算容量时,还需要考虑火灾等级、可燃物种类等因素。
2、速度灭火系统的动作速度非常重要,需要在最短时间内将火灾扑灭。
系统的动作速度和响应速度需要在设计时考虑,以确保灭火系统能够快速地响应火灾,抑制火势。
3、系统自动化现代化的灭火系统需要拥有自动化程序,以确保在火灾时能够立即响应。
通过计算,可以确定自动控制程序和设计方案,确保系统的自动化程度。
4、建筑结构建筑物的结构也会影响灭火系统的计算,各个部位需要设置灭火设备、探测器和植入器。
在设计时,需要根据建筑物的结构设置灭火设备、火灾探测器和报警装置,以保证灭火系统能够覆盖整个建筑物。
二、灭火系统的评估要求灭火系统的评估需要考虑灭火系统的安全、性能、效益和维护情况,以及灭火设备、探测器等的运行状况,以确保其安全性和可靠性。
灭火系统的评估需要考虑以下要点。
1、系统的可靠性灭火系统需要保证其可靠性和安全性,在日常使用过程中要进行常规维护,确保灭火设备、探测器等的正常运行。
同时,还需要定期进行检查和维护,以确保系统能够在火灾时充分发挥作用,确保人员安全。
2、系统的效益灭火系统的效益需要进行评估,以确保系统的性能能够符合建筑物的化学物性、人员密度等要求。
在系统的使用过程中,需要对系统的灭火效果进行评估,以保证系统的高效性。
3、系统的运行状态灭火系统的运行状态需要进行监测,包括灭火设备、火灾探测器、手动报警装置等的运行情况,以确保系统的安全性和可靠性。
灭火救援应用计算2级(赵高工)灭火救援应用计算(二级)一、单项选择题1、无固定冷却系统的液化石油气储罐着火,采用移动灭火设备冷却时,冷却水供给强度不应小于多少L/s〃m2。
( C )(易)A、0.10B、0.15C、0.20D、0.402、某一高层建筑,其室内设计消防用水量为40L/s,某日发生火灾,火场燃烧面积为600m2,若灭火用水供给强度为0.15L/s〃m2,火场实际用水量为多少L/s。
( C )(难)A、40B、60C、90D、4003、某一木材堆场,其设计消防用水量为45L/s,某日发生火灾,火场燃烧面积为1000m2,若灭火用水供给强度为0.2L/s〃m2,火场实际用水量为多少L/s。
( C )(难)A、45B、90C、200D、5004、甲、乙类液体火灾,采用移动式空气泡沫灭火器具灭火时,其泡沫供给强度为多少L/s〃m2。
( C )(易)A、0.2B、0.5C、1D、55、有一条水带干线,长度为4条Ф80mm胶里水带(每条Ф80mm胶里水带阻抗系数为0.015),当流量为10L/s时,水带串联系统的压力损失为多少104Pa。
( C )(难)A、0.15B、0.6C、6D、156、某一木材堆场,其设计消防用水量为45L/s,某日发生火灾,火场燃烧面积为100m2,若灭火用水供给强度为0.2L/s〃m2,若每支水枪的流量为7.0 L/s,需几支水枪。
( C )(中) A、2 B、4C、3D、57、采用高倍数泡沫灭火,高倍数泡沫应在多少分钟内充满保护空间。
(A )(易)A、5B、10C、15D、308、当建筑物内可燃物数量较少(火灾荷载密度≤50kg/m2)时,使用Ф19mm水枪(有效射程为15m)灭火,每支水枪的控制面积可按多少m2估算。
( B )(易)A、30B、50C、80D、1009、有一条水带干线,长度为7条胶里水带,其中5条为Ф90mm 水带,2条为Ф65mm水带(每条Ф90mm、Ф65mm胶里水带阻抗系数分别为0.008、0.035),当流量为10L/s时,水带串联系统的压力损失为多少104Pa。
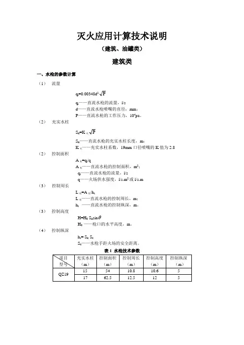
灭火应用计算技术说明(建筑、油罐类)建筑类一、水枪的参数计算(1)流量q l=0.00348d2Pq l——直流水枪的流量,l/sd——直流水枪喷嘴的直径,mm;P——直流水枪的工作压力,104pa。
(2)充实水柱S k=K充PS k——直流水枪的充实水柱长度,m;K充——充实水柱系数,19mm口径喷嘴的K值为2.8 (2)控制面积A枪=q l/qA枪——直流水枪的控制面积,m2;q l——直流水枪的流量,l/sq——火场供水强度,l/s.m2或l/s.m(3)控制周长L枪=A枪/h sL枪——直流水枪的控制周长,m;h s ——直流水枪的控制纵深,m。
(3)控制高度H=H0 S k sinH0 ——枪口的水平高度,m。
(4)控制纵深h s= S k-S eS e——水枪手距火场的安全距离。
表1 水枪技术参数二、水带压力损失计算(1)水平铺设:P dx=P d+P XP dx——每条水平铺设水带的压力损失,104Pa;P d——水带阻抗与过水流量(KQ2),104Pa;P X——修正系数,中压部分一般取0.5×104Pa, 低压取0。
(2)垂直铺设:P dy==βL+P d+P XP dy——每条水平铺设水带的压力损失,104Pa, 低压取0。
β——垂直铺设水带系数,沿楼梯为0.6,沿窗口或阳台为0.8.L——每条水带的长度,m。
P X——修正系数,中压部分一般取1×104Pa。
表2 水带技术参数(3)串联铺设:PD=n.Pd n=(n1+n2+n3+n4……….)(4)并联铺设等长水带按一条计算,ql=Q/n三、灭火供水强度确定例:某仓库发生火灾,燃烧面积1000m2,燃烧周长250m,灭火时间60min,问需要多少供水量?1.数量的确定例:上述案例中需要几支QZ19水枪?若出SP50水炮,还需几支枪对于固体可燃物,其灭火强度一般在0.12——0.21l/s.m2火灾荷载密度<50kg/m2, 灭火强度按0.12l/m2火灾荷载密度≧50kg/m2,灭火强度按0.2l/m2火灾荷载密度<50kg/m2, 灭火强度按0.4l/m火灾荷载密度≧50kg/m2,灭火强度按0.8l/m表3 建筑火灾荷载密度(1)面积确定法: n 枪=[lq q.A] q l —— 一支水枪的灭火流量,QZ19为6.5l/s []—— 向上取整n 枪=[l q q.A ]=[31]5.610002.0=⨯ 有水炮的情况下 : n 枪=]5.6n 5010002.0[炮⨯-⨯水枪数与水炮数的关系: 6.5n 枪+50n 炮-200=0表4 水枪数与水炮数的关系(2)周长确定法:n 枪=[lq q.L] q l —— 一支水枪的灭火流量,QZ19为6.5l/s[]—— 向上取整 L ——火场周长m n 枪=[6.52500.8⨯]=31其它计算同上四、灭火用水量的确定灭火流量按实际水枪数来确定Q=60t (n 枪q 枪+n 炮q 炮) t ——灭火时间min例:(1)都使用水枪情况下Q=60×60×31×6.5=725400L(2)使用两支水炮 Q=60×60(16×6.5+2×50)=734400L 五、车辆数的确定车辆的出动数量确定由水枪数量、供水距离和供水车的特性共同决定,水枪数量决定主战车数量,供水距离和供水车的特性决定供水车数量供水距离计算: (一)单车接力供水水平:]P H P P [L .L d21q b d ---=γθL ——消防车供水距离,m ;θ——铺设水带系数,使地形情况可取0.7——0.9;L d ——单条水带长度,m ;γ——消防水泵扬程系数,一般取0.8——1.0;P b ——消防泵扬程,104Pa ;P q ——分水器或水枪进口压力,104Pa P d ——每条水带的压力损失,104Pa ;H 1-2——水泵出口与水枪或分水器的高度差,m 。
常见危险化学品事故处置灭火剂用量估算表
本表设定的条件是:(1)灭火对象主要适用油类等非水溶性易燃和可燃液体;(2)灭火剂选用普通蛋白泡沫;(3)泡沫灭火供给强度为1.5L/s?m2、着火罐冷却水供给强度为0.8L/s?m、邻近罐冷却水供给强度为
0.7L/s?m;(4)火场受风力、风向等因素影响,使用中应视情对表中参数进行修正。
1.扑救化学品储罐(槽车)火灾灭火剂用量估算表
(1)立式罐
(2)球形罐
(3)卧式罐
(4)槽车
2.扑救流淌火灭火剂用量估算表
流淌火面积
(米2) 普通泡沫液
用量(吨)
用水量
(升/秒)
用水储备量
(吨)
流淌火面积
(米2)
普通泡沫液
用量(吨)
用水量
(升/秒)
用水储备量
(吨)
50 1.5 13 22 500 15 118 212 100 3 24 43 1000 30 235 423 200 6 47 85 2000 60 470 846。
.灭火剂供应的估算1、如何根据固体可燃物的燃烧面积计算火场实际用水量?答:⑴确定燃烧面积:通过计算、查阅图纸资料、询问知情人或目测等途径确定。
⑵火场实际用水量计算:Q=Aq式中: Q——火场实际用水量,L/s;A——火场燃烧面积,m2;q——灭火用水供给强度,L/s.m 2。
其围参考值为0.06-0.40L/s.m 2,常取值为0.15。
(见公安消防部队灭火救援业务培训教材《消防灭火救援》(试行 )表 6-1-6)2、液化石油气储罐消防用水量是如何计算的?答:( 1)有固定冷却系统的冷却用水量计算:包括着火罐冷却用水量和邻近罐冷却用水量之和。
着火罐的保护面积按其表面积计算,距着火罐直径为 1.5 倍围的相邻罐按其表面积一半计算。
①着火罐固定系统冷却用水量计算:Q1= πD2q式中: Q1——每个着火罐冷却用水量,L/s ;D——球罐直径,m ;q——固定系统冷却水供给强度,L/s.m 2,取 0.15。
②每个邻近罐冷却用水量计算:Q2=0.5 πD2q式中 : Q2——每个邻近罐冷却用水量,L/s;D——球罐直径,m ;q——固定系统冷却水供给强度,L/s.m 2,取 0.15。
( 2)无固定冷却系统的冷却用水量计算:包括着火罐冷却用水量和邻近罐冷却用水量之和。
冷却水供给强度不应小于0.2L/s.m 2。
①着火罐冷却用水量计算:Q1= πD2q式中: Q1——每个着火罐冷却用水量,L/s ;D——球罐直径,m ;q——移动设备冷却水供给强度,L/s.m 2,取 0.2。
②每个邻近罐冷却用水量计算:Q2=0.5 πD2q式中 : Q2——每个邻近罐冷却用水量,L/s;D——球罐直径,m ;q——移动设备冷却水供给强度,L/s.m 2,取 0.2。
3、油罐区的消防用水量是如何计算的?答:油罐区的消防用水量包括配置泡沫的灭火用水量和冷却用水量之和。
冷却用水量又包括着火罐冷却用水量和邻近罐冷却用水量之和。
灭火和应急疏散预案评估报告1. 引言本报告是对灭火和应急疏散预案的评估和评价。
通过对现有预案的分析,我们旨在指出潜在的问题和改进的机会,以提高应对火灾和紧急情况的能力。
2. 灭火预案评估2.1. 评估准则对灭火预案的评估主要基于以下几个准则:- 灭火设备的可靠性和可及性- 灭火方法的适用性和有效性- 灭火人员的培训和熟练程度- 灭火预案的全面性和实施性2.2. 评估结果根据我们的评估,现有的灭火预案在很大程度上是全面且实施性的。
灭火设备可靠并且易于获取,适用的灭火方法已明确并得到培训的人员熟练运用。
然而,在灭火人员培训方面,还可以进一步加强,以提高应对火灾的效率。
3. 应急疏散预案评估3.1. 评估准则对应急疏散预案的评估主要基于以下几个准则:- 疏散路径的清晰性和可访性- 疏散人员的培训和指导- 疏散设施的状态和容量- 疏散预案的维护和测试频率3.2. 评估结果根据我们的评估,现有的应急疏散预案在很大程度上是清晰和可操作的。
疏散路径明确,易于访问,疏散设施状态良好并具备足够的容量。
然而,疏散人员的培训和指导方面仍有一些改进的空间。
建议定期进行疏散演练,以提高人员的应急反应和疏散效率。
4. 结论根据对灭火和应急疏散预案的评估,我们认为现有的预案在大部分方面都是有效的。
然而,建议加强灭火人员的培训和定期进行疏散演练,以确保在火灾和紧急情况下能够迅速、安全地应对。
我们也建议定期审查、更新和测试预案,以适应可能出现的变化和需求。
以上是对灭火和应急疏散预案的评估报告,希望能够对改进和提升应对火灾和紧急情况的能力有所帮助。