螺纹基础知识教案
- 格式:doc
- 大小:1.66 MB
- 文档页数:5
机械设计基础螺纹连接与螺旋传动(教案)第7章螺纹连接与螺旋传动⼀、教学要求本章内容包括螺纹连接和螺旋传动两个部分,具体教学要求如下:1)了解螺纹的基本知识,了解标准螺纹连接件和螺纹连接的基本类型、特性、标准结构、应⽤场合等。
了解螺纹的预紧和防松。
2)掌握单个螺栓连接的强度计算。
会进⾏螺栓的受⼒分析,正确理解强度计算公式中各参数的含义,合理选择材料和确定许⽤应⼒。
3)掌握螺栓组连接的设计⽅法。
(1)了解螺栓组结构设计的原则。
(2)掌握4种典型螺栓组受⼒分析,学会确定出螺栓组中受⼒最⼤的螺栓受⼒情况。
4)了解提⾼螺栓连接强度的措施。
5)了解螺旋传动的类型、特点及应⽤。
⼆、重点、难点重点:1)单个螺栓连接的强度计算,尤其是承受轴向静载荷的紧螺栓连接的强度计算。
2)螺栓组连接的结构设计,四种典型受⼒情况下螺栓组连接的受⼒分析。
难点:1)承受轴向静载荷的紧螺栓连接中的⼒与变形关系,确定FΣ值。
2)受旋转⼒矩、倾翻⼒矩的底板螺栓组连接的受⼒分析。
三、教学安排四、教学思路设计本章主要内容包括两个部分:第⼀部分为螺栓连接,是本章着重讨论的部分;第⼆部分为螺旋传动,仅作概念性介绍。
从螺纹连接的基本知识(参数、类型、标准代号),开始讨论其连接的预紧与防松。
根据连接的⼯作情况得出松螺栓连接与紧螺栓连接⼆⼤类。
在不同⼯作情况下,可得出不同失效形式和受⼒分析。
⾸先讨论单个螺栓连接的设计计算,然后分析螺栓组连接的设计计算,即求出螺栓组中受⼒最⼤的螺栓及结构设计。
第7章第1讲⼀、讲授时注意⼏点1. 7.1 螺纹连接的基本知识这节内容要注意三点:(1)右、左旋螺纹判别必须绝对正确。
(2)螺距P和导程P h的概念⼀定要搞清,P h=n·P(3)螺栓连接可分为普通螺栓连接和铰制孔⽤螺栓连接两种,需了解这两种连接的特点与应⽤。
2. 7.2 螺纹连接的预紧与防松了解防松装置的防松原理及常⽤类型,重点了解利⽤摩擦防松的⽅法和特点。
江苏省XY中等专业学校2021-2022-2教案编号:教学内容沿螺旋线连续凸起的牙体。
外螺纹——在圆柱或圆锥外表面上形成的螺纹。
内螺纹——在圆柱或圆锥内表面上形成的螺纹。
(2)常见的螺纹加工方法2.螺纹的结构要素(1)牙型在螺纹轴线平面内的的螺纹轮廓形状称为螺纹牙型。
(2)螺纹直径大径:与外螺纹牙顶或内螺纹牙底相切的假象圆柱或圆锥的直径(即螺纹的最大直径)小径:与外螺纹牙底或内螺纹牙顶相切的假象圆柱或圆锥的直径。
中径:假想圆柱或圆锥的直径,该圆柱或圆锥的母线通过螺纹牙型上沟槽和牙厚宽度相等的地方。
(3) 线数(n)螺纹有单线和多线之分。
只有一个起始点的螺纹称为单线螺纹;具有两个或两个以上起始点的螺纹称为双线或多线螺纹。
(4) 螺距(P)和导程(Ph)教学内容螺距:螺纹上相邻两牙体对应牙侧与中径线相交两点间的轴向距离称为螺距(P);导程:最相邻的同名牙侧与中径线相交两点间的轴向距离称为导程(Ph);(5) 旋向螺纹有左旋和右旋之分。
3.螺纹分类(1)紧固螺纹用来连接零件的螺纹,如应用最广泛的时普通螺纹。
(2)传动螺纹用来传递动力和运动的螺纹。
(3)管螺纹(4)专用螺纹(二)螺纹的画法规定1.外螺纹的画法2.内螺纹的画法教学内容3.内、外螺纹联接的画法(1)在剖视图中,内、外螺纹的旋合部分按外螺纹的画法绘制;(2)未旋合部分按各自规定的画法绘制,表示大、小径的组实现与细实线应分别对齐。
四、课堂小结1.螺纹的形成和加工方法;2.螺纹的结构要素;3.内、外螺纹的画法和内、外螺纹联接的画法;五、课堂练习六、课后练习学生完成习题册相关练习;板书设计教后札记江苏省XY中等专业学校2021-2022-2教案编号:备课组别机械上课日期主备教师授课教师课题:7-1 螺纹及螺纹紧固件表示法(二)教学目标1.掌握螺纹标记的规定和标注;2.了解常用螺纹紧固件的种类和标记;3.掌握螺纹紧固件的画法;重点机械图样的基本表示法的应用;难点机械图样的基本表示法的应用;教法讲练结合法、探究法、练习法、讨论法教学设备多媒体、画图工具教学环节教学活动内容及组织过程个案补充教学内容一、组织教学:安定课堂秩序二、新课引入无论是三角形螺纹还是梯形螺纹,按螺纹画法规定画法后,在图上均不能反映它的牙型、螺距、线数和旋向等结构要素,因此,还必须按规定的标记在图样中进行标注。
机械制图螺纹教案优选版重庆市蜀都职业技术学校机械制图教学设计方案教学过程设计教学内容教师活动学生活动设计意图时间分配师生知识回顾:螺纹的“五”要素1.牙型:2.直径:3.旋向:4.引导学生说出第4和5要素5.螺纹副能配合的条件:5要素必须相同螺纹的标识M :三角螺纹 Tr 梯形螺纹 B 锯齿形LH旋 S:短旋合长度 N:中等旋合长度 L:长旋合长度公差代号:大写表示内螺纹小写标识外螺纹螺纹标识的含义:教师复述引导提问介绍螺纹缩写词学生齐答学生齐答认真听讲提升学生对螺纹前3要素的记忆。
掌握形成螺纹副的条件巩固上节课知识;试探学生上一节课掌握的程度111新课:螺纹的规定画法1.看螺纹的表达图线总结规律(1). CAD演示(2).共同总结规律2.规律特点螺纹牙顶螺纹倒角粗实线螺纹终止线螺纹牙底细实线在投影为圆的视图中,牙底细实线,约画3/4周,开口朝左下方在表达内外螺纹的剖视图中,剖切线剖至粗实线(1) 内外螺纹标注演示(2)螺纹标注样式演示引导回答引导学生总结规律规范板书教师讲解学生集体回答认真地参与到分析总结阶段当中学生认真听讲及笔记记录,学生认真听区分粗牙,导程和线数学生自己总结规律,印象深刻,为后面的应用打下基础学生再次掌握螺纹规定画法掌握螺纹标注12321414.课堂练习(1).下列螺纹表达错误的地方在哪里?(2). 下图所示螺纹的各种画法中,正确的图形是( A )。
A B C D(3).找出下列各图的错误,在空白出画出正确图形(4).探究螺纹副的规定画法引导学生思考引导学生思考引导学生思考讲解螺纹副规定画法学生思考回答问题学生思考回答问题学生思考回答问题学生认真听讲引出考点引出考点培养动手能力让学生熟记螺纹副表达方式11111234本节课难点练习:螺纹副改错引导学生思考学生完成作业从作业情况分析学生掌握情况,从而制定下节课复习重点1 5课时小结:螺纹牙顶螺纹倒角粗实线螺纹终止线螺纹牙底细实线螺纹所有的尺寸都标注在大径上在表示螺纹的剖视图中,剖切线画至粗实线螺纹副配合段按外螺纹画图,未配合段按各自要求画出重述知识点反思,发言让学生掌握这节课讲解的主要内容及考点内容2七、课外巩固习题册:P67-68 1-6说明记录加强知识点的应用1新疆交通职业技术学院《机械制图》教案一主要教学内容及步骤教学时数: 2 学时课题:§1-1 图纸幅面和格式;绪论教学目标:1、了解图纸幅面、图框格式和尺寸;2、掌握标题栏位置、格式与内容。
江苏省XY中等专业学校2022-2023-1教案编号:备课组别机械课程名称机械基础主备教师授课教师课题:§2-3螺纹连接教学目标1. 了解螺纹连接件类型;2. 掌握螺纹连接应用;3. 掌握螺纹连接预紧和放松方法.重点掌握螺纹连接应用难点掌握螺纹连接预紧和放松方法教法讲授法;研讨法;教学设备多媒体;教学环节教学活动内容及组织过程个案补充教学内容复习上讲内容:讲授新课:§2-3 螺纹连接一、螺纹连接件1.六角头螺栓螺栓GB/T 5780M12×50表示:C级六角头螺栓,规格尺寸(螺纹大径d)为12mm,螺栓杆身长度l 为50mm。
2.双头螺柱教学内容螺柱 GB/T 899 M12×50表示:双头螺柱,规格尺寸(螺纹大径d)为12 mm,公称长度l 为50mm。
3.开槽圆柱头螺钉螺钉 GB/T 65 M12×50表示:开槽圆柱头螺钉,规格尺寸(螺纹大径d)为12 mm,公称长度l为50 mm。
4.十字槽沉头螺钉螺钉 GB/T 819.1 M6×20表示:十字槽沉头螺钉,规格尺寸(螺纹大径d)为6mm,公称长度l为20mm。
5.内六角圆柱头螺钉螺钉 GB/T 70.1 M10×35表示:内六角圆柱头螺钉,规格尺寸(螺纹大径d)为10mm,公称长度l为35mm。
6.开槽锥端紧定螺钉教学内容螺钉GB/T 71 M6×15表示:开槽锥端紧定螺钉,规格尺寸(螺纹大径d)为6mm,公称长度l为15mm。
7.六角螺母螺母GB/T6170 M12表示:A级Ⅰ型六角螺母,规格尺寸(螺纹大径d)为12mm。
8.六角开槽螺母螺母GB/T 6179 M16表示:C级Ⅰ型六角开槽螺母,规格尺寸(螺纹大径d)为16 mm。
9.平垫圈垫圈GB/T 95 10表示:平垫圈C级,公称尺寸(与其配套使用的螺栓或螺母的螺纹大径d)为10mm。
10.弹簧垫圈教学内容二、螺纹连接的类型和应用1.螺栓连接,如图(1)所示。
课题 5.3螺纹连接
课时 1 班级21机电3班课型新课时间2022年3月5日
教学目标知识目标:掌握螺纹的种类
能力目标:掌握螺纹的主要参数
德育目标:提高合作探究能力,增强合作意识
教学重点螺纹的种类
教学难点螺纹的主要参数
教法多媒体教学法
学法小组合作探究
教学评价师生互评,小组互评
教具多媒体课件,教具,动画
教学过程及主要教学内容师生活动
一、导入
二、新课:
螺纹的主要参数与什么?教师可以在圆柱体上包上一张直角三角形的纸,以形成螺旋线模型,运用模型,让学生认识螺旋线的空间形状,分析左旋和右旋的区别
教师展示单线和双线螺纹的图片,引导学生思考单线和多线螺纹的不同结构形式
教师精讲螺纹的参数,学生
认真聆听并仔细记笔记
作业:
螺纹的螺距和导程之间是什么关系?
课后反思:。
数车教案螺纹加工一、教学目标:1. 了解螺纹的基本概念、分类和特点。
2. 掌握螺纹加工的基本原理和方法。
3. 学会使用数车进行螺纹加工的操作步骤。
4. 能够分析并解决螺纹加工过程中遇到的问题。
二、教学内容:1. 螺纹的基本概念、分类和特点。
2. 螺纹加工的基本原理和方法。
3. 数车螺纹加工的操作步骤。
4. 螺纹加工的质量检验与故障分析。
三、教学重点与难点:1. 教学重点:螺纹的基本概念、分类和特点;螺纹加工的基本原理和方法;数车螺纹加工的操作步骤。
2. 教学难点:螺纹加工的质量检验与故障分析。
四、教学准备:1. 教学场地:数车操作室。
2. 教学设备:数控车床、计算机、投影仪。
3. 教学资料:教案、PPT、实训指导书。
五、教学过程:1. 导入:通过展示实际产品中的螺纹零件,引导学生思考螺纹的作用和重要性。
2. 讲解:讲解螺纹的基本概念、分类和特点,螺纹加工的基本原理和方法,数车螺纹加工的操作步骤。
3. 演示:在数控车床上进行螺纹加工演示,让学生直观地了解螺纹加工过程。
4. 练习:让学生分组进行数车螺纹加工实操,巩固所学知识。
六、教学评估:1. 课堂讲解评估:通过观察学生听课时的反应,提问和回答问题的情况,评估学生对螺纹基本概念、分类和特点,以及螺纹加工的基本原理和方法的理解程度。
2. 实操练习评估:通过观察学生在数车操作过程中的动作规范性、操作熟练度和加工质量,评估学生对数车螺纹加工操作步骤的掌握情况。
七、课后作业:1. 复习螺纹的基本概念、分类和特点,螺纹加工的基本原理和方法。
2. 复习数车螺纹加工的操作步骤,并结合实际操作经验,分析操作中可能遇到的问题和解决方法。
八、课程拓展:1. 深入了解其他类型的螺纹加工方法,如手工加工、普通车床加工等。
2. 学习并掌握其他数控车床加工技术,如内外圆加工、切槽加工等。
九、教学反馈:1. 学生反馈:收集学生对本次课程的学习感受和建议,以便对后续教学进行改进。
中等专业学校2022-2023-2教案2.螺纹的结构要素螺纹的结构(基本)要素包括牙型、直径(大径、小径、中径)、螺距和导程、线数、旋向等。
(1) 牙型在通过螺纹轴线的剖面上,螺纹的轮廓形状称为螺纹牙型。
常见的螺纹牙型有三角形(60°、55°)、梯形、锯齿形、矩形等常见标准螺纹的牙型及符号如表7-1 所示(2)螺纹的直径(如图7-3 所示)大径d、D是指与外螺纹的牙顶或内螺纹的牙底相切的假想圆柱或圆锥的直径。
内螺纹的大径用大写字母表示,外螺纹的大径用小写字母表示。
小径d1、D1是指与外螺纹的牙底或内螺纹的牙顶相切的假想圆柱或圆锥的直径。
中径d2、D2是指一个假想的圆柱或圆锥直径,该圆柱或圆锥的母线通过牙型上沟槽和凸起宽度相等的地方。
代表螺纹尺寸的直径,指螺纹大径的基本尺寸。
公称直径代表螺纹尺寸的直径,指螺纹大径的基本尺寸。
(3)线数形成螺纹的螺旋线条数称为线数,线数用字n 表示。
沿一条r旋线形成的螺纹称为单线螺纹,沿两条以上螺旋线形成的螺纹称为多线螺纹,如图7-4 所示(4)螺距和导程相邻两牙在中径线上对应两点间的轴向距离称为螺距,螺距用字母P表示;同一螺旋线上的相邻两牙在中径线上对应两点间的轴向距离称为导程,导程用字母Ph 表示,如图7-4 所示。
线数n、螺距P 和导程Ph的之间的关系为:Ph=P×n(4)旋合螺纹分为左旋螺纹和右旋螺纹两种。
顺时针旋转时旋入的螺纹是右旋螺纹:逆时针旋转时旋入的螺纹是左旋螺纹。
工程上常用右旋螺纹(二)螺纹的规定画法和标注1.螺纹的规定画法螺纹一般不按真实投影作图,而是采用机械制图国家标准规定的画法以简化作图过程。
(1)外螺纹的画法外螺纹的大径用粗实线表示,小径用细实线表示。
螺纹小径按大径的0.85 倍绘制。
在不反映圆的视图中,小径的细实线应画入倒角内螺纹终止线用粗实线表示,如图7-6 (a)所示。
当需要表示螺纹收尾时,螺纹尾部的小径用与轴线成30°的细实线绘制,如图7-6(b)所示。
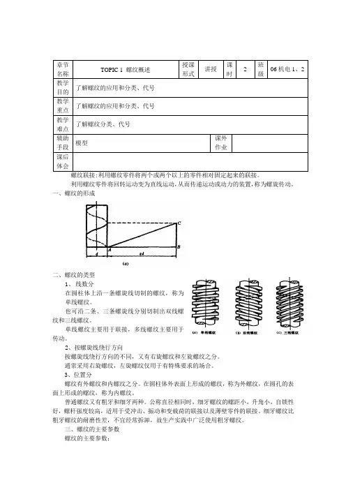
章节名称TOPIC 1 螺纹概述授课形式讲授课时2班级06机电1、2 教学目的了解螺纹的应用和分类、代号教学重点了解螺纹的应用和分类、代号教学难点了解螺纹分类、代号辅助手段模型课外作业课后体会螺纹联接:利用螺纹零件将两个或两个以上的零件相对固定起来的联接。
利用螺纹零件将回转运动变为直线运动,从而传递运动或动力的装置,称为螺旋传动。
一、螺纹的形成二、螺纹的类型1、线数分在圆柱体上沿一条螺旋线切制的螺纹,称为单线螺纹。
也可沿二条、三条螺旋线分别切制出双线螺纹和三线螺纹。
单线螺纹主要用于联接,多线螺纹主要用于传动。
2、按螺旋线绕行方向按螺旋线绕行方向的不同,又有右旋螺纹和左旋螺纹之分。
通常采用右旋螺纹,左旋螺纹仅用于有特殊要求的场合。
3、位置分螺纹有外螺纹和内螺纹之分。
在圆柱体外表面上形成的螺纹,称为外螺纹,在圆孔的表面上形成的螺纹,称为内螺纹。
普通螺纹又有粗牙和细牙两种。
公称直径相同时,细牙螺纹的螺距小,升角小,自锁性好,螺杆强度较高,适用于受冲击、振动和变载荷的联接以及薄壁零件的联接。
细牙螺纹比粗牙螺纹的耐磨性差,不宜经常拆卸,故生产实践中广泛使用粗牙螺纹。
三、螺纹的主要参数螺纹的主要参数:(1)大径(d、D)——螺纹的最大直径。
对外螺纹是牙顶圆柱直径(d),对内螺纹是牙底圆柱直径(D)。
标准规定大径为螺纹的公称直径。
(2)小径(d1、D1)——螺纹的最小直径。
对外螺纹是牙底圆柱直径(d1),对内螺纹是牙顶圆柱直径(D1)。
(3)中径(d2、D2)——处于大径和小径之间的一个假想圆柱直径,该圆柱的母线位于牙型上凸起(牙)和沟槽(牙间)宽度相等处。
此假想圆柱称为中径圆柱。
(4)螺距(P)——在中径线上,相邻两牙在中径线上对应两点间的轴向距离。
(5)导程(S)——同一螺旋线上,相邻两牙在中径线上对应两点之间的轴向距离。
对单线螺纹,S=P;对于线数为n的多线螺纹,S=np。
(6)牙形角(α)——在轴向截面内螺纹牙形两侧边的夹角。
机械基础螺纹参数教案教案标题:机械基础螺纹参数教案教学目标:1. 了解螺纹的基本概念和作用;2. 掌握螺纹的常用术语和参数;3. 能够计算螺纹的参数并应用于实际问题;4. 培养学生的观察、分析和解决问题的能力。
教学内容:1. 螺纹的定义和分类;2. 螺纹的术语和表示方法;3. 螺纹的参数:螺距、导程、螺纹角等;4. 螺纹的计算方法;5. 螺纹的应用案例。
教学步骤:引入:1. 通过展示一些日常生活中常见的螺纹应用,引发学生对螺纹的兴趣;2. 提出问题:你知道如何计算螺纹的参数吗?为什么螺纹的参数很重要?讲解:3. 讲解螺纹的定义和分类,包括内螺纹和外螺纹;4. 介绍螺纹的术语和表示方法,如螺纹的直径、螺距、导程等;5. 解释螺纹参数的重要性,如螺距的大小对于螺纹的牢固性和紧密度的影响;6. 讲解螺纹的计算方法,包括螺距的计算、导程的计算和螺纹角的计算;7. 通过示例演示螺纹参数的计算过程。
实践:8. 提供一些螺纹参数计算的练习题,让学生进行实践操作;9. 引导学生分析和解决实际问题,如根据给定的螺纹参数计算螺纹的尺寸;10. 鼓励学生进行小组讨论,分享解题思路和方法。
总结:11. 总结本节课的重点内容,强调螺纹参数的重要性和应用;12. 回顾学生在实践中遇到的问题和解决方法;13. 鼓励学生提出问题和疑惑,并解答他们的疑问。
拓展:14. 鼓励学生自主学习螺纹参数的更多应用和计算方法;15. 提供相关的参考资料和学习资源,供学生进一步学习和探索。
教学评估:1. 在实践环节中观察学生的操作和解题过程,评估他们的理解和应用能力;2. 组织小组讨论,评估学生的合作和交流能力;3. 布置作业,要求学生应用螺纹参数计算方法解决实际问题,并对其进行评估和反馈。
教学资源:1. 展示螺纹应用的图片或实物;2. 计算螺纹参数的示例和练习题;3. 相关的教学资料和参考书籍;4. 计算器和测量工具。
教学延伸:1. 可以邀请相关领域的专家进行讲座,拓宽学生的知识视野;2. 组织实地考察,参观机械制造企业或工厂,了解螺纹应用的实际情况;3. 引导学生进行螺纹参数的实验研究,探索螺纹参数对产品质量的影响。
螺纹紧固件及其连接的画法教案第一章:螺纹的基本概念1.1 螺纹的定义与分类1.2 螺纹的主要参数1.3 螺纹的画法与标注第二章:螺纹紧固件的介绍2.1 螺栓与螺母的种类与结构2.2 螺纹紧固件的选用原则2.3 螺纹紧固件的性能与标准第三章:螺纹连接的画法3.1 螺纹连接的基本画法3.2 螺纹连接的详细画法3.3 螺纹连接的标注方法第四章:螺纹连接的计算4.1 螺纹连接的预紧力计算4.2 螺纹连接的摩擦力矩计算4.3 螺纹连接的强度计算第五章:螺纹连接的画法实践案例5.1 单个螺纹连接的画法实践5.2 多个螺纹连接的画法实践5.3 复杂场景中螺纹连接的画法实践第六章:螺纹连接的画法技巧与注意事项6.1 螺纹连接画法的技巧6.2 螺纹连接画法的注意事项6.3 螺纹连接画法的常见问题与解答第七章:螺纹紧固件的安装与拆卸7.1 螺纹紧固件的安装方法7.2 螺纹紧固件的拆卸方法7.3 螺纹紧固件的安装与拆卸注意事项第八章:螺纹连接的失效分析与预防8.1 螺纹连接的常见失效形式8.2 螺纹连接失效的原因分析8.3 螺纹连接失效的预防措施第九章:螺纹连接的应用实例9.1 机械设备中的螺纹连接应用实例9.2 汽车工程中的螺纹连接应用实例9.3 建筑工程中的螺纹连接应用实例第十章:综合练习与课程总结10.1 螺纹连接的画法综合练习10.2 螺纹连接的画法课程总结10.3 螺纹连接的画法拓展学习建议重点和难点解析一、螺纹的基本概念补充和说明:螺纹的主要参数包括螺距、公称直径、螺纹角度等,这些参数直接影响螺纹的承载能力和连接的可靠性。
二、螺纹紧固件的介绍补充和说明:螺纹紧固件的性能包括预紧力、摩擦力矩等,这些性能指标是确保连接安全的关键。
了解不同国家和行业的螺纹标准对于正确选用和使用螺纹紧固件至关重要。
三、螺纹连接的画法补充和说明:基本画法包括螺纹的轮廓线、螺纹的指示线等,而详细画法则包括螺纹连接的剖面线、螺纹连接的标注等。
螺纹连接与螺旋传动教案一、教学目标1. 知识与技能:(1)了解螺纹的种类、特点及应用;(2)掌握螺纹连接的基本原理和方法;(3)掌握螺旋传动的工作原理及特点;(4)学会计算螺纹连接的预紧力。
2. 过程与方法:(1)通过观察实物和图片,认识不同种类的螺纹;(2)通过实验和演示,了解螺纹连接的原理;(3)通过计算和实际操作,掌握螺旋传动的设计方法。
3. 情感态度与价值观:(1)培养学生的观察能力和实践能力;(2)培养学生对机械设计和制造的兴趣;(3)培养学生严谨的科学态度和团队协作精神。
二、教学内容1. 螺纹的种类及特点(1)公制螺纹、英制螺纹和metric 螺纹(2)三角形螺纹、矩形螺纹和圆弧形螺纹(3)外螺纹和内螺纹2. 螺纹连接的基本原理(1)螺纹的互换性(2)螺纹连接的预紧力(3)螺纹连接的防松措施3. 螺旋传动的工作原理及特点(1)螺旋传动的工作原理(2)螺旋传动的特点(3)螺旋传动的应用范围三、教学重点与难点1. 教学重点:(1)螺纹的种类及特点;(2)螺纹连接的基本原理和方法;(3)螺旋传动的工作原理及特点。
2. 教学难点:(1)螺纹连接的预紧力计算;(2)螺旋传动的设计方法。
四、教学方法1. 实物观察:让学生通过观察实物和图片,了解不同种类的螺纹;2. 实验演示:通过实验和演示,让学生了解螺纹连接的原理;3. 计算练习:让学生通过计算和实际操作,掌握螺旋传动的设计方法;4. 小组讨论:让学生分组讨论,培养团队协作精神。
五、教学安排1. 课时:45分钟2. 教学准备:实物、图片、实验设备、计算工具(1)导入:介绍螺纹连接与螺旋传动在工程中的应用;(2)新课:讲解螺纹的种类及特点,螺纹连接的基本原理和方法,螺旋传动的工作原理及特点;(3)实践操作:进行螺纹连接实验,观察螺旋传动现象;(4)课堂练习:让学生计算螺纹连接的预紧力,设计螺旋传动;(5)总结:回顾本节课所学内容,强调重点和难点;(6)作业布置:布置相关练习题,巩固所学知识。
第一讲螺纹及螺纹联结1.知识要点(1)螺纹参数(2)螺纹分类(3)螺纹的规定画法(4)螺纹尺寸标注2.教学安排利用课件和实物模型讲解螺纹的形成和参数,对螺纹的分类重点分清管螺纹和普通螺纹,螺纹的规定画法要详细讲解,把各种表达方法讲解清楚。
3.课前准备准备螺纹车刀、丝锥、外螺纹和内螺纹零件模型。
4.教学内容6.1.1 螺纹参数【视频/06-01 车螺纹.avi】(1) 牙型:在通过螺纹轴线的剖面上,螺纹的轮廓形状称为牙型。
相邻两牙侧面间的夹角称为牙型角。
常用普通螺纹的牙型为三角形,牙型角为60°。
(2) 大径、小径和中径:大径是指和外螺纹的牙顶、内螺纹的牙底相重合的假想柱面或锥面的直径,外螺纹的大径用d表示,内螺纹的大径用D表示。
小径是指和外螺纹的牙底、内螺纹的牙顶相重合的假想柱面或锥面的直径,外螺纹的小径用d1表示,内螺纹的小径用D1表示。
在大径和小径之间,设想有一柱面(或锥面),在其轴剖面内,素线上的牙宽和槽宽相等,则该假想柱面的直径称为中径,用d2(或D2)表示。
(如图6-1所示)图6-1 螺纹参数【电子挂图】(3) 线数:形成螺纹的螺旋线的条数称为线数。
有单线和多线螺纹之分,多线螺纹在垂直于轴线的剖面内是均匀分布的。
(4) 螺距和导程:相邻两牙在中径线上对应两点轴向的距离称为螺距。
同一条螺旋线上,相邻两牙在中径线上对应两点轴向的距离称为导程。
线数n、螺距P、导程S之间的关系为:S=n.P(5) 旋向:沿轴线方向看,顺时针方向旋转的螺纹成为右旋螺纹,逆时针旋转的螺纹称为左旋螺纹。
螺纹的牙型、大径、螺距、线数和旋向称为螺纹五要素,只有五要素相同的内、外螺纹才能互相旋合。
6.1.2 螺纹的画法规定(GB/T 4459.1—1995)(1) 外螺纹的画法规定如图6-2 所示,外螺纹的牙顶用粗实线表示,牙底用细实线表示。
在不反映圆的视图上,倒角应画出,牙底的细实线应画入倒角,螺纹终止线用粗实线表示,螺尾部分不必画出,当需要表示时,该部分用与轴线成15°的细实线画出,在比例画法中,螺纹的小径可按大径的0.85倍绘制。
2010年全国技工教育与职业培训参评组别:A组
教学研究成果评选活动参评教案专业分类:机械加工制造
课程名称:车工工艺学
《螺纹基础知识》
作者姓名:高美丽
年龄29性别女
单位: 浙江省长兴县技工学校
通讯地址:浙江省长兴县技工学校
邮政编码:313100
联系电话:
《螺纹基础知识》
教学目标: 1)掌握实际生活中螺纹得用途
2)了解螺纹形成得过程
3)掌握螺纹得五要素标注
教学重点:1)能够对螺纹得作用举例说明
2)螺纹五要素得标注
3)线数、旋向得判断及内外螺纹啮合得条件
教学难点:螺纹线数、旋向得判断及内外螺纹啮合得条件
教学方法:启发式教学法,讨论法
教学工具:1)多媒体教学
2)一套六角头螺栓螺母
3)含有梯形螺纹得轴
4)一副活手扳手、
教学过程:
一、螺纹得用途ﻩ
多媒体显示课题(大屏幕上显示我们经常见到得六角头螺栓螺母得图片) T:“观察您周围,想想生活中哪儿会见到螺纹"? (教师提出问题)
(大屏幕上显示笔杆笔套,可乐瓶,及车床)
教师要求同学瞧图并分析螺纹得第一个用途:(教师提出问题)
1)如果没有螺纹,笔套可以连在笔杆上吗?
2)可乐瓶盖如何连在可乐瓶上?
3)车床上刀柄就是如何固定在刀架上?
教师通过以上3个问题,引导同学用四个字归纳螺纹得第一个用途“连接固定”。
(大屏幕显示)
T: “在我们日常生活中,螺纹还有另外一个用途。
(大屏幕上台虎钳得图片) (教师提示:台虎钳上我们通过转动螺杆来控制工件得装夹与松动,这个螺杆上有沟槽也有凸起,这种形状得零件也就是螺纹得一种,叫梯形螺纹,想想这种螺纹起得作用?)
教师要求同学瞧图并分析问题:人在转动螺杆,,螺杆起得作用就是把人得动力传递给活动钳身在动,最后零件被夹紧或松动。
教师最后引导启发学生得出螺杆得作用:传递动力(大屏幕显示)。
(大屏幕上显示千斤顶,活手扳手同时教师告诉学生生活中很多工具在应用螺纹得传递动力得作用,固定连接得作用更就是很多。
)
二、螺纹得形成
T:“既然螺纹在我们生活用途很广,那么螺纹就是怎么制造得呢?下面我们做个实验。
"
(教师演示拿一根铁丝,然后拿一圆杯,用铁丝绕起来,在杯子上形成了螺旋线,这杯子叫螺旋体)
教师提出3个假设:
1)假如铁丝比较锋利,在杯子上会形成槽,如果沿着槽多次环绕,槽会很深,没有绕到得地方形成凸起,绕到得地方形成沟槽,想象最后螺旋体得形状:
2)假如三角形换成三角形矩形,梯形,想象螺旋体得形状;
3)我们就是否可以在杯子上绕两跳槽;
教师演示验证假设,得出螺纹得定义:圆柱或圆锥表面上沿着螺旋线形成得具有规定牙型得连续突起或沟槽。
T:实际生产中螺纹就是如何加工出来得?(大屏幕上演示三角形外螺纹得车削过
程,让学生对螺纹得车削有感性得认识)
观瞧录像,教师提示学生观察:
1)刀具得形状
2)螺纹得形状
结论:1)三角形螺纹得形状与螺纹刀具得形状一样;
2)工件在转,三角形螺纹车刀作纵向进给运动,在圆柱表面形成三角螺纹。
通过以上结论要求同学推理梯形螺纹、矩形螺纹及锯齿形螺纹就是如何形成得?1)工件在旋转,梯形螺纹车刀在作纵向进给运动,在工件上形成了梯形螺纹。
2)工件在旋转,矩形螺纹车刀在作纵向进给运动,在工件上形成了矩形螺纹。
3)工件在旋转,锯齿形螺纹车刀在作纵向进给运动。
在工件上形成了锯齿形螺纹。
T:现在我们归纳一下螺纹得车削过程.(教师操纵鼠标,大屏幕上出现了一道填空题,教师要求学生把答案写在练习本上)
螺纹就是________________绕着_______________得圆柱体做平行于圆柱体轴线得运动所形成得螺旋体。
(1分钟后,教师给出答案:刀具、旋转) 教师展示含有三角形螺纹、梯形螺纹、矩形螺纹得轴类工件。
三、螺纹得5个基本要素(螺纹得公称直径、牙型、螺距、旋向、线数)
1、牙型角(α):在螺纹牙型上,两相邻牙侧间得夹角。
螺纹得牙型通常有三角形(60)、矩形(90)、梯形(30)、锯齿形(33)等。
三角形螺纹用于联接,矩形、梯形、锯齿形螺纹用于传动.
2、螺纹公称直径(大径、中径、小径)
(教师拿出事先准备好得四种螺纹得图样分发给学生并引导学生根据大屏幕上显示得螺纹大径、中径、小径得定义,标出螺纹得公称直径、牙型角)
螺纹大径:指与外螺纹牙顶与内螺纹牙底相切得假想圆柱得直径。
外螺纹用D,内螺纹用d来表示.
螺纹小径:指与外螺纹牙底与内螺纹牙顶相切得假想圆柱得直径。
外螺纹用,内螺纹用来表示。
螺纹中径:假想圆柱得直径,该圆柱通过牙型上沟槽与凸起相等得地方。
外螺纹用表示内螺纹用表示。
3、线数(n)
1)单线螺纹:由一条螺旋线形成得螺纹;
2)多线螺纹:由两条或两条以上得螺旋线形成得螺纹;
T:谁能举出生活中单线与多线螺纹得应用?(提示判断螺旋线得条数)
结论:1)笔杆与笔套上得螺纹就是单线螺纹.
2)水杯盖上螺纹就是多线螺纹。
4、螺距P:相邻两牙对应两点间得轴向距离。
导程Ph:同一条螺旋线上相邻两牙对应两点间得轴向距离。
(单线螺纹Ph=n*P;多线螺纹Ph=n*P)
5、旋向得判断:
1)成对配合得螺纹旋向得判断:顺着螺杆旋紧得方向瞧,顺时针为右旋,逆时针为左旋.(大屏幕显示)
(教师给学生演示六角头螺栓、螺母得旋向并要求学生自己判断笔套与笔杆螺纹得旋向)
2)单个螺纹旋向得判断:如图所示。
(判断含梯形螺纹得轴上螺纹得旋向)
3)在生活中得应用.水龙头开关处得螺纹就是右旋螺纹。
煤气瓶压力口处就是左旋螺纹。
6、内外螺纹配合得条件
教师拿出三角螺纹螺栓,螺母演示,根据以下问题教师引导学生总结得出内外螺纹配合得条件。
1)其它4要素相同,三角形螺纹就是否可以与其它3种类型得螺纹配合;
2)其它4要素相同,左旋螺纹就是否可以与右旋螺纹配合;
3)其它4要素相同,单线螺纹就是否可以与双线、三线螺纹配合;
结论:啮合得内外螺纹五要素必须完全相同。
四、课堂总结
1)举例说明螺纹得用途有那些?
2)螺纹五要素得判断标注。
3)螺纹得形成。
五、课后思考与练习
课本P122-1、P122-2。