360天擎终端安全管理系统v6.0_测试方案(详细用例)
- 格式:doc
- 大小:361.50 KB
- 文档页数:20
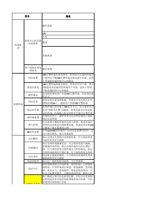
操作系统CPU内存硬盘其他要求客户端的安装环境要求操作系统网页部署360天擎终端安装包网页,管理员可以通知终端用户到网页下载360天擎终端安装包进行安装,适用于终端能连通控制中心的情况离线安装包360天擎终端离线安装包,管理员可以下载、拷贝到U盘等形式提供给终端用户安装,适用于终端不能连通控制中心的情况邮件通知发送邮件通知用户安装360天擎终端,支持修改邮件正文网站发布复制安装信息到剪贴板,管理员可发布到企业内部网站或OA上,通知用户安装360天擎终端验证码升级如果终端已经安装了360安全卫士,且主菜单中已经有“切换为天擎”功能项,管理员就可以发送验证给终端,终端输入验证码即可升级为天擎终域环境部署在域的环境下,域管理员可以向所有域用户强制推送安装终端准入控制对未部署天擎的终端开启准入控制,使该终端对外网的访问重定向到部署页面,终端必须安装360天擎客户端才能继续上网IE控件部署启用ActiveX的终端用户访问安装部署网页时,自动下载安装包,进入安装流程安全概况展示全网安全等级以及体检结果,可方便的查看当前存在的安全威胁终端概况展示全网终端健康状态,可方便的查看不健康、亚健康终端列表;展示全网终端木马库日期比例,可方便的查看全网终端木马库的情况;展示全网终端病毒库日期比例,可方便的查看全网终安全动态滚动展示最新的威胁,可方便的查看最新发现和最新修复的安全威胁危险项趋势展示近一周的危险项趋势,可分类查看监控中心按终端维度展示在线终端、离线终端、已卸载终端列表,可对终端进行体检、修复漏洞、查杀病毒、查杀木马、清理插件、修复系统危险项、开启安全配置等操作,可删除离线终端,删除已卸按日期展示每日的危险项总数,可以点击查询指定时间段内各分组的危险项情况统计结果,可以查询到具体的统计信息型号环境要求描述控制中心的安装环境要求部署终端全网安全状况可按查询条件(平均体检分、漏洞数量、病毒数量等)生成指定时间段内各分组的折现图、柱状图、条形图等,可自定义查询条件和图表类型展示每日每个终端的危险项总数,可以点击查询指定日期活跃终端的危险项情况统计结果,可以查询到具体的统计信息可按查询条件(平均体检分、漏洞数量、病毒数量等)生成指定时间段内各分组的TOP5、TOP10的终端图表,可自定义查询条件和图表类型修复漏洞日志查询展示指定时间段内指定终端修复漏洞的情况查杀病毒日志查询展示指定时间段内指定终端查杀病毒的情况查杀木马日志查询展示指定时间段内指定终端查杀木马的情况清理插件日志查询展示指定时间段内指定终端查杀病毒的情况修复系统危险项日志查询展示指定时间段内指定终端修复系统危险项的情况开启安全配置项日志查询展示指定时间段内指定终端开启安全配置项的情况定制报表按照管理员设置的模板生成报表并发送到管理员邮箱监控中心按终端维度展示在线终端、离线终端、已卸载终端列表,可对终端进行体检、修复漏洞、查杀病毒、查杀木马、清理插件、修复系统危险项、开启安全配置等操作,可删除离线终端,删除已卸载终端记录终端升级展示终端的卫士程序版本、杀毒程序版本、木马库日期、病毒库日期,可以对指定或全部终端进行升级病毒库、木马库、卫士程序版本、杀毒程序版本操作。
360终端安全管理系统用户手册©2021 360企业安全集团■版权声明本文中出现的任何文字叙述、文档格式、插图、照片、方法、过程等内容,除另有特别注明外,所有版权均属360企业安全集团所有,受到有关产权及版权法保护。
任何个人、机构未经360企业安全集团的书面授权许可,不得以任何方式复制或引用本文的任何片断。
一、产品简介51.1产品概述51.2设计理念51.3产品架构6二、安装部署72.1环境准备72.1.1服务器准备72.1.2终端环境准备82.1.3网络环境准备92.2控制中心安装102.3客户端安装122.3.1客户端功能定制和下载122.3.2客户端在线安装132.3.3客户端离线安装142.3.4客户端域安装15三.功能使用说明163.1登录163.2界面说明173.2.1Banner区173.2.2主功展示区域183.3首页183.3.1安全概况183.3.2待处理任务193.3.3服务器性能监控193.3.4安全动态193.3.5文件鉴定193.3.6病毒查杀趋势193.3.7病毒分类203.3.8高危漏洞修复趋势203.3.9XP盾甲趋势203.3.10常用功能20 3.3.11授权信息20 3.4终端管理213.4.1终端概况213.4.2地址资源管理25 3.4.3病毒查杀283.4.4插件管理293.4.5系统修复303.4.6漏洞管理313.4.7XP盾甲323.4.8升级管理323.5移动存储管理32 3.5.1设备注册333.5.2设备授权343.5.3挂失管理353.5.4外出管理353.5.5终端申请353.5.6设备例外353.6日志报表363.6.1终端日志363.6.2资产汇总453.6.3系统日志473.6.4报表订阅473.6.5订阅管理473.7策略中心483.7.1分组策略483.7.2管控策略623.7.3样本鉴定683.8系统管理693.8.1系统设置693.8.2系统工具723.8.3多级中心733.8.4账号管理74四.场景参考手册744.1准备使用360天擎744.1.1部署终端754.1.2设置安全策略754.1.3设置定时杀毒754.1.4每天日常工作75一、产品简介1.1 产品概述360天擎终端安全管系统是360面向政府、企业、金融、军队、医疗、教育、制造业等大型企事业单位推出的集防病毒与终端安全管控于一体的解决方案。
360终端安全管理系统360终端安全管理系统是一款针对企业终端设备安全管理的全面解决方案,它集成了360安全大脑、威胁情报中心、终端安全管理平台等多项安全技术,能够为企业提供全方位的终端安全防护和管理服务。
本文将从系统架构、功能特点、应用场景等方面对360终端安全管理系统进行介绍。
首先,360终端安全管理系统的系统架构包括终端安全管理平台、终端安全代理、安全大脑和威胁情报中心四个主要组成部分。
其中,终端安全管理平台是系统的核心,负责统一管理和监控企业终端设备的安全状态,实现对终端设备的安全策略配置、风险评估和安全事件响应等功能。
终端安全代理则部署在企业终端设备上,负责收集终端设备的安全数据,并将其传输给终端安全管理平台进行分析和处理。
安全大脑和威胁情报中心则提供实时的威胁情报和安全事件响应支持,为终端安全管理平台提供持续更新的安全威胁情报和安全事件响应能力。
其次,360终端安全管理系统具有多项功能特点。
首先,它能够实现对企业终端设备的全面安全管理,包括基础安全配置、漏洞修复、威胁防护、安全监控等多个方面。
其次,系统具有智能化的安全管理能力,能够通过安全大脑分析和识别潜在的安全威胁,并及时做出响应和处理。
再次,系统支持多种终端设备类型,包括PC、移动设备、物联网设备等,能够实现对不同类型终端设备的统一管理。
最后,系统具有灵活的部署方式,支持云端部署和本地部署两种方式,能够满足不同企业的安全管理需求。
最后,360终端安全管理系统适用于各种企业的安全管理场景。
首先,对于大型企业而言,系统能够实现对规模庞大的终端设备进行集中化管理,提高安全管理效率和精度。
其次,对于中小型企业而言,系统提供了简单易用的安全管理界面和功能,能够帮助企业快速建立起完善的终端安全管理体系。
再次,对于行业特定的安全管理需求,系统能够根据不同行业的安全特点和需求,提供定制化的安全管理方案,满足不同行业的安全管理需求。
综上所述,360终端安全管理系统是一款功能强大、灵活多样、适用广泛的终端安全管理解决方案,能够为企业提供全面的终端安全防护和管理服务。
用户手册■版权声明本文中出现的任何文字叙述、文档格式、插图、照片、方法、过程等内容,除另有特别注明外,所有版权均属360企业安全集团所有,受到有关产权及版权法保护。
任何个人、机构未经360企业安全集团的书面授权许可,不得以任何方式复制或引用本文的任何片断。
1.1产品概述 .................................................. 1.2设计理念 .................................................. 1.3 产品架构 ..................................................二、安装部署 .....................................................2.1环境准备 .................................................. 2.1.1服务器准备 ............................................. 2.1.2终端环境准备 ........................................... 2.1.3网络环境准备 ........................................... 2.2 控制中心安装 ..............................................360终端安全管理系统 360企业安全集团2.3.1客户端功能定制和下载...................................2.3.2客户端在线安装.........................................2.3.3客户端离线安装.........................................2.3.4客户端域安装...........................................三.功能使用说明................................................3.1登录 ......................................................3.2界面说明 ..................................................3.2.1Banner区................................................3.2.2主功展示区域.............................................3.3首页 ......................................................3.3.1安全概况..................................................3.3.2待处理任务.............................................3.3.3服务器性能监控.........................................3.3.4安全动态...............................................3.3.5文件鉴定...............................................3.3.6病毒查杀趋势...........................................3.3.7病毒分类...............................................3.3.8高危漏洞修复趋势.......................................3.3.9XP盾甲趋势.............................................常用功能...............................................授权信息...............................................3.4.2地址资源管理...........................................3.4.3病毒查杀...............................................3.4.4插件管理...............................................3.4.5系统修复...............................................3.4.6漏洞管理...............................................3.4.7XP盾甲.................................................3.4.8升级管理...............................................3.5移动存储管理 ..............................................3.5.1设备注册...............................................3.5.2设备授权...............................................3.5.3挂失管理...............................................3.5.4外出管理...............................................3.5.5终端申请...............................................3.5.6设备例外...............................................3.6日志报表 ..................................................3.6.1终端日志...............................................3.6.2资产汇总...............................................3.6.3系统日志...............................................3.6.4报表订阅...............................................3.6.5订阅管理...............................................3.7策略中心 ..................................................3.7.3样本鉴定...............................................3.8系统管理 ..................................................3.8.1系统设置...............................................3.8.2系统工具...............................................3.8.3多级中心...............................................3.8.4账号管理...............................................四.场景参考手册................................................4.1准备使用360天擎 ..........................................4.1.1部署终端...............................................4.1.2设置安全策略...........................................4.1.3设置定时杀毒...........................................4.1.4每天日常工作...........................................一、产品简介产品概述360天擎终端安全管系统是360面向政府、企业、金融、军队、医疗、教育、制造业等大型企事业单位推出的集防病毒与终端安全管控于一体的解决方案。
360终端安全管理系统标准实施方案© 2022 360企业安全集团■版权声明本文中出现的任何文字叙述、文档格式、插图、照片、方法、过程等内容,除另有特别注明外,所有版权均属360企业安全集团所有,受到有关产权及版权法保护。
任何个人、机构未经360企业安全集团的书面授权许可,不得以任何方式复制或引用本文的任何片断。
目录| Contents一、项目概述..................................................................................................................................... - 3 -1.1项目背景 (3)1.2产品清单 (3)1.3部署架构 (3)1.4项目实施范围 (4)二、项目人员组织管理 ..................................................................................................................... - 5 -2.1项目人员组织结构 (5)2.1项目人员组成情况 (5)三、项目实施..................................................................................................................................... - 6 -3.1项目阶段划分 (6)3.2项目实施计划 (7)3.2.1.调研分析 ................................................................................................................................. - 7 -3.2.1.1.时间安排 ....................................................................................................................................... - 7 -3.2.1.2.主要工作 ....................................................................................................................................... - 7 -3.2.1.3.奇虎责任 ....................................................................................................................................... - 7 -3.2.1.4.XXX责任........................................................................................................................................ - 7 -3.2.1.5.计划 ............................................................................................................................................... - 7 -3.2.2.定制开发 ................................................................................................................................. - 8 -3.2.2.1.时间安排 ....................................................................................................................................... - 8 -3.2.2.2.主要工作 ....................................................................................................................................... - 8 -3.2.2.3.奇虎责任 ....................................................................................................................................... - 8 -3.2.2.4.XXX责任........................................................................................................................................ - 8 -3.2.2.5.计划 ............................................................................................................................................... - 9 -3.2.3.试点安装 ................................................................................................................................. - 9 -3.2.3.1.时间安排 ....................................................................................................................................... - 9 -3.2.3.2.主要工作 ....................................................................................................................................... - 9 -3.2.3.3.奇虎责任 ..................................................................................................................................... - 10 -3.2.3.4.XXX责任...................................................................................................................................... - 10 -3.2.3.5.计划 ............................................................................................................................................. - 10 -3.2.4.实施推广 ............................................................................................................................... - 10 -3.2.4.1.时间安排 ..................................................................................................................................... - 10 -3.2.4.2.主要工作 ..................................................................................................................................... - 11 -3.2.4.3.奇虎责任 ..................................................................................................................................... - 11 -3.2.4.4.XXX责任...................................................................................................................................... - 11 -3.2.4.5.计划 ............................................................................................................................................. - 11 -3.2.5.项目初验 ............................................................................................................................... - 12 -3.2.5.1.时间安排 ..................................................................................................................................... - 12 -3.2.5.2.主要工作 ..................................................................................................................................... - 12 -3.2.5.3.奇虎责任 ..................................................................................................................................... - 12 -3.2.5.4.XXX责任...................................................................................................................................... - 12 -3.2.5.5.计划 ............................................................................................................................................. - 13 -3.2.6.试运行调优 ........................................................................................................................... - 13 -3.2.6.1.时间安排 ..................................................................................................................................... - 13 -3.2.6.2.主要工作 ..................................................................................................................................... - 13 -3.2.6.3.奇虎责任 ..................................................................................................................................... - 13 -3.2.6.4.XXX责任...................................................................................................................................... - 13 -3.2.6.5.计划 ............................................................................................................................................. - 14 -3.2.7.终验 ....................................................................................................................................... - 14 -3.2.7.1.时间安排 ..................................................................................................................................... - 14 -3.2.7.2.主要工作 ..................................................................................................................................... - 14 -3.2.7.3.奇虎责任 ..................................................................................................................................... - 14 -3.2.7.4.XXX责任...................................................................................................................................... - 15 -3.2.7.5.计划 ............................................................................................................................................. - 15 -四、应急预案................................................................................................................................... - 16 -4.1控制中心崩溃 (16)4.1.1.现象 ....................................................................................................................................... - 16 -4.1.2.影响 ....................................................................................................................................... - 16 -4.1.3.应对方案 ............................................................................................................................... - 16 -4.2控制中心硬件损坏 (16)4.2.1.现象 ....................................................................................................................................... - 16 -4.2.2.影响 ....................................................................................................................................... - 17 -4.2.3.应对方案 ............................................................................................................................... - 17 -4.3终端蓝屏 (17)4.3.1.现象 ....................................................................................................................................... - 17 -4.3.2.影响 ....................................................................................................................................... - 17 -4.3.3.应对方案 ............................................................................................................................... - 17 -一、项目概述1.1 项目背景(一)工程建设目标(二)工程建设任务1.2 产品清单1.3 部署架构根据XX项目的要求、当前已经建设完成的网络特点,结合360产品的功能特点与部属能力,本方案设计私有云安全子系统部署结构如图4所示,具体说明如下:1、终端控制子系统终端控制子系统部署位置为各个终端设备之上,根据系统内部对终端网络的划分,可分别独立部署在各张子网的终端设备之上2、各省虚拟化平台各省虚拟化平台位于各省节点内部,利用各省局域网内部拓扑优势实现对各省终端安全子系统的快速分发3、分级管理控制中心分级管理中心由于需要与所有内部子系统、外围协作平台、系统均能够链路可达通信,因此,需要将分级管理控制中心部署在管理域之中4、总部、广州数据中心云平台总部、广州数据中心云平台通过VPN专网与各省地终端安全子系统互连,完成各省终端安全子系统提交的计算任务1.4 项目实施范围本项目实施范围主要包含并不限于:1、总部(含北京数据中心主站点1、北京数据中心主站点2总部广东数据中心)。
山东汇金信息科技有限公司360天擎终端安全管理系统部署方案技术支持中心2016-7-15360天擎终端安全管理系统大概可以分为以下三种情况去进行部署。
可以根据客户实际环境选择最接近于下面三种方案的那一种去进行部署。
第一种:互联网络部署方案特点该方案适用于能够自由连接互联网的用户环境,在用户的内网中部署一套天擎安全管理系统,同时在内网中的办公终端安装天擎客户端,通过天擎终端安全管理系统去进行统一安全管控。
部署示意图在网络内部部署天擎控制中心和终端,天擎终端通过控制中心连接到公网中的360的升级服务器进行升级、更新等,控制中心具有缓存功能,同样的数据文件只会下载一次,可以极大的节省客户的总出口宽带。
天擎终端根据控制中心制定的安全策略,进行体检、杀毒和修复漏洞等安全操作。
进行杀毒扫描时,天擎终端可以直接连接360的云查杀系统,进行云查杀。
部署过程∙1、安装天擎控制中心。
∙2、部署天擎终端。
∙3、设置安全策略。
∙4、终端集中管理。
第二种:隔离网络部署方案特点该方案适用于那些无法直接连接互联网环境的用户,在用户内网中部署一套天擎终端安全管理系统。
同时在内网的终端安装天擎客户端,通过天擎终端安全管理系统进行统一安全管控,天擎终端安全管理系统的病毒/补丁等更新程序通过离线升级工具进行拷贝导入。
部署示意图在客户内部部署天擎控制中心和终端,天擎终端根据控制中心制定的安全策略,进行体检、杀毒和修复漏洞等安全操作。
使用功能隔离网工具,定期从360相关的服务器下载病毒库、木马库、漏洞补丁文件等,更新到控制中心后,所有天擎终端都可以自动升级和修复漏洞。
有专人负责控制中心的日常运行,定时查看各终端的安全情况,下发统一杀毒、漏洞修复等策略。
部署过程:∙1、安装天擎控制中心。
∙2、部署天擎终端。
∙3、定时登录控制中心,查看各终端安全情况。
∙4、下发统一杀毒、修复漏洞等策略,确保终端安全。
∙5、定期使用功能隔离网工具下载数据,并更新到控制中心。
天擎V6.0_强制合规(NAC)快速安装部署手册文档版本号:V2.1.1© 2022 360企业安全集团■版权声明本文中出现的任何文字叙述、文档格式、插图、照片、方法、过程等内容,除另有特别注明外,所有版权均属360企业安全集团所有,受到有关产权及版权法保护。
任何个人、机构未经360企业安全集团的书面授权许可,不得以任何方式复制或引用本文的任何片断。
目录| Contents一、产品简介 (4)1.1产品概述 (4)1.2入网流程 (5)1.3产品组成 (5)二、安装部署 (8)2.1NAC引擎设备初始化配置 (8)2.1.1登录设备 (8)2.1.2网络基础配置 (11)2.1.3 控制中心连接配置 (12)2.1.4 双机热备 (13)2.1.5 常用命令 (14)2.2控制台中心 (16)2.2.1 控制中心登录 (16)2.2.2 设备管理 (17)2.2.3 授权管理 (20)2.3客户端 (21)2.3.1 认证小助手 (21)2.3.1 客户端安装 (24)三.认证方案快速配置 (27)3.1 应用准入方案 (27)3.1.1 配置保护区 (28)3.1.2 配置监听端口和客户端下载页面 (28)3.1.3 配置入网流程 (29)3.1.4 配置交换机镜像 (29)3.1.5 验证 (30)3.2 Web Portal认证方案 (31)3.2.1 配置保护区 (31)3.2.2 配置监听端口和客户端下载页面 (31)3.2.3 配置入网流程 (32)3.2.4 配置交换机镜像 (32)3.2.5 验证 (33)3.2.6 来宾注册 (33)3.2.7 认证/注册配置 (34)3.2.8 注册审批 (34)3.3 802.1X认证方案 (35)3.3.1 添加接入点交换机 (35)3.3.2 添加用户 (37)3.3.3 第三方认证源配置 (38)3.3.4 配置交换机命令 (39)3.3.5 客户端认证验证 (40)3.3.6 认证日志 (41)3.4 MAB Mac认证方案 (41)3.4.1 添加Mac白名单 (42)3.4.2 交换机MAB配置 (42)3.4.3 验证 (43)四.合规检查配置 (44)4.1安检合规 (44)4.1.1安全检查项 (45)4.1.2策略配置 (45)4.1.3修复区配置 (47)4.1.4分组策略部署 (47)4.1.5安全检查客户端 (49)五.设备集中管理 (51)5.1设备管理 (51)5.2授权管理 (53)5.3策略分组 (54)一、产品简介1.1 产品概述天擎V6.0强制合规(NAC)主要为企事业单位解决入网安全合规性要求,核心业务的访问控制、实现用户和终端的实名制认证管理、终端接入的安全防护、终端入网的追溯分析等管理问题。
TOC \o "1-3" \h \z \u 一、产品简介 PAGEREF_Toc429578736 \h 4用户手册360终端安全管理系统© 2020 360企业安全集团■版权声明本文中出现的任何文字叙述、文档格式、插图、照片、方法、过程等内容,除另有特别注明外,所有版权均属360企业安全集团所有,受到有关产权及版权法保护。
任何个人、机构未经360企业安全集团的书面授权许可,不得以任何方式复制或引用本文的任何片断。
1.1 产品概述 (4)1.2 设计理念 (5)1.3 产品架构 (5)二、安装部署 (6)2.1 环境准备 (6)2.1.1 服务器准备 (6)2.1.2 终端环境准备 (8)2.1.3 网络环境准备 (8)2.2 控制中心安装 (9)2.3 客户端安装 (11)2.3.1 客户端功能定制和下载 (11)2.3.2 客户端在线安装 (12)2.3.4 客户端域安装 (14)三. 功能使用说明 (15)3.1 登录 (15)3.2 界面说明 (15)3.2.1 ................................................ B anner区163.2.2 ............................................ 主功展示区域163.3 首页 (16)3.3.1 ............................................. 安全概况173.3.2 待处理任务 (17)3.3.3 服务器性能监控 (17)3.3.4 安全动态 (17)3.3.5 文件鉴定 (17)3.3.6 病毒查杀趋势 (17)3.3.7 病毒分类 (18)3.3.8 高危漏洞修复趋势 (18)3.3.9 XP盾甲趋势 (18)3.3.10 常用功能 (18)3.3.11 授权信息 (18)3.4 终端管理 (18)3.4.2 地址资源管理 (21)3.4.3 病毒查杀 (23)3.4.4 插件管理 (24)3.4.5 系统修复 (25)3.4.6 漏洞管理 (26)3.4.7 XP盾甲 (27)3.4.8 升级管理 (27)3.5 移动存储管理 (27)3.5.1 设备注册 (27)3.5.2 设备授权 (28)3.5.3 挂失管理 (29)3.5.4 外出管理 (29)3.5.5 终端申请 (29)3.5.6 设备例外 (29)3.6 日志报表 (30)3.6.1 终端日志 (30)3.6.2 资产汇总 (37)3.6.3 系统日志 (38)3.6.4 报表订阅 (38)3.6.5 订阅管理 (39)3.7 策略中心 (39)3.7.1 分组策略 (39)3.7.3 样本鉴定 (55)3.8 系统管理 (56)3.8.1 系统设置 (56)3.8.2 系统工具 (58)3.8.3 多级中心 (59)3.8.4 账号管理 (59)四. 场景参考手册 (60)4.1 准备使用360天擎 (60)4.1.1 部署终端 (60)4.1.2 设置安全策略 (61)4.1.3 设置定时杀毒 (61)4.1.4 每天日常工作 (61)一、产品简介1.1 产品概述360天擎终端安全管系统是360面向政府、企业、金融、军队、医疗、教育、制造业等大型企事业单位推出的集防病毒与终端安全管控于一体的解决方案。
360终端安全管理系统用户手册© 2022 360企业安全集团■版权声明本文中出现的任何文字叙述、文档格式、插图、照片、方法、过程等内容,除另有特别注明外,所有版权均属360企业安全集团所有,受到有关产权及版权法保护。
任何个人、机构未经360企业安全集团的书面授权许可,不得以任何方式复制或引用本文的任何片断。
一、............................................................... 产品简介61.1 产品概述 (6)1.2 设计理念 (6)1.3 产品架构 (7)二、安装部署 (9)2.1 环境准备 (9)2.1.1 服务器准备 (9)2.1.2 终端环境准备 (10)2.1.3 网络环境准备 (11)2.2 控制中心安装 (12)2.3 客户端安装 (17)2.3.1 客户端功能定制和下载 (17)2.3.2 客户端在线安装 (17)2.3.3 客户端离线安装 (19)2.3.4 客户端域安装 (21)三. 功能使用说明 (24)3.1 登录 (24)3.2 界面说明 (25)3.2.1 ...................................................... Banner区253.2.2 ................................................... 主功展示区域263.3 首页 (26)3.3.1 .................................................... 安全概况273.3.2 待处理任务 (27)3.3.3 服务器性能监控 (27)3.3.4 安全动态 (28)3.3.5 文件鉴定 (28)3.3.6 病毒查杀趋势 (29)3.3.7 病毒分类 (29)3.3.8 高危漏洞修复趋势 (30)3.3.9 XP盾甲趋势 (30)3.3.10 ....................................................... 常用功能313.3.11 ....................................................... 授权信息323.4 终端管理 (32)3.4.1 终端概况 (33)3.4.2 地址资源管理 (56)3.4.3 病毒查杀 (63)3.4.4 插件管理 (66)3.4.5 系统修复 (67)3.4.6 漏洞管理 (68)3.4.7 XP盾甲 (70)3.4.8 升级管理 (71)3.5 移动存储管理 (71)3.5.1 设备注册 (72)3.5.2 设备授权 (74)3.5.3 挂失管理 (76)3.5.4 外出管理 (77)3.5.5 终端申请 (78)3.5.6 设备例外 (78)3.6 日志报表 (79)3.6.1 终端日志 (80)3.6.2 资产汇总 (98)3.6.3 系统日志 (102)3.6.4 报表订阅 (103)3.6.5 订阅管理 (104)3.7 策略中心 (105)3.7.1 分组策略 (105)3.7.2 管控策略 (127)3.7.3 样本鉴定 (143)3.8 系统管理 (145)3.8.1 系统设置 (145)3.8.2 系统工具 (150)3.8.3 多级中心 (154)3.8.4 账号管理 (155)四. 场景参考手册 (156)4.1 准备使用360天擎 (156)4.1.1 部署终端 (156)4.1.2 设置安全策略 (157)4.1.3 设置定时杀毒 (157)4.1.4 每天日常工作 (157)一、产品简介1.1产品概述360天擎终端安全管系统是360面向政府、企业、金融、军队、医疗、教育、制造业等大型企事业单位推出的集防病毒与终端安全管控于一体的解决方案。
360天机移动终端安全管理系统解决方案2014年12月目录1项目背景1.1BYOD带来的安全挑战1.2BYOD带来的安全挑战1.3360天机移动终端安全管理系统2产品定位3产品架构3.1企业管理中心3.2客户端4产品功能4.1移动终端安全管理平台主要功能4.1.1设备管理(MDM)4.1.2应用管理(MAM)4.1.3内容管理(MCM)4.1.4集中管理4.2移动客户端主要功能4.2.1工作区隔离4.2.2数据存储和通讯加密4.2.3企业办公套件4.2.4私有应用市场4.2.5消息提醒5产品特点5.1国际领先的公私隔离技术5.2固若金汤的数据防泄漏技术5.3独有的企业应用加固、集成技术5.4专业的防病毒引擎5.5统一管理平台5.6流程优秀的用户体验1 项目背景1.1 BYOD带来的安全挑战随着智能终端的成熟与普及,以手机、平板为代表的个人智能终端设备逐渐进入企业领域。
据国际权威咨询公司Gartner预测,到2014年90%的企业将会支持员工在个人移动终端上运行企业办公应用程序,员工使用个人智能终端设备办公已经成为一种无法逆转的潮流,这类现象也被称为BYOD(Bring Your Own Device)。
BYOD趋势为企业带来了全新的机遇:降低成本和投入BYOD允许员工自带设备办公,消除了硬件采购和维护费用,为企业节约了大量的成本。
拓展企业业务BYOD为企事业单位提供了更为丰富的办公和业务拓展渠道。
例如,交警通过移动终端实时处理交通事故数据,金融企业利用平板电脑为客户展示产品方案、办理业务,制造行业通过移动终端实时获取生产流程中的各项指标等。
提高员工效率和满意度员工对工作灵活性、设备个性化的需求促使员工不再将私人设备和工作设备完全区分。
在很多员工看来,移动化时代的工作已不仅仅是上班时间的事情,随时随地都可以方便的接入企业系统,已经成为员工的工作习惯。
企业顺势而为,为员工的移动办公设置方便、安全的环境,无疑将赢得员工的信任和支持。
360天擎终端安全管理系统V6.0-R3管理员手册©2018 360企业安全集团■版权声明本文中出现的任何文字叙述、文档格式、插图、照片、方法、过程等内容,除另有特别注明外,所有版权均属360企业安全集团所有,受到有关产权及版权法保护。
任何个人、机构未经360企业安全集团的书面授权许可,不得以任何方式复制或引用本文的任何片断。
目录| Contents1.产品简介 (7)1.1产品概述 (7)1.2设计理念 (7)1.3产品架构 (8)2.安装部署 (9)2.1安装环境准备 (9)2.2控制中心安装与卸载 (9)2.2.1Windows控制中心 (9)2.2.2Linux控制中心 (15)2.3终端安装与卸载 (17)2.3.1Windows个人版、Windows 服务器客户端安装 (17)2.3.2Linux服务器客户端安装 (22)2.3.3国产操作系统客户端安装 (26)2.3.4客户端卸载 (28)2.4控制中心级联部署 (31)2.5控制中心拆分部署 (31)2.6云查代理服务器部署 (33)2.6.1Windows版本部署配置指南 (33)2.6.2Linux版本部署配置指南 (34)2.7控制中心高可用 (34)2.8如何提高终端部署率 (34)2.8.1域安装 (34)2.8.2终端发现 (35)2.8.3终端强制合规 (35)3.基础功能 (36)3.1基础功能典型使用场景 (36)3.1.1如何手动删除已卸载的终端 (36)3.1.2如何进行终端资产管理 (36)3.1.3如何与LDAP服务器进行联动 (36)3.1.4如何在多级部署下配置数据级联 (37)3.2基础功能详细介绍 (38)3.2.1系统设置 (38)3.2.2终端分组 (47)3.2.3终端筛选 (50)3.2.4单点维护 (51)3.2.5用户管理与筛选 (52)3.2.6策略系统 (54)3.2.7终端任务管理 (64)3.2.8告警中心 (65)3.2.9日志报表系统 (66)3.2.10管理员账号和权限体系 (70)3.2.11升级管理 (71)3.2.12系统工具 (77)3.2.13终端发现 (80)4.安全防护 (84)4.1安全防护功能介绍 (84)4.2典型场景的策略配置 (84)4.2.1适配网络环境 (85)4.2.2强安全控制 (86)4.2.3开启敲诈先赔服务 (87)4.3日常运维管理 (87)4.3.1提升和保持终端部署率 (87)4.3.2通过定期扫描提升内网安全 (88)4.3.3升级病毒库 (88)4.3.4处理紧急问题 (89)4.3.5关注病毒检出情况 (93)4.4安全防护设置项 (94)4.4.1安全防护中心 (94)4.4.2病毒扫描设置 (98)4.4.3多引擎设置 (98)4.4.4云查杀设置 (99)4.4.5云修复设置 (101)4.4.6弹窗设置 (101)4.4.7XP安全防护 (103)4.5安全扫描 (104)4.5.1安全体检 (104)4.5.2全盘扫描 (104)4.5.3快速扫描 (104)4.5.4强力查杀 (104)4.5.5文件专杀 (105)4.6病毒日志报表 (105)4.6.1扫描分数 (105)4.6.2病毒分析 (107)4.7系统修复 (108)4.8云查代理 (109)5.应用控制 (110)5.1功能简介 (110)5.2使用场景 (110)5.2.1如何在生成设备上线本功能 (110)5.2.2如何允许目录被多个进程访问 (110)5.2.3如何处理被误拦的情况 (110)5.3策略配置 (111)5.3.1进程匹配规则 (111)5.3.2终端策略 (111)6.漏洞管理 (116)6.1漏洞管理功能介绍 (116)6.2典型场景策略配置 (116)6.2.1适配网络环境 (116)6.2.2最强终端漏洞管理能力 (116)6.3日常运维管理 (116)6.3.1提升和保持终端漏洞修复率 (116)6.3.2定时漏洞管理保证内网安全 (117)6.3.3定期升级补丁库 (117)6.3.4生成和查看日志报表 (117)6.3.5根据企业要求对补丁库进行限制 (117)6.4漏洞管理设置 (117)6.4.1补丁修复设置 (117)6.4.2补丁下载安装顺序 (118)6.4.3补丁限制列表设置 (118)6.4.4弹窗设置 (119)6.4.5其他设置 (119)6.5终端漏洞管理 (119)6.5.1按终端显示 (119)6.5.2按漏洞显示 (120)6.5.3单点维护 (122)6.6漏洞日志报表 (123)7.移动存储管理 (126)7.1移动存储介绍 (126)7.2使用场景 (126)7.2.1设置U盘默认禁止策略 (126)7.2.2管理员注册授权U盘 (127)7.2.3终端申请U盘注册 (132)7.2.4终端申请自动审批设置 (135)7.3功能设置 (136)7.3.1移动存储注册 (136)7.3.2移动存储授权 (144)7.3.3终端申请 (146)7.3.4外出授权 (148)8.软件管理 (150)8.1软件管家功能介绍 (150)8.2典型场景策略配置 (150)8.2.1适配网络环境 (150)8.2.2本地软件文件鉴定 (151)8.2.3只显示已下载云端软件 (151)8.2.4本地软件分组定制 (151)8.3日常运维管理 (151)8.3.2查看软件安装情况 (151)8.3.3下发软件升级和卸载任务 (151)8.3.4分发软件到终端 (152)8.3.5正版率统计 (152)8.3.6查看软件变更日志报表 (152)8.4软件商店 (152)8.5软件统计 (153)8.6软件管理 (154)8.7软件分发 (155)8.8插件管理 (159)9.外设管理 (160)9.1外设管理功能介绍 (160)9.2使用场景 (160)9.2.1外设策略设置 (160)9.3外设管理详细功能 (162)9.3.1接口控制 (162)9.3.2设备控制 (163)9.3.3光盘控制 (163)9.3.4设备例外 (164)10.桌面管控 (166)10.1桌面管控功能介绍 (166)10.2使用场景 (166)10.2.1如何使用远程控制 (166)10.2.2如何设置资产登记 (167)10.2.3如何设置管控策略 (168)10.3桌面管控详细功能 (171)10.3.1终端概况 (171)10.3.2资产登记 (188)10.3.3管控策略 (191)10.3.4告警事件 (202)11.终端强制合规 (204)12.威胁追踪 (205)12.1功能定位 (205)12.2威胁追踪 (206)12.2.1场景介绍 (206)12.2.2威胁追踪——首页功能介绍 (208)12.2.3威胁追踪——调查分析功能介绍 (211)12.2.4数据字典 (221)12.2.5搜索语法 (227)12.2.6终端策略——终端策略——数据采集策略功能介绍 (232)12.2.7告警中心——风险告警的IOC告警介绍 (233)13.文件追踪 ..................................................................................................... 错误!未定义书签。
?360天擎终端安全管理解决方案《·]北京奇虎科技有限公司2014年9月目录背景 (3)方案目标 (4)终端安全 (4)桌面管理 (5)统一运维 (5)方案设计 (6)终端安全 (6)终端病毒与恶意代码防范 (6)终端安全性检查 (14)终端防黑加固 (15)协议防火墙 (16)桌面管理 (16)终端流量管理 (16)系统自动升级 (17)终端硬件性能监控 (20)终端软件进程与服务管理 (20)终端Agent强制安装与运行 (21)终端外设管理 (21)终端小工具 (22)终端信息搜集 (23)文件审计管控 (23)统一运维 (24)软件分发 (24)策略下发 (24)在线用户统计 (25)安装包定制与Web安装 (26)系统兼容性 (27)系统可扩展性 (27)系统容灾 (28)背景随着企业信息化进程的不断加快,企业网络规模与终端数量在不断变大,企业业务对信息化系统的依赖程度越来越高,信息化系统的建设与升级,一方面推动着企业的办公自动化、业务自动化进程不断加快,提高企业的运营效率,降低企业的运营成本。
另一方面,也为企业带来了新的问题,对企业的运营与管理提出了新的挑战。
管理问题信息化系统的引入、网络的建设与升级为企业带来了诸多管理问题,其中主要包括如下几个方面:如何有效管理网络设备与应用系统,使得网络能够稳定运行,保障企业自动化办公与依托于网络的业务能够平稳有效进行,这需要大量额外的网络管理系统进行运维支撑。
如何有效管理终端设备与应用软件,使得终端能够稳定、合规运行,保障企业的自动化办公与终端业务操作能够平稳有效进行。
如何有效管理业务系统的设备与软件,使得业务系统整体平稳运行,保障企业业务系统对外提供稳定的服务。
安全问题信息化系统与网络的引入,为进入企业内部获得企业数据资料、操控企业业务运行提供了一种看不到的新途径,这就为企业的数据、资料乃至业务运行带来了新的安全问题,主要包括:企业信息化系统与网络访问控制问题:这其中包括如何控制哪些终端在满足什么样的条件之下可以进入到企业信息化系统与网络;如何为进入到信息化系统与网络的终端用户分配访问操作权限并保障这些终端用户不能越权非法操作。
360终端安全管理系统用户手册© 2017 360企业安全集团■版权声明本文中出现的任何文字叙述、文档格式、插图、照片、方法、过程等内容,除另有特别注明外,所有版权均属360企业安全集团所有,受到有关产权及版权法保护。
任何个人、机构未经360企业安全集团的书面授权许可,不得以任何方式复制或引用本文的任何片断。
目录| Contents一、产品简介 (4)1.1产品概述 (4)1.2设计理念 (4)1.3产品架构 (5)二、安装部署 (6)2.1环境准备 (6)2.1.1服务器准备 (6)2.1.2终端环境准备 (7)2.1.3网络环境准备 (7)2.2控制中心安装 (8)2.3客户端安装 (12)2.3.1客户端功能定制和下载 (12)2.3.2客户端在线安装 (12)2.3.3客户端离线安装 (13)2.3.4客户端域安装 (15)三.功能使用说明 (17)3.1登录 (17)3.2界面说明 (17)3.2.1Banner区 (17)3.2.2主功展示区域 (18)3.3首页 (18)3.3.1安全概况 (19)3.3.2待处理任务 (19)3.3.3服务器性能监控 (20)3.3.4安全动态 (20)3.3.5文件鉴定 (20)3.3.6病毒查杀趋势 (21)3.3.7病毒分类 (21)3.3.8高危漏洞修复趋势 (22)3.3.9XP盾甲趋势 (22)3.3.10常用功能 (23)3.3.11授权信息 (24)3.4终端管理 (24)3.4.1终端概况 (25)3.4.2地址资源管理 (44)3.4.3病毒查杀 (50)3.4.4插件管理 (52)3.4.5系统修复 (53)3.4.6漏洞管理 (55)3.4.7XP盾甲 (56)3.4.8升级管理 (57)3.5移动存储管理 (57)3.5.1设备注册 (57)3.5.2设备授权 (59)3.5.3挂失管理 (61)3.5.4外出管理 (62)3.5.5终端申请 (62)3.5.6设备例外 (63)3.6日志报表 (63)3.6.1终端日志 (64)3.6.2资产汇总 (79)3.6.3系统日志 (83)3.6.4报表订阅 (84)3.6.5订阅管理 (85)3.7策略中心 (85)3.7.1分组策略 (85)3.7.2管控策略 (103)3.7.3样本鉴定 (117)3.8系统管理 (141)3.8.1系统设置 (141)3.8.2系统工具 (144)3.8.3多级中心 (148)3.8.4账号管理 (148)四.场景参考手册 (149)4.1准备使用360天擎 (149)4.1.1部署终端 (149)4.1.2设置安全策略 (150)4.1.3设置定时杀毒 (150)4.1.4每天日常工作 (150)一、产品简介1.1 产品概述360天擎终端安全管系统是360面向政府、企业、金融、军队、医疗、教育、制造业等大型企事业单位推出的集防病毒与终端安全管控于一体的解决方案。
360终端安全管理系统用户手册© 2020 360企业安全集团■声明本文中出现的任何文字叙述、文档格式、插图、照片、方法、过程等容,除另有特别注明外,所有均属360企业安全集团所有,受到有关产权及法保护。
任何个人、机构未经360企业安全集团的书面授权许可,不得以任何方式复制或引用本文的任何片断。
目录 | Contents一、产品简介 (4)1.1产品概述 (4)1.2设计理念 (4)1.3产品架构 (5)二、安装部署 (6)2.1环境准备 (6)2.1.1服务器准备 (6)2.1.2终端环境准备 (7)2.1.3网络环境准备 (7)2.2控制中心安装 (8)2.3客户端安装 (12)2.3.1客户端功能定制和下载 (12)2.3.2客户端在线安装 (12)2.3.3客户端离线安装 (13)2.3.4客户端域安装 (15)三.功能使用说明 (17)3.1登录 (17)3.2界面说明 (17)3.2.1Banner区 (17)3.2.2主功展示区域 (18)3.3首页 (18)3.3.1安全概况 (19)3.3.2待处理任务 (19)3.3.3服务器性能监控 (20)3.3.4安全动态 (20)3.3.5文件鉴定 (20)3.3.6病毒查杀趋势 (21)3.3.7病毒分类 (21)3.3.8高危漏洞修复趋势 (22)3.3.9XP盾甲趋势 (22)3.3.10常用功能 (23)3.3.11授权信息 (24)3.4终端管理 (24)3.4.1终端概况 (25)3.4.2地址资源管理 (44)3.4.3病毒查杀 (50)3.4.4插件管理 (52)3.4.5系统修复 (53)3.4.6漏洞管理 (55)3.4.7XP盾甲 (56)3.4.8升级管理 (57)3.5移动存储管理 (57)3.5.1设备注册 (57)3.5.2设备授权 (59)3.5.3挂失管理 (61)3.5.4外出管理 (62)3.5.5终端申请 (62)3.5.6设备例外 (63)3.6日志报表 (63)3.6.1终端日志 (64)3.6.2资产汇总 (80)3.6.3系统日志 (84)3.6.4报表订阅 (85)3.6.5订阅管理 (86)3.7策略中心 (86)3.7.1分组策略 (86)3.7.2管控策略 (105)3.7.3样本鉴定 (119)3.8系统管理 (122)3.8.1系统设置 (122)3.8.2系统工具 (125)3.8.3多级中心 (129)3.8.4账号管理 (129)四.场景参考手册 (130)4.1准备使用360天擎 (130)4.1.1部署终端 (130)4.1.2设置安全策略 (131)4.1.3设置定时杀毒 (131)4.1.4每天日常工作 (131)一、产品简介1.1产品概述360天擎终端安全管系统是360面向政府、企业、金融、军队、医疗、教育、制造业等大型企事业单位推出的集防病毒与终端安全管控于一体的解决方案。
360终端安全管理系统
测试方案
© 2022 360企业安全集团■版权声明
本文中出现的任何文字叙述、文档格式、插图、照片、方法、过程等内容,除另有特别注明外,所有版权均属360企业安全集团所有,受到有关产权及版权法保护。
任何个人、机构未经360企业安全集团的书面授权许可,不得以任何方式复制或引用本文的任何片断。
目录| Contents
1. 产品简介 (1)
2. 部署拓扑 (1)
2.1. 硬件配置要求 (2)
3. 天擎管理中心功能测试 (3)
3.1. 天擎分级部署 (3)
3.1.1. 天擎多级部署 (3)
3.2. 客户端分组管理 (3)
3.2.1. 客户端分组 (3)
3.2.2. 自动分组 (3)
3.2.3. 客户端分组切换 (4)
3.3. 客户端任务管理 (4)
3.3.1. 客户端天擎版本升级 (4)
3.3.2. 病毒库升级 (4)
3.3.3. 客户端任务分配管理 (4)
3.3.4. 手动杀毒任务 (5)
3.3.5. 终端查杀引擎设置 (5)
3.3.6. 定时杀毒任务 (6)
3.3.7. 消息推送 (6)
3.4. 客户端策略管理 (6)
3.4.1. 客户端软件常规安装部署方式 (6)
3.4.2. 终端自保护能力测试 (6)
3.4.3. 客户端防退出、卸载 (7)
3.4.4. 离线客户端管理 (7)
3.4.5. 文件溯源 (7)
3.4.6. 黑白名单管理 (8)
3.4.7. 终端安全防护功能管理 (8)
3.4.8. 终端弹窗管理 (8)
3.5. 日志报表功能测试 (9)
3.5.1. 查杀病毒和木马日志报表 (9)
3.5.2. 客户端病毒情况报表 (9)
3.5.3. 客户端感染病毒排名榜或趋势图 (9)
3.5.4. 汇总多级管理架构的数据 (10)
3.5.5. 管理控制操作审计日志报表 (10)
3.6. 系统管理测试 (10)
3.6.1. 帐号管理及权限分配管理 (10)
3.6.2. 客户端与管理中心通讯间隔设置 (11)
3.6.3. 控制中心升级测试 (11)
3.6.4. 安全报告订阅 (11)
3.6.5. 管理服务器备份与恢复 (12)
4. 天擎客户端功能验证 (13)
4.1. 病毒、木马查杀 (13)
4.2. 手动杀毒 (13)
4.3. 实时防护 (13)
4.4. 信任路径 (14)
4.5. 客户端日志 (14)
4.6. 客户端更新 (14)
5. 客户端性能测试 (15)
5.1. 客户端软件常待资源消耗情况 (15)
5.2. 客户端快速扫描性能消耗情况 (15)
5.3. 客户端全盘扫描性能消耗情况 (15)
5.4. 客户端病毒查杀性能消耗情况 (15)
5.5. 客户端病毒查杀资源回收情况 (16)
5.6. 客户端文件扫描数量及时间测试 (16)
6. 测试总结 (17)
1. 产品简介
产品需专为企业用户量身定制的内网终端安全管理软件,B/S+C/S混合架构,支持多级管理,能够提供全网统一体检、漏洞管理、XP加固、病毒查杀、软件管理、流量监控、资产管理等功能,并有多种组件可选,能够极大地提升内网安全管理水平。
2. 部署拓扑
客户端:部署在需要被保护的服务器或者终端,执行最终的杀毒扫描、漏洞修复等安全操作,并向安全控制中心发送相应的安全数据,能够与互联网通讯。
服务器端:采用B/S架构,可以随时随地的通过浏览器打开访问。
主要负责设备分组管理、策略制定下发、全网健康状况监测、统一杀毒、统一漏洞修复以及各种报表和查询等。
互联网服务器:可以工作在终端或服务器端能够链接互联网时,提供更新病毒库或病毒查杀服务。
2.1. 硬件配置要求
3. 天擎管理中心功能测试3.1. 天擎分级部署
3.1.1. 天擎多级部署
3.2. 客户端分组管理
3.2.1. 客户端分组
3.2.2. 自动分组
3.2.3. 客户端分组切换
3.3. 客户端任务管理
3.3.1. 客户端天擎版本升级
3.3.2. 病毒库升级
3.3.3. 客户端任务分配管理
3.3.
4. 手动杀毒任务
3.3.5. 终端查杀引擎设置
3.3.6. 定时杀毒任务
3.3.7. 消息推送
3.4. 客户端策略管理
3.4.1. 客户端软件常规安装部署方式
3.4.2. 终端自保护能力测试
3.4.3. 客户端防退出、卸载
3.4.4. 离线客户端管理
3.4.5. 文件溯源
3.4.6. 黑白名单管理
3.4.7. 终端安全防护功能管理
3.4.8. 终端弹窗管理
3.5. 日志报表功能测试
3.5.1. 查杀病毒和木马日志报表
3.5.2. 客户端病毒情况报表
3.5.3. 客户端感染病毒排名榜或趋势图
3.5.
4. 汇总多级管理架构的数据
3.5.5. 管理控制操作审计日志报表
3.6. 系统管理测试
3.6.1. 帐号管理及权限分配管理
3.6.2. 客户端与管理中心通讯间隔设置
控制中心升级测试
3.6.3.
3.6.5. 管理服务器备份与恢复
4. 天擎客户端功能验证
天擎查杀能力功能测试,病毒样本标准规则如下:
各参测厂家需各提供一个病毒样本包(数量1000),同时会请第三方信息安全公司协助提供一个病毒样本包(数量3000),病毒样本包须包含:病毒、木马、蠕虫、间谍软件、恶意广告软件、钓鱼邮件,后续测试的病毒样本以此为标准进行测试。
4.1. 病毒、木马查杀
4.2. 手动杀毒
4.3. 实时防护
4.4. 信任路径
4.5. 客户端日志
4.6. 客户端更新
5. 客户端性能测试
以下性能测试用例需要选用多个终端设备配置,分为中高低三档终端性能配置进行性能测试
5.1. 客户端软件常待资源消耗情况
5.2. 客户端快速扫描性能消耗情况
5.3. 客户端全盘扫描性能消耗情况
5.4. 客户端病毒查杀性能消耗情况
5.5. 客户端病毒查杀资源回收情况
5.6. 客户端文件扫描数量及时间测试
6. 测试总结。