方管合格证细则表
- 格式:docx
- 大小:10.08 KB
- 文档页数:1
合格证管理操作手册(实用文档)一、概述合格证是产品出厂时,对产品质量进行检验并确认合格后,由生产厂家出具的一种证明文件。
它是对产品符合相关标准和规定要求的承诺,也是对消费者权益的保障。
合格证管理是企业质量管理的重要组成部分,对于提高产品质量、提升企业信誉具有重要意义。
本手册旨在规范合格证管理操作流程,明确各部门职责,确保合格证的真实性、准确性和有效性,以保障企业产品质量,维护消费者权益。
二、合格证管理流程1.合格证申请(1)产品生产完成后,由生产部门负责人向质量管理部门提出合格证申请。
(2)申请时应提供以下资料:产品名称、规格型号、生产日期、生产批号、检验报告等。
2.合格证审核(1)质量管理部门收到合格证申请后,应对申请资料进行审核,确认产品符合相关标准和规定要求。
(2)审核通过后,质量管理部门应在2个工作日内完成合格证的编制。
3.合格证发放(1)质量管理部门将编制完成的合格证发放给生产部门。
(2)生产部门应将合格证随产品一同交付给客户。
4.合格证存档(1)质量管理部门应将合格证原件及电子文档进行存档,保存期限不得少于2年。
(2)存档时应确保合格证的可追溯性,便于查询和管理。
三、各部门职责1.生产部门(1)负责按照生产计划组织生产,确保产品质量。
(2)负责向质量管理部门提出合格证申请,并按要求提供相关资料。
(3)负责将合格证随产品一同交付给客户。
2.质量管理部门(1)负责对合格证申请资料进行审核,确保产品符合相关标准和规定要求。
(2)负责编制、发放和存档合格证。
(3)负责对合格证管理流程进行监督和检查,确保流程的规范性和有效性。
3.销售部门(1)负责向客户解释合格证的意义,提高客户对合格证的认知。
(2)负责收集客户对合格证的意见和建议,及时反馈给质量管理部门。
四、合格证管理要求1.真实性合格证上的内容必须真实反映产品的实际情况,不得有任何虚假、夸大或隐瞒。
2.准确性合格证上的内容必须准确无误,包括产品名称、规格型号、生产日期、生产批号等。
合格证使用管理规定-CAL-FENGHAI-(2020YEAR-YICAI)_JINGBIAN一、目的为杜绝不按要求放置合格证或因马虎大意造成合格证日期、品种等错误,杜绝随意丢弃合格证的浪费现象,加强公司产品合格证的控制和管理,防止未经检验合格的产品出厂,保证产品质量的可追溯性,防止公司的产品被假冒,制定本制度。
二、职责(一)、生产部负责设计或选择产品合格证样本。
(二)、采购部根据生产部的生产计划负责定制、采购合格证,在定制、采购时,必须以合同形式约束供应商,防止合格证外流。
(三)、仓储部负责产品合格证的保管、发放、领用、使用、登记,负责产品合格证的填写、打印、盖章和粘贴。
(四)、各部门领导负责监督、检查监管范围内合格证管理制度的执行情况,质检部负责合格证管理制度总的执行情况。
三、产品合格证内容(一)、公司名称、产品名称、商标、数量、规格或型号、出厂日期、编号、有效期、质检专用章、注意事项等。
(二)、能表示产品合格的字样。
四、合格证的使用(一)、检验员在对产品检验完成后,按行按列分别摆放,并做标识。
随后,通知质检部负责人抽检,在抽检合格后方可领用相应数量的合格证。
(二)、合格证在填写、打印或粘贴过程中出现失误损毁需重新更换。
(三)、质检部进入产品贴标工序时,将校对好的合格证放置包装箱内,以证明产品质量合格。
粘贴时统一贴在指定位置,不得乱贴。
五、管理规定(一)、各级人员必须保管好自己的印章和合格证,如有丢失或损坏应立即上报,任何人不许私自将合格证带出厂外。
(二)、严格保管合格证,不得随意乱丢乱放,在厂内任何地方乱丢乱放一张合格证。
(三)、错放、误用合格证(合格证与包装产品不相符或使用过期合格证)的每发现一次考核责任人20--100元。
(四)、合格证内容填写、打印错误且已发货的,造成质量事故赔偿的由责任人全部承担。
(五)、不得私自印刷、转让、涂改、买卖合格证,否则,一经发现和落实,将视情节给予处罚和处分,直至辞退。
文件名称来料检验管理及标准页次版本号修订号文件编号制定部门品质部初定日期2021-2-26 生效日期2021-3-266.2.2外观检验标准:缺陷名称检查方法/接收标准擦花用600#砂纸打磨,如可磨掉痕迹则可接收凹点A级板料:点值不超过30;B级板料:点值不超过60针孔尺寸不超过0.05mm板材破裂不允许板面氧化用600#砂纸打磨,如可磨掉痕迹则可接收说明:凹点缺陷点值计算方法:凹点尺寸记点值数0.13-0.25mm(5-10mil) 10.26-0.50mm(10-20mil) 20.51-0.75mm(20-30mil) 40.76-1.00mm(30-40mil) 71.00mm以上(40mil以上)306.3钢管的检验:6.3.1.外观:请按样本比对无螺旋纹、裂纹、内壁生锈。
文件名称来料检验管理及标准页次版本号修订号文件编号制定部门品质部初定日期2021-2-26 生效日期2021-3-26螺旋纹裂纹内壁生锈6.3.2.包装:六角包装方式、扎六道钢带、浸防锈油。
六角包装方式扎6道钢带6.3.3.总长:8M±0.5M 测量工具:卷尺文件名称来料检验管理及标准页次版本号修订号文件编号制定部门品质部初定日期2021-2-26 生效日期2021-3-26 6.3.4.重量:每捆小于或等于2吨。
测量工具:电子称6.3.5.材质:逐一核对《材质证明》和标准的化学元素含量比较。
6.3.6六.尺寸:项目工具照片外径表盘卡尺量壁厚壁厚千分尺内径内径百分表直线度大理石平台、V型块、百分表文件名称来料检验管理及标准页次版本号修订号文件编号制定部门品质部初定日期2021-2-26 生效日期2021-3-266.3.7.硬度:用HV硬度计测量4个点。
求出平均硬度。
蓝色点90°一点,共4点6.3.8.拉力测试:线切割2块试片,做拉力测试,得出测量结果:(抗拉强度、屈服强度、屈服强度.)拉力试片规格拉力试验机文件名称来料检验管理及标准页次版本号修订号文件编号制定部门品质部初定日期2021-2-26 生效日期2021-3-26 6.3.9.模拟实验:(均需和样本比较)序号项目工具照片1 切断实验听锯片声音是否异常,声音如异常请调慢转速,或急停机器,避免伤到锯片。
○R邯郸市正大制管有限公司本公司已通过ISO9001国际质量管理体系认证并获中华人民共和国特种设备制造许可证产品质量证明书兹为贵方制造之钢管,业经本厂质量部门依据产品标准、技术条件及合同规定检验合格,特发此证。
序号H(mm)×B(mm)×长度(m)材质件/根表面质量母材化学成分(%)母材力学性能镀锌层均匀性锌层重量备注C Mn Si P S屈服点(N/㎟ )抗拉强度(N/㎟)伸长率% g/㎡1 F30*30*6.0 Q195 件合格0.06 0.25 0.12 0.014 0.015 195 330 33 合格合格2 F*40*40*6.0 Q195 件合格0.08 0.27 0.14 0.017 0.017 195 335 32 合格合格3 F50*50*6.0 Q195 件合格0.08 0.27 0.14 0.017 0.017 195 335 32 合格合格4 F60*60*6.0 Q195 件合格0.09 0.28 0.13 0.018 0.018 195 330 31 合格合格5 F80*80*6.0 Q235 件合格0.14 0.32 0.16 0.023 0.023 235 385 24 合格合格6 F100*100*6.0 Q235 件合格0.14 0.32 0.16 0.023 0.023 235 385 24 合格合格7 F120*120*6.0 Q235 件合格0.13 0.31 0.15 0.022 0.022 235 380 25 合格合格8 F150*150*6.0 Q235 件合格0.12 0.32 0.16 0.023 0.023 235 380 24 合格合格9 F200*200*6.0 Q235 件合格0.13 0.31 0.15 0.022 0.022 235 385 22 合格合格101112备注1、本页共(9)条记录,手写或改写无效;本证明书未加产品质量专用章无效2、我厂按国标Q/HZD04-2013生产的热镀锌方矩形钢管;本产品保证在标准(合同)规定条件下使用。
方管的质量证明书篇一:方管材质单 **************有限公司方矩钢管产品质量证明书证明编号:质字****号合同编号:******* 定货单位: ******商贸有限公司标准编号: GBT67**-85 收货单位: **********有限公司定货日期:2017年*月6日篇二:产品质量证明文件汇总表产品质量证明文件汇总表制表人:欧顺成水泥汇总表制表人:李国清水泥汇总表制表人:李国清产品质量证明文件汇总表制表人:李国清篇三:矩形方管抗扭截面模量如何计算方管热处理生产工艺流程方管重量计算公式: 4*壁厚*(边长-壁厚)*0.00785 矩形管重量计算公式:{(周长÷3.14)-壁厚}*壁厚*0.02466 备注:以上单位为kg/m,其中壁厚和边长的单位为毫米,即mm。
方管生产工艺流程 (1)原材料即带钢卷,焊丝,焊剂。
在投入前都要经过严格的理化检验。
(2)带钢头尾对接,采用单丝或双丝埋弧焊接,在卷成方管后采用自动埋弧焊补焊。
(3)成型前,带钢经过矫平、剪边、刨边,表面清理输送和予弯边处理。
(4)采用电接点压力表控制输送机两边压下油缸的压力,确保了带钢的平稳输送。
(5)采用外控或内控辊式成型。
(6)采用焊缝间隙控制装置来保证焊缝间隙满足焊接要求,管径,错边量和焊缝间隙都得到严格的控制。
(7)内焊和外焊均采用美国林肯电焊机进行单丝或双丝埋弧焊接,从而获得稳定的焊接规范。
(8)焊完的焊缝均经过在线连续超声波自动伤仪检查,保证了100%的螺旋焊缝的无损检测覆盖率。
若有缺陷,自动报警并喷涂标记,生产工人依此随时调整工艺参数,及时消除缺陷。
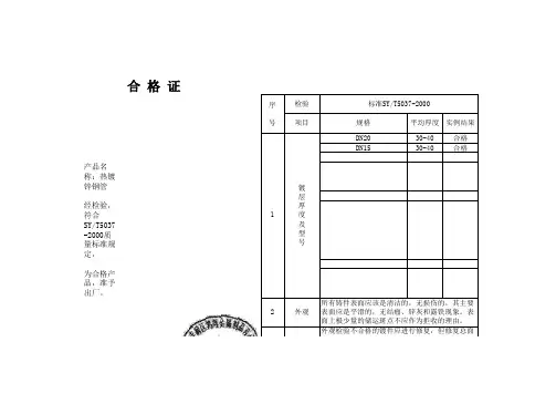
DN2030-40合格DN15
30-40
合格
产品名称:热镀锌钢管经检验,符合SY/T5037-2000质量标准规定,为合格产品,准予出厂。
外观检验不合格的镀件应进行修复,但修复总面应超过1dm 2,否则应重新热镀锌。
镀层厚度及型号
1
所有铸件表面应该是清洁的,无损伤的,其主要表面应是平滑的,无结瘤、锌灰和露铁现象。
表面上极少量的储运斑点不应作为拒收的理由。
外观
2
序 号
合 格 证
检验标准SY/T5037-2000项目
规格平均厚度实例结果
检验员:积不应超过总面积的 0.5%,且每个单位面积不
应超过1dm2,否则应重新热镀锌。
修复
2013年5月11日
热镀锌层应有足够的附着强度,在无外应力作用
使镀件弯曲或变形时,镀层不应出现剥离现象。
附着
强度
3
4。
**************有限公司
方矩钢管产品质量证明书证明编号:质字 ****号
合同编号:*******
收货单位:**********有限公司
定货日期:2014年*月6日
篇二:方管质保书
有广州钢管厂 zk j 8240101 产品质量证明书日期
篇三:方管质保书
有广州钢管厂 zk j 8240101 产品质量证明书日期
篇四:8.5质量证明文件汇总表
质量证明文件汇总表 ty-47 说明:此表为合格证分类登记汇总的记录,由施工单位收集、填写。
说明:此表为合格证分类登记汇总的记录,由施工单位收集、填写。
说明:此表为合格证分类登记汇总的记录,由施工单位收集、填写。
质量证明文件汇总表 ty-47 说明:此表为合格证分类登记汇总的记录,由施工单位收集、填写。
质量证明文件汇总表 ty-47 说明:此表为合格证分类登记汇总的记录,由施工单位收集、填写。
铝方管质量证明书
尊敬的客户:
感谢您选择我们的铝方管产品。
为了您的权益和安全着想,我们特别提供本质量证明书,以确保您对我们产品的信心和满意度。
一、产品信息
铝方管是由高质量铝合金材料制成,具有轻质、耐腐蚀、抗氧化等优异性能。
我们的铝方管经过严格的生产工艺和质量控制,确保了产品的稳定性和可靠性。
二、质量保证
1. 原材料选择:我们严格选用高品质的铝合金材料,确保产品的强度和耐用性。
2. 生产工艺:我们采用先进的生产工艺和设备,确保产品的尺寸精确、表面光滑、无毛刺。
3. 质量检测:我们对每一批产品进行严格的质量检测,包括外观检查、尺寸测量、化学成分分析等,以确保产品符合国际标准和客户要求。
4. 包装运输:我们使用专业的包装材料和技术,确保产品在运输过程中不受损坏。
三、产品优势
1. 轻质高强度:铝方管具有轻质高强度的特点,适用于各种建筑、
装饰、制造等领域。
2. 耐腐蚀抗氧化:铝方管具有良好的耐腐蚀性和抗氧化性,可在潮湿、腐蚀性环境中长期使用。
3. 易加工性:铝方管易于切割、焊接、弯曲等加工,可根据客户要求定制各种形状和尺寸的产品。
四、客户服务
我们始终秉承“质量第一、客户至上”的原则,为客户提供优质、快捷的服务。
如果您对我们的产品有任何疑问或需要帮助,请随时联系我们的客户服务团队,我们将竭诚为您服务。
感谢您对我们产品的信任和支持,我们将继续努力提供更优质的产品和服务,与您共创美好未来。
此致。