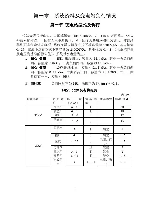
110kV变电站初步设计典型方案
- 格式:doc
- 大小:49.50 KB
- 文档页数:5
110kv变电站一次电气部分初步设计毕业设计题目110KV变电站一次电气初步设计学生姓名谭向飞学号20XX309232 专业发电厂及电力系统班级20XX3092 指导教师陈春海评阅教师完成日期20XX 年11月6日三峡电力职业学院毕业设计课题任务书课题名称学生姓名指导教师谭向飞陈春海 110kV 变电站一次电气初步设计专业指导人数发电厂及电力系统班号 20XX3096 课题概述:一、设计任务 1.选择110kV变电站接线形式; 2.计算110kV变电站的短路电流;3.选择110kV变电站的变压器,高/低压侧断路器、隔离开关、母线、电流互感器、电压互感器,并校验。
二、设计目的掌握变电站一次电气设计的计算,能选择电气设备。
三、完成成果110kV变电站一次电气接线及设备选择。
I原始资料及主要参数: 1、110kV渭北变所设计最终规模为两台110/10kV主变,110kV两回进线路,变压器组接线线,10kV8回馈线,预计每回馈线电流为400A, 2、可行研究报告中变压器调压预测结果需用有载调压方式方可满足配电电压要求,有载调压开关选用德国MR公司M型开关,#2主变型号SZ9-40000/110, 5×110+-32%/,YNd11,Uk%=。
3、110kV配电装置隔离开关GW5-110ⅡDW/630;断路器3AP1-FG-145kV, 3150A﹑40kA;复合绝缘干式穿墙套管带CT 2×300/5;中心点隔离开关GW13-63/630,避雷器HY5W-108/268及中心点/186。
4、出八回线路、10kVⅡ段母线设备﹑变二侧开关分段以及电容补偿。
10kV断路器选用ZN28E-12一体化弹簧储能操作,支架落地安装;主变10kV 侧及分段隔离开关用GN22-10G手动操作;10kV线路及电容器隔离开关用GN19-10Q手动操作;出线CT两相式,二组次级绕组,用作测量和保护;电容器回路三相式;变二侧CT 三组次级用作测量﹑纵差﹑过流及无流闭锁。
二.A方案2.4.1 发电机参数(一)工程建设规模●a)主变压器:终期2×31.5MVA,本期1×31.5MVA;●b)电压等级:110/35/10kV三级;●c)出线回路数:1)110kV出线: 终期4回,本期2回;2)35kV出线: 终期8回,本期4回;3)10kV出线: 终期12回,本期6回;4)无功功率补偿: 终期4×3Mvar,本期2×3Mvar;(二)设计范围1)本典型设计范围包括变电所内下列部分:a)电力变压器及各级电压配电装置,所用电系统设备,过电压保护及接地装置,直流操作电源系统设备;相应的继电保护及自动装置,就地测量及控制操作设备,自动化系统设备以及电缆设施等。
b)与电气设备相关的建筑物、构筑物,给水排水设施,通风设施,消防设施,安全防范及环境保护措施。
2)系统通信设施、所外道路、所外上下水系统、场地平整和特殊基础处理、大件设备运输措施等不纳入本典型设计范围。
其中由于通信设施需根据外部通信系统条件确定,本典型设计中仅留布置安装条件,不作具体设计。
3)设计分界点a)变电所与线路的分界点为:110kV、35kV配电装置以架空进线耐张线夹(不含)为界。
10kV配电装置以开关柜内电缆头(不含)为界。
b)进所道路设计以变电所大门为界,大门外不属本典型设计范围。
(三)设计条件2.4.1 发电机参数1)所址自然条件环境温度: -10℃~40℃最热月平均最高温度: 35℃设计风速: 30m/s覆冰厚度: 5mm海拔高度: <1000m地震烈度: 6度污秽等级: II级设计所址高程: >频率为2%洪水位凡所址自然条件较以上条件恶劣时,工程设计应作调整。
2)系统条件按照系统的情况,设定110kV系统短路电流为25kA,要求10kV母线的短路电流不超过20kA(四)主要技术经济指标2.4.1 发电机参数1)投资:●静态投资: 1367.45 万元,单位投资: 434 元/kVA;●动态投资: 1398.96 万元,单位投资: 444 元/kVA;2)占地面积●所区围墙内占地面积:7695.96m2●所区围墙内建筑面积: 560m2●主控制楼面积: 422.5m2(五)电气主接线变电所主接线110kV、35kV及10kV终期均为单母线分段接线,初期为单母线接线。
110kV变电站初步设计报告110kV变电站初步设计报告普雄110kV输变电新建工程初步设计第二卷技术部分第三册变电工程二〇一一年九月普雄110kV输变电新建工程初步设计第二卷技术部分第三册变电工程批准:审核:校核:编写:二〇一一年九月第二卷第三册变电工程目录变电站设计技术 (4)1 概述 (4)1.1 主要设计原则 (4)1.2气象条件 (5)2 建设规模 (6)3.变电站主体专业工程设计 (6)3.1接入系统 (6)3.2电气主接线 (7)3.3 各电压等级配电装置型式及设备选择 (7)3.3.1短路电流计算 (7)1)计算依据及参数 (7)2)计算结果 (7)3.3.2.电气设备选择 (8)3.4 电气总平面 (8)3.5 防雷接地、照明及站用电 (9)3.5.1 过电压保护 (9)3.5.2 防雷 (9)3.5.3 接地 (9)3.5.4 站用电 (9)3.5.5 照明 (9)3.5.6 检修、通风 (10)3.5.7 电缆设施及电缆防火 (10)3.5.8 电气一次设备工程量表 (10)3.6 电气二次 (12)3.6.1.全站控制监测系统(1套) (12) 3.6.2.继电保护 (13)3.6.3 调度自动化 (15)1)调度关系 (15)2)远动系统 (16)3)网架现状 (17)4)调度数据网 (17)5)调度端接口 (18)3.6.4.电能量采集管理系统 (18)1)电能计量关口设置 (18)3.6.5 一体化电源系统 (19)3.6.6.微机五防 (20)3.6.7.图像监视及安全警卫系统 (20) (1)安全、防盗监控 (21)(2)设备监视 (21)(3)电网应急指挥及演习 (21)3.6.8火灾探测报警系统 (22)3.6.9设备状态检测 (22)3.6.10设备清单 (22)3.7 站内通信及自动化 (23)3.7.1概述 (23)3.7.2系统通信 (25)3.7.3站内通信 (32)3.7.4设备材料表 (33)3.7.5投资估算 (35)4 节能、抗灾措施分析 (35)(2) 基坑开挖 (37)(3) 塔基排水 (37)5土建部分 (37)5.1概述 (38)5.2站区总布置与交通运输 (38)5.3建筑 (39)5.4结构 (40)5.5采暖、通风 (41)5.6给水、排水 (42)5.7围墙、大门 (43)6 消防 (44)6.1 化学灭火器的配置 (44)6.2 建筑消防 (45)6.3 主变压器消防 (45)普雄110kV输变电新建工程变电站设计1 概述1.1 主要设计原则本工程设计执行现行国家及行业的相关设计规程、规范(技术标准),主要设计技术标准如下:GB50059-92 35—110千伏变电所设计规范GB50060-92 35—110kV高压配电装置设计规范DL/T5056-1996 变电所总布置设计技术规程GB50052-95 供配电系统设计规范GB11022 高压断路器通用技术条件GB311.1 高压输变电设备的绝缘配合GB/T 15544-1995 三相交流系统短路电流计算GB50062-92 电力装置的继电保护和自动装置设计规范GB50229-1996 火力发电厂与变电站设计防火规范GB50217-94 电力工程电缆设计规范GB11032-2000 交流无间隙金属氧化物避雷器GB311.1-1997 高压输变电设备的绝缘配合GB50062-1992 电力装置的继电保护和自动装置设计规范GB50227-1995 并联电容器装置设计规范GB50260-1996 电力设施抗震设计规范GB50011-2001 建筑物抗震设计规范GBJ 16-1987 建筑设计防火规范(修订本)(2001年版)DL/T 620-1997 交流电气装置的过电压保护和绝缘配合DL/T 621-1997 交流电气装置的接地DL/T 5136-2001 火力发电厂、变电所二次接线设计技术规定DL/T 5147-2001 电力系统安全自动装置设计技术规定DL/T 667-1999 远动设备及系统DL 5103-1999 35kV~110kV无人值班变电所设计规程DL 5134-2002 变电所给水排水设计规程DL/T 5222-2005 导体和电器选择设计技术规程DL/T 5137-2001 电测量及电能计量装置设计技术规程DL/T 5044-1995 火力发电厂、变电所直流系统设计技术规定NDGJ 96-1992 变电所建筑结构设计技术规定建筑、消防、环保等其它现行行业标准1.2气象条件根据本线路调查资料,结合全国典型气象区的划分,确定本工程线路设计用气象条件如下表:表1 工程沿线参证气象站一般气候条件统计表项目单位越西站观测场标高m 1659.0年平均气压hpa 832.2气温年平均气温℃13.2 极端最高气温℃34.5 极端最低气温℃-8.5 最冷月平均气温℃ 4.1湿度平均相对湿度%74 冬季平均相对湿度%68风速年平均风速m/s 1.4 最大风速m/s 17.0降雨年平均降雨量mm 1118.3 一日最大降雨量mm 160.1天气年平均雨日数 d 162.5日数年平均雾日数 d 1.2 年平均积雪日数 d 5.2年平均冰雹日数 d 1.1年平均大风日数 d 10.4年平均雨凇日数 d /年平均雷暴日数 d 75.9年最多雷暴日数 d 98其它最大积雪深度cm 16 最大冻土深度cm /2 建设规模本站110kV侧终期采用单母线接线、35kV终期采用单母线分段接线、10kV终期采用单母线分段接线,建设规模如下:主变容量:最终2×25MVA,采用三相三绕组有载调变压器。
题目:铸造厂总降压变电所及厂区设计设计原始资料某铸造厂总降压变电所及厂区配电系统设计一、原始资料1 、厂区平面布置示意如图1所示图1 某铸造厂厂区平面布置图2、全厂用电设备情况(1)负荷大小全厂用电设备总安装容量: 7630kW10kV侧计算负荷总容量:有功功率5094kW;无功功率2184kvar 各车间负荷(单位为kW、kvar、kVA)统计如表1所示。
表1 某铸造厂各车间负荷统计序号车间名称负荷类型计算负荷序号车间名称负荷类型计算负荷PjsQjsSjsPjsQjs1 空压车间Ⅰ880 280 7 锅炉房Ⅰ520 2102 模具车间Ⅰ660 250 8 其他负荷Ⅱ500 2683 熔制车间Ⅰ690 270 9 其他负荷Ⅱ540 3004 磨抛车间Ⅰ750 320 共计5660 23485 封接车间Ⅰ660 250 同时系数0.90 0.936 配料车间Ⅰ 460 200 全厂计算负荷 5094 268(2) 负荷对供电质量要求1~6车间为长期连续负荷,要求不间断供电。
停电时间超过2分钟将造成产品报废,停电时间超过半小时,主要设备将受到损坏,故这6个车间定为Ⅰ级负荷。
该厂为三班工作制,全年时数为8760小时,最大负荷利用小时数为6500小时。
3、外部电源情况电力系统与该厂连接如图2所示。
图2 电力系统与某铸造厂连接示意图(1) 工作电源距该厂8km 有一座A 变电站,其主要技术参数如下:主变容量为2×31.5MVA ;型号为SFSLZ 1-31500kVA /110kV 三相三绕组变压器;短路电压:U 高-中=10.5%; U 高-低=17%; U 低-中=5% ;110kV 母线三相短路容量:1081MVA ;供电电压等级:可由用户选用35kV 或10kV 电压供电;最大运行方式:按A 变电站两台变压器并列运行考虑;最小运行方式:按A 变电站两台变压器分列运行考虑;35kV线路:初选 LGJ-35,r0=0.85Ω/km, x=0.35Ω/km。
华北电力大学函授毕业设计年级、专业99电力层次本科姓名石磊学号991010362005年 3 月 30 日华北电力大学毕业设计〔论文〕任务书电力工程系电力系统及其自动化专业电气班学生石磊一、毕业设计〔论文〕课题110kV变电站电气一次局部初步设计二、毕业设计〔论文〕工作自2004年12月1日起至2005年3月30日三、毕业设计〔论文〕进行地点:华北电力大学四、毕业设计〔论文〕的内容要求、原始资料数据和参考资料〔一〕.毕业设计的内容要求1.分析原始资料,选择电气主接线;〔2-3个方案比拟〕2.短路电流计算;3.主要电气设备的选择及校验;4.变压器台数及容量选择;5.屋、内外配电装置确实定;6.防雷保护设计。
〔二〕.参考资料1.发电厂电气局部课程设计参考资料,天津大学;2.发电厂电气局部,四川联合大学;3.电力工程设计手册,西北、东北电力设计院负责指导教师指导教师接受设计论文任务开始执行日期学生签名目录上篇:设计说明书 (5)第一章总体局部要求 (5)第一节毕业设计课题及原始资料 (5)第二节建设的必要性 (5)第二章变电站电气主接线方案的设想与论证 (5)第一节根本要求和设计原那么 (5)第二节变电站主要变压器的选择 (5)第三节选择主接线方案 (6)第四节方案的技术性和经济性比拟 (7)第五节主接线方案的最后确定 (9)第三章短路电流的计算说明 (9)第一节短路电流计算的目的和规定 (9)第二节系统最大运行方式和短路点确实定 (9)第三节电路元件参数的计算说明 (10)第四章电气设备的选择及校验 (11)第一节主要电气设备选择校验表 (11)第二节站用变的设置 (14)第五章配电装置的设计 (14)第一节概述 (14)第二节配电装置的设计 (15)第六章防雷保护和接地保护装置的设计 (15)第一节防雷保护 (15)第二节接地装置 (17)第七章无功补偿 (17)第八章结束语 (17)下篇:设计说明书 (18)第一章短路电流计算 (18)第一节原始资料和主接线图 (18)第二节主接线的等值电路图及各元件参数的计算 (19)第三节短路点的短路电流计算 (20)第二章电气设备的选择及校验 (22)第一节电气设备选择的原那么及校验要求 (22)第二节断路器及隔离开关的选择及校验 (22)第三节母线及电缆的选择与校验 (26)第四节绝缘子和穿墙套管的选择 (29)第五节高压熔断器的选择 (30)第六节电压互感器的选择 (31)第七节电流互感器的选择 (32)第三章防雷保护与接地装置 (32)第一节直击雷过电压的保护 (34)第二节避雷针的选择与校验 (34)第三节避雷器的选择 (35)第四节接地装置的计算 (36)第四章综合造价和运行费用 (37)设计说明书第一章总体局部要求第一节毕业设计课题及原始资料课题:110kv变电站设计原始资料:1、110kv进线两回,Ⅰ回线长24km,Ⅱ回线长20kmΩ2、二台主变,二次出线为35kv及10kv,最高负荷35750kvA3、35kv出线6回,10kv出线16回,无一级负荷。
第一章:毕业设计任务书一、设计题目110KV XXX 降压变电站部分的设计二、所址大概1、地理地址及地理条件的简述变电所位于某城市,地势平坦,交通便利,空气污染略微,站区平均海拔200米,最高气温40℃,最低气温-5℃,年平均气温14℃,最热月平均最高气温30℃,土壤温度25℃。
三、系统情况以以以下列图注:括号内为最小运行方式五、设计任务1、负荷剖析及主变压器的选择。
2、电气主接线的设计。
3、变压器的运行方式以及中性点的接地方式。
4、无功补偿装置的形式及容量确定。
5、短路电流计算(包括三相、两相、单相短路)6、各级电压配电装置设计。
7、各种电气设备选择。
8、继电保护规划。
9、主变压器的继电保护整定计算。
六、设计目的整体目标:培养学生综合运用所学各科知识,独立剖析各解决实质工程问题的能力。
七、设计成就1、设计说明书:说明设计思想,方案比较及最后结果,并附有必要的图表。
2、设计计算书:设计参数采用的依照、计算公式、计算过程、计算结果、结论。
3、图纸:(共七张)(1)全部设计图均采用2或3号图;可用CAD出图;(2)电气主结线图部分3张,其中主接线图一张、变电所平面部署图一张、立面图一张;(3)二次部分要求:选作发电机保护的必定有一张保户配置图和一张主保护原理图;选作变压器保护的必定有一张保户配置图和一张主保护原理图;选作输电线路保护的必定有一张保户配置图和一张主保护原理图;(4)自动化设计部分要求:选做自动重合闸装置的必定有一张重合闸工作原理图;选做自动准同期装置的必定有一张重合闸工作原理图;选做备用电源自动投入装置的必定有一张重合闸工作原理图;(5)发电厂变电所防雷设计要求一张防雷平面部署图和一张立面图。
八、参照文件列出10篇以上(格式以下)1《电气工程电气设备手册》上册下册电力工业部西北电力设计院编2《继电保护和自动装置》王秀英编3《电力系统继电保护》沈阳电专李骏年编4《发电厂电气设备》郑州电力高等专科学校于长顺编第二章:负荷剖析一、负荷分类及定义1、一级负荷:中止供电将造成人身伤亡或重要设计损坏,且难以挽回,带来极大的政治、经济损失者属于一级负荷。
目录、八、、亠刖言---一、设计说明书------------------------------ 3~ 5二、设计计算书---------------------------- 6〜23I、主变选择------------------------------- 6 2 、主接线方案----------------------------- 73 、短路电流计算------------------------------ 94、设备选择--------------------------------- 125 、防雷保护计算---------------------------- 186、---------------------------------- 接地网计算187、-------------------- 独立避雷针接地装置计算—19 &变压器差动保护计算-------------------------- 209 、10KV馈出线保护整定计算---------------- 2110、110KV电源侧距离三段保护整定计算 --------- 21II、主变110KV侧过流及过负荷保护整定计算一一23三、附主要设备材料一览表-------------------------- 24四、附设计任务书---------------------------------- 25五、附参考文献一览表----------------------------- 26六、附设计图纸:1、电气主楼线图2、总面积布置图3、主变保护原理展开图4、中央信号原理展开图5、进线断面及避雷针保护范围图6、防雷及接地网配置图毕业设计是完成全部学业的最后一课,也是至关重要的一课。
通过毕业设计可以检验学员对基础理论和专业知识掌握的程度;检验学员理论结合实际的能力和技巧;检验学员毕业实习的效果和综合工作的能力。
毕业设计不但需要学员掌握十几门基础和专业课程的知识,同时还需要学员具有一定的实践经验和综合协调能力。
可编辑修改精选全文完整版110kv变电站典型设计初设计A方案(一)工程建设规模a)主变压器:终期2×31.5MVA,本期1×31.5MVA;b)电压等级:110/35/10kV三级;c)出线回路数:1)110kV出线: 终期4回,本期2回;2)35kV出线: 终期8回,本期4回;3)10kV出线: 终期12回,本期6回;4)无功功率补偿: 终期4×3Mvar,本期2×3Mvar;(二)设计范围1)本典型设计范围包括变电所内下列部分:a)电力变压器及各级电压配电装置,所用电系统设备,过电压保护及接地装置,直流操作电源系统设备;相应的继电保护及自动装置,就地测量及控制操作设备,自动化系统设备以及电缆设施等。
b)与电气设备相关的建筑物、构筑物,给水排水设施,通风设施,消防设施,安全防范及环境保护措施。
2)系统通信设施、所外道路、所外上下水系统、场地平整和特殊基础处理、大件设备运输措施等不纳入本典型设计范围。
其中由于通信设施需根据外部通信系统条件确定,本典型设计中仅留布置安装条件,不作具体设计。
3)设计分界点a)变电所与线路的分界点为:110kV、35kV配电装置以架空进线耐张线夹(不含)为界。
10kV配电装置以开关柜内电缆头(不含)为界。
b)进所道路设计以变电所大门为界,大门外不属本典型设计范围。
(三)设计条件2.4.1 发电机参数1)所址自然条件环境温度:-10℃~40℃最热月平均最高温度:35℃设计风速:30m/s覆冰厚度:5mm海拔高度:<1000m地震烈度:6度污秽等级:II级设计所址高程:>频率为2%洪水位凡所址自然条件较以上条件恶劣时,工程设计应作调整。
2)系统条件按照系统的情况,设定110kV系统短路电流为25kA,要求10kV母线的短路电流不超过20kA(四)主要技术经济指标2.4.1 发电机参数1)投资:静态投资: 1367.45 万元,单位投资: 434 元/kVA;动态投资: 1398.96 万元,单位投资: 444 元/kVA;2)占地面积所区围墙内占地面积:7695.96m2所区围墙内建筑面积: 560m2主控制楼面积: 422.5m2(五)电气主接线变电所主接线110kV、35kV及10kV终期均为单母线分段接线,初期为单母线接线。
二.A方案2.4.1 发电机参数(一)工程建设规模●a)主变压器:终期2×31.5MVA,本期1×31.5MVA;●b)电压等级:110/35/10kV三级;●c)出线回路数:1)110kV出线: 终期4回,本期2回;2)35kV出线: 终期8回,本期4回;3)10kV出线: 终期12回,本期6回;4)无功功率补偿: 终期4×3Mvar,本期2×3Mvar;(二)设计范围1)本典型设计范围包括变电所内下列部分:a)电力变压器及各级电压配电装置,所用电系统设备,过电压保护及接地装置,直流操作电源系统设备;相应的继电保护及自动装置,就地测量及控制操作设备,自动化系统设备以及电缆设施等。
b)与电气设备相关的建筑物、构筑物,给水排水设施,通风设施,消防设施,安全防范及环境保护措施。
2)系统通信设施、所外道路、所外上下水系统、场地平整和特殊基础处理、大件设备运输措施等不纳入本典型设计范围。
其中由于通信设施需根据外部通信系统条件确定,本典型设计中仅留布置安装条件,不作具体设计。
3)设计分界点a)变电所与线路的分界点为:110kV、35kV配电装置以架空进线耐张线夹(不含)为界。
10kV配电装置以开关柜内电缆头(不含)为界。
b)进所道路设计以变电所大门为界,大门外不属本典型设计范围。
(三)设计条件2.4.1 发电机参数1)所址自然条件环境温度: -10℃~40℃最热月平均最高温度: 35℃设计风速: 30m/s覆冰厚度: 5mm海拔高度: <1000m地震烈度: 6度污秽等级: II级设计所址高程: >频率为2%洪水位凡所址自然条件较以上条件恶劣时,工程设计应作调整。
2)系统条件按照系统的情况,设定110kV系统短路电流为25kA,要求10kV母线的短路电流不超过20kA(四)主要技术经济指标2.4.1 发电机参数1)投资:●静态投资: 1367.45 万元,单位投资: 434 元/kVA;●动态投资: 1398.96 万元,单位投资: 444 元/kVA;2)占地面积●所区围墙内占地面积:7695.96m2●所区围墙内建筑面积: 560m2●主控制楼面积: 422.5m2(五)电气主接线变电所主接线110kV、35kV及10kV终期均为单母线分段接线,初期为单母线接线。
封面作者:Pan Hongliang仅供个人学习v 110kV变电站的初步设计摘要根据对原始资料背景和设计要求的分析,110kV变电站初步设计的主要内容包括:先试选电气主接线方案,然后进行技术性和经济性的比较,最终选择最合理的主接线形式;通过经济截面电流法,先选择变电所进线导线,为后续三相短路电流计算做铺垫;根据三相短路电流计算结果,选择符合使用要求的各种电气设备;最终是对变压器、线路进行保护。
通过综合分析,110kV侧入线是双电源供电,35kV和10kV母线选择的都是单母线接线。
导线选择后,采用标幺值法计算等效电抗,通过查电源运算曲线的图表,找出短路瞬间、4s后的短路电流标幺值,而后将其转换成有名值,通过公式计算出冲击电流。
至于电气设备的选择则是通过最大负荷电流和开断电流进行选择,根据4s后电流有名值和短路冲击电流有名值进行热稳定性和动稳定性校验;至于保护方面,主要是变压器的保护,通过延时时间不同,来让不同断路器动作,进而起到保护作用。
关键词:电气主接线,三相短路电流,变压器,线路保护,标幺值PRELIMINARY DESIGN OF 110 kV SUBSTATIONABSTRACTAccording to the analysis of raw data background and design requirements, the main content of the preliminary design of the 110 kV substation including: Try to choose the main electrical wiring scheme, then carries on the technical and economical comparison, and finally choose the most appropriate form of the main wiring. Through the economical section current method, choose the substation into line conductor, which will pave for the subsequent three-phase short-circuit current calculation. According to the results of the three-phase short-circuit current calculation to choose all kinds of electrical equipment, which conform to the requirements. Transformer and line are ultimately to be protected.Through the comprehensive analyse, the side into line of 110 kV is double power supply, while 35 kV and 10 kV busbar selection are single busbar wiring. Use standard per unit method to calculate the equivalent reactance after selecting wire, and to find out the per unit's short-circuit current value of short circuit instantaneous and after 4s’through checking the power operation curve chart, and then convert them into actual value, calculate the shock current based on the formula. As for the selection of electrical equipment, which is through the choice of maximum load current and open circuit current, carries on the thermal stability and dynamic stability check according to the after 4s’current actual value and short circuit impact current actual value. The protection of transformer is mainly in protection, which protects further through the different delay time to make the different circuit breaker action.KEY WORDS: main electrical wiring, three-phase short-circuit current, transformer, line protection, per unit目录前言 (1)第1章原始资料分析及变压器的选择 (2)1.1 原始资料简介及分析 (2)1.1.1 原始资料简介 (2)1.1.2 原始资料分析 (2)1.2 变压器的选择 (2)1.2.1 变压器数量的选择 (2)1.2.2 变压器容量的选择 (2)第2章电气主接线的设计 (4)2.1 电气主接线 (4)2.1.1 电气主接线的基本要求 (4)2.2 母线制 (4)2.2.1 单母线接线 (4)2.2.2 单母线分段接线 (4)2.2.3 双母线接线 (5)2.2.4 桥形接线 (5)2.3 电气主接线设计方案的比较及选择 (5)第3章短路电流的计算 (7)3.1 概述 (7)3.1.1 短路类型 (7)3.1.2 短路计算步骤 (7)3.2 变电站电源进线的选择 (7)3.2.1 变电站容量补偿后的初步估计 (7)3.2.2 变电站进线的选择 (8)3.3短路计算 (8)3.3.1 各元件电抗标幺值的计算 (8)3.3.2 K1点(35kV母线)短路电流计算 (9)3.3.3 K2点(10kV母线)短路电流计算 (10)3.3.4 K3点(110kV母线)短路电流计算 (12)3.3.5 K4点(110kV母线)短路电流计算 (13)3.4 短路电流计算总结 (14)第4章变电所电气设备的选择及校验 (15)4.1 断路器和隔离开关的选择与校验 (15)4.1.1 断路器的选择 (15)4.1.2 断路器的校验 (15)4.1.3 隔离开关的选择 (16)4.1.4 隔离开关的校验 (16)4.2 电压互感器的选择 (17)4.2.1 电压互感器 (17)4.2.2 电压互感器的选择 (18)4.3 电流互感器的选择 (19)4.3.1 电流互感器的特点 (19)4.3.2 电流互感器的选择及校验 (20)4.3.3 各电压侧电流互感器的选择及校验 (21)4.4 母线的选择 (23)4.4.1 母线 (23)4.4.2 母线的分类及各颜色含义 (23)4.4.3 母线的截面尺寸选择及短路稳定性校验 (24)4.4.4 35kV、10kV、110kV侧母线的选择及校验 (25)4.5 避雷器的选择 (26)4.5.1 避雷器的特点 (26)4.5.2 避雷器的配置原则 (26)4.5.3 避雷器的选择 (27)4.6 熔断器的选择 (27)4.6.1 熔断器的特点 (27)4.6.2 熔断器的选择 (28)4.6.3 各电压侧熔断器的选择 (28)4.7 电气设备选择汇总 (29)第5章继电保护的配置 (30)5.1 继电保护及其基本要求 (30)5.1.1 继电保护装置 (30)5.1.2 继电保护的基本要求 (30)5.2 变压器的保护 (30)5.2.1 保护类型 (30)5.2.2 变压器的电流速断保护 (31)5.2.3 变压器的过电流保护 (31)5.2.3 变压器的过负荷保护 (32)5.3 母线的保护 (32)5.3.1 母线故障原因 (32)5.3.2 母线的保护方法 (32)5.4 线路的保护 (32)5.4.1 各电压侧保护概述 (32)5.4.2 线路的三段式保护 (33)结论 (36)谢辞 (37)参考文献 (37)附录 (38)外文资料翻译 (40)前言我国电力工业近年来发展迅速,其技术水平和管理水平正在朝着集中控制和计算机监控的方向迈进,电力系统也已经实现了分级集中调度。
二.A方案2.4.1 发电机参数(一)工程建设规模a)主变压器:终期2×31.5MV A,本期1×31.5MV A;b)电压等级:110/35/10kV三级;c)出线回路数:1)110kV出线: 终期4回,本期2回;2)35kV出线: 终期8回,本期4回;3)10kV出线: 终期12回,本期6回;4)无功功率补偿: 终期4×3Mvar,本期2×3Mvar;(二)设计范围1)本典型设计范围包括变电所内下列部分:a)电力变压器及各级电压配电装置,所用电系统设备,过电压保护及接地装置,直流操作电源系统设备;相应的继电保护及自动装置,就地测量及控制操作设备,自动化系统设备以及电缆设施等。
b)与电气设备相关的建筑物、构筑物,给水排水设施,通风设施,消防设施,安全防范及环境保护措施。
2)系统通信设施、所外道路、所外上下水系统、场地平整和特殊基础处理、大件设备运输措施等不纳入本典型设计范围。
其中由于通信设施需根据外部通信系统条件确定,本典型设计中仅留布置安装条件,不作具体设计。
3)设计分界点a)变电所与线路的分界点为:110kV、35kV配电装置以架空进线耐张线夹(不含)为界。
10kV 配电装置以开关柜内电缆头(不含)为界。
b)进所道路设计以变电所大门为界,大门外不属本典型设计范围。
(三)设计条件2.4.1 发电机参数1)所址自然条件环境温度:-10℃~40℃最热月平均最高温度:35℃设计风速:30m/s覆冰厚度:5mm海拔高度:<1000m地震烈度:6度污秽等级:II级设计所址高程:>频率为2%洪水位凡所址自然条件较以上条件恶劣时,工程设计应作调整。
2)系统条件按照系统的情况,设定110kV系统短路电流为25kA,要求10kV母线的短路电流不超过20kA(四)主要技术经济指标2.4.1 发电机参数1)投资:静态投资: 1367.45 万元,单位投资: 434 元/kV A;动态投资: 1398.96 万元,单位投资: 444 元/kV A;2)占地面积所区围墙内占地面积:7695.96m2所区围墙内建筑面积: 560m2主控制楼面积: 422.5m2(五)电气主接线变电所主接线110kV、35kV及10kV终期均为单母线分段接线,初期为单母线接线。
详见图“W851A02-A02-001”。
(六)电气设备布置35kV 及110kV配电装置采用户外中型软母线布置方式,35kV配电装置与110kV配电装置成垂直布置。
两台主变位于110kV配电装置和10kV配电装置室之间。
10kV配电装置采用户内成套高压开关柜,单列布置,采用架空或电缆出线。
10kV电容补偿装置为户外型,布置在10kV配电装置室左侧户外空地上,本期布置二组。
变电所纵向长度为108.7m,横向宽度为70.8m,占地面积为7695.96m2。
电气总平面布置详见图“W951A02-A02-002”。
(七) 配电装置1) 35kV及110kV配电装置35kV及110kV断路器选用单断口瓷柱SF6断路器。
35kV及110kV隔离开关选用GW4型隔离开关,110kV隔离开关配电动操作机构。
35kV隔离开关配手动操作机构。
110kV电流互感器选用油浸式电流互感器。
110kV电压互感器选用电容式电压互感器。
110kV避雷器选用氧化锌避雷器。
2)10kV配电装置选用XGN2-12型固定式高压开关柜,配真空断路器, 真空断路器配一体化弹簧操作机构,采用架空或电缆出线¡£ÎªÏû³ýгÕñÓ°Ïì,10kV电压互感器选用抗铁磁谐振三相电压互感器,型号为JSXNGF-10¡£3)无功补偿装置无功补偿容量及分组按就地补偿,便于调节及不产生谐振的原则配置,本典型设计无功补偿容量按主变容量20%左右考虑,本期工程装设2组3000kvar无功补偿装置成套装置。
4)35kV中性点消弧线圈35kV电网中性点不接地系统单相接地电容电流按规程要求不超过10A,本典型设计对单相接地电容电流补偿暂按选用智能型油浸式消弧线圈,容量为550kV A考虑,调节范围为9挡,具体工程设置按系统情况而定。
(八) 继电保护和安全稳定控制装置的配置变电所根据《继电保护和安全自动装置技术规程》的要求,及广西电网运行情况进行系统继电保护和安全稳定控制装置的配置。
1) 110kV系统每回线应装设反应相间短路和接地短路的保护。
配置三段式相间距离、接地距离、零序电流方向保护,三相一次重合闸,带电压切换回路及断路器操作回路。
后备保护采用远后备方式。
组屏采用2回线路保护合用一面屏的方式。
2) 110kVĸÏß±£»¤110kV²à³õÆÚÖ»ÓÐ2»Ø³öÏß,Ôݲ»¿¼ÂÇ×°ÉèĸÏß±£»¤£»ÖÕÆÚ4»Ø110kV³öÏߣ¬µ¥Ä¸Ï߷ֶνÓÏߣ¬°´¹æ³Ì¹æ¶¨×°ÉèÒ»Ì×110kVĸÏß±£»¤¡£(九)系统通信本变电所由所在网区地调调度管理,为满足综合自动化的要求,变电所应具有光纤或其他形式可靠的通信通道,并设一门邮电公网电话。
由于各地区通信条件差异较大,在典型设计中难以统一,由相应工程设计时根据具体情况而定,本典型设计仅预留通信设备装设位置,不作具体设计。
(十)微机监控装置控制功能由微机监控系统实现,取消常规的控制屏和中央音响信号系统,声光报警由微机监控系统实现。
微机监控系统采用分层分布式,分为变电所层和现地设备层。
现地设备层按所内一次设备布置间隔来划分配置。
各间隔的监控设备相对独立,这些设备通过现地局域网实现数据链路的连接,可完成他们之间的信息传送。
所内局域网按单网考虑,通信介质采用光纤,变电所层可采用总线型结构或星型结构;现地设备层宜采用总线型结构。
(十一)土建部分地基和抗震建(构)筑物按天然地基承载力特征值fa=150kPa设计,场地和地基条件简单,地基基础设计等级为丙级。
初期基础工程量未考虑有软弱下卧层估算,具体工程应根据其地质报告复核基础设计,必要时应修改基础设计或结合当地经验采用人工地基。
根据《建筑抗震设计规范(GB50011-2001)》广西大部分地区抗震设防烈度为6度,设计基本地震加速度值为0.05g,本标准设计的建(构)筑物设防标准按一般变电所,即丙类建筑物设防,其地震作用和抗震措施均按6度抗震设防烈度设计。
三、B方案(一)工程建设规模a)主变压器:终期2×31.5MV A,本期1×31.5MV A;b)电压等级:110/35/10kV三级;c)出线回路数:1)110kV出线: 终期2回,本期1回;2)35kV出线: 终期8回,本期4回;3)10kV出线: 终期12回,本期6回;4)无功功率补偿: 终期4×3Mvar,本期2×3Mvar;(一)工程建设规模a)主变压器:终期2×31.5MV A,本期1×31.5MV A;b)电压等级:110/35/10kV三级;c)出线回路数:1)110kV出线: 终期2回,本期1回;2)35kV出线: 终期8回,本期4回;3)10kV出线: 终期12回,本期6回;4)无功功率补偿: 终期4×3Mvar,本期2×3Mvar;(二)设计范围及设计条件设计范围及设计条件与A方案相同。
(三) 主要技术经济指标1)投资:方案一方案二静态投资:1194.5 万元1204.81 万元静态单位投资:379 元/kV A382 元/kV A动态投资:1222.03 万元1232.57 万元静态单位投资:388 元/kV A391 元/kV A2)占地面积方案一方案二所区围墙内占地面积:5618.3m25961.06m2所区围墙内建筑面积: 454.3m2454.3m2主控制楼面积: 316.8m2316.8m2(五)电气主接线方案一本方案变电所主接线110kV终期为内桥接线, 初期为线路变压器组接线;35kV及10kV终期均为单母线分段接线,初期为单母线接线。
详见图“W851B02-A02-001”。
考虑在110kV 侧计费, 110kV出线安装三相电压互感器。
方案二本方案变电所主接线110kV终期为单母线接线, 初期为线路变压器组接线;35kV及10kV终期均为单母线分段接线,初期为单母线接线。
详见图“W851B02-A02-002”。
(六)电气设备布置35kV 及110kV配电装置采用户外中型软母线布置方式,35kV配电装置与110kV配电装置成垂直布置。
两台主变位于110kV配电装置和10kV配电装置室之间。
10kV配电装置采用户内成套高压开关柜,单列布置,采用架空或电缆出线。
10kV电容补偿装置为户外型,布置在10kV配电室左侧主控制楼前户外空地上,本期布置二组。
变电所电气总平面布置详见图“W951B02-A02-003、004”;方案一占地面积为5618.3m2, 方案二占地面积为5961.06m2。
(七) 设备选型主要设备选型、系统继电保护和安全稳定控制装置的配置、系统通信要求、基本与A方案相同。