陕西鼓风机厂轴流压缩机培训教材
- 格式:doc
- 大小:1.51 MB
- 文档页数:22
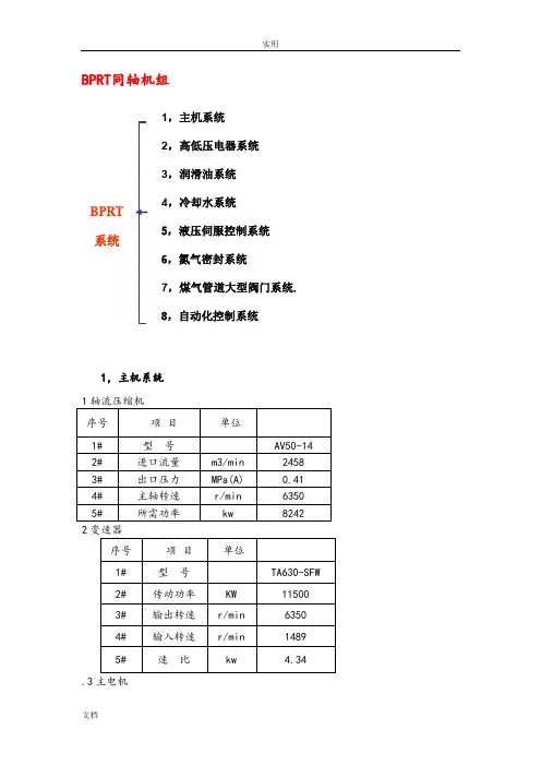
BPRT 同轴机组1,主机系统2.3主电机1,主机系统 2,高低压电器系统 3,润滑油系统4,冷却水系统 5,液压伺服控制系统 6,氮气密封系统7,煤气管道大型阀门系统. 8,自动化控制系统BPRT 系统45. TRT 利用高炉煤气的压力能、热能,经膨胀透平作功带动压缩机的能量回收装置。
TRT替代减压阀组后,减少噪音污染,改善了环境,又无需任何燃料而回收能量,其经济效益非常可观。
TRT能改善炉顶压力的调节品质,确保高炉正常生产,又能回收高炉煤气在减压阀组上损失的能量。
紧急停机切换时:当TRT发生重故障时,在紧急切断阀快关切断煤气的同时,通过前压、流量控制迅速打开旁通快开调节阀,保证高炉顶压稳定。
流量: 1830.8 m3/min温度:150 ℃入口压力:242KPa(A)转速: 3000 r / min功率: 4260 KW,轴承温度≤85℃正常,≥90℃报警,≥105停机,轴位移≥0.3 mm 报警≥0.5mm停机,2.高低压电器系统;组成,高低压配电系统,液压油站泵,润滑油站泵器站,现厂机旁操作箱,盘车,加热等。
3,润滑油系统作用:给透平和发电机各轴承润滑点提供一定量的稀油循环润滑,以满足机组在正常工况及事故状态下的润滑油供给作流量: 1254L/min,容积12500 L,高位油箱容积2500 L4,冷却水系统液压油站冷却,润滑油站冷却,电机冷却,供水;净环水5,液压伺服控制系统,可调静叶控制单原,伺服油缸,动力油站6,氮气密封系统氮气密封系统作用:提供透平主机轴端密封用N2。
系统组成原理特点:气源氮气压力为0.3-0.4Mpa,经气动调节阀调压后使氮气压力高于透平轴端煤气压力0.02-0.03Mpa,保证煤气不外泄。
若用户没有氮气,可用抽气密封,注;停机严禁停氮气.7,煤气管道大型阀门系统.进出口电动偏心碟阀,进出口电动插板阀,液动旁通阀,快速切断阀,防喘阀等8,自动化控制系统轴振动,位移,轴瓦温度,油泵联锁,顶压,氮气调节联锁,监测,启动急停联锁等。
AV50—13轴流压缩机说明书陕西鼓风机(集团)有限公司目录1.概述 (2)2.AV型轴流压缩机系列 (2)3.AV50—13轴流压缩机 (2)3.1技术参数 (2)3.2结构说明 (2)3.2.1机壳 (3)3.2.2叶片承钢 (3)3.2.3调节缸 (3)3.2.4转子及动静叶片 (3)3.2.5轴承箱 (3)3.2.6油封 (4)3.2.7密封 (4)3.2.8轴承 (4)3.2.9平衡管道 (4)3.2.10伺服马达 (4)3.2.11管路系统 (4)3.2.12吊装与专用工具 (4)3.3轴流压缩机的拆卸和组装 (4)4机组启动前的准备工作 (5)5机组的启动 (5)5.1机组的启动 (5)5.2加载过程 (5)16运行监视和检查 (6)6.1轴流压缩机的喘振 (6)6.2轴流压缩机的喘振防止 (6)6.3轴流压缩机的运行监视和检查 (6)6.4每一小时的检查项目 (6)6.5每班的检查项目 (6)6.6每周一次的检查项目 (6)6.7每月一次的检查项目 (7)6.8轴流压缩机运行限制 (7)6.9安全运行 (7)7.停机 (7)7.1正常停机 (7)7.2紧急停机 (7)8.轴流压缩机的维护 (7)9.轴流压缩机故障查找及排除 (9)10.叶片周期性裂纹检查 (10)10.1第七裂纹检查 (10)10.2特定情况下的裂纹检查 (10)10.3检验方法 (11)11.轴流压缩机维修备件 (11)12.轴流压缩机停机期间的封存 (11)13.轴流压缩机的保管 (13)14.轴流压缩机吊装机专业工具 (13)21.概述AV50——13轴流压缩机是一种全静片可调试的轴流压缩机,其空气动力学的特点是流量、压力调节范围宽广,各工况点效率高,同时该机具有较高的自动化水平,配套程度高,运行平稳,各项技术指标均达到国际先进水平。
AV50——13轴流压缩机机组的配置方式见下图2.AV型轴流压缩机系列AV型轴流压缩机完整的系列为:AV40、AV45、AV50、AV56、AV63、AV71、AV80、AV90、AV100、AV112、AV125、AV140。
陕鼓调研资料一、陕鼓简介西安陕鼓动力股份有限公司,1999年06月30日成立,经营范围包括许可经营项目:民用核安全机械设备设计、制造。
一般经营项目:大型压缩机、鼓风机、通风机及各种透平机械的开发、制造、销售、维修服务、技术咨询、技术服务、技术转让、技术培训等。
二、主要产品主要产品有轴流压缩机、能量回收透平装置(TRT)、离心压缩机、离心鼓风机、通风机共五大类80个系列近2000个品种规格,主要应用于空分、冶金、石化、电力、城建、环保等十几个国民经济的支柱产业领域。
三、业务板块(1)离心压缩机陕鼓动力不断发展新技术、新材料、新工艺,以提高机组的可靠性和高效性。
对于空分压缩机产品主要有离心压缩机(EIZ)、空气增压机采用多段单轴压缩机(EZ、EBZ)和多轴压缩机(EG)。
以上多种组合可满足不同需求。
为配合市场发展,陕鼓从2002年开始致力于空分压缩机组的研究,取得了较好的市场业绩。
经过10余年的潜心研究和发展,我们已经具备了自主提供万等级空分装置的配套压缩机能力。
(2)轴流压缩机轴流压缩机是一种把原动机的机械能转变为气体能量的压缩机械,其命名缘于气体在压缩机中的基本流动方向。
轴流压缩机分为静叶固定转速可调轴流压缩机(A系列)和全静叶可调型轴流压缩机(AV系列)。
目前工业常用的是AV系列,其规格从Av40到Av140,级数一般,2-19级,该系列压缩机的特点是流量、压力调节范围宽广,各工况点效率高,最高可达以上。
轴流压缩机广泛应用于冶金、石化、化工、风洞实验、电站、制药等领域。
(3)高炉煤气能量回收系统高炉煤气余压回收透平发电装置(简称TRT)是应用于冶金企业的一种高效节能装置,它是利用高炉冶炼排放出的具有一定压力能的炉顶煤气,使煤气通过透平膨胀机作功,将其转化为机械能,驱动发电机发电或驱动其它装置的一种二次能量回收装置,是国家大力提倡和推广的一种节能环保装置。
采用替代减压阀组,回收了被减压阀组白白释放的能量,既净化了环境(回收了能源),又降低了噪音,同时可为企业带来可观的经济效益和社会效益。
技术工程部培训教材(仅限内部使用)通风机入门编制:技术工程部目录编前:本教材的适用对象为通风机初入门者。
为了容易理解,对许多问题的表述,使用了通俗的说法,可能因此而欠缺严谨。
如果希望系统地严谨地了解通风机的知识,请另行参阅有关书籍。
(风机手册,第二版主编:续魁昌)本教材要求结合公司的《产品目录册》和相关产品样本一起学习。
如果经常到展厅和现场对照产品实物,效果更好。
第一章风机常识一、通风机的概念二、通风机的分类和原理三、通风机产品的分类四、通风机的常见部件五、通风机的参数六、通风机的传动方式七、通风机的方向与角度八、通风机的基本定律九、风机的常见应用十、通风机安装时应注意的问题十一、风机常见故障十二、附:关于风轮平衡的常识第一章风机常识一、通风机的概念本节学习要求:建立对风机的初步概念风机是对气体压缩和气体输送的机械。
通风机只是风机的其中一种,其它的还有鼓风机、压缩机、罗茨鼓风机,但活塞压缩形式的空气机械并不是风机。
公司的风机是属于通风机类。
这类通风机,通俗地说,就是这样一种机械,它是处理气体流动问题的机械,它通过动力(如电机)引起的风轮(俗称风叶)的转动,带动并引导空气以一定的形式流动。
它做功的对象是空气,使空气获得一定的加速和压缩。
但它在对空气做功的时候,空气受作用前后的体积几乎没有变化,即空气的物理形态和温度几乎没有改变以致可以忽略其变化。
这一点,就是通风机与其它风机如鼓风机和压缩机的重要区别。
在我们通风机制造和应用行业,通常会把通风机简称为风机。
风机是通过这样的途径把功传递到空气的:电机——传动装置——风轮——空气。
所以,风机应该具备的结构是:电机、传动装置、风轮,当然,还有外壳。
电机是动力的来源,传动装置是动力的传送媒介,风轮是对空气做功的根本工具,外壳是空气流动的引导装置和机械的保护装置。
这就是概念性的风机最基本构成。
具体实际情况,风机的结构会比这些多,或少。
我们将在以后具体讨论。
二、通风机的分类和原理本节学习要求:初步了解风机的三种基本形式以及初步了解风机是如何工作的。
陕鼓调研资料一、陕鼓简介西安陕鼓动力股份有限公司,1999年06月30日成立,经营范围包括许可经营项目:民用核安全机械设备设计、制造。
一般经营项目:大型压缩机、鼓风机、通风机及各种透平机械的开发、制造、销售、维修服务、技术咨询、技术服务、技术转让、技术培训等。
二、主要产品主要产品有轴流压缩机、能量回收透平装置(TRT)、离心压缩机、离心鼓风机、通风机共五大类80个系列近2000个品种规格,主要应用于空分、冶金、石化、电力、城建、环保等十几个国民经济的支柱产业领域。
三、业务板块(1)离心压缩机陕鼓动力不断发展新技术、新材料、新工艺,以提高机组的可靠性和高效性。
对于空分压缩机产品主要有离心压缩机(EIZ)、空气增压机采用多段单轴压缩机(EZ、EBZ)和多轴压缩机(EG)。
以上多种组合可满足不同需求。
为配合市场发展,陕鼓从2002年开始致力于空分压缩机组的研究,取得了较好的市场业绩。
经过10余年的潜心研究和发展,我们已经具备了自主提供万等级空分装置的配套压缩机能力。
(2)轴流压缩机轴流压缩机是一种把原动机的机械能转变为气体能量的压缩机械,其命名缘于气体在压缩机中的基本流动方向。
轴流压缩机分为静叶固定转速可调轴流压缩机(A系列)和全静叶可调型轴流压缩机(AV系列)。
目前工业常用的是AV系列,其规格从Av40到Av140,级数一般,2-19级,该系列压缩机的特点是流量、压力调节范围宽广,各工况点效率高,最高可达以上。
轴流压缩机广泛应用于冶金、石化、化工、风洞实验、电站、制药等领域。
(3)高炉煤气能量回收系统高炉煤气余压回收透平发电装置(简称TRT)是应用于冶金企业的一种高效节能装置,它是利用高炉冶炼排放出的具有一定压力能的炉顶煤气,使煤气通过透平膨胀机作功,将其转化为机械能,驱动发电机发电或驱动其它装置的一种二次能量回收装置,是国家大力提倡和推广的一种节能环保装置。
采用替代减压阀组,回收了被减压阀组白白释放的能量,既净化了环境(回收了能源),又降低了噪音,同时可为企业带来可观的经济效益和社会效益。
AV71—15汽拖工艺操作技术规程通钢集团吉林钢铁有限责任公司主要起草人:会审人:批准人:批准日期:年月发布日期:年月受控状态:(发放纸质文件时填写)发放编号:(发放纸质文件时填写)目录前言 (4)范围 (5)规范性引用文件 (5)第一部分机组工艺 (6)1.1、汽动鼓风机作业工艺流程 (6)1.2、汽动鼓风机组主要工艺及设备参数 (7)结构与特性 (7)第二部分机组开机、换机、停机 (9)2.1、汽动鼓风机额定参数启动 (9)2.2、开机前的检查 (9)2.2.1、开机前的注意事项: (9)2.2.2、一般检查工作 (10)2.2.3、润滑油系统检查 (10)2.2.4、动力油系统检查 (10)2.2.5、汽水系统的检查 (11)2.2.6、风系统的检查 (13)2.2.7、调速系统检查 (13)2.2.8、鼓风机监控系统检查 (13)2.2.9、一段暖管 (13)2.3、启动前的系统投入和试验 (13)2.4、启动汽动鼓风机 (15)2.5、冲转、暖机、升速 (16)2.6、送风 (18)2.7、换机操作 (18)2.8、机组的热态启动 (19)2.9、汽动鼓风机组的停机 (19)第三部分维护及定期工作制 (20)3.1、汽动鼓风机组运行维护及定期工作 (20)3.1.1、定期工作 (21)3.1.2、定期试验工作 (22)3.1.3、试验方法及注意事项 (22)3.1.4、生产联系信号和热工保护定值 (24)3.1.5、热工保护定值 (25)第四部分附属设备 (26)4.1、附属设备的启动、停止、正常维护 (26)4.1.1、各类水泵、油泵、电机技术规范 (26)4.1.2、盘车的投入、停止 (28)4.1.3、凝结水泵启动、停止及维护 (29)4.1.4、凝汽器、循环水的投运和停止 (30)4.1.5、射汽式抽气器的投运、停止 (31)4.1.6、低压加热器的投运、停止、运行维护 (31)4.1.7、布袋除尘器的运行维护 (32)4.1.8、除氧器的启动、停止、维护 (32)第五部分事故处理 (33)5.1、汽动鼓风机组事故处理 (34)5.1.1.事故处理原则 (34)5.1.1、紧急停机的条件 (34)5.1.2.出现下列情况时应紧急手动停机 (34)5.1.3、紧急停机时的操作步骤 (35)5.1.4、主蒸汽温度压力异常 (35)5.1.5、真空降低时的处理 (36)5.1.6、油系统工作失常的处理 (37)5.1.7、轴位移增大的处理 (38)5.1.8、机组异常振动、异常声音的处理 (38)5.1.9、水冲击的处理 (39)5.1.10、鼓风机发生喘振时的处理 (40)5.1.11、厂用电停电的处理 (40)编 号:编 制: 批 准: 发布日期: 实施日期:吉林钢铁有限责任公司 炼铁厂岗位操作技术规程 AV71—15汽拖操作技术规程 前 言本规程在参照冶金行业同类机组相关规程基础上,汽轮机参照杭州汽轮机厂NK50/71产品说明书编写,鼓风机参照陕西鼓风机厂AV71-15产品技术文件等有关资料进行编写,本规程共五部分(本规程为试用规程,相关数据应在机组安装调试完善后进一步核实;本规程难免有不完善之处,敬请各位读者提出宝贵意见)。
轴流压缩机第一章概述第一节分类轴流压缩机是气体压缩机械的一种型式。
气体压缩机械的类型很多,下面根据我国具体情况,简述一下常见的分类方法。
一、气体压缩机械的分类二、透平式压缩机械的分类1(按气气流运动方向分类离心式——气体在压缩机内沿离心方向(或半径方向)流动,也称径流。
轴流式——气体在压缩机内沿与转轴平行方向流动。
混流式——气体在压缩机内的流动方向介于离心式和轴流式之间。
图1—1列出了透平式压缩机械的三种通流形式。
2(按压力分类透平式压缩机械按出口压力高低可分为通风机、鼓风机和压缩机。
通风机:指大气压力为101.32KPa,温度为20?,出气口全压值小于15 KPa(表压)1的风机。
鼓风机:指升压在15KPa,20OKPa(表压)之间或压比大于1(15小于3的风机。
压缩机:指升压大于200KPa(表压)或压比大于3的风机。
3(按用途分类根据风机用于某种装置的名称或者以通过风机的介质名称来命名分类。
如高炉鼓风机、空气分离压缩机、锅炉引风机、烧结鼓风机、煤气鼓风机。
天然气压缩机、氧气压缩机等。
图1,2中表示了各类压缩机的使用范围表1,l中对透平式压缩机和容积式压缩机的特点进行了比较。
三、透平机械透平是外来语Turbine的音译技术名称,可意译为涡轮机械,它泛指具有叶片或叶轮的动力机械,如汽轮机、燃气轮机和水轮机(有时也称为蒸汽透平、燃气透平和水力透平)和风能装置中的风力透平等。
对于具有叶片或叶轮的压缩机械,原则称为透平式压缩机和透平式泵。
透平机械中还包括液力透平传动装置,如液力偶合器等。
轴流式压缩机属于透平机械类。
有时也将汽轮机,燃气轮机和透平式压缩机统称热力透平机械。
表1—1 透平式压缩机和容积式压缩机的特点比较透平式压缩机容积式(以活塞式为例)压缩机 (1)流量大。
如果与活塞式的具有相同流量 (1)排气压力可以在较大的范围内波动,的压缩机相比较,透平式压缩机的尺寸高压力、小流量区域尤为合适。
要小得多。
1、安装流程交工2、风机安装工艺要求(1)施工准备A、编写施工方案,上报监理单位批准后实施;B、对施工人员进行技术交底,准备各种安装用机具,施工现场进行清理;(2)开箱检验A、开箱检验时必须由业主代表、监理单位代表、供货单位代表及施工单位代表共同参预进行,开箱检验前应具备下列技术资料:a、风机的出厂合格证、质量证明书、操作使用说明书;b、供货单位提供的装箱清单。
B、风机的开箱检验应符合下列规定:a、核查随机资料是否齐全;b、检查风机表面是否锈蚀、是否有严重的碰撞痕迹和损坏现象;c、检查风机的附件、内件、零部件是否齐全完好。
d、开箱检验完毕后,对于暂不安装的零件、易损件等应设专人、专库妥善保管。
e、开箱检验完毕后及时填写开箱检验记录。
(3)基础验收A、风机安装前由基础施工单位向安装单位进行基础验交,同时提交质量证明书、强度试验报告、测量记录等施工技术资料,并办理交接手续。
B、基础检查验收要求:a、基础外观不应有裂纹、蜂窝、孔洞及露筋等缺陷;强度达到设计要求,预埋螺栓的罗纹部份应无损坏,预留螺栓孔应清理干净;b、核实基础螺栓中心是否与设备螺栓孔距相符;c、基础尺寸及位置应严格符合设计和规范的规定,基础上应明显标出纵横中心线、标高基准线;d、基础尺寸及位置允许偏差应符合下表要求:基础尺寸及位置允许偏差表项次偏差名称允许偏差(mm)1 基础坐标位置(纵横轴线) ±202 基础各不同平面标高 -20基础上平面外形尺寸±203 凸台上平面外形尺寸 -20凹穴尺寸 +20基础上平面的不水平度:每米 5 4全长 10竖向偏差:每米 5 5全长 20预埋地脚螺栓的:标高(顶端) +20 6中心距(在根部和顶部预埋) ±2预埋地脚螺栓的:中心位置±107 深度 +20孔壁铅垂度 10预埋活动地脚螺栓的:标高 +20 8中心位置±5(4)风机的安装1)垫铁安装安装垫铁前,应将基础表面铲好麻面,麻点深度普通不小于 10mm,密度以每平方分米内有 3~5 点为宜。
陕西鼓风机厂轴流压缩机培训教材目录一、轴流压缩机的发展概况二、轴流压缩机的基本工作原理三、机组的自动调节及保安系统四、轴流压缩机选型五、轴流压缩机与管网联合工作六、轴流压缩机配套辅机设备七、其他一、轴流压缩机的发展概况在十九世纪,轴流式鼓风机已应用于矿山通风和冶金工业的鼓风。
但限于当时的理论研究和工业水平还比较落后,这种风机的全压只有10~30mmH2,O效率仅达15~25%。
1853 年都纳尔(Tournaire )向法国科学院提出了多级轴流式压缩机的概念。
1884 年英国 C.A. 帕森斯(Parsons)将多级反动式透平反向旋转,得出了第一台实验用轴流式压缩机,但效率很低。
二十世纪初期,帕森斯制造了第一台轴流式压缩机,19 级,流量85m3/min,压力12.1kPa·G,转速4000r/min ,效率约60%。
由于效率低,故轴流式压缩机未能成功地推广应用。
从二十世纪三十年代开始,由于航空事业发展的需要,对航空燃气轮机进行了大量的理论和试验研究,特别是对轴流式压缩机的气体动力学的理论研究和平面叶栅吹风的实验研究,使轴流压缩机的理论和设计方法不断完善,效率提高到80~85%。
从四十年代开始,轴流式压缩机已广泛应用于航空燃气轮机中,迄今仍占有很重要的地位。
现代轴流式压缩机的效率可高达89~91%,甚至更高。
瑞士苏尔寿(SULZER)公司是世界上轴流压缩机设计制造技术的先进代表。
1932 年苏尔寿公司制造了世界上第一台增压锅炉使用的工业轴流压缩机,1945 年苏尔寿公司制造了第一台轴流式高炉鼓风机,其流量为1200~1800m3/min,压力为78775~142179Pa(G),转速为5200r/min ,功率为3900kW,由电动机驱动。
此后轴流式高炉鼓风机逐渐被采用,多为固定静叶式,由汽轮机驱动,通过改变汽轮机的转速来调节高炉使用工况。
这种压缩机的缺点是稳定工作区较窄,而且在部分负荷时压缩机的效率比较低。
轴流式风机培训材料
一、轴流式风机工作原理:
系统管道中气流经风机进气箱改变方向,经集流器收敛加速后流向叶轮,电动机的动力通过叶轮旋转将气流向后挤推,气流由轴向运行改变成螺旋运动并得
到动能与加速,动叶的安装角度可无级调节,此调节可改变风量、风压,满足工
况变化的需求;从叶轮流出的气流经后导叶转为轴向流动,在扩压器中,气流部分动压转换成静压,后流至系统满足运行要求,从而完成风机出力的工作过程。
进口箱
电动机中间传动轴
联轴器
叶
片
叶
轴承箱扩压器
轮
液
压
调
节
装
置
轴流式风机总图
二、主要部件:
轴流式风机(带电动机)主要部件:电动机、钢结构件(定子)、钢结构连接件、转子、中间轴和联轴器、供油装置、测量仪表、消声器和隔声装置。
轴流鼓风机操作规程一、主要设备技术参数:1、轴流压缩机:型号: AV 50-13介质:空气进口流量: 2150m3/min.℃.进口温度: 11.1相对湿度: 79.5%.进口压力:0.09937MPa.出口压力:0.41 MPa.工作转速: 6350r/min.轴功率: 7816KW.主轴旋转方向:从进气端看顺时针设备创造商:陕西鼓风机(集团)有限集团2、齿轮箱:型号:GJR—630—11000/4.258传递功率:10300KW.速比: 4.258输入转速:6350/1487 r/min.3、电动机:型号:YKS1000-4功率:10300KW.电压:10000V.电流:667A转速:1487r/min.效率:96.65%主轴旋转方向:从出轴看逆时针4、润滑油站容量:10000L流量:767L/min压力:0.5Mpa战速:1450 r/min×2L双联冷却器:冷却水量100×2m冷却面积:1202双联滤油器:过滤精度20um二、风机启动前的准备工作:1、启动风机前要至少2人确认好启动的是哪台风机,供几号炉使用的,是哪条送风管道,电源来自哪条路线。
2、检查送风阀门应在关闭状态, 静叶角度在22度,全开旁通放空阀和防喘阀。
以上。
3、检查油冷却器供水,水压要求在0.12Mpa5、检查油箱油位在油箱的3/4以上,启动电动油泵备用泵打到自动,检查润滑油系统是否良好。
油压在0.11MPa以上。
打开油管路旁通,检查高位油箱窥视窗是否有流油,检查回油管回油情况。
起机前必须关闭油路旁通。
6、手动挂档启动盘车,子细监听、检查机缸内和变速器内有无磨擦、碰撞以及其它异样声音。
如有,则应揭缸检查。
7、检查所有仪表、启动联锁、停机联锁等功能是否正常。
检查机组所有现场监测一次仪表、二次仪表远传接口是否安装就位。
8、与有关人员联系如:调度室、高炉主控室、变电站、净环、电工等准备启动风机。
三、启动条件和步骤:2、 启动条件满足,启动待命提示框变为绿色时,可点击允许启动按钮,控制器将向高压系统发出允许启动信号,高压系统收到信号后,可以操作主机电启动。
目录一、轴流压缩机的发展概况二、轴流压缩机的基本工作原理三、机组的自动调节及保安系统四、轴流压缩机选型五、轴流压缩机与管网联合工作六、轴流压缩机配套辅机设备七、其他一、轴流压缩机的发展概况在十九世纪,轴流式鼓风机已应用于矿山通风和冶金工业的鼓风。
但限于当时的理论研究和工业水平还比较落后,这种风机的全压只有10~30mmH2O,效率仅达15~25%。
1853年都纳尔(Tournaire)向法国科学院提出了多级轴流式压缩机的概念。
1884年英国C.A.帕森斯(Parsons)将多级反动式透平反向旋转,得出了第一台实验用轴流式压缩机,但效率很低。
二十世纪初期,帕森斯制造了第一台轴流式压缩机,19级,流量85m3/min,压力12.1kPa·G,转速4000r/min,效率约60%。
由于效率低,故轴流式压缩机未能成功地推广应用。
从二十世纪三十年代开始,由于航空事业发展的需要,对航空燃气轮机进行了大量的理论和试验研究,特别是对轴流式压缩机的气体动力学的理论研究和平面叶栅吹风的实验研究,使轴流压缩机的理论和设计法不断完善,效率提高到80~85%。
从四十年代开始,轴流式压缩机已广泛应用于航空燃气轮机中,迄今仍占有很重要的地位。
现代轴流式压缩机的效率可高达89~91%,甚至更高。
瑞士尔寿(SULZER)公司是世界上轴流压缩机设计制造技术的先进代表。
1932年尔寿公司制造了世界上第一台增压锅炉使用的工业轴流压缩机,1945年尔寿公司制造了第一台轴流式高炉鼓风机,其流量为1200~1800m3/min,压力为78775~142179Pa(G),转速为5200r/min,功率为3900kW,由电动机驱动。
此后轴流式高炉鼓风机逐渐被采用,多为固定静叶式,由汽轮机驱动,通过改变汽轮机的转速来调节高炉使用工况。
这种压缩机的缺点是稳定工作区较窄,而且在部分负荷时压缩机的效率比较低。
为了改善变工况时压缩机性能,瑞士BBC公司(尔寿公司前成员之一)研制了静叶可调机构,并于1960年制造出第一台静叶可调轴流式高炉鼓风机。
其优点是在压力不变的情况下,流量围较宽而且变工况运行时效率降低不多,因而在大型高炉鼓风机中得到广泛应用。
静叶可调机构的主要问题是解决静叶支承轴承的可靠性和耐用性。
BBC 公司采用了特殊的墨轴承,在200℃的条件下进行了5×106次转动试验,轴承磨损只有18微米。
按每小时转动25次计算,轴承寿命可达20万小时,如果每年工作时间按8000小时计算,可使用25年以上,故可认为是足够可靠耐用的。
随着世界各国氧气炼钢的飞跃发展,轴流压缩机在大型空气分离装置中亦获得了广泛应用。
六十年代初期,日本日立公司在10000Nm3/h的制氧机装置中采用了轴流压缩机,其空气流量为1083Nm3/min,出口压力为6.03bar(G),功率为6300kW,压缩机为双缸,气缸间设有中间冷却器。
近代制氧机装置中的空气压缩机多采用轴流式加离心式的复合式机型,如瑞士尔寿公司的等温压缩机ARI型和德国GHH公司的AGR、AKF型。
静叶可调轴流压缩机具有效率高、适于大中流量和工况调节围宽等特点,除了高炉、空分装置、炼油厂催化裂化装置、大型风源风洞、各种燃气轮机等传统用途外,随着油、化工等行业的发展而不断扩大新的应用领域,如热压缩装置、液化天然气装置、制药及动力装置等。
在能源日益紧缺的今天,世界各国把节能做为一项重要工作来不断开发新技术和新工艺,其中电站增压流化床燃气/蒸汽联合循环发电装置(PFBC-CC)已从试验进入实用阶段,轴流压缩机做为增压锅炉主风机得到推广应用。
大型钢铁厂为提高综合热效率,也成功地研制了高炉煤气单燃气燃烧综合循环发电装置(CCPP),其中的煤气压缩机采用了轴流压缩机。
另外,以前300~700m3高炉鼓风机多采用效率较低和工况调节围较窄的离心式鼓风机,由于轴流压缩机效率高、能耗低,以及没有放风损失,没有进口节流调节时压力损失等优点,现已开始广泛推广应用取代离心式压缩机。
我国的轴流压缩机发展起步较晚,也是从燃气轮机中的压缩机研究开始起步的,到20世纪六十年代未期第一台试制成功,1970年开始投运。
该轴流压缩机为全部静叶固定,效率约为85~86%。
1979年鼓风机(集团)有限公司从已有五十多年轴流压缩机生产历史、具有世界先进水平的瑞士尔寿兄弟有限公司引进了轴流压缩机的专利和技术秘密,包括试验研究、气动设计、结构设计、强度计算、产品图纸、工艺文件、工装图纸、质量控制、检验文件、技术标准和设计与工艺等的全新计算机软件,为中国的轴流压缩机设计制造技术的发展揭开了新篇章。
通过对尔寿轴流压缩机技术的消化、吸收、掌握、改进,到1986年完全实现国产化,设计、制造、加工水平完全符合国际有关通用标准以及用户的技术规,实现了替代进口的目标并销往国外,先后为冶金、油及化工、电站、制药和风洞试验等行业设计制造了140多台套轴流压缩机产品。
目前,陕鼓集团已成为国唯一独立设计、制造全静叶可调轴流压缩机的企业,其轴流压缩机技术处于国际先进水平,并为我国轴流压缩机的发展和设计应用起到了巨大推动作用。
二、轴流压缩机的基本工作原理1、典型结构一台全静叶可调轴流压缩机主要由机壳、转子、叶片承缸、调节缸、进口圈、扩压器、轴承等组成。
a、机壳:又称外缸,即为支承部件(如叶片承缸、调节缸等)之用,又辅助作为进气、排气蜗室。
b、调节缸:又称中缸,通过轴向移动改变静叶角度,从而改变压缩机的工作工况。
若为静叶固定型轴流压缩机,则无调节缸。
c、叶片承缸:又称缸,支承静叶,又作为气体在压缩过程中气流通道。
d、转子:是压缩机的最重要部件,转子上装有多级动叶。
通过转子的高速旋转来提高气体压力。
e、进口圈:又称收敛器,它使气流逐渐均匀和适当加速。
f、扩压器:它将压缩气体中一部分动能进一步有效转达化为压力能。
g、轴承:支撑压缩机转子用。
包含支承轴向(径向)和轴向推力轴承。
图2-1 轴流压缩机典型示意图2、轴流压缩机的工作过程一级动叶与紧跟其后的一级静叶构成轴流压缩机的一个级。
这种首尾相接、串联而成的各个级构成轴流压缩机最主要的工作部分,既压缩机的通流部分。
轴流压缩机的整个流道由进气管、进气蜗室、进口圈、进口导流叶片、通流部分、扩压器、排气蜗室、排气管组成。
其过程是:①气流首先通过进气管进入进气蜗室。
气体在进气蜗室中的流动不均匀。
②由进气蜗室进一步流入进口圈(又称收敛器),气流逐渐轴向均匀流动,并适当加速。
③进口圈后是第0级进口导叶(又称进气导流器),气流经过导叶后更加均匀并以一定的速度和向进入第一级动叶和后面的通流部分。
④当气流通过最后一级动叶和最后一级静叶后进入扩压器。
扩压器的作用为将大部分动能进一步转化为压力能,提升压力。
⑤从扩压器出来的高压气体进入排气蜗室,改变向流至排气管处。
⑥通过与排气法兰连接的管道送入工艺系统供风。
气体流经高速旋转的动叶时,动叶将机械能转变为气体的压力能和动能,从而提高了气体的压力和速度。
在能量转变过程中有少部分机械能通过其它损失式转变为热能,故压缩过程中气体温度会逐渐提高。
气流流经静叶时,一面将部分动能进一步转化为压力能,起到扩压作用,另一面将气体以一定速度和向引入下一级动叶。
通过一级气体的压力提高了。
对于一般固定式轴流压缩机叶栅,其单级压比通常为1.1~1.25。
故一台轴流压缩机往往是通过多级的串联工作达到所需要的压力。
轴流式压缩机的命名缘于气体在逐级压缩过程中基本是沿轴向向流动的三、机组的自动调节及保安系统为了满足工艺系统的要求和保证机组安全可靠运行,机组设置了以下调节及自动保护系统。
1、轴流压缩机的防喘振调节压缩机工作时,如果工艺系统管网阻力增加,使压缩机出口压力增高,流量下降,叶片气流冲角增大,这样在叶片背面产生气体分离,形成脱离区,使压缩机出口压力突然下降,一般随着压力下降分离消失,压力再升时这种分离反复发生形成喘振。
重时还会出现气体的倒流。
喘振使叶片产生强烈振动,并使压缩机机壳温度急剧升高,持续下去就会使压缩机损坏。
为了防止喘振的发生,在压缩机出口设置了两个防喘振调节阀,根据实测的喘振线标定防喘振阀的放风线进行防喘控制。
实际操作中根据压缩机喉部压差确定的流量和出口压力,在接近排放线时,使防喘振阀打开,增加风机出口流量,从而保证压缩机在安全区域运行。
2、压缩机的逆流保护逆流保护是压缩机喘振的第二道保护措施,如果防喘振系统失灵,逆流保护可使压缩机迅速进入安全运行。
如逆流继续存在机组则紧急停机。
3、机组的监测保护为了保证机组的安全运行,机组设置了润滑油压力、动力油压力、机组振动、轴位移等一系列监测保护。
另外机组还设置了整套的逻辑程序控制系统,完全由计算机程序控制来保证机组的安全运行。
4、润滑油系统润滑油站为三机组,提供润滑油。
油站采用两台电动油泵互为主辅油泵。
采用双联冷油器和过滤器,均为一台工作,一台备用。
5、动力油系统动力油站是为轴流压缩机静叶可调装置中的伺服马达提供所需的动力油。
油站是选用两台恒压变量轴向柱塞泵,两台泵互为备用。
油站配有两台滤油器和一台冷油器。
油站选用两个蓄能器并配备一套充氮工具,以便在突然停电时,将静叶关小到最小角度。
油站中油箱和油管路均采用不锈钢材料。
油站配有一个就地检测仪表盘。
四、轴流压缩机选型1、轴流压缩机与离心压缩机的比较由于轴流压缩机气体压缩过程的流道短且简单,气体转向变化小,基本是沿轴向流动,离心压缩机压缩气体的流道长且有较多的急剧转弯,因而轴流压缩机损失小,效率高。
另外,轴流压缩机的叶栅在空气动力学面的理论研究和试验工作相对比较充分,试验数据和设计法比较成熟,所以轴流压缩机效率通常比离心压缩机高8%~10%。
压缩相同容积的气体时,具有复杂流道的多级离心压缩机机器尺寸比轴流压缩机大的多,重量重成本高。
因而离心压缩机适合于中、小流量的场合,轴流压缩机适合于中、大流量的场合。
轴流式压缩机:适合于大、中流量,中等压力围,流量在950m3/min 以上,一般流量越大越好,但一般受压缩机结构限制,单台最大流量一般小于17500m3/min;压比一般适合于2.5~7.2。
当流量较大时,可采用两台轴流并联式;当压力较低可采用特殊结构;当压力更高时,可采用一台轴流与一台离心或一台轴流串联式。
采用全静叶可调式轴流压缩机,调节工况围宽,不用放风运行,效率高,比离心式压缩机效率高10%左右,省功节能,噪音低。
离心式压缩机:适合于1000m3/min以下流量,单缸离心压缩机一般允压比小于9,压比再大可采用一台多缸串联式离心式压缩机。
离心压缩机效率低,能耗大;调节工况围窄,在较多情况下存在放风损失;采用进口节流调节,存在压力损失,噪音大,但技术简单,造价低。
我国在50~80年代由于轴流压缩机技术落后,在流量1000m3/min到3000m3/min或4000m3/min 以下多采用离心式压缩机,如K3250、K4250、0-2700、AK1300等。