钳工实训教案(1)安全文明生产
- 格式:doc
- 大小:996.74 KB
- 文档页数:7
钳工实训项目教学指导书保康职教中心2016项目一:安全教育一:教学要求了解钳工工作场地。
了解钳工常用设备的操作、保养。
熟悉钳工实习场地的规章制度及安全文明生产要求。
二:钳工入门知识1、钳工工作场地的合理组织:①合理布局主要设备:钳工工作台应放在光线适宜、工作方便的地方。
面对面使用钳工工作台时,应在两个工作台中间安置安全网。
砂轮机、钻床应设置在场地的边缘,尤其是砂轮机一定要安装在安全、可靠的位置。
②正确摆放毛坯、工件:毛坯和工件要分别摆放整齐,并尽量放在工件搁架上,以免磕碰。
③合理摆放工具、夹具和量具:常用工具、夹具和量具应放在工作位置附近,取用方便,不应任意堆放,以免损害。
工具、夹具、量具用后应及时清理、维护和保养,并且妥善防置。
④工作场地应保持清洁:训练后应按要求对设备进行清理、润滑,并把工作场地打扫干净。
2、安全文明生产(1)安全文明生产一般要求:①工作前按要求穿戴好防护用品。
②不准擅自使用不熟悉的机床、工具和量具。
③右手取用的工具放在右边,左手取用的工具放在左边,严禁乱放乱堆。
④毛坯、半成品应按规定堆放整齐,并随时清除油污、异物等。
⑤清除切屑要用刷子,不要直接用手清除或用嘴吹。
⑥使用电动工具时,要有绝缘防护和安全接地措施。
(2)钳工工作台安全要求:①操作者站在钳工工作台的一面工作,对面不允许有人。
如果对面有人必须设置密度适当的安全网。
钳工台必须安装牢固,不允许被用作铁砧。
②钳工台上使用的照明电压不得超过36∨。
③钳工台上的杂物要及时清理,工具、量具和刃具分开放置,以免混放损坏。
(3)台虎钳使用的安全要求:①夹紧工件时要松紧适当,只能用手扳动手柄,不得借助其他工具加力。
②强力作业时,应尽量使力朝向固定钳身。
③不许在活动钳身和光滑平面上敲击作业。
④对丝杠、螺母等活动表面应经常清洗、润滑,以防生锈。
⑤钳工台装上台虎钳后,钳口高度应恰好齐人的手肘为宜。
(4)钻床使用的安全要求:①工作前,对所有钻床和工具、夹具、量具要进行全面检查,确认无误后方可操作。
教案
授课班级汽修29 30 31 32班授课时间2014.2.23---2014.2.28 使用教材金属加工实训---钳工实训
课题钳工安全操作规程课型复习旧知
教
学
理
念
树立“安全第一,文明生产”的学习观念。
教学目标【知识目标】通过本章节的学习让学生了解文明生产的重要性。
【能力目标】学生能够自觉的遵守安全操作规程,养成文明生产的良好习惯。
【情感目标】通过学习让学生明白安全操作对自身的重要性。
教学重点安全操作规程的讲解
教学难点文明生产的诸多细节
教学时间、时数3课时教学手段视频,图片和口头讲述学生学习方法听老师讲述
使用教具DVD,电视,照片
教学准备安全事故案例
教
学
过
程
一.放一段由于违规安全操作引发的事故案例和图片。
视频:。
、试述钳工实训安全文明生产以及注意事项。
1、自觉遵守实习纪律和安全操作规程,使操作规范化、标准化。
2、上班时应穿戴好工作服、工作鞋和套袖等,女生要戴工作帽,将头发或辫子扎入帽内。
3、工量具应摆放在取用方便的位置,左手用的放在虎钳左边,右手用的放在虎钳右边,各自排列整齐,且不能伸到钳台以外。
4、在钳台上夹紧工件时,不得用手锤敲打台钳的螺丝扳杆,也不得用过重过大的锤敲击被夹的工件。
5、操作前应检查工件的装夹是否正确与牢固。
6、使用电动工具时要有绝缘防护和安全措施。
使用砂轮时,不允许身体正对砂轮,一般应戴防护眼镜。
7、使用钻床时,头部和身体不能与钻头靠得太近。
在钻削过程中,严禁带手套操作,以防手被卷入造成伤害。
8、在锉削工件时,必须带好防护眼镜和手套。
锯割工件时,工件必须牢固地固定在台钳的右侧,以防锯条折断伤人。
9、不允许直接用手清除切屑,也不许用嘴吹。
10、毛坯和加工零件应放置在规定位置,排列整齐平稳,要保证
安全,便于取放,并避免碰伤已加工表面。
11、爱护设备、工、量具。
量具不能与工具混放在一起,不能把工具或工件压在量具上,量具用完后,要用纱布抹干净并放回量具盒内。
实训项目一钳工实训安全文明生产---------------------------------2 实训项目二钳工入门---------------------------------------------------4 实训项目三零件加工------------------------------------------------------6 任务一制作凸形块-------------------------------------------------6 任务二制作多样板-------------------------------------------------9 任务三制作E字板------------------------------------------------11 任务四制作工形板------------------------------------------------14 任务五锉配凸凹体------------------------------------------------16 任务六V形镶配---------------------------------------------------20 任务七制作錾口榔头---------------------------------------------23 任务八直角对配---------------------------------------------------26 实训项目四拓展训练-------------------------------------------------28 任务一2012年绵阳市中等职业技术学校钳工技能大赛试题--28 任务二燕尾配合---------------------------------------------------------31 任务三2013年绵阳市中等职业技术学校钳工技能大赛试题--33 任务四技工学校技能竞赛---------------------------38任务五考级图纸---------------------------------------------------------39实训项目一钳工实训安全文明生产一、安全须知1.实训时应穿工作服和合适的鞋,女同学应将头发或辨子扎起来;2.握锤时不得戴手套,否则,锤子很容易飞出,锤头、锤柄、錾尖不得有油,挥锤前要环视四周,以防伤人;3.锯条不能装得太松或太紧,否则容易折断伤人;4.清理加工中产生的铁屑与粉尘不能用嘴吹;5.禁止用工具、量具敲击工件和其它物体,以防损坏其使用精度;6.台钻上钻孔时,不准戴手套,铁屑不准用手拉、用口去吹;7.钳工室内台钻和砂轮机未经老师同意,不得擅自使用;8.不得穿拖鞋进钳工室,以防铁块掉落砸伤和铁屑刺伤;9.在实习期间不得用工具、工件当“武器”玩;10.锯条、铁块等与实习有关的物品不能带出钳工室。
钳工实训教案示例一、教学目标(一)知识掌握点1.掌握钳工基本工艺的特点和应用,以及所用工具的构造、材料、和特点。
2.熟悉装配的概念,简单部件的装拆方法。
3.了解钳工的实质、特点以及在机械装配和维修中的作用。
4.了解刮削、扩孔、绞孔和鑒削的加工方法和应用。
(二)能力训练点1.熟练掌握钳工基本工艺的操作方法。
2.独立完成含有划线、锯削、锂削、钻孔、攻螺纹和套螺纹的钳工作业件。
3•基本掌握刮削、扩孔、绞孔和鑒削等工艺的操作方法。
(三)素质培养点1.培养学生养成安全文明生产的习惯。
2.为学生塑造良好的工程环境,如同真正的工厂生产车间,使学生明确机械零件生产的一般过程和加工过程中应注意的问题。
3.培养学生质量第一的观念。
二、大纲重点、学习难点及化解办法1 •大纲重点(1)掌握钳工基本工艺的特点和应用,以及所用工具的构造、材料特点。
(2)熟练掌握钳工基本工艺的操作方法。
2.学习难点:锯割、锂削等操作方法的掌握。
3 •难点化解办法:(1)指导教师多动口、多动手,耐心指导每一位学生。
(2)给学生大量的实践时间,多进行实际操作,在实践过程中总结出规律和技巧。
(3)接触不同的材料,制作难易不同的工件,让学生在乐趣中熟能生巧。
三. 教学计划[设计说明]1.在学生们的思想意识中,钳工实习最苦、最累、也最枯燥,因此,在教学计划安排上应灵活多变, 不应一味地讲或一味地干,而是把两者有机地结合起来。
2•实习零件的安排计•划应山易到难,山轻松到逐步加大工作量,学生们即容易理解,也能够接受。
3 •在实习零件的选择上,即要考虑能体现钳工工作的特点,乂要保证加工出的零件外形能美观且实用,以使学生们对工件本身产生浓厚的兴趣,从而达到理想的实习效果。
五、教学过程单元1 钳工入门[导入]首先我代表钳工训练室欢迎※※班同学来钳工实习。
接下来我向大家介绍一下我们训练室的基本悄况和实习时间、内容安排及要求。
实习时间:5天;实习内容:了解钳工概念及工作范圉,掌握钳工的基本操作技能。
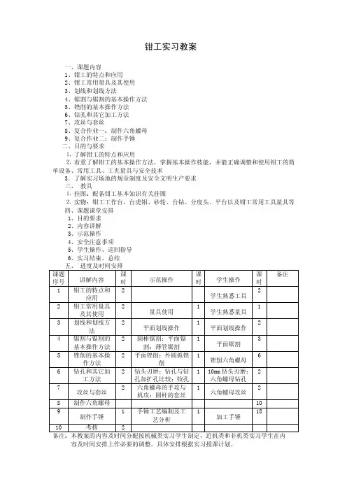
钳工实习教案一、课题内容1、钳工的特点和应用2、钳工常用量具及其使用3、划线和划线方法4、锯割与锯割的基本操作方法5、锉削的基本操作方法6、钻孔和其它加工方法7、攻丝与套丝8、复合作业一:制作六角螺母9、复合作业二:制作手锤二、目的与要求⒈了解钳工的特点和应用⒉着重了解钳工的基本操作方法,掌握基本操作枝能,并能正确调整和使用钳工的简单设备、常用工具、工夹量具与安全技术3.了解实习场地的规章制度及安全文明生产要求三、教具⒈挂图:配备钳工基本知识有关挂图⒉实物:钳工工作台、台虎钳、砂轮、台钻、分度头、平台以及钳工常用工具量具等四、课题课堂安排1、目的要求2、内容讲解3、示范操作4、安全注意事项5、学生操作、巡回指导6、实习结束、总结容及时间安排上作必要的调整。
具体安排根据实习授课计划。
课题一钳工概述一、讲解提纲⒈钳工加工的特点(1)手工操作(2)冷加工(3)加工灵活、操作方便⒉钳工的常用设备(1)钳桌(2)台虎钳(3)砂轮(4)台钻(5)分度头(6)平台及钳工常用工具⒊钳工的基本操作方法(1)划线(2)锯割(3)锉削(4)钻孔(5)攻丝套丝(6)錾削(7)刮削(8)研磨⒋钳工的应用范围(1)装配钳工(2)修理钳工(3)工具钳工(4)模具钳工⒌钳工的安全操作技术(1)安全生产(2)文明生产(3)安全操作规程在实习过程中,如果不遵守工艺操作要求(规程),或缺乏一定的安全知识,很容易发生机械伤害、触电、烫伤等工伤事故,安全生产的基本内容就是安全。
人是生产中的决定因素,而设备是生产手段。
没有人和设备的安全,生产就无法进行,特别是人的安全尤为重要,不能保证人的安全,设备的作用就无法发挥,生产也就不能顺利的、安全的进行。
实习中的安全技术有冷热加工和电器安全技术。
①热加工一般指铸造、锻造、焊接和热处理等工种,其特点是生产过程中常伴随高温、有害气体、粉尘和噪声等严重恶化的劳动条件。
热加工工伤事故中,烫伤、喷溅和砸碰伤害约占事故中的70%,应引起高度重视。
《钳工》实训方案2013年9月1日高唐县职业教育中心学校《钳工》实训方案随着机械制造业的不断发展,机械制造领域对技能人才的需求愈显紧缺,各职业学校更加重视对学生的技能培养和培训工作.而钳工技术作为机械,机电等专业人才不可缺少的基础性技能,在职业学校的机械类专业技能培养中占有非常重要的地位。
我校作为以机械类专业为重点的职业学校,非常重视学生钳工技能的培训工作,学生的钳工技能训练工作有序进行,为更好的配合学校钳工技能实训工作走上专业化、正规化的培养模式,通过学校钳工老师们的共同努力,为社会培养更多更优秀的具有中级及以上钳工技能人才。
一、实训目的1.正确执行安全技术规程和文明生产。
2.正确使用工、夹、量具、设备,排除常见故障。
3.看懂较复杂的装配图,测绘复杂零件图。
4.根据工件的技术要求编制加工工艺。
5.复杂形状工件的划线。
6.锉削加工平面、曲面,尺寸公差0.03mm。
7.錾削各种型面。
8.钻削复杂工件的的小孔,斜孔、深孔、多孔、对接孔、相交孔,符合图样要求。
9.按图纸要求攻螺纹、套螺纹。
10.按图纸加工工件,符合图纸技术要求。
二、实训要求1.任务下达,提出要求,学生拟定完成任务的计划或方案。
2.教师操作示范,讲述步骤、方法和注意事项。
3.学生分组,在教师的监护下进行独立操作、独立完成任务。
4.教师对任务完成情况进行考核与评价。
三、工作安排1.根据班级人数,每人一个工位,每6人一个小组,每组指定一个组长,负责组织管理工作,并能起到带头作用。
2.实训地点:钳工实训室。
3.学生在指导教师的指导下一个项目一个项目分步骤循序渐进完成实训任务。
学生在实训时一定要强调安全第一,预防为主,防止安全事故发生。
四、注意事项及安全操作规程1.用虎钳装夹工件时,工件应夹在钳口中部,以保证虎钳受力均匀。
2.夹紧工件时,不允许在手柄上加套管或用锤子敲击手柄,以防损坏虎钳丝杆或螺纹。
3.铅直装夹工件时工件伸出钳口部分不要过高,以免加工时产生振动。
高职技能-工具钳工技能实训课教案
⑵在学习完以上的规范和要求后,请学生在同步工作页中的安全教育学习内容中抄录以上的学习内容,并署名,以示明白了实训的有关规定,为后续的实训做好准备。
计划与决策一、《学生实训行为规范》
详细条款见PPT
二、《7S要求细则》
详细条款见PPT
三、《工具钳工安全操作规程》
详细条款见PPT
学习
与
记录
实施
通过以上的各种规程和规范的学习,学生已经有了一个初步的印象,现在将学生按操作
工位进行分组,在工位上结合工种的特点和以往发生的安全事故进行安全意识的再加深和
再强调。
技能摸底测试:
聆听
思考
检查与评估⑴检查学生以上3项规定的抄录和署名情况;
⑵现场抽取部分同学进行安全相关内容的现场问答,根据同学的回答情况,进行集体交流。
⑶同时结合PPT给出的不同实训操作场景,让学生来评议是否存在违规现象。
正确的操作
规范应该是怎么样的。
进一步加深同学的安全意识和安全印象。
引导
评价
实训
结束按7S要求打扫岗位卫生,记录设备运行情况,并将完成的同步工作页上交。
协作
自查
课后反思。
钳工实习教案一、实训目标1、培养学生热爱本工种,增强安全生产和质量意识,具有良好的职业道德。
2、培养学生全面牢固地掌握本工种的基本操作技能、技巧。
(1)能够完成本工种中级技术等级工作的技术操作。
(2)能使用、调整和维护保养本工种的主要设备,正确使用工、夹、量具。
二、实训目的钳工实习培养学生的观察和动手能力,为学生进入专业学习打下了一定的基础。
因此,钳工实习应使学生达到如下目的:1、了解钳工常用工具、量具的名称、规格、用途、使用和维护保养知识;2、正确使用钻床、砂轮机、虎钳等设备,了解这些设备的安全操作及维护保养知识;3、掌握平面划线及立体划线的基本知识,完成平面划线和简单的立体划线;4、掌握錾、锉、锯、钻铰孔等基本操作技能,熟知安全注意事项;5、了解一般工件的加工步骤和方法;6、培养学生的劳动观念,加强组织纪律性,树立吃苦耐牢的工作作风。
1.掌握划线工具的正确使用,明确划线步骤。
2.掌握起锯的动作要领及工件的锯削方法。
3.掌握平面及圆弧面的锉削方法。
四、实训难点划线工具的使用方法。
难点在于正确起锯的动作要领及工件的锯削方法。
采用现场教学法、实验法来突破难点。
锉削时的动作要领。
五、学生分析一年级的学生有一定的专业兴趣,学习态度也比较端正,但之前的实践机会不多,缺乏实践经验,经过此次实训能加强学生对机械行业的初步认识并有效提高同学们的求知欲望。
六、实训设计思路钳工实训采用实物教学的方法,对于各种工具教师要认真示范给学生看,并让学生亲自动手以便真正地掌握。
七、实训资源台虎钳、各种量具、划线工具、手锯、锉刀等。
八、实训安排一周时间完成一个实训项目。
(一)制作四方块58±0.0558±0.0512±0.050.050.05A C 0.05B0.05A B 0.05C0.05AAB C6处全部12.5制作四方块操作步骤:1.锉削基准平面A ,并保证精度要求。
2.以A 面为基准(划线12mm ),锉削对应面,并保证精度要求。
名师精编优秀教案
教案首页
名师精编优秀教案
名师精编优秀教案
名师精编优秀教案
优秀教案名师精编
10是固定部分的底座,是固定部分的转座,9力手柄,811是松紧小手柄。
是转座的松紧螺钉,
三)砂轮机(
它是刃磨钻头、錾子、刮刀等小刃具的专用设备,代
认真听讲,注为转铀(b)(a)是外形图,1M表示,其构造如图—5,号用讲解砂轮机结意观察3;)-磨头(砂轮片2部分。
其中,1-机身,由铸铁制成;构并讲述其应-保护罩,4-机座,5-工作台,6-轴,7-传动轮,8用-滚动轴,-注油孔,10-传动带,11-开关,下部有一
个电动机。
.
优秀教案名师精编
名师精编优秀教案。
钳工实训教案安全文明生产第一章:安全文明生产的认识1.1 了解安全文明生产的意义解释安全文明生产的概念强调安全文明生产在钳工实训中的重要性1.2 掌握安全文明生产的基本要求介绍安全帽、防护眼镜、耳塞等个人防护装备的正确佩戴方法讲解实训现场的安全通道、消防设施、警示标志的使用和意义1.3 学习安全文明生产的规章制度学习实训基地的规章制度学习有关安全生产的国家标准和行业规范第二章:钳工实训安全操作规程2.1 了解钳工实训设备的安全操作要求介绍钳工实训设备的基本结构、功能和操作方法强调设备运行中的安全注意事项,如启动、停止、紧急停机等2.2 掌握钳工工具的安全使用方法介绍钳工常用工具的名称、用途和特点讲解工具使用中的安全注意事项,如正确握持、力度控制等2.3 学习钳工操作过程中的安全风险防范措施分析钳工操作中的潜在安全风险讲解安全风险的预防和应对方法,如避免手部伸入危险区域、使用防护罩等第三章:文明生产与环境保护3.1 了解文明生产的要求讲解实训现场的环境卫生要求强调个人卫生习惯的养成3.2 掌握环境保护的知识介绍环境保护的基本概念和原则讲解钳工实训中环境保护的具体措施,如垃圾分类、废水处理等3.3 学习节能减排的理念讲解节能减排的重要性分享节能减排的成功案例和经验第四章:应急预案与事故处理4.1 学习应急预案的编制与实施介绍应急预案的基本内容和要求讲解应急预案的启动、处置和终止过程4.2 掌握事故报告和调查处理程序讲解事故的报告时限、方式和内容介绍事故调查组的人员组成、调查方法和处理原则4.3 事故预防与应急处置分析常见事故的原因和教训讲解事故预防的措施和应急处置方法第五章:安全文明生产实训实践5.1 开展安全文明生产实训组织学生参加安全文明生产实训活动指导学生严格遵守实训规程,确保自身和他人的安全5.2 安全文明生产实训评价对学生的安全文明生产实训进行评价分析实训中存在的问题,提出改进措施5.3 总结安全文明生产实训经验组织学生总结安全文明生产实训的经验和教训鼓励学生在日常生产生活中践行安全文明生产的理念第六章:安全防护设备的正确使用6.1 认识常见的安全防护设备介绍安全防护设备如安全网、防护栏杆、报警器等的结构与功能强调每种设备在钳工操作中的重要作用6.2 学习安全防护设备的正确使用方法演示如何正确使用安全防护设备强调在使用过程中应遵守的操作规程和注意事项6.3 实训中安全防护设备的检查与维护介绍实训前后对安全防护设备进行检查的重要性教授学生如何进行日常的检查与维护,确保设备处于良好状态第七章:紧急情况下的应急处置7.1 学习紧急情况下的心理调控讲解在紧急情况下保持冷静的重要性教授应对紧急情况的基本心理调控技巧7.2 紧急情况下的基本处置步骤介绍紧急情况下应采取的行动和联络程序练习紧急疏散、紧急逃生等实际操作7.3 紧急医疗救护知识教授基本的急救知识,如心肺复苏、止血包扎等强调在事故发生时及时实施救护的重要性第八章:安全文化建设的意义与实践8.1 理解安全文化的内涵探讨安全文化对企业和社会的意义强调安全文化建设在钳工实训中的重要性8.2 安全文化的实践与推广分享成功的安全文化建设案例,推广安全文化理念8.3 学生安全文化活动的策划与实施鼓励学生参与策划与实施安全文化活动通过实践活动,提高学生安全意识和自我保护能力第九章:法律法规与职业健康安全9.1 学习相关的法律法规介绍与钳工实训相关的国家法律法规和行业标准强调遵守法律法规对于保障安全生产的重要性9.2 职业健康安全知识讲解职业健康安全的基本知识和预防措施强调在工作中保护自身和他人健康的重要性9.3 法律法规的执行与监督讨论如何在钳工实训中执行法律法规介绍监督机制和举报渠道,鼓励合规行为第十章:安全文明生产的全过程管理10.1 安全生产的组织与管理讲解安全生产的组织结构和职责分工强调安全生产管理的重要性10.2 安全生产计划的制定与实施介绍如何制定安全生产计划教授计划的执行和监控方法10.3 安全生产的持续改进强调安全生产反馈机制的建立讨论如何通过事故分析、安全检查等手段进行安全生产的持续改进重点和难点解析第一章的安全文明生产认识环节,因为这是学生对整个安全文明生产知识体系建立基础的关键环节。
钳工操作实训教案一、实训目的与要求1. 实训目的(1)了解钳工基本操作流程,掌握钳工基本技能。
(2)培养学生的动手能力、观察能力和创新能力。
(3)强化安全意识,提高学生遵守操作规程的能力。
2. 实训要求(1)学生应提前了解钳工基本知识,掌握相关操作流程。
(2)学生必须穿着整齐的实训服,佩戴安全帽、手套等防护用品。
(3)严格遵守实训纪律,听从指导教师安排,不得擅自操作设备。
二、实训内容与步骤1. 实训内容(1)钳工基本操作:锯割、锉削、钻孔、扩孔、铰孔、螺纹加工等。
(2)常用钳工工具的使用与维护。
(3)钳工工艺规程及质量评定。
2. 实训步骤(1)指导教师讲解钳工基本操作流程及注意事项。
(2)学生分组进行实训,每组选定一名组长负责组织纪律和安全管理。
(3)学生按照指导教师的要求,逐步完成各项实训任务。
(4)指导教师对学生的操作进行检查、指导,纠正不当操作。
(5)实训结束,学生清理现场,报告实训成果。
三、实训考核与评价1. 考核内容(1)学生实训过程中的操作技能。
(2)学生对钳工工艺规程的掌握程度。
(3)学生的团队协作能力和安全意识。
2. 评价方法(1)指导教师根据学生实训过程中的表现进行评分。
(2)设置实训成果评分标准,对学生的作品进行评价。
(3)结合学生自评、互评,全面评估学生的实训效果。
四、实训安全与防护1. 安全要求(1)学生必须严格遵守实训纪律,服从指导教师安排。
(2)操作设备时,必须按照规程进行,不得擅自调整设备参数。
(3)实训过程中,不得随意离开工作岗位,如需离开,应向指导教师报告。
2. 防护措施(1)学生应穿戴整齐的实训服,佩戴安全帽、手套等防护用品。
(2)实训现场应保持整洁,通道畅通,避免发生意外事故。
(3)指导教师应随时关注学生实训情况,发现安全隐患及时排除。
五、实训建议与总结1. 建议(1)提前为学生提供充足的实训材料和工具,确保实训顺利进行。
(2)指导教师应具备丰富的实训经验,能够及时解答学生的问题。
钳工实训教案教学过程教师活动学生活动提出问题:锉削在机械加工和生产中的作用是什讨论教师提出的°左右,右肘尽可能收缩到后方。
最初三分之一行程时,身体逐渐前倾到15°左右,使左膝稍弯曲;其次三分之一行程,右肘向前推进.同时身体4、两手施力变化(见图)三、分散指导巡回检查,个别指导。
讲解钢丝刷和毛刷的作用和使用方法。
、安全文明生产习惯的培养。
、正确锉削姿势的再次演示。
、正确锉削姿势习惯的培养。
徒手作锉削姿势练习。
课后摘记11数控班钳工实训教案教学过程教师活动学生活动锉削姿势的重复演示,重申安全文明生产要点。
提醒学生注意两手施力变化时要保持锉刀的平衡和运动平直。
注意身体变化和手握锉刀的运动保持协调。
平面度、垂直度的测量方法讲解和示范检测方法:在锉削平面时,要经常检查工件的锉削表面是否平整,一般用钢皮尺或直角尺通过透光法检查,将尺紧贴工面,沿纵向、横向、两对平面度、垂直度和表面粗糙度的控制方法。
平面度、垂直度和表面粗糙度的加工控制心得。
课后摘教学过程教师活动学生活动讲解:、安全文明生产和锉削姿势注意事项。
选择与已加工表面相对垂直的面作为加工表面多项形位公差要求平面的加工顺序:粗锉—与正确选择本课题的待加工表面;论如何合理安排本课题加工工序。
教学过程教师活动学生活动示范讲解:划线工具的作用和正确使用(平板、V 型铁、高度游标、钢皮尺、划针等)随教师示范作相应动手实践。
布置学生根据上道工序所完成的工件,检查各自工件尺寸是否符合图纸要求。
、选择并确定划线基准确定划线基准并检查工件尺寸是否符合图纸要求。
示范讲解:如何找正和借料。
有需要找正和借料的学生进行。
根据图样实际要求,合理选择划线工具,使划出的加工线清晰、准确。
平面划线的操作心得。
教学过程教师活动学生活动巡回检查学生操作情况。
锯割时的姿势有两种:一种是直线往复运动,适用于锯薄形工件和直糟;另一种是摆动式操作方法,两手动作自然.不易疲劳,切削效率高。
《钳工工艺》实训一体化课程教案金工(钳工)实训任务书任课教师签名:年月日评分标准及得分任课教师签名:年月日《钳工工艺》实训一体化课程教案知识链接一、常用量具的使用钳工基本操作中常用的量具有钢尺、刀口形直尺、内外卡钳、游标卡尺、千分尺、直角尺、万能量角器、厚薄规、百分表等。
要学会正确的使用和保养。
(一)游标卡尺的读数及使用方法游标的小数部分读数方法是:首先看游标的哪一条线与尺身刻线对齐;然后把游标这条线的顺序数乘以游标读数值,就得出游标的读数。
即:游标的读数=游标读数值X游标对齐刻线的顺序数可分三步:1.先读整数——看游标零线的左边,尺身上最靠近的一条刻线的数值,读出被测尺寸的整数部分;2.再读小数——看游标零线的右边,数出游标第几条刻线与尺身的数值刻线对齐,读出被测尺寸的小数部分(即游标读数值乘其对齐刻线的顺序数);3.得出被测尺寸——把上面两次读数的整数部分和小数部分相加,就是卡尺的所测尺寸。
(二)万能角度尺的读数及使用方法1.游标万能角度尺的结构主要由主尺1.游标2和扇形板3等组成,如图示。
扇形板3与游标2固定为一体,可在主尺1上回转,测量工件的角度。
90º角尺5和直尺6同时用支架4连接并固定在扇形板3上,也可分别固定在扇形板3上,随游标2回转移动,对工件进行角度测量。
2.游标万能角度尺的工作原理游标万能角度尺主尺的刻线每格1º,分度值为2´的游标刻线是将主尺上29º所占的弧长等分为30格,则游标上每格刻线的角度为29º/30即58´,与主尺每格的角度差即分度值为2´。
根据产品被测部位的情况,先调整好角尺或直尺的位置,用卡块上的螺钉把它们紧固住,再来调整基尺测量面与其它有关测量面之间的夹角。
测量时应先校准零位,万能角度尺的零位,是当角尺与直尺均装上,而角尺的底边及基尺与直尺无间隙接触,此时主尺与游标的“0”线对准。
[调整好零位后,通过改变基尺、角尺、直尺的相互位置可测试0-320°范围内的任意角,测量工件时,要根据所测角度适当组合量尺。
教案首页
它是钳工操作的专用案子,有一人用和多入用的两种。
图—2是一人用的工作台,用径质木材做成。
台面离地面的高度约为800*909 毫米,台面厚约60
毫米。
虎钳装量在台面上,其高度恰好齐人的手肘,如图1—3。
钳台要保持清洁,各种工具、量具和工件的放置要有次序,便于工作。
介绍工作台案
上工卡量具的
分布
认真听讲
(二)虎钳
虎钳是一种装在工作台上供夹待工件用的夹具。
钳工常用的虎钳有台虎钳和手虎钳。
台虎钳又分固定式和回转式两种。
虎钳的大小是以钳口的长度来表示的。
常用的有100毫米、127毫米、150毫米三种规格,其构造如图l—
4(a)、(b)。
现以回转式虎钳为例,介绍虎钳的基本构造。
主体是铸铁制成的,分固定部分和活动部分。
固定部分1用螺钉固定在工作台上,活动部分2经导轨5滑动配合于固定部分。
在固定部分和滑动部分上端咬口处镶有淬硬的钳口铁3。
固定部分有一个砧座4,6是丝杆与内部一个螺母配合,它反正转动时带动活动部分2前后移动,7是丝杆转动加
力手柄,8是固定部分的转座,9是固定部分的底座,10是转座的松紧螺钉,11是松紧小手柄。
(三)砂轮机
它是刃磨钻头、錾子、刮刀等小刃具的专用设备,代号用M表示,其构造如图1—5,(a)是外形图,(b)为转铀部分。
其中,1-机身,由铸铁制成;2-磨头(砂轮片);3-保护罩,4-机座,5-工作台,6-轴,7-传动轮,8-滚动轴,-注油孔,10-传动带,11-开关,下部有一个电动机。
讲解虎钳结构
及应用
讲解砂轮机结
构并讲述其应
用
认真听讲,注
意观察
认真听讲,注
意观察
(四)钻床
钻床代号字母用z来表示。
其最后面位数表示钻床能卡装
钻头的最大直径。
一段台钻多用来钻12毫米以下的孔。
台钻的构造如图1—6(z 512—1型),其中1是电动机;2是头架;3是立柱;4是锁紧手柄;5是保险环;6是锁紧螺校,7是工作台;8是工作台锁紧手柄螺栓;9是螺栓,10是底座;11是皮带轮。
讲解钻床结构
并讲述其应用
认真听讲,注
意观察。