安全服务组织管理和质量保证能力情况表
- 格式:pdf
- 大小:188.42 KB
- 文档页数:10
在建项目安全管理年度检查评价表1. 评价内容1.1 在建项目安全管理状况的评价内容应包括安全管理制度和体系管理情况、施工现场安全状况单项评价及由以上两项单项评价组合而成的项目安全管理状况综合评价。
1.2 安全管理制度和体系管理情况单项评价的内容应包括安全目标的完成情况,项目安全管理组织机构的建立,安全生产费用的投入使用情况,安全教育培训执行情况,施工安全技术措施方案的制定和执行情况,设备设施的管理情况,应急管理情况,事故统计记录调查处理情况,劳务人员管理及安全绩效9个分项。
评分项目及其评分标准和评分方法应符合附表A的规定。
1.3施工现场安全状况单项评价的内容应包括现场文明施工状况,脚手架使用状况,基坑支护状况,“三宝”“四口”防护状况,临时用电和施工用电状况,起重机械使用状况,施工机具7个评分项目。
评分项目及其评分标准和评分方法应符合本标准附表B 的规定。
2. 评分方法在建项目安全管理状况单项评分符合下列原则:(1)各分项评分满分分值为100分,各分项评分的实得分应为相应分项评分表中各评分项目实得分之和。
(2)分项评分表中的各评分项目的实得分不应采用负值,扣减分数总和不得超过该评分项目应得分分值。
(3)评分项目有缺项的,其分项评分的实得分应按下式换算:遇有缺项的分项评分的实得分=(可评分项目的实得分之和/可评分项目的应得分值之和)×100(4)在评价在建项目安全管理状况时,应采用加权法计算,权重系数应符合下表:表1 权重系数表A 安全管理制度及体系管理情况检查表表B 施工现场安全管理状况检查表保护零线与工作零线混接的,扣15分不符合三级配电两级保护要求的,扣8分配电箱开关箱违反一机一闸一漏一箱的,每一处扣3-5分现场照明专用回路无漏电保护,扣8分存在私拉乱扯现象,扣10分6起重机械未按规定对安全装置的灵敏性、有效性定期检查,扣5分操作、指挥、司索人员无操作证,每发现一人,扣2分;地面铺垫措施达不到要求,扣5分有超载作业情况的,扣10分有高处作业的结构吊装未设置防坠落措施的,扣10分构件堆放不符合要求的,扣5分起重吊装作业无警戒标志,扣5分107施工机具施工机具安全防护装置不齐全,每发现一处扣2分未搭设机械作业棚,每发现一处扣2分违反操作规程,每发现一处扣5分10分项得分100。
安全服务组织管理和质量保证能力情况表广东省计算机信息系统安全服务资质认证申请书申请单位:填表日期:广东省公安厅目录填表须知申请内容企业基本情况表(表1)企业组织结构表(表2)企业近三年资产运营情况表(表3)企业负责人情况表(表4)企业技术负责人情况表(表5)企业安全服务负责人情况表(表6)企业技术能力基本情况表(表7)安全服务组织管理和质量保证能力情况表(表8)企业近三年安全服务项目汇总表(表9)企业获奖、标准和其他资质认证情况表(表10)企业在安全服务方面的发展规划(表11)企业其他情况说明(表12)审查、核准意见(13)填表须知1.仔细阅读《广东省计算机信息系统安全保护管理规定实施细则》,并按照其要求如实、详细地填写本申请书所有项目。
表13由公安机关填写,其余表由申请单位填写。
2.应按照申请书原有格式进行填写。
如填写内容较多,可另加附页。
3.须提交本申请书(含相关证明材料及其他附件)纸板一式三份,同时提交一份对应的电子文档。
要求盖章的地方,必须加盖公章。
4.除填写本申请书外,还应提交以下6个方面材料作为附件集中附后:附件1:表1要求的营业执照副本复印件;附件2:表3要求的近三年审计报告与信用等级证明材料(若无审计报告请提供加盖公章的资产负债表和损益表);附件3:表4、表5、表6要求的企业负责人、技术负责人、安全服务负责人的任职、学历、职称、安全培训、业绩证明材料复印件;附件4:表8要求的安全服务专业水平和质量保证相关文档记录;附件5:表9要求的近3年项目承接合同的复印件;附件6:表10要求的企业获奖、标准和其他资质认证相关证书。
申请内容广东省公安厅公共信息网络安全监察处:我单位正式提出计算机信息系统安全服务资质认证申请,并保证将按照计算机信息系统安全服务资质认证的要求,提供所需的所有真实信息,并配合认证活动。
1.申请服务内容□安全工程(安全方案设计、安全集成、安全维护、安全评估、安全咨询等)□电子身份认证运营□其他服务___________________________________________________________ 2.申请资质级别□一级□二级□三级□四级3.申请类型□初次申请□再次申请,第_______次申请□级别变更(原资质级别:□一级□二级□三级□四级)注意:除第一项外其余各项均为单选。
安全质量考核表(较完整)背景在任何组织中,安全和质量是至关重要的因素。
通过对安全和质量进行定期考核,可以保证组织的运作符合标准,并提供持续改进的机会。
以下是一份较完整的安全质量考核表,用于评估组织的安全和质量绩效。
考核指标1. 安全措施是否完善?2. 是否存在安全事件?若有,请列出具体事件和已采取的措施。
3. 有无违反质量标准的情况发生?请列出具体情况。
4. 是否存在质量问题?若有,请列出具体问题和已采取的措施。
5. 安全和质量培训是否充分?请列出培训计划和已经进行的培训。
考核流程1. 收集安全和质量相关的数据和文件。
2. 对考核指标进行评估,填写相应的考核表格。
3. 如果存在安全事件或质量问题,进行深入调查,并记录调查结果。
4. 根据考核结果制定改进计划。
5. 定期复查考核表,并更新记录。
考核结果分析根据考核结果,可以得出以下结论和建议:1. 如果安全措施不完善,请加强相关的措施并确保其执行。
2. 如果存在安全事件或违反质量标准的情况,请进一步调查原因,并采取适当的纠正和预防措施。
3. 如发现质量问题,请采取改进措施并进行根本性分析以防止问题再次出现。
4. 如果安全和质量培训不充分,请加强培训计划并确保员工的参与。
改进计划基于考核结果分析,我们提出以下改进计划:1. 安全和质量管理团队应加强对安全措施执行的监督和检查。
2. 建立有效的反馈机制,以便员工能够及时报告任何安全和质量问题。
3. 加强培训计划,提高员工对安全和质量的认识和理解。
4. 定期进行绩效评估,以追踪改进计划的实施效果。
5. 持续关注最新的安全和质量标准,并确保组织的符合程度。
结论安全和质量考核是确保组织正常运作和提供高质量产品和服务的重要手段。
通过执行这份较完整的考核表,组织可以识别潜在的安全和质量问题,并制定相应的改进计划,从而不断提升自身的安全和质量绩效。
酒店服务质量与安全管理持续改进年度记录本1. 引言本文档旨在记录酒店服务质量与安全管理的持续改进工作,为酒店管理团队提供准确的数据和信息。
通过分析和总结过去一年的工作情况,我们可以识别出改进的机会,制定相应的行动计划,并提升酒店的服务质量和安全水平。
2. 反馈和评估2.1 顾客满意度调查结果根据过去一年的顾客满意度调查结果,我们对酒店的整体满意度进行了评估。
结果显示,整体满意度得分为XX%,较去年提高了X个百分点。
其中,各项服务指标中,员工态度和行为得分最高,达到XX%,而设施设备的满意度得分较低,仅为XX%。
2.2 安全事故和事件统计在过去一年中,我们记录了所有发生在酒店的安全事故和事件。
总体来说,安全事故的数量有所减少,表明我们在安全管理方面取得了一些成果。
然而,我们仍然需要进一步加强培训和设备维护,以减少这些事故的发生率。
3. 改进措施和行动计划3.1 员工培训和认证计划基于顾客满意度调查结果以及安全事故统计数据,我们计划进行以下员工培训和认证计划:- 提供更全面的员工服务培训,重点培养良好的沟通技巧和服务态度。
- 加强设施设备维护人员的技术培训,确保设备的正常运行和安全性。
- 推行安全意识教育活动,加强员工对紧急情况的应对能力和安全防范意识。
3.2 设施设备改进计划为提高设施设备的满意度,我们计划执行以下改进计划:- 定期进行设施设备巡检和维护,确保设备的正常运行和安全性。
- 审查现有设施设备的使用情况,决定是否需要更新或更换设备。
- 引入新的技术解决方案,提升设施设备的功能和性能。
4. 监测和评估我们将持续监测和评估改进措施和行动计划的效果,并及时进行调整和改进。
通过定期的顾客满意度调查和安全事故统计,我们可以追踪改进的进展,并进一步提高酒店的服务质量和安全管理水平。
5. 结论通过持续改进的努力,我们相信酒店的服务质量和安全管理水平将逐步提升。
本文档记录了我们的工作成果和行动计划,为酒店管理团队提供了指导和参考。
安全管理综合评价表评价目的:本评价表用于对公司安全管理制度进行综合评估,以发现潜在风险并提出改进建议。
评价内容:1. 安全管理制度 - 评估公司是否建立了完善的安全管理制度,并检查其与国家法律法规的符合程度。
2. 人员培训与意识 - 评估公司是否为员工提供了必要的安全培训,并了解员工对安全管理的重视程度。
3. 设备与工具 - 评估公司在安全设备和工具方面的投入,包括其完善性、使用情况和维护频率。
4. 安全演练 - 评估公司定期进行的安全演练,并提供相应的记录和总结。
5. 事故管理与应急预案 - 评估公司在事故管理和应急预案方面的准备情况,包括是否有完善的应急预案和相应的应急设备。
6. 安全责任 - 评估公司领导层对安全管理的重视程度和安全责任的分工情况。
评价方法:1. 文件审核 - 审查公司的安全管理文件,包括安全制度、安全标准和安全操作规程。
2. 现场调查 - 实地考察公司的安全管理情况,包括人员培训、安全设备和工具的使用情况。
3. 访谈 - 与公司相关员工进行面谈,了解他们的安全培训情况和对安全管理的态度。
4. 现场演练观察 - 参与或观察公司的安全演练,评估其有效性和员工的反应情况。
评价结果:根据以上评价内容和方法,对公司的安全管理制度进行评估,形成评价报告,详细列出潜在风险和改进建议。
评价报告可用于指导公司的安全管理工作,提升安全管理水平。
评价报告编制人员:评价报告由安全管理专家进行编制,确保评价结果的客观性和准确性。
以上为《安全管理综合评价表》的内容。
评价标准可以根据实际情况进行调整和补充。
希望本评价表能对公司的安全管理工作提供参考和指导。
工作安全及品质可靠度分析表
作业名称: JSRQA –TianMa N2 purifier retrifit project 页page
制订日期: 2013-12-18JSQRA# P&ID: sheett125B 修订日期: 2013-12-17 版次:2
部门:PPO 训练编号MSDS
护目镜□特殊防护靴□安全带□呼吸防护具□型式:防护口罩□路障/警示牌□手套□
面罩□长袖套□听力保护□通风换气□漏电保护器□防护服□电力系统□
供应管线□氧气分析仪□其他□氮气
吹除
安全带□
备注
操作步骤:
编号标准操作步
骤
操作注意事项控制范围可能之异常状况连锁动作处置索引
1 相关人员安全培训(天马培训)确认
逐项细致检查检查人员培
训证件
检查不全面
影响作业时
间
2 相关工具、人员、PPE确认、备件确认
逐项细致检查检查工具、人
员PPE的完
整性、备件的
准确性
检查不全面
影响作业时
间
3 脚手架检查(如需要)1 有资质人员检查脚手架
2 挂牌
1 检查人员无资质
2 未挂牌
SFS0304R15 第1版第4 頁,共4 頁
SFS0304R15 第1版第4 頁,共4 頁
SFS0304R15 第1版第4 頁,共4 頁
异常处理对策表:
SFS0304R15 第1版第4 頁,共4 頁。
学校安全管理质量持续改进监测反馈表背景学校安全管理是保障校园安全与秩序的重要工作。
为了不断提高学校安全管理的质量,我们需要进行监测和反馈,从而实现持续改进。
监测内容1. 校园内各类安全设施的状况监测。
2. 学生和教职工意识到的安全问题反馈。
3. 安全事件的发生数量和类型监测。
监测方法1. 定期检查校园内各类安全设施,包括消防设施、安全出口、摄像头等。
记录设施的完好程度和存在的问题。
2. 设立意见箱,鼓励学生和教职工提出安全问题和建议。
定期收集和整理反馈内容。
3. 统计和分析安全事件的发生数量和类型,包括事故、盗窃、纠纷等。
了解安全事件的趋势和原因。
监测周期1. 安全设施监测:每学期进行一次全面检查,每月进行部分设施检查。
2. 安全问题反馈:建立常态化的反馈机制,每月收集、整理和回复反馈意见。
3. 安全事件监测:每月进行一次统计,每年进行年度总结和分析。
监测结果处理1. 根据安全设施监测的结果,及时修复和维护设施。
同时,根据问题的严重程度和影响范围,制定优先处理的计划。
2. 对反馈的安全问题,及时回复提出者,并组织相关部门或人员进行解决。
3. 根据安全事件监测的结果,总结事件发生的原因和特点,制定预防措施和改进方案。
改进措施1. 加强学生和教职工的安全意识教育,提高安全问题的发现和反馈率。
2. 定期进行安全演练和应急预案的演练,提高应对突发事件的能力。
3. 完善校园监控系统和安全设施,提高安全管理的科技化水平。
结论通过学校安全管理质量持续改进的监测和反馈,我们可以发现问题、解决问题,并不断提高学校的安全管理水平。
全体师生应积极参与,共同维护良好的校园安全环境。
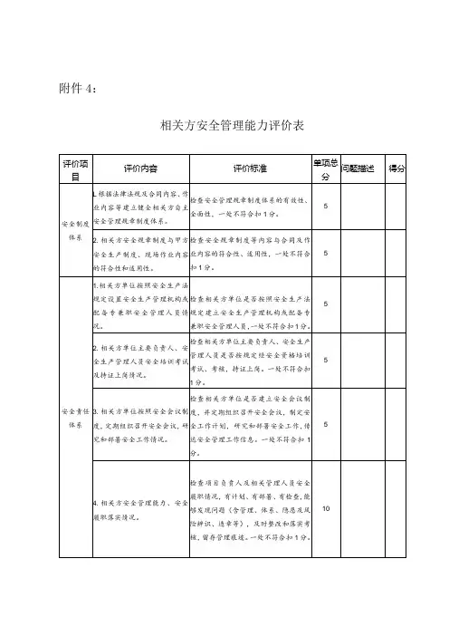
安全服务组织管理和质量保证能力情况表安全服务专业水平和质量保证说明(每项不越过400字),相关文档记录作为附件3。
1、评估系统安全威胁的能力(描述如何识别系统所面临的各种安全威胁及其性质和特征,以及对威胁的可能性进行评估)系统安全威胁来自于两个方面:人为威胁,自然威胁。
人为威胁分两部分:一是由偶然原因引起的人为威胁;二是由故意行为引起的人为威胁。
自然威胁指由自然引起的有关威胁如地震、海啸和台风等。
在服务项目的相关人员参与下,根据威胁的可能性评估方法和定性标准,经过充分的分析和评价,进行识别系统所面临的各种安全威胁,并描述其性质和特征。
通过识别工作,找出合适的自然威胁列表。
对人为威胁应描述其威胁如何发生的,测试其威胁相关事件的可能性。
同时进行评估性工作,如评估由人为原因引起的威胁作用力的技能和效力;评估威胁事件可能性。
在评估威胁事件可能性时,要考虑多种因素,而且注意在不同的安全服务项目中,各因素出现的概率不同。
2、评估系统脆弱性的能力(描述如何对系统的脆弱性进行评估,包括所选择的分析方法、工具,收集、合成系统的脆弱性数据;提供一份具体项目中关于系统脆弱性评估的相应文档记录,包括系统脆弱性清单、攻击测试报告等)对某一具体系统环境资源和性质分析,根据具体情况识别寻找和提出系统安全脆弱性的方法,包括分析、报告、跟踪过程。
可定量或定性分析脆弱性;采用分析和测试的方法来识别脆弱性。
在选择脆弱性测试工具时,可考虑使用合适的扫描产品和国内、国际漏洞库。
通过脆弱性识别,可获得系统中的脆弱性清单,以及相应的攻击测试结果。
根据系统环境的具体情况,建立相应的脆弱性数据库,同时注意脆弱性的迁移和不确定性。
系统中的脆弱性来自于三个方面:实现过程中遗留的漏洞;设计中遗留的漏洞;配置中留下的漏洞。
通过脆弱性评估报告和攻击报告评估并综合系统脆弱性。
脆弱性评估报告包括对系统造成问题的脆弱性的定性或定量的描述,这些问题是攻击的可能性、攻击成功的可能性及攻击产生的影响。
攻击报告指的是对已发现的脆弱性、被开发的潜在可能性和脆弱性利用的分析过程和结果进行书面总结。
具体文档见附件4之一3、评估安全对系统的影响的能力(描述如何识别安全对所实施的系统的影响,并对发生影响的可能性进行评估;提供一份具体项目中关于评估安全对系统的影响的相应文档记录,如系统优先级清单、系统资产分析表等)影响是意外事件对系统资产产生的后果,可由故意行为或偶然原因引起,可能是有形的或无形的。
主要识别和分析系统操纵的运行、业务或任务的影响,并进行优先级区分。
同时识别系统资产和它的运行意义及产品资产和它的运行意义。
资产包括系统的人、环境、技术和基础设施,还包括数据和资源。
确定评估影响的度量标准,从资产预算财务成本、严重等级(1-10)和基本的描述(低、中、高)中说明影响的数量、质量。
特别在某些影响要使用不同的评估度量标准时,应给出评估度量标准之间的内在联系,使得评估的一致性。
因此评估影响的标准既要考虑度量标准之间的关系的清单,又要考虑组合影响度量标准的规则。
利用多重度量标准或统一度量标准的合适方法对意外影响进行识别和特征化。
该阶段给出潜在影响和相关度量的清单。
具体文档见附件4之二4、评估系统安全风险的能力(描述如何识别出一给定环境中涉及到对某一系统有依赖关系的安全风险;如何对系统的安全风险进行评估,包括选择风险评估方法、风险优先级排列方法等;提供一份具体项目中关于评估系统安全风险的相应文档记录)安全风险评估应在某一准则限度内进行,有机的建立在脆弱性信息、威胁信息和影响信息的基础上,注意脆弱性、威胁和影响的相互依存,其目标是寻找认为是足够危险的威胁、脆弱性和影响的组合,从而证明相应行动的合理性。
根据具体系统环境,选择用于分析、评估和比较给定环境中系统安全风险所依据的方法、技术和准则,它应该包括一个对风险进行分类和分级的方案,其依据是威胁、运行效能、已建立系统的脆弱性、潜在损失、安全需求等相关问题。
因此应描述对风险进行识别和特征化的方法,描述风险及其重要性和相关性。
已经被识别的风险应以组织的优先级、风险出现的可能性、与这些因素和可用财力相关的不确定性为依据进行排序。
因此需要列出风险优先级清单和可帮助减轻风险的清单,并对优先级排列的描述。
具体文档见附件4之三。
5、确定系统安全需求的能力(描述如何明确识别出系统安全要求;提供一份具体项目中关于确定系统的安全需求的相应文档记录,如安全策略、安全目标、安全需求分析报告等)通过问卷调查的方式获得用户系统安全需求及外部影响(如可用的法律、策略、和约束)。
当识别安全需求出现冲突时,应按最小化原则加以识别,并在可能条件下予以解决。
识别系统的用途,以识别和定义其安全相关的安全需求,同时了解关联性的东西是如何影响系统安全性的,定义的相关安全应与可适用的政策、法、标准及系统的约束条件协调一致。
在系统安全需求的约束内进行广泛讨论,面向高层次安全开发一个规划图,其中包括角色、职责、信息流程、资产、人员保护以及物理保护。
在系统运行中,注意安全目标的影响因,此要动态的捕捉安全的高层目标。
通过对安全需求分析,确定安全策略、安全目标。
并在各种安全需求之间建立安全协议,从而使它们达成一致。
具体文档见附件4之四。
6、确定系统的安全输入的能力(描述如何为系统的规划者、设计者、实施者或用户提供他们所需的安全信息,包括安全体系结构、设计或实施选择以及安全指南;提供一份具体项目中关于确定系统的安全输入的相应文档记录,如系统安全体系设计方案,安全模型,各种安全相关的指南等)同系统安全设计者、开发者及用户一起商讨,以求对安全需求有一个共同的理解。
通过分析以决定在需求、设计、实现、配置和文档方面的任何安全限制和考虑。
约束在系统生命期内的所有时间内进行肯定或否定性的识别。
对安全相关的需求进行分解、分析和重组,以致识别出有效的解决方案,同时根据安全约束和需要考虑的问题进行方案分析,并加以区分它们的优先级。
开发出与安全有关的指南,并提供给工程组,安全工程指南包括体系结构、设计和实现建议等。
同时为运行系统的用户和管理员提供安全相关的指南,本指南告诉用户和管理员在以安全模式进行安装、配置、运行和淘汰系统时必须做些什么,指南在管理员和用户手册等文档体现。
本基本实施产生的文档有:安全设计准则、安全实施规则、安全设计文档、安全模型、安全体系结构、管理员手册、用户手册等。
具体文档见附件4之五7、安全控制管理的能力(描述如何保证集成到系统设计中的已计划的系统安全确实由最终系统在运行状态下达到。
包括建立安全职责,增强所有用户和管理员的安全意识,开展安全教育培训,对所有的安全配置进行管理(软件更新记录、安全配置修改记录等);提供一份具体项目中关于进行管理安全控制的相应文档记录)建立安全控制的职责和责任并通知到组织中的每一个人,安全的某些方面能够在常规的管理结构中进行管理,然而另外一些方面则需要更专业的管理,建立安全组织图表,并描述安全角色和安全职责,并对安全组织中的人员进行授权。
对系统安全控制的配置进行管理,如所有软件更新的记录、所有发布中问题的记录、系统安全配置的修改、安全需求修改等。
管理所有的用户和管理员的安全意识、培训和教育大纲,因此要根据不同的用户情况确定安全培训资料,并跟踪用户对组织和系统安全的理解,不定期的进行用户培训,以适应新的安全需要。
定期维护和管理安全服务和控制机制,如维护和管理日志,定期的维护和管理检查,跟踪记录系统维护方面的问题以便识别需要额外关注的地方,注意维护和管理的例外,描述敏感信息和敏感介质清单,建立起保证措施,以便信息敏感性降低或者介质被净化或处置后,不出现不必要的风险。
具体文档见附件4之六。
8、监测系统安全状况的能力(描述如何对安全风险变化、事件记录、安全防护措施进行监视,并识别安全突发事件和对安全突发事件进行响应;提供一份具体项目中关于进行监测系统安全状况的相应文档记录)分析各种事件记录,以确定一个事件的原因及其发展,以及将来可能发生的事件,对每一个事件进行描述,并建立起日志记录和来源,对最近的日志加以分析并进行一定的归纳。
特别要动态的监控威胁、脆弱性、影响、风险和环境变化,并在报告中体现在报告中对变化的意义进行定期评估。
能识别出安全突发事件,定义突发事件并列出突发事件,制定突发事件响应指南,描述出现的突发事件及其相关详细情况,包括突发事件的来源、任何形式的危险、应采取的响应和需要进一步采取的行动,同时报告各种入侵事件,指明入侵事件的来源、任何形式的危险、应采取的响应和需要进一步采取的行动。
检测安全防护措施的执行情况,以便识别出安全措施执行中的变化。
审核系统安全态势以识别必要的修改,描述当前安全风险环境、现有的安全态势和对这两者是否兼容进行分析,并通过第三方权威组织认证,通过报告的形式指明在运行的系统中,安全风险是可接受的。
由于许多事件不能预防,因而对破坏的响应能力是十分重要的。
为了保证监控活动的可信性,应封存和归档相关的日志、审计报告和相关分析结果。
具体文档见附件4之七。
9、安全协调能力(描述如何进行安全协调,包括建立各工作组之间以及组内部的协调机制,并确保其实施的方法;提供一份具体项目中关于进行安全协调的相应文档记录)确定安全协调的信息共享协议,工作组的成员关系和日程表,描述各工作组之间及用户之间沟通安全相关信息的过程和程序。
制定工作组间及其与其他团体间的沟通计划,如会议日期、共享的信息、会议过程和程序,并指明通信的基础设施和标准,同时确定各种文档的格式,如会议报告、消息、备忘录的模板。
制定冲突解决规程,以便解决协调中的冲突。
描述会议中讨论的议题、强调需要阐述的目标和行动条目,并跟踪行动条目,即识别工作和项目分解的计划,包括职责、时间表和优先级。
注意在各种安全工程组织、其他工程组织、外部实体和其他合适的部门中交流的安全决定和建议。
通过会议报告、备忘录、工作组会议纪要、电子邮件、安全指南或公告牌将有关的决定告诉有关的工程组;通过会议报告、备忘录、工作组会议纪要、电子邮件、安全指南或公告牌将有关的建议告诉有关的工程组。
具体文档见附件4之八。
10、检测和证实系统安全性的能力(描述如何检测和证实系统的安全性,包括检测或证实系统安全性的方法和工具;提供一份具体项目中关于检测和证实系统安全性的相应文档记录,如测试计划,检测结果,检测报告等)通过观察、论证、分析和测试因此解决方案依照安全需求、体系结构和设计得到验证,即证明了解决方案是有效的。
解决方案依照用户的运行证实了安全需求,即证明了解决方案被正确的实施。
定义验证和证实工作,包括资源、进度表、验证和证实的工作产品。
采用测试和分析的方法验证和证实系统安全,同时定义测试每种解决方案时采取的步骤,并清楚什么样的验证和证实结果才能满足用户的安全需求和需要。