悬挂式吊篮计算书配重式
- 格式:docx
- 大小:192.30 KB
- 文档页数:4
挂篮安全计算式
挂篮采用I20进行支架搭设,I20的E=2.06×105MPa,I=2369cm4
1、钢丝绳的验算
如上图,P为人自重、架子自重的总和,为5KN。
根据钢丝绳的容许拉力计算公式S=aP g/K1,其中a为钢丝绳之间荷载不均匀系数,此处为0.85;P g为钢丝绳破断拉力总和;K1为钢丝绳使用安全系数,此处为5.5;
P g=S K1/a=31.3KN
通过查表可得钢丝绳应用6×19,直径为7.7mm的钢丝绳进行吊装;(实际用直径为9.3mm的钢丝绳)
2、滑轮的验算
根据安全吊装滑轮计算公式F=D2/2,
D=100mm,因此应采用直径为100mm的滑轮进行吊装;(实际用直径为200mm的滑轮)
3、I20的验算
AB与BC长度关系为1:3
因此配重重量P1=1.67KN
其中AB段的受力按照悬臂梁来计算
如左图剪力Q=P1=1.67KN,弯矩M=-
P1L AB=-1670×1.25=2087.5N·m
挠度f= P1L AB3/3EI=0.22mm<
L AB/400=3.125mm
满足要求。
该挂篮满足施工要求。
吊篮配重计算公式一、引言吊篮是在高空工作中常用的设备,为了保证工作人员的安全,吊篮需要进行配重。
本文将介绍吊篮配重计算的公式及其应用。
二、吊篮配重计算公式吊篮配重计算的公式是根据吊篮的重力和重心的位置来确定所需的配重重量。
公式如下:配重重量= 吊篮自重× 吊篮重心与吊篮悬臂杆连接点的垂直距离÷ 吊篮悬臂杆长度三、吊篮自重的确定吊篮自重是指吊篮本身的重量,可以通过称重设备来测量得到。
在计算配重重量时,需要使用吊篮的净重(即吊篮自重减去配重重量)。
四、吊篮重心的确定吊篮的重心是指吊篮整体的重心位置,它与悬臂杆连接点的垂直距离对吊篮的配重重量起着决定性的作用。
吊篮重心的确定需要考虑吊篮内部的设备和材料的位置及其重量分布情况。
五、吊篮悬臂杆长度的测量吊篮悬臂杆长度是指吊篮悬臂杆从连接点到吊篮的长度。
悬臂杆长度的测量可以使用测量工具(如测量尺或测距仪)进行准确测量。
六、配重重量的计算示例假设吊篮自重为1000千克,吊篮重心与吊篮悬臂杆连接点的垂直距离为2米,吊篮悬臂杆长度为6米,根据吊篮配重计算公式,可以计算出配重重量:配重重量 = 1000千克× 2米÷ 6米 = 333.33千克七、吊篮配重计算的应用吊篮配重计算的应用是为了保证吊篮在高空作业时的稳定性和安全性。
根据计算得到的配重重量,可以选择合适的重物进行配重,将其放置于吊篮内部,以平衡吊篮的重心,从而确保吊篮在高空中保持平衡。
八、吊篮配重计算的注意事项在进行吊篮配重计算时,需要考虑以下几点:1. 吊篮的净重应该小于或等于吊篮的额定载荷,以确保吊篮的安全使用。
2. 配重重量应该合理,既不能过重,也不能过轻。
过重会增加吊篮的负荷,过轻则无法保持吊篮的平衡。
3. 配重物应该稳固地放置在吊篮内部,以免在高空作业中发生意外。
九、总结吊篮配重计算是保证吊篮在高空作业中稳定和安全的重要环节。
通过合理计算吊篮的配重重量,选择适当的重物进行配重,可以确保吊篮保持平衡,为工作人员提供安全可靠的工作环境。
电动吊篮计算书1、前支架布置及计算书1.1前支架布置根据本工程实际情况,需要在女儿墙梁上设置前支架,减少前梁的伸出长度,以确保工程的安全性。
1.2吊篮抗倾翻系数计算根据本工程现场实际施工要求,需要架设的吊篮前梁悬挂伸长在1.3m~1.5m 之间,故对本工程需要架设的吊篮尺寸先进行抗倾翻系数计算。
符合GB19155-2003吊篮标准5.2.7要求:在正常工作状态下,吊篮悬挂机构的抗倾覆力矩与倾覆力矩比值不得小于2。
K=(G×b)/(F×a)≥2式中 K:抗倾覆系数;F:吊篮平台、提升机构、电气系统、钢丝绳、额定载荷等质量的总和;G:配重的质量,kg;a:承重钢丝绳中心到支点的距离,m;b:配重中心到支点的距离,m。
吊架外伸数值在1.3m~1.5m之间,参见下图:作用力简图(支架之横梁)a、外伸1.5米时吊杆后支架自重G4=76×9.8=0.745KN每个配架配重G5=500×9.8=4.9KN反倾翻力F2=G4+G5=5.64KN吊臂的力矩M1=1.5G=1.5×5.277=7.915 KN·m反倾翻力矩M2=4.5×F2=4.5×5.645= 25.4 KN·mN=M2/M1=25.4/7.915=3.19>2(GB19155-2003,结构安全系数不因小于2。
吊架的抗倾翻能力符合标准GB19155-2003要求。
b、吊杆外伸1.3米时后支架重G4=0.745KN每个支架重G5=3.92KN反倾翻力F2=G4+G5=4.665KN吊臂力矩M1=1.3G=1.3×5.277=6.86KN·m;反倾翻力矩M2=4.7×F2=4.7×4.665=21.925KN·m;N=M2/M1=21.925/6.86=3.196>2所以,吊架的抗倾翻能力符合标准。
计算书钢丝绳抗破断力计算:(我司吊篮采用的是无锡法尔胜金属制品有限公司生产的Φ8.6航空用钢丝绳,其破断拉力为65.5KN。
ZLP-800型电动吊篮额定载重:800KG悬吊平台重量:320KG(按6m吊篮计算)标准规定电动吊篮钢丝绳的安全系数不小于9 N=s*a/w≥9 N—安全系数S—单根承重钢丝绳的额定破断接力为65.5KN a—承重钢丝绳根数W—指荷载(0.8+0.32)*9.8=10.976KN N=65.5×2÷12.9=11.753>9 钢丝绳符合规范要求,满足安全要求。
抗倾覆系数计算:简图(以前臂伸出1800mm,后臂长度4400mm为例):抗倾覆安全系数应满足K=M抗/M倾=G•b / F•a >2 按前吊臂长a=1.8m 后为b=4.4m,单臂吊重=按物料重+篮体自重计算。
F1=最大物料重(含施工人员)=800/2=400kg F2=单边篮体及附件自重=150kgM倾=(F1+F2)×a×9.8=(400+150)×1.8×9.8=9702NG1=单边支架配重=500kg G2=非标后支架等自重=80kgM抗=(G1+G2)×b×9.8=(500+80)×4.4×9.8=25009.6N核算结果:K=M抗/M倾= 25009.6/9702=2.58 >2 (安全系数)符合国标要求。
- 风荷载计算:工程名称:xxxx工程所在城市:xx工程基本风压:0.45kN/m2工程强度校核处标高:73.9m 1、基本计算公式:(1).场地类别划分:根据地面粗糙度,场地可划分为以下类别:A类近海面,海岛,海岸,湖岸及沙漠地区;B类指田野,乡村,丛林,丘陵以及房屋比较稀疏的乡镇和城市郊区;C类指有密集建筑群的城市市区;D类指有密集建筑群且房屋较高的城市市区;xxx按D类地区计算风压(2).风荷载计算:幕墙属于薄壁外围护构件,根据《建筑结构荷载规范》GB50009-2001(2006年版)7.1.1采用风荷载计算公式:Wk=βgz×μz×μsl×WO 其中:Wk——作用在幕墙上的风荷载标准值(kN/m2)βgz——瞬时风压的阵风系数,按《建筑结构荷载规范》GB50009-2001(2006年版)取定根据不同场地类型,按以下公式计算:βgz=K(1+2μf)其中K为地区粗糙度调整系数,μf为脉动系数A类场地:βgz=0.92×(1+2μf) 其中:μf=0.387×(Z/10 )(-0.12)B类场地:βgz=0.89×(1+2μf) 其中:μf=0.5×(Z/10)(-0.16)C类场地:βgz=0.85×(1+2μf) 其中:μf=0.734×(Z/10 )(-0.22)D类场地:βgz=0.80×(1+2μf) 其中:μf=1.2248×(Z/10)(-0.3)μz——风压高度变化系数,按《建筑结构荷载规范》GB50009-2001取定,根据不同场地类型,按以下公式计算:A类场地:μz =1.379×(Z/10)0.24B类场地:μz =(Z/10)0.32C类场地:μz =0.616×(Z/10 )0.44D类场地:μz =0.318×(Z/10 )0.60本工程属于D类地区μsl——风荷载体型系数,按《建筑结构荷载规范》GB50009-2001(2006年版)取定WO——基本风压,按全国基本风压数值,北京地区取0.45 kN/m2Wk:作用在幕墙上的风荷载标准值(kN/m2)z :计算高度73.9m βgz=0.80×(1+2μf) 其中:μf=1.2248×(Z/10 )(-0.3)μz:73.9m 高处风压高度变化系数(按D类区计算):(GB50009-2001 7.2.1)μz=(Z/10 )0.44=2.411 μf:脉动系数:(GB50009-2001 7.4.2-8)μf=1.2248×(Z/10)(-0.3)=0.54879βgz:阵风系数:GB50009-2001 7.5.1-1)βgz=0.80×(1+2×μf)=1.678μspl:局部正风压体型系数μsnl:局部负风压体型系数,通过计算确定μsz:建筑物表面正压区体型系数,按照(GB50009-2001 7.3.1)取0.8μsf:建筑物表面负压区体型系数,按照(GB50009-2001 7.3.3-2)取-1 Wk=βgz×μz×μsl×WO≈0.93kN/m2现考虑吊篮表面大面积空隙,所以取S=1 10×s 取吊篮高度1.25米,长度6米所以面积S=110×(1.25×6)≈0.75m2受力F=P×S=1×W=0.6975kN 吊篮可以抵御最大风力为5级吊篮施工过程中的用电量计算:工程施工共需吊篮44台,每台吊篮2台提升机功率为4.4KW 施工过程中同时施工吊篮常规为60%,每天实际运行时间为4小时每天总用电量为W=4.4×4×44×60%=464.64J吊篮支架安装处裙楼屋面承载力计算:N=P(1+1500÷4500)――――――――――(1)P=G·K ――――――――――(2)式中:G=(吊篮自重+荷重+钢绳、电缆重量)÷2=(300+500+50)÷2=850÷2 =425kgK=1.25(动载系数) 代入(2)式P=425×1.25=531.25kgP代入(1)式N=P(1+1500÷4500)=531.25×(1+0.33)=706.5625KG前支点下垫木板:此时承受重量=706.5625KG÷4M2=193.85KG/ M2所以前支架处地面所承受重量为193.85KG/ M22、后支架地面所承受重量吊篮篮体最轻的1.5的吊篮的重量为210KG所以单只后支架地面所受最大重量=(1000-210×1500÷4500)÷2=465KG 后支架地面此时承受重量=465KG÷3 M2=155KG/ M2。
ZLP630系列吊篮计算书吊篮采用“济南天辰集团建筑机械公司”生产的ZLP630系列吊篮、提升机、钢丝绳及安全锁等配套设备。
吊篮自重466kg(悬吊平台,包括提升机、安全锁、电气控制箱)。
提升机选用LEJ2-100L1-4D,技术参数额定提升力 6.3KN功率 2.2KW转速 1420r/min制动力矩 15N.m悬吊平台重量 466kg配重 1000kg额定载重量 600kg外形尺寸(长×宽×高)难度 6.0×0.69×1.2m钢丝绳参数 6×19W+IWS-8.60架体自重:466kg(4.66KN)活动荷载:人荷载:200kg(2KN)物料荷载L100kg(1KN)Ф12.5钢丝绳允许拉力允许提升负荷 1600kg(16KN)允许载人负荷 1000kg(10KN)架体自重:466kg(2.25KN)即恒载活荷载:①人荷200kg(2KN)②物料荷载100kg(1KN)Ф8.3钢丝绳允许拉力允许提升负荷 600kg(6KN)允许载人负荷 600kg(6KN)永久荷载:2KN×1.2=2.4(KN), 式中1.2为永久荷载分项系数。
活荷载L(升降时)2KN×1.4=2.8(KN),式中1.4为活荷载分项系数。
活荷载:(物料升降时)1KN×1.4=1.4(KN),式中1.4为活荷载分项系数。
荷载共重:p=2.4+1.8+1.4=6.6(KN)<载人负荷10KN和提升负荷16KN.F×4=5×4=20KN·m;G×0.9=6.6×0.9=5.94KNm;式中0.9为荷载折减系数K=20/5.94=3.37>2(抗倾覆成立)支座处剪力:女儿墙最高处高度为0.9m cosa=4/√4²+0.9²=0.976V=6.6KN×cosa=6.6×0.976=6.44KN支座处弯矩:M=6.6×0.9=5.94KN·m。
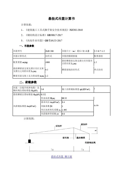
悬挂式吊篮计算书计算依据:1、《建筑施工工具式脚手架安全技术规范》JGJ202-20102、《钢结构设计标准》GB50017-20173、《高处作业吊篮》GB/T19155-2017一、吊篮参数二、荷载参数计算简图:悬挂式吊篮_侧立面悬挂式吊篮_正立面三、荷载计算吊篮受风面积:F=5.5×1.2=6.6 m2吊篮的风荷载标准值:Q wk=ωk×F=0.479×6.6=3.158 kN吊篮底部最大面积:A=5.5×0.7=3.85 m2施工活荷载标准值:Q k= q k'×A=1×3.85=3.85 kN吊篮动力钢丝绳竖向荷载标准值:Q1=(G K+Q k)/2=(5.6+3.85)/2=4.725 kN 吊篮动力钢丝绳水平荷载标准值:Q2=Q wk/2=3.158/2=1.579 kN动力钢丝绳所受拉力的施工核算值:Q D=K(Q12+Q22)0.5=9×(4.7252+1.5792)0.5=44.837 kN支撑悬挂机构前支架的结构所承受的集中荷载:N D= Q D(1+L1/L2)+G D=44.837×(1+1.5/4.5)+0.552=60.335 kN吊篮使用时,吊点承受载荷按下式计算:Q0= K0(Q12+Q22)0.5其中Q0 - 吊点处承受载荷(kN)K0 - 载荷冲击系数Q0=2×(4.7252+1.5792)0.5=9.964 kN四、钢丝绳校核[F g]=α×n×F g=0.85×2×47.292=80.396 kN[F g]=80.396 kN ≥Q D=44.837 kN满足要求!五、配重验算支承悬挂机构后支架的结构所承受的集中荷载:T=3×(Q0×L1/L2)=3×(9.964×1.5/4.5)=9.964 kN允许最小配重重量:m0=T×100=9.964×100=996.38 kg实际配重:m=1000 kg≥m0=996.38 kg满足要求!六、悬挂横梁强度验算1、悬挂横梁抗压强度验算横梁受轴向压力为N=Q0/tanθ=9.964/0.8=12.455kN其中θ - 前拉杆与横梁的夹角tanθ=h/L1=1.2/1.5=0.8长细比λ=L1/i=1.5×103/(3.07×10)=48.86查《钢结构设计标准》(GB50017-2017)附表D得φ=0.861 N/(φAf)=12.455×103/(0.861×11.748×102×205)=0.06≤1满足要求!。
恒智天成安全计算软件悬挂式吊篮计算书恒智天成安全计算软件悬挂式吊篮计算书编制说明:本吊篮计算书只对主要受⼒结构中的钢丝绳、悬挑架等进⾏计算。
对吊篮本⾝的强度不再进⾏计算,但使⽤过程中要保证吊篮平台的强度满⾜要求,并且严禁超载作业。
⼀、编制依据本计算书依据⼯程实际情况及以下规范、⽂献编制:《⾼处作业吊篮》(JG/T 5032-93)、《⾼处作业吊篮安全规则》(JG 5027-92)、《重要⽤途钢丝绳》(GB/T 8918-2006)、《建筑施⼯计算⼿册》(江正荣编著)等编制。
⼆、参数信息1、构造参数本⼯程中使⽤的吊篮型号为ZLD-500,吊篮的主要参数为:吊篮尺⼨mm:2400×700×1200,悬臂梁的悬挑长度为a=1.50m,悬臂梁的锚固长度为b=2.50m,吊篮⽤2榀挑架⽀撑。
每个⽀撑下悬挂2根钢丝绳对吊篮进⾏提吊。
2、荷载参数包括吊篮、钢丝绳、提升葫芦等在内的所有固定配件的总重量为600kg,吊篮的锚固措施采⽤悬挂配重的⽅式固定,悬挂机构重为336kg,配重重量为2000kg,吊篮额定载重量为500kg。
3、钢丝绳参数根据《⾼处作业吊篮安全规则》(JGJ 5027-92)要求,在任何情况下承重钢丝绳的实际直径不应⼩于6mm。
本⼯程中承重钢丝绳型号为6×19,直径为17mm,钢丝绳的公称抗拉强度为1400N/mm2,该型号的钢丝绳破断拉⼒总和为Fg =151.5kN。
三、计算书1、荷载参数恒荷载g=600kg=6kN。
活荷载q=500kg=5kN。
设计荷载N=1.2×6+1.4×5=14.2kN。
考虑升降⼯况,γz=2.0,并且⽤2榀挑架承担,求每榀挑架承受的荷载F。
则:F=γz×N/n=2.0×14.2/2=14.2kN。
2、配重验算前倾⼒矩M1=F×a=14.2×1.50=21.300kN·m。
计算书钢丝绳抗破断力计算:我司吊篮采用的是无锡法尔胜金属制品有限公司生产的Φ8.6航空用钢丝绳,其破断拉力为65.5KN。
ZLP-800型电动吊篮额定载重:800KG悬吊平台重量:320KG(按6m吊篮计算)标准规定电动吊篮钢丝绳的安全系数不小于9N=s*a/w≥9 N—安全系数S—单根承重钢丝绳的额定破断接力,为65.5KN a—承重钢丝绳根数W—指荷载(0.8+0.32)*9.8=10.976KNN=65.5×2÷12.9=11.753>9钢丝绳符合规范要求,满足安全要求。
抗倾覆系数计算:简图(以前臂伸出1800mm,后臂长度4400mm为例):F G抗倾覆安全系数应满足K=M抗/M倾=G•b / F•a >2按前吊臂长a=1.8m 后为b=4.4m,单臂吊重=按物料重+篮体自重计算。
F1=最大物料重(含施工人员)=800/2=400kg F2=单边篮体及附件自重=150kgM倾=(F1+F2)×a×9.8=(400+150)×1.8×9.8=9702NG1=单边支架配重=500kg G2=非标后支架等自重=80kgM抗=(G1+G2)×b×9.8=(500+80)×4.4×9.8=25009.6N核算结果:K=M抗/M倾= 25009.6/9702=2.58 >2 (安全系数)符合国标要求。
风荷载计算:工程名称:天津市大都会天汇雅苑外檐幕墙工程工程所在城市:天津工程基本风压:0.45kN/m2工程强度校核处标高:73.9m1、基本计算公式(1).场地类别划分:根据地面粗糙度,场地可划分为以下类别:A 类近海面,海岛,海岸,湖岸及沙漠地区;B 类指田野,乡村,丛林,丘陵以及房屋比较稀疏的乡镇和城市郊区;C 类指有密集建筑群的城市市区;D 类指有密集建筑群且房屋较高的城市市区;大都会天汇雅苑外檐幕墙工程按D 类地区计算风压(2).风荷载计算:幕墙属于薄壁外围护构件,根据《建筑结构荷载规范》GB50009-2001(2006年版)7.1.1采用风荷载计算公式:Wk=βgz×μz×μsl×WO其中:Wk ——作用在幕墙上的风荷载标准值(kN/m2)βgz——瞬时风压的阵风系数,按《建筑结构荷载规范》GB50009-2001(2006年版)取定根据不同场地类型,按以下公式计算:βgz=K(1+2μf)其中K 为地区粗糙度调整系数,μf 为脉动系数A 类场地:βgz=0.92×(1+2μf) 其中:μf=0.387×(10Z)(-0.12)B 类场地:βgz=0.89×(1+2μf) 其中:μf=0.5×(10Z)(-0.16)C 类场地:βgz=0.85×(1+2μf) 其中:μf=0.734×(10Z)(-0.22)D 类场地:βgz=0.80×(1+2μf) 其中:μf=1.2248×(10Z)(-0.3)μz——风压高度变化系数,按《建筑结构荷载规范》GB50009-2001取定,根据不同场地类型,按以下公式计算:A 类场地:μz =1.379×(10Z)0.24B 类场地:μz =(10Z)0.32C 类场地:μz =0.616×(10Z)0.44D 类场地:μz =0.318×(10Z)0.60本工程属于D 类地区μsl——风荷载体型系数,按《建筑结构荷载规范》GB50009-2001(2006年版)取定WO ——基本风压,按全国基本风压数值,北京地区取0.45 kN/m2 Wk :作用在幕墙上的风荷载标准值(kN/m2)z :计算高度73.9mβgz=0.80×(1+2μf) 其中:μf=1.2248×(10Z)(-0.3)μz :73.9m 高处风压高度变化系数(按D 类区计算):(GB50009-2001 7.2.1)μz=(10Z)0.44=2.411μf :脉动系数: (GB50009-2001 7.4.2-8)μf=1.2248×(10Z)(-0.3)=0.54879βgz :阵风系数: (GB50009-2001 7.5.1-1) βgz=0.80×(1+2×μf )=1.678μspl :局部正风压体型系数μsnl:局部负风压体型系数,通过计算确定μsz:建筑物表面正压区体型系数,按照(GB50009-2001 7.3.1)取0.8 μsf:建筑物表面负压区体型系数,按照(GB50009-2001 7.3.3-2)取-1 Wk=βgz×μz×μsl×WO≈0.93kN/m2现考虑吊篮表面大面积空隙,所以取S=110×s取吊篮高度1.25米,长度6米所以面积S=110×(1.25×6)≈0.75m2受力F=P×S=1×W=0.6975kN吊篮可以抵御最大风力为5级吊篮施工过程中的用电量计算:工程施工共需吊篮44台,每台吊篮2台提升机功率为4.4KW施工过程中同时施工吊篮常规为60%,每天实际运行时间为4小时每天总用电量为W=4.4×4×44×60%=464.64J吊篮支架安装处屋面承载力计算:NN=P(1+1800÷4400)――――――――――(1)P=G·K ――――――――――(2)式中:G=(吊篮自重+荷重+钢绳、电缆重量)÷2=(300+500+50)÷2=850÷2=425kgK=1.25(动载系数)代入(2)式P=425×1.25=531.25kgP代入(1)式N=P(1+1800÷4400)=531.25×(1+0.33)=706.5625KG前支点下垫木板:此时承受重量=706.5625KG÷4M2=193.85KG/ M2所以前支架处地面所承受重量为193.85KG/ M22、后支架地面所承受重量吊篮篮体最轻的1.5的吊篮的重量为210KG所以单只后支架地面所受最大重量=(1000-210×1500÷4500)÷2=465KG 后支架地面此时承受重量=465KG÷3 M2=155KG/ M2。
悬挂式吊篮计算书一、概述:悬挂式吊篮主要用于对高层建筑的外墙进行装修。
由吊篮、工作绳、安全绳、天梁等组成。
使用时,用手拉葫芦将吊篮提升到最上层,然后逐层下放,装修自上而下进行。
二、适用范围:该吊篮适用于建筑高度100 m以内,最大吊篮长度8m以内的单层操作吊篮。
三、设计依据:1.本设计依据《建筑施工脚手架实用手册》、《建筑施工安全技术手册》及《建筑施工手册》(第三版)。
2.荷载取值按我国现行有关结构设计规范。
3.根据天津市起重工具厂提供的手板葫芦的技术资料。
四、吊篮计算内容:1.吊篮验算:2.钢丝绳验算(安全绳):3.吊环验算(工作绳):4.天梁验算:5.地梁验算:6.预埋地锚验算:7.地梁钢丝绳验算:五、吊篮计算:吊篮由吊架、钢管、扣件组合而成。
计算时,将吊篮视作由两榀纵向桁架组成,取其中一榀分析内力进行强度验算。
(一)、荷载计算:(图一)取最大吊篮L=8m为计算单元,则有:1.吊篮自重(包括钢管、扣件、脚手板、安全网、操作平台、护头棚),根据上述所用材料的重量核算所得:QK=1200N/m2吊篮架宽0.8m,则每榀桁架荷载为:q1=1200*0.8/2=480N/m2. 施工荷载取1.2KN/m2, 则q2=1200*0.8/2=480N/m3. 总荷载q= q1+ q2=480+480=960N/m(二)、内力及截面验算1.上玄弯矩M max =ql 2/8=960*22/8=480NmΦ48*3.5mm 钢管,截面系数W=5075mm 3σ=M max /W=480*1000/5075=94.58N/mm 2<f=215N/mm 22. 桁架内力计算(图2):根据《建筑施工手册》(1)190页中内力计算公式得:支座反力:R A =R C =3ql/8=3*960*4/8=1440NR B =5ql/4=5*960*4/4=4800N上玄内力:S=R B *2/1.8=4800*2/1.8=5333.33Nσ=S/A=5333.33/489.06=10.91N/mm 2<0.1f=21.5N/mm 2按《钢结构设计规范》规定可不计轴力S ,以弯曲应力计算:σ=94.58< f=215N/mm 2故吊篮强度满足要求。
普华.熙岸保温工程施工吊篮计算书
一、计算依据:
JGJ202-2010《建筑施工工具式脚手架安全技术规范》 GB19155-2003《高处作业吊篮》
二、上部悬挂机构稳定性合格条件:
悬挂机构的稳定系数必须≥2。
三、吊篮各个部件的重量:
1、吊篮最大载荷量:500kg。
2、篮筐自重:650kg(包含工作平台、提升机、安全锁和钢
丝绳重量)。
3、上悬挂部分及配重:合计1000kg
四、计算公式及图示:
抗倾覆安全系数等于配重矩比前倾力矩,其比值不得小
于2,计算公式为:
前后支架距离*配重/前支架至顶端距离*全部载荷
w×b
>2
p×a
五、 本工程计算内容:
1. 正常安装
前梁伸缩长度a ≤1.5米,前后支座距离为b=4.5 抗倾覆系数=w×b p×a =1000×4.5(500+650)×1.5
=2.6 > 2 符合标准 2.在拐角处正常安装
前梁伸缩长度a=2米,前后支座距离为b=4米 抗倾覆系数=
w×b p×a =1000×4(500+650)×2
=1.73 < 2 超出标准。
吊篮悬索计算书编制人:审核人:审定人:编制日期:1、吊篮悬索用的材料问:6×37+1芯钢丝绳,直径为21.5㎜,抗拉强度2KN/㎡,临界破坏力为[F]=348.5KN。
2、钢丝绳与桁架上弦杆连接方式为:钢丝绳与桁架接触面采用柔性胶皮套管连接。
3、钢丝绳端头破开编入钢丝绳内。
吊篮采用两根钢丝绳悬挂,每根钢丝绳受力为4KN。
4、钢丝绳受力分析如下:恒载:(1)人重:300KG;(2)吊篮自重:150KG;(3)铝板:50KG;合计:5KN×1.2=6KN;活载:2KN(含活载分项系数)。
荷载总计:8KNCOS1=1.5/9.613=0.0520 2N1×COS1=G钢丝绳使用荷载:N1=4/2×0.0520=38.46KN钢丝绳允许拉力(折减系数为:a=0.82;K=7倍);{F}=a×F/K=0.82×348.5/7=40.82KNN1=38.46KN<F=40.82KN 满足使用要求。
吊篮施工安全控制要点一、吊篮制作、安装1、吊篮加工前必须由现场施工技术进行计算荷载,考虑各种因素,确保吊篮本身的安全稳固。
并形成文件经建设单位和监理确认后方允许加工。
2、吊篮滑轮轴必须达到200㎜长度,直径20㎜,螺帽一端必须用销钉销死。
销钉直径5㎜。
3、吊篮尺寸为:长6000㎜×宽600㎜×高800㎜,吊篮底部为50*50*5角钢,间距1000㎜,吊篮下部用20㎜厚200㎜木跳板满铺。
4、现场电焊班组必须按照技术所出吊篮加工图纸尺寸进行施工。
主框架采用角钢焊接。
5、安装钢丝绳位置必须经过尺寸排版,定出钢丝绳位置。
6、先由施工人员在桁架一端固定好钢丝绳,然后在两榀之间的另一端用绳索把钢丝绳吊起。
7、把钢丝绳与倒链连接,由施工人员用倒链与钢丝绳拉直,拉紧。
8、两根钢丝绳安装完后把吊篮用绳索吊起到钢丝绳处,再上滑轮和销轴。
9、用3米长钢丝绳做备用保护绳,钢丝绳配套U型卡环把绳索与保护钢丝绳和桁架连接,进行双保险。
悬挂式施工作业平台计算书工程名称:鲁西化工五期汽车卸煤沟建设单位:鲁西化工集团股份有限公司动力二分公司监理单位:天津辰达工程监理有限公司施工单位:聊城市龙豪建筑安装工程有限公司制造单位:聊城永盛起重机械安装有限公司悬挂式施工作业平台计算书工程概况:鲁西化工五期汽车卸煤沟(含转运站及栈桥)鲁西化工集团股份有限公司动力二分公司筹建,聊城市规划建筑设计院有限公司勘察,山东双良恒力电力工程有限公司设计,天津辰达工程监理有限公司现场监理,聊城市龙豪建筑安装工程有限公司总承包施工。
本吊篮为方便栈桥施工专门设计,尺寸为:长×宽×高=3m×0.8m×4m,材料为6个角钢,及6个扁铁,悬挑梁材料为20槽钢。
这两个施工作业平台互为配重。
经验算承载力及抗倾覆力矩满足要求计算依据:《高处作业吊篮》(JG/T 5032-93)《高处作业吊篮安全规则》(JG 5027-92)《重要用途钢丝绳》(GB/T 8918-2006)一、参数信息1、构造参数本工程中使用的施工作业平台的主要参数为:2、荷载参数3、钢丝绳参数根据《高处作业吊篮安全规则》(JGJ 5027-92)要求,在任何情况下承重钢丝绳的实际直径不应小于6mm。
本工程中承重钢丝绳参数为:二、计算书1、荷载参数恒荷载g=300kg=3kN。
活荷载q=400kg=4kN。
设计荷载N=1.2×3+1.4×4=9.2kN。
考虑升降工况,γz=2.0,并且用2榀挑架承担,求每榀挑架承受的荷载F。
则:F=γz×N/n=2.0×9.2/2=9.2kN。
2、配重验算前倾力矩M1=F×a=9.2×1.20=11.040kN·m。
配重力矩M2=(悬挂结构+配重重量)×b=(260+400)×4=2640.000kN·m。
根据施工作业平台安全使用,要满足配重力矩/倾覆力矩≥2.13的条件,可得到:配重重量≥前倾力矩×2.13/4-悬挂机构重量=327.880kg。
吊篮计算书一、计算依据1、《建筑施工工具式脚手架安全技术规范》JGJ202-20102、《钢结构设计规范》GB50017-2003二、吊篮计算参数(图1)吊篮工作平台立面图(图2)吊篮悬挂机构立面图三、荷载统计吊篮受风面积:F=h×l=1.45×6=8.7m2根据相关参数可得:ω0=0.3kN/m2μz=1μs=1.3*A n/(h×l)=1.3×0.6/(1.45×6)=0.09风荷载标准值:ωk=μzμsω0=1×0.09×0.3=0.027kN/m2则吊篮的风荷载标准值:Qwk=ωk×F=0.027×8.7=0.234kN吊篮底部面积:A=l×b=6×0.76=4.56m2施工活荷载标准值:Q k1=q k1×A=1×4.56=4.56kN四、钢丝绳安全验算吊篮动力钢丝绳竖向荷载标准值:Q1=(G K+Q k1)/2=(6+4.56)/2=5.28kN 吊篮动力钢丝绳水平向荷载标准值:Q2=Q wk/2=0.234/2=0.117kN吊篮动力钢丝绳所受拉力核算值:Q D=K(Q12+Q22)0.5=9×(5.282+0.1172)0.5=47.532kN支撑悬挂机构前支架的结构所承受的集中荷载:N D=Q D×(1+L1/L2)+G k=47.532×(1+0.5/4.6)+6=58.698kN[F g]=α×n×F g=0.85×2×156=265.2kN[F g]=265.2kN≥Q D=47.532kN满足要求五、配重验算支承悬挂机构后支架的结构所承受的集中荷载:T=2×(Q D×L1/L2)=2×(47.532×0.5/4.6)=10.333kN允许最小配重重量:m0=T×1000/10=10.333×1000/10=1033.297kg实际配重:m=2000kg≥m0=1033.297kg满足要求六、悬挂横梁强度验算1、悬挂横梁抗弯强度验算M max=Q D×L1=47.532×0.5=23.766kN·mσ=M max/W=23.766×105/(11.93×103)=199.211N/mm2σ=199.211N/mm2≤[f]=205N/mm2满足要求2、悬挂横梁抗剪验算V max=Q D+g k×L1=47.532+0.067×0.5=47.565kNτmax=V max S/Ib0=47.565×15.25/(29.81×2)=12.167N/mm2≤[τ]=125N/mm2 满足要求。
悬挂式吊篮计算书计算依据:1、《建筑施工工具式脚手架安全技术规范》JGJ202-20102、《钢结构设计规范》GB50017-2003一、吊篮参数计算简图:悬挂式吊篮_侧立面悬挂式吊篮_正立面三、荷载计算吊篮受风面积:F=3×1.2=3.6 m2吊篮的风荷载标准值:Q wk =ωk ×F=0.324×3.6=1.166 kN/m 2 吊篮底部最大面积:A=3×0.7=2.1 m 2施工活荷载标准值:Q k = q k '×A=1×2.1=2.1 kN吊篮动力钢丝绳竖向荷载标准值:Q 1=(G K +Q k )/2=(6+2.1)/2=4.05 kN 吊篮动力钢丝绳水平荷载标准值:Q 2=Q wk /2=1.166/2=0.583 kN 动力钢丝绳所受拉力的施工核算值:Q D =K(Q 12+Q 22)0.5=9×(4.052+0.5832)0.5=36.826 kN支撑悬挂机构前支架的结构所承受的集中荷载:N D = Q D (1+ L 1/L 2)+G D =36.826×(1+0.7/4.5)+1.066=43.62 kN四、钢丝绳校核g g [F g ]=350.2 kN ≥Q D =36.826 kN 满足要求!五、配重验算T=2×(Q D ×L 1/L 2)=2×(36.826×0.7/4.5)=11.457 kN允许最小配重重量:m 0=T ×100=11.457×100=1145.697 kg 实际配重:m=1200 kg ≥m 0=1145.697 kg 满足要求!六、悬挂横梁强度验算Mmax =QD×L1=36.826×0.7=25.778 kN·mσ=Mmax/ W=25.778×106/(141×103)=182.824 N/mm2 σ=182.824 N/mm2≤f=205 N/mm2满足要求!2、悬挂横梁抗剪验算Vmax =QD+gk×L1=36.826+0.205×0.7=36.969 kNτmax =Vmax[b×ho2-(b-δ)h2]/(8Izδ)=36.969×1000×[88×1602-(88-6)×140.22]/(8×1130×10000×6)=43.69 N/mm2τmax=43.69 N/mm2≤τ=125 N/mm2满足要求!3、悬挂横梁整体稳定性验算φb- 梁的整体稳定性系数:查表《钢结构设计规范》(GB50017-2003)得,梁的整体稳定性系数φb=2由于φb 大于0.6,根据《钢结构设计规范》(GB50017-2003)附表B,得到φb值为0.929。
1、高处作业吊篮计算书一、计算依据:JGJ202-2010《建筑施工工具式脚手架安全技术规范》GB19155-2003《高处作业吊篮》二、上部悬挂机构稳定性合格条件:悬挂机构的稳定系数必须≥2。
三、计算条件:1、吊篮额定载荷量:500kg。
2、吊篮自重:650kg(包含工作平台、提升机、安全锁和钢丝绳重量)。
3、吊篮配重及后插杆、后支架等:合计1000kg四、计算简图:五、计算内容1、抗倾覆安全系数抗倾覆安全系数等于配重矩比前倾力矩,其比值不得小于2。
(1)吊篮正常安装状态前梁伸缩长度a≤1.5米,前后支座距离为b=4.5米抗倾覆系数=P×b W×a =1000×4.5(500+650)×1.5=2.61>2 (2)吊篮非正常安装状态前梁伸缩长度a=1.7米,前后支座距离为b=4.3米抗倾覆系数=P×b W×a =1000×4.3(500+650)×1.7=2.20>2 2、 钢丝绳破断拉力计算(由2根钢丝绳各负担1/2)按容许应力法进行核算,计算荷载采用标准值,安全系数K 应选取9。
(1)竖向荷载标准值:Q 1=(G k +Q k )/2=(500+650)×10/2=5750N(2)水平荷载值(只考虑风荷载):Q 2=Q wk /2根据《建筑施工工具式脚手架安全技术规范》JGJ202-2010 5.1.5条,在工作状态下,基本风压值不低于500Pa ,按1.5倍基本风压值计算。
根据本工程实际工况,按最大受力面积,吊篮长度为5m ,高度1.1m 。
Q 2=500×5×1.12=1375N(3)钢丝绳所受拉力:Q D =√Q 12+Q 22=√57502+13752=5912N(4)查表d=8.3mm 钢丝绳破断拉力为59134NK=59134/5912=10>93、 支承悬挂机构前支架处的结构强度验算N D =Q D (1+a b)+G D =5912×(1+1.5/4.5)+4500=12382N G D 为吊篮悬挑横梁自重:450kg ×10=4500N该工程最低为C30混凝土,f ck=20.1N/mm2所以支撑点处的最小受力面积:s=N D/f ck=12382/20.1=616mm2远小于本工程电动吊篮支撑点处的面积。
悬挂式吊篮计算书计算依据:1、《建筑施工工具式脚手架安全技术规范》JGJ202-20102、《钢结构设计规范》GB50017-2003、吊篮参数、荷载参数计算简图:三、荷载计算吊篮受风面积:F=3X = m吊篮的风荷载标准值:Q wk=3k X F=x = kN/m吊篮底部最大面积:A=3X = m施工活荷载标准值:Q k= q k' x A=1x = kN吊篮动力钢丝绳竖向荷载标准值:Q I=(G K+Q)/2=(6+/2= kN吊篮动力钢丝绳水平荷载标准值:Q2=Q wk/2=2= kN动力钢丝绳所受拉力的施工核算值:Q D=K(Q2+Q22)=9 x += kN支撑悬挂机构前支架的结构所承受的集中荷载:N D=Q D(1+L I/L2)+G D=X (1++= kN四、钢丝绳校核[F g]= n 斗 2 206= kN[F g]= kN 呑Q kN满足要求!五、配重验算支承悬挂机构后支架的结构所承受的集中荷载:T=2x (QX L L2)=2 xx = kN允许最小配重重量:m°=T x 100= x 100= kg实际配重:m=1200 kg >IQ= kg满足要求!六、悬挂横梁强度验算1悬挂横梁抗弯强度验算M max=Q p X X = kim •d=M maX W= X 10(141 X 10= N/mm2(T = N/mn S< f=205 N/mrfi满足要求!2、悬挂横梁抗剪验算V max=Q D+g k X L+ X = kNT ax=V max[b xh-(b- © h2]/(8l z沪X 1000X [88 X-(^6) X ]/(8 X 1130X 10000X 6)= N/mm22 2T ax= N/mm <=T25 N/mm满足要求!3、悬挂横梁整体稳定性验算帕-梁的整体稳定性系数:查表《钢结构设计规范》(GB50017-2003得,梁的整体稳定性系数恤=2由于帕大于,根据《钢结构设计规范》(GB50017-2003附表B,得到松值为。
一、吊篮计算书1、吊篮主要技术性能参数额定载重量:630KG,限载500KG;升降速度:9.3m/min吊篮平台尺寸:1500~5000mm×690mm×1180mm;吊篮上部支架长度:6000mm电动机:功率:1.5kW,转速:1400r/min;吊篮平台重量:486KG悬挂机构重量:303KG;配重:1000KG;钢丝绳:4*31s+PP-8.3,破段拉力54kN2、吊篮安装示意图3、ZLP630高处作业吊篮验算按使用高度131m,工作平台最大长度为4.0米,ZLP630型号的吊篮,进行核算。
1)静荷载(1)吊篮的自重480㎏(见使用说明书)(2)吊篮钢丝绳自重:4*0.244*131=12㎏(钢丝绳每米自重0.244kg)2)荷载计算(1)吊篮的风荷载标准值2/08.65230009.204.11m N o z s z k =⨯⨯⨯=⨯⨯⨯=ωμμβωK ω:荷载标准值;z β:风振系数,一般情况取1;s μ:风荷载体型系数,查《建筑施工工具式脚手架安全技术规范》JGJ202-2010中表4.1.2-4,取1.3φ。
表中挡风系数φ应按0.8计算。
即s μ=1.04;z μ:风压高度变化系数,按《建筑结构荷载规范》GB50009-2012中表7.2.1中规定取值,此处按建筑高度100米,地面粗糙度B 级(有密集建筑群的城市市区)。
即z μ=2.09;o ω:基本风压值,按《建筑结构荷载规范》GB50009-2012附表D.4中n=50年的规定取值,即o ω=300N/㎡(遵义市)Nm m m N F Q K WK 81.307718.14/08.6522=⨯⨯=⨯=ω WK Q :吊篮的风荷载标准值;K ω:风荷载标准值;F :吊篮受风面积。
(2)吊篮竖向荷载标准值计算[]N Q Q 35.531128.95008.995.978.9486)/2(G k k 1=÷⨯+⨯+⨯=+=1Q :吊篮工作钢丝绳竖向荷载标准值;k G :吊篮平台及钢丝绳自重标准值;k Q :吊篮额定荷载。
悬挂式吊篮计算书配重式 Prepared on 22 November 2020
悬挂式吊篮计算书
计算依据:
1、《建筑施工工具式脚手架安全技术规范》JGJ202-2010
2、《钢结构设计规范》GB50017-2003
一、吊篮参数
二、荷载参数
三、荷载计算
吊篮受风面积:F=3×=
吊篮的风荷载标准值:Q wk=ωk×F=×=m2
吊篮底部最大面积:A=3×=
施工活荷载标准值:Q k=q k'×A=1×=
吊篮动力钢丝绳竖向荷载标准值:Q1=(G K+Q k)/2=(6+/2=
吊篮动力钢丝绳水平荷载标准值:Q2=Q wk/2=2=
动力钢丝绳所受拉力的施工核算值:Q D=K(Q12+Q22)=9×+=
支撑悬挂机构前支架的结构所承受的集中荷载:N D=Q D(1+L1/L2)+G D=×(1++= 四、钢丝绳校核
g g
[F g]=≥Q D=
满足要求!
五、配重验算
D12
允许最小配重重量:m0=T×100=×100=
实际配重:m=1200kg≥m0=
满足要求!
六、悬挂横梁强度验算
M max=Q D×L1=×=·m
σ=M max/W=×106/(141×103)=mm2
σ=mm2≤f=205N/mm2
满足要求!
2、悬挂横梁抗剪验算
V max=Q D+g k×L1=+×=
τmax=V max[b×h o2-(b-δ)h2]/(8I zδ)=×1000×[88×1602-(88-6)×]/(8×1130×10000×6)=mm2 τmax=mm2≤τ=125N/mm2
满足要求!
3、悬挂横梁整体稳定性验算
φb-梁的整体稳定性系数:
查表《钢结构设计规范》(GB50017-2003)得,梁的整体稳定性系数φb=2
由于φb大于,根据《钢结构设计规范》(GB50017-2003)附表B,得到φb值为。
σ=M max/(φb W)=×106/×141×1000)=mm2
σ=mm2≤[f]=205N/mm2
满足要求!。