烤灯操作流程及评分标准
- 格式:doc
- 大小:58.00 KB
- 文档页数:2
红外线烤灯操作说明及注意事项
烤漆灯的电源连接必须由电学专业的技术人员检查,以确保电源的电压值和频率值与烤漆灯的电压值和频率值相一致。
将烤漆灯插入电源
启动:打开左右两灯闸开关,并选择你要打开的灯闸(0关闭——1打开)打开电源总开关和黄色指示灯,选定时间和运行时间会亮起。
程序:对应不同的油漆产品的烘烤时间,共有6个储存程序,(建议的干燥时间)。
对于更改已选定的程序,请按下相应程序的选择键,时间不少于两秒钟。
左边的显示屏显示的是开关打开后系统的运行时间,而右边的显示屏显示的是选定的烘烤时间。
当左边显示屏的运行时间与选定时间相同时,既运行时间结束,烤漆灯自动关闭。
注意事项:
请不要用潮湿的手或或赤脚触摸烤漆灯
请不要在室外恶劣的天气使用烤漆灯
请不要直接用红外线照射易燃化学品
请不要在易燃易爆的环境中使用烤漆灯,空气中的化学溶剂浓度一定不能超过百分之五十(这是爆炸的最低限度)
请不要让眼睛长时间暴露在距离小于一米的红外线照射下
请不要将烤灯放置在距离待干材料小于50-60厘米的地方
烤漆灯工作期间和工作完毕后,不要用手触摸烤漆灯的灯匣,请使用手柄。
TDP烤灯的使用流程1. 准备工作在使用TDP烤灯之前,需要进行一些准备工作,确保设备正常工作和使用的顺利进行。
1.1 检查设备确保TDP烤灯设备完好无损,并且所有零部件都齐全。
检查电源线是否无破损,并留意插头是否正常工作。
1.2 检查照射头检查照射头是否清洁,并清除任何灰尘或杂质。
使用干净的棉布或软纸巾擦拭照射头,确保其表面没有任何污垢。
1.3 准备治疗区域确保治疗区域干净整洁,并放置一张大垫子或毛巾,以便患者可以舒适地坐在上面接受照射。
2. 设置照射参数TDP烤灯具有可调节的治疗参数,根据不同的治疗需要进行设置。
2.1 照射时间根据患者的需要和治疗目的,确定照射时间。
通常情况下,治疗时间在20到30分钟之间,可以根据需要进行调整。
2.2 照射距离确定照射头与患者皮肤之间的距离。
建议照射距离一般为15到20厘米,根据具体情况进行调整。
2.3 照射功率根据患者的病情和疼痛程度,设置合适的照射功率。
TDP烤灯通常具有多个照射功率档位,可以根据需要选择合适的档位进行治疗。
3. 使用TDP烤灯在进行照射治疗之前,请确保已经按照上述步骤进行了准备工作和参数设置。
3.1 开启电源将TDP烤灯的电源线插入插座,并打开电源开关。
确保设备正常运转。
3.2 调节治疗参数根据上述步骤设置好的治疗参数,调节照射时间、照射距离和照射功率。
确保参数设置正确。
3.3 照射治疗将照射头对准患者需要治疗的部位,保持适当的照射距离和治疗时间。
可以适当调整照射头的位置,确保照射范围均匀。
3.4 完成治疗当治疗时间到达设定的时间后,关闭TDP烤灯的电源开关,结束治疗过程。
4. 注意事项在使用TDP烤灯进行治疗时,需要注意以下事项,以确保安全和有效的治疗过程。
4.1 避免过度照射不要超过建议的治疗时间和功率,以免过度照射引起皮肤灼伤或其他不良反应。
4.2 避免直接接触皮肤不要将照射头直接接触患者的皮肤,保持适当的距离,以免引起不适或疼痛。
红外线烤灯操作规程
《红外线烤灯操作规程》
一、前言
红外线烤灯是工业生产中常用的一种烘干设备,能够快速并且均匀地加热物体表面,提高烘干效率。
为了确保安全和正确操作,制定了以下操作规程。
二、操作准备
1. 确保红外线烤灯及其周围环境清洁整洁。
2. 检查烤灯电源线、开关及其他配件是否完好无损。
3. 了解烘干物体的材质、大小及其烘干温度要求。
三、操作步骤
1. 将红外线烤灯放置在平稳的台面上,并且远离易燃物。
2. 插入电源线并打开电源开关,确保红外线烤灯正常运行。
3. 将需要烘干的物体放置在红外线烤灯下方并调整烤灯的角度和高度,以确保物体能够均匀受热。
4. 根据物体的材料和烘干要求,调整红外线烤灯的温度和时间。
5. 在烘干过程中,不要离开红外线烤灯,随时观察物体的情况,确保烘干效果。
四、操作注意事项
1. 烤灯工作时,不要触摸灯管和灯头,以免烫伤。
2. 在使用过程中,禁止将易燃物品放置在红外线烤灯周围。
3. 当烘干完毕后,先关闭红外线烤灯,等待冷却后再移动或清洁。
4. 在操作过程中,如遇到异常情况,应立即关闭电源,并进行故障排查。
五、操作结束
1. 关闭红外线烤灯电源,并拔掉电源线。
2. 将灯具周围、操作台面及地面进行清理,确保没有杂物。
3. 将红外线烤灯存放在干燥、通风处。
通过严格按照《红外线烤灯操作规程》的要求进行操作,可以确保红外线烤灯的安全运行,并且能够有效提高烘干效率。
操作人员在使用过程中应严格遵守规程,并保持警惕,确保操作安全和烘干效果。
TDP操作流程
TDP操作流程
在进行TDP操作前,操作者需要做好准备工作,包括着
装规范和洗手。
同时,需要评估患者的病情、意识状态、合作程度、伤口部位等情况,并询问二便。
操作者还需准备红外线灯、湿纱布和软尺等物品。
具体操作步骤如下:首先,将用物携带至床旁,接通电源并选择适当功率。
然后,核对患者的基本信息,做好解释,并取得患者的配合,协助患者取适当体位。
接着,暴露患处,并必要时用屏风遮挡,其他部位予以保暖。
将烤灯对准患处,测量灯距,一般30-50cm为宜。
当照射面颈部及前胸部时,需
要用湿纱布遮盖患者眼睛或戴有色眼镜。
设定照射时间,一般为20-30min,随时观察局部皮肤,桃红色为宜。
操作完成后,整理用物,协助患者取舒适体位,洗手并记录。
在TDP操作中,存在一些评分标准,包括着装规范、洗手、评估患者情况、解释、问二便等。
同时,操作者还需注意
保护患者隐私、保暖、测量灯距、遮挡患者眼睛、时间调节等。
如果操作者未按照标准操作,将会被扣分。
此外,操作者还需注意态度、沟通技巧、整体性、计划性等方面,以保证操作的质量和效果。
综上所述,TDP操作需要操作者做好准备工作,遵循标
准操作流程,并注意各项评分标准和操作细节。
烤灯的使用护理操作流程1. 准备工作在进行烤灯使用前,需要做一些准备工作,确保操作的顺利进行。
•清洁灯具:使用柔软的布或棉纱蘸取适量洁净水,轻轻擦拭灯具表面,去除灰尘和污垢。
•检查电源:检查烤灯所需的电源线是否损坏或老化,确保安全使用。
•校正烤灯位置:根据实际需要,调整烤灯的位置和角度,确保光线照射到需要的区域。
2. 启动烤灯启动烤灯前需要按照以下步骤进行操作:1.打开电源开关:将电源开关置于开启状态,注意听取电源运作是否正常的声音。
2.调整亮度:根据实际需要,通过调节灯具上的亮度调节器,使灯光亮度适中。
3.检查灯管状态:观察灯管是否正常发光,如发现灯管损坏或不亮的情况,应及时更换。
3. 烤灯使用操作流程烤灯是一项需要操作的工作,一般有以下操作流程:1.确定照射部位:根据实际需求,将灯光照射到需要治疗或检查的部位。
2.设置照射时间:根据操作手册或医嘱的要求,设置照射时间,确保治疗效果。
3.确定照射距离:根据不同的疾病或治疗需求,调整照射距离,保持适宜的照射效果。
4.操作控制:根据灯具上的控制按钮或面板,进行开启、关闭、调节等操作。
5.观察照射效果:在治疗或检查过程中,及时观察照射效果,调整照射角度或位置,以获得最佳效果。
6.结束照射:按照设定时间或医嘱要求,结束照射,关闭烤灯。
4. 烤灯使用后的护理操作流程在使用烤灯之后,也需要进行一定的护理操作,以保证烤灯的正常使用寿命。
1.关闭电源开关:将电源开关置于关闭状态,确保烤灯完全停止运作。
2.清洁灯具:使用柔软的布或棉纱蘸取适量洁净水,轻轻擦拭灯具表面,除去污垢和灰尘。
3.定期检查灯管:定期检查烤灯的灯管是否正常,如有需要,及时更换损坏的灯管。
4.存放烤灯:将烤灯放置在干燥通风的地方,避免阳光直射或潮湿环境对灯具的影响。
5. 烤灯维护注意事项为了保持烤灯的正常寿命和使用效果,以下是一些需要注意的事项:•定期维护:定期维护烤灯,保持灯具的清洁和正常运作。
烤灯的使用护理操作流程及评分标准科室姓名考试日期考核人得分流程操作要求分值扣分1职业规范符合护士职业规范要求 22 评估(1)护士洗手、核对、解释(2)患者年龄、病情、意识、治疗情况、局部皮肤状况、活动能力及合作程度463 准备(1)护士:洗手,戴口罩(2)用物:备齐并检查用物,放置合理(3)患者:了解使用烤灯的目的、方法、注意事项、配合要点。
体位舒适、愿意合作(4)环境:酌情关闭门窗、温湿度适宜、必要时屏风遮挡24644 操作(1)携用物至床旁,核对(2)暴露患处,患者体位舒适(3)调节灯距一般为30~50cm、湿度以温热为宜(用手试温)(4)照射20~30分钟,注意保护患者(5)使用时间不超过30分钟(6)协助患者取舒适位6101210645 指导正确指导患者 46 处置用物、生活垃圾、医疗废弃物分类正确处置 47 记录洗手,记录使用部位、时间、效果及患者反应 68 评价(1)操作规范,遵循安全原则(2)与患者及家属沟通及时,体现人文关怀,患者对服务满意(3)使用烤灯过程中无不良事件发生2449 得分(准备+评估+操作程序+提问)得分×整体评价得分烤灯的使用护理操作技术【目的】消炎、解痉、镇痛、促进创面干燥结痂、保护肉芽组织生长。
【用物准备】红外线灯或鹅颈灯。
必要时备有色眼镜、屏风。
【指导内容】1、告知患者及家属使用烤灯的目的、作用、方法。
2、说明使用烤灯的注意事项及治疗效果。
【注意事项】1、根据治疗部位选择不同功率灯泡:胸腹腰背500~1000w手足部250w,(鹅颈灯40~60w)。
2、胸前、面颈部照射时,注意保护患者眼睛,应戴有色眼镜或用纱布遮盖眼睛。
3、意识不清、局部感觉障碍、血液循环障碍、瘢痕者,治疗时应加大灯炬,防止烫伤。
4、加强巡视,随时检查局部皮肤情况,注意观察患者反应,如患者出现过热、心慌。
头昏等不适时应及时处理。
医用烤灯操作流程及注意事项下载温馨提示:该文档是我店铺精心编制而成,希望大家下载以后,能够帮助大家解决实际的问题。
文档下载后可定制随意修改,请根据实际需要进行相应的调整和使用,谢谢!并且,本店铺为大家提供各种各样类型的实用资料,如教育随笔、日记赏析、句子摘抄、古诗大全、经典美文、话题作文、工作总结、词语解析、文案摘录、其他资料等等,如想了解不同资料格式和写法,敬请关注!Download tips: This document is carefully compiled by theeditor. I hope that after you download them,they can help yousolve practical problems. The document can be customized andmodified after downloading,please adjust and use it according toactual needs, thank you!In addition, our shop provides you with various types ofpractical materials,such as educational essays, diaryappreciation,sentence excerpts,ancient poems,classic articles,topic composition,work summary,word parsing,copy excerpts,other materials and so on,want to know different data formats andwriting methods,please pay attention!医用烤灯操作流程。
1. 准备工作:确认患者身份及治疗部位。
烤漆房红外线烤灯操作流程及注意事项嘿,各位朋友!今天咱就来聊聊这烤漆房红外线烤灯那点儿事儿。
要操作这玩意儿,第一步,那可得好好检查一下。
就跟咱出门前得照照镜子整理整理一样,看看这烤灯有没有啥毛病,线路是不是都接好了,可别到时候“掉链子”。
然后呢,嘿,打开开关,让它亮起来!这时候你就感觉自己像个掌控光明的大师,哈哈。
不过注意啦,可别眼睛直勾勾地盯着那灯看太久,不然啊,小心你的眼睛被它“闪瞎”咯。
在烤的时候,你得注意调整距离。
离得太近了,就像夏天你离火炉太近一样,感觉能把你的宝贝物件儿给烤糊咯;离得太远呢,又没啥效果,就好比冬天你离暖气太远,根本感受不到温暖一样。
所以啊,这个距离得拿捏好,就像谈恋爱一样,不能太近也不能太远。
还有哦,别以为打开就万事大吉了。
咱得像照顾小狗一样时不时去瞅瞅,看看烤得怎么样了,要是感觉温度太高或者太低,那就赶紧调整,不然到时候出了问题,那可有你哭的。
另外啊,在使用过程中,可千万别在旁边放啥易燃物。
你想想,这烤灯温度那么高,要是旁边有个易燃的东西,那不就像个小火苗碰到了火药桶,“砰”的一下就炸了呀。
所以,咱得时刻保持警惕,别给自己惹麻烦。
最后,用完了可别拍拍屁股就走人。
记得把这宝贝烤灯关掉,好好清理一下周围,让它干干净净地休息,下次才能更好地为你服务呀。
总之呢,用这烤漆房红外线烤灯就跟打仗一样,要小心谨慎,但也别太紧张,该大胆的时候就大胆。
只要咱按照步骤来,注意这些小细节,那就能轻松搞定,让你的工作顺顺利利的。
别害怕,它就是个工具,咱得驾驭它,而不是让它来驾驭咱。
好啦,今儿就说到这儿,祝大家都能成为操作烤灯的大师傅哟!。
TDP操作流程
一、准备
1.操作者准备:着装规范、洗手。
2.评估:病情、意识状态、合作程度、伤口部位、解释、问二便。
3.用物准备:红外线灯、湿纱布、软尺。
二、具体布骤
1.携用物至床旁,接通电源,选择适当功率。
2.核对患者床号、姓名等基本信息,做好解释,取得患者配合,协助患
者取适当体位。
3.暴露患处,必要时用屏风遮挡,其他部位予以保暖。
4.将烤灯对准患处,测量灯距,一般30-50cm为宜。
5.照射面颈部及前胸部时,用湿纱布遮盖患者眼睛或戴有色眼镜。
6.设定照射时间,一般为20-30min,随时观察局部皮肤,桃红色为宜。
7.照射完毕,整理用物,协助患者取舒适体位,洗手,记录。
TDP操作评分标准
考生姓名所在科室主考老师考核日期。
医学烤灯的使用流程1. 概述医学烤灯是一种常用于医疗诊断和手术操作中的设备,主要用于照明和局部加热等功能。
本文将介绍医学烤灯的使用流程,具体包括准备工作、操作步骤和注意事项等内容。
2. 准备工作在使用医学烤灯之前,需要进行以下准备工作:1.确认设备:检查医学烤灯是否完好,没有损坏或故障。
2.准备场地:确保手术室或诊疗室清洁整齐,可供烤灯安置和操作。
3.材料准备:备好所需的消毒剂、纱布、手套等相关材料。
3. 操作步骤下面是医学烤灯的使用步骤:1.将烤灯放置在需要照亮或加热的适当位置,确保它能够提供所需的照明和加热效果。
2.打开烤灯电源开关,确保插头已经插入电源插座。
3.调整灯光亮度和角度,以满足手术或诊疗操作的需要。
一般来说,手术需要较高亮度和较精确的照射角度,而诊疗操作则可能需要适当减小亮度并调整角度以避免干扰。
4.使用烤灯进行照明时,应将其放置在适当的位置,使其照射到需要观察或操作的区域。
确保照射区域清晰可见。
5.如果需要使用烤灯加热某个区域,适当调整灯光的位置和角度,将其照射在需要加热的区域上,但要注意避免过热和烫伤。
6.操作完成后,及时关闭烤灯电源开关,并将插头拔出电源插座。
4. 注意事项在使用医学烤灯的过程中,需要注意以下事项:1.定期检查烤灯设备是否存在损坏和故障,避免在使用过程中产生意外。
2.使用烤灯时要注意照明和加热效果的合理性,确保手术或诊疗操作的顺利进行。
3.注意避免烤灯过热造成烫伤或引发其他安全隐患,在使用过程中注意控制加热时间和温度。
4.操作结束后,及时关闭烤灯电源,避免浪费电力并减少安全风险。
5.使用过程中要保持烤灯周围的清洁,并定期进行清洁和消毒。
5. 总结医学烤灯是医疗诊断和手术操作中必备的设备之一。
本文介绍了医学烤灯的使用流程,包括准备工作、操作步骤和注意事项等方面。
正确使用医学烤灯,可以提高诊疗质量和手术成功率,保障患者的健康和安全。
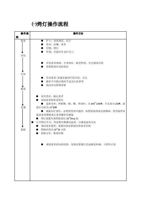
二、作业内容 1.核实并评估病人,做好解释
核实病人,给家属或病人做好必要解释
2,接通电源,打开开关
注意电源线连接,勿牵扯脱漏,必要时使用移动式插线板。
3 .调节好照射强度及时间
一般中强度,时间为20-30分钟。
4 .再次核实病人照射部位,调节烤灯位置
注意核实病人需要照射的部位,面部者,注意保护病人眼睛勿受红外线照射;烤灯距离病人皮肤20-30cm,以不灼伤病人皮肤及病人自身感觉为宜。
5 .告知病人注意事项
在治疗时不能随意调节及移动,以免烫伤。
6 .再次检查烤灯的安全性
烤灯温度及与病人皮肤距离,以及烤灯放置是否稳固。
7,结束,安全移走烤灯
移走过程,注意烤灯头烫伤病人皮肤,放置刚使用后的烤灯,注意余热勿损伤其他物品。
远红外线烤灯操作标准作业流程
一、操作流程图。
汽车钣金烤灯安全操作规程1. 引言汽车钣金烤灯是一种常见的汽车维修和改装工具,用于修复和恢复车辆前照灯的外观和性能。
然而,正确和安全地操作汽车钣金烤灯至关重要,以确保操作人员以及周围的安全。
本文档旨在详细介绍汽车钣金烤灯的安全操作规程。
2. 操作前准备在进行汽车钣金烤灯操作之前,需要进行以下准备工作:•确保操作区域通风良好,以防止有害气体积聚。
•穿戴个人防护装备,如耐热手套、眼镜和防护服。
•检查烤灯设备的工作状态和电源接线,确保其正常运转。
•验证操作人员有足够的经验和技能进行操作或初次操作人员在专业人员的指导下进行。
3. 适用车型和灯具在进行操作之前,必须了解和确认操作对象的适用车型和灯具类型。
不同的车型和灯具可能有不同的操作步骤和要求。
如果不确定,可以参考相关维修手册或咨询专业人士。
4. 操作步骤步骤一:准备工作1.关闭车辆电源,确保烤灯设备断开电源供应。
2.移除车辆前保险杠和相关零部件,以便操作烤灯设备。
步骤二:灯具处理1.将车辆前照灯从车身上拆卸下来。
2.清洁灯具表面,确保无尘、无油污和其他污垢。
步骤三:烤灯操作1.将灯具放置在烤灯台上并固定好位置。
2.根据烤灯设备的说明书或专业人士的建议,设置适当的热温度和照射时间。
3.打开烤灯设备,开始烘烤灯具表面。
步骤四:灯具恢复1.经过一定时间的烘烤,关闭烤灯设备。
2.将烘烤过的灯具冷却一段时间,确保其温度降至安全操作范围内。
3.使用清洁布擦拭灯具表面,确保其表面清洁无划痕。
4.将恢复好的灯具重新安装到车身上。
5. 安全注意事项在进行汽车钣金烤灯操作时,必须牢记以下安全注意事项:1.避免在潮湿或易燃物附近操作烤灯设备。
2.不要将烤灯设备放置在不稳定或易倾倒的表面上。
3.不要将手指或其他器具接触烤灯设备的加热元件,以免造成烫伤。
4.不要长时间不间断地使用烤灯设备,以免导致过热和损坏。
5.在操作过程中,注意观察烤灯设备和灯具,如发现异常情况应立即停止操作并检查。