贴片机要具备的能力
- 格式:docx
- 大小:18.04 KB
- 文档页数:3
(整理)贴片机基础知识.贴片机基础知识一、贴片机的介绍拱架型(Gantry)元件送料器、基板(PCB)是固定的,贴片头(安装多个真空吸料嘴)在送料器与基板之间来回移动,将元件从送料器取出,经过对元件位置与方向的调整,然后贴放于基板上。
由于贴片头是安装于拱架型的X/Y坐标移动横梁上,所以得名。
这类机型的优势在于:系统结构简单,可实现高精度,适于各种大小、形状的元件,甚至异型元件,送料器有带状、管状、托盘形式。
适于中小批量生产,也可多台机组合用于大批量生产。
这类机型的缺点在于:贴片头来回移动的距离长,所以速度受到限制。
对元件位置与方向的调整方法:1)、机械对中调整位置、吸嘴旋转调整方向,这种方法能达到的精度有限,较晚的机型已再不采用。
2)、激光识别、X/Y坐标系统调整位置、吸嘴旋转调整方向,这种方法可实现飞行过程中的识别,但不能用于球栅列陈元件BGA。
3)、相机识别、X/Y坐标系统调整位置、吸嘴旋转调整方向,一般相机固定,贴片头飞行划过相机上空,进行成像识别,比激光识别耽误一点时间,但可识别任何元件,也有实现飞行过程中的识别的相机识别系统,机械结构方面有其它牺牲。
转塔型(Turret)元件送料器放于一个单坐标移动的料车上,基板(PCB)放于一个X/Y坐标系统移动的工作台上,贴片头安装在一个转塔上,工作时,料车将元件送料器移动到取料位置,贴片头上的真空吸料嘴在取料位置取元件,经转塔转动到贴片位置(与取料位置成180度),在转动过程中经过对元件位置与方向的调整,将元件贴放于基板上。
这类机型的优势在于:一般,转塔上安装有十几到二十几个贴片头,每个贴片头上安装2~4个真空吸嘴(较早机型)至5~6个真空吸嘴(现在机型)。
由于转塔的特点,将动作细微化,选换吸嘴、送料器移动到位、取元件、元件识别、角度调整、工作台移动(包含位置调整)、贴放元件等动作都可以在同一时间周期内完成,所以实现真正意义上的高速度。
目前最快的时间周期达到0.08~0.10秒钟一片元件。
SMT贴片机评估总结一、引言二、SMT贴片机的性能评估1.速度:SMT贴片机的速度是评估其性能的重要指标之一、高速贴片机可以在短时间内完成大量的元件贴合工作,从而提高生产效率。
2.精度:SMT贴片机的精度表示了其贴合元件的准确程度。
高精度的贴片机可以做到精确到毫米级的贴合,保证了电路板的质量和稳定性。
3.适用元件尺寸范围:SMT贴片机适用的元件尺寸范围也是评估其性能的重要指标之一、不同的贴片机可以支持不同尺寸的元件,需要根据生产需求选择合适的机器。
4.可靠性:SMT贴片机的可靠性影响着生产过程的稳定性和效率。
高可靠性的贴片机可以长时间稳定运行,减少生产中的故障率和停机时间。
5.操作简便性:SMT贴片机操作的简便性对操作人员的要求较低,可以减少操作人员的培训成本,提高工作效率。
三、SMT贴片机的优缺点评估1.优点:(1)高效率:SMT贴片机可以在短时间内完成大量的贴片工作,提高生产效率。
(2)高精度:SMT贴片机可以实现精确的元件贴合,保证了产品的质量和稳定性。
(3)自动化程度高:SMT贴片机具有自动上料、下料、检测等功能,减少了人工操作的工作量。
(4)适用范围广:SMT贴片机适用于不同尺寸和类型的元件,满足了不同产品的生产需求。
(5)灵活性高:SMT贴片机可以根据产品需求进行快速切换,节省了调整时间和人力资源。
2.缺点:(1)高成本:SMT贴片机的价格较高,需要较大的投资成本。
(2)对环境要求高:SMT贴片机对生产环境的要求较高,需要具备一定的洁净度和温湿度。
(3)学习成本高:SMT贴片机的操作较为复杂,需要进行专业培训,掌握一定的技能才能进行操作。
四、SMT贴片机的应用场景评估1.批量生产:SMT贴片机适用于大规模的批量生产场景,可以提高生产效率,降低生产成本。
2.高精度产品生产:SMT贴片机的高精度贴合特点适用于生产高要求精度的产品,如手机、平板电脑等电子产品。
3.多品种小批量生产:SMT贴片机可以根据产品需求进行快速切换,适应多品种小批量生产的需要,提高生产的灵活性和效率。
SMT贴片机的性能及贴片加工中材料的介绍现在LED灯饰行业发展速度很快,市场上SMT贴片机也是琳琅满目。
目前SMT进口贴片机已经逐渐在被SMT国产贴片机取代,虽然有人还对SMT国产贴片机心存怀疑,但是SMT国产贴片机就是有很多性能让它备受欢迎,比如说精准度、稳定性、耐用性、高速度还有易维护。
精准度:目前越来越多的LED产品为电源集成性即驱动电源不再与灯珠分开而是集成在同一块线路板上,驱动电源上有IC、电容、电阻、二极管等等电子元件,这些元件精度要求比较高,需要有一套视觉识别系统,将吸取的元件通过图像识别处理成所需要的贴装角度。
带视觉影像矫正功能的贴片机俗称视觉识别贴片机,可大大保障贴装精度。
稳定性:贴片机的稳定性不仅仅是看硬件配置,软件的功能和软硬件之间的配合尤为重要。
没有核心的软件技术,硬件也是应付,只想以底价换取市场份额,这样的贴片机是万万不可买的。
一次性买断软件不能升级,存在漏洞且可能与自身配套的硬件会有冲突造成事故。
硬件太差,在SMT贴片行业24小时的高速运转下容易烧坏、磨损和断裂。
耐用性:目前市场上一台SMT国产贴片机少则八九万,多则几十万,为什么价格会有那么大的差异,这就要看硬件配置了,好的贴片机核心配件用的是进口的名牌马达、丝杆和导轨,甚至电缆线都是世界一流的,而有些厂家使用的是国产贴牌马达、杂质丝杆、杂牌导轨,且丝杆和导轨非常细,这贴片机就不耐用。
高速度:市场竞争激烈LED灯饰行业SMT贴片价格日益低廉,这就要求提升贴片速度,比如一家工厂使用的贴片机一个小时贴15000CPH,而另一家工厂所使用的贴片一个小时可以贴25000CPH,两个工厂所用的场地、人工、管理等等费用都是一样的,显然后者的效益大很多,前者在市场竞争中肯定是会被淘汰的。
易维护:进口二手机器用了几十年了,都是别人淘汰的机器,结构复杂,零部件已经老化,更换频率和费用都很高,因为软件是外国文字,对操作人员的要求比较高,比较难找操作。
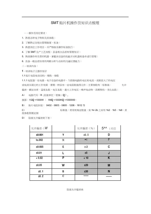
SMT贴片机操作员知识点梳理一、操作员岗位要求:1. 熟悉各种电子物料及其参数;2. 了解熟记各相关管理制度、标准;3. 熟悉岗位工作项目、并严格按各操作标准执行;4. 了解SMT生产工艺流程,具备相关品质和管理知识;5. 熟练操作所负责的机器,掌握该设备的性能并对机器和备件进行管理;6. 具备一般品质异常的判断分析与良好的沟通反馈能力;二、培训内容:1、培训电子元器件知识1.1贴片电阻电容结构、规格、参数1.1.1电阻器:在电器、电子设备的电路中,为控制电路的电压和电流,或使放大了的电压或电流实现它的工作效果,需要一种具有一定电阻数值得元件;主要参数有:标称值、允许偏差、额定功率、温度系数、电压系数、最大工作电压、噪声电动势、高频特性、老化系数;A)电路代号:R ;阻值单位:欧姆(Q),换算:1G Q =1000W ;1M Q =1000K Q =1000000。
B)贴片电阻封装:0402、0603、0805、1206、1812 等C)标称值:常用有规定数值,如1k~2k之间有1k2、1k5、1k8,其他参数则需定制D)阻值允许偏差如下表:阻值允许偏差表E) 额定功率:电阻器在直流或交流电路中,当在一定大气压(87kpa~107kpa) 和在规定温度(-55 C ~ 125 C)下,长期连续工作所能承受的最大功率;F) 电压系数:表示电阻器热稳定性随温度变化的物理量;表示温度每升高 1 度对应的电阻阻值的相对变化量;G) 电压系数:表示阻值与电压的关系,表示对外加电压的稳定程度;H) 最大工作电压:电阻器长期工作不发生过热或电击穿损坏等现象的电压;1.1.2 电容器:本身具有充放电的作用,可用于调谐、隔直流、滤波、交流旁路等,具体参数有:标称容量与允许偏差、额定工作电压、绝缘电阻、温度系数、电容器损耗、频率特性等A) 电容代号:C ,容量单位:法拉、微法、纳法、皮法;贴片电解电容单位一般用微法,贴片独石积层电容单位一般用皮法;换算:1 法拉=1000000 微法1 微法=1000 纳法=1000000 皮法B) 电解电容器封装为圆柱形;独石积层电容为长方形:封装有:0402、0603、0805、1206、1812 等C) 标称容量:便于生产和实际需要,国家规定了一系列容量值作为产品标准;容量误差:±0.05%、±0.1% 、±0.25% 、±0.5% 、±1% 、±2%、±5% 、±10%、±20%、±30%D) 额定工作电压:指在规定温度范围内,能够连续可靠工作的最高电压,又是分为额定直流工作电压和额定交流工作电压(有效值);其标准额定电压有: 6.3V、10V、16V、25V、35V、50V、63V、100V、160V、250V、300V、400V、450V、500V、630V、1000V、1600V、2000V 、2 500V 、3000V 、4000V 、5000V 、6300V 至100000vE) 绝缘电阻:等于加在电容两端的电压与电流的比值;F) 漏电流:电容介质并不是绝缘的,总会有些漏电,漏电流较大时,电容会发热,严重时会损坏(各电容材料参数都有漏电流标准);G) 频率特性:电容在交流电路工作时(高频工作),其电容量等参数随电场频率而变化的性质;H) 电容器损耗正切脚:表示电容能量损耗的大小;1.2 贴片晶体管结构和型号:一般为两个或三个引脚,晶体二极管和晶体三极管,其结构是一个或者两个PN 结组成,封装有:晶体二极管有圆柱形和长方形(有极性之分);晶体三极管为SOT-23/25/89/1431.3 贴片电感、连接器、变压器等结构、形状、参数贴片电感:封装有0603、0805、1206等,大功率电感也按圆柱形(根据磁芯形状) 连接器:主要为外形状、引脚数量、引脚间距等变压器:分初级和次级绕组,也属电感类,贴装时必须注意方向1.4 贴片IC 芯片封装IC 封装有:BGA 、SOP、SOJ、SOL、PQFP、LQFP、PLCC 、DIP 等1.5 贴片电子原件的包装、储存与防护:电子元器件包装有散装、卷带装、托盘装等,储存有效时间为1个月,环境要求控制温度(24±3C)和湿度(45%-75%)、防尘、防腐等,ft2、培训物料编码2.1培训物料编码知识:参考《物料编码规则》、《物料编码清单》3、设备操作知识培训3.1设备结构和操作功能键,附件使用的注意事项3.1.1设备结构:主要为机体、控制线路、操作面板、导轨、置料台、贴装头组件、PCB固定平台等3.1.2操作功能键:(参考设备说明书)3.1.3吸嘴:用碳化合金制作,硬度高,耐磨,较脆,嘴部有伸缩性;3.1.4飞达(料架):A. 飞达规格和选用:有8mm、12mm、16mm、24mm飞达,普通元件(圭寸装为0402、0603、0805、1206和小型晶体管等封装带宽为8mm )用8mm飞达,步进为4mm;其他根据物料的料带宽度而选用对应飞达,16mm飞达步进距离有4mm、8mm、12mm、16mm (可通过飞达气缸固定片调整),需根据物料间距进行选用调整;B. 使用与存放:飞达使用时应注意避免撞击,并须定期清洁保养,存放不能堆叠、受压,对于不用的飞达应固定于机器上(或放置于指定位置);3.2设备操作系统与设备开关机操作,开关机异常信息及处理3.2.1设备开关机:开关机时必须确认及内无异物,具体操作(参考设备操作文件)3.3正常生产设备操作3.3.1 备料与换料操作:应观察并根据物料使用状况提前上好将用完型号的物料(因不多于4 个飞达);物料应正确安装到位,飞达置于料台时应先将贴装头移离该位置,飞达应固定牢靠平整且双手操作;换料和操作应快速准确,并根据SMT 制成管制进行二次确认;换装IC 时注意方向,用16mm 飞达时要注意吸料位置的调整;3.3.2 过程操作:A 、生产效率方面注意机器利用率,每小时应核对是否达到标准产能,减少待机时间(照mark 点时间、待料时间、吸料时间、报警次数等进行分析); B 、品质控制方面应对生产产品进行抽检有无偏位等不良; C 、物料损耗控制方面应对设备异常记录(抛料)进行监测,对于超标的料站或物料进行处理并反馈拉组长、技术员或工程师对该不良进行改善控制;3.3.3换线操作:A 、订单完成时应将所有飞达卸离机器,拆除所有物料,清理机器所有物料、杂物、灰尘;同时对飞达进行清洁;B、操作员应把所有余料退给物料员,准备好新订单物料并上于飞达上;C、由技术员或指定人员进行设备程式更换操作,重新调整设备(PCB定位),并由操作员按照生产程式进行上料,上料完毕须由IPQC 进行二次确认;D、由技术人员进行首件生产并确认无品质异常(无偏位、漏贴、错铁等)后交由IPQC进行首件核对;3.3.4 过程记录:根据日生产状况进行记录设备运行状况并完成必须的记录;335交接班:A、每天下班时应清理废料盒里的废料,并交由拉组长进行分类处理B、操作员交接班时应把设备运行状况、出现异常等信息、设备附件、生产物料等进行交接;3.4 设备日、周、月保养操作3.4.1 参考《设备保养项目》3.4.2 参考设备使用说明书4、异常处理4.1 生产运行报警信息与处理4.1.1 真空不足:吸嘴堵塞或真空管道堵塞通知技术员更换吸嘴或对吸嘴、真空管道进行清洁;4.1.2 气压不足:检查机器供气接头是否漏气,并通知技术员或工程师处理;4.1.3 贴装头X、Y 位移溢出:手动移位溢出可开机运行后正常,如运行过程出现应通知工程师进行检查;4.1.4 PCB传送错误:A、进出传送不顺畅,PCB板尺寸异常,应反馈并对不良品尺寸交由IPQC 检测,同时反馈技术员进行改善;B、机器轨道问题,反馈技术员进行改善;4.1.4未贴装完毕产品处理:A、对于操作失误造成的应通知技术员进行重新送入机器补贴B、异常停机的通知技术员进行处理;4.1.5飞件或漏贴:A、吸嘴不良,应停机进行检查元件对应吸嘴B、真空不足,应通知技术员进行真空检查C、PCB 固定不良,检查PCB 固定状态4.1.6 偏位:A 、固定位置偏位且有规律,有技术员对坐标进行修改;B、PCB 固定不良(表面不平整、贴装时下沉、移位),检查并重新调整定位装置C、锡膏粘性不良引起,需由技术员干或工程师进行分析处理;4.2 停电或环境(雷电)处理:A 、遇到雷电天气时必须尽快清完待生产产品后待通知;B、停电时关闭设备电源、待供电后从新开机并将机内正生产产品进行处理;4.3 品质异常处理:未达到相关标准时必须进行反馈上司、设备技术员或工程师;4.4 抛料超标:报技术员、上司和相关人员进行处理;4.4 设备故障处理:应即时停机,由设备技术员或工程师解决并作记录;三、实际操作培训1. 开关机操作——正常开关机,断电异常开关机2. 机器的安全使用和注意事项:2.1 机器在远作时,不能将头,手,等各部位伸到机器里面.2.2 换物料时一定要先把机器停下来将安全门打开,或者按下紧急开关来换物料.2.3 如果遇到紧急事故,要先把紧急开关按下来,再通知设备技术人员来解决.3. 换料操作——飞达操作、普通物料换料、16mm 换料操作、盘装物料换料操作、stick 飞达使用3.1.换料时,要看清楚料的间距是多少,物料料带上孔与孔之间的标准距离是4mm,—般物料的间距为4mm。
SMT贴片机的性能考核指标有哪些SMT贴片机(Surface Mount Technology Placement Machine)是电子制造过程中的重要设备,用于将电子元件精确地贴片到印刷电路板(PCB)上。
其性能考核指标包括以下几个方面。
1.精度精度是SMT贴片机性能的最重要指标之一、它可以分为定位精度和重复精度两个方面。
定位精度是指贴片机在将元件精确贴片到PCB上的能力,常用的衡量指标是贴片偏差,即元件实际位置与目标位置之间的差异。
重复精度是指贴片机在多次重复贴片操作时的位置一致性。
2.速度贴片速度是描述SMT贴片机工作效率的指标之一、它通常以每小时贴片元件数或每分钟贴片点数来衡量。
在实际生产中,贴片速度对生产制造的效率和产能有直接影响。
3.稳定性稳定性是指SMT贴片机在长时间运行中的性能表现。
稳定性包括贴片机的运行稳定性和贴片结果稳定性。
运行稳定性是指设备在长时间运行中的机械运行、电子控制等方面的表现;贴片结果稳定性是指设备在长时间运行中贴片精度和贴片质量的一致性。
稳定性好的贴片机可以提高生产效率和贴片质量。
4.适用范围适用范围是指SMT贴片机能够处理的元件种类和尺寸范围。
不同的贴片机具有不同的适用范围,包括贴片元件的尺寸范围、引脚类型、封装形式等。
适用范围的宽度决定了贴片机的通用性和灵活性。
5.自动化程度自动化程度是衡量SMT贴片机自动化程度的指标,包括自动元件供料、自动PCB传输、自动贴片等功能。
自动化程度高的贴片机可以减少人工操作,提高生产效率和贴片质量。
6.可调节性可调节性是指SMT贴片机在贴片过程中的参数和功能是否可调节,以满足不同的贴片需求。
可调节性包括贴片速度、贴片力度、对不同形态元件的适应性等。
7.异常处理能力异常处理能力是指SMT贴片机在遇到异常情况时的处理能力。
异常情况可以是元件供料异常、PCB传输异常、贴片错误等。
贴片机应具备及时识别异常情况并采取相应措施的能力,以保证贴片的正常进行。
SMT贴片机的性能考核指标有哪些1.定位精度:贴片机的定位精度是指将元器件准确地贴装到PCB上的程度。
通常用X轴和Y轴的定位误差来衡量,单位为毫米或微米。
精度高的贴片机可以在高速运转下仍能保持准确的定位,从而提高贴装的效率和质量。
2. 贴装速度:贴装速度是指贴片机在单位时间内能处理的元器件数量。
速度的快慢会直接影响到整个贴装生产线的效率。
通常以每小时的贴装点数(PH)或家族(per family)表示。
高速度的贴片机能够提高生产效率,降低生产成本。
3.适应能力:贴片机的适应能力是指它能够贴装的元器件范围。
现代贴片机通常可以处理多种尺寸、封装和形状不同的元器件,如芯片元件、QFP封装、BGA封装等。
适应能力强的贴片机能够满足不同产品的生产要求,提高生产的灵活性。
4.支持的元器件精度:贴片机对于不同尺寸、封装等元器件的支持精度不同。
元器件精度是指贴片机能够准确识别、抓取和贴装的元器件的能力。
高精度的贴片机可以处理更小尺寸、更高精度的元器件,提高贴装的可靠性和一致性。
5.设备可靠性:贴片机的可靠性是指设备在连续运行中的稳定性和可用性。
一个可靠的贴片机能够长时间稳定运行,减少停机和故障的时间,提高生产效率。
6.操作便捷性:贴片机的操作便捷性是指设备的使用和维护是否简便易行。
一台操作便捷的贴片机能够降低操作难度和维修成本,提高操作人员的效率。
7.运行成本:运行成本是指设备的能耗、维修费用等相关费用。
一个低运行成本的贴片机能够降低生产成本,提高企业的竞争力。
总之,以上所述的性能考核指标是衡量SMT贴片机性能的关键因素,通过评估和对比这些指标,可以选择适合自己实际需求的贴片机设备。
贴片机操作规程一、引言贴片机是一种用于电子元器件贴装的自动化设备,广泛应用于电子制造行业。
为了确保贴片机的正常运行和操作人员的安全,制定本操作规程。
二、贴片机基本概述贴片机是一种通过自动化控制,将电子元器件精确地贴装在印刷电路板(PCB)上的设备。
它可以高效、精确地完成贴装任务,提高生产效率。
三、贴片机操作前的准备工作1. 确保贴片机及其周围环境清洁。
清除灰尘、杂物等,保持机器的正常运行。
2. 检查贴片机的电源线、通信线等连接是否牢固,确保设备正常供电和通信。
3. 检查贴片机的气源供应是否正常,确保气压稳定。
4. 检查贴片机的贴装头、吸嘴等贴装工具是否齐全、完好。
5. 检查贴片机的贴装材料(电子元器件、胶水等)是否充足。
四、贴片机操作步骤1. 打开贴片机的电源开关,确保设备正常开机。
2. 启动贴片机的控制软件,进行设备初始化。
3. 将待贴装的电子元器件按照规定的方式摆放在贴片机的供料器中。
4. 调整贴片机的参数设置,包括贴装速度、贴装力度、贴装角度等。
根据实际情况进行调整,确保贴装效果良好。
5. 进行样品贴装测试,检查贴装效果是否符合要求。
如有问题,及时调整参数或更换贴装工具。
6. 确认样品贴装测试通过后,开始进行批量贴装。
7. 监控贴片机的运行状态,及时处理异常情况,如卡料、漏贴等。
8. 完成贴装任务后,关闭贴片机的电源开关,清理贴装工具和工作区域。
五、贴片机操作注意事项1. 操作人员应经过专业培训,并具备一定的电子元器件贴装知识和技能。
2. 操作人员应佩戴防静电手套、工作服等防护装备,确保操作安全。
3. 在操作过程中,应注意贴装材料的存放和使用,避免受潮、受热等情况。
4. 定期对贴片机进行保养和维护,如清洁、润滑、更换易损件等。
5. 在贴装过程中,严禁将手指、工具等物品放入贴片机工作区域,以免发生意外。
6. 如遇到贴装异常情况,应立即停机处理,并及时报告相关人员。
7. 在贴装过程中,应保持工作区域整洁,避免杂物堆积。
贴片机原理贴片机是一种用于电子元件贴片的自动化设备,它的工作原理是通过一系列精密的机械、光学和电子控制系统,将电子元件从供料器上取下,精准地放置到印刷电路板(PCB)上的特定位置。
在现代电子制造业中,贴片机已经成为了不可或缺的设备,它的高效、精准的贴片能力大大提高了电子制造的生产效率和质量。
首先,贴片机的工作原理是基于精密的运动控制系统。
在贴片机的运作过程中,电子元件需要从供料器上被取下,并被精准地放置到PCB上。
这就需要贴片机具备高精度的运动控制能力,以确保元件的准确贴片。
贴片机通常采用的是伺服电机驱动,通过精密的控制系统实现各个轴向的运动控制,从而实现元件的取放和定位。
其次,贴片机的工作原理还依赖于精密的视觉识别系统。
在贴片过程中,贴片机需要准确地识别PCB上的贴片位置,以及电子元件的位置和方向。
这就需要贴片机配备高分辨率的视觉识别系统,通过相机和图像处理算法实现对PCB和元件的精准识别。
这样,贴片机才能在高速运行的同时,准确地将元件贴片到PCB上的指定位置。
此外,贴片机的工作原理还包括了精密的元件供料系统。
在贴片过程中,电子元件需要从供料器上被取下,并被精准地放置到PCB上。
为了实现高效的贴片,贴片机配备了多个供料器,每个供料器上装载着不同规格和型号的电子元件。
通过精密的供料系统,贴片机能够高效地实现不同元件的快速切换和贴片。
最后,贴片机的工作原理还依赖于精密的控制软件。
贴片机的运行需要依赖于复杂的控制软件,通过对运动控制、视觉识别、元件供料等系统的精准控制,实现整个贴片过程的自动化和高效运行。
控制软件不仅需要具备高度的稳定性和可靠性,还需要具备良好的人机交互界面,以方便操作人员对贴片机进行监控和调整。
总的来说,贴片机作为现代电子制造中的重要设备,其工作原理是基于精密的运动控制、视觉识别、元件供料和控制软件等多个方面的综合应用。
通过这些精密的技术和系统的协同作用,贴片机能够实现高效、精准的电子元件贴片,为电子制造业的发展提供了重要的技术支持。
SMT贴片机的性能考核指标SMT贴片机(Surface Mount Technology Placement Machine),是一种用于电子元器件贴装的自动化设备。
其性能考核指标主要包括速度、精度、可靠性、柔性等。
以下将逐一分析这些指标。
速度是衡量SMT贴片机性能的一个重要指标。
它通常指的是SMT贴片机每小时能够完成元器件的贴装数量。
速度的高低与设备的生产效率直接相关。
靠前的SMT贴片机速度通常能达到10万个焊点/小时以上。
高速的设备能够提高生产效率和产能,降低生产成本,适应高强度的生产要求。
精度是衡量SMT贴片机性能的另一个关键指标。
它是指贴装元器件的精确定位能力。
具体来说,精度可分为以下几个方面的考量,包括:坐标定位精度、贴装偏移精度、贴装角度精度和复杂元器件贴装精度。
高精度的设备能够确保元器件的准确位置,保证电路的正常工作。
目前,SMT贴片机的精度一般在几十微米到几百微米之间。
可靠性是指SMT贴片机长时间稳定运行的能力,包括抗干扰能力、抗震动能力、抗磨损能力等。
这些性能指标保证设备在恶劣的环境条件下仍然可以正常运行,减少设备故障对生产的影响,提高设备的稳定性。
柔性是指SMT贴片机适应不同尺寸和类型的元器件的能力。
随着电子产品的不断发展,元器件的类型和尺寸呈多样化趋势。
因此,SMT贴片机需要具备良好的柔性,能够灵活调整和适应不同尺寸、形状和材料的元器件贴装工艺。
除了以上指标,还有一些辅助指标也需要考虑。
例如,设备的故障率是指设备在一定时间内发生故障的概率,高可靠性的设备具有低故障率;设备的易用性包括操作界面友好性、编程简单性等等。
另外,还有一些可选的指标可根据企业的具体需求进行考虑,如软件系统的稳定性、后期维护等。
总而言之,SMT贴片机的性能考核指标主要包括速度、精度、可靠性和柔性等。
正确评估和选择合适的机器是企业提高生产效率、降低成本、提升竞争力的重要一环。
贴片机-贴片机完好标准和回流焊炉完好标准1.主要性能指标1.1可贴装元件的种类、规格、贴片方向、基板尺寸、贴片范围符合说明书指标;1.2贴片速度:以1608片状元件测试CPH贴装率不小于标称的IPC9850速度的60%,或SPC速度不大于标称速度的2倍;1.3飞片率不大于3‰;2.操作系统2.1各种指示灯、按键、操作手柄外观完整,操作、显示正常;2.2计算机系统工作正常;2.3输入输出系统工作正常;3.机械部分3.1各传送皮带、链条、连接销杆完整,无老化损坏现象;3.2各传动导轨、丝杠运转平稳协调,无异常杂音,无漏油现象;4.空压控制部分4.1驱动气缸、电磁阀以及配管、连接头无异物堵塞、无松动漏气。
驱动气缸及电磁阀工作正常,无杂音;4.2压缩空气的干燥过滤装置齐全完好;4.3贴片头真空度不小于500mmHg;5.贴装精度:即元件中心与对应焊盘中心线的最大偏移量,不超过元件焊脚宽度的1/3(目测);或异常偏移发生率不大于3‰。
6.仪器、仪表外观完好,指示准确,读数醒目,在合格使用期限内;7.设备内外定期保养,保持清洁,无油污,无锈蚀,周围附具备件等排列有序,设备润滑良好。
波峰焊机完好标准1.助焊剂涂复装置1.1调整装置操作灵活,接头完好、无漏气;1.2 涂复装置发泡形式:发泡效果80%均匀,形成气泡约为0.5~1.5mm大小(目测);滚筒喷溅式:滚筒转动均匀平稳无杂音,网壁无堵塞,无集中破损,气喷口无堵塞;喷雾式:喷口无堵塞,移动扫描运转正常;1.3附带的助焊剂液面显示清晰,无堵塞;2.预热器:预加热器无损伤,温度调节控制器工作正常;3.焊锡槽:3.1焊锡槽温度调整符合设备说明书;3.2焊锡波峰高度调节灵敏,保持稳定。
泵体运转平稳,无噪音;4.可调节导轨调节自如,且保持平行。
调节宽度符合设备说明书;5.传输链平稳正常,速度调节符合设备说明书,且精度控制在±0.1m/分以内;6.电器装置齐全,管线排列有序,性能灵敏可靠。
全自动贴片机技术指标全自动贴片机是现代电子制造过程中不可或缺的重要设备之一,其主要用途是在PCB(Printed Circuit Board,印刷电路板)上快速、准确地粘贴各种电子元器件。
全自动贴片机的技术指标直接关系到其生产效率、贴片精度和设备的稳定性。
下面将从几个关键方面介绍全自动贴片机的技术指标。
1.贴片速度:全自动贴片机的贴片速度是指每小时可以粘贴的元件数量。
通常,贴片速度会受到元件种类、PCB尺寸和粘贴精度的影响。
现在市场上的高速贴片机的贴片速度通常可以达到几万个元件每小时。
2.粘贴精度:贴片机的粘贴精度是指元件在粘贴过程中的精确位置。
通常,精度越高,说明机器的粘贴能力越强。
精确的粘贴位置对于电子元器件的可靠性和电气性能都有很重要的影响。
普通全自动贴片机的粘贴精度在±0.05mm左右,而高端的贴片机可以达到更高的精度。
3.尺寸适应能力:全自动贴片机需要适应不同尺寸的PCB板和电子元器件。
这需要机器能够调整和自适应不同尺寸的元件并保持高质量的粘贴。
现在市场上的贴片机通常具有很强的尺寸适应能力,可以满足大多数生产需求。
4.供料方式:供料方式是指将元器件提供给贴片机的方式。
全自动贴片机通常采用了多种供料方式,如卷带供料、板上直接供料、管装供料等。
不同的供料方式有不同的适用场景,可以根据需要选择合适的供料方式。
5.稳定性和可靠性:全自动贴片机的稳定性和可靠性是评估设备质量的重要指标。
稳定的设备可以长时间工作而不会出现故障或质量问题。
质量好的贴片机通常采用优质的结构和材料,配备了稳定的控制系统,可以保证设备的稳定性和可靠性。
6.操作界面:全自动贴片机的操作界面是指用户与设备进行交互的界面。
良好的操作界面可以提高操作的便利性和效率。
现在的贴片机通常配备了直观、易用的操作界面,使得操作人员可以轻松地进行操作和监控设备运行状态。
7.设备维护和支持:全自动贴片机作为一种重要的制造设备,需要定期维护和支持。
SMT贴片机的性能考核指标有哪些一、贴装速度贴装速度是指在一定范围内,每个元器件的安装时间,料架是固定的。
芯片器件当前贴装在高速计算机上速度:0.06-0.03s:多功能机一般是中速机。
QFP的贴装速度为1?2s,芯片组件的放置速度为0.3?0.6s。
当前的多功能机也可以达到0.2s之内。
如果对于大批量SMT贴片,贴装速度越高那么交付率就越高。
根据IPC9850标准(贴装机验收标准),贴装速度用CPH表示,即每小时在200mm×200mm贴装区域内放置的零件数量。
大型组件(如芯片组件和QFPS)以不同的速度贴装。
例如,芯片组件的贴装速度大于或等于12000cph,而QFP的贴装速度大于或等于1800cph。
二、贴装角度贴装角度一般为0°?360°,分辨率为0.1°?0.001°。
三、元器件吸率组件吸力率是指准确拾取和放置的能力。
以%表示,越大越好。
例如组件吸力率为99.9%,即允许放置和放置1000个构件的抛掷少于1个构件。
更少的抛掷率对于SMT贴片加工来说是考验产品质量的关键。
四、贴装区域放置区域取决于放置机的传送轨迹和放置头的移动范围。
通常,最小PCB尺寸为50 mmx50 mm,最大PCB尺寸应大于250 mmx30 mm。
不同制造商的机器的最大贴装区域不同。
同一类型机器的最大PCB尺寸通常分为三个规格:大,中和小。
例如:日本JUKI贴装机的贴装面积有以下几种规格(单位:mm):PCB允许长x宽=330×250~50×x50:410×360~50x50510x360~50×x50:510×460~50×50以上是深圳市靖邦电子有限公司对SMT贴片机功能的几点介绍,希望对您有所帮助!。
全自动贴片机技术指标全自动贴片机是一种用于电子器件贴片的先进设备,其技术指标对于提高生产效率和质量至关重要。
下面将就全自动贴片机的技术指标进行详细介绍。
一、贴装能力全自动贴片机的最重要技术指标之一是其贴装能力。
贴装能力是指机器能够贴装的电子元件的种类和规格。
通常情况下,全自动贴片机可以贴装的元件种类包括:SOP、QFP、BGA、CSP等。
而其贴装规格则包括元件尺寸、引脚间距等。
整体而言,全自动贴片机的贴装能力决定了其适用的贴装任务范围。
二、贴装速度贴装速度是指全自动贴片机完成单位时间内的贴装数量。
这个指标直接关系到生产效率,因此对于生产线的高效运作至关重要。
全自动贴片机的贴装速度通常以每小时贴装数量(CPIH)来表示。
技术领先的全自动贴片机能够达到每小时上万个元件的贴装速度。
三、定位精度定位精度是全自动贴片机另一个重要的技术指标。
它表示了贴装机器能够精确将电子元件放置到PCB上的能力。
定位精度主要由两个因素决定:视觉系统的分辨率和运动控制系统的稳定性。
较高的定位精度可以保证元件的正确放置,避免焊接错误,提高产品的质量。
四、贴装可靠性全自动贴片机的贴装可靠性是指贴装完成后元件的稳定性和可靠性。
这包括元件的机械稳定性、焊接质量和耐久性等。
全自动贴片机通过控制定位精度、贴装力度以及温度等因素,确保贴装的元件在长时间使用中不会脱落或出现焊接瑕疵,从而提高产品的可靠性。
五、自动调节功能全自动贴片机的自动调节功能是指其能够根据元件和PCB特性自动调整机器的参数和动作,以达到最佳的贴装效果。
通过自动调节功能,全自动贴片机能够在不同贴装任务中进行快速切换,并根据元件和PCB的特性进行相应的调整,提高贴装的稳定性和一致性。
通过对以上技术指标的全面了解,可以更好地选择适合生产需求的全自动贴片机。
在实际应用中,我们需要根据产品的要求和生产线的情况,综合考虑以上技术指标,并选择适合的全自动贴片机,以提高贴装效率、提升产品质量,实现生产线的自动化和智能化。
自动贴片机对提高生产线柔性度的关键因素分析生产线柔性度是指制造企业能够快速适应市场需求变化、灵活调整生产计划和生产流程的能力。
随着市场竞争的加剧和消费者需求的多样化,制造企业需要将生产线打造得更加灵活高效。
自动贴片机作为现代生产线的重要设备之一,对提高生产线的柔性度起着至关重要的作用。
本文将从技术、人力资源和管理三方面对自动贴片机对提高生产线柔性度的关键因素进行分析。
首先,技术是提高生产线柔性度的基础。
自动贴片机应具备高速高精度、快速切换产品、自动化调节等特点,以应对多品种小批量生产的需求。
首先,高速高精度是保证生产效率和产品质量的前提。
自动贴片机应具备快速稳定的贴片速度和精确的贴片精度,以充分利用生产线的时间和资源。
其次,快速切换产品是提高生产线柔性度的关键,自动贴片机应具备快速更换贴片头、快速更换程序等功能,以实现生产线的快速调整和切换。
此外,自动化调节功能使得自动贴片机能够根据不同产品的特性和要求,自动调节参数和工艺,以提高生产线适应不同产品的能力。
其次,人力资源是提高生产线柔性度的重要因素。
自动贴片机的技术虽然先进,但离开了熟练的操作人员和维护人员的配合,无法发挥出应有的作用。
熟练的操作人员应具备对自动贴片机的熟悉程度和操作技能,能够熟练地调节和维护设备,以保证生产的稳定性和质量。
此外,熟练的维护人员能够及时发现故障、进行维修和保养,保证设备的正常运行,减少生产线停机造成的损失和影响。
为了培养和留住这些熟练的人才,制造企业需要提供持续的培训和职业发展机会,激励其动力,保持其对自动贴片机及相关技术的持续学习和更新。
最后,管理是提高生产线柔性度的关键环节。
良好的管理能够让自动贴片机的技术和人力资源发挥出最大的效用。
首先,生产计划管理是重要的一环。
企业需要根据市场需求和产品特性,合理制定生产计划,将不同类型的产品进行统筹安排,合理利用自动贴片机的生产能力和资源,提高生产线的生产效率和柔性度。
其次,优化的生产流程是关键。
贴片机要具备的能力
SMT是一项综合技术。
贴片机是SMT生产线中极其关键的设备之一。
简述贴片机的制造技术:
贴片机是机-电-光以及计算机控制技术的综合体。
它通过吸取-位移-定位-放置等功能,实现了将SMD元件快速而准确地贴装到PCB板所指定的焊盘位置。
贴片机虽然品种繁多,下面以科亚迪贴片机为例:
现将其加以分述:
一、贴装头
从电装机器人的概念来说,贴装头就是一只智能的机械手,它能按要求拾取元件,精确地贴放到预置的焊盘上。
a.元件拾放(此文由深圳市金狮王科技有限公司提供又称SMT之家)
拾取元件一般是采用真空负压的吸嘴吸住元件,它结构简单便于维护,近年这种产生负压的微型真空发生器组件已经成为多家公司的系列产品,专供贴装头的设计者选用。
在拾放的动作中,吸嘴在做Z方向的移动时,既要拾放速度快,而且还要平稳。
早期的吸嘴Z方向移动是选用微型气缸完成的,在近十年的使用中发现气缸易磨损,寿命短,噪音大。
目前不少新机型都选用了新颖的机电一体化传动杆代替,使Z向运动状态都可以控制,大大提高Z方向运动综合性能。
b.吸嘴
当真空负压产生之后吸嘴是直接接触SMD元件的零件,吸嘴孔的大小与SMD元件的外形有每一台贴片机都有一套实用性很强吸嘴。
为了贴片机适应不同元件的贴装,所以还配有一个自动更换吸嘴的装置。
吸嘴与吸管之间还有一个弹性补偿的缓冲机构,保证在拾取过程对贴片元件的保护,提高元件的贴装率。
c.气动电磁阀
贴装头的微型气动电磁是贴装头上又一个重要组件,它管理着移动和拾放等功能,随贴片机的发展集成电磁阀组亦有了相当大的发展,有些单个电磁阀厚度仅为10-18毫米。
而且电磁铁驱动功率小,一般电路的驱动电平都可直接驱动,随着市场的不断发展,这些新颖的气动都能从市场上采购,给贴片机的设计开发提供有利条件。
d.元件的定位
贴片头的元件定位系统是贴片质量的一个重要环节,也是研究贴片技术难点之一,当被贴元件吸住元件之后,元件就处于不移稳定的悬浮状态。
早期的技术用机械爪进行被动定位,从而解决了早期贴片机的元件定位问题,但必竟是机械方式,机械制造中的各种误差,直接反映到元件定位的质量,特别是贴片速度提高时,机械的噪音,零件的磨损和精度的寿命等都限制了纯机械定位爪的进一步发展。
近年视觉系统的采样技术,伺服机构,计算机图像处理等,已经改变了单纯用机械来解决定位问题。
而是用非接触的红外,激光对中系统,并在移动过程中对偏离值进行自动修正。
e.元件旋转
当吸嘴头吸持器件移动定位时,大部分元件都作一定量的回转运动(q角),首先是修正板上元件的安装轴线和元件在移动过程中轴线的角度(q’角),其二是解决送料器上元件与PCB 板元件焊盘轴线的角度差(q ”角)q = q’+q”修正元件贴装角度偏差的这一机构,早其采用开环步进电机控制,通过小型同步皮带进行回转操作。
现在一些新颖的贴片机已被一些专用微电机所代替,使机构的性能有很大的提高。
为了提高贴片速度在贴片头都采用了多吸嘴的组合,它的操作程序都由计算机精密控制。
f. 其他
使贴头各机构能协同工作安装着多种形式的传感器,有效地协调贴片的工作状态。
当贴片功能决定之后,贴片头总体结构设计就成了贴片机的关键,贴片头是一个高速运动的组件要提高精度就必须减小它的重量和体积,所以设计一个结构凑功能全齐的贴片头,也是贴片的设计重点。
在设计贴片头之前要多研究分析各种贴装的特点,还要充分由集机电一体化技术发展的各种器件性能,结构、材料等,如传感器,微电机,激光器,真空发生器,视觉识别系统,微型电磁阀,微型珠滚丝杆等。
对设计方案还要进行大量工艺研究和实践的摸索和试验,克服各种不正常现象如飞片,立片,漏片等,不然是无法研究自已的贴片头,假如贴片是采用国外引进的,那么你的贴片机国产化的水平永远将是滞后的。
g完成贴装头设计后如何制造也是一个棘手的问题,一般说,加工最好是加工中心或数控机床,这类设备上进行,以达到高精度效率。
由于加工尺寸的离散性小,能保证装配上的要求。
二、承载机构
PCB板的承载机构,有承载平台,真空支撑杆,PCB板移动的传输带,固定位PCB板的定位销钉,反映定位状态的传感器、PCB板的压板,PCB板在这承载平台上传动平稳,定位准确。
贴片机和所有机械设备一样,还有一个承载框架,以前常用金属型材和钢板等材料,通过焊接方法制造,随着贴片机速度精度的提高,对框架基座的稳定性提出了更高的要求,近几年国外不少机型又选用机床设备传统的铸件结构,我国的铸造技术有相当水平,这一工艺技术又便于一般的小批量生产,这也是我们开发贴片机的一个有利条件。
三、片机X-Y座标传动的伺服系统
贴片机X-Y座标传动伺服系统有两种形式,一种是PCB板作X-Y方向的正交运动。
另一种方法是由贴片头作X-Y座标平移运动,而PCB板仍定位在一定精度的承载平台上。
这两种相对运动的方法都是为了将被贴的元件准确拾放到PCB板的焊盘上。
a.X-Y机构的有关参数
驱动X / Y二维运动构件的参数也是贴片机精度的关键,假如贴片装头它的直线移动速度为1米/秒,滚珠丝杆的导程为20毫米,那么当贴片头移动1米,丝杆需要旋转50转,伺服电机的转速达到3000转/分,如果伺肥电机的反馈码盘取4000线,它每转就产生4000脉冲。
若对20毫米导程的丝杆,那么每脉冲的移为5毫米,在3000转/分的条件反馈脉冲的输出频率要达到200千赫,伺服电机的工作,实际是一组采样数据的控制系统,它是由电脑直接控制,负责接受位移参数指令,采集位置传感器的反馈信号,计算机控制函数(即控制规律),以及产生数字形式的控制信号。
数字形式的控制信号,数字形式控制信号经过D/A转换和伺服放大后,驱动执行机构,使输出轴上贴片头跟踪被贴元件PCB板上位置的指令运动,从而组成数字闭环控制系统。
在系统控制设计之后就需要有一组的合理结构装置和相应的传动元件。
b.X-Y结构按装
X-Y的二维运动都是在X/Y轴的导轨上进行。
驱动的动力伺服电有步进电机等,它们都应很好的动态特性和位置精度,承载运动件导轨是运动导向精度的关键零件。
目前,大部分的精刻滚珠直线导轨,这种导轨摩擦系数小,精度高,寿命长,安装维护方便,便于标准化生产,常用直线轴承导轨的断面形状也有多种,在机构形式上也有大跨距双丝杆的横梁结构,单悬肩双导轨式等。
在导轨安装时要保证两导轨在空间平行,并保持水平工作面,导轨应直线性好,并不应有扭弯等几何变形,滚珠丝杆与伺服电机联结处,有一个高精度高性能的弹性联轴器有效地消除安装过程中产生的不同轴不同心等现象。
从目前市场供货情况来看交流伺服电机,高精度大导程滚珠丝杆,小型伺服电机,传动轴上联轴器等都可从市场选购,这也是有利确保贴片的
设计和生产质量。
四、自从贴片机问世以来,贴片机的控制都是由电脑解决,所以每台贴片机都有它自已的一套操作软件,它有种位号输入输出和一个良好的操作程序,随着计算机技术的发展,Windows操作平台上软件的编制和操作的高智能化、可视化,而使得显视屏上的人机界面都有很大的改进和创新,又由于计算机辅助设计CAD技术的高,电路CAD设计版本不断升级如Protel软件使贴片机的智能化水平有很大的发展。
对国产贴片机研制与生产途径的思考
1.贴片机的状况
从二十世纪八十年代开始,在国家的大力支持下,国内一些研究所、大学、大厂就开展SMT 生产线中各种设备(指印、贴、焊等设备)的研制工作。
至今精密印刷机、波峰焊机、回流焊机都已有国产机型供应市场。
唯独全自动国产贴片机仍是空白。
2. 反思与探讨
进口全自动贴片机仍然一统国内SMT领域的局面,使我们认为,仿制和引进的方法来解决设备国产化。
这十几年的实践证明仿制和引进对一般家电产品赶上国际潮流是有效的。
但对于技术含量的具有相当知识产权的贴片机来说,简单仿制是难以奏效的。
当年全国有四家研究所进行了贴片机的研制,虽然他们都完成各自的研制课题和样机,取得了一定的成绩,但最后都无法将成果应用到生产线上去。
为此,我们认为要使国产全自动贴片机早日问世,应注意以下几点:
A.更新观念,走出单一仿制,紧跟SMT发展,研制出适合我国企业要求的新机型。
B.新设计的贴片机应在SMT的服务与生产过程中不断完善,使之尽快实用化,商品化。
C.研制与生产者应认识生产工艺对SMT设备研制的重要性。
D.只有充分重视自我人才的培养,才能真正做到新技术的创新和发展。