互感器型号大全含义
- 格式:doc
- 大小:35.50 KB
- 文档页数:10
电流互感器型号代表什么意思LM2-06.05型AS12/1506/2S型AS2/1756/2S型LAZBJ-12型回答:LM2-06.05型电流互感器是“树脂浇注式电流互感器”L--电流互感器M--母线型2--设计序号06--额定电压为0.6KV05--额定电压为0.5KVAS12/150b/2S型电流互感器是“环氧树脂全封闭支柱式电流互感器” 它的国内型号为:LZZBJ9-12 150b/2SL—电流互感器Z—支柱式Z—浇注绝缘B—带保护级J—加大容量9—设计序号12—额定电压(12KV)150b—浇注体宽度为150mm2S—热稳定电流时间AS12/175b/2S型电流互感器也是“环氧树脂全封闭支柱式电流互感器” 它的国内型号为:LZZBJ9-12 175b/2S与上面的区别在于它的浇注体宽度变为175mmLAZBJ-12型电流互感器是“穿墙式全封闭电流互感器”L—电流互感器A—穿墙式Z--浇注绝缘B—带保护级J—加大容量12—额定电压(12KV)一般来说,国产电流互感器型号字母的含义如下:第一个字母:。
L--电流互感器第二(或三)个字母:A--穿墙式;M--母线型;B--支柱式;绝缘方面,C为瓷绝缘,S为塑料注射绝缘;D--单匝贯穿式;W--户外式;F--复匝式;G--改进型;Y--低压式;Z--浇注绝缘或支柱式;Q--母线型;K--塑料外壳;J--浇注绝缘或加大容量。
第四(或五)个字母:B--保护级;C--差动保护;D--D级;J--加大容量;Q--加强型。
连字符后的字母:GH--高海拔地区使用;TH--湿热地区使用。
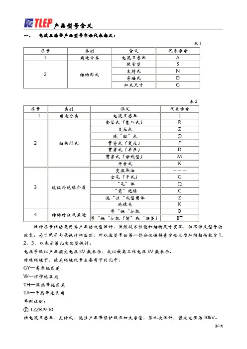
一、电流互感器产品型号字母代表意义:
设计序号指的是同类产品的改型设计,虽然技术性能和结构尺寸变化,但不涉及型号的改变。
为了便于与原设计相区别,所以在型号的第一部分汉语拼音字母之后加阿拉伯数字1,2,3,以表示第几次改型设计。
电压等级以产品额定电压kV数表示,或以最高工作电压kV数表示。
特殊环境下,使用环境代号主要有下列几中:
GY—高原地区用
W—污秽地区用
TH—温热带地区用
TA—干热带地区用
举例说明:
①LZZBJ9-10
指电流互感器、支持式、浇注产品带保护级且加大容量,第九次设计,额定电压为10kV。
②AS12/150b/2,4; AS12/175h/2,4; AS12/175h/2,4; AG12/225f/4
指电流互感器狭窄型最高工作电压12kV,产品宽度分别为150mm,175 mm,185 mm。
二、电压互感器产品型号字母代表意义:
举例说明:
①JDZ6-10
第六次改型设计、浇注绝缘、单相电压互感器、额定电压为10kV。
②REL10
小型单相接地长方形电压互感器10kV系统用。
电流互感器及电压互感器型号含义说明PT型号含义说明第1位:J—PT第2位:D—单相;S—三相;C—串级;W—五铁芯柱第3位:G—干式;J—油浸;C—瓷绝缘;Z—浇注绝缘;R—电容式;S—三相第4位:W—五铁芯柱;B—带补偿角差绕组;连字符号后面:GH—高海拔;TH—湿热区CT型号含义说明第1位:L—CT第2或3位:A—穿墙式;M—母线型;B—支柱式;C—瓷绝缘;S—塑料注射绝缘;D—单匝贯穿式;W—户外式;F—复匝式;G—改进型;Y—低压式;Z—浇注绝缘式支柱式;Q—母线型;K—塑料外壳;J—浇注绝缘或加大容量第4或5位:B—保护级;C—差动保护;D—D级;J—加大容量;Q—加强型例:LZZBJ9-10A3GL 电流互感器Current transformerZ 支柱式Post typeZ 浇注式Casting typeB 带保护级Wity protective classJ 加强型Reinforced type9 设计序号Design Number10 额定电压(kV)Highest voltage for equipment(kV)A3G 结构代号Structure codeLFZ-10QL 电流互感器Current transformerF 复匝式Z 浇注式Casting type10 额定电压(kV)Highest voltage for equipment(kV) Q 结构代号Structure codeLZZ-10L 电流互感器Current transformerZ 支柱式Post typeZ 浇注式Casting type10 额定电压(kV)Highest voltage for equipment(kV)LMZB7-10GYW1L 电流互感器Current transformerM 母线式Busbar typeZ 浇注式Casting typeB 带保护级Wity protective class7 设计序号Design Number10 额定电压(kV)Highest voltage for equipment(kV) GYW1 高原污秽Plateau DirtyLDZB6-10Q 来源:L 电流互感器Current transformerD 单匝式Z 浇注式Casting typeB 带保护级Wity protective class6 设计序号Design Number10 额定电压(kV)Highest voltage for equipment(kV) Q 结构代号Structure codeLDJ2-10L 电流互感器Current transformerD 带触头盒J 加强型Reinforced type6 设计序号Design Number10 额定电压(kV)Highest voltage for equipment(kV)LZZJ-10L 电流互感器Current transformerZ 支柱式Post typeZ 浇注式Casting typeJ 加强型Reinforced type10 额定电压(kV)Highest voltage for equipment(kV)LFSQ-10QL 电流互感器Current transformerF 封闭式Hermetical typeS 手车式Handcart typeQ 加强型Reinforced type10 额定电压(kV)Highest voltage for equipment(kV)Q 结构代号Structure codeLCZ-35QL 电流互感器Current transformerC 手车式Handcart type 请登陆:输配电设备网浏览更多信息Z 浇注式Casting type35 额定电压(kV )Highest voltage for equipment(kV)Q 结构代号Structure codeJDZ(X)-3,6,10J 电压互感器Voltage transformerD 单相Single phaseZ 浇注式Casting typeX 带剩余电压绕组With residual voltage winding 3,6,10 电压等级(kV)Voltage class(kV)JDZ(X)10-3,6,10J 电压互感器Voltage transformerD 单相Single phaseZ 浇注式Casting typeX 带剩余电压绕组With residual voltage winding10 设计序号Design Number3,6,10 电压等级(kV)Voltage class(kV)JDZF7-10GYW1J 电压互感器Voltage transformerD 单相Single phaseZ 浇注式Casting typeF 带剩余电压绕组With residual voltage winding7 设计序号Design Number10 电压等级(kV)Voltage class(kV)GYW1 高原污秽Plateau DirtyLM2-06.05型电流互感器是“树脂浇注式电流互感器”L--电流互感器M--母线型2--设计序号06--额定电压为0.6KV05--额定电压为0.5KVAS12/150b/2S型电流互感器是“环氧树脂全封闭支柱式电流互感器”它的国内型号为:LZZBJ9-12150b/2SL—电流互感器Z—支柱式Z—浇注绝缘B—带保护级J—加大容量9—设计序号12—额定电压(12KV)150b—浇注体宽度为150mm2S—热稳定电流时间AS12/175b/2S型电流互感器也是“环氧树脂全封闭支柱式电流互感器”它的国内型号为:LZZBJ9-12175b/2S与上面的区别在于它的浇注体宽度变为175mmLAZBJ-12型电流互感器是“穿墙式全封闭电流互感器”L—电流互感器A—穿墙式Z--浇注绝缘B—带保护级J—加大容量12—额定电压(12KV)一般来说,国产电流互感器型号字母的含义如下:第一个字母:L--电流互感器第二(或三)个字母:A--穿墙式;M--母线型;B--支柱式;绝缘方面,C为瓷绝缘,S为塑料注射绝缘;D--单匝贯穿式;W--户外式;F--复匝式;G--改进型;Y--低压式;Z--浇注绝缘或支柱式;Q--母线型;K--塑料外壳;J--浇注绝缘或加大容量。
认识互感器型号英文字母含义一、电流互感器型号LCZ-35Q# v @: T, c- d* ?( mL 电流互感器 Current transformerC 手车式 Handcart type- U, X/ g1 i- H6 j$ YZ 浇注式 Casting type0 v3 f, n7 O- z& `1 R; i. L35 额定电压(kV) Highest voltage for equipment(kV)4 R. @: t4 v% `8 r9 tQ 结构代号 Structure codeLDZB6-10Q$ a- |! a' M; _% z1 K' NL 电流互感器 Current transformer9 A8 L2 v {# B$ f9 p! v! W+ KD 单匝式8 f6 y) s5 _' G& K; JZ 浇注式 Casting typeB 带保护级 Wity protective class6 设计序号 Design Number$ m2 x# A. l7 Y* T& K5 n' b10 额定电压(kV) Highest voltage for equipment(kV)/ O2 V2 q9 J0 c6 HQ 结构代号 Structure code5 n' U3 Q& G4 N3 j) ZLDJ2-10L 电流互感器 Current transformer; H. j/ [2 m, p* b: D& lD 带触头盒 F6 h9 p- s( ^ V& TJ 加强型 Reinforced type6 设计序号 Design Number6 Q' Q' p; q5 D: k9 @' U10 额定电压(kV) Highest voltage for equipment(kV)% f5 a4 c0 B3 C/ W: Z3 T( ~: o- [8 I$ ]5 b/ h8 `+ }LFSQ-10Q# u. _& Z d7 n6 d* eL 电流互感器 Current transformerF 封闭式 Hermetical type 2 m0 G# i4 t3 A! M& Z& c& }) V% _S 手车式 Handcart type9 k% a. [4 N9 M! gQ 加强型 Reinforced type10 额定电压(kV) Highest voltage for equipment(kV)Q 结构代号 Structure codeLMZJ1-0.5L:电流互感器;9 @/ Z8 L: G8 T8 r# nM:母线式;8 ^3 Q- h; J* d* Q! u+ ?Z:树脂浇注;5 u0 D: k ]/ T. d3 E MJ:加大容量;1 L9 t. y! s6 z9 ], O, @1:设计序号;0.5:额定电压500V6 N' w- T: f3 V, a: `/ @2 X Z) w( h+ z$3 H- ~2LMZB7-10GYW11 s' $ ?; _# Q# DL 电流互感器 Current transformer3 i* m# J1 U: e7 v! N# v3 o M 母线式 Busbar typeZ 浇注式 Casting typeB 带保护级 Wity protective class/ [! U0 k& u- k2 `9 e4 K0 p7 设计序号 Design Number10 额定电压(kV) Highest voltage for equipment(kV)GYW1 高原污秽 Plateau Dirty8 a* m1 h' g; i m* T& W' P( @, l2 iLXK-φ120LX——电缆型K——开合式120——内径7 e, {# c% B+ L/ T, VLZZJ-10L 电流互感器 Current transformer# h, W- H& j) @! S. o; R' m/ wZ 支柱式 Post typeZ 浇注式 Casting typeJ 加强型 Reinforced type10 额定电压(kV) Highest voltage for equipment(kV)E- M/ A8 k4 h5 ~LZZBJ9-10L 电流互感器Z 支柱式Z 浇注式B 带保护级 $ H& r- U, Y: n) K$ uJ 加强型 7 A, g. {% O6 ]. U h C6 w/ S& ^9 设计序号 6 N6 M( C/ _/ W' O10 额定电压(kV)) e- I( w0 L1 g2 K; u* e) `4 K. d$ L/ w8 }, u# D6 t二、电压互感器型号a1 B# o8 c; i- D/ O7 h% H. |JDZ(X)-3,6,104 h0 y& j k6 ]; K, J! @2 QJ 电压互感器 Voltage transformer3 I( |' }7 a5 s, r4 ND 单相 Single phase) q3 _# f# G( A- FZ 浇注式 Casting typeX 带剩余电压绕组 With residual voltage winding3 C* J/ J; T+ z4 x2 e& g) |3,6,10 电压等级(kV) Voltage class(kV)' e' A( + i7 ?' Y1 gJDZ(X)10-3,6,107 y; J# l$ W8 l# `0 Y9 n; _( JJ 电压互感器 Voltage transformerD 单相 Single phase2 K4 T1 ?6 L+ c' W0 SZ 浇注式 Casting typeX 带剩余电压绕组 With residual voltage winding10 设计序号 Design Number3,6,10 电压等级(kV) Voltage class(kV)+ H' t! J9 i- H/ c! ?5 R1 k( G8 K6 b2 D1 c, gJDZF7-10GYW11 v- t3 W' n9 O( W* U& U; MJ 电压互感器 Voltage transformerD 单相 Single phaseZ 浇注式 Casting typeF 带剩余电压绕组 With residual voltage winding7 设计序号 Design Number10 电压等级(kV) Voltage class(kV): V$ g) N$ y' c# x, N( mGYW1 高原污秽 Plateau DirtyJSZV-6R 1 [& n5 W: i4 Q7 H fJ 电压互感器 3 W3 {5 V* a. t' G6 x$ @S 三相Z 绕注式 ; T4 r1 T4 w( x$ y+ OV V形接法 # X2 q3 m1 o `8 |' u4 e6 额定电压kV P. Y- N1 I% |4 OR 带熔断器' u- t8 a7 b( ~/ S7 d8 ~' a2 sJDZXF14-6 3 ~3 x* Q2 P+ z1 @3 E/ x% ?& [ J 电压互感器 1 {' b$ G) V% ' o1 |- W. E8 n# Z D 单相 ; H4 `0 V' w* s! t6 l: NZ 绕注式 - ?2 K4 h3 J5 P) F* |X 带剩余电压绕组F 带三个二次绕组 0 C2 i) s+ o. X- h) p1 Y' K: U14 设计序号6 额定电压kV ( q/ o4 }! H+ W/ G& _2 r% X P' ~+ d. z L& Z; }JSJV-10Q / K' [3 T8 Y+ V* l2 }- @J 电压互感器S 三相 5 u$ ^. w$ n# F8 _J 油式绝缘 5 I- |6 S. _8 hV “V”式接线10 电压电压(kV) * D% l! w; }/ q6 K. H aQ 全工况 ) @! D$ B5 R% N+ Q+ T8 k% . p9 Q1 eJSZW-10J 电压互感器S 三相 # J4 Q9 ~/ U4 E7 y7 x7 d0 |. i _ Z 浇注式W 五注铁心 $ Q0 `. |6 X U3 Q10 电压电压(kV)PT: plential transformervoltage transformer - U* A8 b# r$ T CT: current transformer。
电流互感器型号的含义电流互感器的型号由字母符号及数字组成,通常表示电流互感器绕组类型、绝缘种类、使用场所及电压等级等。
字母符号含义如下:第一位字母:L——电流互感器。
第二位字母:M——母线式(穿心式);Q——线圈式;Y——低压式;D——单匝式;F——多匝式;A——穿墙式;R——装入式;C——瓷箱式。
第三位字母:K——塑料外壳式;Z——浇注式;W——户外式;G——改进型;C——瓷绝缘;P——中频。
第四位字母:B——过流保护;D——差动保护;J——接地保护或加大容量;S——速饱和;Q——加强型。
字母后面的数字一般表示使用电压等级。
例如:LMK-0.5S型,表示使用于额定电压500V及以下电路,塑料外壳的穿心式S级电流互感器。
LA-10型,表示使用于额定电压10kV电路的穿墙式电流互感器。
LZZBJ9-10A3GL 电流互感器Current transformerZ 支柱式Post typeZ 浇注式Casting typeB 带保护级Wity protective classJ 加强型Reinforced type9 设计序号Design Number10 额定电压(kV)Highest voltage for equipment(kV)A3G 结构代号Structure codeLFZ-10QL 电流互感器Current transformerF 复匝式Z 浇注式Casting type10 额定电压(kV)Highest voltage for equipment(kV)Q 结构代号Structure codeLZZ-10L 电流互感器Current transformerZ 支柱式Post typeZ 浇注式Casting type10 额定电压(kV)Highest voltage for equipment(kV)LMZB7-10GYW1L 电流互感器Current transformerM 母线式Busbar typeZ 浇注式Casting typeB 带保护级Wity protective class7 设计序号Design Number10 额定电压(kV)Highest voltage for equipment(kV)GYW1 高原污秽Plateau DirtyLDZB6-10QL 电流互感器Current transformerD 单匝式Z 浇注式Casting typeB 带保护级Wity protective class6 设计序号Design Number10 额定电压(kV)Highest voltage for equipment(kV) Q 结构代号Structure codeLDJ2-10L 电流互感器Current transformerD 带触头盒J 加强型Reinforced type6 设计序号Design Number10 额定电压(kV)Highest voltage for equipment(kV)LZZJ-10L 电流互感器Current transformerZ 支柱式Post typeZ 浇注式Casting typeJ 加强型Reinforced type10 额定电压(kV)Highest voltage for equipment(kV)LFSQ-10QL 电流互感器Current transformerF 封闭式Hermetical typeS 手车式Handcart typeQ 加强型Reinforced type10 额定电压(kV)Highest voltage for equipment(kV) Q 结构代号Structure codeLCZ-35QL 电流互感器Current transformerC 手车式Handcart typeZ 浇注式Casting type35 额定电压(kV )Highest voltage for equipment(kV) Q 结构代号Structure codeJDZ(X)-3,6,10J 电压互感器Voltage transformerD 单相Single phaseZ 浇注式Casting typeX 带剩余电压绕组With residual voltage winding3,6,10 电压等级(kV)V oltage class(kV)JDZ(X)10-3,6,10J 电压互感器Voltage transformerD 单相Single phaseZ 浇注式Casting typeX 带剩余电压绕组With residual voltage winding 10 设计序号Design Number3,6,10 电压等级(kV)V oltage class(kV)JDZF7-10GYW1J 电压互感器Voltage transformerD 单相Single phaseZ 浇注式Casting typeF 带剩余电压绕组With residual voltage winding7 设计序号Design Number10 电压等级(kV)V oltage class(kV)GYW1 高原污秽Plateau Dirty一、电流互感器型号LZZBJ9-10A3GL 电流互感器Current transformerZ 支柱式Post typeZ 浇注式Casting typeB 带保护级Wity protective classJ 加强型Reinforced type9 设计序号Design Number10 额定电压(kV)Highest voltage for equipment(kV) A3G 结构代号Structure codeLFZ-10QL 电流互感器Current transformerF 复匝式Z 浇注式Casting type10 额定电压(kV)Highest voltage for equipment(kV) Q 结构代号Structure codeLZZ-10L 电流互感器Current transformerZ 支柱式Post typeZ 浇注式Casting type10 额定电压(kV)Highest voltage for equipment(kV)LMZB7-10GYW1L 电流互感器Current transformerM 母线式Busbar typeZ 浇注式Casting typeB 带保护级Wity protective class7 设计序号Design Number10 额定电压(kV)Highest voltage for equipment(kV) GYW1 高原污秽Plateau DirtyLDZB6-10Q 来源:/doc/a915035752.html, L 电流互感器Current transformerD 单匝式Z 浇注式Casting typeB 带保护级Wity protective class6 设计序号Design Number10 额定电压(kV)Highest voltage for equipment(kV)Q 结构代号Structure codeLDJ2-10L 电流互感器Current transformerD 带触头盒J 加强型Reinforced type6 设计序号Design Number10 额定电压(kV)Highest voltage for equipment(kV) LZZJ-10L 电流互感器Current transformerZ 支柱式Post typeZ 浇注式Casting typeJ 加强型Reinforced type10 额定电压(kV)Highest voltage for equipment(kV) LFSQ-10QL 电流互感器Current transformerF 封闭式Hermetical typeS 手车式Handcart typeQ 加强型Reinforced type10 额定电压(kV)Highest voltage for equipment(kV)Q 结构代号Structure codeLCZ-35QL 电流互感器Current transformerC 手车式Handcart type 请登陆:输配电设备网浏览更多信息Z 浇注式Casting type35 额定电压(kV )Highest voltage for equipment(kV)Q 结构代号Structure codeJDZ(X)-3,6,10J 电压互感器Voltage transformerD 单相Single phaseZ 浇注式Casting typeX 带剩余电压绕组With residual voltage winding3,6,10 电压等级(kV)Voltage class(kV)JDZ(X)10-3,6,10J 电压互感器Voltage transformerD 单相Single phaseZ 浇注式Casting typeX 带剩余电压绕组With residual voltage winding10 设计序号Design Number3,6,10 电压等级(kV)Voltage class(kV)JDZF7-10GYW1J 电压互感器Voltage transformerD 单相Single phaseZ 浇注式Casting typeF 带剩余电压绕组With residual voltage winding7 设计序号Design Number10 电压等级(kV)Voltage class(kV)GYW1 高原污秽Plateau DirtyLM2-06.05型电流互感器是“树脂浇注式电流互感器”L--电流互感器M--母线型2--设计序号06--额定电压为0.6KV05--额定电压为0.5KVAS12/150b/2S型电流互感器是“环氧树脂全封闭支柱式电流互感器”它的国内型号为:LZZBJ9-12150b/2SL—电流互感器Z—支柱式Z—浇注绝缘B—带保护级J—加大容量9—设计序号12—额定电压(12KV)150b—浇注体宽度为150mm2S—热稳定电流时间AS12/175b/2S型电流互感器也是“环氧树脂全封闭支柱式电流互感器”它的国内型号为:LZZBJ9-12175b/2S与上面的区别在于它的浇注体宽度变为175mmLAZBJ-12型电流互感器是“穿墙式全封闭电流互感器”L—电流互感器A—穿墙式Z--浇注绝缘B—带保护级J—加大容量12—额定电压(12KV)一般来说,国产电流互感器型号字母的含义如下:第一个字母:L--电流互感器第二(或三)个字母:A--穿墙式;M--母线型;B--支柱式;绝缘方面,C为瓷绝缘,S为塑料注射绝缘;D--单匝贯穿式;W--户外式;F--复匝式;G--改进型;Y--低压式;Z--浇注绝缘或支柱式;Q--母线型;K--塑料外壳;J--浇注绝缘或加大容量。
电流互感器及电压互感器型含义大全HUA system office room 【HUA16H-TTMS2A-HUAS8Q8-HUAH1688】电流互感器及电压互感器型号含义说明PT型号含义说明第1位:J—PT第2位:D—单相;S—三相;C—串级;W—五铁芯柱第3位:G—干式;J—油浸;C—瓷绝缘;Z—浇注绝缘;R—电容式;S—三相第4位:W—五铁芯柱;B—带补偿角差绕组;连字符号后面:GH—高海拔;TH—湿热区CT型号含义说明第1位:L—CT第2或3位:A—穿墙式;M—母线型;B—支柱式;C—瓷绝缘;S—塑料注射绝缘;D—单匝贯穿式;W—户外式;F—复匝式;G—改进型;Y—低压式;Z—浇注绝缘式支柱式;Q—母线型;K—塑料外壳;J—浇注绝缘或加大容量第4或5位:B—保护级;C—差动保护;D—D级;J—加大容量;Q—加强型例:LZZBJ9-10A3GL 电流互感器 Current transformerZ 支柱式 Post typeZ 浇注式 Casting typeB 带保护级 Wity protective classJ 加强型 Reinforced type9 设计序号 Design Number10 额定电压(kV) Highest voltage for equipment(kV) A3G 结构代号 Structure codeLFZ-10QL 电流互感器 Current transformerF 复匝式Z 浇注式 Casting type10 额定电压(kV) Highest voltage for equipment(kV) Q 结构代号 Structure codeLZZ-10L 电流互感器 Current transformerZ 支柱式 Post typeZ 浇注式 Casting type10 额定电压(kV) Highest voltage for equipment(kV)LDZB6-10Q 来源:L 电流互感器 Current transformerD 单匝式Z 浇注式 Casting typeB 带保护级 Wity protective class6 设计序号 Design Number10 额定电压(kV) Highest voltage for equipment(kV) Q 结构代号 Structure codeLZZJ-10L 电流互感器 Current transformerZ 支柱式 Post typeZ 浇注式 Casting typeJ 加强型 Reinforced type10 额定电压(kV) Highest voltage for equipment(kV)LFSQ-10QL 电流互感器 Current transformerF 封闭式 Hermetical typeS 手车式 Handcart typeQ 加强型 Reinforced type10 额定电压(kV) Highest voltage for equipment(kV)Q 结构代号 Structure codeLCZ-35QL 电流互感器 Current transformerC 手车式 Handcart type 请登陆:输配电设备网浏览更多信息Z 浇注式 Casting type35 额定电压(kV ) Highest voltage for equipment(kV) Q 结构代号 Structure codeJDZ(X)10-3,6,10J 电压互感器 Voltage transformerD 单相 Single phaseZ 浇注式 Casting typeX 带剩余电压绕组 With residual voltage winding10 设计序号 Design Number3,6,10 电压等级(kV) Voltage class(kV)JDZF7-10GYW1J 电压互感器 Voltage transformerD 单相 Single phaseZ 浇注式 Casting typeF 带剩余电压绕组 With residual voltage winding7 设计序号 Design Number10 电压等级(kV) Voltage class(kV)GYW1 高原污秽 Plateau DirtyLM2-06.05型电流互感器是“树脂浇注式电流互感器”L--电流互感器M--母线型2--设计序号06--额定电压为0.6KV05--额定电压为0.5KVAS12/150b/2S型电流互感器是“环氧树脂全封闭支柱式电流互感器”它的国内型号为:LZZBJ9-12150b/2SL—电流互感器Z—支柱式Z—浇注绝缘B—带保护级J—加大容量9—设计序号12—额定电压(12KV)150b—浇注体宽度为150mm2S—热稳定电流时间AS12/175b/2S型电流互感器也是“环氧树脂全封闭支柱式电流互感器”它的国内型号为:LZZBJ9-12175b/2S与上面的区别在于它的浇注体宽度变为175mmLAZBJ-12型电流互感器是“穿墙式全封闭电流互感器”L—电流互感器A—穿墙式Z--浇注绝缘B—带保护级J—加大容量12—额定电压(12KV)一般来说,国产电流互感器型号字母的含义如下:第一个字母:L--电流互感器第二(或三)个字母:A--穿墙式;M--母线型;B--支柱式;绝缘方面,C为瓷绝缘,S为塑料注射绝缘;D--单匝贯穿式;W--户外式;F--复匝式;G--改进型;Y--低压式;Z--浇注绝缘或支柱式;Q--母线型;K--塑料外壳;J--浇注绝缘或加大容量。
互感器的型号含义由字母符号及数字组成,通常表示电流互感器绕组类型、绝缘种类、使用场所及电压等级等。
字母符号含义如下:第一位字母:J——电压互感器;L——电流互感器。
第二位字母:M——母线式(穿心式);Q——线圈式;Y——低压式;D——单匝式;F——多匝式;A——穿墙式;R——装入式;C——瓷箱式。
第三位字母:K——塑料外壳式;Z——浇注式;W——户外式;G——改进型;C——瓷绝缘;P——中频。
第四位字母:B——过流保护;D——差动保护;J——接地保护或加大容量;S——速饱和;Q——加强型。
字母后面的数字一般表示使用电压等级。
例如:LMK-0.5S型,表示使用于额定电压500V及以下电路,塑料外壳的穿心式S级电流互感器。
LA-10型,表示使用于额定电压10kV电路的穿墙式电流互感器。
常用互感器型号含义LZZBJ9-10A3GL电流互感器CurrenttransformerZ支柱式PosttypeZ浇注式CastingtypeB带保护级WityprotectiveclassJ加强型Reinforcedtype9设计序号DesignNumber10额定电压(kV)Highestvoltageforequipment(kV)A3G结构代号StructurecodeLFZ-10QL电流互感器CurrenttransformerF复匝式Z浇注式Castingtype10额定电压(kV)Highestvoltageforequipment(kV)Q结构代号StructurecodeLZZ-10L电流互感器CurrenttransformerZ支柱式PosttypeZ浇注式Castingtype10额定电压(kV)Highestvoltageforequipment(kV)LMZB7-10GYW1L电流互感器CurrenttransformerM母线式BusbartypeZ浇注式CastingtypeB带保护级Wityprotectiveclass7设计序号DesignNumber10额定电压(kV)Highestvoltageforequipment(kV)GYW1高原污秽PlateauDirtyLDZB6-10QL电流互感器CurrenttransformerD单匝式Z浇注式CastingtypeB带保护级Wityprotectiveclass6设计序号DesignNumber10额定电压(kV)Highestvoltageforequipment(kV) Q结构代号StructurecodeLDJ2-10L电流互感器CurrenttransformerD带触头盒J加强型Reinforcedtype2设计序号DesignNumber10额定电压(kV)Highestvoltageforequipment(kV) LZZJ-10L电流互感器CurrenttransformerZ支柱式PosttypeZ浇注式CastingtypeJ加强型Reinforcedtype10额定电压(kV)Highestvoltageforequipment(kV) LFSQ-10QL电流互感器CurrenttransformerF封闭式HermeticaltypeS手车式HandcarttypeQ加强型Reinforcedtype10额定电压(kV)Highestvoltageforequipment(kV) Q结构代号StructurecodeLCZ-35QL电流互感器CurrenttransformerC手车式HandcarttypeZ浇注式Castingtype35额定电压(kV)Highestvoltageforequipment(kV) Q结构代号StructurecodeJDZ(X)-3,6,10J电压互感器VoltagetransformerD单相SinglephaseZ浇注式CastingtypeX带剩余电压绕组Withresidualvoltagewinding3,6,10电压等级(kV)Voltageclass(kV)JDZF7-10GYW1J电压互感器VoltagetransformerD单相SinglephaseZ浇注式CastingtypeF带剩余电压绕组Withresidualvoltagewinding7设计序号DesignNumber10电压等级(kV)Voltageclass(kV)GYW1高原污秽PlateauDirty。
互感器型号1. 介绍互感器(或称为变压器)是一种将电能从一电路传输到另一电路的电气设备。
它通过电磁感应原理,在一侧的线圈中产生变化的磁场,从而诱导出在另一侧的线圈中的电压和电流。
互感器广泛应用于电力系统、电子设备、通信系统等领域。
本文将介绍几种常见的互感器型号,包括其功能、特点和使用场景。
2. 型号一:XX型互感器2.1 功能XX型互感器是一种高精度电流互感器,用于测量电流和保护电力系统设备。
它具有良好的线性范围和低失真,能够准确地测量高电流和低电流。
2.2 特点•高精度:XX型互感器具有较高的测量精度,误差控制在0.2%以内。
•宽工作范围:它能够在大范围的电流值下进行准确测量,适应不同电力系统的要求。
•轻便易用:XX型互感器体积小巧,安装简便,适合各种场景。
•电力系统:XX型互感器广泛应用于变电站、配电房等电力系统中,用于电流测量和保护设备。
•工业自动化:在工业过程控制中,XX型互感器常用于测量和监控电流信号。
•家用电器:一些家用电器如空调、电饭煲等也需要使用互感器进行电流测量和控制。
3. 型号二:YY型互感器3.1 功能YY型互感器是一种电压互感器,用于测量和监测电力系统中的电压。
它能够将高电压转换为低电压,以便进行测量和保护。
3.2 特点•高精度:YY型互感器具有高精度的电压转换能力,误差控制在0.2%以内。
•安全可靠:它能够将高电压转换为低电压,以降低意外触电风险。
•多功能:YY型互感器可与各种测量设备配合使用,满足不同应用需求。
•电力系统:YY型互感器广泛应用于变电站、配电房等电力系统中,用于测量和监测电压信号。
•工业控制:在工业自动化控制系统中,YY型互感器常用于电压测量和保护。
•新能源领域:随着可再生能源的发展,YY型互感器也被应用于风力发电、光伏发电等领域。
4. 型号三:ZZ型互感器4.1 功能ZZ型互感器是一种多功能互感器,可以同时测量电流和电压,并可用于监测功率、频率等电力参数。
互感器型号字母含义电流互感器型号LCZ-35QL 电流互感器C 手车式Z 浇注式35 额定电压(kV)Q 结构代号LDZB6-10QL-电流互感器 D-单匝式 Z-浇注式 B 带保护级 6 设计序号 10 额定电压(kV)Q 结构代号LDJ2-10L 电流互感器J 加强型6 设计序号10 额定电压(kV)LFSQ-10QL 电流互感器F 封闭式S 手车式Q 加强型10 额定电压(kV)Q 结构代号LMZJ1-0.5L:电流互感器; M:母线式; Z:树脂浇注; J:加大容量; 1:设计序号; 0.5:额定电压500V LMZB7-10GYW1L 电流互感器M 母线式Z 浇注式B 带保护级7 设计序号10 额定电压(kV)GYW1 高原污秽LXK-φ120LX——电缆型 K——开合式 120——内径LZZJ-10L 电流互感器Z 支柱式Z 浇注式J 加强型10 额定电压(kV)LZZBJ9-10L 电流互感器 Z 支柱式 Z 浇注式 B 带保护级 J 加强型 9 设计序号 10 额定电压(kV)二、电压互感器型号JDZ(X)-3,6,10J 电压互感器D 单相Z 浇注式X 带剩余电压绕组3,6,10 电压等级(kV)JDZ(X)10-3,6,10J 电压互感器D 单相Z 浇注式X 带剩余电压绕组10 设计序号3,6,10 电压等级(kV)JDZF7-10GYW1J 电压互感器D 单相Z 浇注式F 带剩余电压绕组7 设计序号10 电压等级(kV)GYW1 高原污秽JSZV-6RJ 电压互感器 S 三相 Z 绕注式 V V形接法 6 额定电压kV R 带熔断器JDZXF14-6J 电压互感器 D 单相 Z 绕注式 X 带剩余电压绕组 F 带三个二次绕组 14 设计序号 6 额定电压kV JSJV-10QJ 电压互感器 S 三相 J 油式绝缘 V “V”式接线 10 电压电压(kV) Q 全工况JSZW-10J 电压互感器 S 三相 Z 浇注式 W 五注铁心 10 电压电压(kV)。
电流互感器型号字母的含义一般来说,国产电流互感器型号字母的含义如下:第一个字母:l--电流互感器第二(或三)个字母:a--穿墙式;m--母线型;b--支柱式;绝缘方面,c为瓷绝缘,s为塑料注射绝缘;d--单匝贯穿式;w--户外式;f--复匝式;g--改进型;y--低压式;z--浇注绝缘或支柱式;q--母线型;k--塑料外壳;j--浇注绝缘或加大容量。
第四(或五)个字母:b--保护级;c--差动保护;d--d级;j--加大容量;q--加强型。
连字符后的字母:gh--高海拔地区使用;th--湿热地区使用。
例1:laj-10型电流互感器,变比为400/5、准确度3.0级、容量1.2ω,参数解释?l-电流互感器;a-穿墙式;j-接地保护或加大容量;10-用于额定电压10kv;400/5:一次电流为400a时,二次电流为5a;3.0级是准确度正负3.0%;容量1.2ω,指二次侧串接的设备总电阻,实际上是5a*5a*1.2ω=30va.其中,5a为二次侧额定电流。
例2:lm2-0.66型电流互感器是“树脂浇注式电流互感器”l--电流互感器m--母线型2--设计序号0.66--额定电压为0.6kvas12/150b/2s型电流互感器是“环氧树脂全封闭支柱式电流互感器”它的国内型号为:lzzbj9-12 150b/2sl—电流互感器z—支柱式z—浇注绝缘b—带保护级j—加大容量9—设计序号12—额定电压(12kv)150b—浇注体宽度为150mm2s—热稳定电流时间as12/175b/2s型电流互感器也是“环氧树脂全封闭支柱式电流互感器” 它的国内型号为:lzzbj9-12 175b/2s与上面的区别在于它的浇注体宽度变为175mmlazbj-12型电流互感器是“穿墙式全封闭电流互感器”l—电流互感器a—穿墙式z--浇注绝缘b—带保护级j—加大容量12—额定电压(12kv)lmz-0.66 φ22~φ62是底座安装式圆形电流互感器,具有良好的绝缘性能与防潮性能,二次线接线端带铅封用塑料罩,具备较强的防窃电功能。
电容式电压互感器型号的字母含义
电容式电压互感器是一种用于测量高电压的设备,常常在电力系统中使用。
其
型号通常由一组字母和数字组成,每个字母都代表着不同的含义。
以下是常见电容式电压互感器型号字母的含义解释:
1. C:代表电容式互感器。
这个字母表示这是一种电容式的电压互感器,与其
他类型的互感器(如电感式)有所区别。
2. V:表示电压。
这个字母表明这个互感器用于测量电压而不是电流或其他参数。
电容式电压互感器的主要功能是将高电压变换成低电压输出,以便测量和监测。
3. T:代表变压器。
变压器是电容式电压互感器的关键组件之一,用于将输入
电压降低到可测量的范围。
这个字母表明该型号具有变压器部分。
4. R:表示额定电阻值。
这个字母通常与后面的数字一起使用,表示额定电阻
值的数量级。
它对互感器的内阻和耐压能力有所描述。
5. N:代表额定电压比。
这个字母表示该互感器的额定电压比,即输入电压与
最终输出电压之间的比值。
它决定了互感器的放大能力和输出准确性。
6. L:表示低频。
有些电容式电压互感器适用于低频电压测量,该字母用于指
示这种型号的适用范围。
总而言之,电容式电压互感器型号中的字母有着特定的含义,可以表示互感器
的类型、用途、参数和适用范围等信息。
通过了解这些含义,用户可以更好地选择和使用适合自己需求的互感器。
电流互感器及电压互感器型号含义大全IMB standardization office【IMB 5AB- IMBK 08- IMB 2C】电流互感器及电压互感器型号含义说明PT型号含义说明第1位:J—PT第2位:D—单相;S—三相;C—串级;W—五铁芯柱第3位:G—干式;J—油浸;C—瓷绝缘;Z—浇注绝缘;R—电容式;S—三相第4位:W—五铁芯柱;B—带补偿角差绕组;连字符号后面:GH—高海拔;TH—湿热区CT型号含义说明第1位:L—CT第2或3位:A—穿墙式;M—母线型;B—支柱式;C—瓷绝缘;S—塑料注射绝缘;D—单匝贯穿式;W—户外式;F—复匝式;G—改进型;Y—低压式;Z—浇注绝缘式支柱式;Q—母线型;K—塑料外壳;J—浇注绝缘或加大容量第4或5位:B—保护级;C—差动保护;D—D级;J—加大容量;Q—加强型例:LZZBJ9-10A3GL 电流互感器 Current transformerZ 支柱式 Post typeZ 浇注式 Casting typeB 带保护级 Wity protective classJ 加强型 Reinforced type9 设计序号 Design Number10 额定电压(kV) Highest voltage for equipment(kV) A3G 结构代号 Structure codeLFZ-10QL 电流互感器 Current transformerF 复匝式Z 浇注式 Casting type10 额定电压(kV) Highest voltage for equipment(kV)Q 结构代号 Structure codeLZZ-10L 电流互感器 Current transformerZ 支柱式 Post typeZ 浇注式 Casting type10 额定电压(kV) Highest voltage for equipment(kV) Structure codeLZZJ-10L 电流互感器 Current transformerZ 支柱式 Post typeZ 浇注式 Casting typeJ 加强型 Reinforced type10 额定电压(kV) Highest voltage for equipment(kV) LFSQ-10QL 电流互感器 Current transformerF 封闭式 Hermetical typeS 手车式 Handcart typeQ 加强型 Reinforced type10 额定电压(kV) Highest voltage for equipment(kV)Q 结构代号 Structure codeLCZ-35QL 电流互感器 Current transformerC 手车式 Handcart type 请登陆:输配电设备网浏览更多信息Z 浇注式 Casting type35 额定电压(kV ) Highest voltage for equipment(kV)Q 结构代号 Structure codeJDZ(X)10-3,6,10J 电压互感器 Voltage transformerD 单相 Single phaseZ 浇注式 Casting typeX 带剩余电压绕组 With residual voltage winding 10 设计序号 Design Number3,6,10 电压等级(kV) Voltage class(kV)JDZF7-10GYW1J 电压互感器 Voltage transformerD 单相 Single phaseZ 浇注式 Casting typeF 带剩余电压绕组 With residual voltage winding7 设计序号 Design Number10 电压等级(kV) Voltage class(kV)GYW1 高原污秽 Plateau Dirty型电流互感器是“树脂浇注式电流互感器”L--电流互感器M--母线型2--设计序号06--额定电压为05--额定电压为AS12/150b/2S型电流互感器是“环氧树脂全封闭支柱式电流互感器”它的国内型号为:LZZBJ9-12150b/2SL—电流互感器Z—支柱式Z—浇注绝缘B—带保护级J—加大容量9—设计序号12—额定电压(12KV)150b—浇注体宽度为150mm2S—热稳定电流时间AS12/175b/2S型电流互感器也是“环氧树脂全封闭支柱式电流互感器”它的国内型号为:LZZBJ9-12175b/2S与上面的区别在于它的浇注体宽度变为175mmLAZBJ-12型电流互感器是“穿墙式全封闭电流互感器”L—电流互感器A—穿墙式Z--浇注绝缘B—带保护级J—加大容量12—额定电压(12KV)一般来说,国产电流互感器型号字母的含义如下:第一个字母:L--电流互感器第二(或三)个字母:A--穿墙式;M--母线型;B--支柱式;绝缘方面,C为瓷绝缘,S为塑料注射绝缘;D--单匝贯穿式;W--户外式;F--复匝式;G--改进型;Y--低压式;Z--浇注绝缘或支柱式;Q--母线型;K--塑料外壳;J--浇注绝缘或加大容量。
互感器型号字母含义电流互感器型号LCZ-35QL 电流互感器C 手车式Z 浇注式35 额定电压(kV)Q 结构代号LDZB6-10QL-电流互感器 D-单匝式 Z-浇注式 B 带保护级 6 设计序号 10 额定电压(kV)Q 结构代号LDJ2-10L 电流互感器J 加强型6 设计序号10 额定电压(kV)LFSQ-10QL 电流互感器F 封闭式S 手车式Q 加强型10 额定电压(kV)Q 结构代号LMZJ1-0.5L:电流互感器; M:母线式; Z:树脂浇注; J:加大容量; 1:设计序号; 0.5:额定电压500V LMZB7-10GYW1L 电流互感器M 母线式Z 浇注式B 带保护级7 设计序号10 额定电压(kV)GYW1 高原污秽LXK-φ120LX——电缆型 K——开合式 120——内径LZZJ-10L 电流互感器Z 支柱式Z 浇注式J 加强型10 额定电压(kV)LZZBJ9-10L 电流互感器 Z 支柱式 Z 浇注式 B 带保护级 J 加强型 9 设计序号 10 额定电压(kV)二、电压互感器型号JDZ(X)-3,6,10J 电压互感器D 单相Z 浇注式X 带剩余电压绕组3,6,10 电压等级(kV)JDZ(X)10-3,6,10J 电压互感器D 单相Z 浇注式X 带剩余电压绕组10 设计序号3,6,10 电压等级(kV)JDZF7-10GYW1J 电压互感器D 单相Z 浇注式F 带剩余电压绕组7 设计序号10 电压等级(kV)GYW1 高原污秽JSZV-6RJ 电压互感器 S 三相 Z 绕注式 V V形接法 6 额定电压kV R 带熔断器JDZXF14-6J 电压互感器 D 单相 Z 绕注式 X 带剩余电压绕组 F 带三个二次绕组 14 设计序号 6 额定电压kV JSJV-10QJ 电压互感器 S 三相 J 油式绝缘 V “V”式接线 10 电压电压(kV) Q 全工况JSZW-10J 电压互感器 S 三相 Z 浇注式 W 五注铁心 10 电压电压(kV)。
互感器的型号含义、精度等级————————————————————————————————作者: ————————————————————————————————日期:互感器的种类:ﻫﻫ油浸式电流互感器110kV及以上35-60kV27.5kV及以下浇注式电流互感器27.5kV及以上15-20kV10kV及以下发电机组用电流互感器发电机组用电流互感器发电机母线用电流互感器发电机母线用电流互感器GIS组合电器用电流互感器GIS组合电器用电流互感器ﻫ干式电流互感器干式电流互感器油浸式电压互感器110kV及以上35-60kV27.5kV及以下浇注式电压互感器27.5kV及以上15-20kV10kV及以下ﻫ组合式互感器组合式互感器零序电流互感器零序电流互感器ﻫ电容式电压互感器电容式电压互感器SF6气体电流互感器SF6气体电流互感器ﻫﻫ互感器型号字母含义:ﻫLCZ-35Q ﻫL电流互感器Current transformerC手车式Handcart typeZ浇注式Castingtype35 额定电压(kV)Highest voltage for equipment(kV) ﻫQ结构代号Structure code ﻫﻫLDZB6-10QL 电流互感器CurrenttransformerD 单匝式ﻫZ浇注式CastingtypeB 带保护级Wityprotective class6 设计序号Design Number10 额定电压(kV)Highest voltage for equipment(kV)Q结构代号Structure codeﻫﻫﻫLDJ2-10L 电流互感器Currenttransformer ﻫD带触头盒J 加强型Reinforced type ﻫ6设计序号Design Number10额定电压(kV) Highest voltage forequipment(kV) ﻫLFSQ-10QL 电流互感器CurrenttransformerF 封闭式Hermetical typeS手车式Handcart typeﻫQ 加强型Reinforced type10额定电压(kV)Highest voltage for equipment(kV)ﻫQ 结构代号Structure codeLMZJ1-0.5L:电流互感器; ﻫM:母线式;ﻫZ:树脂浇注;ﻫJ:加大容量; ﻫ1:设计序号;0.5:额定电压500V ﻫﻫﻫLMZB7-10GYW1L 电流互感器CurrenttransformerﻫM 母线式BusbartypeZ浇注式Casting type ﻫB带保护级Wity protective class7 设计序号Design Number10额定电压(kV) Highest voltage forequipment(kV)GYW1 高原污秽Plateau Dirty ﻫLXK-φ120 ﻫLX——电缆型120——内径ﻫﻫLZZJ-10 ﻫL 电流互感器Currenttransformer ﻫZ支柱式K——开合式ﻫPost type ﻫZ浇注式Casting typeJ加强型Reinforced type10 额定电压(kV) Highest voltage forequipment(kV)ﻫﻫLZZBJ9-10ﻫL 电流互感器Z 支柱式ﻫZ 浇注式ﻫB带保护级ﻫJ 加强型9设计序号10 额定电压(kV)ﻫﻫ二、电压互感器型号ﻫJDZ(X)-3,6,10ﻫJ 电压互感器Voltage transformerD 单相SinglephaseZ 浇注式Casting type ﻫX带剩余电压绕组With residual voltage winding3,6,10电压等级(kV)Voltage class(kV)ﻫJDZ(X)10-3,6,10 ﻫJ 电压互感器VoltagetransformerﻫD单相Single phaseZ 浇注式CastingtypeX 带剩余电压绕组With residual voltage winding10 设计序号DesignNumber3,6,10 电压等级(kV)Voltage class(kV)JDZF7-10GYW1ﻫJ电压互感器Voltage transformerD 单相Singlephase ﻫZ浇注式Casting type ﻫF 带剩余电压绕组With residual voltagewinding7 设计序号Design Number ﻫ10电压等级(kV) Voltage class(kV)GYW1 高原污秽PlateauDirtyﻫﻫJSZV-6RJ电压互感器S 三相Z 绕注式V V形接法ﻫ6额定电压kVﻫR带熔断器ﻫﻫJDZXF14-6J 电压互感器14设计序号ﻫ6额定电压kV D 单相ﻫZ 绕注式ﻫX带剩余电压绕组ﻫF带三个二次绕组ﻫﻫﻫJSJV-10Q ﻫJ电压互感器ﻫS三相J 油式绝缘ﻫV“V”式接线10电压电压(kV)Q全工况JSZW-10ﻫJ 电压互感器S三相Z 浇注式W五注铁心10 电压电压(kV)LXK-φ120LX——电缆型120——内径ﻫK——开合式ﻫLZZBJ9-10 ﻫL 电流互感器ﻫZ 支柱式ﻫZ浇注式ﻫB 带保护级ﻫJ 加强型9 设计序号ﻫ10 额定电压(kV) ﻫﻫJSZV-6R ﻫJ电压互感器S三相Z绕注式ﻫVV形接法6 额定电压KVR 带熔断器JDZXF14-6 ﻫJ电压互感器ﻫD单相ﻫZ绕注式ﻫX带剩余电压绕组14设计序号ﻫ6额定电压KV ﻫﻫJSJV-10QF带三个二次绕组ﻫJ 电压互感器S三相ﻫJ油式绝缘V“V”式接线ﻫ10 电压电压(kV)Q全工况ﻫﻫJSZW-1010电压电压(kV)J电压互感器ﻫS 三相ﻫZ浇注式ﻫW 五注铁心ﻫﻫJDG-0.5 380/100V ﻫJ 电压互感器D单相ﻫG干式JDZXF14-6J 电压互感器D 单相ﻫZ 绕注式ﻫX 带剩余电压绕组14设计序号F带三个二次绕组ﻫ6 额定电压kV数字标示:JDZX10-10C 10/√3/0.1/√3/0.1/3KVﻫ半绝缘电压互感器。
1.互感器的分类
1按用途分为:电压互感器和电流互感器;
2按精度等级分为:工业用互感器、、3级及以下,保护和控制用和标准互感器级以上;
2.国产互感器型号的含义
1电压互感器的型号的含义:
第-个字母:J-电压互感器;
第二个字母:D-单相,S-三相,C-串级式,W-五铁芯柱;
第三个字母:G-干式,J-油浸式,C-瓷绝缘,Z-浇注绝缘,R-电容式,S-三相
第四个字母:W-五铁芯柱,B-带补偿角差的绕组;
连字符后字母:GH-高海拔地区用,TH-湿热带地区用;
数字表示电压等级;
例:YSJW-10:油浸式五铁芯柱10KV三相电压互感器;
2电流互感器的含义:
第-个字母:L-电流互感器;第二或第三个字母:A=穿墙式,B-支柱式,C-瓷绝缘式,D-单匝贯穿式,F-复匝式,C-改进型,J-浇注绝缘或加大绝缘,M-塑料外壳,Q-线圈型,S-塑料注射绝缘,W-屋外式,Y-低压的,Z-浇注绝缘或支柱式;第四或第五个字母:B-保护级,C-差动保护用;D-D级,J-加大容量,Q-加强型;连字符后字母:GY-高海拔地区用,TH-湿热带地区用;连字符后数字:表示额定电压;例:LQWD-110GY:高海拔地区110kV、户外式、瓷绝缘、供保护用电流互感器;铭牌标1额定变比;2准确度等级;3额定容量或额定负载;4额定电压;510%倍数。
互感器型号字母含义互感器, 型号, 字母, 含义一、电流互感器型号LCZ-35QL 电流互感器 Current transformerC 手车式Handcart typeZ 浇注式Casting type35 额定电压(kV) Highest voltage for equipment(kV) Q 结构代号 Structure codeLDZB6-10QL 电流互感器 Current transformerD 单匝式Z 浇注式Casting typeB 带保护级Wity protective class6 设计序号Design Number10 额定电压(kV)Highest voltage for equipment(kV)Q 结构代号Structure codeLDJ2-10L 电流互感器 Current transformerD 带触头盒J 加强型Reinforced type6 设计序号Design Number10 额定电压(kV)Highest voltage for equipment(kV)LFSQ-10QL 电流互感器Current transformerF 封闭式 Hermetical typeS 手车式 Handcart typeQ 加强型 Reinforced type10 额定电压(kV)Highest voltage for equipment(kV)Q 结构代号Structure codeLMZJ1-0.5L:电流互感器;M:母线式;Z:树脂浇注;J:加大容量;1:设计序号;0.5:额定电压500VLMZB7-10GYW1L 电流互感器 Current transformerM 母线式Busbar typeZ 浇注式Casting typeB 带保护级Wity protective class7 设计序号Design Number10 额定电压(kV)Highest voltage for equipment(kV) GYW1 高原污秽 Plateau DirtyLXK-φ120LX——电缆型K——开合式120——内径LZZJ-10L 电流互感器Current transformerZ 支柱式Post typeZ 浇注式Casting typeJ 加强型Reinforced type 10 额定电压(kV) Highest voltage for equipment(kV)LZZBJ9-10L 电流互感器Z 支柱式Z 浇注式B 带保护级J 加强型9 设计序号10 额定电压(kV)二、电压互感器型号JDZ(X)-3,6,10J 电压互感器Voltage transformerD 单相 Single phase Z 浇注式Casting typeX 带剩余电压绕组 With residual voltage winding 3,6,10 电压等级(kV) Voltage class(kV)JDZ(X)10-3,6,10J 电压互感器Voltage transformerD 单相 Single phase Z 浇注式Casting typeX 带剩余电压绕组 With residual voltage winding10 设计序号 Design Number3,6,10 电压等级(kV) Voltage class(kV)JDZF7-10GYW1J 电压互感器Voltage transformerD 单相 Single phase Z 浇注式Casting typeF 带剩余电压绕组 With residual voltage winding7 设计序号 Design Number10 电压等级(kV) Voltage class(kV)GYW1 高原污秽 Plateau DirtyJSZV-6RJ 电压互感器S 三相Z 绕注式V V形接法6 额定电压kVR 带熔断器JDZXF14-6J 电压互感器D 单相Z 绕注式X 带剩余电压绕组F 带三个二次绕组14 设计序号6 额定电压kVJSJV-10QJ 电压互感器S 三相J 油式绝缘V “V”式接线10 电压电压(kV)Q 全工况JSZW-10J 电压互感器S 三相Z 浇注式W 五注铁心10 电压电压(kV)PT: plential transformervoltage transformerCT: current transformer电力电缆各型号中符号含义电力电缆各型号中符号含义 35KV 交联聚乙烯绝缘低卤及无卤阻燃、耐火电力电缆型号及名称1)型号用字母及数字含义:NH——通过GB12666.6类耐火试验;ZR——通过GB12666.5类成束燃烧试验;B——低卤(型号末位);C——无卤低烟(型号末位);YJ——交联聚乙烯绝缘;V——低卤阻燃聚氯乙烯护套或衬层;S——无卤阻燃热塑性聚烯烃护套或衬层;22——钢带铠装低卤阻燃聚氯乙烯外护套;24——钢带铠装无卤阻燃热塑性聚烯烃外护套。
电流互感器及电压互感器型号含义说明PT型号含义说明第1位:J—PT第2位:D—单相;S—三相;C—串级;W—五铁芯柱第3位:G—干式;J—油浸;C—瓷绝缘;Z—浇注绝缘;R—电容式;S—三相第4位:W—五铁芯柱;B—带补偿角差绕组;连字符号后面:GH—高海拔;TH—湿热区CT型号含义说明第1位:L—CT第2或3位:A—穿墙式;M—母线型;B—支柱式;C—瓷绝缘;S—塑料注射绝缘; D—单匝贯穿式;W—户外式;F—复匝式;G—改进型;Y—低压式;Z—浇注绝缘式支柱式;Q—母线型;K—塑料外壳;J—浇注绝缘或加大容量第4或5位:B—保护级;C—差动保护;D—D级;J—加大容量;Q—加强型例:LZZBJ9-10A3GL 电流互感器Current transformerZ 支柱式Post typeZ 浇注式Casting typeB 带保护级Wity protective classJ 加强型Reinforced type9 设计序号Design Number10 额定电压(kV) Highest voltage for equipment(kV)A3G 结构代号Structure codeLFZ-10QL 电流互感器Current transformerF 复匝式Z 浇注式Casting type10 额定电压(kV) Highest voltage for equipment(kV)LZZ-10L 电流互感器Current transformerZ 支柱式Post typeZ 浇注式Casting type10 额定电压(kV) Highest voltage for equipment(kV)LDZB6-10Q 来源:L 电流互感器Current transformerD 单匝式Z 浇注式Casting typeB 带保护级Wity protective class6 设计序号Design Number10 额定电压(kV) Highest voltage for equipment(kV) Q 结构代号Structure codeLZZJ-10L 电流互感器Current transformerZ 支柱式Post typeZ 浇注式Casting typeJ 加强型Reinforced type10 额定电压(kV) Highest voltage for equipment(kV)LFSQ-10QL 电流互感器Current transformerF 封闭式Hermetical typeS 手车式Handcart typeQ 加强型Reinforced type10 额定电压(kV) Highest voltage for equipment(kV)LCZ-35QL 电流互感器Current transformerC 手车式Handcart type 请登陆:输配电设备网浏览更多信息Z 浇注式Casting type35 额定电压(kV ) Highest voltage for equipment(kV)Q 结构代号Structure codeJDZ(X)10-3,6,10J 电压互感器Voltage transformerD 单相Single phaseZ 浇注式Casting typeX 带剩余电压绕组With residual voltage winding10 设计序号Design Number3,6,10 电压等级(kV) Voltage class(kV)JDZF7-10GYW1J 电压互感器Voltage transformerD 单相Single phaseZ 浇注式Casting typeF 带剩余电压绕组With residual voltage winding7 设计序号Design Number10 电压等级(kV) Voltage class(kV)GYW1 高原污秽Plateau DirtyLM2-06、05型电流互感器就是“树脂浇注式电流互感器”L--电流互感器M--母线型2--设计序号06--额定电压为0、6KV05--额定电压为0、5KVAS12/150b/2S型电流互感器就是“环氧树脂全封闭支柱式电流互感器”它的国内型号为:LZZBJ9-12150b/2SL—电流互感器Z—支柱式Z—浇注绝缘B—带保护级J—加大容量9—设计序号12—额定电压(12KV)150b—浇注体宽度为150mm2S—热稳定电流时间AS12/175b/2S型电流互感器也就是“环氧树脂全封闭支柱式电流互感器”它的国内型号为:LZZBJ9-12175b/2S与上面的区别在于它的浇注体宽度变为175mmLAZBJ-12型电流互感器就是“穿墙式全封闭电流互感器”L—电流互感器A—穿墙式Z--浇注绝缘B—带保护级J—加大容量12—额定电压(12KV)一般来说,国产电流互感器型号字母的含义如下:第一个字母:L--电流互感器第二(或三)个字母:A--穿墙式;M--母线型;B--支柱式;绝缘方面,C为瓷绝缘,S为塑料注射绝缘;D--单匝贯穿式;W--户外式;F--复匝式;G--改进型;Y--低压式;Z--浇注绝缘或支柱式;Q--母线型;K--塑料外壳;J--浇注绝缘或加大容量。
电流互感器型号含义
电流互感器型号:
第一字母:L—电流互感器1Q1M y#V n i L:q.W0q
第二字母:A—穿墙式;Z—支柱式;M—母线式;D—单匝贯穿式;V—结构倒置式;J—零序接地检测用;W—抗污秽;R—绕组裸露式I nn(J^/jK C"q
第三字母:Z—环氧树脂浇注式;C—瓷绝缘;Q—气体绝缘介质;W—与微机保护专用
EL7e*M9^%L
第四数字:B—带保护级;C—差动保护;D—D级;Q—加强型;J—加强型
第五数字:电压等级产品序号
电压互感器型号由以下几部分组成,各部分字母,符号表示内容:
第一个字母:J——电压互感器;
第二个字母:D——单相;S——三相
第三个字母:J——油浸;Z——浇注;
第四个字母:数字——电压等级(KV)。
例如:JDJ-10表示单相油浸电压互感器,额定电压10KV。
额定一次电压,作为互感器性能基准的一次电压值。
额定二次电压,作为互感器性能基准的二次电压值。
额定变比,额定一次电压与额定二次电压之比。
LZZBJ9-10A3G
L电流互感器Current transformer
Z支柱式Post type
Z浇注式Casting type
B带保护级Wity protective class
J加强型Reinforced type
9设计序号Design Number
10额定电压(kV)Highest voltage for equipment(kV)
A3G结构代号Structure code
LFZ-10Q
L电流互感器Current transformer
F复匝式
Z浇注
10额定电压(kV)Highest voltage for equipment(kV)
Q结构代号Structure code
LZZ-10
L电流互感器Current transformer
Z支柱式Post type
Z浇注式Casting type
10额定电压(kV)Highest voltage for equipment(kV)
LMZB7-10GYW1
L电流互感器Current transformer
M母线式Busbar type
Z浇注
B带保护级Wity protective class
7设计序号Design Number
10额定电压(kV)Highest voltage for equipment(kV) GYW1高原污秽Plateau Dirty
LDZB6-10Q
L电流互感器Current transformer
D单匝式
Z浇注式Casting type
B带保护级Wity protective class
6设计序号Design Number
10额定电压(kV)Highest voltage for equipment(kV)
Q结构代号Structure code
LDJ2-10
L电流互感器Current transformer
D带触头盒
J加强型Reinforced type
6设计序号Design Number
10额定电压(kV)Highest voltage for equipment(kV)
LZZJ-10
L电流互感器Current transformer
Z支柱式Post type
Z浇注式Casting type
J加强型Reinforced type
10额定电压(kV)Highest voltage for equipment(kV)
LFSQ-10Q
L电流互感器Current transformer
F封闭式Hermetical type
S手车式Handcart type
Q加强型Reinforced type
10额定电压(kV)Highest voltage for equipment(kV)
Q结构代号Structure code
LCZ-35Q
L电流互感器Current transformer
C手车式Handcart type
Z浇注式Casting type
35额定电压(kV)Highest voltage for equipment(kV)
Q结构代号Structure code
JDZ(X)-3,6,10
J电压互感器Voltage transformer
D单相Single phase
Z浇注式Casting type
X带剩余电压绕组With residual voltage winding
3,6,10电压等级(kV)Voltage class(kV)
JDZ(X)10-3,6,10
J电压互感器Voltage transformer
D单
相Single phase
Z浇注式Casting type
X带剩余电压绕组With residual voltage winding
10设计序号Design Number
3,6,10电压等级(kV)Voltage class(kV)
JDZF7-10GYW1
J电压互感器Voltage transformer
D单相Single phase
Z浇注式Casting type
F带剩余电压绕组With residual voltage winding
7设计序号Design Number
10电压等级(kV)Voltage class(kV) GYW1高原污
秽Plateau Dirty
电压互感器型号由以下几部分组成,各部分字母,符号表示内容:
第一个字母:J——电压互感器;
第二个字母:D——单相;S——三相
第三个字母:J——油浸;Z——浇注;
第四个字母:数字——电压等级(KV)。
例如:JDJ-10表示单相油浸电压互感器,额定电压10KV。
额定一次电压,作为互感器性能基准的一次电压值。
额定二次电压,作为互感器性能基准的二次电压值。
额定变比,额定一次电压与额定二次电压之比。
准确级,由互感器系统定的等级,其误差在规定使用条件下应在规定的限值之内负荷,二次回路的阻抗,通常以视在功率(VA)表示。
额定负荷,确定互感器准确级可依据的负荷值。
Welcome To Download !!!
欢迎您的下载,资料仅供参考!。