桥台明挖扩大基础资料表格模板
- 格式:doc
- 大小:205.00 KB
- 文档页数:10
监表5 检验申请批复单
施工单位:中国建筑股份有限公司合同号:BMYZCB
基坑开挖检查表
国道307线孟雅一级公路建设项目
施工放线测量记录表
合同段: BMYZCB 起讫桩号: K0+000-K42+000 第页共页通用施13表
国道307线孟雅一级公路建设项目基坑高程现场检查记录表
国道307线孟雅一级公路建设项目
监表5 检验申请批复单
施工单位:中国建筑股份有限公司合同号:BMYZCB
国道307线孟雅一级公路建设项目
钢筋加工及安装检查表
合同段: BMYZCB 起讫桩号:K0+000~K42+000第 1 页共2 页通用施15表
国道307线孟雅一级公路建设项目
监表5 检验申请批复单
施工单位:中国建筑股份有限公司合同号:BMYZCB
国道307线孟雅一级公路建设项目
模板安装检查表
合同段:BMYZCB 起讫桩号:K0+000-K42+000 第页共页通用施26表
国道307线孟雅一级公路建设项目
监表5 检验申请批复单
施工单位:中国建筑股份有限公司合同号:BMYZCB
国道307线孟雅一级公路建设项目
基础施工质量检验表
合同段: BMYZCB 起讫桩号:K0+000-K42+000 第页共页通用施33表
国道307线孟雅一级公路建设项目
基础顶(一步)高程现场检查记录表
国道307线孟雅一级公路建设项目
施工放线测量记录表
合同段: BMYZCB 起讫桩号: K0+000-K42+000 第页共页通用施13表
国道307线孟雅一级公路建设项目混凝土施工记录表。
新建北京至张家口铁路[明挖基础]换填地基检验批质量验收记录表单位工程名称分部工程名称分项工程名称验收部位施工单位项目负责人施工质量验收标准名称及编号[A]:《高速铁路桥涵工程施工质量验收标准》(TB10752-2010)[B]:《高速铁路路基工程施工质量验收标准》(TB10751-2010)施工质量验收标准的规定施工单位检查评定记录监理单位验收记录主控项目1 平面位置和坑底尺寸[A]第4.3.1条2 开挖方式和支护形式[A]第4.3.2条3 基底地质条件及承载力[B]第4.3.3条4回填前坑底不得有积水、淤泥[B]第4.5.1条5 回填填料及夯实[B]第4.5.2条一般项目1 允许偏差(㎜)基底高程土质±502 石质+50-200施工作业人员质量责任登记勘察设计单位现场确认基底地质条件情况现场工程师年月日施工单位检查评定结果专职质量检查员年月日分项工程技术负责人年月日分项工程负责人年月日监理单位验收结论JZSG02010101监理工程师年月日新建北京至张家口铁路[明挖基础]强夯(重锤夯实)地基检验批质量验收记录表单位工程名称分部工程名称分项工程名称验收部位施工单位项目负责人施工质量验收标准名称及编号[A]:《高速铁路桥涵工程施工质量验收标准》(TB10752-2010)[B]:《高速铁路路基工程施工质量验收标准》(TB10751-2010)施工质量验收标准的规定施工单位检查评定记录监理单位验收记录主控项目1 夯击点布置[B]第4.4.4条2 底能满夯布置点[B]第4.4.5条3总夯沉量或最后两击平均夯沉量[B]符合设计4地基承载力(Kpa)有效加固深度(m)[B]第4.4.7条一般项目1中心偏移(mm)不大于5002 处理范围不小于设计施工作业人员质量责任登记勘察设计单位现场确认基底地质条件情况现场工程师年月日施工单位检查评定结果专职质量检查员年月日分项工程技术负责人年月日分项工程负责人年月日JZSG02010102监理单位监理工程师年月日验收结论新建北京至张家口铁路[明挖基础]挤密桩地基检验批质量验收记录单位工程名称分部工程名称分项工程名称验收部位施工单位项目负责人施工质量验收标准名称及编号[A]:《高速铁路桥涵工程施工质量验收标准》(TB10752-2010)[B]:《高速铁路路基工程施工质量验收标准》(TB10751-2010)施工质量验收标准的规定施工单位检查评定记录监理单位验收记录主控项目1 石灰质量[B]第4.11.4条2 水泥质量[B]第4.11.5条3 土有机质含量[B]第4.11.7条4 桩数量、布置形式[B]第4.11.8条5 填料配合比[B]第4.11.9条6 填料搅拌[B]第 4.11.10条7 桩直径、深度[B]设计要求8 地基承载力[B]设计要求一般项目1 允许偏差(mm)桩位(纵横)502 桩垂直度 1.50%3 桩体有效直径不小于设计施工作业人员质量责任登记施工单位检查评定结果专职质量检查员年月日分项工程技术负责人年月日分项工程负责人年月日监理单位验收结论监理工程师年月日JZSG02010103新建北京至张家口铁路[明挖基础]搅拌桩地基检验批质量验收记录单位工程名称分部工程名称分项工程名称验收部位施工单位项目负责人施工质量验收标准名称及编号[A]:《高速铁路桥涵工程施工质量验收标准》(TB10752-2010)[B]:《高速铁路路基工程施工质量验收标准》(TB10751-2010)施工质量验收标准的规定施工单位检查评定记录监理单位验收记录主控项目1 水泥质量[B]第4.12.4条搅拌桩外加剂[B]第4.12.5条2 施工配合比[B]第4.12.6条3 桩数量、布置形式[B]设计要求4 单桩加固料用量[B]第4.12.9条5 搅拌桩长度及复搅长度[B]第 4.12.10条6 搅拌桩桩身无侧限抗压强度(Mpa)[B]第 4.12.11条7 地基承载力[B]设计要求一般项目1 允许偏差(mm)桩位(纵横)502 桩垂直度1%3 桩体有效直径不小于设计施工作业人员质量责任登记施工单位检查评定结果专职质量检查员年月日分项工程技术负责人年月日分项工程负责人年月日JZSG02010104监理单位监理工程师年月日验收结论新建北京至张家口铁路[明挖基础]基坑及支护检验批质量验收记录单位工程名称分部工程名称分项工程名称验收部位施工单位项目负责人施工质量验收标准名称及编号《高速铁路桥涵工程施工质量验收标准》(TB10752-2010)施工质量验收标准的规定监理单位验收记录主控项目1 平面位置、坑底尺寸第4.3.1条2 开挖方式和支护形式第4.3.2条3 地基承载力设计要求一般项目1基底高程允许偏差(mm)土质±50 2 石质+50-200施工作业人员质量责任登记勘察设计单位现场确认情况现场负责人年月日施工单位检查评定结果专职质量检查员年月日分项工程技术负责人年月日分项工程负责人年月日JZSG02010105监理单位验收结论监理工程师年月日新建北京至张家口铁路[明挖基础]模板及支架检验批质量验收记录表(Ⅰ)单位工程名称分部工程名称分项工程名称验收部位施工单位项目负责人施工质量验收标准名称及编号《铁路混凝土工程施工质量验收标准》TB10424-2010施工质量验收标准的规定施工单位检查评定记录监理单位验收记录主控项目1 材料质量和结构第4.2.1条2模板安装质量第4.2.2条—般项目l允许偏差(mm)轴线位置15表面平整度 5高程±20两模板内侧宽度(尺寸)+10-5相邻模板表面高低差 2 2预留孔洞中心线位置10尺寸+10预埋件中心位置 3外露长度+10施工作业人员质量责任登记勘察设计单位现场确认基底地质条件情况现场工程师年月日施工单位检查评定结果专职质量检查员年月日分项工程技术负责人年月日分项工程负责人年月日JZSG02010106监理单位验收结论监理工程师年月日新建北京至张家口铁路[明挖基础]模板及支架检验批质量验收记录(Ⅱ)JZSG02010107单位工程名称分部工程名称分项工程名称模板支架拆除验收部位施工单位项目负责人施工质量验收标准名称及编号《铁路混凝土工程施工质量验收标准》(TB10424-2010)施工质量验收标准的规定施工单位检查评定记录监理单位验收记录主控项目1 板、拱跨度<2m 达到设计强度≥50%跨度2-8m达到设计强度≥75%跨度>8m达到设计强度≥100% 2 梁跨度≤8m达到设计强度≥75%跨度>8m达到设计强度≥100% 3悬臂梁(板)跨度≤2m达到设计强度≥75%跨度>2m达到设计强度≥100%一般项目1 拆除非承重模板混凝土表面及棱角不受损伤施工作业人员质量责任登记施工单位检查评定结果专职质量检查员年月日分项工程技术负责人年月日分项工程负责人年月日监理单位验收结论监理工程师年月日新建北京至张家口铁路[明挖基础]钢筋(原材料及加工)检验批质量验收记录表(Ⅰ)单位工程名称分部工程名称分项工程名称验收部位施工单位项目负责人施工质量验收标准名称及编号《铁路混凝土工程施工质量验收标准》TB10424-2010施工质量验收标准的规定施工单位检查评定记录监理单位验收记录主控项目1 钢筋材质第5.2.1条2 环氧涂层钢筋的涂层质量第5.2.2条3 钢筋保护层垫块材质第5.2.3条4 套筒及锁母的材料、品种、规格第5.2.4条5钢筋弯钩、弯起180°弯钩第5.3.1条直角形弯钩弯起钢筋箍筋弯钩6 外观质量及尺寸第5.3.2条—般项目l 钢筋外观第5.2.5条2允许偏差(mm)受力钢筋全长±10弯起筋弯折位置20箍筋内净尺寸±3施工作业人员质量责任登记勘察设计单位现场确认基底地质条件情况现场工程师年月日JZSG02010108施工单位检查评定结果专职质量检查员年月日分项工程技术负责人年月日分项工程负责人年月日监理单位验收结论监理工程师年月日新建北京至张家口铁路[明挖基础]钢筋(连接及安装)检验批质量验收记录表(Ⅱ)单位工程名称分部工程名称分项工程名称验收部位施工单位项目负责人施工质量验收标准名称及编号《铁路混凝土工程施工质量验收标准》TB10424-2010施工质量验收标准的规定施工单位检查评定记录监理单位验收记录主控项目1 纵向受力筋连接方式第5.4.1条2 钢筋接头质量第5.4.2条3 拧紧力矩第5.4.3条4 接头设置、布置第5.4.4条5钢筋品种、级别、规格、数量第5.5.1条6 钢筋保护层垫块位置和数量第5.5.2条7 环氧涂层钢筋绑扎第5.5.3条8 涂层损伤缺陷情况第5.5.4条一般项目l 钢筋接头位置、数量第5.4.4条2钢筋安装及保护层厚度允许偏差受力钢筋排距±5同排中受力钢筋间距±20分布钢筋间距±20箍筋间距±10弯起点位置30保护层厚度cc≥30+10C﹤30+5JZSG02010109施工作业人员质量责任登记勘察设计单位现场确认基底地质条件情况现场工程师年月日施工单位检查评定结果专职质量检查员年月日分项工程技术负责人年月日分项工程负责人年月日监理单位验收结论监理工程师年月日新建北京至张家口铁路[明挖基础]混凝土(原材料和配合比)检验批质量验收记录表(Ⅰ)单位工程名称分部工程名称分项工程名称验收部位施工单位项目负责人施工质量验收标准名称及编号《铁路混凝土工程施工质量验收标准》TB10424-2010施工质量验收标准的规定施工单位检查评定记录监理单位验收记录主控项目l 水泥质量第6.2.1条2矿物掺和料粉煤灰质量第6.2.2条磨细矿渣粉质量第6.2.2条硅灰质量第6.2.2条3 细骨料质量第6.2 3条4 粗骨料质屋第6.2.4条5 外加剂质量第6.2.5条6 引气剂第6.2.6条7 拌和用水质量第6.2.7条8采取防腐蚀措施原材料质量第6.2.8条8 配合比设计第6.3.1条9 含碱量第6.3.2条分保管10 氯离子含量第6.3.3条矿物掺和料掺量第6.3.4条JZSG02010110施工作业人员质量责任登记勘察设计单位现场确认基底地质条件情况现场工程师年月日施工单位检查评定结果专职质量检查员年月日分项工程技术负责人年月日分项工程负责人年月日监理单位验收结论监理工程师年月日新建北京至张家口铁路[明挖基础]混凝土(施工)检验批质量验收记录表(Ⅱ)单位工程名称分部工程名称分项工程名称验收部位施工单位项目负责人施工质量验收标准名称及编号《铁路混凝土工程施工质量验收标准》TB10424-2010施工质量验收标准的规定施工单位检查评定记录监理单位验收记录主控项目1 原材料称重允许偏差第6.4.1条2 砂、石含水率测试第6.4.2条3 坍落度第6.4.3条4 入模含气量第6.4.4条5 入模温度第6.4.5条6 与邻接介质温差第6.4.6条7 湿接缝处理第6.4.7条8 施工缝处理第6.4.8条9标准养护试件取样、留置第6.4.11条10 附加防腐蚀措施质量第6.4.15条其他检验项目JZSG02010111施工作业人员质量责任登记勘察设计单位现场确认基底地质条件情况现场工程师年月日施工单位检查评定结果专职质量检查员年月日分项工程技术负责人年月日分项工程负责人年月日监理单位验收结论监理工程师年月日新建北京至张家口铁路[明挖基础]混凝土(养护、拆模及强度)检验批质量验收记录表(Ⅲ)单位工程名称分部工程名称分项工程名称验收部位施工单位项目负责人施工质量验收标准名称及编号《铁路混凝土工程施工质量验收标准》TB10424-2010施工质量验收标准的规定施工单位检查评定记录监理单位验收记录主控项目1 混凝土养护第6.4.9条2 拆模温差第6.4.10条3标准养护试件混凝土强度等级第6.4.11条4 混凝土表面裂缝第6.4.16条施工作业人员质量责任登记JZSG02010112勘察设计单位现场确认基底地质条件情况现场工程师年月日施工单位检查评定结果专职质量检查员年月日分项工程技术负责人年月日分项工程负责人年月日监理单位验收结论监理工程师年月日新建北京至张家口铁路[明挖基础]混凝土(结构外观和尺寸偏差)检验批质量验收记录表(Ⅳ) 单位工程名称分部工程名称分项工程名称验收部位施工单位项目负责人施工质量验收标准名称及编号[A]:《铁路混凝土工程施工质量验收标准》TB10424-2010[B]:《高速铁路桥涵工程施工质量验收标准》TB10752-2010施工质量验收标准的规定施工单位检查评定记录监理单位验收记录主项控目1 混凝土表面裂缝情况【A】第6.4 16条一般项目1基础施工允许偏差(㎜)边缘距设计中线前±50后±50左±50右±50顶面高程±302表面平整度8预留孔洞中心位置15尺寸+15O预埋件中心线位置 53 混凝土外观质量【A】第6.4.18条施工作业人员质量责任登记勘察设计单位现场确认基底地质条件情况现场工程师年月日施工单位检查评定结果专职质量检查员年月日分项工程技术负责人年月日分项工程负责人年月日监理单位监理工程师年月日JZSG02010113验收结论新建北京至张家口铁路[明挖基础]基坑回填检验批质量验收记录表单位工程名称分部工程名称分项工程名称验收部位施工单位项目负责人施工质量验收标准名称及编号[B]:《高速铁路桥涵工程施工质量验收标准》TB10752-2010施工质量验收标准的规定施工单位检查评定记录监理单位验收记录主控项目1 基坑回填不得积水第4.5.1条2 填料种类、质量第4.5.2条3 回填高程第4.5.3条施工作业人员质量责任登记勘察设计单位现场确认基底地质条件情况现场工程师年月日施工单位检查评定结果专职质量检查员年月日分项工程技术负责人年月日分项工程负责人年月日监理单位验收结论监理工程师年月日JZSG02010114。
检验申请批复单承包单位:吉林省长城路桥建工有限责任公司合同号:BB-01监理单位:北京港通路桥工程监理有限责任公司编号: A—027混凝土基础现场质量检验报告单承包单位:吉林省长城路桥建工有限责任公司合同号:BB-01监理单位:北京港通路桥工程监理有限责任公司编号:B-035承包人签字:日期:钢筋加工及安装现场质量检验报告单承包单位:吉林省长城路桥建工有限责任公司合同号:BB—01承包人签名:日期:桥涵施工测量放样原始记录承包单位:吉林省长城路桥建工有限责任公司合同号:BB-01 第页共页桥涵基坑检查原始记录承包单位:吉林省长城路桥建工有限责任公司合同号:BB—01 第页共页钢筋现场检查记录承包单位:吉林省长城路桥建工有限责任公司合同号:BB-01 第页共页模板检查原始记录承包单位:吉林省长城路桥建工有限责任公司合同号:BB-01 第页共页混凝土施工原始记录承包单位:吉林省长城路桥建工有限责任公司合同号:BB—01 第页共页桥(涵)施工测量检测原始记录承包单位:吉林省长城路桥建工有限责任公司合同号:BB—01 第页共页监理单位:北京港通路桥工程监理有限责任公司编号:C—038基础现场检查记录承包单位:吉林省长城路桥建工有限责任公司合同号:BB—01 第页共页监理单位:北京港通路桥工程监理有限责任公司编号:C-040水准测量原始记录承包单位:吉林省长城路桥建工有限责任公司合同号:BB—01 第页共页监理单位:北京港通路桥工程监理有限责任公司编号:C—096测量:记录:复核:混凝土养生记录承包单位:吉林省长城路桥建工有限这人公司合同号:BB-01 第页共页监理单位:北京港通路桥工程监理有限责任公司编号:C—097。
桥台扩大基础施工技术方案一、工程概况本项目第26合同段位于K163+950~K178+140段全长14.258公里。
该区地貌多属岩溶石芽、构造剥蚀低中山单元。
在桥台处岩溶不甚发育,基础稳定性较好的桥台结构,设计采用扩大基础结构。
二、施工组织1、人员安排桥台扩大基础施工任务由我部桥梁施工队完成,各工区主要技术负责人如下:第一工区:雒志勇第二工区:范成云第三工区:周军辉试验负责:黄金涛安全负责:刘让平材料负责:李弘枝技术员15人熟练技工50人工人300人2、机械设备见下表三、施工准备1、施工前试验(1)原材料试验工地试验室施工前作好原材料各项试验,原材料技术性能应符合规范。
水泥选用恩施华新水泥P. 32.5号水泥,工地试验室应做水泥安定性、胶砂强度、凝结时间等试验。
碎石选用红岩福刚石料场(5-31.5)并做筛分、含泥量、针片状含量、压碎值等试验。
砂选用确山红岩福刚石料场机制中砂,并做筛分、含泥量及容重等试验。
原材料各项主要技术指标及检测见下表。
注:检测要求见《桥涵施工技术规范》及《质量检验评定标准》(2)砼配合比(配比结果于分项开工报告中另附)施工前,工地试验室根据设计图纸、材料情况、结构特点,进行配合比设计,并通过试验进行调整,确定砼施工配合比,并报监理工程师鉴认认定,砂石材料计量施工采用质量法计量。
(3)测量放样桥台扩大基础施工前,由导线点(GPS)复测各桥位控制点和临时水准点,达到要求精度再利用各结构物控制点的坐标和高程测放出结构控制点,并对各控制点加以保护,施工过程中应随时检查可能出现的偏差,并予以及时纠正。
四、主要施工方法及工艺1、基坑开挖基坑开挖和基底处理:先仔细检查设计图纸,依据设计图进行施工放样,确定基础的平面位置及几何尺寸。
基坑底几何尺寸比基础设计尺寸四周各加宽50cm。
根据基坑土质情况进行放坡,保证坑壁稳定。
本段基底多为灰岩、碎石土。
挖基土方采用挖掘机开挖,人工配合整修;挖基石方采用内燃空压机供风,YT-28风钻钻孔,浅孔松动爆破。
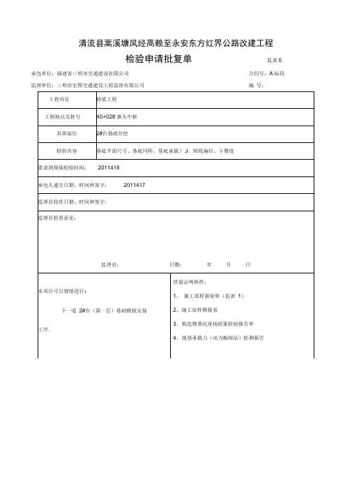
清流县嵩溪塘凤经高赖至永安东方红界公路改建工程检验申请批复单监表5承包单位:福建省三明市交通建设有限公司合同号:A标段监理单位:三明市宏图交通建设工程监理有限公司编号:清流县嵩溪塘凤经高赖至永安东方红界公路改建工程施工放样报验单监表1承包单位:福建省三明市交通建设有限公司合同号:A监理单位:三明市宏图交通建设工程监理有限公司编号:清流县嵩溪塘凤经高赖至永安东方红界公路改建工程构造物基坑现场质量检验报告单承包单位:福建省三明市交通建设有限公司合同号:A日期:承包人技术负责人:清流县嵩溪塘凤经高赖至永安东方红界公路改建工程检验申请批复单监表5承包单位:福建省三明市交通建设有限公司合同号:A监理单位:三明市宏图交通建设工程监理有限公司编号:清流县嵩溪塘凤经高赖至永安东方红界公路改建工程钢筋加工及安装现场质量检验报告单检验表30承包单位:施工标段:监理单位:编号:清流县嵩溪塘凤经高赖至永安东方红界公路改建工程检验申请批复单监表5承包单位:福建省三明市交通建设有限公司合同号:A标段监理单位:三明市宏图交通建设工程监理有限公司编号:清流县嵩溪塘凤经高赖至永安东方红界公路改建工程扩大基础现场质量检验报告单检验表119承包单位:福建省三明市交通建设有限公司合同号:A标段监理单位:三明市宏图交通建设工程监理有限公司编号:承包人技术负责人日期:清流县嵩溪塘凤经高赖至永安东方红界公路改建工程混凝土开盘申请单监表27承包单位:福建省三明市交通建设有限公司合同号:A监理单位:三明市宏图交通建设工程监理有限公司编号:清流县嵩溪塘凤经高赖至永安东方红界公路改建工程混凝土施工原始记录施表-23承包单位:福建省三明市交通建设有限公司工程名称:寨头至桐坑改建工程施工标段:A清流县嵩溪塘凤经高赖至永安东方红界公路改建工程砼构件养护记录施表-43承包单位:福建省三明市交通建设有限公司工程名称:寨头至桐坑改建工程施工标段:A现场施工负责人:现场技术人员:质检员:日期:清流县嵩溪塘凤经高赖至永安东方红界公路改建工程检验申请批复单监表5承包单位:福建省三明市交通建设有限公司合同号:A监理单位:三明市宏图交通建设工程监理有限公司编号:清流县嵩溪塘凤经高赖至永安东方红界公路改建工程模板安装现场质量检验报告单检验表74承包单位:福建省三明市交通建设有限公司合同号:A监理单位:三明市宏图交通建设工程监理有限公司编号:支撑牢固,接缝表面平顺。
说明:1.土压力计算以基础后趾的竖直面作为假想台背,台后襟边上的填土作为台身一部分。
2.土压力高度算至基底。
一.桥台尺寸:台背宽度b1=0.260台背高度h1=0.700台背长度L1=7.000台帽宽度b2=1.000台帽高度h2=0.400台帽长度L2=7.000台帽前檐a=0.050台身上宽b3=0.950台身高度h3=2.130台身长度L3=7.000台身前坡n1=8.50台身后坡n2=5.63台身下宽b4=1.600基础襟边a1=1.100基础襟边a2=0.600基础宽度b5=3.300基础高度h4=1.500基础长度L4=8.000支座至台背d=0.380支座至基础中心距=-0.032二.荷载计算:桥台自重计算:容重(t/m3)重量(t)对基底中心偏心距(m)对基底中心力矩(t*m)台背 2.5 3.185-0.542-1.725台帽 2.57.000-0.172-1.202台身 2.445.625-0.220-10.028基础 2.495.0400.0000.000台后襟边上土柱 1.834.739-42.170合计185.589-55.124上部结构反力:竖向力N(t)水平力Q(t)对基底中心力矩M(t*m)恒载59.21-1.88活载-汽车21.609.0035.59活载-挂车0.000.00支座摩阻力T:14.8845.90台后填土侧压力:台背倾角α=5土压力系数μ=0.282填土坡度β=0土压力计算高度H=4.73土的内摩擦角φ=35破坏棱体长度L=2.55台背与土摩擦角δ=17.5汽车换算土层厚h=1.49挂车换算土层厚h=0.00填土土压力E=39.748汽车土压力Eq=25.042挂车土压力Eg=0.000 Ex=36.722Eqx=23.136Egx=0.000Ey=15.211Eqy=9.583Egy=0.000Me=32.801Meq=38.904Meg=0.000三.荷载组合:竖向力N=260.01水平力Q=36.72弯矩M=-24.20 1.恒载+填土土压力竖向力N=281.61水平力Q=36.72弯矩M=-24.88竖向力N=281.61水平力Q=45.72弯矩M=11.394.恒载+填土土压力+桥上汽车反力+支座摩阻力竖向力N=281.61水平力Q=51.60弯矩M=21.025.恒载+填土土压力+桥上挂车反力竖向力N=260.01水平力Q=36.72弯矩M=-24.206.恒载+填土土压力+台后汽车土压力竖向力N=269.59水平力Q=59.86弯矩M=14.717.恒载+填土土压力+台后汽车土压力+支座摩阻力竖向力N=269.59水平力Q=74.74弯矩M=60.618.恒载+填土土压力+台后挂车土压力竖向力N=260.01水平力Q=69.82弯矩M=-24.20竖向力N=273.00水平力Q=75.00弯矩M=128.602419.201.483.50>1.30.41.456>1.33.恒载+填土土压力+桥上汽车反力+制动力2.恒载+填土土压力+桥上汽车反力抗倾覆稳定 K 0=抗滑动稳定 K c =基底摩擦系数u=四.地基承载力及稳定性:地基土承载力[б0]=前端地基应力б1=后端地基应力б2=工程量1.2742.8 19.010 39.600。
明挖扩大基础施寸:的内容包括:基础的定位放样、墓坑开挖、基坑排水、基底处理以及砌筑(浇筑)基础结构物等.(一)准备工作在开挖基坑前,应做好复核基坑中心线、方向和高程,并应按地质水文资料,结合现场情况,决定开挖坡度、支护方案以及地面的防水、排水措施.放样工作足根据桥梁中心线与墩台的纵横轴线,推算出基础边线的定位点,再放线画出基坑的开挖范围.基坑底部的尺寸较设计平面尺寸每边各增加0.5~1.0m,以便于支撑、排水与立模板(坑壁垂直的无水基坑坑底,可不必加宽,直接利用坑壁作基础模板亦可).(二)基坑开挖1.坑壁不加支撑的基坑对于在干涸河滩、河沟中,或经改河或筑堤能排除地表水的河沟中,在地下水位低于基底,或渗透量少,不影响坑壁稳定,以及基础埋置不深,施工期较短,挖基坑时,不影响邻近建筑物安全的场所,可选用坑壁不加支撑的基坑.黏性土在半干硬或硬塑状态,基坑顶无活荷载,稍松土质,基坑深度不超过0.5m,中等密实(锹挖)土质基坑深度不超过1.25m,密实(镐挖)土质基坑深度不超过2.0m时,均可采用垂直坑壁基坑。
基坑深度在5m以内,土的湿度正常时,采用斜坡坑壁开挖或按坡度比值挖成阶梯形坑壁,每梯高度为0.5~1.0m为宜,可作为人工运土出坑的台阶.基坑深度大于5m时,坑壁坡度适当放缓,或加做平台。
土的湿度影响坑壁的稳定性时,心采用该湿度下土的天然坡度或采取加固坑壁的措施。
当基坑的上层土质适合敞口斜坡坑壁条件,下层土质为密实黏性土或岩石,可用垂直坑壁开挖,在坑壁坡度变换处,应保留有至少0.5m的平台。
2.坑壁有支撑的基坑当基坑壁坡不易稳定并有地下水,或放坡开挖场地受到限制,或基坑较深工程数量较大,不符合技术经济要求时,可根据具体情况,采取加固坑壁措施撑、钢木结合支撑、混凝土护壁及锚杆支护等。
混凝土护壁一般采用喷射混凝土。
根据经验,一般喷护厚度为5~8cm,一次喷护约需1~2h。
一次喷护如达不到设计厚度.应等第一次喷层终凝后再补喷,直至达到要求厚度为止。
桥梁扩大基础(明挖基础)施工技术交底工程名称交底部位工程编号日期交底内容:桥梁扩大基础(明挖基础)施工技术交底一、施工工艺流程图测量放样基坑开挖设置基坑排水基坑底面处理混凝土浇筑混凝土养护图1-1 明挖基础施工工艺流程图二、工艺步骤及质量控制(一)、施工准备1.根据地质和水文条件,制定安全措施和防护措施,石质地层开挖的爆破设计,编制单项施工组织设计,向班组进行书面的一级技术交底和安全交底。
2.基础开挖前,必须对基坑围护范围及外围周边以内地层中的地下障碍物进行勘探、调查,以便采取必要的措施。
3.施工地段是否有场地可供钢筋加工制作、施工设备停放、施工车辆进出和土方材料堆放,如场地不能满足,则必须选择土方侧运和其他的情况。
工程编号日期沟,用集水井统一排水的方式,如下图所示。
图2-1 明挖基础排水示意图1.一般要求①根据地质水文资料,结合实际情况制定具体开挖方案。
②挖方的进度安排应使坑壁的暴露时间压缩至最短。
③开挖作业,应与结构物施工的有关要求配合施工。
④明挖基础若发现基底存在软硬不均匀现象,应进一步探明,一般应下探 2~3 米,并将结果及时通知监理单位及设计单位。
2.开挖①基坑开挖开始之前必须先检查、测量基础平面位置和现有地面标高。
在未完成检查测量前不得开挖。
为便于开挖后的检查校核,基础轴线控制桩应延长至基坑外加以固定。
②基坑周围不得堆放建筑材料、设备和危及基坑安全以及影响既有线安全运营的杂物。
③所有挖方中挖出的材料,如果适用,可用作回填或铺筑路堤;否则应运输至指定的地点堆码。
④必要时,挖方的各侧面特别是高边坡应始终予以可靠的支撑和临时防护。
扩大基础施工方案一.工程概况1、唐家河桥概况本桥跨越唐家河,桥梁中心桩号ZK307+8235桥梁中心与河道中心交角为90°,桥梁设i|•为M6m预应力钢筋混凝土简支空心板梁,全长3402m,全宽10m,下部结构采用U型桥台,扩大基础。
1丄】上部结构上部采用预应力钢筋混凝土简支空心板梁,空心板梁梁K; 15.94m.梁面0.85m,单片预制中梁宽L24m,预制边梁宽1.24m,湿接缝宽0・lm,全桥共2片边梁,6片中梁。
1.12下部结构桥台采用重力式U型桥台,扩大基础,桥台基础釆用C25片石混凝土。
扩大基础底要求座落于③4砾岩上,地基承载力不小于350KPao1丄3•附属构造1)桥面铺装设计为50ininAC46C沥青混凝土+水性沥青S防水涂料层+100nimC50混凝土桥面现浇层。
2) 护栏采用F型(SA级)钢筋混凝土护栏。
3) 排水设置:地袱预留孔,后塞铸铁写水管,将桥面水直接排入河道。
4) 支座:采用GYZ200X35 (NR)型板式橡胶支座。
5) 桥头搭板:桥头处采用9m长的钢筋混凝土搭板,搭板下铺设两层水泥稳定碎石,两层J7-400mm,压实度不小于98%。
6)河道铺砌:河底及河坡采用300mm\I10浆砌片石+ lOOmm砂砾垫层护砌,上下游各护砌20米。
2、适用范围适用于唐家沟桥梁的明挖基础施工。
3.作业准备3.1内业技术准备3丄1施工前对图纸进行复核;3丄2施工前应做好施工交底资料;3丄3及时填写各种施工过程用表。
3.2外业技术准备321依据已布设的平面控制加密导线控制点坐标和经复核计算无误的明挖基础坐标,采用全站仪精确定位,测定基坑中心线、方向及高程。
322按地质水文资料,结合现场悄况,确定开挖坡度、开挖范ffl和防、排323合理安排组织机械设备、仪器、人员等。
324施工用水、用电及便道等有关临时工程满足施工需要。
325进场材料满足连续施丄的要求,并通过原材料检验合格。
广汉市高新技术产业园万福片两区共建项目-道路GN1工程重力式U桥台、扩大基础施工技术方案四川省景峰建设有限公司目录1.编制依据............................................................. - 4 -2.工程概况............................................................. - 4 -2.1设计概况......................................................... - 4 -2.2施工条件概况..................................................... - 5 -2.2.1地理位置及交通条件........................................ - 5 -2.2.2气象、水文................................................ - 5 -2.2.3地形、地貌................................................ - 5 - 2.准备工作............................................................. - 5 -2.1内业准备......................................................... - 5 -2.2现场准备......................................................... - 6 -2.3物资设备准备..................................................... - 6 -2.4施工部署及工期计划............................................... - 6 -2.4.1工程目标.................................................. - 6 -2.4.2施工管理人员.............................................. - 7 -2.4.3施工人员和机械配置情况.................................... - 7 -3.施工工艺............................................................. - 8 -3.1基坑开挖......................................................... - 8 -3.2基坑混凝土浇筑................................................... - 9 -3.3桥台模板安装.................................................... - 10 -3.4台身混凝土浇筑.................................................. - 11 -3.5混凝土养生...................................................... - 11 -3.6模板拆除........................................................ - 11 -3.7台帽施工........................................................ - 11 -4.质量标准............................................................ - 12 -5.质量保证............................................................ - 13 -5.1质量保证组织机构................................................ - 13 -5.2质量保证体系.................................................... - 13 -5.3质量保证措施.................................................... - 13 -6.安全生产............................................................ - 14 -6.1安全管理机构和保证体系.......................................... - 14 -6.2安全教育........................................................ - 15 -6.3砼作业安全操作要点.............................................. - 15 -6.4用电安全要点.................................................... - 16 -6.5高空作业、脚手架作业安全操作要点................................ - 16 -6.6模板作业安全操作要点............................................ - 16 -6.7雨季施工........................................................ - 17 -6.7.1模板混凝土............................................... - 17 -6.7.2起重设备................................................. - 17 -6.7.3临时用电................................................. - 18 -6.8现场风险源分析.................................................. - 18 -6.9现场事故处置预案................................................ - 17 -7.环境保护............................................................ - 18 -7.1环境保护意识.................................................... - 18 -7.2现场场容、场貌布置措施.......................................... - 19 -7.3生活卫生措施.................................................... - 19 -8.附件................................................................ - 19 -1.编制依据1.1《广汉市高新技术产业园万福片两区共建项目--道路GN1工程(不含船槽部分)施工图设计》;1.2《公路工程质量检验评定标准》(JTJ F80/1-2004);1.3《路桥工程师计算手册》;1.4《公路桥涵施工技术规范》(JTG/T F50-2011);1.5《工程测量规范》GB50026—2007;1.6《公路工程施工安全技术规范》(JTG F90--2015);1.7《建筑施工高处作业安全技术规范》(JGJ80 -91);1.8《施工现场临时用电安全技术规范》(JGJ46-2011)。
监理单位:吉安市路达交通监理咨询有限公司
监理单位:吉安市路达交通监理咨询有限公司
监理单位:吉安市路达交通监理咨询有限公司
监理单位:吉安市路达交通监理咨询有限公司
分项工程质量检验记录监理单位:吉安市路达交通监理咨询有限公司
监理单位:吉安市路达交通监理咨询有限公司
监理单位:吉安市路达交通监理咨询有限公司
监理单位:吉安市路达交通监理咨询有限公司
监理单位:吉安市路达交通监理咨询有限公司
监理单位:吉安市路达交通监理咨询有限公司
监理单位:吉安市路达交通监理咨询有限公司
监理单位:吉安市路达交通监理咨询有限公司
监理单位:吉安市路达交通监理咨询有限公司
监理单位:吉安市路达交通监理咨询有限公司
监理单位:吉安市路达交通监理咨询有限公司
单位(子单位)工程质量竣工验收记录
监理单位:吉安市路达交通监理咨询有限公司
施工单位:江西翔博建设工程有限公司编号:。
桥梁工程资料填写表格参考1公路工程桥梁填写表格参考第1页共8页序号类别表格名称备注检验申请批复单基坑检查记录表1 基坑开挖、处理地基处理检查记录表地基承载力试验记录表中间交工证书检验申请批复单钢筋加工及安装钢筋安装质量检验评定表钢筋安装质量检验报告单中间交工证书检验申请批复单扩大基础质量检验评定表扩大 2 扩大基础质量检验报告单基础水泥混凝土抗压强度试验报告单模板、混凝土水泥混凝土抗压强度试验记录混凝土施工检查记录表混凝土浇灌申请表混凝土施工配合比通知单现浇混凝土模板安装检查记录表桥涵施工放样检查记录表中间交工证书检验申请批复单钢筋加工 3 桩基础及安装钢筋安装质量检验报告单钢筋安装质量检验评定表the departments focus on Office, actively carry out visits construction problem-solving public policy advocacy, and properly handle various types of petition cases, a total of 289 reception process petition cases and 2132 (times). Attach great importance to safety educationstrengthening the work of letters and calls and security, closer links between the Government and the masses. In order to do the work of letters and calls, and to solve problems for people, our Government Affairs Hall reception of letters and calls into established municipal government reception day system and leadership standing reception of letters and calls system, take advantage of the Government Affairs Hall第2页共8页序号类别表格名称备注中间交工证书检验申请批复单钻孔灌注桩质量检验评定表钻孔灌注桩质量检验报告单挖孔桩质量检验评定表挖孔桩质量检验报告单接桩施工原始记录水泥混凝土抗压强度试验报告单水泥混凝土抗压强度试验记录3 桩基础混凝土桩基成桩记录表混凝土施工检查记录表水下混凝土灌注记录混凝土浇灌申请表混凝土施工配合比通知单含水量试验记录(砂、石)桩基终孔后灌注混凝土前检查记录表冲击钻成孔记录表人工挖孔记录表桩基桩位放样检查记录表中间交工证书检验申请批复单钢筋安装质量检验报告单钢筋加工及安装钢筋网安装质量检验报告单4 承台钢筋安装质量检验评定表钢筋网安装质量检验评定表中间交工证书混凝土检验申请批复单 (接下页)承台质量检验评定表1f the Government Affairs Halltage otablished municipal government reception day system and leadership standing reception of letters and calls system, take advanrk of letters and calls, and to solve problems for people, our Government Affairs Hall reception of letters and calls into esthe wostrengthening the work of letters and calls and security,closer links between the Government and the masses. In order to do petition cases, a total of 289 reception process petition cases and 2132 (times). Attach great importance to safety educationsolving publicpolicy advocacy, and properly handle various types of -the departments focus on Office, actively carry out visits construction problem 第3页共8页序号类别表格名称备注承台质量检验报告单水泥混凝土抗压强度试验报告单水泥混凝土抗压强度试验记录混凝土施工检查记录表混凝土浇灌申请表混凝土 4 承台 (续上页) 混凝土施工配合比通知单含水量试验记录(砂、石)现浇混凝土模板安装检查记录表施工放样报验单平面位置检查记录表中间交工证书检验申请批复单钢筋加工及安装钢筋安装质量检验报告单钢筋安装质量检验评定表中间交工证书检验申请批复单墩台身柱或双壁墩身质量检验评定表或墩台身柱或双壁墩身质量检验报告单或墩台身墩柱、 5 水泥混凝土抗压强度试验报告单墩台身水泥混凝土抗压强度试验记录混凝土混凝土施工检查记录表混凝土浇灌申请表混凝土施工配合比通知单含水量试验记录(砂、石)现浇混凝土模板安装检查记录表施工放样报验单平面位置检查记录表2p standing reception of letters and calls system, take advantage of the Government Affairs Halldershiour Government Affairs Hall reception of letters and calls into established municipal government reception day system and lealinks between the Government and the masses. In order to do the work of letters and calls, and to solve problems for people, loser ases and 2132 (times). Attach great importance to safety educationstrengthening the work of letters and calls and security, cving public policy advocacy, and properly handle various types of petition cases, a total of 289 reception process petition csol-the departments focus on Office, actively carry out visits construction problem 第4页共8页序号类别表格名称备注中间交工证书检验申请批复单钢筋安装质量检验评定表钢筋加工及安装钢筋安装质量检验报告单钢筋网质量检验评定表钢筋网质量检验报告单中间交工证书检验申请批复单后张法质量检验评定表预应力筋的加工和张拉后张法质量检验报告单预应力孔道压浆记录表预应力张拉(后张法)记录表中间交工证书墩、台帽6 检验申请批复单或盖梁盖梁质量检验评定表盖梁质量检验报告单水泥混凝土抗压强度试验报告单水泥混凝土抗压强度试验记录封端检查记录表混凝土混凝土施工检查记录表混凝土浇灌申请表混凝土施工配合比通知单含水量试验记录(砂、石)现浇混凝土模板安装检查记录表预应力管道检查记录表施工放样报验单平面位置检查记录表钢筋加工及安装参见6项钢筋加工及安装支座垫中间交工证书 7 石和档混凝土检验申请批复单块混凝土施工检查记录表第5页共8页3f the Government Affairs Halltage otablished municipal government reception day system and leadership standing reception of letters and calls system, take advanrk of letters and calls, and to solve problems for people, our Government Affairs Hall reception of letters and calls into esthe wostrengthening the work of letters and calls and security, closer links between the Government and the masses. In order to do petition cases, a total of 289 reception process petition cases and 2132 (times). Attach great importance to safety educationsolving publicpolicy advocacy, and properly handle various types of -the departments focus on Office, actively carry out visits construction problem 序号类别表格名称备注支座垫石质量检验报告单支座垫石质量检验评定表档块质量检验报告单支座垫石和档块 7 档块质量检验评定表 (接上页)水泥混凝土抗压强度试验报告单水泥混凝土抗压强度试验记录混凝土施工检查记录表中间交工证书检验申请批复单钢筋加工及安装钢筋安装质量检验评定表钢筋安装质量检验报告单中间交工证书检验申请批复单后张法质量检验评定表预应力筋的后张法质量检验报告单加工和张拉预应力孔道压浆记录表预应力张拉(后张法)记录表中间交工证书检验申请批复单 8 梁板梁(板)预制质量检验报告单梁(板)预制质量检验评定表水泥混凝土抗压强度试验报告单水泥混凝土抗压强度试验记录梁板预制封端检查记录表预制主梁施工记录混凝土施工检查记录表混凝土浇灌申请表混凝土施工配合比通知单含水量试验记录(砂、石)预制混凝土构件模板安装检查记录表预应力管道检查记录表梁板现浇参照6项使用表格第6页共8页序号类别表格名称备注4p standing reception of letters and calls system, take advantage of the Government Affairs Halldershiour Government Affairs Hall reception of letters and calls into established municipal government reception day system and lealinks between the Government and the masses. In order to do the work of letters and calls, and to solve problems for people, loser ases and 2132 (times). Attach great importance to safety educationstrengthening the work of letters and calls and security, cving public policy advocacy, and properly handle various types of petition cases, a total of 289 reception process petition csol-the departments focus on Office, actively carry out visits construction problem 中间交工证书检验申请批复单 9 桥梁总体桥梁总体质量检验报告单桥梁总体质量检验评定表中间交工证书检验申请批复单 10 支座安装支座安装质量检验报告单支座安装质量检验评定表支座安装检查记录表中间交工证书检验申请批复单梁(板)安装质量检验评定表 11 梁板安装梁(板)安装质量检验报告单钢筋混凝土桥梁架设前墩台顶帽及梁部尺寸检查表预应力钢筋混凝土梁架设检查表防水层质量检验报告单 12 桥面防水层防水层质量检验评定表中间交工证书检验申请批复单钢筋安装质量检验报告单钢筋加工及安装钢筋安装质量检验评定表钢筋网质量检验报告单钢筋网质量检验评定表桥面 13 铺装中间交工证书检验申请批复单桥面铺装质量检验评定表混凝土桥面铺装质量检验报告单水泥混凝土抗压强度试验报告单水泥混凝土抗压强度试验记录第7页共8页序号类别表格名称备注5f the Government Affairs Halltage otablished municipal government reception day system and leadership standing reception of letters and calls system, take advanrk of letters and calls, and to solve problems for people, our Government Affairs Hall reception of letters and calls into esthe wostrengthening the work of letters and calls and security, closer links between the Government and the masses. In order to do petition cases, a total of 289 reception process petition cases and 2132 (times). Attach great importance to safety educationsolving publicpolicy advocacy, and properly handle various types of -the departments focus on Office, actively carry out visits construction problem混凝土施工检查记录表混凝土浇筑申请报告单桥面混凝土铺装混凝土施工配合比通知单含水量试验记录(砂、石)中间交工证书检验申请批复单14 伸缩缝安装伸缩缝安装质量检验报告单伸缩缝安装质量检验评定表中间交工证书检验申请批复单钢筋加工及安装钢筋安装质量检验报告单钢筋安装质量检验评定表中间交工证书检验申请批复单混凝土防撞拦浇筑质量检验评定表混凝土防撞拦浇筑质量检验报告单水泥混凝土抗压强度试验报告单混凝土水泥混凝土抗压强度试验记录15 护栏混凝土施工检查记录表混凝土施工配合比通知单含水量试验记录(砂、石)现浇混凝土模板安装检查记录表中间交工证书检验申请批复单栏杆安装质量检验评定表栏杆安装栏杆安装质量检验报告单波形梁钢护栏质量检验报告单波形梁钢护栏质量检验评定表6p standing reception of letters and calls system, take advantage of the Government Affairs Halldershiour Government Affairs Hall reception of letters and calls into established municipal government reception day system and lealinks between the Government and the masses. In order to do the work of letters and calls, and to solve problems for people, loser ases and 2132 (times). Attach great importance to safety educationstrengthening the work of letters and calls and security, cving public policy advocacy, and properly handle various types of petition cases, a total of 289 reception process petition csol-the departments focus on Office, actively carry out visits construction problem 第8页共8页序号类别表格名称备注中间交工证书检验申请批复单钢筋加工 16 搭板及安装钢筋安装质量检验报告单钢筋安装质量检验评定表中间交工证书检验申请批复单桥头搭板质量检验评定表桥头搭板质量检验报告单水泥混凝土抗压强度试验报告单17 搭板混凝土水泥混凝土抗压强度试验记录混凝土施工检查记录表混凝土施工配合比通知单含水量试验记录(砂、石) 现浇混凝土模板安装检查记录表中间交工证书检验申请批复单锥护坡质量检验报告单锥护坡质量检验评定表砌体挡土墙质量检验报告单砌体挡土墙质量检验评定表砂浆抗压强度试验报告18 护岸工程砂浆试块抗压强度试验记录水泥混凝土抗压强度试验记录混凝土施工检查记录表混凝土施工配合比通知单砌筑砂浆配合比通知单含水量试验记录(砂、石) 现浇混凝土模板安装检查记录表中间交工证书检验申请批复单19 台背回填台背回填质量检验报告单台背回填质量检验评定表桥涵背回填检查记录表7f the Government Affairs Halltage otablished municipal government reception day system and leadership standing reception of letters andcalls system, take advanrk of letters and calls, and to solve problems for people, our Government Affairs Hall reception of letters and calls into esthe wostrengthening the work of letters and calls and security, closer links between the Government and the masses. In order to do petition cases, a total of 289 reception process petition cases and 2132 (times). Attach great importance to safety educationsolving publicpolicy advocacy, and properly handle various types of -the departments focus on Office, actively carry out visits construction problem 8p standing reception of letters and calls system, take advantage of the Government Affairs Halldershiour Government Affairs Hall reception of letters and calls into established municipal government reception day system and lealinks between the Government and the masses. In order to do the work of letters and calls, and to solve problems for people, loser ases and 2132 (times). Attach great importance to safety educationstrengthening the work of letters and calls and security, cving public policy advocacy, and properly handle various types of petition cases, a total of 289 reception process petition csol-the departments focus on Office, actively carry out visits construction problem。
《基础工程》课程设计无筋扩展矩形基础计算书土木建筑工程学院道路桥梁121班陈召桃1203110210目录一、设计资料 (1)二、设计资料分析 (3)三、荷载计算及组合 (4)1、桥台自重及上部构造恒载计算 (4)2、土压力计算 (5)3、支座活载反力计算 (8)4、支座摩阻力计算 (10)5、荷载组合 (11)四、地基承载力验算 (13)1、台前、台后填土对基底产生的附加应力计算 (13)2、基底压应力计算 (13)3、地基强度验算 (14)五、地基变形验算(沉降计算) (15)六、基底偏心距验算 (17)七、基础稳定性验算 (17)1、倾覆稳定性验算 (17)2、滑动稳定性验算 (18)八、结论19一、设计资料1、基本概况某桥上部构造采用装配式钢筋混凝土T形梁。
标准跨径20.00m,计算跨径19.5m。
摆动支座,桥面宽度为7+2X1.0 m,双车道,参照《公路桥涵地基与基础设计规范》进行设计。
设计荷载:公路-I级,人群荷载为3.5kN/m?。
材料:台帽、耳墙及截面a-a以上均用20号钢筋混凝土,,=25.00kN/m3 ; 台身(自截面a-a以下)用7.5号浆砌片、块石(面墙用块石,其它用片石,石料强度部少于30号),2 =23.00kN/m3基础用15号素混凝土浇筑,3=24.00kN/m3 ;台后及溜坡填土 4 =17.00kN/m3 ;填土的内摩擦角'=35°,粘聚力c=0。
基础类型:无筋扩展矩形基础基础材料:混凝土强度等级C15~C20钢筋为I、U级钢筋。
2、水文地质资料水文、地质资料:设计洪水位标高离基底的距离为 6.5m (即在a-a截面处)。
地基土的物理、力学性质指标见下表:表13、桥墩及基础构造和初拟尺寸(如图)初步拟定基础分两层,每层厚度为0.5m,襟边和台阶宽度相等,取0.4m,基坑边坡系数可取m=0.75~1.0。
100700JOG4、荷载组合情况表2作用效应组合汇总表何载组合水平力(kN)竖向力(kN)弯矩(kN.m)(一)主要1179.17 8129.51 -2371.30附加1221.37 8129.51 -2740.18 (二)主要1421.53 7854.90 -3683.11附加1463.73 7854.90 -4051.99 (三)主要1421.53 7620.87 -3835.24附加1463.73 7620.87 -4204.12 (四)1482.28 7640.02 -4110.24 (五)1179.17 8380.24 -2208.32 (六)1179.17 6696.44 -3302.79 设计洪水位高程离基底的距离为6.5m (在a-a截面处),地基土的物理、力学指标见下表:表3各土层物理力学指标序号土层名称层厚m 含水量%重度kN/m3孔隙比比重液限%塑性指数液性指数直剪试验压缩性指标C kPa©度a1-2-1MPa曰-2MPa1 硬塑粘土 6.5 26 19.7 0.74 2.72 44 20 0.1 55 20 0.15 11.6 2软塑亚粘土4.1 28 19.1 0.82 2.71 34 15 0.6 20 16 0.26 73 软质基岩21.5由表可知上层粘土的液性指数远小于0.75属于硬塑土,中层软塑亚粘土相对的承载力较弱,则该基础应浅埋,采用无筋刚性扩展基础,初步拟定埋深2.0m,见图1。
明挖(扩大)基础质量检验表施工单位:合同号:
.word资料.
分项工程质量检验评定表施工单位:合同号:
.word资料.
分项工程质量检验评定表施工单位:合同号:
.word资料.
.word资料.
基坑质量交验单
施工单位:合同号:
监理单位:编号:ZJ-089-□□□-□□□□□□□□□-□□□□
检验申请批复单
施工单位:合同号:
监理单位:编号:ZK-012-□□□-□□□□□□□□□-□□□□
钢筋安装质量交验单施工单位:合同号:
钢筋检查记录表
施工单位:合同号:
监理单位:编号:ZJ-075-□□□-□□□□□□□□□-□□□□
检验:日期:记录:日期:
混凝土施工原始记录表施工单位:合同号:
监理单位:编号:ZJ-084-□□□-□□□□□□□□□-□□□□
混凝土浇筑申请批复单施工单位:合同号:。