特种设备设计文件鉴定专用章式样
- 格式:doc
- 大小:71.00 KB
- 文档页数:4
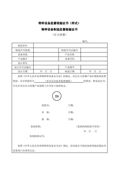
特种设备监督检验证书(样式)特种设备制造监督检验证书
(压力容器)
特种设备安装、改造与重大修理监督检验证书
(压力容器)
注:使用登记证编号,在安装时不填写,划“—”。
-
特种设备制造监督检验证书
(压力容器封头、压力容器承压部件)
编号:
特种设备监督检验联络单
编号:
(受检单位名称):
经监督检验,发现你单位在(填写压力容器产品名称、产品批号、编号或者位号)的(制造、安装、改造、重大修理)过程中,存在以下影响安全性能的问题,请于年月日前将处理结果报送监检机构:
注:本联络单一式三份,一份监检机构存档,两份送受检单位,其中一份受检单位应当在要求的日期内返回监检机构。
附件J
特种设备监督检验意见通知书
编号:
(受检单位名称) :
经监督检验,发现你单位在(填写压力容器产品名称、产品批号、编号或者位号)的(制造、安装、改造、重大修理)过程中,存在以下影响安全性能的问题,请于年月日前将处理结果报送监检机构:
注:本通知单一式四份,一份报所在地设区的市级质量技术监督部门或者省级质量技术监督部门,一份监检机构存档,两份送受检单位,其中一份受检单位应当在要求的日期内返回监检机构。
特种设备监督检验证书(样式)特种设备制造监督检验证书(压力容器)特种设备安装、改造与重大修理监督检验证书(压力容器)编号:特种设备制造监督检验证书(压力容器封头、压力容器承压部件)编号:制造单位制造许可级别制造许可证编号产品名称产品编(批)号封头形型式规格主要受压元件材料牌号数量来料加工□是□否制造日期年月日产品图号按照《中华人民共各和国特种设备安全法》的规定,该(批)压力容器承压部件经我机构监督检验,安全性能符合(有关安全技术监察规程)的要求,特发此证书,并且在该(批)压力容器部件产品合格证上盖注如下监检标志。
监检员:日期:审核:日期:批准:日期:监检机构:机构核准证号:TS7110244-2017(监检机构检验专用章)年月日特种设备监督检验联络单编号:(受检单位名称)经监督检验,发现你单位在(填写压力容器产品名称、产品批号、编号或者位号)的(制造、安装、改造、重大修理)过程中,存在以下影响安全性能的问题,请于年月日前将处理结果报送监检机构:注:本联络单一式三份,一份监检机构存档,两份送受检单位,其中一份受检单位应当在要求的日期内返回监检机构。
附件J特种设备监督检验意见通知书编号:__________ (受检单位名称)_________ :经监督检验,发现你单位在(填写压力容器产品名称、产品批号、编号或者位号)的(制造、安装、改造、重大修理)过程中,存在以下影响安全性能的问题,请于年月日前将处理结果报送监检机构:问题和意见:监检员:日期:监检机构技术负责人:日期:(监检机构检验专用章)年月日受检单位接收人:日期:处理结果:受检单位主管负责人:日期:(受检单位公章)年月曰注:本通知单一式四份,一份报所在地设区的市级质量技术监督部门或者省级质量技术监督部门,一份监检机构存档,两份送受检单位,其中一份受检单位应当在要求的日期内返回监检机构。
附件10各专用章式样一、证件专用章(一)《拖拉机登记证书》专用章1、规格:25×25 mm 。
2、字体:宋体。
3、内容:(1)××省(自治区、直辖市)农业机械管理局。
(2局。
(二)《拖拉机行驶证》、检验合格标志、临时行驶号牌专用章1、规格:20×20mm ;2、字体:宋体。
3、内容:(1 (2)××省(自治区)××市(地、州、盟)农业机械管理局。
式样一 式样二二、业务专用章(一)规格:直径42mm 。
(二)字体:宋体。
(三)内容:1、××省(自治区、直辖市)农机安全监理总站业务专用章。
2、××省(自治区)××市(地、州、盟)农机监安全理所业务专用章。
刻制多枚专用章时,可在印章中增加编号。
编号用括号中的阿拉伯数字表示,位置在“业务专用章”文字下方正中。
式样一 式样二三、检验业务专用章1、规格:65×6mm 。
2、字体:宋体。
3、内容:(1)检验合格至 年 月有效×××(01)。
其中:第1位×为省(自治区、直辖市)简称,后2位××为发牌机关代号,01为检验章编号。
(2)委托××农机监理机构核发××年度检验合格标志。
式样一式样二 委托 农机监理机构核发 年度检验合格标志检验合格至 年 月有效XXX (01)四、个人专用名章(一)规格:25×7 mm。
(二)字体:宋体。
(三)内容:NJJL×××。
其中:NJJL为农机监理缩写字母,×××为农机监理机构经办人姓名。
式样。
特种设备设计文件鉴定专用章式样注:(一) 字号仅供参考(二) 鉴定报告书编号方法1、基本格式××××××××××-××××顺序号鉴定单位代码设备种类代号证书项目代号共15位,包括“-”。
2、代号含义(1) 证书项目代号由四个字母表示TSWJ(2) 设备种类代号由二个字母表示(3) 鉴定单位代码分两部分。
前部分为省级地区代码,按照《中华人民共和国行政》(GB/T2260-1999)用两个字母表示,见附录。
后部分表示为鉴定单位,用两个数字表示,以设备种类为一类,由批准部门按批准的单位顺序号表示。
总局批准的地区代码为GJ.(4) 顺序号由四位阿拉伯数字表示,如果超过9999,则用字母与数字混合使用。
如顺序号为10200,则表示为A200。
(三) 刻制章时,证书项目代号、设备种类代号、鉴定单位代码及其“-”应当刻制。
顺序号手写。
(四) 单位负责人签字,应当手签,不能用个人章代替。
(五) 日期,应当包括年、月、日,如2003.06.15。
(六) 举例如:国家质检总局批准第1家,国家质量监督检验检疫总局锅炉压力容器检测研究中心对游乐设施设计文件进行鉴定,其游乐设施设计文件的鉴定顺序为200。
则表示为:TSWJYLGJ01-0200如:辽宁省质量技术监督局批准第2家,辽宁省安全科学研究院负责锅炉设计文件进行鉴定,其锅炉设计文件的鉴定顺序号为2020。
则表示为:TSWJGLNJ02-2020附录地区代码。
特种设备使用登记表(式样一)登记类别:
注:本式样适用于按台(套)进行登记的特种设备。
车用气瓶使用登记表(式样二)
登记类别:
注:本式样适用于车用气瓶使用登记。
(气瓶的制造单位名称、制造日期、产品编号、单位内编号的行数,根据该车所用的气瓶数量编制;气瓶容积是指单个气瓶。
括号内表述不印制)
特种设备使用登记表(式样三)登记类别:
注:本式样适用于按使用单位登记的特种设备。
压力管道基本信息汇总表——工业管道
使用单位(加盖使用单位公章):使用单位地址:
工程(装置)名称:安全管理部门:安全管理员:
填表日期:经办人:联系电话:电子邮箱:
气瓶基本信息汇总表
使用单位:(加盖使用单位公章)共页第页
填表日期:经办人:联系电话:电子邮箱:注:设备品种,是指无缝气瓶、焊接气瓶、内装填料气瓶、纤维缠绕气瓶、低温绝热气瓶;变更或者停用情况,是指新增、停用、注销、报废;信息化管理情况,是指企业采用二维码、电子标签等信息化方式对气瓶进行管理,已采用的填写具体信息化方法,未采用的填“无”。
特种设备使用登记证变更证明
编号:
办理使用登记手续。
变更类别,按照使用单位更名、变更使用单位、移装、改造、达到设计使用年限继续使用等填写。
特种设备停用报废注销登记表
申报种类:□停用□报废□注销共台
表和使用登记证,场(厂)内专用机动车辆还需携带牌照;设备台数较多时,可另行附表说明。
压力管道相关法律法规和安全技术规范一、法律法规、部门规章1、《安全生产法》2、《行政许可法》3、《特种设备安全监察条例》(国务院令第549号公布,2009年5月1日起施行)4、各省的特种设备安全监察规定(假若有此规定的话)5、《国务院关于特大安全事故行政责任追究的规定》(2001年4月21日国务院令第3 02号公布,自公布之日起执行)6、《生产安全事故报告和调查处理条例》(国务院令第493号公布,2007年6月1日起施行)7、《特种设备作业人员监督管理办法》(国家质检总局令第70号公布,2005年7月1日起施行)8、《特种设备质量监督与安全监察规定》(国家质量技术监督局令第13号公布,200 0年10月1日起施行)9、《锅炉压力容器压力管道特种设备安全监察行政处罚规定》(国家质检总局令第14号公布,2002年3月1日起施行)10、《特种设备现场安全监督检查规则(试行)》(2007年11月7日国质检特函〔20 07〕910号文印发,自印发之日起施行)11、《特种设备安全监察人员管理办法》(2008年7月16日国质检特[2008]343号文印发,自印发之日起施行)12、《特种设备事故报告和调查处理规定》(国家质检总局令第115号公布,自公布之日起施行)13、《高耗能特种设备节能监督管理办法》(国家质检总局令第116号公布,2009年9月1日起施行)14、《特种设备安全监察员培训考核规则》(质检特函[2009]96号文印发,2010年1月1日起施行)15、《危险化学品安全管理条例》(国务院令第344号 2002年3月15日起施行)16、《压力管道安全管理与监察规定》(自1996年7月1日施行)17、《锅炉压力容器压力管道特种设备事故处理规定》(2001年11月15日起施行)二、标准、技术规范1、《特种设备注册登记与使用管理规则》(质技监局锅发[2001]57号文印发)2、《特种设备安全技术规范制定程序导则(TSG Z0001-2009 )》3、《特种设备事故调查处理导则(TSG Z0006-2009 )》4、《特种设备信息化工作管理规则(TSG Z0002-2009)》5、《特种设备制造、安装、改造、维修质量保证体系基本要求(TSG Z0004-2007)》6、《特种设备制造、安装、改造、维修许可鉴定评审细则(TSG Z0005-2007)》7、《特种设备检验检测机构鉴定评审细则(TSG Z7002-2004)》8、《特种设备检验检测机构核准规则(TSG Z7001-2004)》9、《特种设备检验检测机构质量管理体系要求(TSG Z7003-2004)》10、《特种设备作业人员考核规则(TSG Z6001-2005)》11、《特种设备鉴定评审人员考核大纲(TSG Z0003-2005)》12、《安全阀安全技术监察规程 (TSG ZF001-2006)》13、《安全阀维修人员考核大纲(TSG ZF002-2005)》15、《压力容器压力管道设计许可规则(TSG R1001-2008)》16、《压力容器压力管道带压密封作业人员考核大纲(TSG R6003-2006)》17、《压力管道安全技术监察规程—工业管道》(TSG D001-2009,2009年8月1日起施行)18、《压力管道使用登记管理规则(TSG D5001-2009)》19、《压力管道元件制造许可规则(TSG D2001-2006)》20、《压力管道定期检验规则-公用管道(TSG D7004-2010)》21、《压力管道定期检验规则-长输(油气)管道(TSG D7004-2010)》22、《压力管道安装许可规则(TSG D3001-2009)》23、《压力管道安全技术监察规程-工业管道(TSG D0001-2009)》24、《压力管道元件型式试验规则(TSG D7002-2006)》25、《压力管道安全管理人员和操作人员考核大纲(TSG D6001-2006)》26、《压力管道元件制造监督检验规则[埋弧焊钢管与聚乙烯管](TSG D7001-2005)》27、《燃气用聚乙烯管道焊接技术规则 (TSG D2002-2006)》28、特种设备行政许可鉴定评审管理与监督规则(国[2005]220号)29、特种设备无损检测人员考核与监督管理规则(国质检锅[2003]248号)30、压力管道安装安全质量监督检验规则(国质检锅[2002]83号)31、在用工业管道定期检验规程(国质检锅[2003]108号)32、《锅炉压力容器压力管道特种设备无损检测单位监督管理办法》(国质检锅〔2001〕148号)33、《特种设备检验检测机构管理规定》(国质检锅[2003]249号)、34、压力管道元件型式试验机构资格认可与管理办法35、特种设备焊接操作人员考核细则(TSG Z6002-2010)三、上级文件1、关于公布<特种设备目录>的通知》(国质检锅[2004]31号)2、于增补特种设备目录的通知》(国质检特〔2010〕22号)4、于实施新修改的<特种设备安全监察条例>若干问题的意见》(国质检法[2009]192号)5、于实施<特种设备安全监察条例>若干问题的意见》(国质检法[2003]206号)6、关于特种设备事故统计有关问题的说明》(质检锅函[2004]1号)7、《关于特种设备事故统计有关问题补充说明的通知》(质检特函[2004]51号)8、《关于加强特种设备事故报告的通知》(质检特函[2008]58号)9、《关于简化<特种设备安装改造维修告知书>的通知》(质检办特函〔2009〕1186号)12、《关于做好2010年高耗能特种设备节能工作的实施意见》(质检特函[2010]19号)13、《《关于全面推进特种设备节能监管工作的通知》(粤质监锅函〔2009〕281号)14、《关于进一步规范特种设备行政许可有关工作的意见》(粤质监〔2009〕129号)15、《特种设备危险性评价与分级实施指南》 (质检特函〔2009〕21号)16、特种设备设计文件鉴定专用章式样17、锅炉压力容器制造许可工作程序(国质检锅[2003]194号)18、《特种设备行政许可实施办法(试行)》国质检锅[2003]172号四、压力管道设计施工标准1 CJJ28-2004 城市供热管网工程施工及验收规范2 CJJ33-2005 城镇燃气输配工程施工及验收规范3 CJJ34-2002 城市热力网设计规范4 CJJ95-2003 城镇燃气埋地钢质管道腐蚀控制技术规程5 《城镇燃气埋地钢质管道腐蚀控制技术规程》宣贯教材6 CJJ104-2005 城镇供热直埋蒸汽管道技术规程7 CJJ105-2005 城镇供热管网结构设计规范8 GB 50016-2006 建筑设计防火规范9 GB 50028-2006 城镇燃气设计规范10 GB 50029-2003 压缩空气站设计规范11 GB 50074-2002 石油库设计规范12 GB 50156-2002 汽车加油加气站设计与施工规范13 GB 50160-2008 石油化工企业设计防火规范14 GB 50177-2006 氢气站设计规范15 GB 50183-2004 原油和天然气工程设计防火规范16 GB 50184-93 工业金属管道工程质量检验评定标准17 GB 50185-93 工业设备及管道绝热工程质量检验评定标准18 GB 50235-97 工业金属管道工程施工及验收规范19 GB 50236-98 现场设备、工业管道焊接工程施工及验收规范20 GB 50251-2003 输气管道工程设计规范21 GB 50253-2003 输油管道工程设计规范22 GB 50264-97 工业设备及管道绝热工程设计规范23 GB 50316-2000 工业金属管道设计规范(2008版)24 GB 50350-2005 油气集输设计规范25 GB 50369-2006 油气长输管道工程施工及验收规范26 GB50423-2007 油气输送管道穿越工程设计规范27 GB50424-2007 油气输送管道穿越工程施工规范28 GB50459-2009 油气输送管道跨越工程设计规范压力管道法规、标准目录一、压力管道法规、标准二、压力管道设计施工标准29 GB50460-2008 油气输送管道跨越工程施工规范30 GB50461-2008 石油化工静设备安装工程施工质量验收规范31 GB50470-2008 油气输送管道线路工程抗震技术规范32 GB50484-2008 石油化工建设工程施工安全技术规范33 HGJ229-91 工业设备管道防腐蚀工程施工及验收规范34 HG 20225-95 化工金属管道工程施工及验收规范35 HG/T20644-2000 变力弹簧支吊架36 HG/T20549-98 化工装置管道布置设计规定(国际通用设计体制和方法)37 HG/T20645-98 化工装置管道机械设计规定(国际通用设计体制和方法)38 HG/T20646-98 化工装置管道材料设计规定(国际通用设计体制和方法)39 HG/T20670-2000 化工、石油化工管架、管墩设计规定40 DL/T820-2002 管道焊接接头超声波检验技术规程41 DL/T821-2002 钢制承压管道对接焊接接头射线检验技术规范42 DL/T868-2004 焊接工艺评定规程43 DL/T869-2004 火力发电厂焊接技术规程44 DL 5009.1-2002 电力建设安全工作规程(火力发电厂部分)45 DL5017-93 压力钢管制造安装及验收规范46 DL/T5031-94 电力建设施工及验收技术规范管道篇47 DL/T5054-96 火力发电厂汽水管道设计技术规定48 DL/T5121-2000 电厂烟风煤粉管道设计规程49 DL/T5121-2000 《火力发电厂烟风煤粉管道设计技术规程》配套设计算计方法50 DL/T5141-2001 水电站压力钢管设计规范51 SL 281-2003 水电站压力钢管设计规范52 SH3010-2000 石油化工设备和管道隔热技术规范53 SH3012-2000 石油化工企业管道布置设计通则54 SH3022-99 石油化工设备和管道涂料防腐技术规范55 SH/T3035-2007 石油化工企业工艺装置管径选择导则56 SH/T3041-2002 石油化工管道柔性设计规范57 SH3059-2001 石油化工企业管道设计器材选用通则58 SH3064-2003 石油化工企业钢制通用阀门选用、检验及验收59 SH/T3073-2004 石油化工管道支吊架设计规范60 SH/T3108-2000 炼油厂全厂性工艺及热力管道设计规范61 SH/T3122-2000 炼油装置工艺管道流程设计规范62 SH/T3129-2002 加工高硫原油重点装置主要管道设计选材导则63 SH3401~3410-96 石油化工管道器材标准(合订本)64 SH3501-2001 石油化工剧毒、可燃介质管道工程施工及验收规范65 SH3502-2009 钛及锆管道施工及验收规范66 SH/T3517-2001 石油化工钢制管道工程施工工艺标准67 SH/T3518-2000 阀门检验与管理规程68 SH/T3523-2009 石油化工铬镍不锈钢、铁镍合金和镍合金焊接规程69 SH/T3542-2007 石油化工静设备安装工程施工技术规程70 SY/T0004-98 油田油气集输设计规范71 SY 0007-1999 钢质管道及储罐防腐蚀工程设计规范72 SY/T0010-96 气田集气工程设计规范73 SY/T0011-2007 天然气净化厂设计规范74 SY/T0015.1-98 原油和天然气输送管道穿跨越工程设计规范穿越工程75 SY/T0015.2-98 原油和天然气输送管道穿跨越工程设计规范跨越工程76 SY/T0027-2007 稠油注气系统设计规范77 SY/T0082.2-2006 石油天然气工程初步设计内容规范第1部分:管道工程78 SY/T0082.3-2006 石油天然气工程初步设计内容规范第1部分:天然气处理厂工79 SY/T0510-1998 钢制对焊管件80 SY/T0518-2002 油气管道钢制对焊管件设计规程81 SY/T0609-2006 优质钢制对焊管件规范82 SY/T0379-98 埋地钢质管道煤焦油瓷漆外防腐层技术标准83 SY 0402-2000 石油天然气站内工艺管道工程施工及验收规范84 SY 0466-97 天然气集输管道施工及验收规范85 SY 0470-2000 石油天然气管道跨越工程施工及验收规范86 SY 4104-95 石油建设工程质量检验评定标准管道穿跨越工程87 SY 4109-2005 石油天然气钢质管道无损检测88 SY 4116-2008 石油天然气管道工程建设监理规范89 SY4203-2007 石油天然气建设工程施工质量验收规范站内工艺管道工程90 SY4204-2007 石油天然气建设工程施工质量验收规范油气田集输管道工程91 SY4207-2007 石油天然气建设工程施工质量验收规范管道穿跨越工程92 SY 4208-2008 石油天然气建设工程施工质量验收规范输油输气管道线路工程93 SY 4209-2008 石油天然气建设工程施工质量验收规范天然气净化厂建设工程94 SY/T10043-2002 泄压和减压系统指南95 SY/T10044-2002 炼油厂压力泄放装置的尺寸确定、选择和安装的推荐作法96Q/ CNPC59-2002输油输气管道线路工程施工技术规范97 Q/CNPC78-2002 管道下向焊接工艺规程98 Q/CNPC93-2003 埋地钢制管道线路工程流水作业施工工艺规程。
特种设备使用标志(式样一)说明:1.此样式为锅炉、压力容器(气瓶除外)、起重机械、客运索道、大型游乐设施和场(厂)内专用机动车辆的使用标志:式样的幅面及其文字字号、标注的尺寸为锅炉、压力容器、起重机械和场(厂)内专用机动车辆的使用标志:客运索道、大型游乐设施的幅面为300mm×450mm,文字字号、有关尺寸可以按照一定的比例放大。
2.按照《特种设备目录》,有设备品种的,在“设备类别(品种)”栏中填写设备品种,如锅炉中有机热载体炉的“有机热载体气相炉”、压力容器中氧舱的“医用氧舱”、起重机械中桥式起重机的“通用桥式起重机”、客运索道中客运拖牵索道的“低位客运拖牵索道”、大型游乐设施中水上游乐设施的“峡谷漂流系列”、场(厂)内专用机动车辆中机动工业车辆的“叉车”等;只有设备类别无品种的,则填写设备类别,如锅炉中的“承压热水锅炉”、大型游乐设施中的“观览车类”等。
3.此式样左下方的“使用单位应当严格遵守《中华人民共和国特种设备安全法》,建立安全管理制度、制定操作规程,在检验有效期内使用特种设备。
”适用于锅炉、压力容器(气瓶除外)、起重机械、场(厂)内专用机动车辆使用标志。
客运索道、大型游乐设施应当为“乘客应当遵守安全使用说明和安全注意事项的要求,服从有关工作人员的管理和指挥。
”4.锅炉、固定式压力容器、起重机械使用单位应当将《特种设备使用标志》或者使用单位盖章或者签名确认的复印件悬挂或者固定在特种设备显著位置,当无法悬挂或者固定时,可存放在使用单位的安全技术档案中,同时将使用登记证编号标注在特种设备产品铭牌上或者其他可见部位;非公路用旅游观光车、有驾驶室的特种设备使用单位应当将《特种设备使用标志》张贴在驾驶室的挡风玻璃的右前方,移动式压力容器的使用标志应当随容器携带,并且打印二维码。
5.客运索道、大型游乐设施运营单位应当将《特种设备使用标志》悬挂或者固定在乘客入口处或者售票处等易于乘客看见的部位。
特种设备行政许可鉴定评审管理与监督规则第一章总则第一条为了加强特种设备行政许可鉴定评审机构的管理与监督,规范鉴定评审活动,保证鉴定评审质量,制定本规则。
第二条特种设备行政许可鉴定评审,是指对申请特种设备设计、制造、安装、改造、维修、充装和检验检测的单位(以下统称申请单位),是否符合许可条件所进行的现场技术鉴定和条件审查工作。
第三条特种设备行政许可鉴定评审工作,由国家质检总局和省级质量技术监督部门(以下统称许可实施机关)分别确定的,并经国家质检总局统一公布的鉴定评审机构进行。
第四条鉴定评审机构应当按照有关特种设备行政许可鉴定评审的实施细则,严格依据国家有关法律、法规、规章、安全技术规范和标准的要求实施鉴定评审,为许可实施机关提供准确、客观的鉴定评审结论。
鉴定评审机构对鉴定评审结论负责。
第五条特种设备行政许可鉴定评审工作应当按照公开、公平、公正和便民高效的原则进行。
严禁鉴定评审机构及其工作人员在鉴定评审工作中弄虚作假、牟取私利。
第六条许可实施机关应当加强对鉴定评审机构的管理与监督,对违反规定的及时予以处理。
各级质量技术监督部门负责对本行政区域内的鉴定评审工作进行监督。
第二章鉴定评审机构的确定和人员考核第七条许可实施机关根据统筹规划、合理布局的原则,按照各自所负责实施的许可项目,确定鉴定评审机构。
每个许可项目一般不得少于2个鉴定评审机构。
第八条鉴定评审机构应当具备以下条件:(一)有10名以上考核合格的鉴定评审人员,且每个评审项目至少有3名鉴定评审人员;(二)鉴定评审机构的技术负责人应当具有高级工程师职称,有5年以上特种设备相关工作经历;(三)具有必要的办公场所、工作设施、文件资料保存设施等工作条件;(四)建立与鉴定评审工作项目相适应的质量管理体系,编制质量手册、工作程序和指南,建立人员管理、文档管理等制度;(五)具有满足鉴定评审工作需要的相应的法律、法规、规章、安全技术规范及标准。
鉴定评审机构不得从事特种设备设计、制造、安装、改造、维修以及销售活动,不得与被鉴定评审单位存在资产、业务、管理等方面的利益关系。
特种设备检验意见通知书
特种设备检验意见通知书(1)
编号:
(2)各栏可另附页。
特种设备检验意见通知书(2)
编号:
(填受检单位名称) :
经检验,你单位 (填写设备种类) (设备品种:,设备名称:,设备代码:,设备使用登记证编号:,单位内编号: )存在以下问题,请于年月日前将处理结果报送我机构:
注:(1)本通知书一式三份,一份检验机构存档,一份送受检单位,一份送监察机构,受检
单位应当在要求的期限内将一份返回检验机构;
(2)未取得有效的合格证明,设备严禁投入使用;
(3)各栏可另附页。
见证章模板
一、印章制作样式
(一)见证取样检测专用章的形状为椭圆形,长轴40mm,短轴30mm,边宽1mm。
(二)见证取样检测专用章的字体为宋体,“见证取样检测”字高5mm,字宽4mm,上弧角度为180度;“专用章”字高5mm,字宽4mm;五角星直径7mm;“市名”字高2.5mm,字宽2mm;“编号”字高2.5mm,字宽1.5mm。
(三)见证取样检测专用章下方标记由设区市+检测机构编号组成,三位数字编号由各设区市监督机构确定。
(四)见证取样检测专用章的颜色为塑胶红色。
二、印章刻制要求
(一)需刻制见证取样检测专用章的检测机构,应从设区市监督机构获取对应编号,按照本通知提供的印章样式,自行选择经公安部门备案的印章厂刻制。
每个检测机构应只刻制一枚见证取样检测专用章。
(二)各检测机构应按照有关法律法规的要求,规范使用和管理见证取样检测专用章。
检测机构也可依法依规使用见证取样检测专用章电子印章,严禁出现不按制章样式制作印章和不按规定使用印章的行为。
三、工作要求
(一)各设区市监督机构要对本行政区域内检测机构做好见证取样检测专用章编号工作,及时告知检测机构对应编号。
每个检测机构对应一个编号,从001开始依次排序,中间不得空号,编号存档确保可查。
推动电子印章在电子文件、电子材料的应用,确保加盖电子印章的电子材料安全有效。
(二)各设区市监督机构要认真贯彻落实《山东省房屋建筑和市政基础设施工程见证取样和送检管理规定》,加强对见证取样和送检工作的监管,切实保障我省工程质量和安全。
检验报告专用章:检验报告专用章羽绒检验报告专用章质检报告检验专用章尺寸篇一:检验专用章的使用制度及使用记录表检验专用章使用制度1、目的对检验印章的发放、使用和管理进行控制,确保检验专用章的法律效力.2、范围适用于本中心所出具的各类检验检测报告或者证书上,检验检测专用章加盖在检验检测报告封面的机构名称位置或者检验检测结论位置.3、职责3.1检验专用章由检验科负责人保管和使用.3.2严格控制检验专用章的使用,任何其他人员不得私自加盖检验专用章. 3.3发放和使用检验专用章时必须认真填写使用记录,应有使用人的签字和使用日期.3.4检验专用章必须专人专用,专岗专用,不得转借、不得随意交于他人. 3.5检验专用章应妥善保存,不得随意摆放.3.6所有检验检测工作通过审核时,由审核人签字后方可加盖检验专用章. 3.7本中心所出具的所有检测报告只有加盖检验章才具有法律效益. 3.8检验专用章如丢失必须发布遗失声明,负责人要立即进行书面报告. 3.9加盖检验印章必须清晰、整洁,不能倒盖或歪盖印章,易于识别,具有溯源性.检验专用章使用记录表篇二:检测专用章使用要求附件6:检验检测机构资质认定检验检测专用章使用要求一、为了对检验检测专用章进行管理,规范检验检测行为,根据《检验检测机构资质认定管理办法》,制定本要求。
二、检验检测机构向社会出具具有证明作用的检验检测数据、结果的,应当在其检验检测报告或证书上加盖检验检测专用章,用以表明该检验检测报告或证书由其出具,并由该检验检测机构负责。
三、检验检测专用章应表明检验检测机构完整的、准确的名称。
检验检测专用章加盖在检验检测报告或证书封面的机构名称位置或检验检测结论位置,骑缝位置也应加盖。
四、检验检测机构应加强对检验检测专用章管理,建立相应的责任制度和用章登记制度,安排专人负责保管和使用,用章记录资料要存档备查。
五、检验检测专用章的式样要经过本单位法人或法人授权人批准。
六、检验检测专用章的式样变更,也须要经过本单位法人或法人授权人批准。
检测章模板
质检部门印章是企业生产经营管理活动中行使职权的重要凭证及质检工具。
企业质检部一般有质检专用章、检验专用章、QC印章、品质保证专用章、质保专用章、品质专用章、校对章,合格印章等质检印章,五花八门什么质检名称的印章都有。
质检部各类质检印章由各级和各岗位专人依职权领取使用并保管,质检部还应建立印章管理表,专人领取和归还印章情况在表上予以登记。
这质检印章分类很细,都各司其责,在每一项质检中都承担相应的职责。
质检专用章是生产者证明产品是经检验合格而附于产品或者产品包装上的
签字印章。
由于工作需要这些质检印章,可由质检部向公司提出申请,经公司研究同意后,公司印章管理部门方可雕刻质检印章,并在公司内部印章管理部门备案后,发放质检部予以使用。
印章保管人应对产品文件内容和质检印章使用单上载明的签署情况予以核对,经核对无误的方可盖章,未经检验的产品以及检验不合格的产品不能使用盖质检印章。
印章一经领取后,在印章有效责任范围内文件上出现的质检印章,代表印章领取人和公司的的意向。
质检专用章与质检印章属于企业质检使用的部门印章,质检专用章与质检印章尺寸样式没有统一规范的标准。
质检专用章样式尺寸可以按企业的要求来刻制;印章字体一般使用简化的宋体;印章颜色可以选择常用的红色或蓝色;可以自由设计印章,带上需要用到的质检日期、公司名称、产品标志、产品名称、质检人名称编号等等。
印章制作材料可以按实际需要来选择,使用频率不高、不带日期就简单几个文字的质检专用章可以选择传统的牛角印章与塑料印章;需要带调整质检日期、使用率频繁的可以选择可调式回墨日期印章。
一文了解压力容器设计专用印章模板是什么样子嘀首先,TSG 21-2016《固定式压力容器安全技术监察规程》中的3.1.2是这样规定的:3.1.2 设计专用章(1)压力容器的设计总图上,必须加盖设计单位设计专用印章(复印章无效),已加盖竣工图章的图样不得用于制造压力容器;(2)压力容器设计专用章中至少包括设计单位名称、相应资质证书编号、主要负责人、技术负责人等内容。
TSG 21-2016修订说明对【3.1.2 设计专用章】的解释:将原设计许可印章改为设计专用章,其使用要求与原许可印章相同。
同时对专用章的内容进行了规定,至少包括设计单位名称、相应资质证书编号、主要负责人、技术负责人等内容。
然后,质检总局特种设备局关于《固定式压力容器安全技术监察规程》(TSG 21-2016)的实施意见(质检特函〔2016〕46号)中提出以下实施意见:1.关于设计专用印章“新固容规”3.1.2规定了设计专用印章的要求,在设计许可证有效期内,现有设计许可印章继续有效,但应当在设计许可印章下方加盖设计单位主要负责人印章;在2016年10月1日后取得(含换取)压力容器设计许可证的单位统一使用新名称“设计专用印章”,其内容应当满足“新固容规”3.1.2(2)的要求,其中“主要负责人”为单位法定代表人。
综上所述,压力容器设计专用印章模板可参考下图:尺寸样式规格如下图:1.压力容器设计专用印章2.主要负责人 XXX3.技术负责人 XXX4.证书编号5.批准日期6.公司名称以下是小编搜集到的一些常见问题汇总,希望在遇到类似问题时,帮到你们:1,TSG21-2016 固容规要求设计专用印章是写单位主要负责人,我们公司的法人是个外国人(美国人),这种情况主要负责人应该写谁?谢谢!(2016-10-17)答:主要负责人可以是单位法定代表人,或负责日常经营活动的总经理,或代表本单位形式相应职权的领导人。
(2016-10-25)2,特设局领导你好!《新容规》规定了在设计专用章中增加主要负责人的要求,我们根据《特种设备安全法》释义:主要负责人包括法定代表人、公司董事长以及总经理的条款,将本公司的主要负责人定义为总经理,因为本公司为外商独资企业,公司总部在法国,法定代表人由总部任命,本公司的一切事务授权总经理负责,包括行政管理、企业经营、财务管理、安全、人事等等,所以我们将《新容规》要求在设计图纸上增加的主要负责人定义为总经理,但这样与特设局“质检特函[2016]46 号文件的定义不符,不知我们这样做是否可以?请局领导批示。
特种设备设计文件鉴定专用章式样
注:(一) 字号仅供参考
(二) 鉴定报告书编号方法
1、基本格式
××××××××××-××××
顺序号
鉴定单位代码
设备种类代号
证书项目代号共15位,包括“-”。
2、代号含义
(1) 证书项目代号
由四个字母表示
TSWJ
(2) 设备种类代号
由二个字母表示
(3) 鉴定单位代码
分两部分。
前部分为省级地区代码,按照《中华人民共和国行政》(GB/T2260-1999)用两个字母表示,见附录。
后部分表示为鉴定单位,用两个数字表示,以设备种类为一类,由批准部门按批准的单位顺序号表示。
总局批准的地区代码为GJ.
(4) 顺序号
由四位阿拉伯数字表示,如果超过9999,则用字母与数字混合使用。
如顺序号为10200,则表示为A200。
(三) 刻制章时,证书项目代号、设备种类代号、鉴定单位代码及其“-”应当刻制。
顺序号手写。
(四) 单位负责人签字,应当手签,不能用个人章代替。
(五) 日期,应当包括年、月、日,如2003.06.15。
(六) 举例
如:国家质检总局批准第1家,国家质量监督检验检疫总局锅炉压力容器检测研究中心对游乐设施设计文件进行鉴定,其游乐设施设计文件的鉴定顺序为200。
则表示为:TSWJYLGJ01-0200
如:辽宁省质量技术监督局批准第2家,辽宁省安全科学研究
院负责锅炉设计文件进行鉴定,其锅炉设计文件的鉴定顺序号为2020。
则表示为:TSWJGLNJ02-2020
附录
地区代码。